SMC型AF系列空气过滤器图纸规格尺寸
- 格式:pdf
- 大小:809.27 KB
- 文档页数:1
空气过滤器的等级划分
无隔板式过滤器(minipleat)构造图(一)标准型
无隔板过滤器(minipleat)构造图(二)大风量型
存有隔板过滤器(separator)结构图(一)标准型
有隔板式过滤器(separator)构造图(二)大风量型
空气过滤器的分类
洁净室用空气过滤器种类较多,按结构形式分,有:1.平板式过滤器2.折迭式过滤器3.袋式过滤器4.有隔板折叠形过滤器5.无隔板折叠形过滤器
按过滤器效率分类,就是最为常用的方法;按国家标准gb/t14295-93《空气过滤器》及gb13554-92《高效率空气过滤器》的规定,在额定风量下,存有:
2.粗效过滤器3.中效过滤器4.高中效过滤器
5.亚高效率过滤器
6.高效过滤器(超高效过滤器)
达至hepa标准的过滤网,对于0.1微米和0.3微米的有效率达至99.998%,hepa网的特点就是空气可以通过,但细小的微粒却无法通过。
滤料:玻璃纤维滤料或聚酯纤维(pp)滤料
它对直径为0.3微米(头发直径的1/200)以上的微粒去除效率可达到99.7%以上,是烟雾、灰尘以及细菌等污染物最有效的过滤媒介。
(抽烟产生的烟雾颗粒直径为0.5微米)。
SMC过滤器滤芯型号选型和主要用途SMC过滤器滤芯型号选型和主要用途SMC过滤器前后采样,采样头上有高效滤纸,显然,SMC过滤器前后采样点高效滤纸的污染程度会不同。
试验中,每经过段发尘试验,测量不发尘状态下SMC过滤器前后采样点高效滤纸的通光量,通过比较滤纸通光量的差别,用规定计算方法得出所谓过滤效率。
终的比色效率是试验全过程各阶段效率值依发尘量的加权平均值。
终止试验的条件与计重法条件相似:约定的终阻力值,或效率明显下降时。
比色法用于测量效率较高的般通风用SMC过滤器,空调系统中的大部分SMC过滤器属于这种SMC过滤器。
比色法曾是国外通行的试验方法,这种方法逐渐被计数法所取代。
SMC过滤器可以得到人们的喜爱,或者它有其自身的优势,除了它的三维偏心原理设计之外,在有效实现理想的密封表面空间运动轨迹方面,还具有吸引人们注意力的特点:1.开启力矩不小,非常敏捷,在使用过程中可以节省能源和资源;采用三维偏心度为SMC过滤器,具有耐高温,耐腐蚀,耐磨损的特点。
同时,由于其严格的计算,发现封闭环及其蝶板基本上没有磨损,因此其使用寿命不会降低。
2.SMC过滤器的结构看起来非常简单而不松动,重量改变了概念的沉重,达到了重量轻的特性,即使在安装和拆卸时也非常容易,可以轻松维护,减轻了相对负担。
3.由于采用了不锈钢闭环,因为它具有一定的弹性,所以无论在高温下还是在低温的情况下,它都具有与蝶板相同的特性,即密封性极好。
4.使用寿命长还有其他原因。
气动断开蝶阀的封闭表面,以便采用堆焊非常硬的合金材料和其他成分的钴基,可以加强密封表面,从而减少磨损程度,在很大程度上延长其使用寿命。
5.它操作起来不简单,不费力,不能对介质的高度施加压力,而且具有可靠的封闭性,此外,由于其独特的结构,因此其开关只需要转动90度即可茎可以完成。
SMC过滤器商业繁荣提供了优越的发展环境当前我国社会快速发展,经济快速发展,商业繁荣发展,社会各界健康快速发展,国家政策的支持,相关法律和执法机构的公正执法,为SMC过滤器行业的发展提供了优越的优势。
AFF高效无隔板过滤器品牌:XN用途:空气过滤适用对象:空气过滤器类型:无隔板有效过滤面积:0.5(m2)原理:加压过滤样式:板框式主体材质:玻璃纤维性能:精密过滤,高效滤,滤料类型:纤维适用范围:化工,石油,制药,汽车,食品,电镀设备重量:4(KG)型号尺寸及其他参数型号model外形尺寸Outsidedimensions(mm)额定风量Ratedair flow(m3/h)初阻力Imitialresistance(Pa)效率(纳焰法)Efficiency(%)容尘量Dust capacity(g)XN-GXW-7J 610×610×50700≤220或≤140(HV)≥99.99450型号model外形尺寸Outsidedimensions(mm)额定风量Ratedair flow(m3/h)初阻力Imitialresistance(Pa)效率(纳焰法)Efficiency(%)容尘量Dust capacity(g)XN-GXW-10J1 915×610×501000≤220或≤140(HV)≥99.99680XN-GXW-14J 1220×610×501400≤220或≤140(HV)≥99.99900XN-GXW-10J2 610×610×691000≤220或≤140(HV)≥99.99560XN-GXW-15J 915×610×691500≤220或≤140(HV)≥99.99840XN-GXW-20J 1220×610×692000≤220或≤140(HV)≥99.991120XN-GXW-12J 610×610×801200≤220或≤140(HV)≥99.99650XN-GXW-14J 610×610×901400≤220或≤140(HV)≥99.99750XN-GXW-16J 610×610×1001600≤220或≤140(HV)≥99.99850XN-GXW-18J 1170×570×691800≤220或≤140(HV)≥99.991000XN-GXW-22J 1170×570×802200≤220或≤140(HV)≥99.991250AFF 系列超高效无隔板空气过滤器原理:离心式过滤法用途:空气过滤样式:厢式象性质:其他滤料类型:铝网型号:GK-5有效过滤面积:1600MM2适用范围:染料外形尺寸:320*320*220设备重量:2 kg型号尺寸及其他尺寸:型号外行尺寸宽×高×深(mm)额定风量(m3×)初阻力(pa)过滤效率(%)(钠焰法)容尘量(g)GK-5A320×320×220500≤220≥99.99350GK-5B 320×320×150300 200 GK-8A 600×600×150800 500 GK-5C 484×484×150600 350 GK-12A 820×600×1501200 750GK-15A 630×630×2201500 900木框铝隔板高效空气过滤器样式:厢式原理:加压过滤性能:精密过滤,高效过滤,过滤器类型:有隔板适用范围:化工,石油,制药,汽车,有效过滤面积:0.1(m2)设备重量:4(Kg)主体材质:玻纤外形尺寸:320*320*220(mm)用途:空气过滤适用对象:空气品牌:XN型号:XN-GX-4J滤料类型:纤维型号及其他参数:型号外行尺寸宽×高×深(mm)额定风量(m3×)初阻力(pa)过滤效率(%)(钠焰法)容尘量(g)YGK-01 484×484×2201000≤110≥95180YGK-02 600×600×1501200 200 YGK-03 820×600×1501500 270 YGK-04 630×630×1501500 300中效无纺布袋式箱式空气袋式高效过滤器品牌:SAF 型号:XN-ZXD-24 原理:加压过滤用途:空气过滤样式:袋式性能:其他适用对象:过滤器适用对象性质:其他滤料类型:无纺布过滤器类型:袋式主体材质:无纺布适用范围:其他有效过滤面积:0.35(m2)外形尺寸:595*595*600*6B(mm)设备重量:2(Kg)规格:595*595*600*6B DN:592*592*595多层金属铝网初效空气过滤器品牌:SAF 型号:XN-CXP-32J 原理:加压过滤用途:空气过滤样式:板框式性能:其他适用对象:空气适用对象性质:其他滤料类型:铝网过滤器类型:板式主体材质:金属适用范围:化工,石油,制药,汽车,食品,电镀有效过滤面积:0.35(m2)外形尺寸:595*595*21(mm)设备重量:2(Kg)规格:595*595*21微型初效板框式玻璃纤维过滤器品牌:SAF 型号:XN-CXN-42J 原理:加压过滤用途:空气过滤样式:板框式性能:其他适用对象:空气适用对象性质:其他滤料类型:纤维主体材质:玻璃纤维适用范围:化工,制药,食品,电镀有效过滤面积:0.35(m2)外形尺寸:595*595*25(mm)设备重量:2(Kg)规格:595*595*25 DN:592*592*24 产品类型:全新。
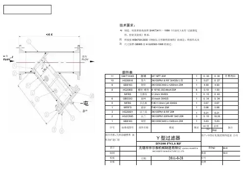
it 向FLOY 45C.C流向FLOV—屯3/^技术要求:制造、检验和验收按照SHAT3411・1999《石汕化I虫用过滤器选用、检验及验收》要求:焊接按WB4709-2000《钢制压力容器焊接规程》的规定; 焊接形式及尺寸按照GB985及H G20583-1998的规定。
1)2)3)部件表11 GB/T14383 丝堵3/4” NPT 20# 1 0. 30 0. 30 扌丰污口10 HG20610 垫片DN100PN1.6 RF 304SS/石墨 1 0.27 0. 279 GB8163 钢管DN100SCH40 L=290mm 20# 1 4.90 4.908 HG206I3 螺栓/螺母M 16*95 35CrMoA/35# 8 0.19 1.50MFRS 支擦座6= 2mm 304SS 1 0. 10 0. 406 GB533O 滤网20 mesh 304SS 1 0. 34 0. 345 MFRS 多孔板THK=1.0mm(p8 304SS 1 0.67 0.671 MFR*S 滤座THK=10mm 20# 1 0.98 0.983 HG20601 法兰盖DN100PN1.6 RF 20# 1 6.21 6.212 HG2O595 法兰DN100PN1.6WN-RF S40 20#3 5. 10 16.201 GB8163 钢管DN100SCH40 L=345mm 20# 1 5.83 5.83序号标准或图号部件名称描述数址m•重总亟备注IO •(kg)项目名称:天津南疆燃隼油库改扩建匸程Y型过滤器客户:中国石化集团第四建设公司DN100 PN1.6 RF设计无锡市华尔泰机械制造有限公rij WUXJ HUAERTAIMACHINERY MANUFACTURE CO. LTD.量(kg) 39.8制图数量18.0技术要求:58C.:1) 制造、检验和验收按照SH/T3411-1999《石汕化I:泵用过滤器选用、检验及验收》要求:2) 焊接按照JB4709-2000《钢制爪力容器焊接规程》的规定;3) 焊接形式及尺寸按照GB985及HG20583-1998的规定。
使用说明书SMC过滤器 (FGE 系列)FGES□-□-※A-□FGEL□-□-※A-□目 录● 安全注意事项 ・・・・・・・・・・・・・・・ P2、3 ● 各部分名称及其作用・・・・・・・・・・・・・・P4 ● 产品规格・・・・・・・・・・・・・・・・・・ P5 ● 安装、配管・・・・・・・・・・・・・・・・・ P5 ● 操作・・・・・・・・・・・・・・・・・・・・ P5 ・・・・・・・・・・・・・・・・P6、7 ●滤芯的更换方法SMC株式会社使用前请务必仔细阅读。
以下叙述注意事项的目的是为了让客户更安全的使用FGES、L 系列的产品并且在使用过程中事先预防会对您或他人带来的危害及伤害,以下所有安全事项都与安全息息相关,因此请您务必遵守每项内容。
操作不当可能会导致液体泄漏、本体盖脱落等异常,会导致意想不到的事故。
另外,机器适应性的决定应由知识和经验丰富的系统设计师来进行判断。
滤芯的破损防止、性能确保以及从定期维护的作业性考虑,请遵守下面所述注意事项。
使用条件设计以及安装时的注意点警告①使用压力・请不要超出使用压力范围。
②使用温度・请不要超出使用温度范围。
③使用流体・不要使用气体。
・不要使用具有腐蚀作用的流体。
・不要使用会对密封圈、O 型圈以及滤芯可能产生膨胀和劣化作用的流体。
④使用环境・请不要在可能会引起腐蚀的环境中使用。
・请不要在具有震动以及冲击的环境下使用。
操作上的注意事项警告①在加压的状态下千万不要松开V 型带。
②V 型带请正确安装在指定位置。
(请参考第7页) ③O 型圈若出现劣化、膨胀等异常时请及时更换。
O 型圈从使用即日起1年之后或者发生液体泄漏时要 进行更换。
(更换O 型圈请参考第4页表1) ④泵启动等加压过程,先开启上部抽气口后必须进行抽气。
⑤不要使用出现变形或螺纹损坏等异常现象的V型带(参考第4页表1)警告①清设计充分符合产品的安全要求的系统,如使用压力、使用温度、使用流体、使用环境等使用条件。