民爆物品存储库安全检查表
- 格式:doc
- 大小:81.00 KB
- 文档页数:4
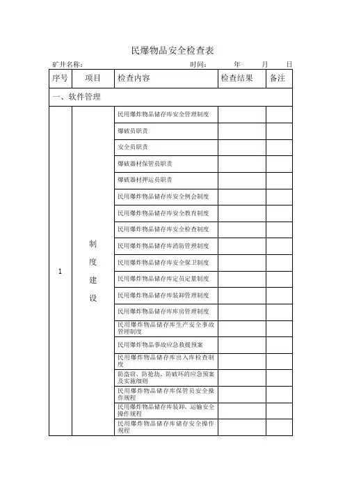
民爆物品安全检查表矿井名称:时间:年月日序号项目检查内容检查结果备注一、软件管理1制度建设民用爆炸物品储存库安全管理制度爆破员职责安全员职责爆破器材保管员职责爆破器材押运员职责民用爆炸物品储存库安全例会制度民用爆炸物品储存库安全教育制度民用爆炸物品储存库安全检查制度民用爆炸物品储存库消防管理制度民用爆炸物品储存库安全保卫制度民用爆炸物品储存库定员定量制度民用爆炸物品储存库装卸管理制度民用爆炸物品储存库库房管理制度民用爆炸物品储存库生产安全事故管理制度民用爆炸物品事故应急救援预案民用爆炸物品储存库出入库检查制度防盗窃、防抢劫、防破坏的应急预案及实施细则民用爆炸物品储存库保管员安全操作规程民用爆炸物品储存库装卸、运输安全操作规程民用爆炸物品储存库储存安全操作规程2记录台账出入库人员是否经批准并履行登记、是否是本人签字、是否代签、冒签是否有领火工品记录,火工品领料者的签字笔记是否是原始档案火工品的清退是否有原始档案火工品的领料单和清退单数量是否吻合,领取和清退台账数量是否一致,是否与领料请退单上数量一致雷管是否编号登记落实规范库区巡查记录、上级检查记录民爆物品存储、使用证防雷检测报告民爆储存设施现状评价报告民爆物品库区应急演练预案库区消防器材一览表爆破技术人员安全作业证一炮三检记录手册三人连锁放炮记录手册雷管导通试验记录表民爆物品使用审批表作业规程学习记录民爆物品领取入井使用出井清退监管流程图爆破工作日志二、硬件设施1库区建设及现场管理库区建设应符合GB50089—2007(民用爆破器材工程设计安全规范)的要求隔爆墙是否完好库区周围是否有杂草库区内、外排水是否畅通,库区内洞口是否堵塞库区是否设立明显的安全警示标志库区储存是否超量、超品种是否存在非专用仓库储存现象库房内是否存放其他易燃易爆物品是否存在其它违章行为,如存在烟火、违章用电等情况运送炸药、雷管是否用专用的爆炸材料箱,并加锁库区各洞口是否加设细铁丝网库区各项规章制度是否齐全有效出入库区登记台帐和进入要害场所台账是否有效建立2配套设施库区监测监控是否全覆盖,不留死角,且与矿方调度室直接联网是否有内、外线电话是否有完善的防盗报警装置,且运行正常库区消防系统是否完善,消防水池水量满足要求,消防水泵、消防栓完好,消防管路畅通,2配套设施灭火器数量是否符合要求,并在有效期内;消防砂箱内的砂量和砂质是否符合要求库区各线路连接是否规范,是否存在私拉乱扯现象储存库是否有温度湿度计,且台账是否正常记录库区是否配备防静电服犬防是否符合要求注:①要求民爆物品各管理制度以文件形式下发,并在各岗位醒目位置要粘贴上墙;②各记录台账要原始有效,不得有伪造、代签现象。
第 1 页第 2 页第 3 页第 4 页第 5 页第 6 页第 7 页第 8 页第 9 页第 10 页第 11 页第 12 页第 13 页第 14 页第 15 页第 16 页第 17 页表3-1续爆破作业单位民用爆炸物品小型储存库外部距离检查表第 18 页注:实际距离主要依据企业区域(或四邻)位置图(应由有资质的勘测部门提供的图纸,比例不大于1:5000),进行现场核查或测量的距离。
评价组组长:评价组成员:被评价单位陪同人:考核完成日期:年月日表3-1续爆破作业单位民用爆炸物品小型储存库内部距离检查表实际距离,m注:实际距离主要依据企业总平面布置(应由有资质的勘测部门提供的图纸,比例不大于1:2000),进行现场核查或测量的距离。
评价组组长:评价组成员:被评价单位陪同人:考核完成日期:年月日第 19 页第 20 页第 21 页第 22 页第 23 页第 24 页第 25 页第 26 页第 27 页第 28 页第 29 页第 30 页评价组组长:评价组成员:被评价单位陪同人:考核完成日期:年月日表4-1续爆破作业单位民用爆炸物品大型地面储存库外部距离检查表实际距离,m第 31 页注:实际距离,即主要依据企业区域(或四邻)位置图(应由有资质的勘测部门提供的图纸,比例不大于1:5000),进行现场核查或测量的距离。
评价组组长:评价组成员:被评价单位陪同人:考核完成日期:年月日表4-1续爆破作业单位民用爆炸物品大型地面储存库内部距离检查表实际距离,m第 32 页注:实际距离主要依据企业总平面布置(应由有资质的勘测部门提供的图纸,比例不大于1:2000),进行现场核查或测量的距离。
评价组组长:评价组成员:被评价单位陪同人:考核完成日期:年月日第 33 页第 34 页第 35 页第 36 页第 37 页第 38 页表4-3 爆破作业单位民用爆炸物品大型地面储存库作业过程单元安全检查表第 39 页第 40 页第 41 页第 42 页第 43 页第 44 页第 45 页第 46 页第 47 页第 48 页第 49 页注:1、实际距离、偏离洞轴线角度、装药实测横截面积主要依据企业区域(或四邻)位置图(应由有资质的勘测部门提供的图纸,比例不大于1:5000)和库房的实际情况,进行现场核查或测量的距离、角度和面积;2、覆土库只检查实际距离值;3、库房类别按实际库房情况对照GB50154标准要求的填写,如缓坡地形硬岩石洞库等。
表爆破作业单位民用爆炸物品储存库安全管理单元安全检查表1评价组组长:位负责人:表爆破作业单位民用爆炸物品储存库治安防范系统单元安全检2查表评价组组长:评价组成员:被评价单位负责日考核完成日期:月年人:表爆破作业单位民用爆炸物品大型地面储存库选址单元安全检1-4查表现场最终检查序检查检查记录检查确认号方式别类结果结果检查依据或要求项目被评价单位负责人:评价组成员:评价组组长:月年日考核完成日期:爆破作业单位民用爆炸物品大型地面储存库外部距离检查表1-4-1表或()四邻位置图(由有资质的勘测部门提供的有效图纸,比例不大:于11000并)0即主要依据企业区域规定的安全允许距离值;实际距离,①规定距离是指GB6722注:经现场核查的距离。
与高压输电线路的实际距离可按库房外墙至输电线路的实际距离计算。
;导爆索等其它器材按说明书标称的药量计算。
号雷管计算药量为每发1g②8(下同)③外部距离如有整改,则应附上整改后的外部距离对照表。
被评价单位负责人:评价组组长:评价组成员:日月年考核完成日期:爆破作业单位民用爆炸物品大型地面储存库内部距离检查表21-4-表规定距离,m实际距离/库房名称及存药值班室…3/××t××库房××库房2/××t量//1/××t××库房///库房2//××/3/××库房…值班室注:①规定距离是指GB6722规定的安全允许距离值;实际距离主要依据企业总平面布置(由有资质的勘测部门提供的有效图纸,比例不大于1:2000)并经现场核查的距离。
②内部距离如有整改,则应附上整改后的内部距离对照表。
评价组组长:评价组成员:被评价单月位负责人:考核完成日期:日年表爆破作业单位民用爆炸物品大型地面储存库安全设施单元安2-4全检查表现场最终类检查序检查检查确认检查记录检查依据或要求号项目别方式结果结果被评价单位负责人:评价组成员:评价组组长:月年考核完成日期:日爆破作业单位民用爆炸物品大型地面储存库作业过程单元安表3-4全检查表被评价单位负责人:评价组成员:评价组组长:日月年考核完成日期:。
目录1、表1 爆破作业单位民用爆炸物品储存库安全管理单元安全检查表.......................................................................................................................................................- 2 -2、表2 爆破作业单位民用爆炸物品储存库治安防范系统单元安全检查表...............................................................................................................................................- 5 -3、表3-1 爆破作业单位民用爆炸物品小型储存库选址单元安全检查表..................................................................................................................................................- 12 -4、表3-1续爆破作业单位民用爆炸物品小型储存库外部距离检查表.....................................................................................................................................................- 15 -5、表3-1续爆破作业单位民用爆炸物品小型储存库内部距离检查表.....................................................................................................................................................- 16 -6、表3-2 爆破作业单位民用爆炸物品小型储存库安全设施单元安全检查表..........................................................................................................................................- 17 -7、表3-3 爆破作业单位民用爆炸物品小型储存库作业过程单元安全检查表..........................................................................................................................................- 22 -8、表4-1 爆破作业单位民用爆炸物品大型地面储存库选址单元安全检查表..........................................................................................................................................- 26 -9、表4-1续爆破作业单位民用爆炸物品大型地面储存库外部距离检查表.............................................................................................................................................- 28 -10、表4-1续爆破作业单位民用爆炸物品大型地面储存库内部距离检查表...........................................................................................................................................- 29 -11、表4-2 爆破作业单位民用爆炸物品大型地面储存库安全设施单元安全检查表................................................................................................................................- 30 -12、表4-3 爆破作业单位民用爆炸物品大型地面储存库作业过程单元安全检查表................................................................................................................................- 36 -13、表5-1 爆破作业单位民用爆炸物品地下及覆土库选址单元安全检查表............................................................................................................................................- 40 -14、表5-1续地下及覆地火药炸药仓库外部距离检查表...........................................................................................................................................................................- 43 -15、表5-1续××洞库爆炸地震波外部允许距离检查表...........................................................................................................................................................................- 45 -16、表5-1续××地形岩石洞库相邻间距检查表.......................................................................................................................................................................................- 46 -17、表5-1续黄土洞库相邻间距检查表.......................................................................................................................................................................................................- 47 -18、表5-1续洞库相对布置间距检查表.......................................................................................................................................................................................................- 48 -19、表5-1续洞库上下布置库间距检查表...................................................................................................................................................................................................- 49 -20、表5-1续覆土库库间距离检查表...........................................................................................................................................................................................................- 50 -21、表5-1续地下及覆地火药炸药仓库与库区辅助、警卫用建筑物距离检查表...................................................................................................................................- 51 -22、表5-2 爆破作业单位民用爆炸物品地下及覆土库安全设施单元安全检查表....................................................................................................................................- 52 -23、表5-3 爆破作业单位民用爆炸物品洞库和覆土库作业过程单元安全检查表....................................................................................................................................- 67 -- 1 -表1 爆破作业单位民用爆炸物品储存库安全管理单元安全检查表序号检查项目检查依据或要求类别检查方式检查记录现场检查结果确认结果1管理职责按《中华人民共和国安全生产法》第十七条和《民用爆炸物品安全管理条例》第五条规定的落实情况,应按公安部门规定取得资质证书。
民爆仓库日常安全检查表一、仓库基本信息1. 仓库名称:2. 仓库负责人:3. 检查日期:二、仓库外部安全检查1. 仓库周边环境•☐周边是否存在居民区、商业区等人员密集区域•☐周边是否存在易燃易爆物品储存场所•☐周边是否存在重要设施、交通要道等2. 仓库围墙和门窗•☐仓库围墙是否完整牢固•☐仓库门窗是否坚固、配有合格的防护设施3. 视频监控和报警系统•☐是否安装了视频监控系统并保持正常运行•☐是否安装了火灾报警系统和防盗报警系统,并保持正常运行•☐是否定期对监控录像和报警设备进行检查和备份三、仓库内部安全检查1. 仓库布局和通道•☐仓库是否合理布局,通道是否畅通•☐通道旁是否存在易燃易爆物品,是否保持整洁无杂物堆放2. 储存货物•☐是否按规定分类和储存货物•☐是否存在破损、漏包、渗漏等情况的货物•☐是否有过期物品,是否及时清理和处置3. 储存设备和工具•☐储存货物的设备和工具是否符合安全要求•☐是否存在使用不当或损坏的设备和工具4. 灭火器和应急装备•☐是否按规定配置灭火器,是否保持正常状态和有效期•☐是否配备了应急照明设备,是否保持正常运行•☐是否配备了应急通风设备,是否保持通畅四、安全管理制度和培训1. 安全管理制度•☐是否建立和完善了仓库的安全管理制度•☐是否存在安全管理规章制度的宣传、培训以及执行情况2. 安全教育和培训•☐是否定期组织安全培训和演练•☐是否定期开展安全宣传教育活动3. 安全管理责任制•☐是否明确了安全管理人员的职责和权限•☐是否建立了安全管理责任制和考核机制五、其他备考事项1. 违章记录•☐是否存在违反安全生产规定和制度的记录•☐是否存在相关安全事故的处理及记录2. 安全隐患整改•☐是否存在相关安全隐患的整改记录•☐是否按要求进行了整改和改进措施的落实3. 其他重要事项•☐是否存在其他与安全生产相关的重要事项以上是民爆仓库日常安全检查表的内容,如仓库管理人员能够按照该表格进行仔细的检查和核对,并及时采取相应的整改和改进措施,将能够有效提高仓库的安全性和预防潜在的安全事故发生。
安全检查表6安全安全检查表序号检查项目检查依据或要求类别检查方式检查记录现场最终检查结果确认结果1单位储存库所属单位应资质有合法使用民用爆炸物证明品的资质证明。
安全按《中华人民共和现场A检查资料验证2管理国安全生产法》第十九机构条和《民用爆炸物品安或全管理条例》第五条的安全规定,应设置安全管理管理机构或者配备专职安全A现场检查资料验证人员管理人员。
3责任制度建立安全管理制现场检查度、岗位安全责任制度,A资料并层层签订责任书。
验证4 5安全例会制度安全教育制度建立安全例会制度,会议应由企业主要负责人主持、定期召开并有记录。
建立教育培训制度,并有培训教育记录。
现场A检查资料验证现场A检查资料验证建立安全监督检查检查制度,及时发现、整改A现场检查号项目别方式检查结果确认结果制度安全隐患并有记录。
资料验证7消防管理制度建立消防管理制度,消防设施及消防器材应定期检查并有检查记录。
现场A检查资料验证8安全保卫有库区安全保卫制度并严格执行。
A现场检查9制度有符合国家行业规定员范、规定要求的定员定定量量制度,明确各库房定A制度员定量并按规定严格执行。
现场检查资料验证10 11装卸有符合国家行业规管理范、规定要求的装卸管制度理制度并严格执行。
库房有符合国家行业规管理范、规定要求的库房管制度理制度并严格执行。
现场A检查资料验证现场A检查资料验证劳动防护12用品管理制度有制度并严格执行。
A现场检查资料验证号项目别方式检查结果确认结果应按规定建立民用爆炸物品流向管理制度。
如实记录民用爆炸现场物品进出库数量、流向流向检查13和储量,每天核对民用A管理资料爆炸物品库存情况,并验证按规定将上述信息录入民用爆炸物品信息管理系统。
对构成重大危险源14重大的库区,应按国家有关危险规定制定重大危险源管源管理制度并实施管理,有理检查记录,并按规定备案。
生产现场A检查资料验证安全15事故管理制度火灾、有制度,严格执行资料A并有记录。
验证爆炸事故有应急救援预案并16应急定期开展演练且有总救援结。
序号1 2 3 4检查内容周界入侵探测器设防状态入侵报警系统运行状态视频监控安装位置视频监控图像记录.民爆物品储存库安全检查表检查标准及要求库房应安装入侵报警装置。
库房内无人时,入侵报警装置应能进入设防状态。
库区及重要通道应安装周界报警装置。
库房入侵报警装置、库区及重要通道周界报警装置每次撤防时间不应超过2h,紧急报警装置应全天处于设防状态。
报警系统应能独立运行,并能按时间、区域、部位灵活设防或撤防。
当有报警时能显示和记录报警部位、地址及有关警情数据;系统运行正常。
库房、库区及重要通道应安装视频监控装置。
报警值班室所设监控终端,能对所有监控图像进行记录,多画面或轮回显示各监控图像。
应能与报警系统联动,当报警发生时,能对报警现场进行图像复核,将现场图像自动切换到指定的监视器上显示。
摄像视场角应覆盖目标 80%以上,对库区大门、库房门窗等出入口和直接被监控目标,必须做到全覆盖。
图象记录保存时间不少于30 天。
被监控目标的照度应符合摄像机正常图像的照度要求,在照度达不到要求时应增加辅助照明设施或使用具有夜视功能的视频监控探头。
检查记录检查方式责任部门(合格 /不合格)现场检查现场检查现场检查现场检查现场检查现场检查现场检查现场检查现场检查现场检查现场检查序号检查内容监控和报警5设备安装位置6通讯基本要求技术防范系统7联动要求通讯设施8终端要求9电源要求10系统工作状态技术防范设备11质量与安全12室内外线路检查记录检查标准及要求检查方式责任部门(合格 /不合格)监控和报警设备不应安装在民爆物品储存库内。
现场检查技术防范系统应预留远程联网的通信接口。
现场检查报警、视频监控与辅助照明灯光应实现联动。
现场检查报警信号、视频监控图像信号应做到同步自动切换,同时也可任意切换,报现场检查警信号显示屏的信号显示应能指出报警现场的位置。
报警、视频监控装置应显示、记录、储存所有的报警信号、图像信号。
现场检查通讯设施终端应连接至或安装在报警值班室。
表1 爆破作业单位民用爆炸物品储存库安全管理单元安全检查表评价组组长:评价组成员:被评价单位陪同人:考核完成日期:年月日表2 爆破作业单位民用爆炸物品储存库治安防范系统单元安全检查表评价组组长:评价组成员:被评价单位陪同人:考核完成日期:年月日表3-1 爆破作业单位民用爆炸物品小型储存库选址单元安全检查表评价组组长:评价组成员:被评价单位陪同人:考核完成日期:年月日表3-1续爆破作业单位民用爆炸物品小型储存库外部距离检查表注:实际距离主要依据企业区域(或四邻)位置图(应由有资质的勘测部门提供的图纸,比例不大于1:5000),进行现场核查或测量的距离。
评价组组长:评价组成员:被评价单位陪同人:考核完成日期:年月日表3-1续爆破作业单位民用爆炸物品小型储存库内部距离检查表实际距离,m注:实际距离主要依据企业总平面布置(应由有资质的勘测部门提供的图纸,比例不大于1:2000),进行现场核查或测量的距离。
评价组组长:评价组成员:被评价单位陪同人:考核完成日期:年月日表3-2 爆破作业单位民用爆炸物品小型储存库安全设施单元安全检查表评价组组长:评价组成员:被评价单位陪同人:考核完成日期:年月日表3-3 爆破作业单位民用爆炸物品小型储存库作业过程单元安全检查表评价组组长:评价组成员:被评价单位陪同人:考核完成日期:年月日表4-1 爆破作业单位民用爆炸物品大型地面储存库选址单元安全检查表评价组组长:评价组成员:被评价单位陪同人:考核完成日期:年月日表4-1续爆破作业单位民用爆炸物品大型地面储存库外部距离检查表实际距离,m注:实际距离,即主要依据企业区域(或四邻)位置图(应由有资质的勘测部门提供的图纸,比例不大于1:5000),进行现场核查或测量的距离。
评价组组长:评价组成员:被评价单位陪同人:考核完成日期:年月日表4-1续爆破作业单位民用爆炸物品大型地面储存库内部距离检查表实际距离,m注:实际距离主要依据企业总平面布置(应由有资质的勘测部门提供的图纸,比例不大于1:2000),进行现场核查或测量的距离。
表爆破作业单位民用爆炸物品储存库安全管理单元安全检查表1检查项检查依据或要求序目号单位资质储存库所属单位应有合法使用民1证明用爆炸物品的资质证明。
安全管理按《中华人民共和国安全生产法》2机构或第十九条和《民用爆炸物品安全管安全管理理条例》第五条的规定,应设置安人员全管理机构或者配备专职安全管理人员。
责任制建立安全管理制度、岗位安全责3度任制度,并层层签订责任书。
安全例会建立安全例会制度,会议应由企4制度业主要负责人主持、定期召开并有记录。
安全教育建立教育培训制度,并有培训教育5制度记录。
安全检查建立安全监督检查制度,及时发6制度现、整改安全隐患并有记录。
消防管建立消防管理制度,消防设施及7理制度消防器材应定期检查并有检查记录。
类检检查记录现最别查方场终式检确查认结结果果现场合合A检查格格资料验证现合A场检合格查资格料验证现场A检查合合资料格格验证现场合A检查格合资料格验证现场A检查合合资料格格验证现场合A检查格合资料格验证现场合A检查格合资料格验证安全保卫有库区安全保卫制度并严格执A现场8制度行。
检查合合资料格格验证定员定有符合国家行业规范、规定要求现场9量制度的定员定量制度,明确各库房定员A检查合合定量并按规定严格执行。
资料格格验证.检查项目检查依据或要求类检检查记录现最序别查方场终号式检确查认结结果果装卸管理有符合国家行业规范、规定要求现场合1制度的装卸管理制度并严格执行。
A检查格合0资料格验证库房管理有符合国家行业规范、规定要求A现场合1制度的库房管理制度并严格执行。
检查格合1资料格验证劳动防有制度并严格执行。
1护用品2管理制度A现场合检查格合资料格验证流向管1理3应按规定建立民用爆炸物品流向管理制度。
如实记录民用爆炸物品进出库数量、流向和储量,每天核对民用爆炸物品库存情况,并按规定将上述信息录入民用爆炸物品信息管理系统。
现合合A场检格格查资料验证重大危对构成重大危险源的库区,应按国1险源管理家有关规定制定重大危险源管理制4度并实施管理,有检查记录,并按规定备案。