传感器习题第5章-电容式传感器
- 格式:doc
- 大小:487.50 KB
- 文档页数:5
第5章电容式传感器一、单项选择题1、如将变面积型电容式传感器接成差动形式,则其灵敏度将()。
A. 保持不变B.增大一倍C. 减小一倍D.增大两倍2、差动电容传感器采用脉冲调宽电路作测量电路时,其输出电压正比于()。
A.C1-C2 B. C1-C2/C1+C2C. C1+C2/C1-C2D. ΔC1/C1+ΔC2/C23、当变隙式电容传感器的两极板极间的初始距离d0增加时,将引起传感器的()A.灵敏度K0增加 B.灵敏度K0不变C.非线性误差增加 D.非线性误差减小4、当变间隙式电容传感器两极板间的初始距离d增加时,将引起传感器的()。
A.灵敏度会增加 B.灵敏度会减小C.非线性误差增加 D.非线性误差不变5、用电容式传感器测量固体或液体物位时,应该选用()。
A.变间隙式 B.变面积式C.变介电常数式 D.空气介质变间隙式6、电容式传感器通常用来测量()。
A.交流电流 B.电场强度 C.重量 D.位移7、电容式传感器可以测量()。
A.压力 B.加速度 C.电场强度 D.交流电压8、电容式传感器等效电路不包括()。
A. 串联电阻B. 谐振回路C. 并联损耗电阻D. 不等位电阻9、关于差动脉冲宽度调制电路的说法正确的是()。
A. 适用于变极板距离和变介质型差动电容传感器B. 适用于变极板距离差动电容传感器且为线性特性C. 适用于变极板距离差动电容传感器且为非线性特性D. 适用于变面积型差动电容传感器且为线性特性10、下列不属于电容式传感器测量电路的是()A.调频测量电路 B.运算放大器电路C.脉冲宽度调制电路 D.相敏检波电路11、在二极管双T型交流电桥中输出的电压U的大小与()相关A.仅电源电压的幅值和频率B.电源电压幅值、频率及T型网络电容C1和C2大小C.仅T型网络电容C1和C2大小D.电源电压幅值和频率及T型网络电容C1大小12、电容式传感器做成差动结构后,灵敏度提高了()倍A.1 B.2 C.3 D.0二、多项选择题1、极距变化型电容式传感器,其灵敏度与极距()。
第五章电容传感器思考题与习题答案1.单项选择题1)在两片间隙为1mm的两块平行极板的间隙中插入___C___,可测得最大的电容量。
A. 塑料薄膜B. 干的纸C. 湿的纸 D .玻璃薄片2)电子卡尺的分辨力可达0.01mm,行程可达200mm,它的内部所采用的电容传感器型式是___B___。
A. 变极距式B. 变面积式C. 变介电常数式3)在电容传感器中,若采用调频法测量转换电路,则电路中___B___。
A. 电容和电感均为变量B. 电容是变量,电感保持不变C. 电容保持常数,电感为变量D. 电容和电感均保持不变4)利用湿敏电容可以测量__B____。
A. 空气的绝对湿度B. 空气的相对湿度C. 空气的温度D. 纸张的含水量5)电容式接近开关对__D___的灵敏度最高。
A. 玻璃B. 塑料C. 纸D. 鸡饲料6)下图中,当储液罐中装满液体后,电容差压变送器中的膜片___A______。
A.向左弯曲B. 向右弯曲C.保持不动差压式液位计示意图1-储液罐2-液面3-上部空间4-高压侧管道5-电容差压变送器6-低压侧管道7)自来水公司到用户家中抄自来水表数据,得到的是___B___。
A. 瞬时流量,单位为t/hB. 累积流量,单位为t或m3C. 瞬时流量,单位为k/gD. 累积流量,单位为kg8)在下图中,管道中的流体自左向右流动时,_____A____。
A. p1〉p2B. p1〈p2C.p1=p29)管道中流体的流速越快,压力就越_____B____。
A. 大B.小C.不变节流式流量计示意图a)流体流经节流孔板时,流速和压力的变化情况b)测量液体时导压管的标准安装方法c)测量气体时导压管的标准安装方法1-上游管道2-流体3-节流孔板4-前取压孔位置5-后取压孔位置9)欲测量加工罐中面粉的物位,应选用______C______;欲测量10m深的水库水位应选用______A______;欲测量2m深的水池中的水位,既需要用肉眼观察,又需要输出电信号,应选用______B______。
第1章传感器概述1.什么是传感器?(传感器定义)2.传感器由哪几个部分组成?分别起到什么作用?3. 传感器特性在检测系统中起到什么作用?4.解释下列名词术语: 1)敏感元件;2)传感器; 3)信号调理器;4)变送器。
第1章传感器答案:3.答:传感器处于研究对象与测试系统的接口位置,即检测与控制之首。
传感器是感知、获取与检测信息的窗口,一切科学研究与自动化生产过程要获取的信息都要通过传感器获取并通过它转换成容易传输与处理的电信号,其作用与地位特别重要。
4.答:①敏感元件:指传感器中直接感受被测量的部分。
②传感器:能感受规定的被测量并按照一定规律转换成可用输出信号的器件或装置,通常由敏感元件和转换元件组成。
③信号调理器:对于输入和输出信号进行转换的装置。
④变送器:能输出标准信号的传感器第2章传感器特性1.传感器的性能参数反映了传感器的什么关系?静态参数有哪些?各种参数代表什么意义?动态参数有那些?应如何选择?2.某传感器精度为2%FS ,满度值50mv ,求出现的最大误差。
当传感器使用在满刻度值1/2和1/8 时计算可能产生的百分误差,并说出结论。
3.一只传感器作二阶振荡系统处理,固有频率f0=800Hz,阻尼比ε=0.14,用它测量频率为400的正弦外力,幅植比,相角各为多少?ε=0.7时,,又为多少?4.某二阶传感器固有频率f0=10KHz,阻尼比ε=0.1若幅度误差小于3%,试求:决定此传感器的工作频率。
5. 某位移传感器,在输入量变化5 mm时,输出电压变化为300 mV,求其灵敏度。
6. 某测量系统由传感器、放大器和记录仪组成,各环节的灵敏度为:S1=0.2mV/℃、S2=2.0V/mV、S3=5.0mm/V,求系统的总的灵敏度。
7.测得某检测装置的一组输入输出数据如下:a)试用最小二乘法拟合直线,求其线性度和灵敏度;b)用C语言编制程序在微机上实现。
8.某温度传感器为时间常数 T=3s 的一阶系统,当传感器受突变温度作用后,试求传感器指示出温差的1/3和1/2所需的时间。
第5 章电容式传感器电容式传感器是将被测非电量的变化转换为电容量变化的一种传感器。
它结构简单、体积小、分辨率高,可非接触式测量,并能在高温、辐射和强烈振动等恶劣条件下工作。
广泛应用于压力、差压、液位、振动、位移、加速度、成分含量等多方面测量。
随着电容测量技术的迅速发展,电容式传感器在非电量测量和自动检测中得到了广泛的应用。
5.1 电容式传感器的工作原理和结构①工作原理由绝缘介质分开的两个平行金属板组成的平板电容器,如果不考虑边缘效应,其电容量为式中,ε一电容极板间介质的介电常数,ε=ε0εr,其中ε0为真空介电常数,εr极板间介质的相对介电常数;A-两平行板所覆盖的面积;d-两平行板之间的距离。
当被测参数变化使得式(5-1)中的A、d或ε发生变化时,电容量C也随之变化。
如果保持其中两个参数不变,而仅改变其中一个参数,就可把该参数的变化转换为电容量的变化,通过测量电路就可转换为电量输出。
②结构形式按照式(5-1)中ε、A、d的改变情况,电容式传感器可分为变极距型、变面积型和变介电常数型三种。
图5-1所示为常用电容器的结构形式。
图(a)为变极距型,图(c)为变面积型,而图(j)则为变介电常数型。
5.1.1变极距型电容传感器图5-2为变极距型电容式传感器的原理图。
当传感器的εr和A为常数,初始极距为d0时,由式(5-1)可知其初始电容量C。
为若电容器极板间距离由初始值d0缩小了△d,电容量增大了△C:,则有由式(5-3)可知,传感器的输出特性不是线性关系,而是如图5-3所示曲线关系。
在式(5-3)中,若△d/d0<<l 时,1-(△d/d0)2≈1,则式(5-3)可以简化为此时C与△d近似呈线性关系,所以变极距型电容式传感器只有在△d/d0很小时,才有近似的线性关系。
另外,由式(5-4)可以看出,在d0较小时,对于同样的△d变化所引起的△C可以增大,从而使传感器灵敏度提高。
但d0过小,容易引起电容器击穿或短路。
传感器原理及工程应用答案1—1:测量的定义,答:测量是以确定被测量的值或获取测量结果为目的的一系列操作。
所以, 测量也就是将被测量与同种性质的标准量进行比较,确定被测量对标准量的倍数。
1—2:什么是测量值的绝对误差、相对误差、引用误差,答:绝对误差是测量结果与真值之差,即: 绝对误差=测量值—真值相对误差是绝对误差与被测量真值之比,常用绝对误差与测量值之比,以百分数表示 , 即: 相对误差=绝对误差/测量值×100%引用误差是绝对误差与量程之比,以百分数表示,即: 引用误差=绝对误差/量程×100%1—3什么是测量误差,测量误差有几种表示方法,它们通常应用在什么场合, 答: 测量误差是测得值减去被测量的真值。
测量误差的表示方法:绝对误差、实际相对误差、引用误差、基本误差、附加误差。
当被测量大小相同时,常用绝对误差来评定测量准确度;相对误差常用来表示和比较测量结果的准确度;引用误差是仪表中通用的一种误差表示方法,基本误差、附加误差适用于传感器或仪表中。
2,1:什么是传感器,它由哪几部分组成,它的作用及相互关系如何,答:传感器是能感受规定的被测量并按照一定的规律转换成可用输出信号的器件或装置。
通常,传感器由敏感元件和转换元件组成。
其中,敏感元件是指传感器中能直接感受或响应被测量的部分; 转换元件是指传感器中能将敏感元件感受或响应的被测量转换成适于传输或测量的电信号部分。
2—2:什么是传感器的静态特性,它有哪些性能指标,分别说明这些性能指标的含义, 答:传感器在被测量的各个值处于稳定状态时,输出量和输入量之间的关系称为传感器的静态特性;其主要指标有线性度、灵敏度、精确度、最小检测量和分辨力、迟滞、重复性、零点漂移、温漂。
灵敏度定义是输出量增量Δy与引起输出量增量Δy的相应输入量增量Δx之比。
传感器的线性度是指传感器的输出与输入之间数量关系的线性程度。
输出与输入关系可分为线性特性和非线性特性。
传感器原理与工程应用习题集一、单项选择题第1章传感器与检测的理论基础1.在整个测量过程中,如果影响和决定误差大小的全部因素(条件)始终保持不变,对同一被测量进行多次重复测量,这样的测量称为(C )A.组合测量B.静态测量C.等精度测量D.零位式测量2.在同一测量条件下,多次测量被测量时,其绝对值和符号以不可预定的方式化着的误差称为(B )A.粗大误差B.随机误差C.系统误差D.绝对误差3.超出规定条件下预期的误差称为(A ),它严重地歪曲了客观现象,应予以剔除。
A.粗大误差B.随机误差C.系统误差D.绝对误差4.在同一测量条件下,多次测量被测量时,其绝对值和符号保持不变,或在条件变化时,按一定规律变化的误差称为(C )A.粗大误差B.随机误差C.系统误差D.绝对误差5.在直流电路中使用电流表和电压表测量负载功率的测量方法属于(B )。
A. 直接测量B. 间接测量C. 组合测量D. 等精度测量6.宠物医院通常采用红外测温仪测量动物的温度,这种测量方法属于(D)。
A. 接触式测量B. 间接测量C. 组合测量D. 非接触式测量7.精度等级用来表示一个仪表能达到的测量精度,精度等级是由( D )来表示/确定的。
A. 绝对误差B. 实际相对误差C. 基本误差D. 最大引用误差第2章传感器概述8.属于传感器动态特性指标的是(B )A.重复性B.固有频率C.灵敏度D.漂移9.不属于传感器静态特性指标的是(B )A.重复性B.固有频率C.灵敏度D.漂移10.传感器的主要功能是(A )。
A. 检测和转换B. 滤波和放大C. 调制和解调D. 传输和显示11.传感器的输出量通常为(B )A 非电量信号B 电量信号C 位移信号D 光信号12.输入逐渐增加到某一值,与输入逐渐减小到同一输入值时的输出值不相等是属于传感器静态特性的哪一种(D )A:灵敏度B:线性度C:灵敏度界限D:迟滞性13.非线性度是表示校准曲线( B )的程度。
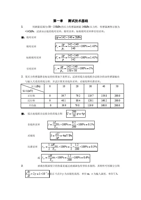
《传感器原理及工程应用》习题答案王丽香第1章 传感与检测技术的理论基础(P26)1-3 用测量范围为-50~150kPa 的压力传感器测量140kPa 的压力时,传感器测得示值为142kPa ,求该示值的绝对误差、实际相对误差、标称相对误差和引用误差。
解:已知: 真值L =140kPa 测量值x =142kPa 测量上限=150kPa 测量下限=-50kPa∴ 绝对误差 Δ=x-L=142-140=2(kPa)实际相对误差 %==43.11402≈∆L δ标称相对误差 %==41.11422≈∆x δ引用误差%--=测量上限-测量下限=1)50(1502≈∆γ1-10 对某节流元件(孔板)开孔直径d 20的尺寸进行了15次测量,测量数据如下(单位:mm ):120.42 120.43 120.40 120.42 120.43 120.39 120.30 120.40 120.43 120.41 120.43 120.42 120.39 120.39 120.40试用格拉布斯准则判断上述数据是否含有粗大误差,并写出其测量结果。
解:当n =15时,若取置信概率P =0.95,查表可得格拉布斯系数G =2.41。
则 2072.410.03270.0788()0.104d G mm v σ=⨯=<=-,所以7d 为粗大误差数据,应当剔除。
然后重新计算平均值和标准偏差。
当n =14时,若取置信概率P =0.95,查表可得格拉布斯系数G =2.37。
则 20 2.370.01610.0382()d i G mm v σ=⨯=>,所以其他14个测量值中没有坏值。
计算算术平均值的标准偏差200.0043()mm σσ=== 20330.00430.013()d mm σ=⨯=所以,测量结果为:20(120.4110.013)()(99.73%)d mm P =±=1-14交流电路的电抗数值方程为CL X ωω1-= 当角频率Hz 51=ω,测得电抗1X 为Ω8.0; 当角频率Hz 22=ω,测得电抗2X 为Ω2.0; 当角频率Hz 13=ω,测得电抗3X 为Ω-3.0。
潘光勇0909111621 物联网1102班《传感器技术》作业第一章习题一1-1衡量传感器静态特性的主要指标。
说明含义。
1、线性度——表征传感器输出-输入校准曲线与所选定的拟合直线之间的吻合(或偏离)程度的指标。
2、回差(滞后)—反应传感器在正(输入量增大)反(输入量减小)行程过程中输出-输入曲线的不重合程度。
3、重复性——衡量传感器在同一工作条件下,输入量按同一方向作全量程连续多次变动时,所得特性曲线间一致程度。
各条特性曲线越靠近,重复性越好。
4、灵敏度——传感器输出量增量与被测输入量增量之比。
5、分辨力——传感器在规定测量范围内所能检测出的被测输入量的最小变化量。
6、阀值——使传感器输出端产生可测变化量的最小被测输入量值,即零位附近的分辨力。
7、稳定性——即传感器在相当长时间内仍保持其性能的能力。
8、漂移——在一定时间间隔内,传感器输出量存在着与被测输入量无关的、不需要的变化。
9、静态误差(精度)——传感器在满量程内任一点输出值相对理论值的可能偏离(逼近)程度。
1-2计算传感器线性度的方法,差别。
1、理论直线法:以传感器的理论特性线作为拟合直线,与实际测试值无关。
2、端点直线法:以传感器校准曲线两端点间的连线作为拟合直线。
3、“最佳直线”法:以“最佳直线”作为拟合直线,该直线能保证传感器正反行程校准曲线对它的正负偏差相等并且最小。
这种方法的拟合精度最高。
4、最小二乘法:按最小二乘原理求取拟合直线,该直线能保证传感器校准数据的残差平方和最小。
1—4 传感器有哪些组成部分?在检测过程中各起什么作用?答:传感器通常由敏感元件、传感元件及测量转换电路三部分组成。
各部分在检测过程中所起作用是:敏感元件是在传感器中直接感受被测量,并输出与被测量成一定联系的另一物理量的元件,如电阻式传感器中的弹性敏感元件可将力转换为位移。
传感元件是能将敏感元件的输出量转换为适于传输和测量的电参量的元件,如应变片可将应变转换为电阻量。
第一章 测试技术基础1.用测量范围为-50~150kPa 的压力传感器测量140kPa 压力时,传感器测得示值为+142kPa ,试求该示值的绝对误差、相对误差、标称相对误差和引用误差。
解:绝对误差2kPa140142=-=∆p相对误差 1.43%100%1401401420=⨯-=∆=p p p δ标称相对误差1.41%100%142140142=⨯-=∆='p p p δ引用误差 1%100%50150140142m =⨯+-=∆=p p p γ2.某压力传感器静态标定的结果如下表所示。
试求用端点连线拟合法拟合的该传感器输出与输入关系的直线方程,并试计算其非线性误差、灵敏度和迟滞误差。
解: 端点连线拟合法拟合的直线方程 p p U 450200==非线性误差0.1%100%2000.2100%=⨯=⨯∆=FS Y L max γ灵敏度 4mV/Pa =∆∆=pUS 迟滞误差0.3%100%2001.221100%21=⨯⨯=⨯∆=FS H Y H max γ或0.6%100%2001.2100%max =⨯=⨯∆=FS H Y H γ3.玻璃水银温度计的热量是通过玻璃温包传导给水银的,其特性可用微分方程表示(式中y 为水银柱高度,单位m ;x 为输入温度,单位℃)。
x y dtdy310123-⨯=+试确定温度计的时间常数τ、静态灵敏度k 和传递函数及其频率响应函数。
解:x y dtdy310123-⨯=+x y D 3101)23(-⨯=+x y D 31021)123(-⨯=+时间常数静态灵敏度s 51.=τC m/1050o 3-⨯=.k 传递函数 频率响应函数1511050(s)3+⨯=-s H ..15.1105.0)(j 3+⨯=-ωωj H 4. 某热电偶测温系统可看作一阶系统,已知其时间常数为0.5s ,静态灵敏度。
试计1=k 算其幅频特性误差不大于5%的最高工作频率。
第5章《传感器及其应用》第1节 揭开传感器的“面纱”【学习目标】1.了解传感器在生产和生活中的应用。
2.知道非电学量转换成电学量的技术意义。
3.知道传感器的最基本原理及其一般结构。
4.知道敏感元件的作用。
【要点透析】1. 什么是传感器?传感器是把非电学物理量(如位移、速度、压力、温度、湿度、流量、声强、光照度等)按一定规律转换成便于处理和传输电学量(如电压、电流等)的一种元件。
传感器输入的是非电学物理量,输出的是电学量。
将非电学物理量转换成电学量后,测量比较方便,而且能输入到计算机进行处理。
各种传感器是自动控制设备中不可缺少的元件,已经渗透到宇宙开发、环境保护、交通运输以至家庭生活等多种领域。
2.传感器的组成传感器一般由敏感元件、转换元件和测量电路三部分组成,有时还需要加辅助电源。
如图5.1-1所示。
敏感元件(预变换器):将不能够直接变换为电量的非电量转换为可直接变换为电量的非电量元件。
敏感元件是传感器的核心部分,它是利用材料的某种敏感效应(如热敏、光敏、压敏、力敏、湿敏等)制成的。
转换元件:将感受到的非电量直接转换为电量的器件称为转换元件,如压电晶体、热电偶等。
转换电路:将转换元件输出的电量变成便于显示、记录、控制和处理的有用电信号的电路称为测量电路。
3.传感器的分类传感器的种类很多,目前尚没有统一的分类方法,一般常采用的分类方法有如下几种:(1)按工作原理分类物理传感器:利用物质的物理性质和物理效应感知并检测出待测对象信息的传感器,如电容传感器、电感传感器、光电传感器、压电传感器等;化学传感器:利用化学反应识别和检测信息的传感器,如气敏传感器、湿敏传感器等; 生物传感器:利用生物化学反应识别和检测信息的传感器,它是由固定生物体材料和适图5.1-1 敏感元件当转换器件组合成的系统。
如组织传感器、细胞传感器、酶传感器等。
(2)按用途分类这种分类方法给使用者提供了方便,容易根据需要测量的对象选择所需要的传感器。
复习资料使用说明1. 考试形式按照60分钟上机模式;2. 全为客观题:共50题,每题2分(单项选择30题,判断10题,多项选择10)。
3. 题库中题量大,复习资料按照知识点罗列。
4. 判断题中,复习中只罗列了“正确的”知识点,题库中部分判断题有与之对应的错误题,例如:线性度是传感器的静态特性之一。
(√)线性度是传感器的动态特性之一。
(×)5. 题库的A、B、C、D是动态变化的,坐在一起的学生,就算抽到同样的试卷,ABCD顺序也是不同的。
6. 因为选项动态变化,如果试卷中万一出现“以上都不对”,请理解为“其它三项都不对”。
7.三级标题如“0.1.1”,意味着里面的知识点,试卷一般直选其中一题。
8. 实际题库中,多项选择可能有五个选项,题干不变。
《传感器与测试基础》总复习综合绪论第一章基本概念1. 真值是指一定的时间及空间条件下,某物理量体现的真实数值。
真值是客观存在的,却无法测量的。
(√)2.对多个被测量进行测量后,还需经过计算求得被测量,这种测量方法是( D )。
A. 静态测量B. 动态测量C. 直接测量D. 间接测量3.与绝对误差的数值相等、符号相反的量称为(C )。
A. 近似值B. 估计值C. 修正值D. 测量值4.按照测量的具体手段,测量方法可以分为( ABD )。
A. 偏位式测量B. 微差式测量C. 离线式测量D.零位式测量第二章电阻传感器第三章电感传感器第四章电涡流传感器第五章电容传感器第六章压电传感器1. 具有压电效应的材料称为( D )A.磁电材料B.光电材料C.陶瓷材料D.压电材料2. 某些电介质,沿一定方向受外力作用边形时,内部发生极化现象,在外表面产生电荷,这是( D )A.光电效应B.逆压电效应C.霍尔效应D. 压电效应3. 某些电介质经过强电场极化后,在极化方向施加电场或电压,该电介质会产生机械变形,这种现象称为( B )A.光电效应B.电致伸缩效应C.霍尔效应D. 压电效应4. 石英晶体在振荡电路中工作时,( A ),从而产生稳定的振荡输出频率。
《传感器与测试技术》计算题 解题指导(仅供参考)第1章 传感器的一般特性1—5 某传感器给定精度为2%F·S ,满度值为50mV ,零位值为10mV ,求可能出现的最大误差δ(以mV 计)。
当传感器使用在满量程的1/2和1/8时,计算可能产生的测量百分误差。
由你的计算结果能得出什么结论? 解:满量程(F▪S )为50﹣10=40(mV)可能出现的最大误差为:∆m =40⨯2%=0.8(mV) 当使用在1/2和1/8满量程时,其测量相对误差分别为:%4%10021408.01=⨯⨯=γ %16%10081408.02=⨯⨯=γ1—6 有两个传感器测量系统,其动态特性可以分别用下面两个微分方程描述,试求这两个系统的时间常数τ和静态灵敏度K 。
(1)T y dt dy5105.1330-⨯=+ 式中, y ——输出电压,V ;T ——输入温度,℃。
(2)x y dt dy6.92.44.1=+式中,y ——输出电压,μV ;x ——输入压力,Pa 。
解:根据题给传感器微分方程,得 (1) τ=30/3=10(s),K=1.5⨯10-5/3=0.5⨯10-5(V/℃);(2) τ=1.4/4.2=1/3(s),K=9.6/4.2=2.29(μV/Pa)。
1—7 已知一热电偶的时间常数τ=10s ,如果用它来测量一台炉子的温度,炉内温度在540℃至500℃之间接近正弦曲线波动,周期为80s ,静态灵敏度K=1。
试求该热电偶输出的最大值和最小值。
以及输入与输出之间的相位差和滞后时间。
解:依题意,炉内温度变化规律可表示为x (t) =520+20sin(ωt)℃由周期T=80s ,则温度变化频率f =1/T ,其相应的圆频率 ω=2πf =2π/80=π/40; 温度传感器(热电偶)对炉内温度的响应y(t)为y(t)=520+Bsin(ωt+ϕ)℃热电偶为一阶传感器,其响应的幅频特性为()()786010********22.B A =⎪⎪⎭⎫ ⎝⎛⨯π+=ωτ+==ω因此,热电偶输出信号波动幅值为B=20⨯A(ω)=20⨯0.786=15.7℃由此可得输出温度的最大值和最小值分别为y(t)|m ax =520+B=520+15.7=535.7℃ y(t)|m in =520﹣B=520-15.7=504.3℃输出信号的相位差ϕ为ϕ(ω)= -arctan(ωτ)= -arctan(2π/80⨯10)= -38.2︒相应的时间滞后为∆t =()s 4.82.3836080=⨯1—8 一压电式加速度传感器的动态特性可以用如下的微分方程来描述,即x y dt dy dt y d 1010322100.111025.2100.3⨯=⨯+⨯+式中,y ——输出电荷量,pC ;x ——输入加速度,m/s 2。
传感器与检测技术(胡向东,第2版)习题解答王涛第1章概述1、1 什么就是传感器?答:传感器就是能够感受规定的被测量并按照一定规律转换成可用输出信号的器件与装置,通常由敏感元件与转换元件组成。
1、2 传感器的共性就是什么?答:传感器的共性就就是利用物理定律或物质的物理、化学或生物特性,将非电量(如位移、速度、加速度、力等)输入转换成电量(电压、电流、频率、电荷、电容、电阻等)输出。
1、3 传感器一般由哪几部分组成?答:传感器的基本组成分为敏感元件与转换元件两部分,分别完成检测与转换两个基本功能。
另外还需要信号调理与转换电路,辅助电源。
1、4 传感器就是如何分类的?答:传感器可按输入量、输出量、工作原理、基本效应、能量变换关系以及所蕴含的技术特征等分类,其中按输入量与工作原理的分类方式应用较为普遍。
①按传感器的输入量(即被测参数)进行分类按输入量分类的传感器以被测物理量命名,如位移传感器、速度传感器、温度传感器、湿度传感器、压力传感器等。
②按传感器的工作原理进行分类根据传感器的工作原理(物理定律、物理效应、半导体理论、化学原理等),可以分为电阻式传感器、电感式传感器、电容式传感器、压电式传感器、磁敏式传感器、热电式传感器、光电式传感器等。
③按传感器的基本效应进行分类根据传感器敏感元件所蕴含的基本效应,可以将传感器分为物理传感器、化学传感器与生物传感器。
1、6 改善传感器性能的技术途径有哪些?答:①差动技术;②平均技术;③补偿与修正技术;④屏蔽、隔离与干扰抑制;⑤稳定性处理。
第2章传感器的基本特性2、1 什么就是传感器的静态特性?描述传感器静态特性的主要指标有哪些?答:传感器的静态特性就是它在稳态信号作用下的输入、输出关系。
静态特性所描述的传感器的输入-输出关系中不含时间变量。
衡量传感器静态特性的主要指标就是线性度、灵敏度、分辨率、迟滞、重复性与漂移。
2、3 利用压力传感器所得测试数据如下表所示,计算非线性误差、迟滞与重复性误差。
随意编辑
第5章 电容式传感器(P99)
5-3 图5—7为电容式液位计测量原理图。
请为该测量装置设计匹配的测量电路,要求输出电压0U
图5-7 电容式液位变换器结构原理图
解:
电容式液位计的电容值为:d
D
n
h C C 1)(210εεπ-+
=,其中d D n H
C 120πε=。
可见C 与液面高度h 呈线性关系。
可以看出,该结构不宜做成差动形式,所以不宜采用二极管双T 形交流电桥,也不宜采用脉冲宽度调制电路。
另外要求输出电压0U 与液位h 之间呈线性关系,所以不宜采用调频电路和运算放大器式电路。
可以采用环形二极管充放电法,具体电路如图所示。
可将直流电流表改为直流电压表与负载电阻R 的并联,R 上的电压为0U ,则有:
)(0d x C C E Rf RI U -∆==
其中,C x 为电容式液位计的电容值,f
为方波的频率,ΔE =E 2-E 1为方波的幅
值,C d
为平衡电容传感器初始电容的
d
D n h C C 1)
(210εεπ-+
=环形二极管电容测量电路原理图
E
调零电容。
当h=0时调节
d
D n H
C C d 120πε=
=,则输出电压0U 与液位h 之间呈线性关系。
5-5 题5—5图为电容式传感器的双T 电桥测量电路,已知Ω===k R R R 4021,
Ω=k R L 20,V e 10=,MHz f 1=,pF C 100=,pF C 101=,pF C 11=∆。
求L U 的
表达式及对于上述已知参数的L U 值。
解:
()()
V C C Uf R R R R R R U L L L L 18.010
110110202040)
20240(40)()()
2(12
62
012
=⨯⨯⨯⨯⨯⨯+⨯+⨯=
-⋅++=-
5-8 题5—8图为二极管环形电桥检波测量电路,
p U 为恒压信号源,1C 和2C 是差动式电容传感器,0C 是固定电容,其值10C C >>,20C C >>,设二极管41~D D V V 正向电阻为零,反向电阻为无穷大,信号输出经低通滤波器取出直流信号AB e 。
要求: ① 分析检波电路测量原理;
② 求桥路输出信号()21,C C f e AB =的表达式;
③ 画出桥路中A U 、B U 、AB e 在21C C =、21C C >、21C C <三种情况下的波形图(提
示:画出p U 正负半周的等效电路图,并标出工作电流即可求出AB e 的表达式)。
V e
R U R 2
R L
+
R 1
+
I 1I 2(a )
(b )(c )
C 1C 2R 1
R L +
R 2
+
C 1C 2
I 'I '
U L
U p
t
随意编辑
解: 等效电路为:
当Up 为正半周时,D 1、D 3导通,等效电路如图(a )所示。
当Up 为负半周时,D 2、D 4导通,等效电路如图(b )所示。
电容0C 、1C 和2C 的阻抗分别为:001C j Z ω=
,111C j Z ω=,2
21
C j Z ω=。
则p A U Z Z Z U 011+=
,p B U Z Z Z U 0
22
+=。
()()()()
()()
20102100201120C C C C C C C U Z Z Z Z Z Z Z U U U e p p
A B AB ++-=++-=-=
∵2010C C C C >>>>, ∴p p AB U C C U C C C e 0
021212∆=-≈
当21C C =时,21Z Z =,B A U U =,0=AB e ;
(b )Up 为负半周时
U p (a )Up 为正半周时
U p
当21C C >时,21Z Z <,
0<<><<<B A B A p B A B A p U U U U U U U U U U ,即负半周时,,即正半周时,,所以0>AB e ;
当21C C <时,21Z Z >,B
A B A p B A B A p U U U U U U U U U U >><>>>00,即负半周时,,即正半周时,,所以0<AB e 。
波形如图所示。
t
e AB
2
1C C =2
1 C
C > e AB
随意编辑
2
1
C C。