四级公路乡村水泥混凝土路面工程开工报告[全面]
- 格式:doc
- 大小:270.52 KB
- 文档页数:42
国道珲乌线冯家屯至二道岭段及大绥河镇内段、蒐登站镇内段二级改建工程建设项目分项工程开工申请单A-1承包单位:吉林市汉原公路交通工程有限责任公司合同号: A02 监理单位:____________________ 编号:AC02A01007施工技术方案报审表A-3承包单位:吉林市汉原公路交通工程有限责任公司合同号: A02 监理单位:___________________ 编号:AC02A03007一般技术方案由承包人呈报,总监理工程师审批后,总监留一份,驻地监理一份,退承包人一份。
特殊技术、工艺方案由承包人报总监理工程师审批后,业主代表、总监各留一份,退承包人一份。
施工放样报验单A-4承包单位:吉林市汉原公路交通工程有限责任公司合同号: A02 监理单位:____________________ 编号:AC02A04007水准点咼程一览表路线固定表承包单位:吉林市汉原公路交通工程有限责任公司合同号: A02 监理单位:____________________ 编号:AC02A05007承包单位:吉林市汉原公路交通工程有限责任公司合同号: A02 监理单位:____________________ 编号:AC02A05007监理单位:____________________ 编号:AC02A06007混凝土面层施工方案、工程量本段混凝土面层数量为24490平方米。
二、施工方案及方法我标段先进行了试验段的施工,通过试验段的施工总结出了合理的施工方案及方法,总结出施工配合比、摊铺时的松铺系数及振捣与整平的方法,合理地选择和配套了施工机械,为正式施工做好了技术准备。
1.施工布置混凝土面层施工队:主要进行混凝土面层的施工。
配备施工队长1名(人员朱明刚)、测量员3名(人员于奇龙、任洪强、王俊)、力工70人。
总开工日期为2002年7月31日。
2.混凝土面层的施工方法(1)施工准备1)施工现场布置我标段已在项目部处建立一处混凝土搅拌站,该位置处于料场附近,位于我标段的路线中点,原材料充足、水电丰富,运距合理,拌和机具有电子计量设备,计量准确且容量较大,能够满足施工需要。
G207双牌尚仁里至道县县城段公路改扩建工程施工技术方案申报批复单承包单位:湖南省永州公路桥梁建设有限公司 合同号:ⅢA4 监理单位:湖南省交通建设工程监理有限公司 编 号:G207双牌尚仁里至道县县城段公路改扩建工程工程分项开工申请批复单承包单位:湖南省永州公路桥梁建设有限公司 合同号:ⅢA4 监理单位:湖南省交通建设工程监理有限公司 编 号:G207双牌尚仁里至道县县城段公路改建工程第ⅢA4标段路面水泥混凝土试验段施工组织设计方案(K119+800—K120+000)湖南省永州公路桥梁建设有限公司G207双牌尚仁里至道县县城段公路改扩建工程笫ⅢA4合同段项目经理部二〇一四年十一月G207双牌尚仁里至道县县城段公路改建工程第ⅢA4标段路面水泥混凝土试验段工程开工报告(K119+800—K120+000)湖南省永州公路桥梁建设有限公司G207双牌尚仁里至道县县城段公路改扩建工程笫ⅢA4合同段项目经理部二〇一四年十一月G207双牌尚仁里至道县县城段公路改建工程施工放样报验单承包单位:湖南省永州公路桥梁建设有限公司合同号:IIIA4监理单位:湖南省交通建设工程监理有限公司编号:水泥混凝土路面试验段施工技术方案一、施工准备情况1、测量方面:导线点、水准点己经复测完毕,水准点己经加密,施工中线己经恢复。
2、试验方面:水泥混凝土路面用原材料试验己完成,石料、水泥均符合规范要求,水泥混凝土路面组成设计己完成(组成设计附后)。
3、试验段:K119+800—K120+0004、沥青封层验收由项目经理部总工程师组织测、试、检人员,协同监理工程师对沥青封层进行了验收.二、人员进场情况三、机械进场情况四、材料进场情况五、水泥砼路面施工方案1 水稳基层、沥青封层质量检验按质量检评标准,检查水稳碎石基层及沥青封层的强度、顶面高程、平整度等,各项指标均满足要求后,并经市质监站监督工程师鉴定后,才允许进行路面施工.2 测量放样首先根据设计图纸放出路中心线及路边线,在路中心线上一般每20m设一中心桩,同时应在胀缩缝、曲线起讫点和纵坡转折点等处设中心桩,并相应在路边各设一对边桩.主要中心桩应分别固定在路旁稳固位置。
水泥混凝土路面试验段开工报告一、施工准备情况S247南车线红崖至车村镇改建工程水泥砼面层为24cm厚水泥砼。
路面铺筑采用抗弯拉强度4.5Mpa混凝土。
选取K163+890~K164+280(右幅)长度390m 水泥砼面层试验段1、测量方面:导线点、水准点己经复测完毕,水准点己经加密,施工中线己经恢复。
2、试验方面:水泥混凝土路面用原材料试验己完成,石料、水泥均符合规范要求,水泥混凝土路面组成设计己完成。
3、下承层的验收由项目经理部总工程师组织测、试、检人员,协同监理工程师对水稳砾石下承层进行了验收。
二、人员进场情况三、机械进场情况四、材料进场情况五、水泥砼路面施工方案1 基层质量检验按质量检评标准,检查水稳碎石基层强度、顶面高程、平整度等,各项指标均满足要求后,并经市质监站监督工程师鉴定后,才允许进行路面施工。
2、施工准备(1)施工前必须对机械设备、测量仪器、基准线和模板、机具工具及各种试验仪器等进行全面检查、调试、校核、标定等。
(2)面板铺筑前,应对基层进行全面的检查,当基层产生断裂、隆起或碾坏时,应进行彻底修复处理。
(3)面层施工前,应先铺筑试验路段,一般情况试验路段长度不小于200m。
应通过试验路段达到下述目的:①检验拌合站的拌合参数、生产能力及砼的级配;②检验混凝土的施工性能、技术参数和实测强度;③检验摊铺机械、施工工艺及相关参数的合理性;④检验施工组织方式、质量控制水平以及人员配备等。
3、工艺流程基层验收→测量放样及模板安装→混凝土拌和→混凝土运输→卸料及布料→密集排振→拉杆安装→人工补料→三辊轴整平→精平饰面→切缝→养生→硬刻槽→填缝→成品检测及交工验收。
4、测量放线及模板安装(1)测量放样:支立模板前在基层上进行模板安装及摊铺位置的测量放样,每20m布设中桩和边桩,在弯道处应相应加密;宜每100m布设临时水准点;核对路面高程、面板分块、胀缝和构造物位置。
测量放样的质量要求和允许偏差符合相应测量规范的规定,并不能超出规范对模板安装精确度的规定。
水泥混凝土路面开工报告(一)工艺流程图附后(二)主要施工方法1、施工准备(1)人员准备:按水泥混凝土面层施工各环节所需管理、控制、施工力量和施工计划等情况,进行人员配置和进场;同时将施工目标、质量管理点、相关岗位职责、规定及特殊要求等进行交底。
具体人员配备如下:工长 1人技术员 2人质检员 1人测量员 2人试验员 2人机械操作手 16人劳动力 20人(2)材料准备:根据各种原材料的需用量及规范质量要求,通过试验检测选择确定能够满足施工质量的料源,并在开工前28天对各种原材料进行符合性检验,报送监理工程师审批。
批准后组织进场,进行备料,分类堆放。
①水泥:水泥采用旋窑生产的道路硅酸盐水泥或普通硅酸盐水泥。
低温天气施工、有快通要求的路段可采用R型水泥。
②粗集料:粗集料使用碎石,应质地坚硬、耐久、洁净。
粗集料技术指标应不低于Ⅱ级并满足《公路水泥混凝土路面施工技术规范》的要求。
粗集料最大公称粒径不大于31.5cm。
③细集料:细集料应采用质地坚硬、耐久、洁净的天然砂,并应符合《公路水泥混凝土路面施工技术规范》要求,且砂的细度模数不宜小于2.5。
④水:混凝土面板拌和及养护用水应用人畜能饮用的水。
⑤外加剂:路面混凝土中所加入的外加剂必须有供应商提供的有相应资质外加剂检测机构的品质检测报告,并符合《公路水泥混凝土路面施工技术规范》要求。
(3)机械准备:水泥混凝土面层施工采用集中拌和混凝土,混凝土罐车运输,设置一个作业面,按设计分块施工。
作业面拟配置以下机械:①混凝土拌和站:25m3/h 1台;②混凝土搅拌运输车: 6 m3 2辆;③振动夯: 6m以上 2台;④磨光机: 1台;⑤路面刻纹机: 1台;⑥真空吸水机: 1台;⑦插入式振捣棒 4台;⑧排式振捣器 1个;⑨三辊轴 1台。
(4)配合比设计室内配合比设计应以基准配合比的水灰比值±0.03确定三组不同的配合比,并通过混凝土的工作性以及强度来确定最终配合比。
钢筋混凝土路面开工报告尊敬的领导:我司即将开始施工的钢筋混凝土路面工程是在您的支持下进行的,现隆重向您提交本次工程的开工报告,以此向您汇报工程的具体情况和施工计划。
工程名称:钢筋混凝土路面施工工程工程地点:XXX施工单位:XXX有限公司一、工程概况:本次工程总长度为XXX米,路面宽度为XX米,路面厚度为XX厘米,施工区域地势平坦,没有明显的地质灾害风险。
路面工程主要包括基层处理、铺设沥青底层、铺设沥青面层、辅助设施安装等工作。
二、施工计划:1.基层处理基层处理是整个路面工程的关键环节,其施工质量直接影响到路面的使用寿命和平整度。
我们将根据技术要求进行基层处理,包括清理基层表面,破碎碾压,填充砂石等。
2.沥青底层施工沥青底层施工是为了加强路面的承载能力和抗裂性,我们将采用热拌沥青混合料进行施工,确保底层的平整度和固结程度满足设计要求。
3.沥青面层施工沥青面层施工是为了提高路面的耐久性和舒适性,我们将采用高性能沥青混合料进行施工,确保路面的平整度、防水性和马头石的安装质量。
4.辅助设施安装辅助设施安装是为了方便行人和车辆的通行安全,我们将按照设计要求进行标线、标志、反光镜等的安装工作,确保施工质量达到标准。
三、施工方案:1.施工人员的安排和培训我们将组织技术精湛的施工人员进行施工,确保按照设计要求进行施工作业。
同时,我们还将组织相关培训,提高施工人员的安全意识和专业水平。
2.施工设备的调配和维护我们将根据工程的需要,调配适当的施工设备,确保施工的顺利进行。
同时,我们还将对施工设备进行定期检查和维护,保障设备的正常运转。
3.施工物资的采购和使用为了确保施工的顺利进行,我们将按照设计要求采购符合质量标准的物资,并严格按照使用规范进行施工,以保证施工质量达到预期效果。
四、安全措施:1.建立安全管理制度我们将建立健全的安全管理制度,明确责任,划定范围,加强施工现场的安全管理,确保施工过程中的人员和工程安全。
混凝土路面开工报告1. 引言本报告旨在汇报混凝土路面施工的开工情况。
混凝土路面是道路建设中常见的路面类型,其耐久性和承载能力较高,适用于中高强度交通地区。
本报告将介绍施工前的准备工作、施工过程以及预计的完成时间。
2. 施工前准备在混凝土路面开工之前,需要进行一系列的准备工作,以确保施工的顺利进行。
2.1 设计确认首先,我们对设计图纸进行仔细审查,并与设计师进行沟通,确认设计意图和施工要求。
同时,我们还与监理单位和业主进行会议,明确双方的责任和合作方式。
2.2 材料准备混凝土路面施工所需的主要材料包括水泥、骨料、砂浆和添加剂等。
我们根据设计要求,与供应商进行材料的采购,并进行质量检测,确保材料的合格性。
2.3 人员组织为了保证施工的顺利进行,我们组织了一支经验丰富的施工队伍。
施工团队由项目经理、工程师、技术人员和施工人员组成,每个人都具备相应的证书和经验。
2.4 设备准备为了提高施工效率,我们配备了必要的施工设备,包括混凝土搅拌机、平地机、压路机等。
这些设备经过检修和保养,确保其正常运行。
3. 施工过程混凝土路面的施工过程主要包括基础处理、模板安装、混凝土浇筑和养护等环节。
3.1 基础处理在施工前,我们需要对基础进行处理,确保其坚实平整。
这包括清理基础表面的杂物、填补低洼部分、修复裂缝等。
3.2 模板安装在基础处理完成后,我们安装模板,以确定混凝土路面的形状和尺寸。
模板需要根据设计要求进行调整,确保路面的平整度和坡度符合要求。
3.3 混凝土浇筑混凝土浇筑是混凝土路面施工的关键环节。
我们根据设计要求,控制混凝土的配比和浇筑厚度。
同时,我们采取措施防止混凝土的早期干燥和开裂。
3.4 养护混凝土浇筑完成后,我们进行养护工作,以确保混凝土的强度和耐久性。
养护工作包括覆盖保护层、湿养护和定期养护等。
4. 预计完成时间根据目前的施工进展和计划,预计混凝土路面的施工将在X天内完成。
我们将继续密切关注施工过程,确保施工质量和进度的控制。
农村四级公路项目水泥混凝土路面施工组织设计精修订一、施工组织设计目标及总体要求本项目的目标是在水泥混凝土路面施工方面精确设计施工组织方案,确保项目质量、进度和安全等方面的要求。
总体要求如下:1.保证施工质量:确保路面的平整度、厚度、强度等达到规定标准要求,确保路面使用寿命长。
2.保证施工进度:按照工期计划合理安排施工任务,保证按时完成各项施工工序,并避免施工过程中的延误。
3.保证施工安全:合理设置安全防护设施,确保施工现场的安全,预防和消除各类事故。
二、施工组织设计内容1.施工工艺与要求:a.详细阐述水泥混凝土路面施工的工序、工艺及操作要求,包括基层处理、材料验收、浇注浆液、摊铺、压实等各个环节的具体步骤和技术要点。
b.设定质量控制点,并明确各个控制点的检测指标和要求。
c.阐述混凝土的拌和比例、配料要求,以及施工材料的验收标准和质量要求。
d.说明施工现场的仓库安排、材料堆放要求,以及水电设备的安装调试等。
2.施工组织方案:a.制定施工进度计划,明确各个施工阶段的时间节点和关键任务。
b.设定负责施工的施工方的组织机构和管理体系,包括劳务组织、施工队伍、负责人员等。
c.制定施工队伍管理和人员配备方案,包括劳务人员招募、培训和管理,以及安全、质量、进度等监管人员的配置。
d.设计施工现场的布置图,包括场地平整、设施摆放、安全标识等。
3.施工安全措施:a.详细列出施工现场应采取的所有安全措施,包括施工区域划分、安全警示标志、施工员工的安全防护措施等。
b.安全风险预评价,明确各类施工过程中可能存在的安全风险,提出相应的预防和应急措施。
c.制定施工现场的消防安全管理措施和应急预案,确保施工现场安全。
三、施工组织设计的完善与精修根据项目的实际情况,在初稿的基础上进行完善和精修。
主要包括以下方面:1.进一步明确施工工艺和要求,尤其是施工过程中的技术要点,确保施工质量。
2.制定施工进度计划的详细内容,明确各个施工阶段的时间节点和关键任务。
xxxxxxxxxx工程项目水泥混凝土路面工程开工报告承包单位:xxxxxxxxxx监理单位:xxxxxxxxxx二○一三年五月xxxxxxxxxx工程工程开工申请批复单施工单位:xxxxxxxxxx监理单位:xxxxxxxxxx水泥混凝土路面施工方案一、本合同路段拟建项目水泥混凝土面板长度根据现场实际情况,加宽原15米老混凝土路面至23米宽,厚度为250mm。
所设计的接缝有纵向施工缝、纵向缩缝、横向施工缝、横向缩缝、交叉口接缝等。
(1)纵向接缝①纵向接缝的布设应视路面宽度和施工铺筑宽度而定:一次铺筑宽度小于路面宽度时,应设置纵向施工缝,纵向施工缝采用平缝形式,上部应锯切槽口,深度为80mm,宽度5mm,槽内灌塞填缝料:一次铺筑宽度大于4.5m时,应设置纵向缩缝,纵向缩缝采用假缝形式,上部应锯切槽口,深度为100mm,宽度为5mm,槽内灌塞填缝料。
②拉杆拉杆采用螺纹钢筋,设在板厚中央,并对拉杆中部100mm范围内进行防锈处理,拉杆的直径、长度和距离为16mmX500mmX700mm。
施工过程中,拉杆间距应按横向接缝的实际位置予以调整,最外侧的拉杆距横向接缝的距离不得小于100mm。
(2)横向接缝①横向施工缝每日施工结束或因临时原因中断施工时,必须设置横向施工缝,其位置应选在缩缝或胀缝处。
设在缩缝处的施工缝应采用加传力杆的平缝形式;设在胀缝处的施工缝,其构造与胀缝相同。
②横向缩缝横向缩缝可等间距或变间距布置,采用假缝形式。
本项目承受特重交通,所有缩缝均采用设传力杆假缝形式。
缩缝顶部应锯切槽口,深度为80mm,宽度5mm,槽内填塞填缝料。
③横向胀缝在固定的构造物处或与其他道路相交处应设置横向胀缝,胀缝宽20mm,缝内设置填缝板和可滑动的传力杆。
④传力杆传力杆应采用光面钢筋,传力杆杆直径30mm,长度500mm,间距250mm,最外侧传力杆距纵向接缝或自由过的距离为150~250mm。
(3)填缝料胀缝接缝料为聚乙烯胶泥填料,具体要求见《城市道路设计规范》(CJJ 1-2008)表3.9.1。
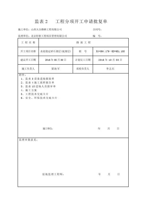
监表2 工程分项开工申请批复单施工单位:山西大合路桥工程有限公司合同号:监理单位:北京炬桓工程项目管理有限公司编号:监表3 进场设备报验表施工单位:山西大合路桥工程有限公司合同号:监理单位:北京炬桓工程项目管理有限公司编号:监表4 施工放样报告单施工单位:山西大合路桥工程有限公司合同号:监表18 进场人员报验单施工单位:山西大合路桥工程有限公司合同号:水泥稳定碎石底基层、基层路面工程施工方案一、编制依据、原则及范围(一)、编制依据在现场实地调查的基础上,根据业主汇编的阳泉市盂县梁家寨景区专用公路工程(二期)招标文件、施工合同、二阶段施工图设计、《公路工程路面施工技术规范》(JTG F10-2006)、《公路工程施工安全技术规程》(JTJ076-95) 《公路工程质量检验评定标准》(JTG F80/1-2004)等项目的施工技术规范要求。
(二)、编制原则1、严格遵守招标文件中有关投标须知和合同条款、设计文件、设计图纸及施工规范要求。
2、响应业主创精品的号召,强化质量管理,确保质量达到优质工程。
3、满足业主的工期要求,力争在计划工期内全部完工。
我部利用网络技划图统筹安排,制定科学合理、严密的施工组织计划,搞好工序衔接,分项工程保分部工期,分部保单位工程。
4、优化资源配置,精心组织施工,努力缩短工期。
5、强化现场管理,找出管理最短路径,控制工程成本。
6、强化安全管理,争创文明施工样板项目。
7、重视生态环境、强化环保意识,严格控制施工噪声、扬尘,处理好污水、弃渣、弃土,保护施工沿线不受施工污染。
(三)、编制范围盂县梁家寨景区专用公路工程(二期)施工图设计K4+094.179~K8+931.108段路面工程。
二、工程概况(一)、工程情况简介我标段施工的K4+094.179~K8+931.108段,长度为4.836km;路面宽度为10m、12m,行车道宽度为2×3.75米,路面横坡为2%。
路面结构为:20cm水泥稳定碎石底基层,20cm水泥稳定碎石基层。
营城子至松江河高速公路09标中交隧道局项目经理部路面混凝土下面层开工报告编制:审核:签收:2011年4月18日一、混凝土路面施工工艺流程二、路面混凝土下面层施工方案一、洞内混凝土路面施工本合同段内隧道内路面采用水泥砼路面,其面层为22cm厚的C40水泥砼。
1、测量放样:在隧道贯通及衬砌完毕后即可进行路面施工计划由内向外分幅推进.测量放样出中心桩、水准桩、胀缝、曲线起讫点并相应在路边各设一对边桩,以复核砼分块线。
2、拌合、运输:拌合采用自动计量拌合站进行。
施工前,按砼的配合比要求,对水泥、水和粗细骨料用量准确调试后,输入到自动计量控制存贮器中,经试拌检验无误,再正式拌和生产。
运输采用砼输送车。
从搅拌到浇筑的时间控制在0.5小时之内,卸料采用纵向方式后退供料。
3、摊铺与振捣:混凝土摊铺采用轨道式摊铺机,整套机械在轨道上移动前进,路面高程也以轨道为基础控制。
模板用I24槽钢,并在槽钢上预先制作拉杆置放孔,传力杆必须与板面平行并垂直接缝,其偏差控制在规范要求内。
接着由跟在摊铺机后面的砼振捣机再一次整平,并进行捣实。
4、表面修整:砼振实后即进行整平、精光、纹理制作工序。
整平用纵向表面修整机,通过整平梁在砼表面沿纵向往返移动而将板面整平。
精光工序由人工辅助完成。
纹理制作采用压纹机,在砼表面无波纹水迹时,对砼表面进行压槽,平均深度控制在1~2mm之间。
纹理走向保持与路面前进方向垂直,相邻板块纹理相互衔接。
5、养生:灌注完成后注意进行洒水湿养,并用草袋覆盖,每天洒水4~6次,养护14天。
6、纵缝:面板根据行车道宽分幅施工,纵缝采用平缝加拉杆型,拉杆为Φ14钢筋,长度70cm,利用预先在模板上制作的拉杆置放孔置入,面板施工完毕后在顶面用切槽机切槽,深度5cm,宽度0.5cm,用填缝料充填。
7、缩缝:采用假缝形式,传力杆在面板浇注时置于传力杆架上,灌注砼时一同埋入.传力杆为φ28钢筋,长50cm,外涂沥青制作,切缝采用“跳仓法”,每隔几块板切一缝,然后逐块切,深度5cm,宽度0。
水泥混凝土路面开工报告路道路工程混凝土面层开工报告单位:日期:目录一、分项工程开工申请批复单二、施工技术方案报审表三、施工组织设计方案报审表四、施工进度计划报审表五、施工放样报验单六、进场设备报验单七、建筑材料报验单八、试验资料开工申请批复单(编号: ) A—Ⅰ—12 合同号:项目名称:施工单位:工程项目:水泥混凝土面层桩号:建议开工日期: 2007年月日计划完工日期: 200 年月日此项工程负责人:附件:一、开工申请批复单二、施工技术方案报审表三、施工组织设计方案报审表四、施工进度计划报审表五、施工放样报验单六、进场设备报验单七、建筑材料报验单承包商:日期:驻地监理工程师审查意见:驻地监理工程师:日期总监理工程师代表审定意见:审定结论:同意修改后在报批不同意总监理工程师代表:日期复印二份,监理工程师办公室一份,一份退承包商。
施工技术方案报审表(编号:)A—Ⅰ—1合同号:项目名称:施工单位:致(驻地监理工程师):现报上水泥混凝土面层工程技术、工艺方案,方案详细说明和图表见附件,请予审查和批准。
附件:技术、工艺方案说明和图表包商日期驻地监理工程师审查意见:驻地监理工程师日期总监理工程师代表审定意见:审定结论:同意修改后在报批不同意总监理工程师代表日期附注:特殊技术、工艺方案要经总监代表批准,一般由驻地监理工程师或项目监理工程师批准。
由承包商呈报二份,审批后驻地监理工程师办公室留一份,退承包商一份。
水泥混凝土面层施工技术方案1、水泥混凝土面层A、施工准备(1)应对施工、试验、机械、管理等岗位的技术人员和各工种技术人员进行培训。
未经培训的人员不得单独上岗操作。
(2)根据设计文件,测量校核平面和高程控制桩,复测和恢复路面中心边缘全部基本标桩,测量精确度应满足相应规范的规定。
(3)施工工地应建立具备相应资质的现场试验室,能够对原材料、配合比和路面质量进行检测和控制,提供符合交工检验、竣工验收和计量支付要求的自检结果。
水泥路路工程开工报告范文水泥路路工程开工报告范文开工报告也是很重要的文体,接下来小编为你带来水泥路路工程开工报告范文,希望对你有帮助。
计算机房建设包括以下几个方面:1、主机房和辅助机房的功能区域划分;2、计算机房的隔断;3、计算机房的.密闭和保温;4、室内吊顶装修(新风管道、消防、照明灯具等);5、机房防静电高架地板(送回风、布线、消防、接地等);6、计算机房内的保温、防潮、防尘处理;7、机房墙、柱面的装修;8、机房门、窗制作安装。
一、机房工程技术要求1、机房参照A级机房标准设计和施工。
2、合理分布各工作区及各类设备安装位置,确保各系统稳定可靠运行,并保障机房工作人员良好的工作环境,要以国家有关标准及规范为依据。
3、机房各项功能完整配套,达到专业规范、技术先进、经济合理、安全适用、质量优良、管理方便之目的。
4、在经济实用的前提下,选择优质机房专用装修材料,主体装修材料宜选用吸音效果好、不易变形、变色、易清洁、防火性好,且高度耐用的材料,达到最佳装修效果。
5、室内控制设备、电器设备、布线系统的选材要全部采用符合国家标准的优质产品,以确保系统投入运行后故障率为最低。
二、机房设计原则要求机房装修在满足机房设备对机房环境要求的前提下,力求构造一个具有现代气息和特点、简洁、明快、实用的机房,强调规范性、标准性;注重可靠性和技术上的先进性;展现现代机房的整体效果。
机房装饰用材应选用气密性好、不起尘、易清洁、变形小,具有防火、防潮性能和环保特性;宜选用亚光材料,避免在机房内产生各种干扰光线(反射光、折射光、弦光等)。
机房综合布线要整体设计,合理布局,不要到后期才修正或增加,破坏了原先的合理布局,要缩短走线,有利于减少干扰和信号延迟,提高设备运行速度和可靠性。
三、机房布局要求按照机房平面布局要求,合理地布置网络设备、服务器、配线柜、空调、UPS等机房设备(监控室与机房内的设备要有良好的隔音措施,如采用隔音玻璃、多重隔音等,在机房正常工作时,工作间内的噪声不能超过45分贝)。
目录一、编制依据及原则二、工程概况及主要工程数量三、施工管理力量及劳动力安排四、机械设备配置五、施工组织方案六、确保质量、工期、安全的主要措施七、雨季施工措施安排八、质量管理组织机构图九、质量保证工作体系十、质量检查程序图十一、质量检测体系十二、安全保障组织机构图十三、安全保障检查程序图十四、保证工期组织机构图十五、土石方开挖施工工艺框图十六、路基填方施工工艺框图十七、现场压实试验工艺框图十八、软基处理工艺流程图十九、手摆片石垫层施工工艺框图二十、5%水泥稳定碎石基层施工工艺流程图二十一、水泥砼路面面层施工工艺框图一、编制依据及原则(一)编制依据1、乡村公路水泥砼路面工程施工图设计文件.2、现行城市道路设计规范,公路工程施工技术规程及相应的质量检验评标准.3、本单位拥有的科技成果、管理水平、技术设备力量,多年积累的公路施工经验用施工现场及周围环境的调查所掌握有关资料.(二)编制原则1、单位工程合格率100%.2、遵循招标文件各项条款要求,严格按照设计标准,现行施工规范和质量检验评定标准,正确组织施工,确保工程质量合格.3、根据工期要求,抓住关键线路,合理安排施工进度 ,搞好工序衔接,达到均衡生产,在保证工程质量、安全的前提下,尽量缩短工期.4、坚持实事求是的原则,在制定施工方案中,充分发挥我队专业化、机械化的施工优势,借鉴以往类似工程施工经验,坚持科学管理、精心施工,确保高速度、高质量、高效益地完成本合同段的建设.5、科学合理配置资源,做到机械化作业、流水作业和标准化作业,合理配备劳动力资源,加强内部管理,降低工程成本,提高经济效益.6、在满足业主各种要求的前提下,确保实现进度、质量、安全的预期目标.二、工程概况及主要工程数量(一)工程简介:本合同项目为乡村水泥混凝土路面工程,工程地点位于周坡场口至分全街公路.工程范围:全长8.418千米,设计技术标准为四级公路,路基宽4.5米,路面宽4.5米,路面结构类型为水泥混凝土..本工程的设计指标为:公路路线等级采用部颁四级公路标准,设计行车速度 20 公里/小时,设计荷载为公路-II.(二)场地工程地质、水文条件:本合同段工程位于周坡场口至分全街公路段,为原XL13土路.(三)气候条件本合同段施工地区属亚热带湿润气候区,温暖潮湿,年平均降雨量为1302米米.极端最高气温38.8℃,极端最低气温为-4.3℃,多年平均气温:17.5℃,年平均相对湿度 79-81%.(四)设计标准工程项目单位指标公路等级四级设计速度公里/小时 20路基宽度米 4.5路面宽度米 4.5设计荷载公路-II(五)工程承包范围及主要工程数量本项目工程内容有:路基土石方、路基防护工程、排水及涵洞、水泥稳定碎石基层、水泥砼面层等项目,主要数量见工程量清单.三、施工管理力量及劳动力安排(一)项目管理机构根据合同任务和工期要求,立即组织成立施工现场管理机构,全面组织,实施本合同段工程的管理.施工组织机构框图见后.(二)施工区段划分及人员配备1、施工区段划分根据本合同段任务分布状况和工期要求,我公司安排为两个施工段:以44K+000为界分两个施工段,39K+500至44K+000为第一施工段,44K+000至45K+800为第二施工段.根据分项工程情况划分路基施工队、路面施工队、桥涵施工队及设施管线施工队.2、劳动力组织和人员配备根据本合同段分项工程施工强度和施工方法,通过计算分析汇总平衡,工种分为技术工和一般普工两种:技术工程主要有施工机械、运输车辆司机、钢筋工、木工、电工、水泥工、电焊工,依据施工进度计划及工程数量,投入本工程施工的劳动力按以下几点安排:(1)路基工程以机械施工为主,人工配合;劳动力投入主要以机械工、普工为主.(2)路面工程以机械施工为主,主要为机械工、运输工、泥水工、电工、模板工、钢筋工、普工.(3)桥涵工程:沟槽开挖、石盖板安装以人工为主,主要为石工、普工等. (4)设施管线工程:主要为安装工、电焊工、汽吊工、电工及普工等.(人员数量安排详见下表)劳动力数量表四、施工机械设备配置根据本合同段工程项目和主要工程数量,主要施工设备大体可为以下几类:(1)路基挖方开挖机械;(2)路基填方机械;(3)路面工程施工机械;(4)安全设施施工机械.五、施工组织方案(一)施工准备为确保优质高效完成本合同段的各项工程,自进场的第一天起,我部将统筹安排,科学调度 ,全面展开开工前的各项准备工作.1、行政准备为了能使各项工程的施工顺利进行,进场后,积极同业主及土建施工队伍等相关部门取得联系,主动征求各部门的意见和建议,在业主的帮助下,取得各方面的更多支持,使得本合同段各项工程的施工能够在一个和谐、友好的氛围中顺利展开.2、技术准备(1)测量准备开工前的定线复测是各项工程开工的前提,它对工程质量有着直接的影响,为确保复测精度 ,由对测量有着丰富经验的专职测量工程师负责,在现场交接主要控制桩点和获得相关的测量资料后,迅速组织对合同段进行定线测量,主动处理好同相邻标段的衔接.视各项工程的实际情况,增设复测成果的护桩图,并书面上报监理和业主审核,并对前期开工的分项工程及路线边桩测量放样,为各分项工程的开工打下良好基础.(2)技术资料准备在项目总工的主持下,召集全体技术人员认真仔细地阅读、审核图纸,深入细致地领会设计意图,争取设计、监理单位对工程项目作更深一层的技术交底,编制分项工程的作业指导书;全面分析,统筹安排,科学分解工序,合理确定作业循环时间,制定严格的技术交底、技术管理和质检制度 ,准备好工程日志等各种记录簿和工程检查表格.(3)现场准备在现有的“三通一平”前提下,修建临时设施的同时,安排人员、机械进行本合同段内临时道路修筑,地表清理,为正式开工做好准备.(4)物资准备物资部门在项目经理统一安排下,根据工程的轻重缓急,在业主等有关部门的监督下对急需物资进行采购.在试验监理工程师认可后,部分物资可分期、分批进场,以满足工程需要.(5)机械准备①路面铺筑机械;②碾压机械;③运输设备;④拌种设备;⑤常规试验设备;⑥其它机具.(具体详见机械设备表)拟投入的主要施工机械设备表根据本标段的实际情况,各种机械按照计划准时进场.设备到位后,由机材部人员负责对所有设备进行全面检修调试.拟投入材料试验、测量、质检仪器设备(二)、临时设施工程经认真阅读图纸和现场考察,综合分析本合同工程的分布、工期及交通环境条件后,从节约用地和方便施工的原则出发,对临时工程进行规划,具体如下:1、临时驻地:设在44K+000处.2、临时便道:利用现有的施工便道,现场与便道根据实际需要适时修筑.3、砼拌和站及预制场布置拌和站设1台,集中搅拌,与预制场一起.设在43K+500处位置.4、施工用水及供电施工现场按照建设单位提供的三通一平,我方只需在施工现场架设临时输电输水线路并搭建备用发电机房即可保证施工用电用水的需要.具体见平面图(三)、施工总体进度计划1、总体计划安排的原则本合同的施工总体计划,以招标文件和本承包人计划投入的资源(劳动力、机械设备、材料)为依据,以合同工期为前提,科学安排,保证重点、统筹兼顾,在确保工程质量、施工安全的大前提下,优化资源配置,挖掘人员和设备潜力,充分发挥本队综合优势,确保在合同工期内完成施工任务.在工程施工中,以组织均衡施工为基本方法,抓住少雨季节,采用平行、流水、交叉等作业方法超前动作.2、总工期本合同计划总工期为90天,计划开工日期暂定为2005年9月20日,完工日期为.3、施工进度计划(后附施工进度计划表)1)、施工准备:2005年9月20∽2005年9月25日2)、路基土石方工程:2005年9月25日∽10月10日3)、填方工程:5日∽10月20日4)、手摆片石层工程:∽10月30日5)、水泥稳定层工程:∽11月20日6)、路面面层工程:∽12月15日7)、桥涵工程:2005年9月25日∽10月10日8)、设施管线工程:5日∽12月15日9)、收尾工程:∽12月20日(四)、主要工程项目施工方案及施工工艺1、总体施工方案总的施工原则是先地下后地上,即先进行地下施工,回填后根据挖填需要进行路基整形,然后进行路面结构层施工.桥涵工程穿插在路基土石方工程过程中.2、路基工程(1)施工准备1)施工测量首先要对路基高程,中线、边线进行检测,清理场地,要求表面清洁无杂物,并对清理后留下的坑沟进行回填整实等处理,压实度应同路基要求.设临时排水沟,疏干路基范围内积水,保持基底干燥.2)场地清理及拆除A、凡路基填筑地段,均将路堤基底上的所有树根、腐植土等挖除干净,并堆放在指定弃土场内.场地清理完成后,全面进行填前碾压.B、所有清除物均放置在路基范围以外,并做妥善处理.C、所有清除工作,均监理工程师检查合格后才进入下一工序的施工.3)防水、排水施工前做好各种防水、排水设施,并保持其处于良好的排水状态. (2)、路基填筑1)、路基填筑按部颁四级公路标准,采用机械化施工作业,严格按规定控制填料.不同种类填料分类分段水平分层填筑,不混杂、不混填、填层厚度根据压实机械的不同而分别控制.2)、路基填筑施工工艺工艺流程分为“三阶段、四区段、八流程”,“三阶段”为:准备阶段…施工阶段…竣工阶段“四区段”为:填筑区段…平整区段…碾压区段…检验区段“八流程“为:施工准备…基底处理…分层填筑…摊铺平整…洒水或晾晒…碾压夯实…检测签证…路槽整修路基填筑施工方法如下:1)基底处理A、做好基底排水,在基底边线范围外开挖排水沟,将雨水引入周围排水系统,确保基底不受水泡.B、划分作业区,每一作业段以每条路为宜.C、清除基底表层植物,挖除树根,做好搭接平台,然后平整,用重型振动压路机进行碾压.D、基底处理完毕,及时报请驻地监理人员检查,检查合格且签证后方可进行分层填筑.2)水平分层填筑按路基横断面分层填筑.每层的压实度必须达到设计要求.采用按横断面全宽纵向填筑压实方法,地形起伏由低处分层填起,自两侧向中心填筑,以保证路基全断面压实,边坡两侧按设计和施工规范要求加宽.3)碾压夯实碾压前对填筑层的分层厚度 ,平整程度和填砂和含水量进行检验,确认符合设计和规范要求才能进行碾压.碾压完成规定作业遍数后,按填料种类采用灌砂法、环刀法、对压实土砂的含水量和压实系数、地基系数进行检查,检验合格,经监理工程师签证方可进行上层填筑.4)路面整修路堤按设计标高填筑完成后,恢复中线,水平及路基边桩.按设计修筑路拱并用振动压路机进行压实,压实完毕后,检查路基面宽度、横坡、平整度 .5)特殊路基处理无论是填方还是挖方,路基以下80厘米范围均不得有软土淤泥存在,否则需经监理、业主、设计单位等确认下进行换填砂,并予以夯实. 2、路面基层(1)、手摆片石层1)施工要求A、在铺筑前,将路床表面的浮土、杂物全部清除,路床上的车辙松软以及任何不符规定要求的部位均翻挖、清除,并以同类型材料填补,重新整形、碾压.根据松铺系数,将集料均匀地摊铺在规定的宽度上.B、采用重型压路机碾压.碾压时后轮重叠1/2轮宽,且须超过两段的接缝处,使每个摊铺碾压层整个厚度和宽度完全均匀地压实到规定的压实度为止.C、碾压的方向与线路中心平行,直线段由边到中,超高段由内侧到外侧,依次连续均匀碾压.每层碾压连续进行,直到压实密度达到设计要求98%.2)质量控制A、在已完成的手摆片石层上每1000米2随机取样4处进行集料、筛分,塑性指数体积比的试验,检测压实厚度和压实度 .B、按规定的方法和频率进行质量检测项目,实测和外观鉴定.C、18t压路机过后无明显轮迹.3)施工步骤A、准备工作:首先要对路基高程、中线、路边线进行复测,在符合规范要求条件下,再进行垫层的施工.B、材料选用:片石含泥量不得超过25%,不得含有杂草、树根等杂物,超过垫层厚度的石料经击碎后方可使用.C、摊铺:摊铺时应根据设计加虚铺系数的高程挂线施工,采取人工配合机械的方法,骨料要均匀,表面应平整.D、碾压:碾压前应控制材料的含水量,如高于或低于最佳含水量4%,要进行晾晒或洒水处理.碾压机具采用振动式压路机,碾压后垫层表面应平整,密实度符合设计要求.E、检测:垫层碾压后进行宽度、厚度、坡度、顶面度程及弯沉值测试,均符合设计要求后才能进行水泥稳定砂砾层的施工.F、成型的片石垫层面应做好排水工作,对于因车辆行驶造成的坑洼应及时修补,避免因积水造成松动,影响垫层质量.(2)5%水泥稳定碎石基层1)水泥稳定层的下承层即片石垫层表面应平整、坚实,没有任何松散的材料和软弱地基,如发现低洼和坑洞,应仔细填补及压实,搓板和辙槽应及时刮除.2)施工放样:在下承层上恢复中线,直线段每20米一桩,平曲线段每10米设一桩,并在两侧路基边缘外设指示桩.进行水平测量,并在指示桩上用明显标记标出水泥稳定层的设计高程.3)拌和:采用拌和机拌和成混合料,用运输车辆运送至施工现场,应根据设计的配合比进料,并将拌和料搅拌均匀.4)摊铺:摊铺前尘土杂物要清除,并在片石垫层上均匀喷洒一遍清水,以利于上下层结合.松铺系数1.3-1.35,必要时进行减料或补料工作,纵横断面符合要求,厚度均匀一致.5)碾压:混合料摊铺整平后,先用压路机进行静压4遍,再进行振动碾压2遍,最后再静压1遍.碾压时重叠1/2轮宽,后轮必须超两段的接缝处,碾压到要求的密实度 ,同时没有明显的轮迹.严禁压路机在已完成的或在碾压的路段上调头或急刹车,保证稳定层表面不受破坏.碾压进程中稳定层表面应始终保持潮湿,如表面水蒸气较快,应及时补洒少量的水,不得洒大水碾压.如有弹簧、松散、起皮等现象,应及时翻开重新适量水泥拌和或用其它方法处理,使其达到质量要求.碾压结束之前,应进行终平工作,将高出设计标高部分刮除扫出路外,局部低洼处留待铺筑路面时处理.6)养生:在对稳定层进行厚度、宽度、平整度、高程及压实度检测合格后进行养生,采用每天人工经常洒水进行养生,始终保持稳定层表面潮湿,养生期不宜少于7天.养生期内应封闭交通,以免稳定层受损.3、路面面层(1)、施工工序准备基层施工放样立模砼的拌和砼运输摊铺振捣、整平真空吸水磨光压纹切缝养生拆模.(2)、施工内容及重点1)、材料和选择A、水泥选用强度高,收缩性小 ,而磨性强,抗冻性好,标号大于32号的普通硅酸盐水泥.注意事项:水泥的物理性能和化学成分应符合国家有关标准的规定.不同标号、厂牌、品种、出厂日期的水泥,不得混合堆放,严禁混合使用.B、砂选择质地坚硬、耐磨、洁净,符合规定级配要求,细度模数宜在 2.5以上.C、碎石选择质地坚硬、耐磨、洁净,符合规定级配要求,且最大粒径不得超过40米米.D、水、电由业主提供使用,宜在拌和场设蓄水池,以防水量不足时备用. 2)立模:①、模板的选用A、砼路面模板采用22米c钢模板,小弯道等非标准部位采用木模板,其厚度为5厘米(曲线处可减薄到3厘米).B、模板应无缺损,有足够的钢度 ,内侧和顶,底面均光洁、平整、顺直,局部变形不得大于3米米.振捣时模板横向最大挠曲应小于4米米,高度应与砼路面板厚度一致,误差不超过2米米.纵缝模板平缝的拉杆穿孔眼位应准确.C、模板周围使用前,应对前次拆下的模板进行检验,如有变形损坏,应整修至达到要求后才能使用.②立模施工要点:A、立模前应检测基层的顶面标高和路拱横坡以及基层表层有否磨损破坏等,否则应整修基层至符合要求才可立模铺筑砼.B、立模的平面位置和高程要符合设计要求,基误差应小于砼路面质量验收的容许误差.C、立模时应使钢模向外侧微倾,使钢模内边角支撑震动梁与滚筒,保证摊铺时路面的平整度 .D、模板应支立稳固,接头严密平顺.模板的接头以及与基层接触采用砂浆封堵或用塑料薄膜铺在钢模边,采用塑料薄膜防漏措施时应控制薄膜与混凝土形成夹层.E、浇筑砼前,在模板内侧涂脱模剂(隔离剂).③砼的拌制和运输:A、砼的拌和采用双握轴强制搅拌机搅拌,以保证砼的拌和质量.B、投入搅拌机的每拌原材料数量,严格按施工配合比搅拌机容量确定,并称量准确.C、搅拌机装料顺序为砂、水泥、石子,进料后边搅拌边加水.D、砼拌合物用自卸机动车运输至施工现场进行作业.④摊铺:1)摊铺前的准备工作A、摊铺前先检查模板位置、高程、相邻模板接头处的高差、模板是否支设稳固,基层是否平整、润湿,模板内侧面是否涂脱模剂,水泥砼板壁是否涂沥青,以及钢筋的安设和传力杆、拉杆等设置情况,合格后方可摊铺砼.B、检查、维修砼运输通道以及设置安全护栏、并派专职交通指挥人员指挥交通.2)摊铺施工要点:A、模板边及施工缝处混凝土铺筑应用铁锹(扣锹法)摊铺,禁止抛掷和耧耙.B、每工作班砼的摊铺、振捣、整平、做面应连续进行,不得中断.如因故中断,应设备施工缝缝,并宜设在设计规定的接缝位置.⑤、振捣、整平的内容和要求:A、摊铺好的砼拌和物,随即用插入式和平板式振动器均匀地振实.B、插入式振动器功率宜采用1.5kw,其作用是振捣密实及起浆.C、平板振动器采用 2.2kw(采用真空吸水工艺时可用功率较小的平板振动器).D、振捣时插入式振动器先在模板(或砼板壁)边缘、角隅处初振或全面积顺序初振一次,同一位置振动时不宜少于20s.插入式振动器移动间距不大于其作用半径的 1.5倍,其至模板的距离不大于作用半径的 0.5倍,并避免碰撞模板和钢筋.然后,再用平板振动器全面往返振捣2遍,板与板之间宜重迭10-20厘米.同一位置的振捣时间,当水灰比小于0.45时不少于30s,当水灰比大于0.45时不少于15s,以不再冒出气泡并泛出水泥浆为准.E、砼拌和物全面振捣后,再用振动梁进一步拖拉振实并初步整平.振动梁往返拖拉2-3遍,使表面泛浆,并赶出气泡.振动梁移动速度要缓慢均匀,不许中途停顿,前进速度以每分钟1.2-1.5米为宜.凡有不平之处,应及时铺以人工挖填补平.补填时宜用较细的拌合物,但严禁用纯砂浆填补.F、最后用无缝钢管滚杠进一步滚揉表面,使表面进一步提浆调匀调平.⑥、真空吸水施工1)基本特点:A、真空吸水为非必要工序,但在特定优点,本工程水泥砼路面将采用真空吸水方法,以节约作业时间,提高工作效率.但在高温季节时白天施工不宜采用真空吸水作业,防止板面过干致使后续作业无法施工.B、采用该工艺时,砼拌合物水灰比比常规增大5%-10%,可易于摊铺、振捣、减轻劳动强度,加快施工进度,并且还可缩短砼抹面工序的等待时间,降低成型砼的最终水灰比,从而增加了密实性,提高了强度,改善了抗缩性、抗渗性和抗冻性.2)要求:A、真空吸水深度不可超过30厘米.B、真空吸水时间宜为砼路面板厚的1.5倍(吸水时间以米in)计,板厚以厘米计.C、吸垫铺设,特别是周边应紧贴密致.开泵吸水一般控制真空表1米in内逐步升高到400-500米米11g,最高值不宜大于650-700米米11g.计量出水量至达到要求,并作记录.关泵亦逐渐减小真空度,并略提起吸垫四角,继续抽吸10-15s,以脱尽作业表面及管路中残余水.D、真空吸水后用磨光机进行磨平起浆,并用滚杠拉平,以保证表面平整和进一步增强板面的均匀性和强度.⑦板面处理:A、抹面时严禁在砼表面洒水或撒水泥.B、抹面一般分两次进行,第一次在整平后随即进行.驱除泌水并压下石子.第二次抹面须在砼泌水基本结束,处于初凝状态,但表面尚湿润时进行C、砼板面应平整密实,并用3米直尺检查平整度.D、抹平台后沿横方向用压纹滚槽器压槽,使路面砼有粗糙的纹理表面.⑧横向胀缝的施工:1)、设缝情况:胀缝应与中心线成90o,缝壁必须竖直,缝隙宽度一致,缝中不得连浆.缝下部设胀缝板,上部灌封缝料.2)、胀缝施工要点:A、胀缝两侧的砼板,一般设滑动传力杆传递荷载.传力杆穿过胀缝板,并用钢筋支架固定就位.传力杆的一半长度稍多一些(5厘米)涂沥青并套长10厘米的塑料套筒,小套筒留3厘米空隙,填以纱头.B、胀缝封缝槽用切缝机在两侧切出封缝空间2.5厘米,后者胀缝两侧砼板平齐,平整度好.C、胀缝板事先预制,采用2.5厘米泡沫板.D、预制胀缝板嵌入前,使缝壁洁净干燥,胀缝板与缝壁紧密结合,且胀缝板与基层表面紧密接触.⑨横向施工缝施工要求:施工结束时设置施工缝:施工缝宜位于设计所规定的缩缝,各个车道的施工缝应注意避免设在同一个横断面上;施工缝如设于缩缝处,板的1/2厚度位置应增设传力杆.横向缩缝施工要点:A、锯缝应及时,在砼硬结后早进行,特别是在夏季施工不可拖延,但也不能过早,否则砼强度不足会导致粗料从砂浆中脱落.B、锯缝宜在砼强度达到5-10米pa时进行,也可以由工地试锯确定锯缝时间.⑩砼路面板养护:⑪1)、基本要求:砼板做面完毕应及时养护,使砼中结合料有良好的水化、水解强度发育条件以及防止收缩裂缝的产生.⑫2)、养护方法和要点:⑬A、养护时间,一般在14-21d砼强度达到设计要求.⑭B、养护期间和封缝前,禁止车辆通行.并设备禁止通行标志及派专职交通指挥人员指挥交通.⑮C、黄砂袋覆盖养生是最常用的湿润方法,可保护砼少受剧烈的天气变化影响.在规定的养生期内要经常洒水,保持潮湿.⑯(11)模板拆除施工要求:⑰A、拆模时间要注意掌握,拆模过早易损坏砼,过迟则又影响模板周转使用,一般以不出现损坏砼板的边角为宜.⑱B、拆模时间应根据气温和砼强度增长情况确定,当采用普通水泥时,一般的允许拆模时间如下:(12)热季早期收缩裂缝的防止:①早期收缩裂缝的防止:A、砼板在施工期间因收缩产生的裂缝,其裂缝的产生与行车荷载无关.B、早期收缩裂缝有两种.产生于砼塑性状态时的常称作“塑裂”,其缝短而细、细而浅,如及时发现进行再次抹面可以缓解.一般在硬结后终止,危害较小.另一种产生于硬结以后,通车之前,由剧烈的温度、湿度变化引起收缩裂缝,常称作“缩裂”,可导致砼板的断裂,危害甚大,成为不合格的砼板块.②防止早期收缩裂缝的技术措施:。