基于单通道单脉冲跟踪接收机的快速校相技术_张冰
- 格式:pdf
- 大小:276.36 KB
- 文档页数:5
四相调制单通道单脉冲跟踪接收机设计四相调制是一种数字通信中常用的调制方式,被广泛应用于无线通信领域。
本文将介绍一个基于四相调制的单通道单脉冲跟踪接收机的设计。
单通道单脉冲跟踪接收机是一种用于追踪脉冲信号的接收机,常用于雷达系统等应用中。
它通过将接收到的信号与本地振荡信号进行相关处理,从而实现对脉冲信号的跟踪和提取。
首先,设计中需要确定的参数包括信号的中心频率、带宽和脉冲宽度等。
根据这些参数,可以选择合适的滤波器对接收信号进行前期处理。
常用的滤波器包括低通滤波器和带通滤波器,在信号的频率范围内选择合适的滤波器可以提高系统的灵敏度和抗干扰能力。
接下来,采用四相调制的方式将滤波后的信号进行调制。
四相调制可以将信号分为四个不同的相位,分别为0°、90°、180°和270°。
通过调制,可以将信号转换为一组正交的信号,便于后续的处理。
在四相调制后,将正交信号进行采样和量化处理。
采样和量化的过程是将连续信号转换为离散信号的过程,常用的采样率为信号带宽的两倍。
通过采样和量化,可以将连续信号转换为数字信号,以便于后续的数字处理。
接下来,对采样和量化后的信号进行频谱分析和解调处理。
频谱分析可以将信号在频域上进行展示,通过观察频谱可以判断信号的频率特性。
解调处理可以将调制后的信号恢复为原始的脉冲信号,以便于后续的跟踪处理。
最后,对解调后的信号进行脉冲跟踪处理。
脉冲跟踪处理通常包括脉冲检测、脉冲定时和脉冲提取等步骤。
脉冲跟踪处理的目的是提取出脉冲信号的各种特征参数,如脉冲宽度、脉冲幅度和脉冲到达时间等。
设计完成后,需要进行系统性能测试和参数优化。
通过测试可以评估系统的性能,并根据需求对参数进行调整和优化,以达到预期的效果。
总结起来,四相调制单通道单脉冲跟踪接收机的设计包括滤波、调制、采样量化、频谱分析、解调和脉冲跟踪等步骤。
通过合适的参数选择和系统优化,可以设计出高性能的跟踪接收机,满足不同应用的需求。
基于单通道单脉冲跟踪接收机的快速校相技术张冰;乔建江;金立斌【摘要】航天测控系统中目前普遍采用双通道跟踪体制的多功能跟踪基带进行快速校相,但在遥感卫星接收系统中单通道跟踪接收机应用普遍,动态快速校相技术应用尚未得到广泛应用,本文根据单通道单脉冲跟踪接收机的校相基本原理,提出了单通道单脉冲跟踪接收机快速校相方法,并对传统的快速校相方法进行了改进,有效提高了快速校相精度和遥感接收设备自动化标校水平.【期刊名称】《河北省科学院学报》【年(卷),期】2016(033)002【总页数】5页(P63-67)【关键词】单通道单脉冲跟踪接收机;快速校相;自动标校;遥感【作者】张冰;乔建江;金立斌【作者单位】中国电子科技集团公司第五十四研究所,河北石家庄 050081;中国电子科技集团公司第五十四研究所,河北石家庄 050081;中国电子科技集团公司第五十四研究所,河北石家庄 050081【正文语种】中文【中图分类】TN850引言在遥感卫星跟踪接收领域普遍采用单通道单脉冲自跟踪接收机,单通道跟踪接收机的动态快速校相技术应用尚未得到广泛应用。
而传统的校相方法存在流程复杂、校相时间长、操作不方便等缺点,并且不能任务进站初期进行校相,有时甚至会导致卫星跟踪任务的失败。
为了寻求一种使用便利、简单、快速的校相技术,笔者在分析设备工作原理的基础上,提出一种高效率、高精度可满足实时校相的单通道单脉冲自跟踪接收机快速校相算法模型,实现了遥感跟踪接收领域的无塔一键校相技术。
1.1 单通道单脉冲跟踪接收机校相基本原理单通道单脉冲跟踪体制在遥感卫星接收系统中得到了广泛应用。
单通道单脉冲技术也就是单通道的变换技术,它是将天线及馈源系统产生的方位误差信号、俯仰误差信号,分别经过相互正交的两个低频信号调制后再与和信号合并形成一个单通道信号。
这个和信号可以是调频或调相信号。
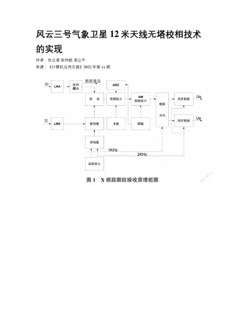
单通道射频载波信号的角度或相位变化用于传输数据信息,而射频载波信号的幅度变化用于传输角误差信息,通过一个共同的下行通道,传输到接收机再分别解调出数据信息和角误差信息,如图1所示。
Science and Technology & Innovation ┃科技与创新·137·文章编号:2095-6835(2016)11-0137-01关于单脉冲雷达抗干扰能力的探讨贾志飞(91913部队,辽宁 大连 116041)摘 要:目前,电子干扰环境日益复杂化,雷达的干扰技术也呈现出多元化发展的趋势,有效提高雷达的跟踪、探测能力便成为了相关工作人员研究的重要课题之一。
单脉冲角跟踪系统是一种较为先进的跟踪系统,但在具体工作中容易受到复杂电磁环境的干扰。
基于此,结合自身的工作经验和悉心研究,主要对雷达的干扰方法及单脉冲雷达的抗干扰能力和技术展开了探讨。
关键词:单脉冲雷达;干扰方法;抗干扰能力;角度欺骗中图分类号:TN958.4 文献标识码:A DOI :10.15913/ki.kjycx.2016.11.137单脉冲雷达在探测和跟踪目标时,如果遇到复杂电磁环境的干扰,容易在距离、角度和频率方面不能有效分辨真实目标,而此时雷达所指示的目标信息也并非真实目标的相关信息。
这样,雷达就会失去跟踪和探测的效用。
因此,开展对单脉冲雷达抗干扰能力的研究具有非常重要的理论价值和现实意义。
1 单脉冲雷达的主要干扰技术分析随着电子干扰技术的迅速发展,如今能够对雷达实施干扰的技术非常多,我们从战术应用角度将其分为常规干扰和非常规干扰两大类。
其中,常规干扰具体指的是雷达对抗中经常采用的普适性较强的一些干扰方法,其主要干扰原理是有效降低雷达接收信号的信噪比。
常用的常规干扰技术主要包括阻塞噪声、射频存储转发干扰和无源干扰等。
雷达抗常规干扰的主要方法是提升雷达的跟踪和探测性能,比如增加隐身天线、增加发射功率以及采用低截获概率技术等。
非常规干扰主要是指对采用了特定技术的雷达或者构造、功能比较特殊的雷达实施干扰的方法和措施。
一般来讲,对特定的雷达进行非常规干扰应当先侦查、收集被干扰雷达的一些特定信息(比如雷达频率、雷达操作系统等),然后使干扰机在逼真复现被干扰雷达信号的同时有效控制信号,从而产生虚假现象,通过制造假的雷达目标回波,让被干扰雷达产生错误的数据和信息。
风云三号气象卫星12米天线无塔校相技术的实现作者:任立清张伟航周立平来源:《计算机应用文摘》2022年第11期摘要:風云三号气象卫星12米天线的X频段采用多模单脉冲,L频段采用多喇叭单脉冲自动跟踪机制,须定期进行相位校正。
针对天线校准相位,须对塔的局限性进行无塔校相方法研究及实现。
文章通过采用12米天线快速无塔校相方法,有效提高了天线跟踪精度和卫星资料接收设备自动化标校水平。
通过分析产生相位差的原因,归纳了影响相位值的各种因素;从跟踪原理出发,介绍了风云三号卫星12米天线无塔校相技术在卫星资料收集工作中的应用。
关键词:自动跟踪;跟踪精度;交叉耦合;定向灵敏度;无塔校相中图法分类号:V474文献标识码:ARealization of phase calibration technology without tower for 12 meterreceiving antenna of FY-3 meteorological satelliteREN Liqing,ZHANG Weihang,ZHOU Liping(Urumqi Meteorological Satellite Ground Station,Urumqi 830011,China)Abstract:The 12m tracking antenna of FY-3 meteorological satellite adopts multi-mode monopulse in X-band and multi horn monopulse automatic tracking system in L-band. The antenna needs periodic phase correction. Aiming at the limitation of tower in antenna phase calibration,thetower free phase calibration method is studied and realized. By developing a fast tower free phase correction method for 12m antenna, this paper effectively improves the antenna tracking accuracy and the automatic calibration level of satellite data receiving equipment. By analyzing the causes of phase difference, various factors affecting the phase value are summarized. Starting from the tracking principle, the application of tower free phase correction technology of 12 meter receiving antenna of FY-3 satellite in satellite data work is introduced.Key words:automatic tracking,tracking accuracy, cross coupling, directional sensitivity,phase calibration without tower我国第二代极轨风云三号气象卫星[1]实现了对全球天气和环境进行全天候、三维、定量、多光谱遥感,对灾害和环境的遥感监测更为精准。
单脉冲跟踪接收机的设计白英芝【摘要】As the progress in microelectronics and computer technology, the integration of electronic circuit has become one important development direction in high frequency circuit. According to the needs of the project, during the design of monopulse tracking receiver for operation at input frequecy 70MHz based on the phase lock loop(PLL), imported integrated chip AD6459, MAX2605 and AD633 are used. Compared with the original receiver, integration is high, the hardware circuit is greatly simplified, the cost is low, the debugging is convenient, and the receiver has been applied in the antenna tracking system in some satcom earth station. A large number of experiments show that the receiver parameters is stable and thereliability of the tracking system also is greatly improved.%随着微电子技术和计算机技术的进步,电子线路的集成化已经成为中高频电路发展的一个重要方向,根据工程需要,采用进口集成芯片AD6459、MAX2605、AD633等设计了70 MHz基于锁相环的单脉冲跟踪接收机,相比原来的接收机,集成度高,硬件电路大大简化,成本低,调试方便,现已应用于某卫星通信地球站天线跟踪系统,大量的动态性能实验表明接收机参数稳定,同时使跟踪系统的可靠性也得到较大的提高.【期刊名称】《电子设计工程》【年(卷),期】2011(019)010【总页数】3页(P151-153)【关键词】集成化;AD6459;锁相环;自动增益控制;单脉冲【作者】白英芝【作者单位】中国电子科技集团公司,第三十九研究所,陕西,西安,710065【正文语种】中文【中图分类】TN46随着电子技术的发展,接收机硬件系统越来越向着成本低、体积小、重量轻、耗电省、可靠性高的方向发展[1-2]。
无人飞行器扩频角跟踪技术研究与应用赵呈哲;何源洁【摘要】单通道单脉冲角跟踪技术因其精度高、工作信噪比较低、动态响应快以及实现简单、可靠,在无人飞行器测控领域得到广泛应用.通过分析单通道单脉冲扩频角跟踪技术的工作原理,给出了该技术在工程中的实现方案;同时考虑到工程应用中的具体需求,对传统的解扩方法进行了改进,以适应单通道单脉冲扩频角跟踪技术在无人飞行器测控领域的应用.【期刊名称】《无线电工程》【年(卷),期】2013(043)001【总页数】3页(P39-41)【关键词】单通道单脉冲;扩频;角跟踪;无人飞行器【作者】赵呈哲;何源洁【作者单位】中国电子科技集团公司第五十四研究所,河北石家庄050081;中国电子科技集团公司第五十四研究所,河北石家庄050081【正文语种】中文【中图分类】TN9140 引言直接序列扩频系统可以工作在负信噪比下,信号淹没在噪声中,因此具有很高的隐蔽性、抗干扰性、抗多径和抗截获的能力,在无人飞行器测控系统中得到广泛应用。
单通道单脉冲角跟踪技术因其技术优点,同样广泛应用于飞行器测控领域。
如何直接利用当前的扩频技术和跟踪技术,在不降低系统指标的前提下,实现对角度误差信号的提取,准确、及时地完成对飞行目标的测角跟踪,是无人飞行器测控系统需要解决的一个问题。
1 扩频角跟踪系统组成对于单通道单脉冲跟踪体制,地面多喇叭定向天线和差网络输出一对方位、俯仰误差信号和和信号。
射频误差信号和地面跟踪接收机输出的一对正交低频方波信号在地面站信道双工器内,完成0/π调制,然后与和信号耦合,再经过下变频,送给地面跟踪接收机,进行角误差的解算[1]。
地面跟踪接收机首先需要完成对伪随机码的解扩,之后是方位、俯仰角误差信号的同步解调,最后将解算出的数字角误差组帧,输出给伺服系统,实现对飞行器的跟踪测角,从而保证测控链路的畅通。
扩频角跟踪系统组成框图如图1所示。
图1 扩频角跟踪系统组成2 原理分析在单通道扩频跟踪接收通道中,和路信号表示为[2]:式中,V∑为和路信号强度;ωc为载波角频率;φ0为信号初相;n∑为和路的噪声分量;c(t)为扩频伪随机码序列;m(t)为调制数据。
一种新的软件GPS静态接收机频域跟踪方法
曲江华;袁洪;宁百齐
【期刊名称】《测绘学报》
【年(卷),期】2005(034)004
【摘要】设计一种基于FFT的软件GPS静态用户接收机频域跟踪方案.利用GPS 导航电文调制周期为20个C/A码周期的特性,将块叠加(Block Addition)频域捕获的思想应用于GPS信号频域跟踪,从而大幅度节约计算量,为实时跟踪创造条件.【总页数】5页(P312-316)
【作者】曲江华;袁洪;宁百齐
【作者单位】中国科学院,光电研究院,北京,100080;中国科学院,武汉物理与数学研究所,湖北,武汉,430071;中国科学院,研究生院,北京,100094;中国科学院,光电研究院,北京,100080;中国科学院,地质与地球物理研究所,北京,100029
【正文语种】中文
【中图分类】P228.4
【相关文献】
1.GPS软件接收机C/A信号跟踪方法研究 [J], 张岩
2.一种GPS软件接收机的频域粗同步算法研究 [J], 汪维东
3.GPS软件接收机的频域相关捕获算法 [J], 王超;崔晓伟;尹旭明;冯振明
4.GPS软件接收机的频域相关捕获算法 [J], 王超;崔晓伟;尹旭明;冯振明
5.GPS软件接收机中一种新的弱信号捕获算法 [J], 李源明;张波;李署坚;张彦仲
因版权原因,仅展示原文概要,查看原文内容请购买。