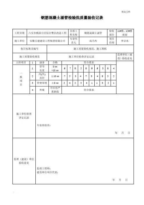
钢筋混凝土涵管检验批质量验收记录
- 格式:doc
- 大小:37.50 KB
- 文档页数:1
钢筋混凝土涵管检验批质量验收记录
工程名称六安市桃园小区综合整治改造工程分部工
程名称
钢筋混凝土涵管
验收
部位
11#楼、12#楼
南面
施工单位安徽五建建设工程集团有限公司专业负
责人
高乃杰
项目
经理
李宗水
执行标准及编号施工质量验收规范,施工图纸
施工质量验收规范施工单位检查评定记录监理单位(建设)验收意见
主控项目 1 涵身合格符合要求
1 管节
长度
0 ㎜
-10 ㎜
-6 -7 0 -5 0 -9 -6 -3 0 -4
一
般 2 内
(外 )
直径
±10 ㎜-7 5 -3 4 7 3 -4 8 5 -2
项
目
3 管壁厚度± 5 ㎜ 2
4 2 -3 -4 -1 1 3 -2 -1
4 外观不应有严
重缺陷
符合要求
施工单位检查
评定记录
专业质检员:
年月日
监理(建设)单位
验收意见
监理工程师:
建设单位项目代表:
年月日。
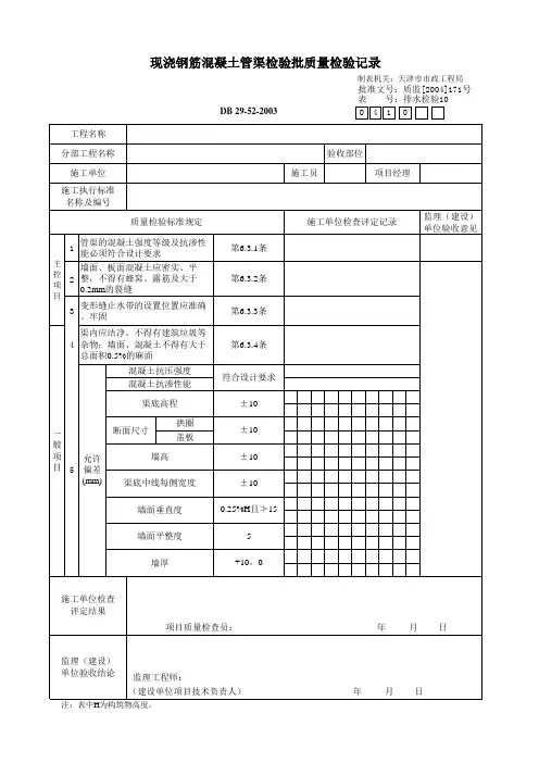
涵管工程检验批质量检验记录表
工程名称分项工程名称
施工单位验收部位
项目经理专业工长施工班组长
施工执行标准及编号《市政排水管渠工程质量检验评定标准》CJJ3-90
质量验收规范的规定施工单位检查评定记录监理(建设)单位验收记录
检查项目检验依据或实测值
主控项目1 地基承载力设计要求
2 防水层材料设计要求
3 防水层铺贴质量第14.5.1.3条
4
钢筋制作及安装
质量
设计要求
5 混凝土强度设计要求
检查项目
允许偏差或
允许值(mm)
检查结果/实测点偏差值或实测值
1 2 3 4 5 6 7 8 9
一般项目
1 底板顶高程±10
2 涵管净宽±20
3 中线偏位≤10
4 顶板挠度
≤L/1000
且<10mm
5
现浇顶板底面
平整度
≤5
6
7 混凝土表面质量第14.5.1.6条
共实测点,其中合格点、不合格点,合格率 %
施工单位检查
评定结果
项目专业质量检查员:项目专业质量(技术)负责人:年月日
监理(建设)
单位验收结论
监理工程师(建设单位项目技术负责人):年月日
注: 1、本表由施工项目专业质量检查员填写,监理工程师(建设单位项目技术负责人)组织专业质量(技术)负责人等进行验收。
四川省建设厅制。
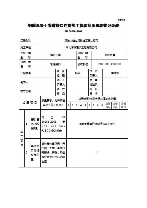
钢筋混凝土管道检验批质量验收记录
1. 概述
本文档旨在记录钢筋混凝土管道检验批的质量验收情况。
通过详细记录每个检验批的验收过程和结果,以确保管道的质量达到标准要求。
2. 检验批信息
2.1 检验批编号:
2.2 施工单位:
2.3 监理单位:
2.4 验收日期:
3. 检验项目
在验收过程中,对以下项目进行检验:
- 管道材料的质量和型号是否符合要求
- 管道连接的密封性能
- 管道的外观质量
4. 检验方法
根据相关标准和规范,采用以下检验方法:
- 目测检查
- 测量和测试(包括用仪器测量和测试)
5. 检验结果记录
5.1 检验批1:
- 管道材料检验结果:
- 管道连接密封性检验结果:
- 管道外观质量检验结果:
5.2 检验批2:
- 管道材料检验结果:
- 管道连接密封性检验结果:
- 管道外观质量检验结果:
(按照实际情况增加检验批记录)
6. 验收结论
根据对每个检验批的检验结果进行评估,得出验收结论:- 合格
- 不合格,原因和处理措施:
7. 备注
(可根据需要填写其他相关信息)
以上为钢筋混凝土管道检验批质量验收记录的基本内容,具体记录细节请根据实际情况进行填写。
钢筋混凝土地基检验批质量验收记录检验批信息
- 项目名称:
- 项目地点:
- 施工单位:
- 检验批编号:
- 检验日期:
检验内容
1. 地基基础检查
- 检查地基基础的平整度和平整度是否符合要求。
- 检查地基基础的坡度和坡度是否符合要求。
2. 钢筋绑扎
- 检查钢筋绑扎是否符合设计要求。
- 检查钢筋绑扎是否牢固,无松动和脱漏。
3. 砼浇筑
- 检查混凝土浇筑前的土地基础情况。
- 检查混凝土浇筑时的流动性和坍落度是否符合要求。
- 检查混凝土质量是否均匀,无石子和杂质。
检验结果
1. 地基基础检查结果:
- 平整度:符合要求。
- 坡度:符合要求。
2. 钢筋绑扎检查结果:
- 符合设计要求。
- 无松动和脱漏。
3. 砼浇筑检查结果:
- 土地基础情况:符合要求。
- 流动性和坍落度:符合要求。
- 混凝土质量:均匀,无石子和杂质。
备注
请在验收记录中备注任何特殊情况、发现的问题以及采取的纠正措施。
---
以上是钢筋混凝土地基检验批质量验收记录的内容,供参考。
钢筋混凝土施工工程质量验收记录项目基本信息
- 工程名称:
- 施工单位:
- 工程地址:
- 验收时间:
- 验收人员:
施工工程质量验收记录
1. 施工质量验收情况
施工工程质量验收情况如下:
- 工程图纸符合实际施工情况;
- 钢筋混凝土施工按照相关标准和规范进行;
- 施工现场整洁有序,符合安全规定;
- 施工材料质量符合要求;
- 施工工序、施工工艺符合规范要求;
- 钢筋连接、焊接等工序操作正确;
- 施工过程中无质量事故发生;
2. 施工质量问题及处理情况
在施工工程质量验收中发现以下问题:
- 部分钢筋安装位置不符合设计要求,已进行整改;
- 钢筋混凝土浇注过程中存在少量偏差,已进行修正;
- 部分混凝土表面存在细微裂缝,已进行修补;
- 施工现场清理工作需进一步完善,已加强管理;
3. 施工质量验收结论
根据施工工程质量验收情况以及问题整改情况,经过评定,本工程的钢筋混凝土施工质量达到验收标准,可以通过验收。
验收人员签名
- 验收单位:
- 验收人员姓名:- 验收日期:。
钢筋混凝土梁工程检验批质量验收记录项目信息- 工程名称:钢筋混凝土梁工程- 施工单位:(填写施工单位名称)- 质监单位:(填写质监单位名称)- 检测单位:(填写检测单位名称)- 检验批次:(填写检验批次号)- 工程开工日期:(填写工程开工日期)- 工程竣工日期:(填写工程竣工日期)质量验收记录钢筋质量检验- 钢筋型号:(填写钢筋型号)- 钢筋数量:(填写钢筋数量)- 钢筋规格:(填写钢筋规格)- 钢筋试验结果:合格 / 不合格- 钢筋试验备注:(填写钢筋试验备注,如不合格原因等)混凝土质量检验- 混凝土标号:(填写混凝土标号)- 混凝土强度设计值:(填写混凝土强度设计值)- 混凝土强度检测结果:合格 / 不合格- 混凝土强度检测备注:(填写混凝土强度检测备注,如不合格原因等)梁尺寸和几何形状检验- 梁尺寸:(填写梁尺寸,包括长度、宽度、高度等)- 梁几何形状检验结果:合格 / 不合格- 梁几何形状检验备注:(填写梁几何形状检验备注,如不合格原因等)综合质量验收- 梁表面平整度:(填写梁表面平整度)- 梁表面平整度验收结果:合格 / 不合格- 梁表面平整度验收备注:(填写梁表面平整度验收备注,如不合格原因等)结论经质量验收,钢筋混凝土梁工程检验批质量合格。
总结在钢筋混凝土梁工程的检验批质量验收过程中,钢筋质量、混凝土质量、梁尺寸和几何形状以及梁表面平整度等方面均符合相关要求,达到了设计和施工标准。
检验过程中未发现质量不合格的情况。
建议施工单位继续保持好的工程施工质量,确保工程的稳定和安全。
签字- 施工单位代表签字:___________________- 质监单位代表签字:___________________- 检测单位代表签字:___________________- 日期:___________________。
混凝土工程施工检验批质量验收记录一、前言混凝土作为建筑工程中常用的材料,其质量直接关系到工程的安全和稳定。
对混凝土工程施工的质量进行检验和验收是非常重要的一环。
本文将围绕混凝土工程施工的检验批质量验收记录展开讨论,以期对相关人员进行科学、合理的指导和规范。
二、检验批信息项目名称:XXX工程检验批号:XXX施工单位:XXX公司检验批负责人:XXX监理单位:XXX监理公司质检单位:XXX质检公司三、施工情况1. 混凝土类型:普通混凝土2. 浇筑部位:楼板3. 浇筑日期:20XX年XX月XX日4. 混凝土强度等级:C305. 搅拌站:XXX混凝土搅拌站6. 运输方式:自卸车运输四、原材料检验1. 水泥1.1 规格:XXX1.2 生产厂家:XXX公司1.3 检验依据:GB/T XXXX-XXXX 1.4 检验结果:合格2. 砂、石料2.1 规格:XXX2.2 生产厂家:XXX公司2.3 检验依据:GB/T XXXX-XXXX 2.4 检验结果:合格3. 水3.1 检验依据:GB/T XXXX-XXXX 3.2 检验结果:合格4. 外加剂4.1 规格:XXX4.2 生产厂家:XXX公司4.3 检验依据:GB/T XXXX-XXXX4.4 检验结果:合格五、混凝土配合比检验1. 配合比设计值:C302. 检验结果:符合设计要求六、搅拌运输检验1. 混凝土装车时坍落度:XXX2. 混凝土抗渗性能:符合要求3. 混凝土运输过程中有无分层、渗水等现象:无七、浇筑验收1. 浇筑前模板检验:符合要求2. 硬化混凝土表面平整度:符合要求3. 浇筑温度、冷缝处理情况:符合要求八、养护验收1. 养护措施:XXX2. 养护时间:XX天3. 养护效果:符合要求九、试块成型及试块养护制度1. 试块成型方式:XXX2. 试块养护温度、湿度:符合要求3. 试块养护期:XX天4. 试块养护效果:符合要求十、混凝土强度检验1. 试块编号:XXX2. 强度设计值:C303. 强度检验结果:符合设计要求十一、质量验收结论根据以上施工检验批的质量情况进行全面检查和验收,确认其符合相关国家标准和工程要求,达到验收标准,特发此次混凝土工程施工检验批质量验收合格证,并签字盖章。