水质监测记录表
- 格式:doc
- 大小:77.50 KB
- 文档页数:1
水质监测数据记录表
1. 引言
本文档旨在记录水质监测数据,以确保水体质量的监测和控制。
通过对水质数据的采集和分析,我们可以评估水环境的健康状况,
并采取适当的措施来保护和改善水质。
2. 数据记录表格
以下是水质监测数据记录表格的各个字段:
请根据实际情况填写每个字段的数值,并按照日期和时间的先
后顺序记录。
确保数据的准确性和完整性。
3. 数据分析
根据记录的水质监测数据,我们可以进行数据分析和评估。
以下是一些可能的数据分析方面的考虑:
- 水温:水温可以影响生物的生长和代谢率。
高温可能导致氧溶解度下降,对水生生物产生不良影响。
- pH值:pH值可以反映水体的酸碱性,不同的水生生物对pH 值有不同的耐受范围。
- 溶解氧含量:溶解氧是水体中重要的生物学指标之一,对水中生物生存和呼吸至关重要。
- 浊度:浊度可以描述水体中悬浮颗粒的浓度,高浊度可能影响水质和可见光透过性。
请根据这些数据,进行适当的数据分析和研究。
4. 结论
水质监测数据记录表是确保水体质量监测的重要工具。
通过记录和分析水质数据,我们可以评估环境健康状况,并采取必要的措施来保护和改善水质。
请确保填写记录表时的准确性和完整性,并据此进行适当的数据分析和研究。
广州正虹科技发展有限公司水质在线监测仪器性能检测记录表测试地点:测试仪器:测试时间:测试仪器基本信息零点漂移测试记录表注:1、至少测量6次2、零点漂移计算方法:Zd=ΔZmax/R×100% ②Zd=ΔZmax式中:Z0—零点读数初始值;Zi—第i次零点读数值;Zd—零点漂移;ΔZ—零点漂移绝对误差,ΔZ=Zi-Z0;ΔZmax—零点漂移绝对误差最大值;R—仪器满量程值。
①适用于TOC、UV、氨氮、总磷分析仪的零点漂移的计算;②适用于CODcr分析仪的的零点漂移的计算。
量程漂移、重复性测试记录表注:1、采用量程校正液,于零点漂移试验的前后分别测定3次,计算平均值。
2、零点漂移成份取零点漂移绝对误差最大值。
3、量程漂移计算方法:(S1 —Zd —S2 )÷R ×100%4、重复性计算方法:标准偏差÷6次测量平均值×100%5、标准偏差公式:S = Sqr(∑(xn-x拨)^2 /(n-1))公式中∑代表总和,x拨代表x的算术平均值,^2代表二次方,Sqr代表平方根。
标准物质比对测试记录表注:1、每种标样至少测二次;1号标样采用接近实际废水通常排放浓度的样品;2号标样采用超过排放标准浓度的样品;若采用超过排放标准浓度的样品与废水通常排放浓度所对应的仪器量程相冲突时,2号标样采用仪器相应量程80%浓度的样品进行测试;若实际废水通常排放浓度即为接近仪器相应量程80%时,可取消2号标样的测试。
2、计算方法:绝对误差=测量值—标样浓度相对误差=(测量值- 标样浓度)÷标样浓度×100%平均相对误差=(仪器测量平均值- 标液浓度) ÷标液浓度×100注:1、仪器的测量结果仅与符合质量保证与质量控制的化验室的测量数据作比对。
2、计算方法:水样对比相对误差(A)=(仪器测量平均值X-标准方法测定值B)÷B×100%。
PH值原始记录表
方法依据:仪器型号:样品类型:化验日期:
SS 原始记录表
方法依据:重量法(GB/T11901-1989)仪器型号: 样品类型: 化验日期:
烘干温度:103~105℃烘干时间:1h 恒重要求:两次称重的重量差≤0.5mg 悬浮物含量的计算公式:C (mg/l )=V
B A 6
10)(⨯-
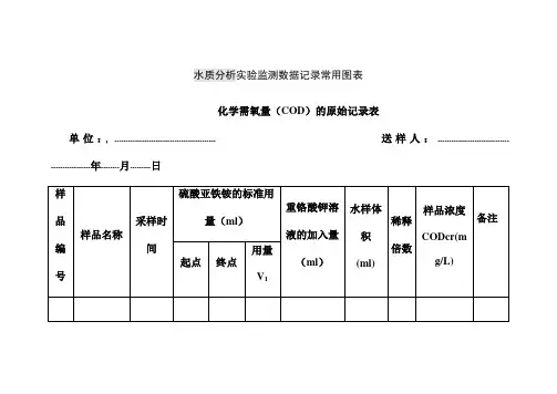
CODcr 原始记录表
方法依据:重铬酸盐法(GB/T11914-1989)仪器型号: 样品类型: 化验日期: 标准滴定溶液硫酸亚铁铵浓度计算公式:C (mol/l )=
标V 250
.000.10⨯ CODcr 的计算公式:CODcr(mg/l)=V
10008C V V 10⨯⨯-)(
总N原始记录表
方法依据:碱性过硫酸钾消解紫外分光光度法(GB/T11894-1989)仪器型号:样品类型:化验日期:
氨氮原始记录表
方法依据:纳氏试剂比色法(GB/T7479-1987)仪器型号:样品类型:化验日期:
总磷原始记录表
方法依据:钼酸铵分光光度法(GB/T11894-1989)仪器型号:样品类型:化验日期:
BOD 5原始记录表
方法依据:稀释与接种法(GB/T7488-1987) 仪器型号: 样品类型: 化验日期: BOD 5的计算公式:BOD 5(mg/l)=Va
V c c Vt Va
Vx c c 34321)]()[(---
-
原子吸收测定原始记录表格
方法依据:火焰原子分光光度法(GB/T7475-1987)仪器型号:样品类型:化验日期:
类大肠杆菌原始记录表
方法依据:HJ/T347-2007多管发酵法仪器型号:样品类型:化验日期:培养温度:培养时间:。
水质监测记录表
简介
本文档旨在记录水质监测的相关信息,以便对水质进行定期监测和评估。
日期
结论
根据以上记录的数据,对水体的水质进行初步评估如下:
- 河流A的pH值在监测期间变化较小,接近中性;
- 河流A的溶解氧水平保持在适宜范围内;
- 河流A的氨氮含量较低,水质优良;
- 湖泊B的pH值在监测期间变化较小,接近中性;
- 湖泊B的溶解氧水平保持在适宜范围内;
- 湖泊B的氨氮含量较高,水质有待进一步评估。
下一步行动
基于以上初步评估,建议进行以下行动:
1. 对湖泊B的水质进行更详细的监测和分析,以确定其水质状况;
2. 河流A的水质良好,可进行定期监测以确保水质的持续稳定;
3. 分析水质监测数据,制定相应的水质保护和改善措施。
参考资料
- 相关水质监测标准和要求
- 水质监测仪器和方法的说明书。
水质检测记录表(每月)
1. 检测概述
本文档旨在记录每月的水质检测结果,以确保水质安全和卫生。
3. 检测项目
下面列出了每月进行的水质检测项目:
- pH值
- 水温
- 溶解氧含量
- 浊度
- 标准氯含量
4. 检测方法
每个检测项目的具体方法和标准如下:
4.1 pH值
使用酸碱指示剂测试水样的酸碱性。
正常范围为6.5至8.5。
4.2 水温
使用温度计测量水样的温度。
正常范围为20至30摄氏度。
4.3 溶解氧含量
使用溶解氧测试仪测量水样中的溶解氧。
正常范围为5至9毫克/升。
4.4 浊度
使用浊度计测量水样的浑浊程度。
正常范围为0至5NTU。
4.5 标准氯含量
使用试剂盒测试水样中的氯含量。
正常范围为0.2至0.5毫克/升。
5. 结论和建议
根据每月的检测结果,结论和建议如下:
- pH值在正常范围内,水质酸碱性合适。
- 水温在正常范围内,适宜生物生长。
- 溶解氧含量在正常范围内,水质富氧。
- 浊度在正常范围内,水质清澈。
- 标准氯含量在正常范围内,水质卫生。
根据以上结论,建议继续监测和维护水质,以确保供水安全和健康。
6. 签名
水质检测负责人:________________
日期:________________。
水质监测日常巡查记录表精选
1. 巡查日期和时间
- 日期:[填写日期]
- 时间:[填写时间]
2. 巡查地点
- 水源:[填写水源地名称]
- 取样点:[填写取样点名称]
3. 巡查人员
- 巡查人员姓名:[填写巡查人员姓名]
- 巡查人员单位:[填写巡查人员单位]
4. 巡查内容
- 进行水质监测的参数:[填写进行监测的参数,如溶解氧、总悬浮物、氨氮等]
- 进行监测的方法:[填写监测方法,如使用仪器、试剂盒等] - 监测结果:[填写监测结果,如数值、颜色变化等]
- 备注:[填写其他需要记录的信息]
5. 问题和处理
- 发现的问题:[填写巡查中发现的问题]
- 处理方式:[填写问题的处理方式,如立即采取措施、报告上级等]
6. 下一步计划
- 接下来的巡查计划:[填写下一次巡查的日期、地点和人员安排]
- 需要注意的事项:[填写接下来巡查需要特别注意的事项]
7. 签名和日期
- 巡查人员签名:______________________
- 日期:[填写日期]
以上为水质监测日常巡查记录表精选,供参考使用。
根据实际需要,可以根据表格结构自行调整或添加其他需要记录的内容。