基本按键原理图
- 格式:pdf
- 大小:106.10 KB
- 文档页数:1
键盘电路在单片机应用系统中,除了复位按键外,可能还需要其他按键,如键盘按键,以便控制系统的运行状态或向系统输入运行参数。
键盘电路一般由键盘接口电路、按键(由控制系统运行状态的功能键和向系统输入数据的数字键组合)以及键盘扫描程序等部分组成。
1、按键结构及其电压波形在单片机控制系统中广泛使用的机械键盘的工作原理是:按下键帽时,按键内的复位弹簧被压缩,动片触点与静片触点相连,按键两个引脚连通,接触电阻大小与按键触点面积及材料有关,一般在数十欧姆以下;松手后,复位弹簧将动片弹开,使动片触点与静片触点脱离接触,两引脚返回断开状态。
可见,机械键盘或按扭的基本工作原理就是利用动片触点和静片触点的接触和断开来实现键盘或按钮两引脚的通、断。
在如图所示的键盘电路中,按键没有被按下时,P1口内部上拉电阻将P1.3-P1.0引脚置为高电平,而当S3-S0之一被按下时,相应按键两引脚连通,P1口对应引脚接地。
在理想状态下,按键引脚电压变化如图6-29(a)所示。
但实际上,在按键被按下或释放的瞬间,由于机械触点弹跳现象,实际按键电压波形如图6-29(b)所示,即机械按键在按下和释放瞬间存在抖动现象。
抖动时间的长短与按键的机械特性有关,一般在5~10ms之间,而按键稳定闭合期的长短与按键时间有关,从数百毫秒到数秒不等。
为了保证按键由按下到松开之间仅视为一次或数次输入(对于具有重复输入功能的按键),必须在按键或软件上采取去抖动措施,避免一次按键输入一串数码。
硬件上,可利用单稳态电路或RS触发器消除按键抖动现象,但在单片机应用系统中最常采用的方法是利用软件延迟方式消除按键抖动问题,这样可以不增加硬件成本。
因此,在单片机系统中按键识别过程是:通过随机扫描、定时中断扫描或中断监控方式发现按键被按下后,延时10~20ms(因为机械按键由按下到稳定闭合的时间为5~10ms)再去判断按键是否处于按下状态,并确定是哪个按键被按下。
对于每按一次仅视为一次输入的按键设定来说,在按键稳定闭合后对按键进行扫描,读出按键的编码(或称为键号),执行相应操作;对于具有重复输入功能的按键设定来说,在按键稳定闭合期内,每个特定时间,如250ms或500ms 对按键进行检测,当发现按键仍处于按下状态时,就输入该键,直到按键被释放。
cx电压从0开始充电,一直到v1上图右边是一个最基本的触摸按键,中间圆形绿色的为铜(我们可以称之为按键),在这些按键中会引出一根导线与MAU相连,MAU通过这些导线来检测是否有按键按下,外围的绿色也是铜不过这些铜与GND大地相连,在按键和外围铜直接是空隙(空隙d)上图右边是左图的截面图,当没有手指接触时只有一个电容cp,,当有手指接触时,按键通过手指就形成了电容cf二。
硬件连接电容式触摸按键原理现阶段,随着电容式触摸按键在外形美观和使用寿命等方面都优于传统的机械按键,电容式触摸按键的应用领域也日益广泛,包括家电、消费电子、工业控制和移动设备等。
本文就一种具体的电容式触摸开关芯片SJT5104介绍一下电容式触摸按键的基本工作原理和材料选择。
一工作原理任何两个导电的物体之间都存在着感应电容,一个按键即一个焊盘与大地也可构成一个感应电容,在周围环境不变的情况下,该感应电容值是固定不变的微小值。
当有人体手指靠近触摸按键时,人体手指与大地构成的感应电容并联焊盘与大地构成的感应电容,会使总感应电容值增加。
电容式触摸按键IC在检测到某个按键的感应电容值发生改变后,将输出某个按键被按下的确定信号。
电容式触摸按键因为没有机械构造,所有的检测都是电量的微小变化,所以对各种干扰会更加敏感,因此触摸按键设计、触摸面板的设计以及触摸IC的选择都十分关键。
二触摸PAD设计1. 触摸PAD材料触摸PAD可以用PCB铜箔、金属片、平顶圆柱弹簧、导电棉、导电油墨、导电橡胶、导电玻璃的ITO层等。
不管使用什么材料,按键感应盘必须紧密贴在面板上,中间不能有空气间隙。
当用平顶圆柱弹簧时,触摸线和弹簧连接处的PCB,镂空铺地的直径应该稍大于弹簧的直径,保证弹簧即使被压缩到PCB板上,也不会接触到铺地。
2. 触摸PAD形状原则上可以做成任意形状,中间可留孔或镂空。
作者推荐做成边缘圆滑的形状,可以避免尖端放电效应。
一般应用圆形和正方形较常见。
按键模拟仿真(入门级实验)实验介绍1:利用单片机控制一个按键以及一个LED灯,通过程序控制上述两个原件,模拟简单的按键控制LED电路。
当按键按下的时候LED灯点亮,当按键松开的时候LED熄灭。
(拓展:可以对该实验进行一定的拓展,例如当按键按下一段时间后,LED灯才开始点亮,或当按键松开后,LED灯点亮一段时间后再熄灭等等)实验目的:通过对简单的按键控制LED电路的模拟,掌握单片机读入数字量的过程以及单片机对数字量进行判断(按键按下或松开)。
仿真原理图:在仿真软件Proteus中绘制仿真仿真原理图如上图所示。
(注意事项:在上图中按键使用了“button”,该元件类似于带复位功能的按钮,当鼠标按下该按键时接通,当鼠标松开后,按键自动复位,变为断开状态。
在此原理图中也可使用“switch”元件,该元件的类似于带自锁功能的按钮,当鼠标点击一次该元件,按键接通并自锁,此时松开鼠标,按键也不能复位,当再次使用鼠标单击该按键时,按键才能处于复位状态。
)程序HEX代码如下::0300000002003BC0:0C003B00787FE4F6D8FD75810702000014:020********E50:0B00300020A204C2A080F9D2A080F53D:00000001FF程序HEX使用方法:1)新建txt文档2)将HEX代码复制到txt文档中,保存3)将该txt文档另存为“程序名.hex”,例如:pro.hex4)在仿真软件中打开即可实现仿真。
汇编语言代码以及C语言代码如下:汇编语言代码:ORG 0HJMP MAINORG 30HMAIN:JB P2.2,X1CLR P2.0JMP MAINX1:SETB P2.0JMP MAINEND注意:该程序较为简单,一般不易出错。
需要注意的是程序需要重复执行!C语言代码:#include <reg52.h>sbit P20=P2^0;sbit P22=P2^2;void main(){while(1){ if(P22==0)P20=0; //点亮LEDelseP20=1; //熄灭LED}}上述程序完成的是当按键按着的时候灯亮,而当按键松开后灯灭。
东北石油大学实习总结报告实习类型生产实习实习单位东北石油大学实习基地实习起止时间 2018年7月7日至2018年7月16日指导教师刘东明、孙鉴所在院(系)电子科学学院班级电子科学与技术15-2学生姓名学号 022018年 7月 16日目录第1章按键控制流水灯设计 (1)实习目的.............................. 错误!未定义书签。
实习要求.............................. 错误!未定义书签。
第2章电路工作原理 (2)STC89C52单片机工作原理 (2)LED工作原理 (3)按键工作原理 (3)整体电路图 (5)本章小结 (6)第3章 C程序设计 (7)程序设计流程图 (7)实验结果 (8)本章小结 (9)总结及体会 (10)参考文献 (11)附录 (12)第1章按键控制流水灯设计1.1实习目的本次实习以STC89C52单片机为控制核心。
通过它实现对八盏LED 灯的亮灭进行设定,并在设定完成之后能够按照之前的设定实现流水灯效果。
外部电路为按键控制流水灯。
P0口控制八盏灯,P1口控制矩阵键盘,P2口控制独立按键,程序利用单片机内部计时器中断实现流水效果。
要求流水灯能够自行设定、暂停、复位,工作稳定,可靠性高。
生产实习的主要目的是培养理论联系实际的能力,提高实际动手操作能力。
本专业的生产实习旨在广泛了解实际单片机电子产品工作的全过程,熟悉电子产品的主要技术管理模式,并在实习的操作过程中学习掌握电子产品的焊接安装调试的实际操作技能。
巩固和加深理解所学的理论,开阔眼界,提高潜力,为培养高素质大学本科人才打下必要的基础。
透过学习,是理论与实际相结合,能够使学生加深对所学知识的理解,并为后续专业课的学习带给必要的感性知识,同时直接了解本业的生产过程和生产资料,为将来走上工作岗位带给必要的实际生产知识。
1.2实习要求1.深入学习单片机开发软件Keil的使用,熟悉单片机电路设计,根据实际应用电路对程序进行调试。
cx电压从0开始充电,一直到v1上图右边是一个最基本的触摸按键,中间圆形绿色的为铜(我们可以称之为按键),在这些按键中会引出一根导线与MAU相连,MAU通过这些导线来检测是否有按键按下,外围的绿色也是铜不过这些铜与GND大地相连,在按键和外围铜直接是空隙(空隙d)上图右边是左图的截面图,当没有手指接触时只有一个电容cp,,当有手指接触时,按键通过手指就形成了电容cf二。
硬件连接电容式触摸按键原理现阶段,随着电容式触摸按键在外形美观和使用寿命等方面都优于传统的机械按键,电容式触摸按键的应用领域也日益广泛,包括家电、消费电子、工业控制和移动设备等。
本文就一种具体的电容式触摸开关芯片SJT5104介绍一下电容式触摸按键的基本工作原理和材料选择。
一工作原理任何两个导电的物体之间都存在着感应电容,一个按键即一个焊盘与大地也可构成一个感应电容,在周围环境不变的情况下,该感应电容值是固定不变的微小值。
当有人体手指靠近触摸按键时,人体手指与大地构成的感应电容并联焊盘与大地构成的感应电容,会使总感应电容值增加。
电容式触摸按键IC在检测到某个按键的感应电容值发生改变后,将输出某个按键被按下的确定信号。
电容式触摸按键因为没有机械构造,所有的检测都是电量的微小变化,所以对各种干扰会更加敏感,因此触摸按键设计、触摸面板的设计以及触摸IC的选择都十分关键。
二触摸PAD设计1. 触摸PAD材料触摸PAD可以用PCB铜箔、金属片、平顶圆柱弹簧、导电棉、导电油墨、导电橡胶、导电玻璃的ITO层等。
不管使用什么材料,按键感应盘必须紧密贴在面板上,中间不能有空气间隙。
当用平顶圆柱弹簧时,触摸线和弹簧连接处的PCB,镂空铺地的直径应该稍大于弹簧的直径,保证弹簧即使被压缩到PCB板上,也不会接触到铺地。
2. 触摸PAD形状原则上可以做成任意形状,中间可留孔或镂空。
作者推荐做成边缘圆滑的形状,可以避免尖端放电效应。
一般应用圆形和正方形较常见。
今天,小编带大家了解一下在家庭电路中很重要的按键开关原理,并看看双控开关接线图。
让你电路装修时不再小白!
按键开关原理
按键开关是用来切断和接通控制电路的低压开关电器。
按钮开关的触头的额定电流为5A。
所以,操作按钮开关所控制的电路属于小电流电路。
按钮有单极双位开关或双极双位开关,它按动能与用途又分为起动按钮、复位按钮、检查按钮、控制按钮、限位按钮等多种。
按键有动合(常开)和动断(常闭)之分,微型按钮用导电橡胶或金属片等作导体,可作为状态选择开关,用于小型半导体收音机、遥控器、验钞器等产品中。
按键开关是旧标准用术语,新标准(GB2900·18)中简称为按钮。
按键开关是用来切断和接通控制电路的低压开关电器。
按钮开关的触头的额定电流为5A。
所以,操作按钮开关所控制的电路属于小电流电路。
按键有单极双位开关或双极双位开关,它按动能与用途又分为起动按钮、复位按钮、检查按钮、控制按钮、限位按钮等多种。
双控开关接线图
双控开关接线图
双控开关接线图
双控开关接线图
看了以上的关于按键开关原理和双控开关接线图的介绍,不知大家都学到一手没!希望本文能让大家更了解按键开关原理和双控开关接线图的知识。
上述作品版权归原作者所有,新浪装修平台只属于点赞和传播者,转载请注明来源
『新浪装修抢工长』是由乐居控股有限公司投资打造的互联网装修服务生态平台,致力于成为全国最大客户与工长直接互动的装修服务平台,全新开启装修领域的互联网时代。
&&关注生活家居、经济、服装、书法、手绘、旅游、摄影、运动、奢侈品。
Zstack的按键机制这一节我们看按键机制,后续会陆续看UART机制和绑定机制,通过这三大机制深入学习Zstack消息的传递机制,掌握Zstack开发流程。
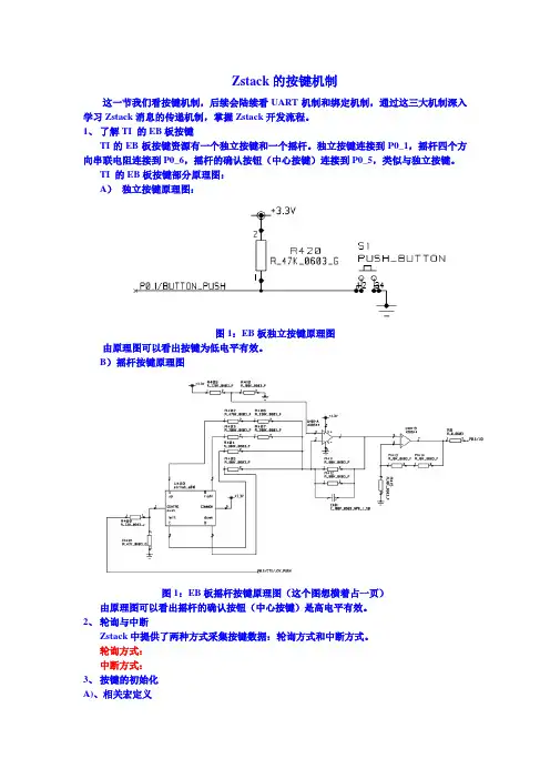
1、了解TI 的EB板按键TI的EB板按键资源有一个独立按键和一个摇杆。
独立按键连接到P0_1,摇杆四个方向串联电阻连接到P0_6,摇杆的确认按钮(中心按键)连接到P0_5,类似与独立按键。
TI 的EB板按键部分原理图:A)独立按键原理图:图1:EB板独立按键原理图由原理图可以看出按键为低电平有效。
B)摇杆按键原理图图1:EB板摇杆按键原理图(这个图想横着占一页)由原理图可以看出摇杆的确认按钮(中心按键)是高电平有效。
2、轮询与中断Zstack中提供了两种方式采集按键数据:轮询方式和中断方式。
轮询方式:中断方式:3、按键的初始化A)、相关宏定义在key.c文件中定义了关于按键的宏。
注意按键初始化配置属于底层驱动的配置,在涉及到底层时会遇到大量的CC2430寄存器,要养成查看datasheet的好习惯。
①、按键6(SW6)对应原理图的独立按键S1,按键6(SW6)相关的宏定义:#define HAL_KEY_BIT0 0x01#define HAL_KEY_BIT1 0x02#define HAL_KEY_BIT2 0x04#define HAL_KEY_BIT3 0x08#define HAL_KEY_BIT4 0x10#define HAL_KEY_BIT5 0x20#define HAL_KEY_BIT6 0x40#define HAL_KEY_BIT7 0x80#if defined (HAL_BOARD_CC2430EB) || defined (HAL_BOARD_CC2430BB)#define HAL_KEY_SW_6_ENABLE#define HAL_KEY_SW_6_PORT P0#define HAL_KEY_SW_6_BIT HAL_KEY_BIT1#define HAL_KEY_SW_6_SEL P0SEL#define HAL_KEY_SW_6_DIR P0DIR#define HAL_KEY_SW_6_IEN IEN1#define HAL_KEY_SW_6_IENBIT HAL_KEY_BIT5#define HAL_KEY_SW_6_EDGE HAL_KEY_RISING_EDGE#define HAL_KEY_SW_6_EDGEBIT HAL_KEY_BIT0#define HAL_KEY_SW_6_ICTL PICTL#define HAL_KEY_SW_6_ICTLBIT HAL_KEY_BIT3#define HAL_KEY_SW_6_PXIFG P0IFG#define HAL_KEY_P0INT_LOW_USED HAL_KEY_SW_6_BIT#endif②、按键5(SW5)对应原理图的摇杆的确认按钮(中心按键),摇杆相关宏定义:#if defined (HAL_BOARD_CC2430EB)#define HAL_KEY_JOYSTICK_ENABLE#define HAL_KEY_JOY_CHN HAL_ADC_CHANNEL_6#define HAL_KEY_SW_5_ENABLE#define HAL_KEY_SW_5_PORT P0#define HAL_KEY_SW_5_BIT HAL_KEY_BIT5#define HAL_KEY_SW_5_SEL P0SEL#define HAL_KEY_SW_5_DIR P0DIR#define HAL_KEY_SW_5_INP P0INP#define HAL_KEY_SW_5_IEN IEN1#define HAL_KEY_SW_5_IENBIT HAL_KEY_BIT5#define HAL_KEY_SW_5_EDGE HAL_KEY_RISING_EDGE#define HAL_KEY_SW_5_EDGEBIT HAL_KEY_BIT2#define HAL_KEY_SW_5_ICTL PICTL#define HAL_KEY_SW_5_ICTLBIT HAL_KEY_BIT4#define HAL_KEY_SW_5_PXIFG P0IFG#define HAL_KEY_POINT_HIGH_USED HAL_KEY_SW_5_BIT#endifB)、代码分析:按键的初始化属于硬件的初始化,在Zstack中硬件驱动在HalDriverInit()集中处理。
按键的原理图按键是我们日常生活中经常接触到的一种电子元件,它在各种电子设备中都有着重要的作用。
按键的原理图是指按键在电路中的连接和工作原理的图示,通过原理图可以清晰地了解按键的内部结构和工作原理。
接下来,我们将详细介绍按键的原理图。
首先,按键的原理图主要包括按键的外部引脚连接、内部结构示意图和工作原理说明。
在外部引脚连接部分,会标明按键的引脚号码和连接方式,可以清晰地看到按键的每个引脚分别连接到哪些部件或电路中。
内部结构示意图会展示按键内部的结构和各个部件的连接方式,这有助于我们理解按键的工作原理。
工作原理说明会详细描述按键在电路中的工作过程,包括按下按键和释放按键时的状态变化,以及与其他元件的配合工作情况。
在按键的原理图中,引脚连接部分是非常重要的。
通过引脚连接图,我们可以清晰地了解按键的引脚号码和连接方式。
通常,按键会有两个或多个引脚,每个引脚都有不同的功能。
比如,有的引脚是用来连接到电源或地,有的引脚是用来连接到其他电路中。
通过原理图,我们可以清楚地知道每个引脚的作用和连接方式,这对于后续的电路设计和故障排查非常有帮助。
内部结构示意图展示了按键内部的结构和连接方式。
按键通常由按键盖、按键片和触点等部件组成,内部结构示意图会清晰地展示这些部件的连接方式和工作原理。
通过内部结构示意图,我们可以了解按键在按下和释放时内部部件的状态变化,从而更好地理解按键的工作原理。
工作原理说明是按键原理图中最重要的部分。
通过工作原理说明,我们可以清晰地了解按键在电路中的工作过程。
比如,当按键被按下时,内部触点会闭合,使得电流可以流通;当按键释放时,内部触点会断开,电流停止流通。
这些状态的变化会影响其他电路的工作,通过工作原理说明,我们可以深入理解按键在电路中的作用和影响。
总的来说,按键的原理图是非常重要的,它能够帮助我们深入理解按键的内部结构和工作原理。
通过原理图,我们可以清晰地了解按键的引脚连接、内部结构和工作原理,这对于电路设计和故障排查都非常有帮助。
实验一 LED灯及按键实验一、实验目的1、了解KEIL软件和STC下载软件的操作方法。
2、学习用KEIL软件编写程序和STC软件下载程序的操作。
3、掌握单片机I/O口的应用,并学会简单的流水灯程序的编写。
4、理解独立按键的控制原理,能用独立按键控制led的亮灭。
二、实验设备1、单片机口袋机。
2、mini USB口下载线。
三、实验内容1、通过控制单片机I/O口的状态控制led灯的亮灭。
(LD0,LD1,LD2,LD3)2、控制四个led灯循环点亮。
3、通过口袋机上的按键(K0~K3)控制四个led灯亮灭,亮灭的形式可以多样化。
四、实验原理1、口袋机上的4个LED灯为共阳极的,实现LED流水灯时,单片机的I/O口可以控制LED灯的变化,本程序用到单片机的P3.7,P4.1,P4.2和P4.3口,分别对应口袋机的LD0,LD1,LD2,LD3。
现象为LED灯从右到左依次点亮并循环。
图1 LED接口原理图图2 LED原理图下面是P3口和P4口的I/O口的工作类型设定:2、按键(轻触开关)是一种广泛应用于各种电子设备的元件,比如我们最常用的电视机面板控制按钮,遥控器按钮。
其实就是一个常开的开关,按下后两个触点接触形成通路状态,松开时形成开路状态。
相关原理图如下:图1 按键原理图图2按键接线图五、实验步骤1、建立“TEST”文件夹,用于存放实验一的所有文件2、启动Keil uVision4 先建立一个空文件夹,之后建工程的时候把工程文件放在里面,以避免和其他文件混合,例如在桌面创建了一个“TEST”的文件夹。
双击桌面上的Keil uVision4图标打开软件3、点击“Project”选项,选择新建工程。
单击Project菜单,建立一个新工程。
在弹出的下拉菜单中选中New uvision Project选项。
4、给文件命名,例如“test”,将文件保存到“TEST”文件夹内新建的工程的文件的名字比如为“test”后缀必须是.uvproj用户可根据需要随便命名,保存到刚才新建的文件夹“TEST”下5、在该窗口选择CPU为“STC MCU”在弹出来的对话框中选择STCMCU Database6、选择单片机型号:“STC15W4K32S4”在弹出的对话框中可以看到里面全部都是STC的单片机,选择“STC15W4K32S4”单片机,右边栏是对这个单片机的基本说明,然后点击“确定”之后出现下图所示,Target就是刚才新建的工程7、点击“Files”选项,选择“New”新建文本,单击保存按键,将保存的文件后缀改为“.c”文件,则默认为该文件为用C语言编写。