AutoCAD2004模拟试题及答案[1]
- 格式:doc
- 大小:37.50 KB
- 文档页数:8
AutoCAD2004模拟试题及答案一、选择题(每题2分,共20分)1. 在AutoCAD中,以下哪个命令用于绘制直线?A. LINEB. CIRCLEC. ARCD. POLYGON答案:A2. 如何在AutoCAD中创建一个圆?A. 使用LINE命令B. 使用CIRCLE命令C. 使用ARC命令D. 使用POLYGON命令答案:B3. 以下哪个命令用于绘制矩形?A. RECTANGLEB. CIRCULAR ARCC. POLYLINED. SOLID答案:A4. 如何在AutoCAD中移动一个对象?A. 使用MOVE命令B. 使用COPY命令C. 使用ROTATE命令D. 使用OFFSET命令答案:A5. 以下哪个命令用于复制对象?A. MOVEB. COPYC. ROTATED. OFFSET答案:B6. 在AutoCAD中,如何使用阵列命令?A. ARRAYB. MIRRORC. SCALED. STRETCH答案:A7. 以下哪个命令用于创建倒角?A. FILLETB. CHAMFERC. TRIMD. EXTEND答案:B8. 如何在AutoCAD中修剪对象?A. 使用TRIM命令B. 使用CHAMFER命令C. 使用FILLET命令D. 使用EXTEND命令答案:A9. 在AutoCAD中,如何使用拉伸命令?A. STRETCHB. SCALEC. OFFSETD. ROTATE答案:A10. 如何在AutoCAD中创建一个多段线?A. 使用POLYLINE命令B. 使用SPLINE命令C. 使用PLINE命令D. 使用LINE命令答案:C二、填空题(每空2分,共20分)1. 在AutoCAD中,______命令用于绘制圆弧。
答案:ARC2. 要创建一个圆形,可以使用______命令。
答案:CIRCLE3. 当需要在AutoCAD中创建一个多边形时,可以使用______命令。
答案:POLYGON4. 移动对象时,可以使用______命令,并通过指定基点和目标点来完成移动。
附加-AutoCAD2004中文版教程模拟试题
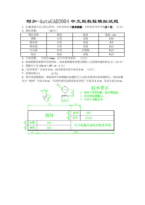
1、在D盘建立自己的文件夹,文件夹命名为姓名班级,文件命名为学号的后5位(4分)
3、字体设置:字高为3mm,汉字字体为宋体。
(2分)
4、表面粗糙度基准符号的绘制:将表面粗糙度设置为图块(注意图块属性的定义)(15分)
5、图幅尺寸为420㎜×297㎜(1分)
6、“技术要求”字高为5㎜,技术要求内容字高为3㎜(2分)
7、绘图比例1:1 (1分)
8、图中表面粗糙度、基准面符号和图幅中标题栏尺寸及技术要求内容如图所示,同时标题栏中“箱体”字高为5㎜,“苏州托普信息职业技术学院”字高为3.5㎜,其余字高为3㎜。
9、绘制下图所示图形(65分)
显示线宽后的图形如下图所示。
并将所画图形放入规定大小的图幅中,最终效果如图所示:。
二计AutoCAD 2004测试题一
1、填空题(共42分,每空3分)
(1)根据图S-1的尺寸,写出点的相对坐标。
A点:B点:C点:D点:
图S-1
(2)在横线上填写必要的参数以完成图S-2中直线BC、DE、EF的绘制。
命令: _line 指定第一点: from //使用正交偏移捕捉基点: int于//捕捉交点A
<偏移>:
指定下一点或 [放弃(U)]:
指定下一点或 [放弃(U)]: @42,0
指定下一点或 [闭合(C)/放弃(U)]:
指定下一点或 [闭合(C)/放弃(U)]:
指定下一点或 [闭合(C)/放弃(U)]: c //使线框闭合
图S-2
(3)圆A的矩形阵列如图S-5所示,试在横线上填写阵列参数。
行数:列数:
行间距:列间距:
图S-5
(4)圆A的环形阵列如图S-6所示,试在横线上填写阵列参数。
阵列角度:阵列数目:
图S-6
2、绘制下面的图形:
(1)绘制下图,保存在D盘,文件名称为图1(25分)
(2)分别绘制下面3副图,保存在D盘,文件名称分别为图2、图3、图4(33分)。
一套简单的AUTOCAD 2004 模拟试题单选题:1、应用倒角命令“chamfer”进行倒角操作时:A、不能对多段线对象进行倒角B、可以对样条曲线对象进行倒角C、不能对文字对象进行倒角D、不能对三维实体对象进行倒角2、不是环形阵列定义阵列对象数目和分布方法的是:A、项目总数和填充角度B、项目总数和项目间的角度C、项目总数和基点位置D、填充角度和项目间的角度3、移动圆对象,使其圆心移动到直线中点,需要应用:A、正交B、捕捉C、栅格D、对象捕捉4、用旋转命令“rotate”旋转对象时:A、必须指定旋转角度B、必须指定旋转基点C、必须使用参考方式D、可以在三维空间缩放对象5、用缩放命令“scale”缩放对象时:A、必须指定缩放倍数B、可以不指定缩放基点C、必须使用参考方式D、可以在三维空间缩放对象6、拉伸命令“stretch”拉伸对象时,不能:A、把圆拉伸为椭圆B、把正方形拉伸成长方形C、移动对象特殊点D、整体移动对象7、拉长命令“lengrhen”修改开放曲线的长度时有很多选项,除了:A、增量B、封闭C、百分数D、动态8、不能应用修剪命令“trim”进行修剪的对象是:A、圆弧B、圆C、直线D、文字9、AutoCAD中CAD标准文件后缀名为:A、dwgB、dxfC、dwtD、dws10、应用圆角命令“of fset”对一条多段进行圆角操作是:A、可以一次指定不同圆角半径B、如果一条弧线段隔开两条相交的直线段,将删除该段而替代指定半径的圆角C、必须分别指定每个相交处D、圆角半径可以任意指定11、多次复制“copy”对象的选项为:A、mB、dC、pD、c12、在AutoCAD中给一个对象指定颜色特性可以使用以下多种调色板,除了:A、灰度颜色B、索引颜色C、真彩色D、配色系统13、在AutoCAD中给一个对象指定颜色的方法很多,除了:A、直接指定颜色特性B、随层“ByLayer”C、随块“ByBlock”D、随机颜色14、在AutoCAD中可以指定和添加各种类型文件的搜索路径,除了以下哪种文件:A、自动保存文件B、AutoCAD主应用程序文件C、菜单文件D、样板图形文件15、在AutoCAD中保存文件的安全选项是:A、自动锁定文件B、口令和数字签名C、用户和密码D、数字化签名16、在AutoCAD中可以给图层定义的特性不包括:A、颜色B、线宽C、打印/不打印D、透明/不透明17、在AutoCAD中默认存在的命名图层过滤器不包括:A、显示所有图层B、显示所有使用图层C、显示所有打印图层D、显示所有依赖于外部参照的图层18、为维护图形文件的致性,可以创建标准文件以定义常用属性,除了:A、命名视图B、图层和线型C、文字样式D、标注样式19、应用延伸命令“extend”进行对象延伸时:A、必须在二维空间中延伸B、可以在三维空间中延伸C、可以延伸封闭线框D、可以延伸文字对象20、AutoCAD软件不能用来进行:A、文字处理B、服装设计C、电路设计D、零件设计21、Autodesk公司推出AuroCAD1.0版本的时间是:A、1977B、1982C、1988D、199722、以下软件不能完成计算机辅助设计的是:A、MDTB、WordC、AutoCADD、UG23、画笔和photoshop等很多软件都可以绘图,但和AutoCAD相比它们不能:A、打印图形B、保存图形C、精确绘图和设计D、打开图形24、AutoCAD不能处理以下哪类信息:A、矢量图形B、光栅图形C、声音信息D、文字信息25、AutoCAD软件可以进行三维设计,但不能进行:A、线框建模B、表面建模C、实体建模D、参数化建模多选题:26、用阵列命令“array”阵列对象时有以下阵列类型:A、曲线阵列B、矩形阵列C、正多边形阵列D、环形阵列27、在AutoCAD中,可以设置“实时助手”在以下情况自动显示:A、所有命令B、新命令和增强命令C、在需要时D、仅对话框28、用偏移命令“offset”偏移对象时:A、必须指定偏移距离B、可以指定偏移通过特殊点C、可以偏移开口曲线和封闭线框D、原对象的某些特征可能在偏移后消失29、用镜像命令“mirror”镜像对象时:A、必须创建镜像线B、可以镜像文字,但镜像后文字不可读C、镜像后可选择是否删除源对象D、用系统变量“mirrtext”控制文字是否可读30、用复制命令“copy”复制对象时,可以:A、按F1键B、在命令行中输入“?”然后Enter键C、在命令行中输入“Help”然后Enter键D、对话框中单击“帮助按钮”31、用复制命令“copy”复制对象时,可以:A、原地复制对象B、同时复制多个对象C、一次把对象复制到多个位置D、复制对象到其他图层32、以下哪些对象不能被删除:A、世界坐标系B、文字对象C、锁定图层上的对象D、不可打印图层上的对象33、用旋转命令“rotate”旋转对象时,基点的位置:A、根据需要任意选择B、一般取在对象特殊点上C、可以取在对象中心D、不能选在对象之外34、在AutoCAD中,可以通过以下方法激活一个命令:A、在命令行输入命令名B、单击命令对应的工具栏图标C、从下拉菜单中选择命令D、右击,从快捷菜单中选择命令35、在AutoCAD中,可以通过以下方法改变一个系统变量的值:A、在命令行输入系统变量名,然后键入新的值B、右击,从快捷单中选择系统变量,然后键入新的值C、在某些对话框中改变复选框的状态D、在下拉菜单中,选择“工具”“查询”“设置变量”进行变量设置36、在AutoCAD中,可以设置透明度的界面元素有:A、所有的对话框B、浮动命令窗口C、帮助界面D、工具选项板37、用移动命令“move”把一个对象向X轴正方向移动8个单位,向Y轴正方向移动5个单位,应该输入:A、第一点:0,0;第二点:8,5B、第一点:任意;第二点:@8,5C、第一点:(0,0);第二点:(8,5)D、第一点:0<180;第二点:8,538、用缩放命令“scale”缩放对象时:A、可以只在X轴方向上缩放B、可以通过参照长度和指定的新长度确定C、基点可以选择在对象之外D、可以缩放小数倍判断题:39、在AutoCAD中无法使用透视方式观察三维模型。
14计算机辅助设计(Auto CAD 平台)Auto CAD 2002/2004 试题解答 图 1-71输入文本“法兰盘”图 1-72填充“法兰盘”1.10 第 10 题解答绘图要点要点在于如何运用捕捉绘制图形,怎样运用旋转、捕捉、修剪等命令编辑图形以及使 用改变图层的方法调整线宽。
绘图步骤1.单击“绘图”工具栏中的“圆”按钮,在绘图区域中任意单击一点为圆心输入半 径 20,按 Enter 键,再按一次 Enter 键继续使用圆命令,输入 From ,按 Enter 键,捕捉圆 心 a ,输入相对坐标(@80,0),按 Enter 键,输入半径 30,按 Enter 键,结果如图 1-73所示。
2.单击“绘图”工具栏中的“正多边形”按钮 ,输入 8(表示绘制正八边形),按 Enter 键,捕捉大圆圆心为多边形的中心点,接着输入c (表示外切于圆),按 Enter 键, 输入 20(表示内切圆的半径为 20),按 Enter 键。
3.单击“绘图”工具栏中的“正多边形”按钮,输入 6(表示绘制正六边形),按 Enter 键,捕捉小圆圆心为多边形的中心点,接着输入i (表示内接于圆),按 Enter 键,输 入 15(表示外接圆的半径为 15),按 Enter 键,结果如图 1-74 所示。
4.单击“修改”工具栏中的“旋转”按钮,选择正六边形,按 Enter 键,输入 40 (表示旋转角度),按 Enter 键,结果如图 1-75所示。
a图 1-73绘制圆图 1-74绘制正多边形图 1-75旋转正六边形5.单击“绘图”工具栏中的“直线”按钮 ,捕捉两圆切点为直线两端点,结果如图 1-76 所示。
6.选择 “绘图”|“圆”|“切点、切点、半径” 菜单,首先捕捉大圆和小圆上的切 点,输入绘制圆的半径 50,结果如图 1-77 所示。
7.单击“修改”工具栏中的“修剪”按钮,选择半径为 30、20 的圆为修剪边,按。
16
计算机辅助设计(Auto CAD 平台)Auto CAD 2002/2004 试题解答 图 1-82 对齐单位图形
图 1-83
阵列单位图形
1.12 第 12 题解答
绘图要点
该题要点在于灵活运用阵列、镜像绘制图形,运用修剪、圆角命令编辑图形,在绘图 中还要注意使用改变图层的方法调整线宽。
绘图步骤
1.打开 C:\CADTK 中的图形文件 AScad1-12.dwg ,如图 1-84 所示。
2.单击“修改”工具栏中的“镜像”按钮
,选择图形中矩形部分,捕捉大圆的垂 直定位线两端点为镜像线两端点,按 Enter 键,结果如图 1-85 所示。
3.单击“修改”工具栏中的“阵列”按钮 ,选择“环形阵列”单选钮,单击“选择 阵列对象”按钮 ,选择图形中小圆,单击“拾取中心点”按钮 ,捕捉大圆圆心,在 “项目总数”文本框中输入 3,最后单击“确定”按钮,结果如图 1-86 所示。
图 1-84
打开图形
图 1-85
镜像矩形部分
图 1-86
绘制阵列小圆
4.单击“修改”工具栏中的“圆角”按钮
,输入 r (表示输入圆角半径),按 Enter 键,输入 30,分别选择三角形相邻两边,结果如图
1-87 所示。
5.单击“修改”工具栏中的“修剪”按钮 ,选择两矩形为修剪边,按 Enter 键,修 剪三角形低边,结果如图 1-88 所示。
6.新建图层 L1,其线宽设置为 0.30mm 。
7.选择图 1-89 中所示的部分,单击“特性”工具栏中的图层选择按钮 ,选择图层 L1,按 Enter 键,单击状态栏中的“线宽”按钮,结果如图 1-90 所示。
AutoCAD认证模拟试题(一)一、单选题1.AutoCAD是()公司开发的计算机辅助设计软件包。
A.AdobeB.MacromediaC.AutodeskD.Microsoft2.矩形的命令是()。
A.LineB.CircleC.RectangD.XLine4.能精确捕捉到圆上的四分点的命令是()。
A. 象限点B. 端点C. 交点D. 切点5.取消当前操作的快捷键是()A. EnterB. EseC. ShiftD. 以上都不正确6.下面()命令可绘制出圆形矩形。
A.倒角 B.宽度 C.标高 D.圆角12.交叉窗口选择(Crossing)所产生选择集指()。
A. 仅为窗口的内部的实体B. 仅为与窗口相交的实体(不包括窗口的内部的实体)C. 同时与窗口四边相交的实体加上窗口内部的实体D. 与窗口相交的实体加上窗口内的实体13.直线AB、CD是两条不平行的二维直线,但绘图时,它们没有相交,用()命令可使它们自动延长并相交。
A. MoveB. LayerC. FilletD. Scale14.用Rectangle命令画成的一个矩形,它包含()个图元(实体)。
A. 1个B. 2个C. 不确定D. 4个15.可以用()命令改变层的颜色属性。
A. ColorB. LayerC. SelectD.Ddmodify 16.设置绘图界限内的栅格的命令()。
A. GripB. AreaC. GridD. Snap 19.在AutoCAD系统中默认的选项板由()不选项卡组成。
A. 1个B. 2个C. 3个D. 4个二、多选题1.下列哪些是AutoCAD中命令调用的方法()。
A. 屏幕菜单B. 在命令行输入命令C. 工具栏D. 下拉菜单2.AutoCAD提供了哪几种坐标系:()。
A. 世界坐标系B. 目标坐标系C. 用户坐标系D.全球坐标系4.在绘图中能够精确定位坐标点的辅助工具有()。
A. 栅格B. 对象捕捉C. 栅格捕捉D. 以上都正确5.AutoCAD可以存储的文件类型有()。
计算机辅助设计-AutoCAD 2004 样题1单选题1:Autodesk公司推出AutoCAD 1.0版本的时间是:( 1 分)A:1977B:1982C:1988D:1997答案:B2:AutoCAD 2004在网络方面有很多改进,以下哪个不是:( 1 分)A:许可证借用B:许可证超时C:网络会议D:网络展开答案:C3:如下图所示,腰果形区域的周长是:( 1分)A:46.345B:47.629C:48.371D:49.361答案:C4:有关属性论述正确的是:( 1 分)A:块中必须定义属性B:一个块只能定义一个属性C:多个块可以公用一个属性D:一个块可以定义多个属性答案:D5:三维镜像命令“mirror3d”和二维镜像命令“mirror”最主要的不同在于:( 1 分)A:三维镜像对象必须是三维模型B:二维镜像只能镜像二维对象C:三维镜像中的镜面为平面D:三维镜像不能镜像文字对象答案:C6:通过编辑修改,下列哪种类型对象无法转换为多段线对象:( 1 分)A:直线B:圆弧C:多线D:样条曲线答案:D7:单击并拖动三维动态观察器视图启动连续运动,连续观察中三维模型的旋转速度取决于:( 1 分)A:鼠标拖动距离B:鼠标拖动速度C:单击的位置D:设定旋转速度数值答案:B8:下列哪个项目不能用块属性管理器进行修改:( 1 分)A:属性的可见性B:属性文字如何显示C:属性所在的图层和属性行的颜色、宽度及类型D:属性的个数答案:D9:如下图所示,正三角形内填充区域的面积是:( 1分)A:64.502B:64.505C:63.950D:64.202答案:A10:窗口和窗交选择是两种常用选择方式,以下论述正确的是:( 1 分)A:为了激活窗口选择,在命令行提示“选择对象”时,输入cB:为了激活窗交选择,在命令行提示“选择对象”时,输入wC:从左到右指定角点创建窗交选择。
D:从右到左指定角点创建窗交选择。
答案:D11:CAGD的含义是:( 2 分)A:一种软件名称B:一种计算机牌号C:计算机辅助几何设计D:计算机辅助教学答案:C12:在审阅草图时不需要精确的比例:( 2 分)A:随意指定打印比例B:用1:1打印C:使用“按图纸空间缩放”选项打印D:系统自定义打印比例答案:C13:如下图所示,与圆和角两边相外切的圆的半径是:( 2 分)A:3.704B:3.642C:3.631D:3.512答案:C14:出于节约纸张、文件安全性和便于传递等因素的考虑,应广泛使用的打印类型是:( 2 分) A:电子打印B:网络打印C:后台打印D:打印到文件答案:A15:应用分解命令“explode”分解一个面域,可能生成以下类型对象,除了:( 2 分)A:直线B:圆弧C:样条曲线D:多段线答案:D16:AutoCAD软件不能用来进行:( 2 分)A:文字处理B:服装设计C:电路设计D:零件设计答案:A17:样条曲线命令“spline”创建的样条曲线对象通常用于以下领域,除了:( 2 分) A:汽车外形设计B:流线型船身设计C:渐开线齿轮齿形设计D:地理信息系统 (GIS)答案:C18:如下图所示,填充区域的面积是:( 2 分)A:281.908B:280.988C:286.868D:280.128答案:A19:AutoLISP基于简单易学而又功能强大的LISP编程语言,它是一种:( 2 分)A:自然语言B:需要编译的计算机语言C:表处理语言D:面向对象的编程语言答案:C20:Visual LISP提供了一个开发环境,以下关于Visual LISP论述不正确的是:( 2 分) A:允许AutoLISP通过对象反应器对事件进行响应B:可以把lisp源程序编译成执行程序C:可以在命令提示下输入代码后可立即看到结果D:Visual LISP是一个单独的开发环境答案:D21:为维护图形文件的一致性,可以创建标准文件以定义常用属性,除了:( 2 分) A:命名视图B:图层和线型C:文字样式D:标注样式答案:A22:不能应用修剪命令“trim”进行修剪的对象是:( 2 分)A:圆弧B:圆C:直线D:文字答案:D23:圆命令“circle”的系统默命令别名是:( 2 分)A:cirB:cC:yuanD:ci答案:C24:CAD软件对计算机的硬件要求很高,特别是:( 2 分)A:CPUB:内存C:显卡和显示器D:硬盘答案:C25:在AutoCAD中默认存在的命名图层过滤器不包括:( 2 分)A:显示所有图层B:显示所有使用图层C:显示所有打印图层D:显示所有依赖于外部参照的图层答案:C26:在AutoCAD中给一个对象指定颜色特性可以使用以下多种调色板,除了:( 2 分) A:灰度颜色B:索引颜色C:真彩色答案:A27:如下图所示,缩放对象到A和B点间距为4.5678时,A和C点间距是:( 2 分)A:2.8230B:2.8231C:2.8232D:2.8233答案:B28:数字化仪是绝对定点设备,每个点均与图形中的指定位置具有一对一的对应关系,关于数字化仪论述不正确地是( 2 分)A:使用前需要校准B:要配置驱动程序C:需要测试和初始化D:可打印光栅图形答案:D29:如下图所示,AB线段的长度是:( 2 分)A:18.698B:18.877D:19.129答案:C30:定义属性时选中哪种模式会使属性不能显示和打印,但其属性信息存储在图形文件中,并且可以写入提取文件供数据库程序使用:( 2 分)A:不可见B:固定C:验证D:预置答案:A多选题31:在AutoCAD中应用面域/质量特性命令“massprop”针对实体进行体积查询可得到的信息包括:( 1 分)A:质量B:形心C:惯性距D:惯性积答案:ABCD32:可以查看Web图形格式(dwf)文件的软件包括:( 1 分)A:AutoCADB:Microsoft Internet ExplorerC:Autodesk Express ViewerD:Volo View答案:BCD33:AutoCAD连接功能支持的外部应用程序包括:( 1 分)A:AccessB:ExcelC:OracleD:SQL Server答案:ABCD34:Autodesk公司开发的CAD软件有:( 1 分)A:SolidedgeC:MDTD:AutoCAD答案:BCD35:“鸟瞰视图”功能可以实现:( 1 分)A:查询数据B:命名视图C:视图缩放D:视图平移答案:CD36:使用“revolve”命令创建旋转实体时,定义旋转轴的方法包括:( 2 分) A:X轴或Y轴B:直线C:多段线D:两个指定的点。
AutoCAD2004模拟试题及答案单选题:1、应用倒角命令“chamfer”进行倒角操作时:A、不能对多段线对象进行倒角B、可以对样条曲线对象进行倒角C、不能对文字对象进行倒角D、不能对三维实体对象进行倒角2、不是环形阵列定义阵列对象数目和分布方法的是:A、项目总数和填充角度B、项目总数和项目间的角度C、项目总数和基点位置D、填充角度和项目间的角度3、移动圆对象,使其圆心移动到直线中点,需要应用:A、正交B、捕捉C、栅格D、对象捕捉4、用旋转命令“rotate”旋转对象时:A、必须指定旋转角度B、必须指定旋转基点C、必须使用参考方式D、可以在三维空间缩放对象5、用缩放命令“scale”缩放对象时:A、必须指定缩放倍数B、可以不指定缩放基点C、必须使用参考方式D、可以在三维空间缩放对象6、拉伸命令“stretch”拉伸对象时,不能:A、把圆拉伸为椭圆B、把正方形拉伸成长方形C、移动对象特殊点D、整体移动对象7、拉长命令“lengrhen”修改开放曲线的长度时有很多选项,除了:A、增量B、封闭C、百分数D、动态8、不能应用修剪命令“trim”进行修剪的对象是:A、圆弧B、圆C、直线D、文字9、AutoCAD中CAD标准文件后缀名为:A、dwgB、dxfC、dwtD、dws10、应用圆角命令“of fset”对一条多段进行圆角操作是:A、可以一次指定不同圆角半径B、如果一条弧线段隔开两条相交的直线段,将删除该段而替代指定半径的圆角C、必须分别指定每个相交处D、圆角半径可以任意指定11、多次复制“copy”对象的选项为:A、mB、dC、pD、c12、在AutoCAD中给一个对象指定颜色特性可以使用以下多种调色板,除了:A、灰度颜色B、索引颜色C、真彩色D、配色系统13、在AutoCAD中给一个对象指定颜色的方法很多,除了:A、直接指定颜色特性B、随层“ByLayer”C、随块“ByBlock”D、随机颜色14、在AutoCAD中可以指定和添加各种类型文件的搜索路径,除了以下哪种文件:A、自动保存文件B、AutoCAD主应用程序文件C、菜单文件D、样板图形文件15、在AutoCAD中保存文件的安全选项是:A、自动锁定文件B、口令和数字签名C、用户和密码D、数字化签名16、在AutoCAD中可以给图层定义的特性不包括:A、颜色B、线宽C、打印/不打印D、透明/不透明17、在AutoCAD中默认存在的命名图层过滤器不包括:A、显示所有图层B、显示所有使用图层C、显示所有打印图层D、显示所有依赖于外部参照的图层18、为维护图形文件的致性,可以创建标准文件以定义常用属性,除了:A、命名视图B、图层和线型C、文字样式D、标注样式19、应用延伸命令“extend”进行对象延伸时:A、必须在二维空间中延伸B、可以在三维空间中延伸C、可以延伸封闭线框D、可以延伸文字对象20、AutoCAD软件不能用来进行:A、文字处理B、服装设计C、电路设计D、零件设计21、Autodesk公司推出AuroCAD1.0版本的时间是:A、1977B、1982C、1988D、199722、以下软件不能完成计算机辅助设计的是:A、MDTB、WordC、AutoCADD、UG23、画笔和photoshop等很多软件都可以绘图,但和AutoCAD相比它们不能:A、打印图形B、保存图形C、精确绘图和设计D、打开图形24、AutoCAD不能处理以下哪类信息:A、矢量图形B、光栅图形C、声音信息D、文字信息25、AutoCAD软件可以进行三维设计,但不能进行:A、线框建模B、表面建模C、实体建模D、参数化建模多选题:26、用阵列命令“array”阵列对象时有以下阵列类型:A、曲线阵列B、矩形阵列C、正多边形阵列D、环形阵列27、在AutoCAD中,可以设置“实时助手”在以下情况自动显示:A、所有命令B、新命令和增强命令C、在需要时D、仅对话框28、用偏移命令“offset”偏移对象时:A、必须指定偏移距离B、可以指定偏移通过特殊点C、可以偏移开口曲线和封闭线框D、原对象的某些特征可能在偏移后消失29、用镜像命令“mirror”镜像对象时:A、必须创建镜像线B、可以镜像文字,但镜像后文字不可读C、镜像后可选择是否删除源对象D、用系统变量“mirrtext”控制文字是否可读30、用复制命令“copy”复制对象时,可以:A、按F1键B、在命令行中输入“?”然后Enter键C、在命令行中输入“Help”然后Enter键D、对话框中单击“帮助按钮”31、用复制命令“copy”复制对象时,可以:A、原地复制对象B、同时复制多个对象C、一次把对象复制到多个位置D、复制对象到其他图层32、以下哪些对象不能被删除:A、世界坐标系B、文字对象C、锁定图层上的对象D、不可打印图层上的对象33、用旋转命令“rotate”旋转对象时,基点的位置:A、根据需要任意选择B、一般取在对象特殊点上C、可以取在对象中心D、不能选在对象之外34、在AutoCAD中,可以通过以下方法激活一个命令:A、在命令行输入命令名B、单击命令对应的工具栏图标C、从下拉菜单中选择命令D、右击,从快捷菜单中选择命令35、在AutoCAD中,可以通过以下方法改变一个系统变量的值:A、在命令行输入系统变量名,然后键入新的值B、右击,从快捷单中选择系统变量,然后键入新的值C、在某些对话框中改变复选框的状态D、在下拉菜单中,选择“工具”“查询”“设置变量”进行变量设置36、在AutoCAD中,可以设置透明度的界面元素有:A、所有的对话框B、浮动命令窗口C、帮助界面D、工具选项板37、用移动命令“move”把一个对象向X轴正方向移动8个单位,向Y轴正方向移动5个单位,应该输入:A、第一点:0,0;第二点:8,5B、第一点:任意;第二点:@8,5C、第一点:(0,0);第二点:(8,5)D、第一点:0<180;第二点:8,538、用缩放命令“scale”缩放对象时:A、可以只在X轴方向上缩放B、可以通过参照长度和指定的新长度确定C、基点可以选择在对象之外D、可以缩放小数倍判断题:39、在AutoCAD中无法使用透视方式观察三维模型。
第1单元图形的绘制与编辑1.1 第1题解答绘图要点掌握正多边形命令,使用正多边形命令绘制正三角形,通过捕捉中点绘制另外两个三角形,通过复制、阵列、修剪命令快速绘图。
绘图步骤1.单击“绘图”工具栏中的“正多边形”按钮,输入3(表示绘制正三角形),单击任意一点作为正多边形的中心点。
输入I(使用外接圆方式),设置外接圆的半径为50。
2.在已绘制的正三角形内绘制一个顶点为正三角形三边中点的三角形。
单击“绘图”工具栏中的“多段线”按钮,分别捕捉正三角形三边中点,结果如图1-1所示。
3.用步骤2中的方法绘制第三个三角形,其顶点为第二个三角形的三边中点,结果如图1-2所示。
4.绘制大三角形的三条中线,单击“绘图”工具栏中的“直线”按钮,捕捉大三角形的顶点为端点,捕捉对边中点为终点,用同样的方法绘制另外两条中线。
5.单击“修改”工具栏中的“复制”按钮,选择已绘制的图形,设置大三角形任意一角点为基点,设置位移的第二点为对边中点,结果如图1-3所示。
图1-1 绘制第二个三角形图1-2 绘制第三个三角形图1-3 复制图形6.单击“修改”工具栏中的“阵列”按钮,弹出“阵列”对话框,选择“环形阵列”单选钮,单击“选择阵列对象”按钮,选择步骤5中复制的图形。
单击“拾取中心点”按钮,捕捉大三角形三条中线的交点为中心点。
在“项目总数”文本框中输入3,最后单击“确定”按钮,结果如图1-4所示。
7.单击“绘图”工具栏中的“圆”按钮,捕捉中间大三角形中线交点为圆心,捕捉点a为半径,结果如图1-5所示。
8.单击“修改”工具栏中的“修剪”按钮,选择圆作为修剪边,按Enter键,参考2 计算机辅助设计(Auto CAD平台)Auto CAD 2002/2004试题解答图1-6所示修剪图形,并删除多余的中线。
a图1-4 阵列图形图1-5 绘制圆图1-6 修剪图形删除中线1.2 第2题解答绘图要点使用正多边形以及偏移命令绘制基础图形,利用复制、修剪和图案填充命令编辑图形,在绘图中还要掌握使用改变图层的方法调整图形线宽。
AutoCAD2004习题1.AvutoCAD公司推出的AUTOCAD最新版本是()。
A.AUTOCAD 2003B.AUTOCAD 2004C.AUTOCAD R14D.AUTOCAD R162.安下面()快捷键可以快速打开AUTOCAD 2004的帮相文档。
A.F1B.F2C.F3D.F43.用()命令可以快速地画出如图所示的图形。
A.复制B.阵列C.镜像D.偏移4.模板文件的扩展名为()。
A.dwgB.dwsC.dwtD.dxf5.可以为模型空间中创建的模型设置()布局。
A.一个B.二个C.三个D.无线多个6.为使打印机的淡显功能有效,必须开启()功能。
A.颜色B.抖动C.灰度D.填充7.在布局中工作时的比例因子是指()单位除以()单位得到的比例。
A.没想空间B.不惧空间C.图纸空间D.打印空间8.在【新建标注样式】对话框中设置标注样式时,可以在()选项卡设置文字和尺寸线的相对位置。
A.【直线和箭头】B.【文字】C.【调整】D. 【主单位】9.以下()操作可以执行绘制椭圆的命令。
A.在命令行输入“椭圆”B.在命令行输入“ellipse”C.选择【工具】菜单栏中的【椭圆】选项D.选择【绘制】菜单栏中的【椭圆】选项10.下面()操作不能执行“插入快”的命令。
A.在命令行输入“insert”B.命令行输入“block”C.单击【绘图】工具栏中的选项D.单击【绘制】菜单栏中的【块】选项11.执行mline命令时可以选择进行设置的参数有()。
A.样式B.对正C.比例D.线宽12.建筑剖面图的一般绘制步骤时先(),然后(),最后进行()和()。
A.楼梯和门窗的剖面B.尺寸标注C.墙体和柱体的剖面D.图案填充13.绘制楼梯台阶需要大量使用()命令。
A.修剪B.偏移C.阵列D.复制14.进行图案填充时控制填充线密集程度的设置定值时()。
A.类型B.比例C.图案D.角度15.在【实体】工具栏上不能直接创建()形体。
1、请退出AutoCAD2004(图形窗口中文件已做过保存)答案:下拉菜单:文件/退出;或在命令行输入“quit”,回车或空格;或单击窗口右上角“关闭”按钮。
2、请利用“打印”对话框将打印设备设置为 HP LaserJet 5000 Series PCL6,并进行打印(其余参数为默认设置)答案:1.下拉菜单:文件/打印;或在命令行输入plot或print,回车或空格;或单击标准工具栏“打印”图标; 2.单击选中“打印设备”选项卡;3.单击“名称”下拉列表;选择HP LaserJet 5000 Series PCL6;单击“确定”或回车。
3、请利用鼠标右键打开“缩放”工具栏答案:在各工具栏任意处单击鼠标右键,点击“缩放”选中。
4、为使绘图窗口扩大,请将命令窗口移至绘图窗口的下边界附近。
答案:将鼠标指针指在命令窗口左端的双条上,然后按住左键,将命令窗口移至绘图窗口内,放在下边界附近。
5、请显示矩形的线宽答案:方法一:1.下拉菜单:格式/线宽;或在命令行输入“lweight”回车或空格;2.单击勾选“显示线宽”;单击“确定”。
方法二:单击状态栏中的“线宽”。
方法三:1.在命令行输入“lwdisplay”回车或空格;2.在命令行输入“1”,回车或空格;或在命令行输入“on”回车或空格。
6、请调出“创建新图形”对话框,并使用默认设置创建新图形Drawing2.dwg 答案:方法一:1.在命令行输入“startup”回车或空格;2.在命令行输入“1”,回车或空格;3.下拉菜单:文件/新建;或标准工具栏中“新建”快捷图标;或在命令行输入“new”或“qnew”回车或空格;4.单击“确定”或回车。
方法二:1.下拉菜单:工具/选项;2.在“基本选项”区域“启动”下拉列表中,选择“显示启动对话框”;3.单击“确定”或回车;4.文件/新建;或标准工具栏中“新建”快捷图标;或在命令行输入“new”或“qnew”回车或空格;5.单击“确定”或回车。
AutoCAD2004习题1、按下面()快捷键可以快速打开AUTOCAD 2002的帮相文档。
A、F1B、F2C、F3D、F42、AUTOCAD图形文件的扩展名为()。
A、dwgB、dwsC、dwtD、dxf3、AUTOCAD模板文件的扩展名为()。
A、dwgB、dwsC、dwtD、dxf5.编辑文字时,()添加角度符号。
A、输入%%cB、输入%%pC、输入%%dD、输入%%o6.绘制圆时确定圆的方式有()。
A、两点B、三点C、相切,相切和半径D、两点和半径7.插入图块时,可以对图块进行()设置。
A、缩放B、拉伸C、旋转D、分解8.以下()命令可以用于修剪多余的线段。
A、倒角B、分解C、修剪D、虚线9.AUTOCAD主窗口默认显示最常用的工具栏有()A、“标准”工具栏B、“对象特性”工具栏C、“绘图”工具栏D、“修改”工具栏10.AUTOCAD绘图窗口与文字窗口切换的快捷键是()A、F1B、F2C、F3D、F411.在AUTOCAD中,若菜单中某一命令有…,则表明该命令()A、以开始执行B、有下级菜单C、有对话框D、出于设定状态12.以知直线的起点为(2,2),要画到终点(4,2),在to point:的提示下,正确地输入有()。
A、2,0B、4,2C、@2<0D、@4<213.AUTOCAD设置栅格的命令为GRID,其快捷键为()。
A、F7B、F9C、CRTL+GD、CRTL+B14.设置图形界线的命令为()。
A、ZOOMB、DDRMODESC、DDUNITSD、LIMITS15.下列命令在绘图过程中可以使用C(CLOSE)子命令来闭和图形的有()A、lineB、circleC、mlineD、arc16.AUTOCAD中清理不用的和未被其他对象参照的命名对象的命令是()。
A、DELETEB、ERASEC、PURGED、UNDO17.编辑多线的命令是()。
A、PEDITB、MIEDITC、SPLINEDITD、EDIT18.关于捕捉(SNAP)和栅格(GRID)命令,下列说法正确的是()。
cad2004考试题及答案一、选择题(每题2分,共20分)1. CAD软件中,用于创建直线的命令是:A. LineB. CircleC. ArcD. Rectangle答案:A2. 在CAD中,哪个工具可以用于测量两点之间的距离?A. DistanceB. MeasureC. LengthenD. Stretch答案:A3. 如何在CAD中创建一个圆?A. 使用Circle命令B. 使用Ellipse命令C. 使用Arc命令D. 使用Rectangle命令答案:A4. 在CAD中,哪个命令用于创建矩形?A. RectangleB. BoxC. PolygonD. Square答案:A5. 如何在CAD中复制一个对象?A. 使用Copy命令B. 使用Move命令C. 使用Rotate命令D. 使用Scale命令答案:A6. 在CAD中,哪个命令可以用于创建多段线?A. PolylineB. SplineC. LineD. Arc答案:A7. 如何在CAD中创建一个文本对象?A. 使用Text命令B. 使用Mtext命令C. 使用Dtext命令D. 使用Ttext命令答案:A8. 在CAD中,哪个工具可以用于绘制圆弧?A. ArcB. CircleC. EllipseD. Line答案:A9. CAD软件中,哪个命令用于创建椭圆?A. EllipseB. CircleC. ArcD. Rectangle答案:A10. 如何在CAD中创建一个多边形?A. 使用Polygon命令B. 使用Polyline命令C. 使用Line命令D. 使用Rectangle命令答案:A二、填空题(每题2分,共20分)1. 在CAD中,使用______命令可以创建一个点。
答案:Point2. 要修改CAD中对象的属性,可以使用______命令。
答案:Properties3. CAD中,使用______命令可以创建一个圆环。
AutoCAD 考试样题一、选择题(单选)1 . 在坐标( 5 ,2 )中, -2 代表哪个轴的坐标 ?D( A) X轴( B) Y轴( C) Z轴( D)任意轴2.“工作空间”可以帮助用户实现如下何种功能?D( A)简化常规任务( B)使用绘图任务和工作流程的最佳方式( C)自定义绘图环境( D)以上均可3. 下面关于文字显示的说法,错误的是?D( A)控制文字的显示方式的系统变量是QTEXTMODE,类型是整数。
( B)QTEXTMODE的值为0,表示关闭“快速文字”模式;显示字符。
( C)QTEXTMODE的值为1,表示打开“快速文字”模式;显示文本外框代替文字。
( D)QTEXTMODE的初始值是1。
4. 创建标注时,标注采用的设置是在什么样式中设置的?B( A)当前标注样式( B)ISO-25( C)按SHIFT键并使用窗口选择( D)都不对5. Point点命令不可以?C( A)绘制单点或多点( B)定距等分直线、圆弧或曲线( C)等分角( D)定数等分直线、圆弧或曲线6. 在AutoCAD中调用命令,以下方法不正确的是?A( A)打开NEW对话框来调用命令( B)通过下拉菜单调用命令( C)通过工具栏来调用命令( D)在命令行键入命令7. 多文档的设计环境允许?A( A)同时打开多个文档,但只能在一个文档上工作( B)同时打开多个文档,在多个文档上同时工作( C)只能打开一个文档,但可以在多个文档上同时工作( D)不能在多文档之间复制、粘贴8. CAD的英文全称是什么?B( A)Computer Aided Drawing( B) Computer Aided Design( C) Computer Aided Graphics( D) Computer Aided Plan9. AutoCAD软件使用的矢量字体文件格式为?( A)*.SHP( B)*.SCR( C)*.SHX( D)*.LIN10. 用文本命令书写一段英文字符,要检查其拼写错误,可以?D( A)CHANGE( B)MTEXT( C)QTEXT( D)SPELL12. 切换“清除屏幕”操作对应的默认快捷键是?( A) CTRL+9( B) CTRL+2( C) CTRL+0( D) CTRL+813. 如果误删除了某个图形对象,接着又进行了其他一些绘图工作,现在想恢复图形,怎样做?C( A)点击放弃(Undo)( B)Ctrl+Z( C)通过输入命令Oops( D)通过输入命令U14. AutoCAD软件的基本图形格式为?D( A)*.MAP( B)*.LIN( C)*.LSP( D)*.DWG15. 绘制一四个角为R3圆角的矩形,首先要?D( A)给定第一角点( B)选择“圆角(F)”选项,设定圆角为3( C)选择“倒角(C)”选项,设定为3( D)绘制R3圆角16. 若尺寸的公差是32±0.021,则应该“公差”页面中,显示公差怎样设置?B( A)极限偏差( B)对称( C)极限尺寸( D)基本尺寸17. 半径100,包角135°的圆弧,其弦长为?D( A)234.83( B)100( C)135( D)184.7818. 下面哪一个工具栏中有层列表?D( A)绘图( B)修改 II( C)标准( D)图层19.知一条倾斜直线,要绘制一条过直线端点并与该直线夹角31°的直线,如何进行?C ( A)使用构造线中的“角度”选项,给定构造线角度为31°( B)使用极坐标,极角设为31°( C)使用构造线中的“角度”选项,选择“参照”选项后给定构造线角度为31°( D)在“草图设置”?“极轴追踪”中设置“增量角”为31°20.图形中 Ø30 圆进行 5 次缩放,每次缩放比例因子为 1.1 ,圆心坐标为( 0 , 0 ),最大圆与 60 °斜线角点坐标是?D(A) 0 , 0(B) 15.83 , 27.41(C) 13.86 , 24.00(D) 12.05 , 20.8821.INE命令与PLINE命令分别作一条直线,那么夹点的数目分别为:(C )A、2,2B、2,3C、3,2D、3,322.示离现在10单位远,成50度角的点有(B )A 、@10<50 B、@10<50C、10,50D、50<1023.设置AUTOCAD图形边界(C )A、GRIDB、SNAP和GRIDC、LIMITSD、OPTIONS24.字最长为(A )个字符A、255B、254C、10D、用户任意25.于“Revolve”命令的叙述正确的是:(C )A、截面轮廓线可以是一个或多个不闭合的对象。
美国AUTODESK AutoCAD 2004认证试卷一、填空题1、AUTOCAD是美国的Autodesk 公司推出的计算机辅助设计软件。
主要应用机械和建筑领域。
目前应用最广的版本是Autocad2004。
2、调整全局线型比例的命令是LTSCALE 。
3、对图元执行拉伸操作时,必须使用窗交法法选取图元,若完全选择图元则移动。
4、Auto CAD中有许多常用功能键,F3、F8、F11的功能分别为对象捕捉、正交、对象追踪。
5、面域之间的求算方法主要有三种,它们是交集差集并集。
6、我国机械制图时文本标注要求引用宋体,字体的宽度比例是0.8。
7、布尔运算可用于面域、实体目标的操作。
8、在绘制轴测图时,不同的轴测面可用Ctrl+E 、F5 键切换。
9、渲染时设置光源的种类有点光源、平行光或聚光灯。
10、在绘制圆环命令时,决定所绘圆环是否填充的参数是fill 。
11、多图形间切换的快捷键是ctrl+tab 、ctrl+F6。
12、在作图中主要有以下四种坐标系,它们是绝对直角坐标系、相对直角坐标系、绝对极坐标、相对极坐标系,点坐标15<60中的15表示该点相对于坐标原点的距离为15 ,60表示该点与原点的连线与x的水平夹角为60度。
13、AUTOCAD的四种安装类型是典型精简自定义完全。
14、三维模型分为三种类型,分别是线框模型、表面模型、实体模型。
15、用PLAN命令把视图设为平面视图时,是有世界从标系六个正交视图的俯视图。
二、单项选择题1、删除一个物体或多个物体命令有(C )。
A、undo C、eraseB、redo D、revsurf得分评分人2、( B )命令用于刷新显示全部打开的视窗中的图形,( C )命令用于刷新当前视窗中的图形,( A )命令用于重生成当前视窗中的图形并刷新当前视窗。
A、RegenB、RedrawallC、RedrawD、Regenall3、用“Mirror”镜像文本时,系统变量Mirrtext采用默认值时,文本将(D )。
第 1 单元图形的绘制与编辑97.单击“修改”工具栏中的“修剪”按钮 ,选择两直线为修剪边,然后按 Enter 键, 修剪直径为 50 的圆中多余的圆弧,结果如图 1-41所示。
8.单击“绘图”工具栏中的“圆”按钮 ,绘制以同心圆的圆心为圆心,半径分别捕 捉 a 、b 点的两圆,结果如图 1-42 所示。
ab图 1-40镜像复制圆图 1-41修剪圆图 1-42绘制圆9.单击“修改”工具栏中的“修剪”按钮 修剪步骤 8 所绘制的圆,结果如图 1-43 所示。
10.单击“修改”工具栏中的“删除”按钮,选择圆弧为修剪边,然后按 Enter 键,,删除两条有角度的直线、两条相互垂 直和直径为 180 的圆,结果如图 1-44 所示。
11.选择需要调整线宽的图形,单击“特性”工具栏中的“线宽控制”下拉选择按钮 , 选择 0.30mm ,按 Esc 键,单击状态栏中的“线宽”按钮,结果如图 1-45 所示。
图 1-43修剪圆图 1-44删除图形图 1-45显示线宽1.7 第 7 题解答绘图要点在绘制该图时首先要掌握设置点的样式,使用定数分的方法等分直线,其次要灵活运 用修剪、阵列、图案填充等命令编辑图形。
绘图步骤1.单击“绘图”工具栏中的“多边形”按钮,输入 4(表示绘制正四边形),按 Enter 键,在绘图区域任意单击一点作为正多边形的中心点,输入 c (表示外切于圆),设 置圆的半径为 50。
2.单击“修改”工具栏中的“分解”按钮,选择正方形,按 Enter 键。
3.选择 “格式”|“点样式” 菜单,弹出点样式对话框,其设置参考图 1-46 所示。
AutoCAD2004模拟试题及答案单选题:
1、应用倒角命令“chamfer”进行倒角操作时:
A、不能对多段线对象进行倒角
B、可以对样条曲线对象进行倒角
C、不能对文字对象进行倒角
D、不能对三维实体对象进行倒角
2、不是环形阵列定义阵列对象数目和分布方法的是:
A、项目总数和填充角度
B、项目总数和项目间的角度
C、项目总数和基点位置
D、填充角度和项目间的角度
3、移动圆对象,使其圆心移动到直线中点,需要应用:
A、正交
B、捕捉
C、栅格
D、对象捕捉
4、用旋转命令“rotate”旋转对象时:
A、必须指定旋转角度
B、必须指定旋转基点
C、必须使用参考方式
D、可以在三维空间缩放对象
5、用缩放命令“scale”缩放对象时:
A、必须指定缩放倍数
B、可以不指定缩放基点
C、必须使用参考方式
D、可以在三维空间缩放对象
6、拉伸命令“stretch”拉伸对象时,不能:
A、把圆拉伸为椭圆
B、把正方形拉伸成长方形
C、移动对象特殊点
D、整体移动对象
7、拉长命令“lengrhen”修改开放曲线的长度时有很多选项,除了:
A、增量
B、封闭
C、百分数
D、动态
8、不能应用修剪命令“trim”进行修剪的对象是:
A、圆弧
B、圆
C、直线
D、文字
9、AutoCAD中CAD标准文件后缀名为:
A、dwg
B、dxf
C、dwt
D、dws
10、应用圆角命令“of fset”对一条多段进行圆角操作是:
A、可以一次指定不同圆角半径
B、如果一条弧线段隔开两条相交的直线段,将删除该段而替代指定半径的圆角
C、必须分别指定每个相交处
D、圆角半径可以任意指定
11、多次复制“copy”对象的选项为:
A、m
B、d
C、p
D、c
12、在AutoCAD中给一个对象指定颜色特性可以使用以下多种调色板,除了:
A、灰度颜色
B、索引颜色
C、真彩色
D、配色系统
13、在AutoCAD中给一个对象指定颜色的方法很多,除了:
A、直接指定颜色特性
B、随层“ByLayer”
C、随块“ByBlock”
D、随机颜色
14、在AutoCAD中可以指定和添加各种类型文件的搜索路径,除了以下哪种文件:
A、自动保存文件
B、AutoCAD主应用程序文件
C、菜单文件
D、样板图形文件
15、在AutoCAD中保存文件的安全选项是:
A、自动锁定文件
B、口令和数字签名
C、用户和密码
D、数字化签名
16、在AutoCAD中可以给图层定义的特性不包括:
A、颜色
B、线宽
C、打印/不打印
D、透明/不透明
17、在AutoCAD中默认存在的命名图层过滤器不包括:
A、显示所有图层
B、显示所有使用图层
C、显示所有打印图层
D、显示所有依赖于外部参照的图层
18、为维护图形文件的致性,可以创建标准文件以定义常用属性,除了:
A、命名视图
B、图层和线型
C、文字样式
D、标注样式
19、应用延伸命令“extend”进行对象延伸时:
A、必须在二维空间中延伸
B、可以在三维空间中延伸
C、可以延伸封闭线框
D、可以延伸文字对象
20、AutoCAD软件不能用来进行:
A、文字处理
B、服装设计
C、电路设计
D、零件设计
21、Autodesk公司推出AuroCAD1.0版本的时间是:
A、1977
B、1982
C、1988
D、1997
22、以下软件不能完成计算机辅助设计的是:
A、MDT
B、Word
C、AutoCAD
D、UG
23、画笔和photoshop等很多软件都可以绘图,但和AutoCAD相比它们不能:
A、打印图形
B、保存图形
C、精确绘图和设计
D、打开图形
24、AutoCAD不能处理以下哪类信息:
A、矢量图形
B、光栅图形
C、声音信息
D、文字信息
25、AutoCAD软件可以进行三维设计,但不能进行:
A、线框建模
B、表面建模
C、实体建模
D、参数化建模
多选题:
26、用阵列命令“array”阵列对象时有以下阵列类型:
A、曲线阵列
B、矩形阵列
C、正多边形阵列
D、环形阵列
27、在AutoCAD中,可以设置“实时助手”在以下情况自动显示:
A、所有命令
B、新命令和增强命令
C、在需要时
D、仅对话框
28、用偏移命令“offset”偏移对象时:
A、必须指定偏移距离
B、可以指定偏移通过特殊点
C、可以偏移开口曲线和封闭线框
D、原对象的某些特征可能在偏移后消失
29、用镜像命令“mirror”镜像对象时:
A、必须创建镜像线
B、可以镜像文字,但镜像后文字不可读
C、镜像后可选择是否删除源对象
D、用系统变量“mirrtext”控制文字是否可读
30、用复制命令“copy”复制对象时,可以:
A、按F1键
B、在命令行中输入“?”然后Enter键
C、在命令行中输入“Help”然后Enter键
D、对话框中单击“帮助按钮”
31、用复制命令“copy”复制对象时,可以:
A、原地复制对象
B、同时复制多个对象
C、一次把对象复制到多个位置
D、复制对象到其他图层
32、以下哪些对象不能被删除:
A、世界坐标系
B、文字对象
C、锁定图层上的对象
D、不可打印图层上的对象
33、用旋转命令“rotate”旋转对象时,基点的位置:
A、根据需要任意选择
B、一般取在对象特殊点上
C、可以取在对象中心
D、不能选在对象之外
34、在AutoCAD中,可以通过以下方法激活一个命令:
A、在命令行输入命令名
B、单击命令对应的工具栏图标
C、从下拉菜单中选择命令
D、右击,从快捷菜单中选择命令
35、在AutoCAD中,可以通过以下方法改变一个系统变量的值:
A、在命令行输入系统变量名,然后键入新的值
B、右击,从快捷单中选择系统变量,然后键入新的值
C、在某些对话框中改变复选框的状态
D、在下拉菜单中,选择“工具”“查询”“设置变量”进行变量设置
36、在AutoCAD中,可以设置透明度的界面元素有:
A、所有的对话框
B、浮动命令窗口
C、帮助界面
D、工具选项板
37、用移动命令“move”把一个对象向X轴正方向移动8个单位,向Y轴正方向移动5个单位,应该输入:
A、第一点:0,0;第二点:8,5
B、第一点:任意;第二点:@8,5
C、第一点:(0,0);第二点:(8,5)
D、第一点:0<180;第二点:8,5
38、用缩放命令“scale”缩放对象时:
A、可以只在X轴方向上缩放
B、可以通过参照长度和指定的新长度确定
C、基点可以选择在对象之外
D、可以缩放小数倍
判断题:
39、在AutoCAD中无法使用透视方式观察三维模型。
B、错误
40、范围缩放可以显示图形范围并使所有对象最大显示。
A、正确
41、缩放命令“zoom”和缩放命令“scale”都可以调整对象的大小,可以互换使用。
B、错误
42、“多行文字”和“单行文字”都是创建文字对象,本质是一样的。
B、错误
43、可以通过输入一个点的坐标值或测量两个旋转角度定义观察方向。
A、正确
44、AutoCAD无法实现类似Word的文字查找或者替换功能。
B、错误
45、在AutoCAD中查询距离仅报告两点之间的真实三维距离。
B、错误
---------------------------------------------------------------------------------------
答案:
1、C
2、C
3、D
4、B
5、D
6、A
7、B
8、D
9、D 10、B
11、A 12、A 13、D 14、B 15、B
16、D 17、C 18、A 19、B 20、A
21、B 22、B 23、C 24、C 25、D
26、BD 27、ABCD 28、BCD 29、CD 30、ABCD
31、ABC 32、AC 33、ABC 34、ABCD 35、ACD
36、BD 37、ABD 38、BCD 39、B 40、A
41、B 42、B 43、A 44、B 45、B。