深基坑检查记录表1
- 格式:doc
- 大小:22.50 KB
- 文档页数:1
深基坑检查记录表
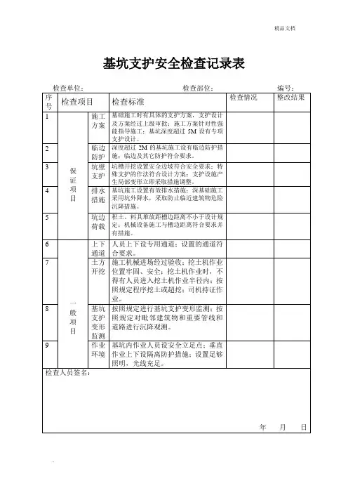
1-2月份基坑支护安全检查记录表
检查人:XXX。
检查部位:污水处理站基坑
序号检查项目检查标准检查情况整改结果
1 施工方案施工方案经过上级审批,针对性强,能指导施工。
基坑深度超过5米的施工方案进行了专家论证。
符合要求无问题
2 临边防护临边深度超过2米的基坑施工设有临边防护措施,临边及其它防护符合要求。
符合要求无问题
3 支护设施坑槽开挖设置安全边坡符合安全要求;特殊支护的作法符合设计方案;支护设施产生局部变形立即采取措施调整。
符合要求无问题
4 排水措施排水基坑施工设置有效排水措施;深基础施工措施采用坑外降水,采取防止临近建筑物危险沉降措施。
符合要求无问题
5 堆放物料坑边积土、料具堆放距槽边距离不小于设计规定;机械设备施工与槽边距离符合要求并有措施。
符合要求
无问题
6 通道设置上下人员上下设专用通道;设置的通道符合要求。
符合要求无问题
7 机械作业施工机械进场经过验收;挖土机作业位置牢固、安全;挖土机作业时,不得有人员进入挖土机作业半径内;按照规定程序挖土或超挖;司机持证作业。
符合要求无问题
8 监测作业按照规定进行基坑支护变形监测;按照规定对毗邻建筑物和重要管线和道路进行沉降观测。
符合要求无问
题
一般项目基坑内作业人员设安全立足点;垂直环境作业
上下设隔离防护措施;设置足够照明,光线充足。
符合要求
无问题
注:本次检查未发现问题,无需整改。
深基坑监理巡视检查记录表深基坑工程监理巡视检查记录工程名称:未说明一、支护结构情况在本次巡视中,我们对支护结构进行了检查。
我们发现围檩和支撑出现了裂缝,支撑和立柱也出现了较大的变形。
此外,围护体后土体出现了裂缝、沉陷和滑移的情况。
同时,我们还发现了基坑涌土、流砂和管涌的问题。
二、施工工况我们还对施工工况进行了检查。
我们发现土质情况与勘察报告存在差异,基坑开挖与设计及方案不一致,出现了超长、超深开挖的情况。
此外,地表水、地下水排放不正常,基坑降水等设施也存在问题。
基坑周边地面出现了超载的情况。
三、周边环境状况我们还对周边环境状况进行了检查。
我们发现地下管道存在破损和泄漏的情况,周边建(构)筑物出现了新增裂缝,周边道路(地面)出现了裂缝和沉陷的情况。
四、监测设施状况我们对监测设施的状况进行了检查。
我们发现基准点和监测点完好,未发现影响观测工作的障碍物。
以下位置发现异常:未发现。
以下位置发现新增裂缝:未发现。
以下位置发现新增裂缝、沉陷:未发现。
以下位置发现异常:未发现。
以下位置发现异常:正常。
以下位置发现异常:无。
以下位置堆放过多。
现场形象进度我们对现场形象进度进行了检查。
我们未发现明显的外观缺陷,但存在以下外观缺陷:未发现肉眼可见裂缝。
以下位置发现裂缝:未发现。
未发现肉眼可见变形。
以下位置发现变形:未发现。
我们查对监测报告,发现下列点位变形较大:未发现。
以下位置发现异常:未发现。
以下位置发现异常:采取措施及处理情况:未说明。
深基坑工程日常巡查记录表
深基坑工程日常巡查记录表
工程名称巡查人巡查时间
支护结构巡查结果
1、结构成型质量;
2、围壁、支撑有无裂缝出现;
3、钢管桩有无较大变形;
4、帷幕有无开裂、渗漏;
5、土体有无裂缝、沉陷及滑移;
6、有无涌土、流砂、管涌。
施工工况
1、暴露的土质情况与岩土勘察报告有无差异;
2、开挖分段长度、分层厚度及支锚设置是否与设计要求一致;
3、地表水、地下水排放是否正常,降水、回灌设施是否运转正常;
4、周边地面有无超载。
周边环境
1、管道有无破损、泄漏情况;
2、建筑有无新增裂缝出现;
3、周边道路(地面)有无裂缝、沉陷;
4、基坑及建筑的施工变化情况。
监测设施
1、控制点、监测点完好状况;
2、元件的完好及保护情况;
3、是否有影响观测工作的障碍物;
4、设计要求或当地经验确定的其他巡视检查内容。
其他:。
表7.3.2
工程名称
一、支护结构情况
支护结构成型质量
冠梁、围檩、支撑有无裂缝出现
支撑、立柱有无较大变形
止水帷幕有无开裂、渗漏
围护体后土体有无裂缝、沉陷及滑移
基坑有无涌土、流砂、管涌
二、施工工况
土质情况与勘察报告有无差异
基坑开挖是否与设计及方案一致,有无超长、超深开挖地表水、地下水排放是否正常基坑降水等设施运转情况
基坑周边地面有无超载
三、周边环境状况
地下管道有无破损、泄漏情况
周边建(构)筑物有无新增裂缝
周边道路(地面)有无裂缝、沉陷
四、监测设施状况
基准点、监测点状况
有无影响观测工作的障碍物
采取措施及处理情况:
深基坑工程巡视检查记录表
现场形象进度
未发现明显外观缺陷;存在以下外观缺陷:
未发现肉眼可见裂缝;以下位置发现裂缝:
- 未发现肉眼可见变形;以下位置发现变形:
查对监测报告,下列点位变形较大:
未发现;以下位置发现开裂、渗漏:
未发现;以下位置发现异常:
未发现;以下位置发现异常:
未发现;以下位置发现异常:
未发现;以下位置发现异常:
正常;发现以下位置发现异常:
无;以下位置堆放过多:
未发现;以下位置发现异常:
未发现;以下位置发现新增裂缝:
未发现;以下位置发现新增裂缝、沉陷:
完好;以下点位发现异常:
无;以下点位发现异常:
值班负责人:
检查日期:年月日。
深基坑工程巡视检查记录表
工程名称现场形象进度
一、支护结构情况
支护结构成型质量
未发现明显外观缺陷;存在以下外观缺陷:冠梁、围檩、支撑有无裂缝出
现
未发现肉眼可见裂缝;以下位置发现裂缝:
支撑、立柱有无较大变形
-未发现肉眼可见变形;以下位置发现变形:查对监测报告,下列点位变形较大:
止水帷幕有无开裂、渗漏
未发现;以下位置发现开裂、渗漏:
围护体后土体有无裂缝、沉陷
及滑移
未发现;以下位置发现异常:
基坑有无涌土、流砂、管涌
未发现;以下位置发现异常:
二、施工工况
土质情况与勘察报告有无差
异
未发现;以下位置发现异常:
基坑开挖是否与设计及方案
一致,有无超长、超深开挖
未发现;以下位置发现异常:
地表水、地下水排放是否正常
基坑降水等设施运转情况
正常;发现以下位置发现异常:
基坑周边地面有无超载
无;以下位置堆放过多:
三、周边环境状况
地下管道有无破损、泄漏情况
未发现;以下位置发现异常:
周边建(构)筑物有无新增裂
缝
未发现;以下位置发现新增裂缝:
周边道路(地面)有无裂缝、
沉陷
未发现;以下位置发现新增裂缝、沉陷:四、监测设施状况
基准点、监测点状况
完好;以下点位发现异常:
有无影响观测工作的障碍物
无;以下点位发现异常:
采取措施及处理情况:
监理巡查人员(签字):巡查日期:。