对流给热系数的测定(数据处理)
- 格式:doc
- 大小:869.50 KB
- 文档页数:5
淅江丈禽化学实验报告课程名称:过程工程原理实验甲实验名称:对流传热系数的测定指导教师:___________________专业班级: _____________________ 姓名: ________________________ 学号: ________________________ 同组学生: _____________________实验日期: _____________________实验地点:目录一、实验目的和要求 (2)二、实验流程与装置 (2)三、实验容和原理 (3)1.间壁式传热基本原理 (3)2.空气流呈的测定 (5)3.空气在传热管对流传热系数。
的测定 (6)3. 1牛顿冷却定律法 (6)3. 2近似法 (6)3. 3简易Wilson图解法 (7)4.拟合实验准数方程式 (8)5.传热准数经验式 (8)四、操作方法与实验步骤 (9)五、实验数据处理 (10)1.原始数据: (10)2.数据处理 (10)六、实验结果 (13)七、实验思考 (14)、实验目的和要求1) 掌握空气在传热管对流传热系数的测定方法,了解影响传热系数的 因素和强化传热的途径; 2) 把测得的数据整理成=形式的准数方程,并与教材中公认经验式进行比较;3) 了解温度、加热功率、空气流量的自动控制原理和使用方法。
二、实验流程与装置本实验流程图(横管)如下图1所示,实验装置由蒸汽发生器、孔板 流量计、变频器、套管换热器(强化管和普通管)及温度传感器、只能显 示仪表等构成。
空气-水蒸气换热流程:来自蒸汽发生器的水蒸气进入套管换热器, 与被风机抽进的空气进行换热交换,不凝气或未冷凝蒸汽通过阀门(F3 和F4)排岀,冷凝水经排出阀(F5和F6)排入盛水杯。
空气山风机提供, 流量通过变频器改变风机转速达到自动控制,空气经孔板流量计进入套管 换热器管,热交换后从风机岀口排出。
注意:普通管和强化管的选取:在实验装置上是通过阀门(F1和F2) 进行切换,仪表柜上通过旋钮进行切换,电脑界面上通过鼠标选择,三者 必学统一。
一、原始数据记录表二、计算结果表实验号流量 温度(℃)m 3/h冷流体进口温度t1 冷流体出口温度t2 冷流体进口侧蒸汽温度T1冷流体出口侧蒸汽温度T2 1 5 35.8 76.8 102.9 102.4 2 7.5 36.6 76.5 101.9 101.2 3 10 37.2 76.9 102.2 101.8 4 12.5 38.4 77.5 102.5 102 5 15 40.1 77.8 102.4 101.9 6 17.5 41.9 78.3 102.5 101.9 7 20 43.4 78.6 102.4 101.8 8 22.544.1 78.5 102.5101.9序号Δt m \℃K W/m 2·℃Pr Re X Y m α21 43.2337 29.90223 0.597055 7324.592 1.143919 0.033442 0.020978 41.67203 2 41.99407 44.92077 0.596638 10982.84 0.826950.022261 0.020978 57.64489 3 41.92402 59.64674 0.595804 14633.02 0.656813 0.016765 0.020978 72.57683 4 41.33924 74.365130.5943118267.16 0.549236 0.013447 0.020978 86.79224 5 40.38487.940270.592657 21888.62 0.474507 0.011371 0.020978 100.4611 6 39.42766 101.6829 0.593118 25494.11 0.418598 0.009834 0.020978 113.8787 7 38.54594 114.7875 0.591641 29098.25 0.376053 0.008712 0.020978 126.7624 838.45563 126.43840.591149 32721.39 0.342197 0.007909 0.020978 139.3041计算示例:(以第一组为例)平均温度t 平均1=(t 1+t 2)/2=(35.8+76.8)/2=56.3℃ 此温度下,空气的各项物性分别为:空气进口处密度ρ’=1E-05*t 2-4.5E-03*t+1.2916=1.069947 空气的比热Cp :1005J/(kg ·℃) 温度在60℃以下 空气的导热系数λ=-2E-08*t 2+8*E-05*t+0.0244=0.028841空气的粘度μ=(-2E-06*t 2+5*E-03*t+1.7169)*1E-05=1.71338E-05序号平均温度t 平均空气进口处密度ρ’ 空气质量流量m 2 空气的比热Cp 实际流量V ’ 空气的导热系数λ空气的粘度μ NuNu/Pr 0.4ln(N u/Pr 0.4ln(R e)156.3 1.069947 0.001577 1005 0.001474 0.0288411.71338E-05 23.11853 28.41545 3.346933 8.898993 256.55 1.069104 0.002365 1005 0.002212 0.028861.71333E-05 31.95831 39.29159 3.671011 9.30409 357.05 1.067422 0.00315 1005 0.002951 0.0288991.71324E-05 40.18246 49.43051 3.900568 9.591036 457.95 1.064407 0.003932 1005 0.003694 0.0289691.71308E-05 47.93689 59.02894.078027 9.81286558.95 1.061076 0.004712 1005 0.00444 0.0290461.7129E-05 55.33806 68.21856 4.222717 9.993722 660.1 1.05727 0.005487 1009 0.00519 0.0291361.71268E-05 62.53688 77.06899 4.344701 10.1462 761 1.05431 0.006262 1009 0.005939 0.0292061.71251E-05 69.44557 85.66854 4.450486 10.27843 861.3 1.053327 0.007041 1009 0.006685 0.0292291.71245E-0576.25566 94.10077 4.544366 10.39578标定用流体的体积流量V 1=5m 3/h ρf=7800kg/m 3 ρ=1.205kg/m 3,由此可得出实际的空气流量为: V ’=()ρρρρρρ--f f ’)’(V=)()( 1.205-78001.069947 1.069947-7800205.136005=0.001474空气质量流量m 2=ρ’V ’=1.069947*0.001474=0.001577 d 2=0.016m l=1m 换热面积A=π*d 2*lm=0.020978d 4023.018.128.0=⨯⎪⎭⎫ ⎝⎛⨯π K=m 122p 2t t -t m ∆A c )(=43.2337*1*016.0*35.8-76.8*1005*0.001577π)(=29.90223Pr=λμ*p c =0.02884105-1.71338E *1005=0.597055Re===2d *V *4·d d πμρμρ’u 0.016*05-1.71338E * 1.069947*0.001474*4π=7324.592 X=8.022224.0Pr 1⎪⎪⎭⎫ ⎝⎛⨯μλm = 1.1439190.00157705-1.71338E 0.597055*0.02884118.00.4=⎪⎭⎫ ⎝⎛⨯ 0.0334421==KY 8.0224.0222m m Pr ⎪⎪⎭⎫ ⎝⎛⨯=μλα=41.6720305-1.71338E 0.0015770.0209780.597055*0.0288418.00.4=⎪⎭⎫ ⎝⎛⨯ 因为流体是被加热,故Nu 中n 取0.4,则:23.11853r *e *023.0u 4.08.0==P R N 28.415450.59705523.11853r 0.44.0==P Nu 3.3469330.59705523.11853ln Pr ln 0.44.0=⎪⎭⎫⎝⎛=⎪⎭⎫ ⎝⎛Nu 8.898993Re ln =)(三、冷流体给热系数的准数式:Nu/Pr 0.4=ARe m,由实验数据作图拟合曲线方程,确定式中常数A 及m,如下:500010000150002000025000300003500040000450005000020406080100ReData: Data1_B Model: Allometric1Equation: y = a*x^b Weighting: y No weightingChi^2/DoF = 2.8642E-11R^2= 1 a 0.023±1.9337E-8b 0.8±8.3367E-8N u /P r 0.4作曲线如上,按照y=a*x^b 拟合,由表内数据可知a=0.023,b=0.8;与Nu/Pr 0.4=ARe m 比较,即确定常数A=0.023,m=0.8 ,与经验式Nu/Pr 0.4=0.023Re 0.8中数值完全一致.四、以ln(Nu/Pr 0.4)为纵坐标,ln(Re )为横坐标,如下:8.89.09.29.49.69.810.010.210.410.63.23.43.63.84.04.24.44.6ln(Nu/Pr0.4 Linear Fit of C1l n (N u /P r 0.4ln(Re)Equation y = a + b*xAdj. R-Squ 1ValueStandard ErC1Intercep -3.772 5.88102E-6C1Slope0.8 5.99225E-7作曲线如上,按照y=a+b*x 拟合,由表内数据可知a=-3.772,b=0.8;即ln(Nu/Pr 0.4)=-3.772+0.8*ln(Re),取e 的指数,两边消去ln ,则8.0Re ln 772.30.4)ln(N u/PrRe 023.0*Nu/Pr 8.00.4===-e e e ,与Nu/Pr 0.4=ARe m比较,即确定常数A=e -3.772=0.023,m=0.8 ,与经验式Nu/Pr 0.4=0.023Re 0.8中数值完全一致.。
物理化学实验报告实验名称:对流给热系数测定实验学院:化学工程学院专业:化学工程与工艺班级:姓名:学号指导教师:日期:一、实验目的1、掌握传热膜系数的测定方法;2、通过实验,掌握确定传热膜系数准数关联式中的系数A和指数m的方法;3、通过实验提高对传热膜系数准数关联式的理解,并分析影响传热膜系数的因素,了解工程上强化传热的措施。
二、实验原理对流传热的核心问题是求算传热膜系数,当流体无相变时对流传热准数关联式的一般形式为:Nu=A×Re m×Pr n×Gr p (4-1)对于强制湍流而言,Gr准数可以忽略,故Nu=A×Re m×Pr n(4-2) 本实验中,可用图解法和最小二乘法计算上述准数关联式中的指数m、n和系数A。
用图解法对多变量方程进行关联时,要对不同变量Re和Pr分别回归。
本实验可简化上式,即取n=0.4(流体被加热)。
这样,上式即变为单变量方程,在两边取对数,即得到直线方程:lg(Nu/Pr0.4)=lgA + mlgRe (4-3)在双对数坐标纸上作图,找出直线斜率,即为方程的指数m。
在直线上任取一点的函数值代入方程中,则可得到系数A,即:A=Nu/(Pr0.4×Re m) (4-4) 用图解法,根据实验点确定直线位置有一定的人为性。
而用最小二乘法回归,可以得到最佳关联结果。
应用微机,对多变量方程进行一次回归,就能同时得到A、m、n。
对于方程的关联,首先要有Nu、Re、Pr的数据组。
其准数定义式分别为:Nu=αd/λ,Re=duρ/μ,Pr=Cpμ/λ实验中改变空气的流量以改变Re准数的值。
根据定性温度(空气进、出口温度的算术平均值)计算对应的Pr准数值。
同时,由牛顿冷却定律,求出不同流速下的传热膜系数α值进而算得Nu准数值。
牛顿冷却定律:Q=α×A×△t m (4-5)(tw-t1)-(tw-t2)△t m =ln(tw-t1)/(tw-t2)式中:α—传热膜系数,[W/(m2×℃)];Q—传热量,[W];A—总传热面积,[m2];△t m—管壁温度与管内流体温度的对数平均温差,[℃];tw—蒸汽平均温差,[℃]。
空气—蒸汽对流给热系数测定一、实验目的⒈通过对空气—水蒸气光滑套管换热器的实验研究,掌握对流传热系数α1的测定方法,加深对其概念和影响因素的理解。
并应用线性回归分析方法,确定关联式Nu=ARe m Pr0.4中常数A、m的值。
⒉通过对管程内部插有螺纹管的空气—水蒸气强化套管换热器的实验研究,测定其准数关联式Nu=BRe m中常数B、m的值和强化比Nu/Nu0,了解强化传热的基本理论和基本方式。
二、实验装置本实验设备由两组黄铜管(其中一组为光滑管,另一组为波纹管)组成平行的两组套管换热器,内管为紫铜材质,外管为不锈钢管,两端用不锈钢法兰固定。
空气由旋涡气泵吹出,由旁路调节阀调节,经孔板流量计,由支路控制阀选择不同的支路进入换热器。
管程蒸汽由加热釜发生后自然上升,经支路控制阀选择逆流进入换热器壳程,其冷凝放出热量通过黄铜管壁被传递到管内流动的空气,达到逆流换热的效果。
饱和蒸汽由配套的电加热蒸汽发生器产生。
该实验流程图如图1所示,其主要参数见表1。
表1 实验装置结构参数化工原理实验对流传热实验3图1 空气-水蒸气传热综合实验装置流程图孔板流量计测量空气流量空气压力蒸汽压力空气入口温度蒸汽温度空气出口温度1— 光滑套管换热器;2—螺纹管的强化套管换热器;3—蒸汽发生器;4—旋涡气泵; 5—旁路调节阀;6—孔板流量计;7、8、9—空气支路控制阀;10、11—蒸汽支路控制阀;12、13—蒸汽放空口; 15—放水口;14—液位计;16—加水口;三、实验内容1、光滑管①测定6~8个不同流速下光滑管换热器的对流传热系数α1。
②对 α1的实验数据进行线性回归,求关联式Nu=ARe m 中常数A 、m 的值。
2、波纹管①测定6~8个不同流速下波纹管换热器的对流传热系数α1。
②对 α1的实验数据进行线性回归,求关联式Nu=BRe m 中常数B 、m 的值。
四、实验原理1.准数关联影响对流传热的因素很多,根据因次分析得到的对流传热的准数关联为: Nu=CRe m Pr n Gr l(1)式中C 、m 、n 、l 为待定参数。
5 对流给热系数测定5.1 实验目的(1) 测定水蒸汽在圆直水平管外冷凝给热系数α0及冷流体(空气或水)在圆直水平管内的强制对流给热系数αi 。
(2) 观察水蒸汽在圆直水平管外壁上的冷凝状况(膜状冷凝和滴状冷凝)。
5.2实验原理5.2.1.串联传热过程冷流体(空气和水)与热流体水蒸汽通过套管换热器的内管管壁发生热量交换的过程可分为三步:○1套管环隙内的水蒸汽通过冷凝给热将热量传给圆直水平管的外壁面(A 0); ○2热量从圆直水平管的外壁面以热传导的方式传至内壁面(A i ); ○3内壁面通过对流给热的方式将热量传给冷流体(V c )。
在实验中, 水蒸汽走套管换热器的环隙通道, 冷流体走套管换热器的内管管内, 当冷、热流体间的传热达到稳定状态后, 根据传热的三个过程、牛顿冷却定律及冷流体得到的热量, 可以计算出冷热流体的给热系数(以上是实验原理)。
(以下是计算方法)传热计算公式如下:Q=α0A 0( T –T w )m = αi A i ( t w –t)m =V c ρc C pc (t 2-t 1) (1)由(1)式可得:m w pc c c T T A t t C V )()(0120--=ρα (2)m w i pc c c i t t A t t C V )()(12--=ρα (3)式(2)中, ( T –Tw)为水蒸汽温度与内管外壁面温度之差, 式(3)中, ( tw –t)为内管内壁面温度与冷流体温度之差。
由于热流体温度T 、内管外壁温Tw 、冷流体温度t 及内管内壁温tw 均沿内管管长不断发生变化, 因此, 温差( T –Tw) 和( tw –t)也随管长发生变化, 在用牛顿冷却定律算传热速率Q 时, 温差应分别取进口(1)与出口(2)处两端温差的对数平均值( T –Tw)m 和( tw –t)m, 方法如下:22112211ln )()()(w W W w w T T T T T T T T T T -----=- (4) 22112211ln )()()(t t t t t t t t t t w w w w m w -----=- (5)当套管换热器的内管壁较薄且管壁导热性能优良(即λ值较大)时, 管壁热阻可以忽略不计, 可近似认为管壁内、外表面温度相等, 即Tw1=tw1, Tw2=tw2。
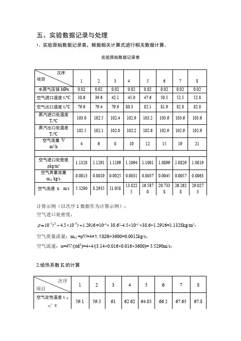
五、实验数据记录与处理1、实验原始数据记录表,根据相关计算式进行相关数据计算。
实验原始数据记录表计算示例(以次序1数据作为计算示例): 空气进口处密度:52310 4.510 1.2916t t ρ--=-⨯+=10-5× 38.62-4.5×10-3 ×38.6+1.2916=1.1328kg/m 3;空气质量流量:m s2 =ρV=4×1.1328÷3600=0.0012kg/s ;空气流速:u=4V/(πd 2)=4×4/(3.14×0.016×0.016×3600)= 5.5290m/s ;2.给热系数K 的计算空气定性温度:t 平均=(t 1+t 2)/2=(38.6+79.6)/2=59.1℃<60℃ 则空气比热:Cp=1005 J/(kg·°C) 定性温度下的空气密度ρ:52310 4.510 1.2916t t ρ--=-⨯+ =10-5× 59.12-4.5×10-3 ×59.1+1.2916=1.0606kg/m 3;冷、热流体间的对数平均温差:()()12211221ln t T t T tT t T t m-----=∆==40.32℃ 传热面积:22A d l π==3.14×0.016×1=0.0502m 2 对流传热系数:()mp t A t t c m K ∆-=1222= = 26.46W/(m 2·℃);3.近似法求给热系数α2 则α2=K=24.43W/(m 2·℃);(103.0-79.6)-(102.5-38.6)ln [(103.0-79.6)/(102.5-38.6)]0.0502×40.32空气粘度:6235(210510 1.716910t t μ---=-⨯+⨯+⨯)=(-2×10-6×38.62+5×10-3×38.6+1.7169)×10-5=1.906×10-5P a.s 空气导热系数:8252108100.0244t t λ--=-⨯+⨯+ =-2×10-8×38.62+8×10-5×38.6+0.0244=0.0275 W/(m·K ) 雷诺数:μρdu =Re = ;普兰特数:λμ2Pr p c == =0.6966 ;努赛尔数:λαdNu ==26.46×0.016/0.0275=15.39 ; 对于流体在圆形只管内做湍流时的对流传热系数,如符合以下条件:Re=1×104—1.2×105,Pr=0.7-120,管长与管内径之比l/d≥60,则Nu=0.023Re 0.8Pr n 。
对流传热实验数据处理1,计算总传热系数K由空气—水逆流换热系统的传热速率方程为m t KA Q ∆= 得m t A Q K ∆=/ 其中,逆流传热对数平均温差为 ⎪⎪⎭⎫ ⎝⎛∆∆∆-∆=∆2121ln t t t t t m 传热面积为dl A π=热负荷为)(21T T C V Q p -=ρ 对a 管,以第一组数据为例V=3.74121+0.07931⨯480-1.91966⨯4103724480101307.24801024299.348010⨯⨯-⨯⨯+⨯---=22.14()/3h mA=3.14⨯0.015⨯1.2=0.05652m)(95.32)22382180ln()2238()2180(C t m=-----=∆Q=360014.22⨯1⨯1.009⨯310⨯(80-38)=261 JK=95.320565.0261÷÷=140)/(2C m W ⋅2.. 对Nu 和Re 的计算11λαd Nu =μρdu =Re以第一组数据为例计算 Nu=6810047.3015.01402=⨯⨯-Re=521001.2060.1)36000075.014.3/14.22(015.0-⨯⨯⨯⨯⨯=27544a 管序号 V t m A △t m Q K Nu Re 1 22.14 59 0.0565 32.95 261 140 73 27544 2 19.70 54.5 0.0565 29.42 210 127 67 25916 3 15.59 52.5 0.0565 27.59 157 101 54 20509 4 12.79 51.5 0.0565 26.90 121 80 42 16825 5 9.98 50 0.0565 25.43 91 63 33 13129 67.23470.056522.915744239511b 管C 管思考:1,分析影响传热系数及给热系数的因素?答,固体壁面的特征尺寸,流体的物理性质,强制对流的速度,产生自然对流的升力。
实验三空气-水对流给热系数测定一、实验目的1. 测定套管换热器中空气—水系统的传热系数;2. 测定不同的热空气流量时,Nu与Re之间的关系,并得到准数方程式;二、基本原理1. 测定传热系数K根据传热速率方程式(1)(2)实验时,若能测定或确定Q、t m和A,则可测定K。
(1)传热速率在不考虑热损失的条件下(3)式中:—空气的质量流量,kg/s,,为空气的容积流量,m3/s,ρ为空气的密度,kg/m3;—空气的定压比热,J/(kg·K);—空气的进、出口温度,℃。
(2)传热推动力t m(4)式中:,—冷却水出口温度,℃,—冷却水进口温度,℃(3)传热面积(5)式中:L—传热管长度,m ;d—传热管内径,m 。
2. 求Nu与Re的定量关系式由因次分析法可知,空气在圆形直管中强制湍流时的传热膜系数符合下列准数关联式:或(6)式中:A,n—待定系数及指数;—定性温度下空气的导热系数,W/(m·K);—空气的流速,m/s, ;μ—空气的粘度,kg/(m·s);—管壁对空气的传热膜系数,W/(m2·K)。
在水—空气换热系统中,若忽略管壁与污垢的热阻,则总传热系数K与传热膜系数的关系为:式中:—管壁对水的传热膜系数,W/(m2·K)—管壁对空气的传热系数,W/(m2·K)本实验中保持水在套管环隙间的高速流动,且由于水的比热较大,因此水的进、出口温度变化很小,管壁对水的传热系数较管壁对空气的传热系数大得多,即,这样总传热系数近似等于管壁对空气的传热系数:实验中通过调节空气的流量,测得对应的传热系数,然后将实验数据整理为Re及Nu,再将所得的一系列Nu-Re数据,通过用双对数坐标纸作图或回归分析法求得待定系数A和指数n,进而得到准数方程式。
三、实验装置如图1所示,实验装置由加热器1、夹套换热器14、15、风机7和流量计2、10等组成。
换热器的内管14为φ30×2mm的铜管,有效长度为2000mm。
竭诚为您提供优质文档/双击可除对流传热系数测定实验报告篇一:空气—蒸汽对流给热系数测定实验报告及数据、答案空气—蒸汽对流给热系数测定一、实验目的⒈通过对空气—水蒸气光滑套管换热器的实验研究,掌握对流传热系数α1的测定方法,加深对其概念和影响因素的理解。
并应用线性回归分析方法,确定关联式nu=ARempr0.4中常数A、m的值。
⒉通过对管程内部插有螺纹管的空气—水蒸气强化套管换热器的实验研究,测定其准数关联式nu=bRem中常数b、m的值和强化比nu/nu0,了解强化传热的基本理论和基本方式。
二、实验装置本实验设备由两组黄铜管(其中一组为光滑管,另一组为波纹管)组成平行的两组套管换热器,内管为紫铜材质,外管为不锈钢管,两端用不锈钢法兰固定。
空气由旋涡气泵吹出,由旁路调节阀调节,经孔板流量计,由支路控制阀选择不同的支路进入换热器。
管程蒸汽由加热釜发生后自然上升,经支路控制阀选择逆流进入换热器壳程,其冷凝放出热量通过黄铜管壁被传递到管内流动的空气,达到逆流换热的效果。
饱和蒸汽由配套的电加热蒸汽发生器产生。
该实验流程图如图1所示,其主要参数见表1。
表1实验装置结构参数12蒸汽压力空气压力图1空气-水蒸气传热综合实验装置流程图1—光滑套管换热器;2—螺纹管的强化套管换热器;3—蒸汽发生器;4—旋涡气泵;35—旁路调节阀;6—孔板流量计;7、8、9—空气支路控制阀;10、11—蒸汽支路控制阀;12、13—蒸汽放空口;15—放水口;14—液位计;16—加水口;三、实验内容1、光滑管①测定6~8个不同流速下光滑管换热器的对流传热系数α1。
②对α1的实验数据进行线性回归,求关联式nu=ARem 中常数A、m的值。
2、波纹管①测定6~8个不同流速下波纹管换热器的对流传热系数α1。
②对α1的实验数据进行线性回归,求关联式nu=bRem 中常数b、m的值。
四、实验原理1.准数关联影响对流传热的因素很多,根据因次分析得到的对流传热的准数关联为:nu=cRemprngrl式中c、m、n、l为待定参数。
套管式换热器的操作及对流给热系数测定数据处理套管式换热器是一种常见的换热设备,广泛应用于工业生产和能源领域。
下面将介绍套管式换热器的操作步骤以及对流传热系数的测定数据处理方法。
套管式换热器的操作步骤如下:
1.准备工作:检查套管式换热器的密封性能,确保换热器内部无杂质和污垢。
2.连接管路:将冷却介质和热介质分别连接到套管式换热器的冷却管和热管上。
3.开启阀门:逐步开启冷却介质和热介质的阀门,使两种介质依次进入套管式换热器。
4.调整流量:根据实际需要,通过调节阀门控制冷却介质和热介质的流量,以达到预定的换热效果。
5.观察运行情况:监测套管式换热器的运行状态,包括温度、压力等参数,确保设备正常运行。
6.维护保养:定期清洗套管式换热器,保持其换热效率和使用寿命。
对于对流传热系数的测定数据处理,一般采用实验方法进行。
以下是一种常见的数据处理方法:
1.测量数据收集:在实验中,通过测量冷却介质和热介质的温度差、流量和换热面积等参数,获取相关的测量数据。
2.数据处理:根据换热器的几何形状和流体性质,结合传热方程,
计算对流传热系数。
3.数据分析:对实验数据进行分析,例如绘制温度差与对流传热系数的关系曲线,以及计算平均值和标准偏差等统计参数。
4.结果验证:将实验结果与理论计算值进行对比,验证实验数据的准确性和可靠性。
5.结论总结:根据数据处理和分析结果,得出对流传热系数的结论,并对实验过程中的影响因素进行讨论。
套管式换热器的操作步骤和对流传热系数的测定数据处理方法是进行换热实验和研究的重要内容,通过科学的操作和数据处理,可以得到准确可靠的换热效果和传热系数数据。
1、冷流体给热系数数据表:体积流量q v (m 3/h);冷空气进口温度t 1(℃);冷空气出口温度t 2(℃);空气进口蒸汽温度T 1(℃);空气出口蒸汽温度T 2(℃);冷空气进出口平均温度t m (℃);空气的平均定压比热c p (J/kg ·℃);空气的平均密度ρ(kg/m3);空气在换热管内的质量流量q m (kg/h),换热器的传热速率Q(W);壁面平均温度近似等于蒸汽的平均温度t w (℃);冷热流体的对数平均温度差△t m (℃);管内换热面积A i (㎡);传热管内的对流传热系数αi (W/(㎡·℃));空气的热导率λ(W/(M ·℃));空气的粘度μ(10-6Pa ·s);空气在换热管内的流速u (m/s );空气的努塞尔数Nu 无因次;空气的雷诺数Re(103) 无因次;空气的普朗特数Pr 无因次。
公式:()/m K Q A t =∆i i mQ A t α≈∆1212()()()ln()w w m w w t t t t t t t t t ---∆=--i A dl π=21()m p Q q c t t =-mq Vρ=122m t t t +=0.4Re Pr m Nu A =i d Nu αλ=Re du ρμ=Pr pc μλ=221T T tw+=由数据可知:随着流量的增加,冷流体的给热系数逐渐增大。
2、冷流体给热系数的准数关联式:Nu=ARe m Pr0.4,以()0.4ln为纵坐标,()ReNu/Prln为横坐标,将实验数据作线性拟合,得一直线,斜率为m,截距为lnA。
作图如下:由数据可知:lnA=-4.29756,则A=0.0136;m=0.87862。
直肋散热器表面对流传热系数测定实验数据处理
直肋散热器表面的对流传热系数可以通过实验测定得到,其数据处理方法如下:
1. 根据实验测得的散热器表面温度与环境温度的差值,计算出求得温度差值的平均值。
2. 计算散热器表面积及表面之间的热传导面积。
3. 计算散热器的散热功率:
Q = k*A*ΔT/l
其中,Q为散热功率;k为散热器表面对流传热系数;A为散热器表面积;ΔT为表面温度差值;l为热传导路径长度。
4. 计算对流传热系数:
k = Q/(A*ΔT)
其中,k为散热器表面对流传热系数;Q为散热功率;A为散热器表面积;ΔT为表面温度差值。
5. 通过多次实验的平均值得出最终的对流传热系数。
需要注意的是,实验数据处理时需要注意实验环境的影响因素,如气流速度、相对湿度等,以及实验中可能存在的误差。
同时,在数据处理中也需要保护个人信息、不泄露敏感信息。
气氛—蒸汽对于流给热系数测定之阳早格格创做一、真验手段⒈通过对于气氛—火蒸气光润套管换热器的真验钻研,掌握对于流传热系数α1的测定要领,加深对于其观念战效用果素的明白.并应用线性返回分解要领,决定联系式Nu=ARe m Pr中常数A、m的值.⒉通过对于管程里里插有螺纹管的气氛—火蒸气加强套管换热器的真验钻研,测定其准数联系式Nu=BRe m中常数B、m的值战加强比Nu/Nu0,相识加强传热的基础表里战基础办法.二、真验拆置本真验设备由二组黄铜管(其中一组为光润管,另一组为波纹管)组成仄止的二组套管换热器,内管为紫铜材量,中管为不锈钢管,二端用不锈钢法兰牢固.气氛由旋涡气泵吹出,由旁路安排阀安排,经孔板流量计,由支路统制阀采用分歧的支路加进换热器.管程蒸汽由加热釜爆收后自然降下,经支路统制阀采用顺流加进换热器壳程,其热凝搁出热量通过黄铜管壁被传播到管内震动的气氛,达到顺流换热的效验.鼓战蒸汽由配套的电加热蒸汽爆收器爆收.该真验过程图如图1所示,其主要参数睹表1.表1 真验拆置结构参数真验内管中径d o(mm)真验中管内径D i(mm)50 真验中管中径D o(mm)总管少(紫铜内管)L(m)丈量段少度l(m)蒸汽温度图1 气氛-火蒸气传热概括真验拆置过程图1— 光润套管换热器;2—螺纹管的加强套管换热器;3—蒸汽爆收器;4—旋涡气泵;5—旁路安排阀;6—孔板流量计;7、8、9—气氛支路统制阀;10、11—蒸汽支路统制阀;12、13—蒸汽搁空心; 15—搁火心;14—液位计;16—加火心;三、真验真量1、光润管①测定6~8个分歧流速下光润管换热器的对于流传热系数α1.②对于α1的真验数据举止线性返回,供联系式Nu=ARe m孔板流量计丈量气氛流量气氛压力蒸汽压力气氛出心温度气氛出心温度中常数A 、m 的值.2、波纹管①测定6~8个分歧流速下波纹管换热器的对于流传热系数α1.②对于α1的真验数据举止线性返回,供联系式Nu=BRe m 中常数B 、m 的值. 四、真验本理 1.准数联系效用对于流传热的果素很多,根据果次分解得到的对于流传热的准数联系为:Nu=CRe m Pr n Gr l (1)式中C 、m 、n 、l 为待定参数.介进传热的流体、流态及温度仄分歧,待定参数分歧.暂时,只可通过真验去决定特定范畴的参数.本真验是测定气氛正在圆管内做强制对于流时的对于流传热系数.果此,不妨忽略自然对于流对于传热膜系数的效用,则Gr 为常数.正在温度变更不太大的情况下,Pr 可视为常数.所以,准数联系式(1)可写成Nu =CRe m (2)Re4du V d ρρπμμ==其中: , 500.02826W/(m.K)d Nu αλλ==℃时,空气的导热系数待定参数C 战m 可通过真验测定蒸汽、气氛的有关数据后,对于式(2)与对于数,返回供得曲线斜率战截距.2.传热量估计努塞我数Nu 大概α1无法曲交用真验测定,只可测定相关的参数并通过估计供得.当通过套管环隙的鼓战蒸汽与热凝壁里交触后,蒸汽将搁出热凝潜热,热凝成火,热量通过间壁传播给套管内的气氛,使气氛的温度降下,气氛从管的终端排出管中,传播的热量由(3)式估计.Q =W e c pc (t 2-t 1)= V ρ1c pc (t 2-t 1) (3) 根据热传播速率Q =KS Δt m (4) 所以 KS Δt m =V ρ1c pc (t 2-t 1) (5)式中:Q ——换热器的热背荷(即传热速率),kJ /s ; We ——热流体的品量流量,kg /s ;V ——热流体(气氛)的体积流量,m 3/s ; ρ1一热流体(气氛)的稀度,kg /m 3;K ——换热器总传热系数,W/(m 2·℃);C pc 一一热流体(气氛)的仄衡比定压热容,kJ/(kg ·K );S ——传热里积,m 2;Remc dαλ=因此:Δt m ——蒸汽与气氛的对于数仄衡温度好,℃.气氛的流量及二种流体的温度等不妨通过百般丈量仪容测得.概括上头各式即可算出传热总系数K. 3.传热膜系数的估计当传热里为仄壁大概者当管壁很薄时,总的传热阻力战传热分阻力的关系可表示为:式中:αl ——气氛正在圆管中强制对于流的传热膜系数,W /(m 2·℃);α2——蒸汽热凝时的传热膜系数,W /(m 2·℃).当管壁热阻不妨忽略(内管为黄铜管而且壁薄b 较薄,黄铜导热系数λ比较大)时,1211111K ααα≈+≈(7) 蒸汽热凝传热膜系数近近大于气氛传热膜系数,则K ≈α1.果此,只消正在真验中测得热、热流体的温度及气氛的体积流量,即可通过热衡算供出套管换热器的总传热系数K 值,由此供得气氛传热膜系数α1. 4.努塞我数战雷诺数的估计式中:λ——气氛导热系数,W /(m ·℃); μ一气氛的粘度,Pa ·s ;d ——套管换热器的内管仄衡曲径,m ; ρ1——进心温度t 1时的气氛稀度,kg /m 3.由于热阻主要集结正在气氛一侧,本真验的传热里积S 与管子的内表面较为合理,即 S =πdl本拆置d=0.0178 m ,l=1.327m. 5.气氛流量战稀度的估计气氛稀度ρ1可按理念气体估计: 式中:p a ——当天大气压,Pa ;t ——孔板流量计前气氛温度,℃,可与t=t 1;气氛的流量由 1/4喷嘴流量计丈量,合并常数后,气氛的体积流量可由(11)式估计11ρRC V =(11)式中:C 0——合并整治的流量系数,其值为C 0=0.001233;R ——喷嘴流量计的压好计示值,mmH 2O. V 1——气氛的体积流量,m 3/s. 五、真验支配 1.真验前的准备(1)背电加热釜加火至液位计上端白线处. (2)查看气氛流量旁路安排阀是可齐开.12731.29(10)101330273pP tρ=⨯+(3)查看一般管支路各统制阀是可已挨开,包管蒸汽战气氛管路的疏通.(4)交通电源总闸,设定加热电压,开用电热锅炉开关,开初加热.2.真验开初(1)当蒸汽压力宁静后,开用旋涡气泵并运止一段时间,包管真验开初时气氛出心温度t(℃)宁静.1(2)安排气氛流量旁路阀的开度大概主阀开度,使孔板流量计的压好计读数为所需的气氛流量值.(3)宁静5-8分钟安排读与压好计读数,读与气氛出心、出心的温度值t、2t(温度丈量可采与热电奇大概温度1计)、气氛压力值p1、气氛进、出心之间压力好p2、蒸汽温度值t3及压力值p3,孔板流量计读数p4.(4)安排气氛流量,沉复(3)与(4)共测6-10组数据(注意:正在气氛进、出心之间压力好p2最大值与最小值之间可分为6-10段).(5)真验历程,要尽大概包管蒸汽温度大概压力宁静,正在蒸汽锅炉加热历程(蒸汽温度大概压力变更较大)不要记录数据.3.真验中断(1)关关加热器开关.(2)过5分钟后关关鼓风机,并将旁路阀齐开. (3)切断总电源.六、真验注意事项1、查看蒸汽加热釜中的火位是可正在仄常范畴内.特天是每个真验中断后,举止下一真验之前,如果创制火位过矮,应即时补给火量.2、必须包管蒸汽降下管线的疏通.正在变换支路时,应先开开需要的支路阀,再关关另一侧,且开开战关关统制阀必须缓缓,预防管线截断大概蒸汽压力过大突然喷出.3、必须包管气氛管线的疏通.即正在交透气机电源之前,三个气氛支路统制阀之一战旁路安排阀(睹图1所示)必须齐开.正在变换支路时,应先关关风机电源,而后开开战关关统制阀.4、安排流量后,应起码宁静5~10分钟后读与真验数据.5、套管换热器中聚集的热火要即时搁掉,免得效用蒸汽传热.七、真验记录及数据处理缺点分解:1.迪图斯-贝我特公式有条件范畴,而真验数据并不是齐正在其适用范畴内,用此公式算出的Nu’战α2’缺点便大概较大.2.真验时,等待时间缺乏,引导数据已宁静时便记录了.热流体给热系数的准数式:Nu/Pr=APr mln(Nu/Pr)=lnA+m ln(Re)lnA=-7.9273 ,A=0.0256另附上本初真验数据:4、对于真验截止举止分解与计划.从图像中线性返回圆程的相关系数去瞅,真验数据截止不是很准确,特天是螺纹管.爆收缺点的根源很多,读数不宁静、换热器保温效验好、换热器使用暂了,污秽较薄,热流量值下落等皆使截止有一定的偏偏好.而且正在处理数据时,采与很多近似处理,而本量真验时很多的条件本去不宁静.正在真验历程中采与改变气氛流量去安排,然而是正在改变气氛流量的共时,其余的数据也会改变,比圆道气氛出心温度,而且正在改变的历程中,要通过一段时间气氛出心温度才会宁静,而咱们测定的温度一定假如那个宁静的温度,所以正在测定中不通过脚够少的时间引导测定的温度不是宁静的温度,所以真验时要注意等待五到格中钟待数据比较宁静时,那样真验截止便比较准确.八、思索题(1)效用传热膜系数的果素有哪些?问:膜的薄度,液体的物性,以及压力温度.另有资料的分子结构及其化教成份、资料沉度、资料干度情景战温度情景.(2)正在蒸气热凝时,若存留不凝性气体,您认为将会有什么效用?该当采与什么步伐?问:对于换热系数效用很大,普遍设念子与消,比圆溴化锂吸支式制热机均伴伴真空泵,其效用便是即时排除系统内的不凝性气体.1)会由于气氛中含有火分制成冰堵.冰堵不但使制热效用下落.而且会引导系统停机.压力不竭落矮,还会益坏压缩机.2)气氛混进压缩腔,由于气氛中含有不凝性气体,如氮气.那些不凝性气体验缩小制热剂的循环量,使制热量落矮.3)而且不凝性气体验滞留正在热凝器的上部管路内,以致本量热凝里积减小,热凝背荷删大,热凝压力降下,进而制热量会落矮.(3)蒸气热凝后,将爆收热凝火,如热凝火不克不迭搁出,乏积后淹埋加热铜管,您认为将会有什么效用?该当采与什么步伐?问:1)会由于气氛中含有火分制成冰堵.冰堵不但使制热效用下落.而且会引导系统停机.压力不竭落矮,还会益坏压缩机.2)气氛混进压缩腔,由于气氛中含有不凝性气体,如氮气.那些不凝性气体验缩小制热剂的循环量,使制热量落矮.3)而且不凝性气体验滞留正在热凝器的上部管路内,以致本量热凝里积减小,热凝背荷删大,热凝压力降下,进而制热量会落矮.(4)本真验中所测定的壁里温度是靠拢蒸气侧的温度,仍旧交近气氛侧的温度?为什么?问:壁里温度是靠拢蒸汽温度.应为壁里温度交近于对于流传热系数大的一侧的温度,而正在真验历程中是以1211111K ααα≈+≈,所以21αα〈,所以壁里温度交近于蒸汽温度. (5)正在真验中有哪些果素效用真验的宁静性?问:气氛战蒸汽的流背,热凝火不即时排走,蒸汽热凝历程中,存留不热凝气体,对于传热的有效用等.。
实验数据记录与处理计算示例(以次序1数据作为计算示例):空气进口处密度:2916.138.9105.48.93102916.1105.4t 10325325+⨯⨯-⨯=+⨯-=----t ρ=1.13kg/m 3空气质量流量:skg V m s /1300.0360031.14.32=⨯=⨯=ρ空气流速:sm dVu /5.94016.0016.014.33600 4.3442=⨯⨯⨯⨯==π空气定性温度:()64.8)90.78.93(212121平均=+=+=t tt °C则空气比热:9100=Cp J/(kg·°C)定性温度下的空气密度'ρ:3325325'/40.12916.164.8105.464.8102916.1105.410m kg t t=+⨯⨯-⨯=+⨯-=----ρ冷、热流体间的对数平均温差:()()33.488.935.01090.74.610ln)8.935.010()90.74.610(ln12211221=-----=-----=∆t T t T t T t Tt m传热面积:2220502.01016.014.3m l d A =⨯⨯==π对流传热系数:()33.480502.0)8.9390.7(91000058.01222⨯-⨯⨯=∆-=mp t A t t c m K =42.04w/(m 2·°C) 3、2α理论值的计算空气粘度:532610)7169.1105102(---⨯+⨯+⨯-=t t μ=s Pa ⋅⨯=⨯+⨯⨯+⨯⨯-----553261088.110)7169.133.4810533.48102(空气导热系数:702.00244.033.4810833.48102-0244.0108102528-528=+⨯+⨯=+⨯+⨯-=---t tλ雷诺数:5265.151088.140.15.49016.0'Re 5=⨯⨯⨯==-μρdu普兰特数:70.0702.01088.19100Pr 5=⨯⨯==-λμCp努赛尔数:42.04027.0016.042.042=⨯==λαd Nu对于流体在圆形只管内做湍流时的对流传热系数,如符合以下条件:54102.1100.1Re ⨯-⨯=,1207.0Pr -=,管长与管内径之60/≥d l ,则nNu Pr Re023.08.0=。
实验三 对流给热系数的测定
一、实验目的
1、观察水蒸气在换热管外壁上的冷凝现象,并判断冷凝类型;
2、测定空气(或水)在圆直管内强制对流给热系数i α;
3、应用线性回归分析方法,确定关联式Nu=ARe m Pr 0.4中常数A 、m 的值。
4、掌握热电阻测温的方法。
二、基本原理
在套管换热器中,环隙通以水蒸气,内管管内通以空气或水,水蒸气冷凝放热以加热空气或水,在传热过程达到稳定后,有如下关系式:
V ρC P (t 2-t 1)=αi A i (t w -t)m (1-1)
式中: V ——被加热流体体积流量,m3/s ; Ρ——被加热流体密度,kg/m3; C P ——被加热流体平均比热,J/(kg ·℃);
αi ——流体对内管内壁的对流给热系数,W/(m2·℃); t 1、t 2——被加热流体进、出口温度,℃;
A i ——内管的外壁、内壁的传热面积,m2;
(T -T W )m ——水蒸气与外壁间的对数平均温度差,℃; 2
2112211ln )()()(w w w w m T T T T T T T T Tw T -----=
- (1-2)
(t w -t)m ——内壁与流体间的对数平均温度差,℃;
2
211
2211ln )()()(t t t t t t t t t t w w w w m w -----=
- (1-3)
式中:T 1、T 2——蒸汽进、出口温度,℃;
T w1、T w2、t w1、t w2——外壁和内壁上进、出口温度,℃。
当内管材料导热性能很好,即λ值很大,且管壁厚度很薄时,可认为T w1=t w1,T w2=t w2,即为所测得的该点的壁温。
由式(1-3)可得:
m w P i t t A t t C V )()
(012--=
ρα (1-4)
若能测得被加热流体的V 、t 1、t 2,内管的换热面积A i ,以及水蒸气温度T ,壁温T w1、T w2,则可通过式(1-4)算得实测的流体在管内的(平均)对流给热系数αi 。
流体在直管内强制对流时的给热系数,可按下列半经验公式求得: 湍流时: 4.08.0Pr Re 023
.0i
i d λ
α= (1-5)
式中:αi —— 流体在直管内强制对流时的给热系数,W/ (m 2·℃); λ—— 流体的导热系数,W/(m 2·℃);
d i —— 内管内径,m ;
Re —— 流体在管内的雷诺数,无因次; Pr —— 流体的普朗特数,无因次。
上式中,定性温度均为流体的平均温度,即t f = (t 1 + t 2) / 2。
过渡流时:
αi ’=φαi (1-6)
式中:ϕ 修正系数, 8
.15
Re 10
61⨯-=ϕ
⒉ 对流传热系数准数关联式的实验确定
流体在管内作强制湍流,被加热状态,准数关联式的形式为
n
i m
i i A Nu Pr Re =. (1-7)
其中:
i i
i i d Nu λα=
, i i i i i d u μρ=Re , i i pi i c λμ=
Pr
物性数据λi 、c pi 、ρi 、μi 可根据定性温度t m 查得。
经过计算可知,对于管内被加热的空气,普兰特准数Pr i 变化不大,可以认为是常数,则关联式的形式简化为:
4
.0Pr Re i
m
i i A Nu = (1-8) 这样通过实验确定不同流量下的Re i 与i Nu ,然后用线性回归方法确定A 和m 的值。
三、实验装置与流程
1.实验装置
实验装置如图1所示。
来自蒸汽发生器的水蒸气进入玻璃套管换热器,与来自水泵)的水进行热交换,冷凝水经疏水器排入地沟。
冷水经涡轮流量计进入套管换热器内管(紫铜管),热交换后排出装置外。
图1传热系数测定装置流程图
1-可移动框架 2-中间储水箱 3-液位控制浮球阀 4-涡轮流量计 5-水箱排水阀6 6-阀5 7-进水口 8-水泵 9-脚轮 10-冷凝水排放口 11-冷凝水排水阀4 12-蒸汽进汽口 13-冷凝水调节阀2 14-蒸汽调节阀3 15-冷流体出口温度 16-蒸汽压力表 17-壁面右端温度 18-排不宁性气体阀门 19-蒸汽右端温度 20-冷流体流量调节阀1 21-壁面左端温度 22-蒸汽左端温度 23-排不宁性气体阀门 24-冷流体进口温度 25-换热外套管 26-换热紫铜管27-可视视窗 2.仪表箱面板图如2所示:
图2 仪表箱面板图
1-总电源指示灯 2-空气开关 3-仪表电源指示灯 4-仪表电源开关 5-风机电源指示灯 6-风机电源开关7-温度巡检仪 第一
通道为流体进口温度,第二通道为流体出口温度,第三通道为左端蒸气温度,第四通道为右端蒸气温度
2.设备与仪表规格
(1)紫铜管规格:紫铜管外径=21mm 紫铜管管厚=1.5mm
(2)外套玻璃管规格:直径φ100×5mm,长度L=1000mm
(3)压力表规格:0~0.1Mpa
四、实验步骤与注意事项
(一)实验步骤
1、蒸气发生器加水,加热,把蒸气加热到额定压力下。
1.打开总电源空气开关,打开仪表及巡检仪电源开关,给仪表上电。
2.打开仪表台上的风机电源开关,让风机工作,同时打开冷流体入口阀门。
4.打开冷凝水出口阀,注意只开一定的开度,开的太大会让换热桶里的蒸汽跑掉,关的太小会使换热玻璃管里的蒸汽压力集聚而产生玻璃管炸裂。
5.在做实验前,应打开冷凝水排水阀4将蒸汽发生器到实验装置之间管道中的冷凝水排除,否则夹带冷凝水的蒸汽会损坏压力表及压力变送器。
具体排除冷凝水的方法是:关闭蒸汽进口阀门,打开装置下面的排冷凝水阀门,让蒸汽压力把管道中的冷凝水带走,当听到蒸汽响时关闭冷凝水排除阀,可进行实验。
6.刚开始通入蒸汽时,要仔细调节蒸汽进口阀3的阀门大小开度,让蒸汽徐徐流入换热器中,逐渐加热,由“冷态”转变为“热态”,不得少于10分钟,以防止玻璃管因突然受热、受压而爆裂。
7.当一切准备好后,调节蒸汽进口阀3的开度,把蒸汽压力调到0.01Mpa,并保持蒸汽压力不变。
(可通过调节排不宁性气体阀以及蒸汽进口阀3配合来实现。
)
8.流量调节:
(1)手动调节1:可通过调节空气的进口阀1手动调节空气流流量,改变冷流体的流量到一定值,等稳定后记录实验数据。
9.记录3到8组实验数据,完成实验,关闭蒸汽进口阀与冷流体进口阀,关闭仪表电源和风机的电源。
10.关闭蒸汽发生器。
11.打开实验数据处理软件“对流给热系数测定实验”文件夹,运行“对流给热系数测定实验”,打开该组实验数据,进行实验数据分析处理。
(二)注意事项
1.先打开排冷凝水的阀,注意只开一定的开度,开的太大会让换热桶里的蒸汽跑掉,关的太小会使换热玻璃管里的蒸汽压力集聚而产生玻璃管炸裂。
2.一定要在套管换热器内管输以一定量的冷流体后,方可开启蒸汽阀门,且必须在排除蒸汽管线上原先积存的凝结水后,方可把蒸汽通入套管换热器中。
3.刚开始通入蒸汽时,要仔细调节蒸汽的开度,让蒸汽徐徐流入换热器中,逐渐加热,由“冷态”转变为“热态”,不得少于10分钟,以防止玻璃管因突然受热、受压而爆裂。
3.操作过程中,蒸汽压力一般控制在0.02MPa(表压)以下,否则可能造成玻璃管爆裂和填料损坏。
4.确定各参数时,必须是在稳定传热状态下,随时注意惰气的排空和压力表读数的调整。
五、实验数据处理
原始数据记录表
六、实验报告
1.将冷流体给热系数的实验值与理论值列表比较,计算各点误差,并分析讨论。
2.说明蒸汽冷凝给热系数的实验值和冷流体给热系数实验值的变化规律。
3.按冷流体给热系数的模型式:m A Re Nu/Pr 0.4 。
确定式中常数A 及m 。
七、思考题(看书)
1.实验中冷流体和蒸汽的流向,对传热效果有何影响?
2.蒸汽冷凝过程中,若存在不冷凝气体,对传热有何影响、应采取什么措施?3.实验过程中,冷凝水不及时排走,会产生什么影响?如何及时排走冷凝水?4.实验中,所测定的壁温是靠近蒸汽侧还是冷流体侧温度?为什么?
5.如果采用不同压强的蒸汽进行实验,对α关联式有何影响?。