高保真USB声卡电路图(PCM2702)
- 格式:pdf
- 大小:145.51 KB
- 文档页数:2
PCM2702声卡,加料不加价,全部采用靓声补品电容,不计血本包括主电源在内共计十多只靓声ELNA电容,运放弃用了普通的NE5532,改用更好的AD827或OPA2604,如此高端的配置,使音质达到了更高的层次,是您升级电脑声卡的理想选择,声音超爽啊。
用USB线和电脑USB接口相连,插上电源即可升级你的电脑声卡了,板上没有带耳放功能,线路更简洁,音染更少,音质更纯。
简单说就是一个声音还原的功能。
电源用靓声的LM317高精度稳压,为整板提供高质量的电源。
板上大量采用ELNA补品电容,及多只电容并联应用,保证了声底更纯正,动态更大。
人声厚实,刚柔兼备,极富感性。
良好的动态,低音弹性十足。
高音柔和纤细甜润动人。
中高低音都有很好的表现,总体声音属平衡型。
为了追求音质更加完美,模拟部分用运放缓冲+靓声低噪三极管C2240,D667功率放大的独特形式,舍弃了运放+运放的传统模式,使声音更加真实还原,人声更是运放型无可比拟,更无传统运放的干硬声。
可以驱动耳机或接功放输出。
有运放座,方便您有更好的运放升级用。
本板配AD827或OPA2604。
注:为追求音质更加完美,个别参数如有变动不另行通知,都是发烧级原件,保证更好的品质,让你座享美妙的音质。
板上座子及功能:1)板上装有优质耳机座更加耐用。
可接耳机。
2)二位莲花输出座,接功放。
3)电源输入座。
4)USB输入端子5)电源指示灯。
采用单电源供电(市售成品变压器)电源范围:9V 1A交直流电源或12V1A直流电源。
PCM2702简介:一、PCM2702的性能特点PCM2702拥有很多“同宗兄弟”,它只是其中最早的一款,功能也最简单,不过从音频性能来看,如DNR(动态范围)和SNR(信噪比)指标,性能却是最好的。
BB公司推出的集成USB控制界面的单片数字音频处理器有两大系列,一个以集成DAC为主要特征的PCM27xx系列,另一个是集成DAC和ADC(模数转换器)的PCM29xx系列,具体型号可以从TI公司的网站查阅到。
1. 应用范围:1.1该设备用于音频领域内的高精度测量,主要包括:●与计算机相连,可通过编写程序能完成多项自动测试;●模拟测量,用于音频的各种参数指标的测量2. 工作条件:2.1电力供应:单相220V,±10%●电源要求:在100~240V,-10%,+6% AC,50~60Hz范围内正常工作;●环境要求:工作温度5℃~45℃,储存温度-40℃~75℃。
2.3 相对湿度:20-70%。
2.4 仪器运行的持久性:仪器可连续正常运行。
2.5 工作条件及安全性要求符合中国及国际有关标准或规定。
3. 设备的主要技术参数、性能要求和主要配置3.1.硬件主机组成:●双通道独立模拟信号发生器,同时提供BNC,XLR,香蕉接口;含:正弦波、D/A 正弦波、多音等多种信号类型。
●双通道独立模拟信号分析仪,同时提供BNC,XLR,香蕉接口;含下列功能:电平(2通道),电平比率,频率,功率,相位,THD+N失真,噪声,带通幅度,交接干扰。
内置各种高通、低通、带通、AES17滤波器。
●双通道独立数字信号发生器。
格式:SPDIF(同轴/光纤)、AES/EBU、I2S。
●双通道独立数字信号分析仪,格式:SPDIF(同轴/光纤)、AES/EBU、I2S。
FFT频谱分析仪、Multi-tone多音分析仪、谐波(THD, HD)分析仪、MLS扬声器分析仪、数字接口分析仪、数字数据分析仪。
3.2.硬件选件组成:● S2-IMD:内置IMD(互调失真)信号发生器和分析仪● S2-W&F:内置Wow & Flutter 抖摆分析仪,符合IEC/DIN,NAB,JIS和scrape 标准● OPT-2711:内置DOLOBY AC-3 数字信号发生器● S2-BUR内置脉冲、方波、噪音(白噪音/粉红噪音)发生器● FIL-***:内置各种规格之加权滤波器。
A、CCR-468、RCR等。
● AUX-0025:D类功放测试滤波器● PSIA-2722:串行数字信号适配器,可产生和接收I2S信号。
常州机电职业技术学院毕业设计(论文)作者:戴铮学号:40831406华思佳学号: 40831415车飞学号: 40831403系部:电气工程系专业:应用电子技术题目:USB声卡的设计与制作指导者:朱小刚柏军基评阅者:2010年 5 月毕业设计(论文)中文摘要随着计算机硬件飞速发展,外围设备日益增多,键盘、鼠标、调制解调器、打印机、扫描仪早已为人所共知,数码相机、MP3随身听接踵而至,这么多的设备,如何接入个人计算机?USB就是基于这个目的产生的。
USB是一个使计算机周边设备连接标准化、单一化的接口。
USB设备之所以会被大量应用,主要是因为其具有支持热插拔、携带方便(USB 设备大多“小、轻、薄”)、标准统一、可以连接多个设备、高速度、简单的网络互连功能优点。
当前的USB设备被局限在PC平台下才能进行数据交换,这是当前USB设备面临的最大局限。
在这个环境下,USB声卡逐渐的出现在市场上,并越来越流行。
USB声卡将USB 接口的特点和声卡的需要完美的结合,更方便了人们在生活中的需要。
尤其是PCM2702之类的芯片出现,使USB声卡越做越小,在实用的基础上追加了外观的设计,强调了便携性,并运用在了耳机上,相信在今后生活中将会越来越普及。
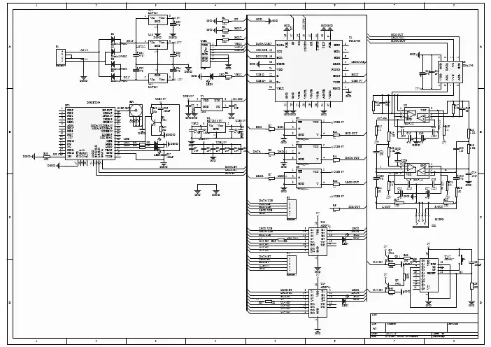
PCM2702(IC1)为美国TI公司属下的BB公司生产的USB接口DAC芯片。
PCM27O2支持USB1.0标准,可接收16bit的立体声或单声道的USB音频数据流。
在USB声卡设计中具有主导地位。
关键词: USB接口声卡 PCM2702目录1 引言 (1)1.1 声卡的基本功能 (1)1.2 声卡的主要类型 (2)1.3 声卡的接口 (6)1.4 声卡的发展历史 (6)1.5 声卡的厂家介绍 (9)2 USB接口及声卡各主要芯片介绍 (15)2.1 USB接口的介绍 (15)2.1.1 USB接口的发展趋势与行业速递 (15)2.1.2 USB接口的优点 (15)2.1.3 USB接口布置 (16)2.1.4 USB数据传输 (17)2.2 USB声卡各主要芯片介绍 (20)2.2.1 PCM2702介绍 (20)2.2.2 asm1117介绍 (25)2.2.3 APA3544 介绍 (26)3 基于PCM2702的USB声卡设计与制作 (27)3.1 USB声卡的设计要求 (27)3.2 设计方案论证 (30)3.3硬件设计 (31)3.4软件设计 (32)3.5电路的制作 (33)4 USB声卡性能测试 (38)结论 (48)致谢 (49)1 引言1.1 声卡的基本功能声卡是计算机进行声音处理的适配器。
图解说明主板前置音频线、USB连线接法预览说明:预览图片所展示的格式为文档的源格式展示,下载源文件没有水印,内容可编辑和复制一、前置USB连线接法图:主板上的USB连线插槽一般有两排,可同时接两个USB接口,每排有四针和五针两种不同的排列。
如技嘉GA -6EA主板有两排USB 连线插槽,每排四针;联想TitaniumIB +主板有两排USB连线插槽,每排五针。
以联想TitaniumIB +主板为例,各针与USB接口连接线连接如下:1●----VCC(电源线)2●----DATA -(信号线-)3●----DATA +(信号线+)4○----不连接(此处为一空针)5●----G N D (地线)五针排列的USB连线插槽一般有一针为空针,位置一般处于正数第二针或是倒数第二针,不需连接。
实际上,无论USB连线插槽如何变化,是四针排列还是五针排列,与USB接口连线连接时一般只用到四根连线。
连接时除要认真查阅主板说明书外,还需注意的是:1.VCC与GND两线千万不要插反,否则有烧毁主板的可能,本人有切身体验!!判断两线位置也很简单,USB接口连线中电源线一般为红色,连接位置在USB连线插槽的顶端;地线一般为黑色或灰色,连接位置在插槽的底端。
用万能表测量,地线应与USB接口周围的金属物相通。
2.DATA -和DATA +连线呈前后排列,一般DATA -线在前,DATA +线在后。
市面上出售的USB 接口连线,DATA -一般为白线,DATA +一般为青线。
如果两者插反,主板可能不能正确识别USB设备。
机箱前面板一般有两个USB接口,是通过两组四芯数据线连接到主板预留的两个USB接口插针上的。
四芯数据线的颜色分别为:红、白、绿、黑。
它们与主板的USB 接口插针的对应关系如下:红(V):电源正极,对应主板的VCC、+5V、VC白(USB-):信号线负极,对应主板的port-、data-、USB-绿(USB+):信号线正极,对应主板的port+、data+、USB+ 黑(G):地线,对应主板的GND、G、地线二、前置音频线接法图:英特尔在AC97音频标准之后,又推出了HD(高保真)音频标准。
图解说明主板前置音频线、USB连线接法预览说明:预览图片所展示的格式为文档的源格式展示,下载源文件没有水印,内容可编辑和复制一、前置USB连线接法图:主板上的USB连线插槽一般有两排,可同时接两个USB接口,每排有四针和五针两种不同的排列。
如技嘉GA -6EA主板有两排USB 连线插槽,每排四针;联想TitaniumIB +主板有两排USB连线插槽,每排五针。
以联想TitaniumIB +主板为例,各针与USB接口连接线连接如下:1●----VCC(电源线)2●----DATA -(信号线-)3●----DATA +(信号线+)4○----不连接(此处为一空针)5●----G N D (地线)五针排列的USB连线插槽一般有一针为空针,位置一般处于正数第二针或是倒数第二针,不需连接。
实际上,无论USB连线插槽如何变化,是四针排列还是五针排列,与USB接口连线连接时一般只用到四根连线。
连接时除要认真查阅主板说明书外,还需注意的是:1.VCC与GND两线千万不要插反,否则有烧毁主板的可能,本人有切身体验!!判断两线位置也很简单,USB接口连线中电源线一般为红色,连接位置在USB连线插槽的顶端;地线一般为黑色或灰色,连接位置在插槽的底端。
用万能表测量,地线应与USB接口周围的金属物相通。
2.DATA -和DATA +连线呈前后排列,一般DATA -线在前,DATA +线在后。
市面上出售的USB 接口连线,DATA -一般为白线,DATA +一般为青线。
如果两者插反,主板可能不能正确识别USB设备。
机箱前面板一般有两个USB接口,是通过两组四芯数据线连接到主板预留的两个USB接口插针上的。
四芯数据线的颜色分别为:红、白、绿、黑。
它们与主板的USB 接口插针的对应关系如下:红(V):电源正极,对应主板的VCC、+5V、VC白(USB-):信号线负极,对应主板的port-、data-、USB-绿(USB+):信号线正极,对应主板的port+、data+、USB+ 黑(G):地线,对应主板的GND、G、地线二、前置音频线接法图:英特尔在AC97音频标准之后,又推出了HD(高保真)音频标准。
USB声卡和USB音频解码方案原理近年来USB产品层出不穷,USB音频类在USB开发者论坛的努力下,成为一种标准的规范,USB声卡也开始在市场上悄然出现。
因为USB声卡内置了DAC和有源功放,音频数据以数字方式进入USB声卡,完全杜绝了PC的内部干扰,所以,USB声卡将有可能成为现有内置声卡的替代品。
本文介绍了一种基于ARM处理器的USB声卡设计。
USB声卡原理由USB声卡数据流图(见图1)可以看出USB声卡的工作原理。
在主机端播放音乐时,应用软件或驱动程序把各类音频信号转换为统一的格式,如PCM、MPEG等格式的数据流,通过主机的USB接口发送给USB声卡。
声卡的USB 接口接收到数据后,通过I2S接口把并行音频数据转为串行,再发送给音频编解码芯片进行D/A转换,即可在音频芯片连接的扬声器中发音。
录音过程和播放过程正好相反。
图1 USB 声卡数据流硬件设计USB声卡硬件主要包括MCU和音频编解码芯片。
MCU采用三星公司的处理器S3C2410,S3C2410内置I2S总线控制器和USB Slaver控制器。
S3C2410的I2S控制器实现了一个外部8/16位立体声音频CODEC IC的接口,支持I2S 总线数据格式和MSB-justified数据格式,并且支持DMA传输模式。
音频芯片采用UDA1341TS。
UDA1341TS提供标准的I2S接口,可以直接和SSS1630的I2S引脚连接。
另外,此芯片还提供标准的L3、麦克风和扬声器接口。
L3接口的引脚分别连到S3C2410的3个GPIO输出引脚上,通过GPIO 控制L3接口。
UDA1341TS音频芯片集成数字化音频和混频器功能。
数字化音频功能可以播放数字化声音或录制声音,因为包括这个功能,所以常把此类芯片称为CODEC设备。
混频器用来控制各种输入/输出的音量大小等,在本芯片中通过L3接口进行控制。
图2 USB声卡拓扑图软件设计软件设计包括两部分:USB声卡固件程序设计和主机端Windows驱动设计。
PCM2902音频数字解码电路制作耳机放大器耳机放大器虽然输出功率不大,业余条件下要做好也并不容易,为了达到理想的水准,很多耳机放大器采用了分立元件,因为输出功率不大,采用A类放大器的不在少数,这在业余条件下并不容易做好,下面介绍的耳机放大器采用TI公司出品的专门的耳机放大器集成电路,适合业余条件下自制,也初步具备了专业素质。
一、主要特点耳机放大器的主要特点是:全集成电路整体解决方案,包括电源、音源、驱动、功放等耳机放大器所需要的全部电路。
采用常见的数字音源输入方式:S/PDIF和USB,适应家用和电脑多媒体音源。
可以采用USB总线供电而无需额外的电源。
低失真(O.005%)、大动态(93dB)、高信噪比(93dB);具备键控式电子音量控制和静音控制功能。
电流反馈式差分输入功放级,具备超过120dB的动态范围和信噪比以及0.00014%的超低失真。
二、电路原理与IC这个电路除了S/DIF接收电路外全部采用了TI(Texas Instruments,德州仪器)出品的集成电路组成,包括输入及其DAC电路、不平衡转平衡线路放大器、平衡输入方式功率输出级、电源电路几部分,S/PDIF 光纡方式的数字信号接收由东芝公司出品的集成化接收组件TROX173完成,S/PDIF同轴方式的数字信号接收由SN75179完成,其余大部分接收和编解码功能全部由TI公司出品的PCM2902完成,包括USB 输入、模拟输入、S/PDIF数字信号的编解码、ADC(模数辕换器)、DAC(数模转换器)以及模拟滤波器等。
整个系统共采用9个7种集成电路,总电路原理图参见下图。
1.输入及DAC电路输入及DAC电路由PCM2902、TORX173、SN75179组成,下面分别叙述它们的特点及功能:TORX173是常用的光纤信号集成化接收组件,外围电路简单,输出为TTL电平方式,5V电源供电,工作电流最大为40mA,数据接收速率最大不超过6Mb/s。
PCM2702制作的USB声卡电路图
时间:2012-06-12 15:19:37
这个制作的核心是16位立体声数字至模拟转换器PCM2702的USB接口。
PCM2702只需要一些额外的部分工作。
原理图并不复杂。
声卡供电可以直接从USB 端口取电或外部电源。
PCM2702需要两个电源为3.3V(从3V至3.6V)和5V(4.5V至5.5V)。
我用固定为3.3V(IO2)和可调输出电压为5V LDO的TPS76701Q(IO3)输出电压LDO TPS76733Q。
两个LDO由TI生产,我用这个,因为在我的抽屉里。
任何类似的稳压器都可以使用。
输出电压的IO3应设置为一点比输入电压低,使LDO的稳定性好,在我的情况下输出电压设置为4.8V之间。
输出电压可调。
在低电压的情况下,IO3可以通过跳线短W3号。
电路原理图
腐刻完的覆铜板
制成的USB声卡电路图电路板。
AUDIO DAC WITH USB INTERFACE,ESD damage can range from subtle performance degradation to complete device failure. Precision integrated circuits may be more susceptible to damage because very small parametric changes could cause the device not to meet its published specifications.PACKAGE ORDERING INFORMATIONIMPORTANT NOTICETexas Instruments Incorporated and its subsidiaries (TI) reserve the right to make corrections, modifications, enhancements, improvements, and other changes to its products and services at any time and to discontinue any product or service without notice. Customers should obtain the latest relevant information before placing orders and should verify that such information is current and complete. All products are sold subject to TI’s terms and conditions of sale supplied at the time of order acknowledgment.TI warrants performance of its hardware products to the specifications applicable at the time of sale in accordance with TI’s standard warranty. T esting and other quality control techniques are used to the extent TI deems necessary to support this warranty. Except where mandated by government requirements, testing of all parameters of each product is not necessarily performed.TI assumes no liability for applications assistance or customer product design. Customers are responsible for their products and applications using TI components. T o minimize the risks associated with customer products and applications, customers should provide adequate design and operating safeguards.TI does not warrant or represent that any license, either express or implied, is granted under any TI patent right, copyright, mask work right, or other TI intellectual property right relating to any combination, machine, or process in which TI products or services are used. Information published by TI regarding third-party products or services does not constitute a license from TI to use such products or services or a warranty or endorsement thereof. Use of such information may require a license from a third party under the patents or other intellectual property of the third party, or a license from TI under the patents or other intellectual property of TI.Reproduction of information in TI data books or data sheets is permissible only if reproduction is without alteration and is accompanied by all associated warranties, conditions, limitations, and notices. Reproduction of this information with alteration is an unfair and deceptive business practice. TI is not responsible or liable for such altered documentation.Resale of TI products or services with statements different from or beyond the parameters stated by TI for that product or service voids all express and any implied warranties for the associated TI product or service and is an unfair and deceptive business practice. TI is not responsible or liable for any such statements. Following are URLs where you can obtain information on other Texas Instruments products and application solutions:Products ApplicationsAmplifiers Audio /audioData Converters Automotive /automotiveDSP Broadband /broadbandInterface Digital Control /digitalcontrolLogic Military /militaryPower Mgmt Optical Networking /opticalnetwork Microcontrollers Security /securityTelephony /telephonyVideo & Imaging /videoWireless /wirelessMailing Address:Texas InstrumentsPost Office Box 655303 Dallas, Texas 75265Copyright 2004, Texas Instruments IncorporatedThis datasheet has been downloaded from:Free DownloadDaily Updated Database100% Free Datasheet Search Site100% Free IC Replacement Search SiteConvenient Electronic DictionaryFast Search SystemAll Datasheets Cannot Be Modified Without PermissionCopyright © Each Manufacturing Company。
--USB有源数字功率放大器的制作多媒体功放一般都是装在有源音箱内部的,所以散热会比较差,如果用A类放大器或AB类放大器散热会比较困难,其实散热困难的根本原因是放大器的效率低,导致很大一部分电能变成热量白白浪费掉,不仅对散热提出较高要求而且与现在这种提倡建设的节约型社会格格不入,但是A类放大器与AB类放大器的优点是失真小音质好,所以目前为止还是功率放大器的主流,是否有一种效率高而且音质有好的放大器?答案是肯定的,在这篇文章中我将介绍由型号为TA2024的T类数字放大器和USB音频解码器等芯片组成的一款性能优良的多媒体数字功率放大器,该放大器采用USB数字音频输入,输出功率为每声道15W。
推动一对SONY组合音响上的音箱,低音相当浑厚有力,高音纤细优美,作为电脑有源音箱使用效果非常理想。
一.方案设计及功能电路介绍该放大器的系统框图如图1所示。
输入信号为从USB端口输入的数字音频信号经PCM2702解码,再经音量控制电位器控制送入由TA2024组成的T类数字放大器中进行功率放大推动音箱。
下面就各部分功能加以叙述。
图1系统框图1.USB解码电路USB解码电路是以PCM2702USB音频DAC为核心组成的,电路如图2所示,PCM2702是一片高信噪比(典型值为105dB)低谐波失真(THD+N)为0.002%,大动态范围(100dB)高分离度(103dB)的USB数模转换芯片,它有两个数模转换输出通道和一个一体化的USB接口控制器,该接口符合USB1.0标准,全速传输率为12Mbps,也许有人会问现在不都是USB2.0接口吗,USB1.0速度是不是太慢了,其实不然,12Mbps的传输速率对传输音频数据来说绰绰有余。
PCM2702可接收采样率为32KHz、44KHz和4--8KHz的16位立体声或单声道数字音频信号,《无线电》对该芯片有很多介绍故在此不作过多阐述。
由高速低失真运算放大器AD712和外围元件组成二阶低通滤波器滤除高频成分后得到立体声音频信号,再将立体声音频信号送入由RSM2314组成的音源选择及音量控制电路。
DIY自己制作的USB声卡声卡零件与电路图USB 电子管声卡主电路原理图USB 电子管声卡电源电路原理图USB 电子管声卡印刷电路图主要零件介绍1.主芯片PCM2702E图6.主芯片PCM2702E(手工焊接)PCM2702 D/A芯片的基本规格特性兼容USB 1.0支持16bit 32 KHz/44.1 KHz/48 KHz 取样动态范围:100dB噪信比:150db(典型值)THD+N:0.002%内部集成有独立的12MHz时钟发生器内建8× Oversampling 数字滤波采用双电源供电.其中模拟部分为+5V;数字部分为+3.3V采用SSOP-28封装形式PCM2702是一块单片数模转换芯片.它有两个数模转换输出通道和一个一体化的USB 接口控制器.该接口符合USB1.0标准.它采用最新开发研制的SPActTM(采样期内自适应控制跟踪)系统.该系统能够从USB接口的音频数据中分离出一个稳定的、偏差较小的时钟信号以协调PLL和DAC工作.PCM2702主要由三部分组成:一个是Burr-Brown公司研制的增强型多层次δ-σ调制器,一个是8×重复采样数字插值滤波器,还有一个模拟输出低通滤波器.PCM2702可以接收48KHz、44KHz和32KHz采样速率的16位立体声或单声道音频数据,芯片内部集成有数字电位器的软件静音功能,通过USB的音频等级需求可以控制电位器和静音功能.图7.PCM2702的引脚排列PCM2702的参数:TA=25℃,VCC=VCCL=VCCR=VCCP=5.0V,VDD=VDDC=3.3V,fs=44.1KHz,信号频率1kHz,16位数据. 管脚8、13、14、15、16分别为VBUS、TEST3、TEST2、TEST1和TEST0;管脚10、11、12、28分别是PL YBCK、SSPND、ZERO和XTO.参数中的动态性能取决于标准主机的信号质量,并随系统不同而不同,动态性能的各项参数是用一台Shibasoku#725 THD测量仪测得的.该仪器的特点是带有400Hz的高通滤滤器、30kHz的低通滤波器、通用模式且具有20kHz的带宽限制.通过交流耦合器的模拟输出端负载为5kΩ或更大.PCM2702的工作原理:图8.PCM2702的组成框图控制信号和音频数据信号均通过D+(6脚)和D-(7脚)送入PCM2702中心.所有数据都以全速输入或输出.USB总电源VBUS(8脚)和USB数字地DGNDU(9脚)均与USB总线相连,由于VBUS仅用来分离芯片与USB总线的连接,所以VBUS不消耗USB总线电源功率.图B音频功能逻辑框图PCM2702有两个接口,每一个接口都由一些可供选择的设置成.接口#0有一个备选设置,备选设置#0是一标准的音频控制接口,该接口有一个端口.PCM2702有下列三个端口,输入端口(IT)、输出端口(OT)和功能单元(FU).输入端口定义为“USB”数据流(口类型0×0101),输入端口可以接2个通道的音频流,这2个通道分别可作为音频流的左右声道的压缩数据传输通道.输出端口为“扬声器”端口(端口类型0×0301.)功能控制单元支持音量控制和静音控制功能.内建的数字音量控制电位器可根据音频级别的具体要求以步进量为1.0dB在0.0dB~64.0dB之间进行调节.每个声道可独立设置,同时也支持主音量控制,内建的数字静音控制器也可以根据音频等级的具体要求进行操作,以支持主静音控制,但不支持单独的声道进行调节控制.接口#1有3个可选择的设置:#0备选设置是零带宽设置;#1设置是16位立体声设置,它是一个可操作性设置;#2设置是16位单声道设置,也是一个可操作性设置.PCM2702有两个终端,即:控制终端(EP#0)和同步音频数据流终端(EP#2).控制终端是默认终端,常用来根据标准USB需求和USB音频等级的具体需求对PCM2702的所有功能进行控制.同步音频数据流终端是音频吸收终端,它接收来自PCM的音频数据流和接收重配的传输模式.图10.12MHz晶振连接图PCM2702需要一个12MHz(±500ppm)的时钟来协调USB和音频功能控制部分的工作.该时钟信号可由内部集成的12MHz晶振提供,也可以从XTI(脚1)输入12MHz内部时钟信号(如图10所示),12MHz晶体谐振器与一个1MΩ电阻和两个小电容一起连至XTI和XTO,电容值的大小取决于具体的晶体谐振器的负载.如果使用内部时钟则应从XTI输入,而且XTO 必须悬空,XTI脚时钟信号的逻辑电平为+3.3V,而不是5V.图11是外部12MHz时钟连接电路.图11.外部12MHz时钟输入PCM2702包含一个内部电源接通恢复电路.当VDD电平大于2.0V时,该电路将自动恢复起始数字逻辑电平,整个过程大约需要350μs.为确保接电时序的正常工作,VDD电压必须在10ms内升至2.0V.当电路完成起始电平的恢复并在USB总线接通后,PCM2702设置准备完毕.当建立和USB总线的连接后,PCM2702准备接收USB音频数据.在待音频数据送来时,模拟输出设置为双零点零标志,ZERO(脚12)为高电平.当接收到音频数据后,PCM2702将第一批数据包(含1ms的音频数据)存贮到一个内部存贮器中,当检测到头帧后,PCM2702开始回放.图12.播放停止分离时序图当主机完成或停止音频回放时,PCM将在最后传输的音频数据接收后停止播放,PCM2702的播放停止和分离时序如图12所示.PL YBCK、SSPND和ZERO标志定义如下:PL YBCK:当PCM音频输入数据正在播放时,PL YBCK(脚10)为低电平有效;SSPND:USB接口处于挂起状态时,SSPND(脚11)低电平有效;ZERO:如果PCM音频输入数据持续102个采样周期为0,则进入ZERO状态.ZERO(脚12)为高电平有效.PCM2702的应用图13.PCM2702的典型应用电路这个PCM2702芯片,根最近的一些主流整合型Audio D/A芯片的特性相比都毫不逊色,属于音响级的DAC芯片,跟一般声卡上所用的D/A芯片相比性能好很多,输出音质比起多数专业录音卡都不会输,可以算是高档次的电脑声源之一.那为什么很少见到厂商推出使用这款D/A芯片的声卡呢?原因是这个芯片的价格太高.以成本效益来说,几乎根本没有厂商愿意利用这个芯片,低阶的整合型D/A芯片的单价或许只有这个芯片的1/10;而且在一般的电脑应用上,标榜多声道的产品大行其道,纯两声道的产品很难在市场上销售,这也是一个主要的原因.因而,这个体质极佳的USB接口的D/A芯片,在价格的因素下,自然很难成为消费性电子市场的宠儿,不过优异的音质输出却是我们选用这个芯片的主要原因.使用方便,音质优异,结构简单,都是这个芯片的优点.但是PCM2702E最早是为USB喇叭使用而开发的芯片,可以把通过USB接口传输的音频数字信号转换成模拟信号,经过放大以后,就成为我们听到的声音.接上USB连接线,操作系统就会检测到这个设备——USB音效设备,对电脑来说,这个就是“USB喇叭”,所有系统发出的“声音”都通过USB接口传输音频数字信号到这个USB DAC,在转换成两声道的模拟信号.由于D/A芯片的特性的缘故,只有两声道,而比如一般声卡所具备支持的LINE IN、MAC IN、SPDIF数字输出、录音、MIDI等功能它都不具备,也不能通过一次接两张卡来实现四声道,它是一个单纯的USB数字信号输入,模拟信号输出的只有两声道放音功能的装置,在功能上是无法取代传统声卡的,因而称之为USB DAC.跟一般的DAC的差别就在PCM2702仅仅只能接收USB数字信号,而不像一般的DAC可以接收SPDIF与光纤等等的数字输入,也因为如此,它只能用在具有USB接口的的电脑上,而不管是桌上型电脑或者是笔记本电脑.PCM2702可用于标准的独立USB音频扬声器、CRT/LCD一体化USB音频扬声器,USB 音频放大器等各种USB音频设备中.台湾的KECES曾生产了基于PCM2702E的USB声卡,但与hifi制作的声卡不同,采用了运放而不是电子管,使声卡的体积较小,在音质方面也有所区别,各具特色.2.电子管6N11J图15.6N11J电子管6N11电子管原本用于电子管电视机或电子管高频VHF放大的Cascode线路.该管制作非常精致,二层带齿的云母片、单柱圆表除气环,尤其是方形灰色短屏使它和别的管子不同,由于三极部分距离很近,因此用不锈钢片屏蔽将它们隔离开,并与9脚相接,使二边串扰减到最小.为使噪音低、隔离度好,焊机时9脚要妥善接地,该管的管脚排列见下图所示:图16.6N11管脚图现代很多电子管名厂如Audio Research、Conrad Johnson、Sonic Frontiers及近期的几个品牌的国产前极都使用该管,由此可见它的声音自然有可取之处.6N11的最大屏极电压为130V,灯丝供电为 6.3×0.34(V×A),它的最大屏极耗散功率为2.2W,最大阴极电流22mA,灯丝与阴极间击穿电压为+/-130V,屏极工作电压为90V,屏极电流约10mA,阴极电阻为90欧,跨导为12.5gm;放大因数约30u.近几年来该管在电子管放大器应用日见频繁,尤其是在SRPP(分流调节推挽线路)前极放大器中,土炮烧友对其已达到“非用不可”的地步,由于媒介的大力渲染以及市场的需要,一枚国产6N11售价已由八九元炒至三四十元.与6N11技术指标近似的国外同类管还有6DJ8、ECC88、6H11N、CV2492、6922、E88CC、cca、从名称来区分,6N11和6DJ8、ECC88、CV2492是同一类管能互相更换的管子(6H11N是前苏联管),而6922、E188C、E88CC是更高屏压的同类管(屏极工作电压为220V,屏极电流15mA,灯丝电压6.3V,灯丝电流0.36A),cca(或CCA)则是厂方依照6922或E88CC的参数造出来的特别版.随着国内外Hi-Fi界的交流,上述不少电子管在国内都可以购到,尽管它们的技术参数相似也因生产厂家和制作工艺的不同而呈现出不同的产品质素与声音表现.目前,6N11已广泛应用于音响器材,其放大能力属中u管(u=30),同时其EP-IP特性曲线优良,比12A系列更精良.它的声音比其他不同类型的电子管显得快速而分析力高,音染极少,拾取微弱信号的能力强,并以音色通艉、消澈而著称,若和胆味浓烈的12AX7相比,12AX7就好像是属音响界的Jadis 派(音色浓烈,音染味重),6N11则属Cello派(没有自己的音色、味淡、传真度高),各有各风格.这次制作的USB声卡上采用的是国产北京6N11J(后缀J表示为军用级),它的除气剂碟上的金属片是方形的,在结构上的用料它与6DJ8也不相同,最大区别是6N11的屏极呈银金属色,而6DJ8却是石墨料.另外,国产6N11身形稍肥大,这个管子在重放合唱的场合中有一定的现场感,人声表现尚可,中频质感有一定水平,但声场纵深度较为欠缺,层次细节不足.3.耦合电容提起耦合电容,那么就要先说这次制作的USB声卡的三个版本:豪华版、增强版和普通版,它们的区别也就是在使用的耦合电容、滤波电容上.所有的三个版本的USB电子管声卡的电阻均使用的是国营893厂生产的精密6色环金属膜电阻,电源变压器均使用从成都崇达电子专门定制的50W环牛.图17.豪华版图18.豪华版的耦合电容豪华版的耦合电容使用的是SCR Solen的音响专用MKP电容,分别是0.22μF和3.3μF(普通版是2.2μF).图19.豪华版的滤波电容滤波电容使用ELNA音频专用补品电解电容、松下金字高速电解电容,褪耦电容使用三洋OS半导体固体电解电容、Philips橙色聚丙烯电容.图20.增强版图21.增强版的滤波电容增强版的滤波电容使用松下工业品高速电解电容,褪耦电容使用三洋OS半导体固体电解电容和德国黑WIMA.耦合电容使用的是成都宏明电子(国营719厂)的军品级CL41和CFR06AR金属化聚碳酸脂电容,分别是0.33μF和2.5μF(普通版分别是0.22μF和2.2μF).图23.普通版图24.普通版的耦合电容普通版的耦合电容使用的是成都宏明电子(国营719厂)的音响专用MKP(金属化聚丙烯)电容,分别是0.22μF和2.2μF.图25.普通版的滤波电容为何使用昂贵的SCR Solen电容呢?用SCR Solen电容可以使MP3的听感变好——Solen 的低音松散缺乏冲击力和气势,中音厚实的有些过分,高频朦胧柔化,像蒙了一层薄纱.听MP3,特别是码率低的MP3的时候,SCR Solen的音色特点对MP3毛躁的声音在很大程度上起了弥补作用,让MP3的声音听起来很柔和甜美,富有音乐感.但是在听高质量的APE或者W A V文件时,宏明音响专用MKP电容的声音清晰度,速度感和力度感十足,高频清丽有很强的质感,听弦乐尤其爽.如果单纯听APE或者CD的话,基本上可以认为SCR Solen是昂贵的垃圾,要知道其价格是宏明(国内一流的电容生产厂)同等容量电容的10倍以上.正因为如此,再加上某些品牌型号的电容在市场上难以寻觅,有价无货,因而豪华版和增强版都作为不同搭配而表现不同性能的存在,仅仅各做了一块样品,倒是普通版做了将近40块了.组装调试图26.最初的测试版本最初的测试版本看上去比普通版都要“缩水”的多由于稳压芯片7812发热量很大,在所有的版本上都安装了黑色的散热片,以保证能正常工作.4个LM317稳压芯片直立安插在PCB上,外观摸样跟MOSFET管几乎一样.图27.测试版改进的部分由于测试版的效果不理想,在后续的调试中改动了部分电路、增加了左边的耦合电容以及更换了滤波电容图28.测试版采用了飞线,方便调试图29.测试版效果试听听起来用起来如何笔者拿到USB声卡,迫不及待的接上电源,PCB上的PWR灯与SSPND指示灯随之亮起,接上USB线,很顺利的进入Windows XP并马上就辨认出USB Audio Device,不必另外安装驱动程序(实际上在Windows 98SE、Windows Me、Windows 2000下都不需要安装驱动程序,真正的即插即用),SSPND灯随之熄灭,播放时PlyBK灯也会发亮,功能与效果一切正常.图30.工作中的豪华版USB电子管声卡图31.设备管理器对设备的识别图32.设备属性图33.设备驱动显示马上播放电脑里的MP3,配上惠威的M200有源音箱,觉得音质还不错,轻易胜过一般的娱乐用声卡,但因为播放的是网上下载的一些MP3,所以也只是觉得比声卡好听而已,并没有很惊艳的感觉,换上直接从CD抓下来的W A V文件和从网上下载的APE(一种无损压缩的音频文件)与高码率的MP3,果然与常规声卡有了明显的区别!与常规声卡最明显的差异在于USB电子管声卡里面出来的是充满音乐味,高解析度而又很柔和的声音,让人有一直听下去的欲望.而笔者的常规声卡(笔者目前使用的是Creative的SB Live!标准版CT4620和Diamond的MX400)与之相比就显得声音干冷毛躁,没有耐心去仔细品味音乐了.结束语这款USB电子管声卡的优点就不必再说了,但是“缺点”也是很明显的:作为DIY的作品,没有外壳,还要附带一个庞大的电源,使用有些不方便——按照hifi的说法就是“DIY的东西,为了音质效果,不向其它任何因素妥协,从而放弃了采用USB供电和机箱电源供电的方案,采用外置也减少了一些不必要的干扰”.。
一种高性能USB声卡的设计与制作李征【摘要】设计并制作了一款USB声卡.该声卡采用PCM2706C芯片将数字音频信号转换为12S信号,传入音频DAC芯片CS4398进行数模转换,再将输出的差分音频信号送入音频运放OPA1612进行放大驱动耳机发出声音.通过实物调试,该声卡具有高保真、音量可调、外观美丽、功耗低等特点,具有较高的实用价值.【期刊名称】《新余学院学报》【年(卷),期】2018(023)005【总页数】4页(P30-33)【关键词】声卡;USB;PCM2706C;CS4398【作者】李征【作者单位】安徽电子信息职业技术学院,安徽蚌埠233030【正文语种】中文【中图分类】TN912声卡是实现数字/音频信号相互转换的一种硬件,其质量好坏决定了声音的表现力。
受限于集成化和成本的控制,目前普及的箱内板载声卡已不能满足人们对声音质量的需求,主要是因为机箱内的电磁噪声对于声卡这种带有模拟电路的设备很容易产生干扰,致使声音信噪比降低,加上笔记本电脑逐渐普及,又不能通过加装板卡式独立声卡来改善音质,使用USB外置声卡成了提高音频质量最合适的方案。
1 系统总体方案设计本USB声卡的硬件电路主要由数字信号接收、数字/模拟信号转换及模拟信号放大三部分组成,具体框图如图1所示。
图1 USB声卡系统框图音频信号一般以数字形式存储于介质中,通过音频信号接收电路将数字音频信号转换成I2S信号,数模信号转换电路的作用是将I2S信号转换成模拟音频信号,转化后的模拟音频信号通过模拟信号放大电路的放大,从而驱动负载发出声音。
2 硬件电路设计2.1 电源电路该系统的电源电路主要由三部分组成,分别是给整个系统供电的USB5V电路、音频信号接收和数模信号转换所需的3.3V电源电路、模拟信号放大所需的-5V电路。
2.1.1 5V电源电路电脑的USB接口可输出电压为+5V、电流为500 mA的直流电,可以作为VCC为本设计的电路供电。