喷涂工艺流程图
- 格式:xls
- 大小:18.50 KB
- 文档页数:2
喷漆工艺流程图
喷漆工艺流程图详细描述了喷漆的各个环节及流程,包括准备工作、涂料配制、喷涂操作和整理工作等,并对每个环节的操作步骤进行了说明。
首先,喷漆工艺的前期准备工作非常重要。
首先需要准备喷漆设备,包括喷枪、压力罐和压缩空气源等。
然后需要对喷漆工作区域进行清洁和防尘处理,确保喷漆过程不受外界环境的影响。
同时,还需要准备好所需的涂料、稀释剂和清洗剂等。
接下来是涂料的配制过程。
根据所要喷涂的物品的材料和颜色要求,准确计算出所需的涂料配方,并按照比例混合。
同时,还需要根据需要调节涂料的粘度,以保证喷涂时的流动性和覆盖性。
然后是喷涂操作的具体步骤。
首先,将经过配制的涂料倒入喷枪的杯中,并调整喷嘴的大小和喷涂的压力,以达到所需的喷涂效果。
然后,将喷枪对准要喷涂的物品的表面,保持适当的喷涂距离和角度,开始均匀地喷涂。
在喷涂过程中要注意控制喷涂厚度和均匀性,以避免出现喷漆不均匀或厚度过大的情况。
喷涂完成后,需要进行整理工作。
首先是等待涂层干燥,根据涂料的具体干燥时间来确定等待时间。
接着,对喷涂过程中出现的不均匀、漏喷或流挂等缺陷进行修补处理。
最后,对喷涂完毕的物品进行清理和保养,包括清洗喷枪和相关设备、清理喷枪杯和喷漆区域,并进行喷漆设备的维护和保养。
整个喷漆工艺流程图清晰地呈现了喷漆的每个环节和步骤,并且对每个环节的操作要求进行了详细的说明。
通过严格按照流程图进行操作,可以保证喷漆工艺的稳定和整体质量的提高。
设 3 个工位. 需 4 人38Jph(4.28m/min). 二楼涂装车间工艺流程图预清理洪流冲洗槽预脱脂脱脂第一水洗第二水洗表调磷化第三水洗第四水洗第一纯水洗第二纯水洗白车身设 2 个工位. 需 1 人. 一楼设 3 个工位需 4 人存80 台电泳车.38Jph(3.79m/min) 机器人4台38Jph(3.79m/min) 一楼38Jph(3.48m/min) 二楼焊缝密封IBS (自动)检查及换夹具电泳烘干纯水喷洗槽纯水浸洗槽电泳UF3 喷洗槽UF2 浸洗槽UF1 喷洗槽设1 个工位. 机器人 4 台设 1 个工位. 需 2 人存22 台涂胶车. 设7 个工位。
需12 人. 13 台机器人二楼设9 个工位. 需24 人. 一楼离线钣金38Jph(3.21m/min) 二楼38Jph(4.12m/min) 一楼38Jph(4.43m/min)38Jph(36m/min) 一楼38Jph(36m/min) 一楼38Jph (3.79m/min)焊缝密封(人工)遮蔽下底板(UBS)喷PVC 裙边喷涂卸遮蔽(RPP) 胶烘干电泳打磨擦净中涂设 1 个工位. 需 4 人设 1 个工位. 机器人4台设1 个工位. 需3人设1个工位. 机器人2台38Jph(36m/min) 一楼38Jph(36m/min) 一楼38Jph(36m/min) 一楼离线打磨38Jph(4.43m/min)机器人 2 台二楼贴膜报交检查精修清漆色漆闪干色漆中涂闪干面漆烘干送总装设 4 个工位. 需 4 人设8 个工位. 需15 人存65 台面漆车二楼15 台机器人二楼17 台机器人二楼38Jph(4.12m/min )一楼38Jph(4.12m/min )一楼38Jph(3.48m/min) 38Jph(4.43m/min) 38Jph(4.43m/min)。
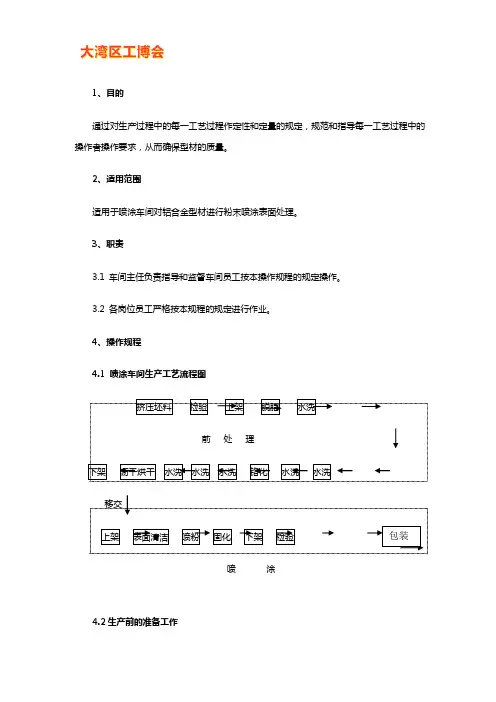
1、目的通过对生产过程中的每一工艺过程作定性和定量的规定,规范和指导每一工艺过程中的操作者操作要求,从而确保型材的质量。
2、适用范围适用于喷涂车间对铝合金型材进行粉末喷涂表面处理。
3、职责3.1 车间主任负责指导和监督车间员工按本操作规程的规定操作。
3.2 各岗位员工严格按本规程的规定进行作业。
4、操作规程4.1 喷涂车间生产工艺流程图挤压坯料→检验→上架→脱脂→水洗前处理下架←沥干烘干水洗水洗水洗←铬化←水洗←水洗移交↓上架→表面清洁→喷粉→固化→下架→检验包装喷涂4.2生产前的准备工作4.2.1提前15分钟上班,做好交接班手续,并配戴好生产安全防护用品。
4.2.2型材上架前,按《喷涂车间设备操作规程》的相关规定,将设备启动运行并检查,确认设备运转正常后方可生产。
4.2.3坯料准备:(责任人:前处理工)a)前处理工按车间下达的生产指令领用和吊运坯料;并核对型材的长度、数量、壁厚是否和生产指令单相符,确定无误后才能生产b)上架时认真检查坯料质量的是否符合《挤压半成品检验规程》的规定要求。
如出现有质量问题及时向相关人员汇报。
c)抬料时要轻拿放,避免因为人为的因素造成损坏铝型材坯料。
d)上排绑料时头尾要一致对齐,避免在各槽溶浸泡中相互擦花。
e)用完的工具必须整齐摆放,保持场地整洁、干净。
4.2.4专用工具准备。
相关岗位人员检查以下工具是否齐备和符合使用要求:a)挂钩:导电良好,无空缺、无变形;b)小车:能正常推动。
4.2.5原材料准备。
相关岗位人员检查以下生产用原材料是否足够:前处理化学药水、粉末。
4.2.6前处理操作和各槽液的浓度要求(1)脱脂:温度为常温,酸浓度50-90g/L脱脂时间5-10分钟(视铝件表面污染程度而定),材料吊起过槽时,要尽量倾斜,倾斜角度一般为5-10度角,并吊起并滴水1分钟;(2)水洗:三次用自来水清洗,时间为1-3分钟,要求各水洗槽有溢流;(3)铬化:铬化温度为常温,铬化剂浓度25-35g/L,PH值为1.5-3.0,铬化时间为1-3分钟。
喷涂车间工艺流程图一、引言喷涂车间是一种常见的工业生产车间,主要用于对产品进行喷涂和涂装,以提高产品的表面质量和保护产品的耐用性。
喷涂车间工艺流程图是一种图形化的表示方式,用于展示喷涂车间的工艺流程和各个工序之间的关系。
本文将详细介绍喷涂车间工艺流程图的标准格式及其内容要求。
二、标准格式喷涂车间工艺流程图的标准格式如下:1. 图表编号:每个工艺流程图应有唯一的编号,便于查找和引用。
2. 图表标题:简明扼要地描述工艺流程的内容和目的。
3. 图表说明:对图表中各个元素和符号的含义进行解释。
4. 工艺流程图:按照工艺流程的先后顺序,使用适当的符号和箭头表示各个工序之间的关系。
5. 工序说明:对每个工序进行详细的描述,包括工序名称、工序目的、所需设备和材料、操作步骤等。
6. 工艺参数:对每个工序的关键参数进行说明,如温度、湿度、喷涂厚度等。
7. 质量控制:对每个工序的质量控制要求进行说明,如检测方法、合格标准等。
8. 安全注意事项:对每个工序的安全注意事项进行说明,如防护措施、危险品处理等。
三、内容要求喷涂车间工艺流程图的内容应准确反映实际生产过程,并满足以下要求:1. 完整性:工艺流程图应包含喷涂车间的所有工序,从原料准备到成品出库。
2. 逻辑性:工艺流程图应按照工艺流程的先后顺序进行排列,保证工序之间的逻辑关系清晰明了。
3. 易读性:工艺流程图应使用清晰、简洁的符号和标识,便于工作人员理解和操作。
4. 一致性:工艺流程图中使用的符号和标识应统一,避免混淆和歧义。
5. 可操作性:工艺流程图应提供工序的详细说明和操作步骤,以便操作人员按照流程进行操作。
6. 可追溯性:工艺流程图应标明图表编号和日期,便于查找和追溯工艺变更记录。
四、示例工艺流程图下面是一个示例的喷涂车间工艺流程图,用于说明标准格式的具体内容:图表编号:PTJ-001图表标题:喷涂车间工艺流程图图表说明:- 矩形框表示工序;- 箭头表示工序之间的先后顺序;- 实线箭头表示正常工艺流程;- 虚线箭头表示异常工艺流程;- 圆形表示检验点。
生产工艺流程图
清HDZ
面选料——梳齿指接——四面刨——划线——拼板——砂光——检修——双端铣——打孔——精砂——检修——喷涂——辊涂——组加强撑——全检配色——包装
腿选料——梳齿指接——砂光——划线——拼板——四面刨——定长——打孔——精砂——检修——辊涂——组装——全检——包装
餐车
面选料——梳齿指接——四面刨——划线——拼板——砂光——检修——双端铣——精砂——检修——涂油——包装
腿选料——梳齿指接——四面刨——划线——拼板——四面刨——定长——打孔——精砂——检修——辊涂——喷涂——组装——全检——包装
中桌
面选料——梳齿指接——四面刨——划线——拼板——粗砂——精砂——双端铣——打孔——开槽——检修——喷涂——辊涂——组装——全检配色——包装
腿选料——梳齿指接——四面刨——划线——拼板——四面刨——定长——打孔——精砂——检修——辊涂——全检——包装
裙板选料——梳齿指接——四面刨——划线——拼板——四面刨——定长——打孔——开槽——精砂——检修——辊涂——全检——包装。
粉末静电喷涂技术的典型工艺流程为:工件前处理→喷粉→固化→检查→成品1.1 前处理工件经过前处理除掉冷轧钢板表面的油污和灰尘后才能喷涂粉末,同时在工件表面形成一层锌系磷化膜以增强喷粉后的附着力。
前处理后的工件必须完全烘干水分并且充分冷却到35℃以下才能保证喷粉后工件的理化性能和外观质量。
1.2 喷粉1.2.1 粉末静电喷涂的基本原理工件通过输送链进入喷粉房的喷枪位置准备喷涂作业。
静电发生器通过喷枪枪口的电极针向工件方向的空间释放高压静电(负极),该高压静电使从.喷枪口喷出的粉末和压缩空气的混合物以及电极周围空气电离(带负电荷)。
工件经过挂具通过输送地(接地极),这样就在喷枪和工件之间形成一个电场占粉末在电场力和压缩空气压力的双重推动下到达工件表面,依靠静电吸引在工件表面形成一层均匀的涂层。
1.2.2 粉末静电喷涂的基本原料用室型环氧聚酯粉末涂料。
它的主要成分是环氧树脂、聚酯树脂、固化剂、颜料、填料、各种助剂(例如流平剂、防潮剂、边角改性剂等).粉末加热固化后在工件表面形成所需涂层。
辅助材料是压缩空气,要求清洁干燥、无油无水[含水量小于1.3g/m3、含油量小于1.0×10-5%(质量分数)]1.2.3 粉末静电喷涂的施工工艺●静电高压60-90kV。
电压过高容易造成粉末反弹和边缘麻点;电压过低上粉率低。
●静电电流10~20μA。
电流过高容易产生放电击穿粉末涂层;电流过低上粉率低●流速压力0.30-0.55MPa.流速压力越.高则粉末的沉积速度越快,有利于快速获得预定厚度的涂层,但过高就会增加粉末用量和喷枪的磨损速度。
●雾化压力0.30~0.45MPa。
适当增大雾化压力能够保持粉末涂层的厚度均匀,但过高会使送粉部件快速磨损。
适当降低雾化压力能够提高粉末的覆盖能力,但过低容易使送粉部件堵塞。
●清枪压力0.5MPa。
清枪压力过高会加速枪头磨损,过低容易造成枪头堵塞。
●供粉桶流化压力0.04~0.10MPa。
涂装车间工艺流程图引言概述:涂装车间工艺流程图是指在汽车生产过程中,涂装车间的工艺流程图,通过图表形式展示了涂装车间各个工序的先后顺序和流程,帮助生产人员了解整个涂装过程,提高生产效率和质量。
一、前处理工序1.1 表面清洁:在涂装前,需要对汽车表面进行清洁处理,以去除油污、灰尘等杂质。
1.2 防锈处理:对汽车表面进行防锈处理,以保护车身不受腐蚀。
1.3 喷涂底漆:喷涂底漆是为了增加漆膜的附着力和保护性,为后续的涂装工序做准备。
二、涂装工序2.1 静电喷涂底漆:采用静电喷涂技术,使底漆均匀附着在汽车表面。
2.2 烘干:将喷涂好的底漆进行烘干,使其快速固化。
2.3 手工打磨:对底漆进行手工打磨,使表面平整光滑。
三、涂装工序3.1 喷涂面漆:采用喷涂技术,将面漆均匀涂抹在汽车表面。
3.2 烘干:将喷涂好的面漆进行烘干,使其快速固化。
3.3 抛光:对面漆进行抛光处理,使其具有良好的光泽度。
四、涂装工序4.1 涂装质检:对涂装后的汽车进行质量检测,确保涂装质量符合标准。
4.2 补漆修饰:对涂装不良的部分进行补漆修饰,保证整体外观美观。
4.3 喷涂透明漆:喷涂透明漆是为了增加漆膜的光泽度和保护性。
五、涂装工序5.1 烘干:将喷涂好的透明漆进行烘干,使其快速固化。
5.2 抛光:对透明漆进行抛光处理,使整个漆膜更加光滑。
5.3 涂装完成:完成整个涂装工序,汽车外观光亮、均匀。
结论:涂装车间工艺流程图是汽车生产中不可或缺的一部分,通过清晰的工艺流程图,生产人员可以更好地掌握涂装工序的先后顺序和流程,提高生产效率和质量,确保汽车外观的美观和保护性。
喷涂车间工艺流程图喷涂车间是制造业中非常重要的一个环节,它涉及到产品表面的装饰、保护和涂层的质量控制等方面。
为了更好地组织和管理喷涂车间的生产流程,制定一份详细的工艺流程图是非常必要的。
下面是我为您编写的喷涂车间工艺流程图的标准格式文本。
1. 背景介绍喷涂车间是用于对产品进行涂装的生产环节,主要包括涂装前的准备工作、涂装过程和涂装后的处理工作。
通过合理的工艺流程图,可以使喷涂车间的生产更加高效、规范和可控。
2. 工艺流程图以下是喷涂车间的工艺流程图,包括了涂装前的准备、涂装过程和涂装后的处理工作。
2.1 涂装前的准备工作2.1.1 产品接收与检验- 接收产品并进行入库登记。
- 对产品进行外观检查和尺寸测量,确保产品符合要求。
2.1.2 表面处理- 清洗产品表面,去除油污和杂质。
- 进行除锈处理,保证产品表面光洁度。
- 进行酸洗或碱洗,提高涂层附着力。
2.1.3 掩膜和遮盖- 根据产品要求,对需要保护的部位进行掩膜或遮盖。
- 确保掩膜或遮盖材料与产品表面充分贴合,防止漏涂。
2.2 涂装过程2.2.1 喷涂设备准备- 检查喷涂设备的状态,确保正常运行。
- 准备好所需的涂料、溶剂和喷涂工具。
2.2.2 涂料配制- 根据产品要求和涂装工艺,准确配制涂料。
- 确保涂料的质量符合要求,避免出现涂层缺陷。
2.2.3 喷涂操作- 将产品放置在喷涂设备中,确保产品稳定。
- 根据产品要求和涂装工艺,控制喷涂参数,如喷涂压力、喷涂速度等。
- 均匀、连续地进行喷涂,确保涂层厚度均匀一致。
2.3 涂装后的处理工作2.3.1 干燥与固化- 将喷涂完成的产品放置在通风良好的区域进行自然干燥。
- 根据涂料要求,进行烘干或固化处理,确保涂层的质量和耐久性。
2.3.2 检验与修复- 对喷涂完成的产品进行外观检查和质量检验。
- 如果发现涂层缺陷,及时进行修复或重新喷涂。
2.3.3 包装与出库- 对合格的产品进行包装,确保产品的安全运输。
涂装车间工艺流程图一、引言涂装车间工艺流程图是描述涂装车间生产过程的图表,通过图表可以清晰地展示涂装车间的工艺流程,包括涂装前的准备工作、涂装过程中的各个环节以及涂装后的处理工作。
本文将详细描述涂装车间的工艺流程图,包括各个环节的具体操作步骤和所需的设备。
二、工艺流程图1. 准备工作涂装车间的准备工作是确保涂装过程的顺利进行的重要环节。
准备工作包括以下步骤:- 确定涂装的材料和颜色,根据产品要求选择适当的涂料和颜色;- 准备涂装设备,包括喷涂枪、喷涂柜、过滤器等;- 清洁涂装区域,确保涂装区域干净无尘;- 检查涂装设备的工作状态,确保设备正常运行。
2. 表面处理表面处理是保证涂装效果良好的关键步骤。
表面处理包括以下步骤:- 清洁表面,去除灰尘、油污等杂质;- 去除旧涂层,使用化学溶剂或者机械方法将旧涂层彻底去除;- 打磨表面,使用砂纸或者砂轮对表面进行打磨,以增加涂层附着力;- 防锈处理,对金属表面进行防锈处理,以延长涂层寿命。
3. 底漆涂装底漆涂装是为了增加涂层的附着力和保护基材的关键步骤。
底漆涂装包括以下步骤:- 搅拌底漆,将底漆充分搅拌均匀,确保涂装效果均匀;- 喷涂底漆,使用喷涂枪将底漆均匀地涂在待涂物体表面;- 干燥底漆,将涂有底漆的物体放置在通风良好的地方,等待底漆干燥。
4. 面漆涂装面漆涂装是为了增加涂层的美观和保护底漆的关键步骤。
面漆涂装包括以下步骤:- 搅拌面漆,将面漆充分搅拌均匀,确保涂装效果均匀;- 喷涂面漆,使用喷涂枪将面漆均匀地涂在已干燥的底漆表面;- 干燥面漆,将涂有面漆的物体放置在通风良好的地方,等待面漆干燥。
5. 涂装后处理涂装后处理是为了保证涂层质量和产品的完整性的关键步骤。
涂装后处理包括以下步骤:- 检查涂层质量,对涂装后的产品进行检查,确保涂层质量达到要求;- 包装产品,将涂装完成的产品进行包装,以保护产品免受外界伤害;- 存储产品,将包装好的产品妥善存放,以防止涂层受到损坏。
喷涂车间工艺流程图一、引言喷涂车间是指用于进行喷涂工艺的专门车间,常见于汽车制造、家具制造、船舶制造等行业。
喷涂车间工艺流程图是对喷涂车间内各个工艺环节进行图形化描述和规划的工具,它能够清晰地展示喷涂车间的工艺流程和各个工艺环节之间的关系,有助于提高生产效率和质量控制。
二、车间布局喷涂车间的布局应根据实际情况进行规划,以确保各个工艺环节之间的流畅性和安全性。
一般而言,喷涂车间的布局应包括以下区域:1. 原料储存区:用于存放喷涂所需的原料,如涂料、溶剂等。
该区域应保持干燥、通风良好,并设有防火设施。
2. 喷涂区:用于进行喷涂工艺的核心区域。
该区域应配备喷涂设备、喷涂枪、喷涂台等,并设有通风系统,以排除有害气体。
3. 干燥区:用于对喷涂后的产品进行干燥处理。
该区域应具备适当的温度和湿度控制设备,以确保产品的干燥质量。
4. 检验区:用于对喷涂后的产品进行质量检验。
该区域应配备检验设备和工具,并设有充足的光照。
5. 包装区:用于对符合质量要求的产品进行包装。
该区域应配备包装设备和材料,并设有合适的存储空间。
三、工艺流程喷涂车间的工艺流程通常包括以下环节:1. 准备工作:包括清洁喷涂设备、准备喷涂所需的原料、检查设备的工作状态等。
2. 喷涂前处理:包括对待喷涂物品进行清洁、除锈、打磨等处理,以确保喷涂效果和附着力。
3. 喷涂操作:将准备好的喷涂原料通过喷涂枪均匀地喷涂到待处理物品表面。
喷涂操作应根据不同的喷涂原料和物品类型进行调整,以达到最佳喷涂效果。
4. 干燥处理:将喷涂后的物品放置在干燥区进行干燥处理。
干燥时间和温度应根据不同的喷涂原料和物品类型进行调整。
5. 检验质量:对干燥后的产品进行质量检验,包括外观质量、附着力、耐久性等指标的检测。
6. 包装出货:对符合质量要求的产品进行包装,并按照订单要求进行出货。
四、数据统计与分析为了对喷涂车间的生产效率和质量进行监控和改进,需要进行数据统计与分析。
常见的统计指标包括:1. 喷涂效率:即单位时间内完成的喷涂作业量。
序号123涂装工艺流程图湖南江南汽车制造有限公司重庆分公司审核批准修改记录表 / 变更事项修改时间修改者确认人编制产品型号JNJ7155/QT 文件编号M12-TZ21-TY版本号A/0TZ5-06预烘干TZ5-04色漆检查TZ5-03色漆外板自动喷涂TZ5-02色漆内板手工喷涂TZ5-01面漆擦净面漆存储TZ5-11面漆烘干/强冷TZ5-09清漆检查TZ5-08清漆外板自动喷涂TZ5-07清漆内板自动喷涂TZ4-07中涂打磨中涂存储TZ4-06中涂烘干/强冷TZ4-04中涂检查TZ4-03中涂外板自动喷涂TZ4-02中涂内板手工喷涂TZ4-01中涂擦净TZ3-07细密封TZ3-06铺阻尼板TZ3-05粗密封TZ3-04下遮蔽TZ3-03PVC TZ3-02上遮蔽TZ3-01堵盖TZ2-01阴极电泳TZ2-02UF1TZ2-03UF2TZ2-04纯水洗3TZ2-05转挂TZ2-06电泳烘干/强冷TZ2-07治具交换TZ2-08电泳打磨前处理线电泳线P V C中涂线检查修补线面漆线TZ1-01预清理/治具安TZ1-08纯水洗1焊装白车身TZ1-11水洗4TZ1-10水洗3TZ1-12纯水洗2TZ1-07水洗2TZ1-02转挂TZ1-03热水洗TZ1-04预脱脂TZ1-05脱脂TZ1-06水洗1TZ1-09硅烷薄膜处理TZ6-01面漆修饰TZ6-02贴膜TZ6-03喷蜡交付总装TZ4-05中涂流平TZ5-05色漆流平TZ5-10清漆流平沥水注:红色字体为关键工。
人工作业+整车进入
人工作业,涂刷综合处理剂,涂密封胶
净化空气送风+干式过滤+活性碳吸附+高压无气喷漆+三维工作台
喷漆室内流平时间~10min
加热方式:天然气热风循环加热烘干温度:≥60℃烘干时间:~30min
工件送至上下件区自然冷却
人工+三维工作台
加热方式:电烤灯加热烘干温度:≥60℃
烘干时间:~30min
刮腻子、打磨室外时间~10min
人工+三维工作台
净化空气送风+干式过滤+活性碳吸附+高压无气喷漆+三维工作台
喷漆室内流平时间~10min
加热方式:天然气热风循环加热烘干温度:≥60℃烘干时间:~30min
自然冷却
净化空气送风+干式过滤+活性碳吸附+高压无气喷漆+三维工作台
喷漆室内流平时间~10min
加热方式:蒸汽热风循环加热烘干温度:≥60℃烘干时间:~30min
自然冷却
人工作业。