白卡纸生产案设计
- 格式:doc
- 大小:178.00 KB
- 文档页数:8
白卡纸生产工艺
白卡纸是一种制作包装盒、名片、贺卡等产品的常用材料,其生产工艺通常包括以下环节:
1. 原料准备:白卡纸的主要原料是废纸和木浆。
首先要对这些原料进行分类、筛选和清洗,确保其质量符合生产要求。
2. 质量调整:将经过清洗的废纸和木浆混合,并添加一定比例的草木灰或其他化学物质以调整纸张的质量和颜色。
3. 汉浆制备:将混合好的原料放入汉浆机中,添加适量的水,并进行搅拌、研磨和蒸煮,直至形成稀薄的纸浆。
4. 纸浆造纸:将纸浆倒入纸浆机的浆池中,利用网纹纸机将纸浆均匀地分布在织纸网上,并将多余的水分脱去,形成湿纸。
5. 压榨和干燥:将湿纸经过压榨机进行压榨,以去除湿纸中的水分。
然后将压榨后的湿纸传送到烘干机中,经过高温和烘干,将纸张的水分完全蒸发。
6. 表面处理:通过涂布机对干燥的纸张进行表面处理,如填补毛孔、增加光泽度等,以提高纸张的质感和外观。
7. 切割和整理:将表面处理好的纸张进行切割和整理,使其符合预定的尺寸和形状要求。
8. 检验和包装:对切割整理好的纸张进行质量检验,检查其表
面平整度、光泽度等指标是否合格。
合格后进行包装,一般以包装纸或塑料薄膜包装。
最后,制成的白卡纸可以根据其厚度和质量的不同,进行定型处理,以满足不同产品对纸张的要求。
以纸为主要材料的产品设计案例一、纸椅子。
1. 设计思路。
你能想象用一张张纸就能做出一把能坐人的椅子吗?有个设计师就这么干了。
他可能是这么想的:“大家都觉得纸很脆弱,我偏要让它变得超级结实。
”2. 制作过程。
首先呢,他选用了那种特别厚的硬卡纸。
这种卡纸就像是纸中的硬汉,比普通的纸要强壮得多。
然后把这些卡纸切割成特定的形状,有的像长长的条子,有的像弯弯的月牙。
接着就开始像搭积木一样把这些纸部件组装起来。
不过这可不是简单的搭,得用特殊的胶水或者折叠的技巧让它们紧紧地连在一起。
比如说,在椅子腿的部分,把纸条一层一层地卷起来,就像卷蛋卷一样,这样椅子腿就变得又粗又结实。
椅子面呢,就用很多层卡纸交叉叠放,增加它的承重力。
3. 功能与特色。
这纸椅子看起来超级时尚,有一种简约又现代的美感。
而且它很轻便,你要是想换个地方坐,轻松就能把它搬走。
对于那些小户型的房子来说,简直是神器,不用的时候可以把它折叠起来塞到角落里,一点都不占地方。
二、纸灯具。
1. 设计思路。
设计师可能在一个夜晚,看着昏黄的灯光,突然灵机一动:“我要用纸来捕捉光,让它变得更有诗意。
”2. 制作过程。
他先找了那种半透明的宣纸。
这种纸就像个温柔的小仙子,能让光变得柔和又朦胧。
然后把宣纸剪成各种形状,有圆形的,像一轮明月;有三角形的,像个小金字塔。
再用细细的竹条或者铁丝做框架,把剪好的宣纸小心翼翼地糊在框架上。
比如说做一个球形的纸灯,就把竹条弯成一个球的形状,再把宣纸一片一片地贴上去,贴的时候还要注意不能有褶皱,不然光透出来就不漂亮了。
3. 功能与特色。
纸灯具营造出来的氛围那是相当的棒。
当你打开灯的时候,柔和的光线透过宣纸,会在房间里投射出美丽的光影。
就像在墙上画出了一幅幅水墨画一样。
而且它还很环保,不像那些塑料灯具,生产过程中可能会产生很多污染。
三、纸手表带。
1. 设计思路。
有人就想啊,手表带为什么一定要是金属或者皮革的呢?纸也可以很有个性啊。
于是就决定设计纸手表带。
陕西科技大学毕业设计(论文)任务书造纸工程学院轻化工程(制浆造纸方向)专业062 班级学生:龙晓宇题目:年产20万吨涂布白卡纸制浆造纸综合工厂重点:日产150吨白卡纸打浆流送上网工段毕业设计(论文)从2010 年5月1 日起到2010 年6 月7日课题的意义及培养目标:造纸车间流送工段是制浆造纸综合工厂的重要车间,通过对打浆流送工段的设计,学生可以更加系统掌握造纸车间工艺流程和工艺条件及化学品的使用,并初步流送工段工艺设计的程序和工作方法。
更重要的是,通过对流送工段的设计,使学生进一步熟悉和掌握制浆造纸工程的理论知识,对所学的理论知识得以融会贯通,提高学生综合认识、处理和解决问题的能力,适应新时期造纸工业的快速发展。
通过毕业实习、收集查阅资料,结合所学的制浆造纸工艺原理,对白卡纸打浆流送工段进行设计和说明,为学生今后从事造纸行业的生产实践工作打下良好的基础。
设计(论文)所需收集的原始数据与资料:(1)有关厂址地理条件、交通运输条件和常年气候条件的资料; (2)有关产品性能指标和产量的资料;(3)有关生产工艺的确定和各工段基本参数的资料;(4)总平面布置设计相关的理论、技术资料、技术标准等; (5)工艺流程图及设备布置图的相关规定、要求。
课题的主要任务(需附有技术指标分析):一、设计说明书一份,包括:(1)设计的依据条件、范围和要求,建厂可行性分析;(2)全厂总平面分析;(3)车间生产流程、生产方法和工艺条件选择的说明;(4)浆水平衡计算和设备选型计算;(5)车间工艺设备布置说明;(6)车间劳动组织、人员定额和技术经济指标;(7)向有关部门提资(如供水、供电、照明、采暖、通风等);(8)设计成果综合评述;(9)参考文献。
二、绘制设计图纸若干张,其中(1)全厂总平面布置图一张;(2)工艺流程图一张;(3)车间工艺设备布置图若干张。
(4)设备一览表;(5)浆水平衡图。
设计(论文)进度安排及完成的相关任务(以教学周为单位):周次设计(论文)任务及要求1—4 毕业实习收集资料,确定工艺和主要设备。
杭州师范大学学生科技协会“科技闪耀生活,结构突显魅力”卡纸结构设计活动策划书校科协组织部2014年11月6日一.活动背景科学技术创新是社会进步的不竭动力,而结构设计作为物理大家庭中的一个重要组成部分,与我们的生活息息相关。
大从房屋建造到桥梁设计,小从室内装修到家具摆设,结构设计一直存在于我们的生活中,为我们的生活提供着坚实与便利。
二.活动目的为了使结构设计更加贴近我们的生活,让同学们更加深切地感受到科学和结构设计的魅力,丰富同学们的课余生活,同时锻炼同学们的动手操作能力,让同学们发现创作的乐趣,培养欣赏的眼光,杭州师范大学科技协会特地举办“科技闪耀生活,结构突显魅力”卡纸结构设计活动。
三.活动主题科技闪耀生活,结构突显魅力四.活动单位主办单位:杭州师范大学科技协会五.活动时间及地点活动时间:2014年12月6日11:30-13:30活动地点:杭州师范大学下沙校区二期广场六.参与人员杭州师范大学下沙校区全体在校本科生及钱江学院全体在校本科生七.活动内容本次活动分为三个部分:1.卡纸结构设计的制作:参与者在工作人员的引导下就座,工作人员分发制作工具。
参与者在一个小时的时间内,利用一定大小的卡纸和一定数量的胶水,完成规定大小的轮廓的制作以及不作限定的内部结构的填充。
2.现场评比:完成后,参与者将作品送至评比处,由工作人员利用果汁进行结构牢固程度的测定,并填写登记表,记录最大承重甁数。
3.教师结构原理讲解:统计出最大承重结果后,请一位物理老师对影响结构承重的因素进行讲解,并介绍最佳承重结构3.奖品发放:每一个参与卡纸结构设计的成员可以获得参与奖一份;根据每一组参赛作品承受的重量,我们将评选出一名一等奖,获奖者可以在现场领取奖品或由工作人员送至参与者。
八.活动流程(1)活动前期:1.策划制作→2.杭州师范大学科技协会负责人第一次召开工作会议并分配任务→3.全体召开工作会议,按策划分配任务→4.现场登记表和宣传单制作与打印、海报制作→5.联系新闻中心→6.海报板与场地借用→7.海报张贴、宣传单的粘贴→8.物资借用(帐篷、桌子、凳子、移动海报板、线圈以及插线板)→9.联系物理老师→10.奖品及物品购买→11.全体人员召开会议再次确定工作任务及现场活动安排→12.参赛者短信通知→13.场地布置;(2)活动中期:1.工作人员安排参与者入座→2.分发卡纸及制作工具→3.引导参与者完成结构评估→4.引导参与者完成登记→5.物理教师讲解结构→6.活动结束;(3)活动后期:1.收拾场地→2.物品归还→3.送出未领取奖品的参与者的奖品→4.工作总结会议→5.小结、新闻稿以及财务报表与总结撰写→6.完善策划→7. 档案的整理与上交。
单面涂布白卡纸工艺标准单面涂布白卡纸工艺标准1范围木标准规定了单面涂布白卡纸不同定量工艺运行条件和涂料配方,主要包括浆料配比、上网浓度、填料用量、施胶固含、施胶量、涂布量、压光压力。
本标准适用于原纸面、底为漂白木浆、芯层为机械浆,经涂布后,压光整饰制成的涂布白卡纸。
2规范性引用文件下列文件对于本文件的应用是必不可少的。
凡是注日期的引用文件,仅所注日期的版本适用于本文件。
凡是不注日期的引用文件,其最新版本(包括所有的修改单)适用于本文件。
GB/T4687-2007纸、纸板、纸浆及相关术语GB/T451.2-2002纸和纸板定量的测定GB/T451.3-2002纸和纸板厚度的测定GB/T460-2008纸施胶度的测定GB/T742-2018造纸原料、纸浆、纸和纸板灼烧残余物(灰分)的测定(575℃和900℃)GB/T2679.11-2008纸和纸板中无机填料和无机涂料的定型分析电子显微镜/X射线能谱法GB/T10739-2002纸、纸板和纸浆试样处理和试验的标准大气条件3术语和定义3.1NBKPNBKP,英文Need1e(Softwood)B1eachedKraftPUIP的缩写,即漂白硫酸盐针叶木浆,是以针叶木为原料,采用硫酸盐法蒸煮、漂白后制得的一种化学纸浆。
3.21BKP1BKP,英文1eaf(Hardwood)B1eachedKraftPUIP的缩写,即漂白硫酸盐阔叶木浆,是以阔叶木为原料,采用硫酸盐法蒸煮、漂白后制得的一种化学纸浆。
3.3BCTMPBCTMP,英文BIeaChedChemica1Therma1Mechanica1PUIP的缩写,即漂白化学热磨机械浆,是将木片进行缓和化学处理,过氧化物漂白,得率为90%以上的浆。
3.4填料是指加入纸浆内的一些不溶于水的固体微粒,提高纸页灰分,降低纸页成本,本公司填料为碳酸钙。
3.5施胶量纸张通过表面胶液后,其表面涂上的胶料重量,以g∕∏f表示。
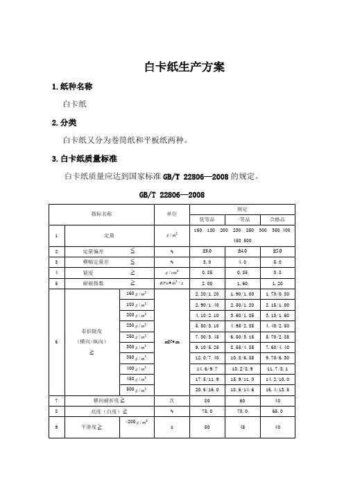
白卡纸生产方案1.纸种名称白卡纸2.分类白卡纸又分为卷筒纸和平板纸两种。
3.白卡纸质量标准白卡纸质量应达到国家标准GB/T 22806—2008的规定。
GB/T 22806—2008指标名称单位规定优等品一等品合格品1 定量2/g m160 180 200 230 250 300 350 400450 5002 定量偏差≤% 3.0± 4.0± 5.0±3 横幅定量差≤% 3.0 4.0 5.04 紧度≥3/g cm0.85 0.85 0.85 耐破指数≥2/K P a m g∙ 2.00 1.60 1.206泰伯挺度(横向/纵向)≥1602/g mm N m∙2.20/1.20 1.90/1.00 1.70/0.801802/g m 2.90/1.40 2.50/1.20 2.15/1.002002/g m 4.10/2.10 3.60/1.85 3.10/1.602302/g m 5.50/3.10 4.95/2.85 4.40/2.502502/g m7.30/3.45 6.50/3.15 5.70/2.853002/g m9.10/5.25 8.55/4.85 7.60/4.403502/g m12.0/7.40 10.8/6.85 9.70/6.304002/g m14.6/9.7 13.2/8.9 11.7/8.14502/g m17.5/11.9 15.9/11.0 14.2/10.05002/g m20.6/16.0 18.6/14.6 16.4/13.57 横向耐折度≥次80 60 408 亮度(白度)≥% 75.0 70.0 65.09 平滑度≥<2002/g ms 50 45 402002/g m--3002/g m40 35 30>3002/g m35 30 25 10 吸水性(正反面平均)≤2/g m305±11 尘埃度≤220.2~1.5m m m m2个/m28 36 4821.5m m>不应有12 交货水分% 7.0 2.0±4.关于白卡纸的描述涂布白卡纸是一种高档包装材料具有技术含量高、质量要求高、生产难度大的特点,主要用于小型高档商品及高附加值产品的外包装,尤其是在烟包领域,应用极为普遍。
白卡纸生产方案
1.纸种名称
白卡纸
2.分类
白卡纸又分为卷筒纸和平板纸两种。
3.白卡纸质量标准
白卡纸质量应达到国家标准GB/T 22806—2008的规定。
GB/T 22806—2008
4.关于白卡纸的描述
涂布白卡纸是一种高档包装材料具有技术含量高、质量要求高、生产难度大的特点,主要用于小型高档商品及高附加值产品的外包装,尤其是在烟包领域,应用极为普遍。
目前,烟卡多是定量为220~230g/m2的单面涂布白卡纸(由于背面要接触烟卷,故一般不使用双面涂布白卡纸),要求有较高的挺度、耐破度、平滑度、白度及优良的印刷适性,纸面要求平整,不许有条痕、斑点、凹凸、翘曲变形。
具体而言,烟卡具有以下几个方面的性能:
(1)优良的保护功能。
烟卡要有足够的强度,成型后的烟包应能在运输、仓储、使用过程中保护香烟并且其本身不受损伤。
(2)优良的后加工性能。
从纸板到成型的烟包要经过印刷、上光或覆膜、挤涂、切纸折缝、上胶等一系列复杂过程,烟卡必须能适应整个加工过程并达到所需的加工质量。
(3)优良的印刷适性。
烟包必须有精美的外观和清晰无误的产
品说明、商标标志和编码等,因此烟卡应具备优良的印刷适性。
(4)卫生健康。
烟卡直接与香烟接触,因此必须洁净卫生,不允许有挥发性的或氧化后会产生各种异味的物质,不允许有能致腐的微生物。
烟卡一般使用单面涂布的FBB(黄芯白卡)或SBS(白芯白卡)。
涂布层主要是为提高烟卡的印刷适性,一般要进行两次或三次刮刀涂布。
FBB由三层浆料组成,面层和底层使用漂白硫酸盐木浆,芯层使用化学机械磨木浆。
由于化学机械磨木浆得率很高(85%~90%),因此,生产成本相对较低,制成的FBB也就具有一定的价格优势。
但是,其长纤维多、细小纤维少、木素含量高、纤维之间结合力较差,故相同定量的FBB要比SBS厚很多。
SBS与FBB结构基本相同,但其芯层、面层和底层使用的都是漂白硫酸盐木浆,因此白度较高,同时,由于这种纸浆纤维细小,纸张紧度较大,SBS的厚度比相同定量的FBB要小很多。
5.原料论证
本方案用于生产烟用白芯白卡(SBS),面浆与底浆采用20%—40%的漂白针叶木浆,其余为阔叶木浆。
芯层采用100%的竹浆。
漂白针叶木浆纤维细长,具有较好的结合强度,若使用配比过高,其表面的匀度和吸收性会受到影响,因此在保证面层组织均匀性、压缩性及平滑性均一的前提下,针叶浆的用量在20%—40%即可。
另外,鉴于木材资源的缺乏与价格高的特点,南方竹材资源的丰富性以及竹浆技术的成熟的趋势,对芯层使用100%竹浆来,可以降低成本,
同时又不失强度。
6.生产工艺的确定
(1)生产流程
浆料→未叩浆池→打浆机→叩后浆池→调浆箱→冲浆泵→除砂器→筛浆机→网前箱→长网部→压榨部→干燥部→卷纸机→分切机→检验→包装→成品
(2)打浆工艺
①打浆方式选择:白卡纸要求纤维交织均匀性好,纵横定量分布均匀一直,不分层,平滑度高,表面强度好。
因此对纤维采用适当切断和分丝帚化的半黏状半游离打浆。
因此面层底层浆打浆度在43左右即可,保证纤维分散性好,在网上易脱水。
同时具有较好的强度和均匀性。
芯层纸浆选用的是竹浆,竹浆纤维硬挺,容易造成切断,故使用游离打浆方式,打浆度控制在35到40之间。
②打浆设备的选择:面浆是木材纤维原料,为保证强度,纤维切断不应多,选用双盘磨机串联打浆,使纤维受热润胀和软化,利于提高平滑度。
芯层竹浆半纤维素含量高,并且容易水化,须轻刀打浆,慢速揉搓,形成较好的内帚化,尽力保留纤维长度,使成纸维持较好的挺度。
使用三盘磨进行打浆处理,其操作费用低,占地少,生产能力相对较大。
③打浆条件确定:由白卡纸的性能要求所决定,面层纸浆在低浓,中等强度比压下进行,保持纤维不会切断多,同时润胀和细纤维化程度适当。
芯层纸浆打浆需要在较低浓度、较低比压下进行,使竹浆纤维达到很高程度的内分丝帚化,维持挺度。
具体条件为:
面浆:打浆度43°SR;湿重8g;打浆浓度3%;打浆比压0.5MPa。
芯浆:打浆度38°SR;湿重7g;打浆浓度3%;打浆比压0.3MPa。
(3)网前筛选净化工艺
白卡纸质量要求较高,其表面须保持较好的洁净度,因此尤其是面层纸浆需要在上网前进行优良的净化,可采用二级三段净化工艺流程。
至于芯层浆,竹浆中的半纤维素含量高,但是由于在芯层,不需要达到面层的那么高的净化要求,使用普通的一级三段即可.
面层所用纸料为半黏状半游离浆,并且打浆度不是很高,故流送比较容易,设备不易堵塞,净化采用锥形除渣器即可。
芯层浆亦可采用此设备作为进化装置。
在净化方面,目前使用的主要是压力筛和振动圆筛。
鉴于振动原筛生产能力低并且往往需要多台设备并列使用造成占地面积过大的问题,所以选择压力筛。
筛板形式为波形筛板,它能明显提高筛选效率,提高长纤维组分,提高晒算浓度,这正符合抄造白卡纸的初衷。
(4)纸机形式的选择
白卡纸分为面部、底部和芯层
面部和底部纸张性质基本一致,使用夹网纸机,敞开式多管流浆箱。
夹网由两张无端铜网构成。
从管束式流浆箱喷出的浆料直接进入两张等速运行的网之间的缝隙,先靠浆料重力脱水,再用两网挤压脱水。
两网的内侧有几只网辊或脱水板,以使两网收拢,并刮走滤出的水分。
这样网部脱水效果好,占地面积小,纸页的两面一致,纤维均匀。
芯层采用长网纸机,其操作方便,设备便宜,投资低,安装方便,对精度要求低,车速范围广。
与圆网纸机相比,长网纸机纵横向拉力比较小,且伸缩率要小的多。
压榨部:用三道压榨,一压为真空盲孔压榨,可以在机械压力基础上,借助真空系统的真空度加大脱水量。
二压为靴式压榨,其原理为加大压榨面积可以防止纸张压溃,并且可以大大增加压榨压力从而增加脱水量,提高纸幅干度。
三压为光泽压榨,经过前两道压榨后,纸张水分大大减少,通过光泽压榨主要对纸张进行整饰,消除纸张表面的网痕。
干燥部:烘干部分为前干燥和后干燥,通气方式为三段通气;主要作用是对纸页进行烘干;控制纸页的水分;通过调整上下排烘缸的温度来控制纸张的翘曲幅度;并调节纸页的横幅水分偏差。
同时还要表面施胶机,能均匀地在纸面的正反面涂上胶料,主要通
过表面施胶赋予纸张一定的表面性能:平滑度、表面强度、抗水性能。
并在一定程度上增加纸张的抗张性能。
提高原纸的表面强度和原纸的平滑度。
涂布方式为刮刀涂布,正面三道涂层方面一道涂布,通过三道涂布能使纸张表面涂层均一稳定性,从而得到良好的印刷质量。
涂布能改善纸张的色相、白度、吸水性能、光泽度、油墨吸收性、平滑度、表面强度、粗糙度等等,提高纸张印刷适应性。
(5)抄造工艺条件
①上网浓度:控制底浆面浆上网浓度0.3%—0.5%,减少纤维絮聚。
长网上网浓度在0.4%左右,调整好流浆箱位置以及堰口水位静压,以便控制好浆速和网速比,以提高成纸匀度。
②真空箱的真空度:真空箱的真空度应逐步提高,避免强脱水造成填料和细小纤维流失过多,并导致纸页平整度不好和粗糙。
③压榨压力:竹浆纤维较短,且有相对较多的杂细胞,因此相对湿度较木浆大,在真空伏辊与一压之间容易出现断纸现象,故三道压榨压力同样是逐渐升高,过高的压力会使白卡纸极度压缩,出现毛布纹孔,出现毛布痕。
因此,在光泽压榨时需要适当增压,以消除痕迹。
一压(盲孔压榨) 50N/mm ;二压 65N/mm ;三压(光泽压榨) 75N/mm.
④干燥温度:纸页刚进烘缸时,水分含量低,要求烘缸温度较低,让纸页内水分慢慢通过扩散作用到纸页表面,然后得以蒸发。
然后慢慢提高烘缸温度,再逐渐降低温度,使纸页充分干燥,且不至于变形。
因为若初始干燥过急或温度太高,水分直接蒸发导致纸页表面翘曲,
影响纸页表面平整。
因此干燥曲线为70—110—70.。