客房清扫的基本方法与程序
- 格式:pptx
- 大小:2.26 MB
- 文档页数:29
酒店客房打扫流程酒店客房打扫是酒店服务中非常重要的一环,它直接关系到客人的入住体验和对酒店的印象。
因此,酒店客房打扫流程的规范性和细致性至关重要。
下面将详细介绍酒店客房打扫的流程步骤。
首先,进入客房前,清洁员需要敲门并确认客人是否在房间内。
若客人不在房间内,清洁员可以进入客房开始打扫。
若客人在房间内,则需要先询问客人是否需要打扫,并在得到客人允许后再进行工作。
接下来,清洁员需要打开窗户通风,并将所有的床上用品全部取下,包括被单、床单、枕套等。
这些床上用品需要进行更换,所以清洁员需要将其放入专门的洗衣袋中,带回洗衣房进行清洗。
然后,清洁员需要将所有的垃圾进行清理,包括客房内的垃圾桶、卫生间的垃圾桶以及客人可能遗留的垃圾。
清洁员需要将垃圾分类放入相应的垃圾袋中,并及时清运至垃圾处理区。
接着,清洁员需要对客房进行彻底的清洁,包括地板、家具、窗帘、墙壁等的清洁工作。
清洁员需要使用专业的清洁用品,确保客房内的每一个角落都得到彻底的清洁。
在清洁工作完成后,清洁员需要重新整理客房,包括将床铺重新铺好、摆放客房内的用品和设施等。
在整理客房的过程中,清洁员需要特别注意客人可能忘记带走的物品,需要将这些物品放置在明显的位置,并及时通知客人取回。
最后,清洁员需要对客房进行最后的检查,确保客房内的一切都处于整洁、干净的状态。
如果发现有任何问题,需要及时进行整改并通知主管进行确认。
总之,酒店客房打扫流程需要清洁员严格按照规范操作,确保每一个细节都得到重视。
只有这样,才能为客人营造一个舒适、整洁的入住环境,提升客人的入住体验,增强酒店的服务品质。
一、收垃圾1. 检查进门口的灯具开关(如有损坏,停止做房,通知维修),并开启洗手间灯与排气扇;检查电视机、空调是否正常,空调温度设置夏天26度,冬天20度;2. 检查水壶有无用过,有无水渍和污渍;3. 检查线位和窗帘;收拾房间垃圾,将需清洗的客用品放到洗手盆台面;4. 收拾洗手间垃圾和脏布草、并冲马桶;5. 将工具篮放入洗手间,关闭洗手间的灯。
二、撤脏布草1. 床垫拉出约30cm,按顺序撤脏布草(布草、棉织品不得放在地上),将脏布草放入工作车的布草袋;2. 取干净布草,放置写字桌干净处。
三、铺床1. 检查保护垫;2. 抖单一次到位,床单中线对齐床中线;3. 检查床单是否破损或有污迹;4. 四角包紧,内角45°,外角90°,边角全部塞进床垫底;5. 抖开被套,检查是否破损或污迹;6. 将棉被均匀套入被套,中线与床中线吻合,不能拖地;7. 套枕套并抖松,枕头须四角饱满,并摆放好。
四、收卫生间1. 戴手套,并清洗手套;2. 清洗客用品(水壶和烟灰缸清洗完后拿出卫生间);3. 清洗抹布、拖布、恭桶专用百洁布、干湿区地漏盖等,并冲洗防滑垫,注意检查防滑垫有无头发;4. 用中性清洁剂分别喷洗脸池(如镜子有无污渍)、淋浴玻璃和墙壁;5. 喷中性清洁剂到马桶内壁、坐圈,盖板和缸浴;6. 用毛刷擦洗干净洗脸池、台面、置物架、淋浴玻璃墙壁,用玻璃刮刮干净水渍;7. 用马桶刷擦洗马桶内壁,并用百洁布按顺序擦洗马桶坐圈正面、盖板反面、盖板正面、水箱、坐圈反面、缸浴、外壁;8. 按擦洗顺序将马桶冲淋干净,喷洒消毒水到马桶座圈、盖板内侧、缸沿;9. 用指定抹布抹干净洗脸池、镜子、台面、纸巾盒、置物架等金属器件,并抹干净淋浴间玻璃,边角位、花洒;10. 用指定抹布按顺序抹干马桶;11. 用擦地抹布擦干洗手间地面,注意检查和清理地面、地漏口头发。
五、除尘1. 摘下手套,用湿抹布擦拭门框、门的正反面;2. 用干抹布擦拭防盗链等金属物品,并将防盗链挂好;用干抹布抹电视机、路由器;各种线盘放整齐;3. 将托盘物品取出,清洁托盘,按标准摆放物品;4. 擦拭玻璃、窗框、窗台;5. 抹电话,检查是否正常,抹床箱、挂画并检查物件;6. 用擦地抹布抹地脚线,用抹尘抹布擦拭防毒面具。
快捷酒店客房清扫程序和基本方法
为提高工作效率,确保客房清洁保养质量,防止意外事故发生,避免重复劳动,特制定本办法。
一、客房清扫的基本程序和方法
1、从上到下。
在清洗打扫卫生间和房间抹尘时,应采取从上到下
的方法进行。
2、从里到外。
卧室地毯吸尘和擦拭卫生间地面时,应从里到外倒
退着进行。
3、环形整理。
家具物品的摆设是沿房间四壁环形布置的,因此,
在房间抹尘、检查房间和卫生间的设备用品时,应从房门口开始,按照顺时针或逆时针方向循环行路线进行。
这样可以避免出现卫生死角或重复整理,省时省力又提高清洁卫生的质量。
4、区分使用抹布。
应严格按照区分擦拭不同家具设备及物品的抹
布,避免一条抹布抹到底。
5、抹布折叠使用。
擦拭家具设备、物品时,不论是干抹布还是湿
抹布,都应折叠使用,这样可以提高抹布的使用率,有利于提高清洁效率,保证客房清洁卫生质量。
客房清扫流程范文客房清扫是酒店行业中一项关键的工作,它直接关系到酒店客房的整洁和卫生,为客人提供一个舒适、干净的居住环境。
下面将详细介绍客房清扫的流程。
1.准备工作:在进行客房清扫之前,清洁人员需要做好准备工作。
首先,检查清洁车间的清洁工具和清洁用品是否齐全,然后准备好清洁车间、贮物间和洗衣间。
2.入住客人准备:当客人办理入住手续后,清洁人员需要收到通知并了解客人的需求,包括房间类型、客房位置、是否需要加床、顾客对卫生方面的特殊要求等等。
3.进入房间:清洁人员需要戴上帽子、面罩和手套,然后使用房卡进入客房。
进入房间后,打开门窗通风,确保清新的空气流通。
4.扫除:从清洁车间取出扫把、拖把和其他清洁工具,并在房间中进行打扫。
首先,用扫帚清理地面上的灰尘、杂物和头发,然后用拖把把地面上的尘埃、污垢等清除干净。
此外,清洁人员还需要检查地毯、沙发和床上用品等是否需要清洗,如有需要,则做好清洗准备。
5.擦拭:在擦拭过程中,清洁人员需要使用适当的清洁剂和清洁布,将房间内的表面、家具、门窗等进行擦拭清洁。
这包括擦拭桌面、电视、冰箱、水壶、空调面板等。
在擦拭时,需要注意细节,确保每个角落都被擦拭干净。
6.卫生间:卫生间的清洁是客房清扫中非常重要的一部分。
清洁人员需要彻底清洁卫生间的各个部分,包括马桶、洗手盆、浴缸、淋浴器、镜子等。
清洁人员应该使用适当的清洁剂,在擦洗卫生间时可以使用刷子、抹布和清洁球等帮助清洁。
7.更换用品:在房间清洁结束后,清洁人员需要根据需要更换房间内的用品,包括床单、被套、毛巾、浴巾等。
被更换的用品需要放在指定的地方,然后送到洗衣房进行清洗。
8.物品摆放:9.整理垃圾:清洁人员需要清理房间中的垃圾,包括纸张、瓶子、封包等。
垃圾应当被正确分类,并放入指定的垃圾桶中。
10.检查客房:在清洁工作完成后,清洁人员需要检查每个地方是否都已经清洁干净,并确保房间内没有任何遗留物。
这个环节是非常重要的,它可以保证下一位客人入住时能够有一个愉快的体验。
客房打扫流程和标准内容英文回答:Cleaning the hotel rooms is an essential task to ensure a pleasant and comfortable stay for the guests. The room cleaning process involves several steps and followsspecific standards to maintain cleanliness and hygiene.Firstly, I start by gathering all the necessary cleaning supplies, including cleaning agents, towels, and tools such as a vacuum cleaner and mop. I make sure thatall the supplies are well-stocked and in good condition.Next, I enter the guest room and open the windows tolet in fresh air. I also switch on the lights and check if all the appliances and amenities are in working order. If there are any maintenance issues, I report them to the appropriate department.Then, I proceed to remove all the used linens andtowels from the room, including the bed sheets, pillowcases, and bath towels. I replace them with fresh, clean ones. I also tidy up the bed, fluff the pillows, and arrange them neatly.After that, I thoroughly clean the bathroom. I scrubthe toilet, sink, and bathtub/shower, making sure to remove any stains or dirt. I also replenish the toiletries such as soap, shampoo, and toilet paper. I clean the mirrors and wipe down all the surfaces.Moving on, I focus on cleaning the rest of the room. I dust all the furniture, including the desk, chairs, and bedside tables. I vacuum the carpet or mop the floor, depending on the type of flooring. I also clean the windows and any glass surfaces.Finally, I do a final inspection of the room to ensure that everything is clean and in order. I double-check ifall the amenities are replenished, the trash is emptied,and there are no visible stains or dirt. I make sure that the room is welcoming and ready for the next guest.中文回答:客房打扫是确保客人愉快舒适入住的重要任务。
酒店客房打扫卫生流程
在酒店行业中,保持客房的清洁和卫生是至关重要的,因为这直接关系到客人的舒适和满意度。
下面将介绍一般酒店客房打扫卫生的流程,以确保每个客人入住的房间都是干净整洁的。
准备工作
打扫客房之前,工作人员需要准备好必要的清洁用具和设备。
这些包括: - 清洁剂和消毒液 - 毛巾和拖把 - 垃圾袋 - 保洁手套 - 吸尘器 - 毛巾和床单
流程步骤
1. 入房检查
在打扫客房之前,保洁员需要先进入房间进行检查。
这包括检查房间是否有损坏或缺失物品,如灯泡、电视遥控器等。
同时也要检查是否有遗留的个人物品需要保留或移走。
2. 整理客房
保洁员需要先整理客房,包括整理床铺、摆放家具和摆放客人的个人物品。
确保房间整洁有序。
3. 清洁地面
接下来,保洁员需要清洁地面,包括吸尘和拖地。
这可以确保客房的地面干净整洁。
4. 清洁卫生间
卫生间是客房中最容易积聚细菌的地方,所以清洁卫生间非常重要。
保洁员需要清洁马桶、洗手台、浴缸和淋浴间,并用消毒液消毒表面。
5. 清洁家具和窗台
保洁员还需要清洁房间中的家具和窗台,包括擦拭桌子、椅子和窗台。
这样可以确保房间整洁干净。
6. 更换床单和毛巾
最后,保洁员要更换床单和毛巾,确保每个客人都使用干净的床上用品。
结束工作
完成以上步骤后,保洁员需要再次检查客房,确保所有工作都已完成。
如果有什么遗漏或未完成的工作,需要立即补救。
这就是一般酒店客房打扫卫生的流程。
通过严格按照这些步骤进行清洁工作,可以确保客人入住时感到舒适、放心。
主题:走客房的清扫程序【考纲要求】:能(会)进行走客房的清扫【基础知识自查】一、走客房卧室清扫程序“十字诀”(1):即开门、开灯、开空调、开玻璃窗。
(2)清:清理烟灰缸、纸篓和垃圾(包括地面的大垃圾)。
(3):撤除用过的茶水具、玻璃杯、脏布件。
如果有客人用过的餐具也一并撤去。
(4)做:。
(5):擦家具设备及用品。
从上到下,环形擦拭灰尘。
(6)查:用品及有无损坏,配备物品有无短缺,是否有客人遗落物品,要边擦拭边检查。
(7):添补房间客用品、宣传品和洗涤消毒后的茶水具(此项工作后应进行卫生间的清扫整理)。
(8)吸:由里到外进行吸尘,同时对清扫完毕的吸尘。
(9):观察房间清洁整理后的整体效果,关玻璃窗、关纱窗、关空调、关灯、关门。
(10)登:在上做好登记。
二、开门打扫卫生的意义:1.表示该客房2.防止的发生3.有利于三、撤床的主要步骤是:(1),注意,留意,(2),放在,禁止;(3)从中拉出床单,注意,禁止。
12.走客房擦拭灰尘,检查设备。
从开始,按依次把房间内各种家具、用品抹干净,不漏擦。
在除尘中注意需要补充的客用品和宣传品数量,同时检查设备是否正常。
并注意擦拭墙脚线。
擦拭顺序如下:(1)(2)风口和走廊灯。
擦走廊灯时应注意使用抹布。
(3)。
(4)。
(5)(柜)。
(6)化妆台。
擦拭梳妆镜面要用抹布。
操作时要小心和注意安全。
擦拭完毕,站在检查,镜面不得有等擦拭台灯和镜灯时,应用布,切勿用抹尘。
(7)。
用干抹布擦净电视机外壳和底座上的灰尘,然后打开开关,检查电视机,频道选用是否准确,亮度是否适度(8)。
(9)窗台。
先用抹布,然后再用擦拭干净。
(10)。
(11)。
用抹布擦拭床头灯泡、灯罩、灯架和床头挡板,切忌用擦扰。
(12)。
⑬。
先用抹布擦拭画框,然后再用擦拭画面,摆正挂画。
⑭空调开关。
用抹布擦去空调开关上的灰尘。
13. 走客房吸尘时,由按地毯表层毛的方向进行吸尘。
14. 卫生间清扫“十字诀”:(1) : 开灯、开换气扇。
简述住客房的清扫程序3篇以下是网友分享的关于简述住客房的清扫程序的资料3篇,希望对您有所帮助,就爱阅读感谢您的支持。
第一篇清洁客房程序1、进入客房——把工作车停在房门前——检查房态——看是否显示“请勿打扰”的信号——用手平稳地敲门,而不能用任何损害房门的敲门方法——声明来意——等待客人回应——如客人在房内,应表明可否清理房间或清洁时电话通知30,并报告房间状态。
——如没有客人回应,打开房门,再次说明来意。
——让房门开着2、拉开窗帘,开窗通风,关空调——检查房间所有灯是否异常,如有异常请通知万能工维修——检查房间有无消防隐患3、撤脏布草——撤被套、床单及枕套——整理白拍——整理床裙和床垫——将床上的衣物、被子和枕头放在干净的地方——清点被套、床单、枕头套及四巾的数量,并记录在工作单上——把所有脏布草放进布草收集袋4、铺床标准按《如何铺床》操作——铺床单——套被套——套枕套——整理床面5、从房门开始,沿周边打扫,最后回到房门——打扫壁橱——清点衣架数量,并做补充——清点洗衣袋、洗衣单并做补充——清理壁橱竿和衣架及壁橱角——如有需要,更换文具、电话薄、菜单等客房供应品——打扫家具——用消毒药水擦电话筒——擦拭电视机——清除灯具上的尘垢——打扫床头板、画框6、检查客房是否有客人遗留物——,如果有,立即报GSC及领班7、检查客房小酒吧有无消耗——如有,核对消耗数量,并在酒水单上做好记录。
8、吸尘——家具吸尘——地毯吸尘——清理排气孔,清除陈腐物——清除床底垃圾——把家具摆放于正确的位置9、结束工作——检查房间有无遗漏之处——关窗、开空调——取卡、关门、填写出门时间——按实际用量填写工作单。
如何清洁卫生间(一)清洁浴室流程冲马桶----分类收垃圾----喷洒消毒清洁剂----清洁面盆----清洁浴缸-----清洁马桶-----清洁地面----补充物品(二)如何清洁面盆工具:抹布,全能清洁剂,百洁布,杯布。
步骤:1、换杯子,将房间所有用过的杯子用工作车上的干净杯子一对一换。
客房保洁工作流程
一、准备工作
在进行客房保洁工作之前,保洁员需要准备好必要的工具和用品,包括清洁剂、抹布、拖把、垃圾袋等。
二、入房前准备
1.戴好手套,换上统一的工作服
2.敲门并确认客房内无人之后,使用万能卡开启门锁
三、清理客房
1.进入客房后,先通风3-5分钟,打开窗户
2.排除客房内异味,开启空气清新剂
3.采用干法清扫地面,用扫帚和拖把打扫地板
4.用擦窗器清洁窗户
5.清洗卫生间:使用洁厕灵清洁马桶、洗手池、浴缸等
6.整理床铺:更换床单、被单和枕套,整理被子和枕头
7.擦拭家具、电器等表面,保持整洁
8.保持梳妆台、茶几等物品整齐摆放
四、垃圾处理
1.将客房内产生的垃圾装袋,分类投放到垃圾袋中
2.垃圾袋封口处理,放到指定位置等待清洁工人收集
五、结束工作
1.对客房进行最后一遍检查,确保整体工作完成
2.关好门窗,关闭灯具和电器
3.离开客房并关好门锁,返还万能卡
六、工作总结
在每次工作完成后,保洁员需对客房清洁过程进行总结,可以记录下需要改进
的地方或工具需要更换的情况。
通过以上清洁工作流程,保洁员可以高效、规范地完成客房的清洁工作,为客
人提供一个干净整洁的居住环境。
客房服务员培训资料客房服务员培训资料引导语:服务员是向消费者个人或企业提供的,旨在满足对方某种特定需求的一种活动和好处,其生产可能与物质产品有关,也可能无关,是对其他经济单位的个人、商品或服务增加价值,并主要以活动形式表现的使用价值或效用。
以下是店铺整理的客房服务员培训资料,欢迎参考!客房服务员培训资料篇1一、客房清扫的顺序1、请即打扫房。
挂有:“MAKE UP ROOM”的房间或客人口头上要求打扫的房间,应优先安排清洁整理,满足客人的要求。
2、总台、房务中心或领班指示打扫的房间。
3、 VIP房间。
4、退客房。
5、普通住客房。
6、空房。
7、长住房应与客人协调,定时打扫。
二、客房清扫的基本方法从上到下从里到外环形清理干湿分开先卧室后卫生间注意墙角准备工作1. 清洁用具的准备:应备有:清洁篮、洗刷用具(面盆刷、马桶刷、牙刷、百洁布、板刷)、橡胶手套、清洁剂、消毒药、抹布等。
抹布的使用要求:1、红色(1干1湿)—房间抹尘2、橙黄色(1干1湿)—卫生间浴盆3、淡黄色(1干1湿)—卫生间面盆4、蓝色(1干1湿)—马桶5、绿色(1干1湿)—卫生间地面6、白色擦杯布—杯具专用客房卧室清理的十字诀开:开门、开窗帘、开玻璃窗。
清:清理烟灰缸、垃圾桶(包括地面的大垃圾)撤:撤出用过的茶具、玻璃杯、脏布草、脏布件。
如果有客人用过的餐具也一并撤出。
做:做床擦:擦家具设备及用品,从上到下,从里到外环形擦拭。
查:查看家具用品有无埙坏,配备物品有无短缺,是否有客人遗留物品。
边擦边检查。
添:添加房间客用品、宣传用品及经过洗涤的茶水具。
(此项工作后进行卫生间的清理)吸:地毯吸尘由里向外,同时对清理完毕的卫生间进行吸尘。
关(观):观察房间清洁整理的整体效果;关灯、关门。
登:在服务员工作日报表上做好登记。
卫生间清扫的十字诀开:开灯、开换气扇。
冲:放冲水马桶,滴入洁厕剂。
收:收走客人用过的毛巾、洗刷用品,以及垃圾。
洗:清洁浴缸、墙面、面盆和马桶。
客房服务员培训培训目录:一、客房清扫的顺序二、客房清扫的基本方法三、精神面貌、仪容仪表方面四、行为规范、员工纪律方面五、礼节礼貌方面六、宾客投诉培训内容:一、客房清扫的顺序1、满足住店客人的需求;2、保证总台的售房3、方便工作调高效率;4、有利于客房设施的维护和保养。
1、请即打扫房.挂有:“即时打扫”的房间或客人口头上要求打扫的房间,应优先安排清洁整理,满足客人的要求。
2、总台或领班指示打扫的房间。
3、VIP房间。
4、退客房。
5、普通住客房。
6、空房。
7、长住房应与客人协调,定时打扫。
二、客房清扫的基本方法从上到下从里到外环形清理干湿分开先卧室后卫生间注意墙角准备工作1。
清洁用具的准备:应备有:清洁篮、洗刷用具(马桶刷、牙刷、百洁布、板刷)、橡胶手套、清洁剂、消毒液、抹布等.抹布的使用要求:1、(1干1湿)-房间抹尘2、(1干1湿)—卫生间面盆3、(1干1湿)—马桶4、(1干1湿)—卫生间地面5、白色擦杯布—杯具专用客房卧室清理的十字诀开:开门、开窗帘、开玻璃窗。
清:清理烟灰缸、垃圾桶(包括地面的大垃圾)撤:撤出用过的茶具、玻璃杯、脏布草.如果有客人用过的餐具也一并撤出。
做:做床擦:擦家具设备及用品,从上到下,从里到外环形擦拭。
查:查看家具用品有无埙坏,配备物品有无短缺,是否有客人遗留物品。
边擦边检查. 添:添加房间客用品、宣传用品及经过洗涤的茶水具。
(此项工作后进行卫生间的清理)拖:地板由里向外,同时对清理完毕的卫生间进行拖擦.关(观):观察房间清洁整理的整体效果;关灯、关门。
登:在服务员工作日报表上做好登记。
卫生间清扫的九字诀开:开灯。
冲:放冲水马桶,滴入洁厕剂。
收:收走客人用过的毛巾、洗刷用品,以及垃圾。
洗:清洁墙面、面盆和马桶。
擦:擦干净卫生间各部位。
添:添补卫生间的棉织品和消耗用品。
刷:刷洗卫生间的地面。
拖:用拖布对地面拖擦。
关(观):观察和检查卫生间工作无误后即关灯并把门虚掩。
将待修项目记下来上报。
客房清洁整理程序通常包括以下几个步骤:
1. 准备工作:首先,清洁人员需要准备好所需的清洁工具和清洁剂,如扫帚、拖把、吸尘器、清洁剂等。
同时,他们还需要检查房间的设施设备是否正常,如空调、电视、热水器等。
2. 清理垃圾:清洁人员需要将房间内的垃圾清理干净,包括废纸、果皮、烟蒂等。
3. 更换床单和毛巾:清洁人员需要更换床上的床单和毛巾,确保客人使用的都是干净的。
4. 打扫卫生间:清洁人员需要使用专用的清洁剂和工具,对卫生间进行深度清洁,包括清洗马桶、洗手池、淋浴房等。
5. 打扫卧室和客厅:清洁人员需要使用吸尘器或扫帚,对卧室和客厅进行清扫,同时还需要擦拭桌子、椅子等家具。
6. 补充消耗品:清洁人员需要检查房间内的消耗品,如肥皂、洗发水、卫生纸等,如有缺失,需要及时补充。
7. 最后检查:清洁完成后,清洁人员需要进行最后的检查,确保房间内没有任何遗漏的地方。
以上就是客房清洁整理的基本程序,但具体的步骤可能会根据酒店的规定和房间的实际情况有所不同。
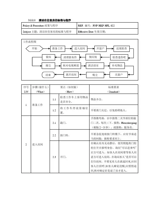
客房清扫的基本方法与程序客房清扫是酒店管理中非常重要的一项工作,它直接关系到酒店的卫生环境和客人的入住体验。
为了保证客房清扫工作的高效和规范,酒店需要建立一套基本的方法与程序。
本文将介绍客房清扫的基本方法以及清扫的流程与程序。
一、客房清扫的基本方法在进行客房清扫之前,务必了解以下基本方法:1. 准备清扫工具清扫工具是进行客房清扫必备的物品,主要包括抹布、扫帚、拖把、吸尘器、清洁剂等。
在选择清扫工具时,需要注意其质量和适用范围,避免对客房造成损害。
2. 分清区域客房通常包括卧室、浴室和客厅等区域,清扫时需要分区域进行。
这样可以提高清扫的效率,避免漏扫和重复清扫。
3. 有序清理从清理客房的一头开始,按照固定的顺序进行清扫。
通常先清理卫生间、浴室,然后清理卧室和客厅。
有序清理可以减少工作的混乱和遗漏。
4. 注重细节除了对整体区域进行清扫外,还需要注重细节部分的清洁,例如清洁酒杯、更换毛巾等。
这些细节会直接影响到客人的入住体验。
二、客房清扫的程序与流程1. 安全检查在开始清扫之前,需要进行安全检查。
检查房间内是否有危险品或者不合规的物品,如果有需要及时处理或报告上级。
2. 通风换气打开窗户,让新鲜空气进入客房。
这样可以改善空气质量,为清扫工作和客人入住提供一个良好的环境。
3. 垃圾清理清理房间内的垃圾,包括纸巾、瓶子、食品包装等。
使用合适的容器进行分类储存,并及时清空垃圾桶。
4. 卫生间清洁首先清理马桶、洗手池和淋浴器等表面,然后擦拭镜子和置物架。
最后清洁地板,并更换干净的毛巾和洗漱用品。
5. 卧室和客厅清洁先清洁床铺,包括更换床单、被罩和枕套等,然后擦拭家具表面和窗户玻璃。
最后清洁地板,并检查是否有遗留物品。
6. 检查和补充用品检查房间内的用品是否充足,例如毛巾、纸巾、瓶装水等。
如果用品不足,需要及时补充,确保客人的需求得到满足。
7. 检查和报告异常清扫完成后,需要仔细检查客房是否存在任何异常情况,例如损坏设施、物品遗失等。
宾馆酒店客房卫生间的卫生清洁操作规程工具准备:清洁桶(分成三格,或用三个小桶代替)清洁液消毒药洗刷用具三套橡胶手套三副(不同颜色)干净抹布。
卫生间清洗消毒程序:1、戴上手套,将卫生间内所有客房用消耗品及毛巾等清理出卫生间.2、清洗洗漱池:用清洁液由上而下清洗镜面、墙壁、洗漱台、洗漱池,用清水依次冲洗干净。
清洗浴缸(换戴清洁浴缸用手套):用清洁液由上而下滑洗墙壁、浴帘、水龙头、浴缸内壁、浴缸外壁,用清水洗干净。
清洗坐便器(换另一双手套):用清洁液刷洗水箱、坐便器面盖、坐板、坐便器外壁、地板,用清水冲洗干净;用专用毛球刷洗坐便器内壁,冲洗干净,脱下手套。
3、用有效的消毒水依次对洗漱池、浴缸、坐便器进行消毒,一定时间后清水冲洗干净。
(消毒药的浓度和消毒时间,按消毒药的说明要求使用)4、用干净抹布按下列顺序抹干用具:洗漱池(用一条抹布)、浴缸(用一条抹布)、坐便器、地板(共用一条抹布)。
5、检查排气扇是否运转良好。
注意事项:1、使用的消毒药物必须是已取得卫生批准文号的合格产品,并在有效期内使用.2、清洗洗漱池浴缸、坐便器的三套工具必须严格分开,并分别存放,不得混放。
不旅馆(招待所)创卫工作标准一、公共场所管理1.有许可证、卫生管理等制度,并挂在醒目处。
2.小旅馆(招待所)应距离粪坑、污水池、暴露垃圾场(站)、旱厕等污染源25米以上.3。
客房内有卫生间的应设有浴盆或淋浴、抽水马桶、洗脸盆及排风装置;无卫生间的客房,每个床位应配有明显标记的脸盆和脚盆,做到一客一换一消毒。
二、从业人员要求从业人员每年进行健康检查,取得有效健康合格证明和卫生知识培训合格证明后方可上岗。
患有“五病”的人员,治愈前不得从事直接为顾客服务的工作。
从业人员应保持良好个人卫生,操作时应穿戴清洁的工作衣帽,头发不外露,不得留长指甲、涂指甲没,佩戴饰物。
三、环境卫生1。
垃圾容器密闭完好,内外整洁干净,无散落、存留垃圾和污水。
垃圾日产日清.地面平整、硬化、干净。