矿石品位一览表
- 格式:doc
- 大小:113.00 KB
- 文档页数:2
国外铁矿石品位
国外铁矿石的品位可以根据不同产地和矿石类型而有所差异。
铁矿石的品位通常以铁含量(Fe)为主要衡量标准。
以下是一些国外铁矿石产地的典型品位:
1.巴西:
•巴西是全球主要的铁矿石生产国之一。
该国的铁矿石主要产自米纳斯吉拉斯州和巴拉德罗皮里托州。
品位较高的铁
矿石主要来自巴西的四川盆地,品位通常在60%以上。
2.澳大利亚:
•澳大利亚是世界上最大的铁矿石出口国之一。
澳大利亚的铁矿石主要产自西澳大利亚州的哈密尔顿地区、帕拉布尔
多矿区等。
品位较高的铁矿石主要包括来自帕拉布尔多矿
区的Hamersley铁矿,品位可达到62%以上。
3.南非:
•南非也是铁矿石的主要产区之一。
该国的主要铁矿石矿床位于北部地区,品位较高的铁矿石通常来自这些地区,品
位在60%以上。
4.俄罗斯:
•俄罗斯的铁矿石产区包括库尔干州和伊尔库茨克州等地。
品位较高的铁矿石主要集中在这些产区,品位在60%以上。
值得注意的是,这些数字是一般性的估算,实际的铁矿石品位可以根据具体的矿床、矿石类型和采矿工艺而有所不同。
市场上存在各
种品位的铁矿石,供应商和购买方在交易时通常会根据品位和其他因素进行协商。
书山有路勤为径,学海无涯苦作舟铬矿矿石品位和开采技术指标表1 铬矿矿石品位和开采技术指标项目矿床和矿石类型内生矿床富矿贫矿ω(Cr2O3)%边界品位≥25 ≥5 最低工业品位≥32 ≥12 最低开采厚度0.3~0.5 1.0 夹石剔除厚度0.5 1.0 注:1、冶金用铬铁矿或精矿,火法冶炼时ω(Cr2O3)/ ω(FeO)2(湿法提炼金属铬则不受其限制);ω(SiO2)≤8%(用矿热法冶炼高碳铬时不受其限制);ω(P)≤0.09%,ω(S)≤0.05%。
2、耐火材料用铬铁矿或精矿,ω(SiO2)≤10%,ω(CaO)≤2%,ω(FeO)≤14%。
3、化工用铬铁矿或精矿,ω(SiO2)≤8%,ω(Al2O3)≤15%。
4、辉绿铸石用铬矿石,ω(Cr2O3) ≥(10~20%),ω(SiO2)≤10%。
5、当需选铬铁矿中伴生铂族元素总量达到(0.3~0.4)乘以10-6 时,应做出评价。
6、富矿最低开采厚度的选取,单矿层0.5m,复矿层则每一单层为0.3m。
表2 镍矿床工业指标一般要求项目硫化镍矿氧化镍-硅酸镍矿原生矿石氧化矿石坑采露采坑采露采边界品位(质量分数)% 0.2~0.3。
钛矿石的一般工业要求(一)钛矿石的一般工业要求1(二)钛精矿质量标准2钒矿石的一般工业要求(一)钒矿石的一般工业要求1铬铁矿石一般工业要求(一)铬铁矿石一般工业要求列于表1及2,其块度要求为:1注:、高炉冶炼炭素铬铁不小于毫米和不大于毫米;2、电炉冶炼铬铁合金不大于60~40毫米(粉矿或精矿粉均可);3、耐火材料用铬铁矿石的块度为50~300毫米。
注:、块度要求:毫米;铜的矿石工业要求从铜矿石中提炼的铜金属,根据采、选、冶技术工艺水平,对铜矿物原料提出一定的工业要求,见表下表:当铜矿床的伴生组分达到下表所列的含量要求时,则要求取样分析做出综合评价。
对于铜品位低于5%的矿石要用选矿方法富集成铜精矿。
1997年国家颁布的有色金属行业标准(YS/T 3 1 8 - 1 9 9 7 )将铜精矿产品分为四个品级:一级品Cu含量不小于3 0%, 杂质含量(不大于):As 0 . 05%, Pb+Zn 2%,MgO 1%,Bi 0 . 05%。
二级品Cu含量不小于2 5%,杂质含量(不大于):As 0 .2%,Pb + Zn 5%,MgO 3%,Bi 0 . 2%。
三级品Cu含量不小于2 0%,杂质含量(不大于):As 0 . 3%,Pb + Zn 8%,MgO 4%,Bi 0 . 3%。
四级品Cu含量不小于13%, 杂质含量(不大于):As 0 . 4%, Pb+Zn 12%,MgO 5%,Bi 0 . 5%。
矿石品位制定不是一成不变的,应根据国家要求程度、市场需求状况和价格趋势以及资源保护,合理开发利用,矿床地质条件和采选冶技术水平等诸多因素综合考虑,制定合理的工业指标,作为评价矿床有否开发经济价值和储量计算的依据。
实际上开采铜矿从技术经济角度来看,铜的工业品位是一个动态指标。
对一个矿床来说更是如此。
一般开采矿床的规律是先富后贫,即先开富矿,后开贫矿。
随着采选冶技术水平的提高,人类利用矿产资源的能力越来越大,因而对矿石品位要求也随之降低。
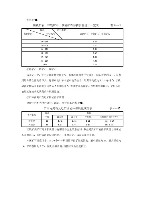
见表4-41。
磁铁矿石、锌铁矿石、铁硫矿石体积质量统计一览表表4—41
②锌矿石、铅矿石、铜矿石
这类矿石中,有用金属矿物含量甚少,其体积质量值主要取决于脉石矿物的成分,与有用组分的含量关系不大。
脉石矿物以矽卡岩矿物为主者,取其平均值为3.21吨/米3;以碳酸盐矿物为主者取其平均值为2.92吨/米3,对具有这两种矿石自然类型的块段,采用各自的厚度加权求其块段的体积质量值。
③矿体内夹石及近矿围岩体积质量
分矽卡岩和大理岩进行了统计,统计结果见表4-42。
矿体内夹石及近矿围岩体积质量统计表表4—42
因铁矿类矿石的体积质量与有用组份含量关系密切,多金属类矿石的体积质量与相应岩石相差甚小,故矿体内未剔除的夹石,未参与矿石体积质量的计算。
本区矿石湿度很小,对30个小体积质量样作了湿度测定,最小湿度为0%,最大湿度为1%,平均湿度为0.2%,因此估算资源/储量时未做湿度校正。
铁矿品位划分标准
铁矿石的品位是指其中所含铁的质量百分比。
铁矿石的品位是决定其质量和用途的关键因素之一。
不同的铁矿石品位划分标准可以根据不同国家、地区或矿山的需求而有所不同,但以下是一般性的品位划分标准:
1.富铁矿(High-grade iron ore):
•富铁矿一般指品位较高的铁矿石,其铁含量通常在60%以上。
富铁矿的提炼成本相对较低,广泛用于高炉冶炼和直
接还原冶炼等工艺。
2.中铁矿(Medium-grade iron ore):
•中铁矿的品位通常在30%至60%之间。
这类铁矿石在一些冶炼过程中仍然是可用的,但相比于富铁矿,提炼成本可
能较高。
3.贫铁矿(Low-grade iron ore):
•贫铁矿指品位较低的铁矿石,其铁含量通常在20%至30%之间。
贫铁矿的提炼成本较高,但一些新技术和冶炼方法
也在尝试更有效地利用贫铁矿。
4.歧视品位:
•在某些情况下,铁矿石的品位还可能根据具体的炼铁工艺和矿石的化学成分进行更详细的划分。
例如,一些冶炼工
艺可能对硅含量、磷含量等有更为严格的要求。
这些划分标准对于冶炼业和铁矿市场非常重要,因为它们直接影
响到生产成本和铁矿石的市场价值。
需要注意的是,具体的标准和要求可能会因地区和时间而异,因此在具体应用中,需要根据相关的国家标准、行业标准或贸易合同中的规定来确定。
常见矿石品位表(可以直接使用,可编辑实用优秀文档,欢迎下载)(1)铁矿边界品位:TFe≥20%,工业品位:TFe≥25%,矿体最低可采厚度:2m夹石剔除厚度:2m(2)铅锌矿氧化矿:铅边界品位(%):≥0.7;最低工业品位(%):≥1.5;锌边界品位(%):≥1.5;最低工业品位(%):≥3;硫化矿:铅边界品位(%):≥0.5;最低工业品位(%):≥1;锌边界品位(%):≥0.5;最低工业品位(%):≥1;最低可采厚度(m):1;夹石剔除厚度(m):2;1、一些固体的密度(常温常压)2、一些液体的密度(常温常压)3、一些气体的密度(常温常压)333注:1g/cm =1×10 kg/m3常见物质的粘度表粘度,指物质的流动性( 或不流动性)。
任何流体都有粘度。
液体粘度是它抵抗剪切力的一个尺度,在初始及持续流动时才体现出来。
例如,粘度高的液体比粘度低的液体需要更大的动力来流动。
流体粘度与温度有关。
粘度测量单位常用的有厘泊cP,泊P等,其换算过程:1厘泊(1cP)=1毫帕斯卡.秒(1mPa.s)100厘泊(100cP)=1泊(1P)1000毫帕斯卡.秒(1000mPa.s)=1帕斯卡.秒(1Pa.s)水的粘度为 1 厘泊,流动十分容易。
可以根据流体的粘度,类比出我们常见的物质。
1 厘泊= 水; 3厘泊= 牛奶; 34厘泊= 植物油; 176厘泊= 番茄酱; 880厘泊= 甘油;1760 厘泊= 糖蜜(Molasses); 3000厘泊= 胶水; 8640厘泊= 糖浆; 15200 厘泊= 酸奶油水的粘度为1厘泊,流动十分容易。
糖蜜有一粘度为100,000,它是很稠厚的。
1厘泊=水;10,000厘泊=Honeyo;500厘泊=植物油;100,000厘泊=Molasseso;2,500厘泊=马达油。
矿石品位表元素矿石工业类型品位备注边界品位工业品位黑色金属矿产铁TFe (%) 磁铁矿石20 25 赤铁矿石25 28-30 菱铁矿石20 25 褐铁矿石25 30锰% 氧化锰富锰矿I 35 40II 30 35III 18 30贫锰矿石10-15 18 铁锰矿石I 20 25II 15 20III 10 15 碳酸锰富锰矿石贫锰矿石铁锰矿石151010251515含锰灰岩8 12铬% 原生矿富矿贫矿≧25≧5-8≧32≧8-10砂矿≧1.5≧3钛原生矿TiO2% 金红石 1 1.5 砂矿(矿物千克/米3金红石≧1≧1.5钛铁矿≧10≧1钒独立矿床V2O5% 0.5 0.7 伴生矿床V2O5% ≧0.1-0.5%有色金属矿产铜Cu% 硫化矿石坑采0.1-0.3 0.4-0.5露菜0.2 0.4 氧化矿石0.5 0.7铅% 硫化矿0.3-0.5 0.7-1.0混合矿0.5-0.7 1.0-1.5氧化矿0.5-1.0 1.5-2.0锌%硫化矿0.5-1.0 1.0-2.0混合矿0.8-1.5 2.0-3.0氧化矿 1.5-2.0 3.0-6.0铝%Al2O3/SiO2露采 1.8-2.6 ≧3.5坑采 1.8-2.6 ≧3.8Al2O3%露采≧40≧55坑采≧40≧55镁%白云岩(MgO%)≧19菱镁矿(MgO%)42-46镍%硫化镍矿原生坑采0.2-0.3 0.3-0.5露采氧化矿石0.7 1氧化镍、硅酸镍矿0.5 1钴%硫化钴及砷化钴≧0.02≧0.03-0.06钴土矿≧0.3≧0.5钨%石英大脉型0.08-0.1 0.12-0.15石英细脉带型0.1 0.15-0.2石英细脉浸染状0.1 0.15-0.2层控型0.1 0.15-0.2矽卡岩型0.08-0.1 0.15-0.2锡%原生锡矿0.1-0.2 0.2-0.4砂锡矿0.02 0.04钼%硫化矿石露采0.03 0.06坑采0.03-0.05 0.06-0.08铋% 0.5汞% 0.04 0.08-0.1锑% 0.7 1.5贵金属矿产金岩金(克/吨)1-2 3-5砂金(克/米3)0.1-0.3 0.3-0.6银克/吨40-50 100-120。
常见金属矿石最低工业品位矿床、矿石、品位和矿体的概念地壳主要是由岩石组成的,岩石是由矿物组成的。
如果有用矿物在地壳中或地表聚集起来,便形成矿产。
一切埋藏在地下或分布于地表(包括地表水体)的可供人类开采利用的天然矿物资源,都可泛称为矿产。
(一)矿床各种矿产大都是从不同成因类型的矿床中开采出来的。
矿产一词一般不具有任何成因和形成条件的含义。
矿床是在一定地质作用下在地壳或地表特定地质环境内形成的质和量都适合目前开采利用要求的有矿物的聚集地段。
矿床和岩石的概念有相同的一面——都是在一定地质作用下形成的矿物集合体;也有不同之点——主要在于前者是能满足工业和开采要求的有用矿物集合体。
因此,矿床的形成可以认为是岩石形成的特殊情况。
随着社会生产力的不断发展,科学技术的不断进步,对矿产的认识和使用能力的不断提高,矿床的范畴是不断扩大的。
过去认为无用的某些含稀有元素的岩石或没有开采价值的低品位矿化岩石,现在有许多已作为矿床被开采利用。
(二)矿石在现有的经济和技术条件下,由矿床中开采出来能从中提取有用组分(元素、化合物或矿物)的自然矿物集合体,叫矿石。
矿石中含有多种矿物,其中有用的金属或非企属矿物,叫矿石矿物;伴生的目前无用的矿物,叫脉石矿物。
例如从铜矿床开采出来的铜矿石,其中的辉铜矿、黄铜矿等即为矿石矿物,而其中所含的石英、方解石等,即为脉石矿物。
后者在矿石处理过程(选矿)中要被除掉。
但有时矿石中含有一些金属矿物如黄铜矿、方铅矿、闪锌矿等,因含量低而无法综合利用时,也被看作是脉石矿物;而有些脉石矿物目前虽“无用”,将来也可能成为有用的矿石矿物。
根据矿石矿物和脉石矿物的比例,通常把矿石分为两类:在一般情况下,矿石中含矿石矿物在80%以上者,称块状矿石;矿石矿物若少于80%,则称浸染状矿石。
(三)品位矿石的质量通常以品位来表示。
品位就是矿石中全属或有用组分的单位含量(以%、克/吨、克/立方米、克/升等表示),它是衡量矿石质量的主要标志。
矿工请收藏!史上最全矿石品位表矿石品位一览表元素矿石工业类型品位边界品位工业品位黑色金属矿产铁TFe (%) 磁铁矿石20 25赤铁矿石25 28-30 菱铁矿石20 25褐铁矿石25 30锰% 氧化锰富锰矿I 35 40II 30 35III 18 30贫锰矿石10-15 18铁锰矿石I 20 25II 15 20III 10 15 碳酸锰富锰矿石贫锰矿石铁锰矿石151010251515含锰灰岩8 12铬% 原生矿富矿贫矿≧25≧5-8≧32≧8-10 砂矿≧1.5≧3钛原生矿TiO2% 金红石 1 1.5 砂矿(矿物千克/米3金红石≧1≧1.5钛铁矿≧10≧1钒独立矿床V2O5% 0.5 0.7 伴生矿床V2O5% ≧0.1-0.5%有色金属矿产铜Cu% 硫化矿石坑采0.1-0.3 0.4-0.5露采0.2 0.4氧化矿石0.5 0.7铅% 硫化矿0.3-0.5 0.7-1.0 混合矿0.5-0.7 1.0-1.5 氧化矿0.5-1.0 1.5-2.0 硫化矿0.5-1.0 1.0-2.0锌% 混合矿0.8-1.5 2.0-3.0 氧化矿 1.5-2.0 3.0-6.0铝% Al2O3/SiO2露采 1.8-2.6 ≧3.5坑采 1.8-2.6 ≧3.8 Al2O3%露采≧40≧55坑采≧40≧55镁% 白云岩(MgO%)≧19菱镁矿(MgO%)42-46镍% 硫化镍矿原生坑采0.2-0.3 0.3-0.5露采氧化矿石0.7 1氧化镍、硅酸镍矿0.5 1钴% 硫化钴及砷化钴≧0.02≧0.03-0.06 钴土矿≧0.3≧0.5钨% 石英大脉型0.08-0.1 0.12-0.15 石英细脉带型0.1 0.15-0.2 石英细脉浸染状0.1 0.15-0.2 层控型0.1 0.15-0.2 矽卡岩型0.08-0.1 0.15-0.2锡% 原生锡矿0.1-0.2 0.2-0.4 砂锡矿0.02 0.04钼% 硫化矿石露采0.03 0.06坑采0.03-0.05 0.06-0.08铋% 0.5汞% 0.04 0.08-0.1 锑% 0.7 1.5贵金属矿产金岩金(克/吨)1-2 3-5砂金(克/米3)0.1-0.3 0.3-0.6银克/吨40-50 100-120 来源:矿业界。
黑色金属矿边界品位和工业品位表元素矿石工业类型磁铁矿石铁TFe(%)赤铁矿石菱铁矿石褐铁矿石富锰矿IIIII氧化锰%铁锰矿石贫锰矿石IIIII富锰矿石贫锰矿石碳酸锰铁锰矿石含锰灰岩%原生矿砂矿原生矿TiO 2%钛砂矿矿物千克/ 米3钒独立矿床V 2O 5%伴生矿床V 2O 5%金红石金红石钛铁矿富矿贫矿边界品位20 25 2025 35 30 18 10-15 20 15 10 15 10 10三5-81.510 0.5 工业品位25 28-3025 30 40 35 30 18 25 20 15 25 15 15 12三8-101.5三1.50.7 备注三0.1-0.5%有色金属和贵金属矿边界品位和工业品位表元素矿石工业类型坑采Cu%氧化矿石硫化矿%混合矿氧化矿硫化矿%混合矿氧化矿Al 2O 3/SiO 2 露采坑采露采坑采硫化矿石露采0.2 0.5 0.3-0.5 0.5-0.70.5-1.0 0.5-1.0 0.8-1.5 1.5-2.0 1.8-2.6 1.8-2.642-46 0.2-0.3 0.7 0.5 三0.02三0.30.08-0.10.1 0.1 0.1 0.08-0.1 0.1-0.2 0.02露采硫化矿石坑采岩金(克/ 吨)银砂金(克/ 米3)克/吨0.03-0.05 0.04 0.7 1-2 0.1-0.3 40-500.06-0.08 0.50.08-0.1 1.53-5 0.3-0.6 100-120 0.030.3-0.5三0.03-0.06三0.50.12-0.15 0.15-0.2 0.15-0.2 0.15-0.2 0.15-0.2 0.2-0.4 0.040.060.4 0.7 0.7-1.01.0-1.5 1.5-2.0 1.0-2.02.0-3.0 3.0-6.0三3.5 三3.8边界品位0.1-0.3工业品位0.4-0.5备注铝Al 2O 3%%白云岩(MgO%)菱镁矿(MgO%)坑采原生%硫化镍矿露采氧化矿石%硫化钴及砷化钴钴土矿石英大脉型石英细脉带型%石英细脉浸染状层控型矽卡岩型铋% 汞% 锑%原生锡矿砂锡矿。
铁矿石品位
铁矿石的品位指的是铁矿石中铁元素的质量分数,通俗来说就是含铁量。
比如说,铁矿石的品位为62,指的是其中铁元素的质量分数为62%
对于赤铁矿(主要成分为Fe2O3),理论最高品位为70%;
对于磁铁矿(主要成分为Fe3O4),理论最高品位为72.4%;
对于菱铁矿(主要成分为FeCO3),理论最高品位为48.3%;
对于褐铁矿(主要成分为Fe2O3.H2O),理论最高品位为62.9%
就是铁矿石的铁含量了,一般以全铁计算,可表示为TFe,单位为% 百分含量。
磁铁矿原矿石含量一般在10%多个就可以开采了,一般精矿品位要求到达63或者65%以上方可销售;赤铁矿、褐铁矿可采品位一般要达到30%以上,其精矿品位相对低些,能达到55~58%就差不多了。
铁精粉
铁矿石定义在理论上来说,凡是含有铁元素或铁化合物的矿石都可以叫做铁矿石;但是,在工业上或者商业上来说,铁矿石不但是要含有铁的成份,而且必须有利用的价值才行。
铁精粉定义天然矿石(铁矿石)经过破碎、磨碎、选矿等加工处理成矿粉叫精矿粉。
精矿粉按照选矿方法的不同分为多种精矿粉,如磁选、浮选、重选等精矿粉。
铁矿石酸碱性酸碱性的确定: 根据矿石中(CaO+MgO)/(SiO2+Al2O3)的比值,可以确定矿石的酸碱性:(CaO+MgO)/(SiO2+Al2O3)值‖矿石性质<0.5 ‖酸性矿石0.5-0.8 ‖半自熔矿石0.8-1.2 ‖自熔性矿石>;1.2 ‖碱性矿石。