铬矿矿石品位和开采技术指标 表2
- 格式:doc
- 大小:43.50 KB
- 文档页数:2
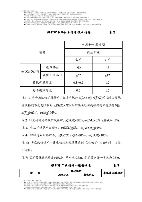
书山有路勤为径,学海无涯苦作舟铬矿矿石品位和开采技术指标表1 铬矿矿石品位和开采技术指标项目矿床和矿石类型内生矿床富矿贫矿ω(Cr2O3)%边界品位≥25 ≥5 最低工业品位≥32 ≥12 最低开采厚度0.3~0.5 1.0 夹石剔除厚度0.5 1.0 注:1、冶金用铬铁矿或精矿,火法冶炼时ω(Cr2O3)/ ω(FeO)2(湿法提炼金属铬则不受其限制);ω(SiO2)≤8%(用矿热法冶炼高碳铬时不受其限制);ω(P)≤0.09%,ω(S)≤0.05%。
2、耐火材料用铬铁矿或精矿,ω(SiO2)≤10%,ω(CaO)≤2%,ω(FeO)≤14%。
3、化工用铬铁矿或精矿,ω(SiO2)≤8%,ω(Al2O3)≤15%。
4、辉绿铸石用铬矿石,ω(Cr2O3) ≥(10~20%),ω(SiO2)≤10%。
5、当需选铬铁矿中伴生铂族元素总量达到(0.3~0.4)乘以10-6 时,应做出评价。
6、富矿最低开采厚度的选取,单矿层0.5m,复矿层则每一单层为0.3m。
表2 镍矿床工业指标一般要求项目硫化镍矿氧化镍-硅酸镍矿原生矿石氧化矿石坑采露采坑采露采边界品位(质量分数)% 0.2~0.3。
铬铁矿分级标准铬铁矿石按工业用途划分为冶金级、化工级、耐火级和铸石级。
1、冶金级铬矿石的工业要求冶金级铬矿石主要用于冶炼各种铬铁合金。
其化学成分应符合表1的规定。
表1 冶金级铬矿石品级及用途品级Cr2O3/% Cr2O3/FeO P/% S/% SiO2/% 用途Ⅰ≥50 >3 - - <1.2 氮化铬铁Ⅱ≥45 ≥2.5~3 <0.03 <0.05 <6.0 中、低、微碳铬铁Ⅲ≥40 ≥2.5 <0.07 <0.05 <6.0 电炉碳素铬铁Ⅳ≥32 ≥2.5 <0.07 <0.05 <6.0 高炉碳素铬铁物理状态:冶金用铬矿石中水分不允许大于10%;铬矿石粒度不允许大于300mm;矿石中不允许混入外来杂质。
冶金级铬铁矿石还可用来冶炼金属铬,目前我国冶炼金属铬的方法有火法和湿法两种。
采用湿法冶炼金属铬要求:铬矿石或精矿含Cr2O3≥38%、Cr2O3/FeO>2、SiO2<12%、Al2O3<10%,此外矿石粒度小于180目的应占80%以上2、耐火级铬矿石的工业要求在耐火材料工业中,铬矿石主要用来制造镁铬砖、铬砖和铬铝砖等。
用于生产耐火材料的铬矿石分为两个品级。
一级品用作天然耐火材料,质量要求:Cr2O3≥35%、SiO2≤8%、CaO≤2%。
二级品用作生产铬砖、铬镁砖,质量要求:Cr2O3≥30%~32%、SiO2≤11%、CaO≤3%。
以上两个品级,矿石块度都要求在50~300mm之间,而且矿石中不允许有大于5~8mm的夹石。
3、化工级铬矿石的工业要求在化学工业上,铬矿石主要用来生产重铬酸盐(铬盐),再用它作原料生产其他铬化合物产品。
铬盐用铬矿石工业要求:Cr2O3≥30%、Cr2O3/FeO≥2~2.5,SiO2少量。
4、铸石级铬矿石的工业要求用以生产辉绿岩铸石的铬矿石,其质量要求:Cr2O3≥10%~20%,SiO2≤10%。
5.方茴说:“那时候我们不说爱,爱是多么遥远、多么沉重的字眼啊。
我们只说喜欢,就算喜欢也是偷偷摸摸的。
”6.方茴说:“我觉得之所以说相见不如怀念,是因为相见只能让人在现实面前无奈地哀悼伤痛,而怀念却可以把已经注定的谎言变成童话。
”7.在村头有一截巨大的雷击木,直径十几米,此时主干上唯一的柳条已经在朝霞中掩去了莹光,变得普普通通了。
8.这些孩子都很活泼与好动,即便吃饭时也都不太老实,不少人抱着陶碗从自家出来,凑到了一起。
9.石村周围草木丰茂,猛兽众多,可守着大山,村人的食物相对来说却算不上丰盛,只是一些粗麦饼、野果以及孩子们碗中少量的肉食。
铬矿矿石品位和开采技术指标表2注:1、冶金用铬铁矿或精矿,火法冶炼时ω(Cr2O3)/ ω(FeO)>2(湿法提炼金属铬则不受其限制);ω(SiO2)≤8%(用矿热法冶炼高碳铬时不受其限制);ω(P)≤0.09%,ω(S)≤0.05%。
注2、耐火材料用铬铁矿或精矿,ω(SiO2)≤10%,ω(CaO)≤2%,ω(FeO)≤14%。
注3、化工用铬铁矿或精矿,ω(SiO2)≤8%,ω(Al2O3)≤15%。
注4:辉绿铸石用铬矿石,ω(Cr2O3) ≥(10~20%),ω(SiO2)≤10%。
注5:当需选铬铁矿中伴生铂族元素总量达到(0.3~0.4)×10-6时,应做出评价。
注7:富矿最低开采厚度的选取,单矿层0.5m,复矿层则每一单层为0.3m。
镍矿床工业指标一般要求表表31.“噢,居然有土龙肉,给我一块!”2.老人们都笑了,自巨石上起身。
而那些身材健壮如虎的成年人则是一阵笑骂,数落着自己的孩子,拎着骨棒与阔剑也快步向自家中走去。
5.方茴说:“那时候我们不说爱,爱是多么遥远、多么沉重的字眼啊。
我们只说喜欢,就算喜欢也是偷偷摸摸的。
”6.方茴说:“我觉得之所以说相见不如怀念,是因为相见只能让人在现实面前无奈地哀悼伤痛,而怀念却可以把已经注定的谎言变成童话。
各主要矿种的用途及矿床工业指标有色金属:铝土矿床一般工业指标钨矿床工业指标一般要求表锡矿床工业指标一般要求表锑矿床一般工业指标参考表黑金属:需进行选矿的铁矿石一般工业指标化工及轻工部门对锰矿石的质量要求化学工业上主要用锰矿石制取二氧化锰、硫酸锰、高锰酸钾,其次用于制取碳酸锰、硝酸锰和氯化锰等。
化工级二氧化锰矿粉要求MnO2含量大于50%(见下表),制硫酸锰时,Fe≤3%、Al2O3≤3%、CaO≤0.5%、MgO≤0.1%;制高锰酸钾时,Fe≤5%、SiO2≤5%、Al2O3≤4%。
天然二氧化锰是制造干电池的原料,要求MnO2含量越高越好。
对Ni、Cu、C、Pb等有害元素一般厂定标准为:Cu<0.01%、Ni<0.03%、Co<0.02%、Pb<0.02%。
矿粉的粒度要小于0.12mm。
铬铁矿石一般工业要求列于表1及2,其块度要求为:注:1、高炉冶炼炭素铬铁不小于20毫米和不大于75毫米;2、电炉冶炼铬铁合金不大于60~40毫米(粉矿或精矿粉均可);3、耐火材料用铬铁矿石的块度为50~300毫米。
注:1、块度要求:50~300毫米;贵金属:砂金矿一般工业指标参考表稀有元素:由于锂、铍、铌、钽等有时共伴生一起组成综合性矿床,或伴生在钨锡等多金属矿床中并具有综合开采、综合利用价值,在地质勘探过程中应进行综合评价。
锂、铍、铌、钽矿石的工业要求,在1984年我国颁布的《稀有金属矿地质勘探规范(试行)》中,制定了锂、铍、铌、钽矿床参考性工业指标(表1)。
其中,锂、铍矿床的边界品位和又分为手选矿石和机选矿石,并分别确定了品位指标。
手选与机选矿石的划分,根据生产实践经验,若矿体中锂辉石粒径>3cm,矿石品位在2%~3%以上;绿柱石的粒径>0.5cm,矿石品位在0.1%~0.2%以上,就适于手选,划分为手选矿石,并进行手选矿物储量计算。
铌钽铁矿粒径>0.3cm,在开采过程中,可附带手选。
手选矿石的尾矿具有机选价值的和不适于手选矿石的,均属机选矿石。
铬铁矿用途与技术经济指标发布时间:2011-11-15 9:40:46铬铁矿石按工业用途划分为冶金级、化工级、耐火级和铸石级。
1.冶金级铬矿石的工业要求冶金级铬矿石主要用于冶炼各种铬铁合金。
用来冶炼铬铁合金的铬矿石又按不同的冶炼用途分为4个品级(表3.4.1)。
表3.4.1冶炼铬铁合金用富矿(或精矿)的工业指标除了上述成分要求外,用于高炉冶炼碳素铬铁的块度要求为40~75mm,电炉冶炼碳素铬铁的块度为40~50mm。
冶金级铬铁矿石还可用来冶炼金属铬,目前我国冶炼金属铬的方法有火法和湿法两种。
采用湿法冶炼金属铬要求:铬矿石或精矿含Cr2O3≥38%、Cr2O3/FeO>2、SiO2<12%、Al2O3<10%,此外矿石粒度小于180目的应占80%以上。
2.耐火级铬矿石的工业要求在耐火材料工业中,铬矿石主要用来制造镁铬砖、铬砖和铬铝砖等。
用于生产耐火材料的铬矿石分为两个品级。
一级品用作天然耐火材料,质量要求:Cr2O3≥35%、SiO2≤8%、CaO≤2%。
二级品用作生产铬砖、铬镁砖,质量要求:Cr2O3≥30%~32%、SiO2≤11%、CaO≤3%。
以上两个品级,矿石块度都要求在50~300mm之间,而且矿石中不允许有大于5~8mm的夹石。
3.化工级铬矿石的工业要求在化学工业上,铬矿石主要用来生产重铬酸盐(铬盐),再用它作原料生产其他铬化合物产品。
铬盐用铬矿石工业要求:Cr2O3≥30%、Cr2O3/FeO≥2~2.5,SiO2少量。
4.铸石级铬矿石的工业要求用以生产辉绿岩铸石的铬矿石,其质量要求:Cr2O3≥10%~20%,SiO2≤10%铬矿砂数据质量分析1.基本情况铬矿主要应用于冶金工业如熔铸铬铁合金、提炼金属铬用于电镀和制造合金材料等,化学工业如制造重铬酸盐、铬酸盐、铬盐用于制革工业、纺织工业、颜料工业、医药原料和化学试剂等.耐火材料如制造耐火度、机械强度、抗蚀性高的铬质耐火砖等方面。
2.检测数据分析重点实验室2011年4 月份检验铬矿砂共计16批/次,仅检测主含量三氧化二铬。
钼矿床工业指标一般要求表钼矿床伴生有用组分评价参考表铜矿床工业指标一般要求表铜矿床伴生有用组分评价参考表铅锌矿床工业指标一般要求表铅锌矿床伴生有用组分评价参考表镍矿床工业指标一般要求表镍矿床伴生有用组分评价参考表银矿床工业指标一般要求表银矿床伴生有用组分评价参考指标表铜、铅、锌、银、镍、钼矿床伴生有用组分评价参考指标表说明硫铁矿一般工业指标参考表硫铁矿伴生有益组分综合评价指标参考表高岭土一般工业指标钨矿床一般工业指标参考表钨矿床伴生有用组分综合评价参考表锡矿床一般工业指标参考表锡矿床伴生有用组分综合评价参考表汞矿床一般工业指标参考表锑矿床一般工业指标参考表锑矿床伴生有用组分综合评价参考表磷矿一般工业指标参考表金红石及钛铁矿砂矿一般工业指标参考表砂锡矿一般工业指标参考表砂金矿一般工业指标参考表稀有金属与稀土金属砂矿一般工业指标参考表重晶石矿(原生矿)一般工业指标石墨矿一般工业指标重晶石矿(残、坡积矿)一般工业指标毒重石矿一般工业指标萤石矿床一般工业指标硼矿床一般工业指标铝土矿床一般工业指标需进行选矿的铁矿石一般工业指标铁矿床开采技术指标铁矿石一般工业质量要求冶金用锰矿石一般工业指标锰矿石中伴生组分评价参考含量表铬铁矿石品位及开采技术指标煤炭资源储量估算指标岩金矿伴生组分评价参考表岩金矿共生(铜、铅、锌)矿产工业指标一般要求表岩金矿工业指标参考表矿山露天开采技术条件一般要求铁矿石一般工业质量要求1.炼钢用铁矿石(原称平炉富矿)矿石入炉块度要求:平炉用铁矿石 50~250mm;电炉用铁矿石 50~100mm;转炉用铁矿石 10~50mm。
直接用于炼钢的矿石质量要求见表1(适用于磁铁矿石、赤铁矿石、褐铁矿石)。