8088 汇编语言指令以及伪指令速查手册
- 格式:doc
- 大小:29.50 KB
- 文档页数:5
8088 汇编速查手册一、数据传输指令它们在存贮器和寄存器、寄存器和输入输出端口之间传送数据.1. 通用数据传送指令.MOV 传送字或字节.MOVSX 先符号扩展,再传送.MOVZX 先零扩展,再传送.PUSH 把字压入堆栈.POP 把字弹出堆栈.PUSHA 把AX,CX,DX,BX,SP,BP,SI,DI依次压入堆栈.POPA 把DI,SI,BP,SP,BX,DX,CX,AX依次弹出堆栈.PUSHAD 把EAX,ECX,EDX,EBX,ESP,EBP,ESI,EDI依次压入堆栈.POPAD 把EDI,ESI,EBP,ESP,EBX,EDX,ECX,EAX依次弹出堆栈.BSWAP 交换32位寄存器里字节的顺序XCHG 交换字或字节.( 至少有一个操作数为寄存器,段寄存器不可作为操作数) CMPXCHG 比较并交换操作数.( 第二个操作数必须为累加器AL/AX/EAX )XADD 先交换再累加.( 结果在第一个操作数里 )XLAT 字节查表转换.── BX 指向一张 256 字节的表的起点, AL 为表的索引值 (0-255,即0-FFH); 返回 AL 为查表结果. ( [BX+AL]->AL )2. 输入输出端口传送指令.IN I/O端口输入. ( 语法: IN 累加器, {端口号│DX} )OUT I/O端口输出. ( 语法: OUT {端口号│DX},累加器 )输入输出端口由立即方式指定时, 其范围是 0-255; 由寄存器 DX 指定时,其范围是 0-65535.3. 目的地址传送指令.LEA 装入有效地址.例: LEA DX,string ;把偏移地址存到DX.LDS 传送目标指针,把指针内容装入DS.例: LDS SI,string ;把段地址:偏移地址存到DS:SI.LES 传送目标指针,把指针内容装入ES.例: LES DI,string ;把段地址:偏移地址存到ES:DI.LFS 传送目标指针,把指针内容装入FS.例: LFS DI,string ;把段地址:偏移地址存到FS:DI.LGS 传送目标指针,把指针内容装入GS.例: LGS DI,string ;把段地址:偏移地址存到GS:DI.LSS 传送目标指针,把指针内容装入SS.例: LSS DI,string ;把段地址:偏移地址存到SS:DI.4. 标志传送指令.LAHF 标志寄存器传送,把标志装入AH.SAHF 标志寄存器传送,把AH内容装入标志寄存器.PUSHF 标志入栈.POPF 标志出栈.PUSHD 32位标志入栈.POPD 32位标志出栈.二、算术运算指令ADD 加法.ADC 带进位加法.INC 加 1.AAA 加法的ASCII码调整.DAA 加法的十进制调整.SUB 减法.SBB 带借位减法.DEC 减 1.NEC 求反(以 0 减之).CMP 比较.(两操作数作减法,仅修改标志位,不回送结果).AAS 减法的ASCII码调整.DAS 减法的十进制调整.MUL 无符号乘法.IMUL 整数乘法. 以上两条,结果回送AH和AL(字节运算),或DX和AX(字运算), AAM 乘法的ASCII码调整.DIV 无符号除法.IDIV 整数除法. 以上两条,结果回送:商回送AL,余数回送AH, (字节运算);或商回送AX,余数回送DX, (字运算).AAD 除法的ASCII码调整.CBW 字节转换为字. (把AL中字节的符号扩展到AH中去)CWD 字转换为双字. (把AX中的字的符号扩展到DX中去)CWDE 字转换为双字. (把AX中的字符号扩展到EAX中去)CDQ 双字扩展. (把EAX中的字的符号扩展到EDX中去)三、逻辑运算指令AND 与运算.OR 或运算.XOR 异或运算.NOT 取反.TEST 测试.(两操作数作与运算,仅修改标志位,不回送结果).SHL 逻辑左移.SAL 算术左移.(=SHL)SHR 逻辑右移.SAR 算术右移.(=SHR)ROL 循环左移.ROR 循环右移.RCL 通过进位的循环左移.RCR 通过进位的循环右移.以上八种移位指令,其移位次数可达255次.移位一次时, 可直接用操作码. 如 SHL AX,1.移位>1次时, 则由寄存器CL给出移位次数.如 MOV CL,04SHL AX,CL四、串指令DS:SI 源串段寄存器 :源串变址.ES:DI 目标串段寄存器:目标串变址.CX 重复次数计数器.AL/AX 扫描值.D标志 0表示重复操作中SI和DI应自动增量; 1表示应自动减量.Z标志用来控制扫描或比较操作的结束.MOVS 串传送.( MOVSB 传送字符. MOVSW 传送字. MOVSD 传送双字. ) CMPS 串比较.( CMPSB 比较字符. CMPSW 比较字. )SCAS 串扫描. 把AL或AX的内容与目标串作比较,比较结果反映在标志位.LODS 装入串. 把源串中的元素(字或字节)逐一装入AL或AX中.( LODSB 传送字符. LODSW 传送字. LODSD 传送双字. )STOS 保存串. 是LODS的逆过程.REP 当CX/ECX<>0时重复.REPE/REPZ 当ZF=1或比较结果相等,且CX/ECX<>0时重复.REPNE/REPNZ 当ZF=0或比较结果不相等,且CX/ECX<>0时重复.REPC 当CF=1且CX/ECX<>0时重复.REPNC 当CF=0且CX/ECX<>0时重复.五、程序转移指令1>无条件转移指令 (长转移)JMP 无条件转移指令CALL 过程调用RET/RETF过程返回.2>条件转移指令 (短转移,-128到+127的距离内)( 当且仅当(SF XOR OF)=1时,OP1<OP2 )JA/JNBE 不小于或不等于时转移.JAE/JNB 大于或等于转移.JB/JNAE 小于转移.JBE/JNA 小于或等于转移.以上四条,测试无符号整数运算的结果(标志C和Z).JG/JNLE 大于转移.JGE/JNL 大于或等于转移.JL/JNGE 小于转移.JLE/JNG 小于或等于转移.以上四条,测试带符号整数运算的结果(标志S,O和Z).JE/JZ 等于转移.JNE/JNZ 不等于时转移.JC 有进位时转移.JNC 无进位时转移.JNO 不溢出时转移.JNP/JPO 奇偶性为奇数时转移.JNS 符号位为 "0" 时转移.JO 溢出转移.JP/JPE 奇偶性为偶数时转移.JS 符号位为 "1" 时转移.3>循环控制指令(短转移)LOOP CX不为零时循环.LOOPE/LOOPZ CX不为零且标志Z=1时循环.LOOPNE/LOOPNZ CX不为零且标志Z=0时循环.JCXZ CX为零时转移.JECXZ ECX为零时转移.4>中断指令INT 中断指令INTO 溢出中断IRET 中断返回5>处理器控制指令HLT 处理器暂停, 直到出现中断或复位信号才继续.WAIT 当芯片引线TEST为高电平时使CPU进入等待状态.ESC 转换到外处理器.LOCK 封锁总线.NOP 空操作.STC 置进位标志位.CLC 清进位标志位.CMC 进位标志取反.STD 置方向标志位.CLD 清方向标志位.STI 置中断允许位.CLI 清中断允许位.六、伪指令DW 定义字(2字节).PROC 定义过程.ENDP 过程结束.SEGMENT 定义段.ASSUME 建立段寄存器寻址.ENDS 段结束.END 程序结束标志名称溢出OF 方向DF 中断IF 负号SF 零ZF 辅助进位AF 奇偶PF 进位CF 置位状态 OV DN EI NG ZR AC PE CY 复位状态 NV UP DI PL NZ NA PO NC。
8088 汇编速查手册一、数据传输指令二、算术运算指令三、逻辑运算指令四、串指令五、程序转移指令六、伪指令8088 汇编速查手册一、数据传输指令───────────────────────────────────────它们在存贮器和寄存器、寄存器和输入输出端口之间传送数据.1. 通用数据传送指令.MOV 传送字或字节.MOVSX先符号扩展,再传送.MOVZX先零扩展,再传送.PUSH把字压入堆栈.POP把字弹出堆栈.PUSHA把AX,CX,DX,BX,SP,BP,SI,DI依次压入堆栈.POPA把DI,SI,BP,SP,BX,DX,CX,AX依次弹出堆栈.PUSHAD把EAX,ECX,EDX,EBX,ESP,EBP,ESI,EDI依次压入堆栈.POPAD把EDI,ESI,EBP,ESP,EBX,EDX,ECX,EAX依次弹出堆栈.BSW AP交换32位寄存器里字节的顺序XCHG交换字或字节.( 至少有一个操作数为寄存器,段寄存器不可作为操作数)CMPXCHG 比较并交换操作数.( 第二个操作数必须为累加器AL/AX/EAX )XADD先交换再累加.( 结果在第一个操作数里)XLAT字节查表转换.──BX 指向一张256 字节的表的起点, AL 为表的索引值(0-255,即0-FFH); 返回AL 为查表结果. ( [BX+AL]->AL )2. 输入输出端口传送指令.IN I/O端口输入. ( 语法: IN 累加器, )OUT I/O端口输出. ( 语法: OUT ,累加器)输入输出端口由立即方式指定时, 其范围是0-255; 由寄存器DX 指定时, 其范围是0-65535.3. 目的地址传送指令.LEA装入有效地址.例: LEA DX,string;把偏移地址存到DX.LDS传送目标指针,把指针内容装入DS.例: LDS SI,string;把段地址:偏移地址存到DS:SI.LES传送目标指针,把指针内容装入ES.例: LES DI,string;把段地址:偏移地址存到ES:DI.LFS传送目标指针,把指针内容装入FS.例: LFS DI,string;把段地址:偏移地址存到FS:DI.LGS传送目标指针,把指针内容装入GS.例: LGS DI,string;把段地址:偏移地址存到GS:DI.LSS传送目标指针,把指针内容装入SS.例: LSS DI,string;把段地址:偏移地址存到SS:DI.4. 标志传送指令.LAHF标志寄存器传送,把标志装入AH.SAHF标志寄存器传送,把AH内容装入标志寄存器.PUSHF标志入栈.POPF标志出栈.PUSHD32位标志入栈.POPD32位标志出栈.二、算术运算指令───────────────────────────────────────ADD加法.ADC带进位加法.INC加 1.AAA加法的ASCII码调整.DAA加法的十进制调整.SUB减法.SBB带借位减法.DEC减 1.NEC求反(以0 减之).CMP比较.(两操作数作减法,仅修改标志位,不回送结果).AAS减法的ASCII码调整.DAS减法的十进制调整.MUL无符号乘法.IMUL整数乘法.以上两条,结果回送AH和AL(字节运算),或DX和AX(字运算).AAM乘法的ASCII码调整.DIV无符号除法.IDIV整数除法.以上两条,结果回送:商回送AL,余数回送AH, (字节运算); 或商回送AX,余数回送DX, (字运算).AAD除法的ASCII码调整.CBW字节转换为字. (把AL中字节的符号扩展到AH中去)CWD字转换为双字. (把AX中的字的符号扩展到DX中去)CWDE字转换为双字. (把AX中的字符号扩展到EAX中去)CDQ双字扩展.(把EAX中的字的符号扩展到EDX中去)三、逻辑运算指令───────────────────────────────────────AND与运算.OR或运算.XOR异或运算.NOT取反.TEST测试.(两操作数作与运算,仅修改标志位,不回送结果).SHL逻辑左移.SAL算术左移.(=SHL)SHR逻辑右移.SAR算术右移.(=SHR)ROL循环左移.ROR循环右移.RCL通过进位的循环左移.RCR通过进位的循环右移.以上八种移位指令,其移位次数可达255次.移位一次时, 可直接用操作码.如SHL AX,1.移位>1次时, 则由寄存器CL给出移位次数.如MOV CL,04SHL AX,CL四、串指令───────────────────────────────────────DS:SI源串段寄存器:源串变址.ES:DI目标串段寄存器:目标串变址.CX重复次数计数器.AL/AX扫描值.D标志0表示重复操作中SI和DI应自动增量; 1表示应自动减量.Z标志用来控制扫描或比较操作的结束.MOVS串传送.( MOVSB传送字符. MOVSW传送字.MOVSD传送双字. )CMPS串比较.( CMPSB比较字符. CMPSW比较字. )SCAS串扫描.把AL或AX的内容与目标串作比较,比较结果反映在标志位.LODS装入串.把源串中的元素(字或字节)逐一装入AL或AX中.( LODSB传送字符.LODSW传送字.LODSD传送双字. )STOS保存串.是LODS的逆过程.REP当CX/ECX<>0时重复.REPE/REPZ当ZF=1或比较结果相等,且CX/ECX<>0时重复.REPNE/REPNZ当ZF=0或比较结果不相等,且CX/ECX<>0时重复.REPC当CF=1且CX/ECX<>0时重复.REPNC当CF=0且CX/ECX<>0时重复.五、程序转移指令───────────────────────────────────────1>无条件转移指令(长转移)JMP无条件转移指令CALL过程调用RET/RETF过程返回.2>条件转移指令(短转移,-128到+127的距离内)( 当且仅当(SF XOR OF)=1时,OP1JA/JNBE不小于或不等于时转移.JAE/JNB大于或等于转移.JB/JNAE小于转移.JBE/JNA小于或等于转移.以上四条,测试无符号整数运算的结果(标志C和Z).JG/JNLE 大于转移.JGE/JNL 大于或等于转移.JL/JNGE 小于转移.JLE/JNG 小于或等于转移.以上四条,测试带符号整数运算的结果(标志S,O和Z).JE/JZ等于转移.JNE/JNZ不等于时转移.JC有进位时转移.JNC无进位时转移.JNO不溢出时转移.JNP/JPO奇偶性为奇数时转移.JNS符号位为"0" 时转移.JO溢出转移.JP/JPE奇偶性为偶数时转移.JS符号位为"1" 时转移.3>循环控制指令(短转移)LOOP CX不为零时循环.LOOPE/LOOPZ CX不为零且标志Z=1时循环.LOOPNE/LOOPNZ CX不为零且标志Z=0时循环.JCXZ CX为零时转移.JECXZ ECX为零时转移.4>中断指令INT中断指令INTO溢出中断IRET中断返回5>处理器控制指令HLT处理器暂停, 直到出现中断或复位信号才继续.W AIT当芯片引线TEST为高电平时使CPU进入等待状态.ESC转换到外处理器.LOCK封锁总线.NOP空操作.STC置进位标志位.CLC清进位标志位.CMC进位标志取反.STD置方向标志位.CLD清方向标志位.STI置中断允许位.CLI清中断允许位.六、伪指令───────────────────────────────────────DW定义字(2字节).PROC定义过程.ENDP过程结束.SEGMENT定义段.ASSUME建立段寄存器寻址.ENDS段结束.END程序结束.。
MOV指令为双操作数指令,两个操作数中必须有一个是寄存器.MOV DST , SRC // Byte / Word执行操作: dst = src1.目的数可以是通用寄存器, 存储单元和段寄存器(但不允许用CS段寄存器).2.立即数不能直接送段寄存器3.不允许在两个存储单元直接传送数据4.不允许在两个段寄存器间直接传送信息PUSH入栈指令及POP出栈指令: 堆栈操作是以"后进先出"的方式进行数据操作.PUSH SRC //Word入栈的操作数除不允许用立即数外,可以为通用寄存器,段寄存器(全部)和存储器.入栈时高位字节先入栈,低位字节后入栈.POP DST //Word出栈操作数除不允许用立即数和CS段寄存器外, 可以为通用寄存器,段寄存器和存储器.执行POP SS指令后,堆栈区在存储区的位置要改变.执行POP SP 指令后,栈顶的位置要改变.XCHG(eXCHanG)交换指令: 将两操作数值交换.XCHG OPR1, OPR2 //Byte/Word执行操作: Tmp=OPR1 OPR1=OPR2 OPR2=Tmp1.必须有一个操作数是在寄存器中2.不能与段寄存器交换数据3.存储器与存储器之间不能交换数据.XLAT(TRANSLATE)换码指令: 把一种代码转换为另一种代码.XLAT (OPR 可选) //Byte执行操作: AL=(BX+AL)指令执行时只使用预先已存入BX中的表格首地址,执行后,AL中内容则是所要转换的代码.LEA(Load Effective Address) 有效地址传送寄存器指令LEA REG , SRC //指令把源操作数SRC的有效地址送到指定的寄存器中.执行操作: REG = EAsrc注: SRC只能是各种寻址方式的存储器操作数,REG只能是16位寄存器MOV BX , OFFSET OPER_ONE 等价于 LEA BX , OPER_ONEMOV SP , [BX] //将BX间接寻址的相继的二个存储单元的内容送入SP中LEA SP , [BX] //将BX的内容作为存储器有效地址送入SP中LDS(Load DS with pointer)指针送寄存器和DS指令LDS REG , SRC //常指定SI寄存器。
寄存器与存储器1. 寄存器功能. 寄存器的一般用途和专用用途. CS:IP 控制程序执行流程. SS:SP 提供堆栈栈顶单元地址. DS:BX(SI,DI) 提供数据段内单元地址. SS:BP 提供堆栈内单元地址. ES:BX(SI,DI) 提供附加段内单元地址. AX,CX,BX和CX寄存器多用于运算和暂存中间计算结果,但又专用于某些指令(查阅指令表)。
. PSW程序状态字寄存器只能通过专用指令(LAHF, SAHF)和堆栈(PUSHF,POPF)进行存取。
2. 存储器分段管理. 解决了16位寄存器构成20位地址的问题. 便于程序重定位. 20位物理地址=段地址* 16 + 偏移地址. 程序分段组织: 一般由代码段,堆栈段,数据段和附加段组成,不设置堆栈段时则使用系统内部的堆栈。
3. 堆栈. 堆栈是一种先进后出的数据结构, 数据的存取在栈顶进行, 数据入栈使堆栈向地址减小的方向扩展。
. 堆栈常用于保存子程序调用和中断响应时的断点以及暂存数据或中间计算结果。
.堆栈总是以字为单位存取指令系统与寻址方式1. 指令系统. 计算机提供给用户使用的机器指令集称为指令系统,大多数指令为双操作数指令。
执行指令后,一般源操作数不变,目的操作数被计算结果替代。
. 机器指令由CPU执行,完成某种运算或操作,8086/8088指令系统中的指令分为6类: 数据传送,算术运算,逻辑运算,串操作,控制转移和处理机控制。
2. 寻址方式. 寻址方式确定执行指令时获得操作数地址的方法. 分为与数据有关的寻址方式(7种)和与转移地址有关的寻址方式(4)种。
. 与数据有关的寻址方式的一般用途:(1) 立即数寻址方式--将常量赋给寄存器或存储单元(2) 直接寻址方式--存取单个变量(3) 寄存器寻址方式--访问寄存器的速度快于访问存储单元的速度(4) 寄存器间接寻址方式--访问数组元素(5) 变址寻址方式(6) 基址变址寻址方式(7) 相对基址变址寻址方式(5),(6),(7)都便于处理数组元素. 与数据有关的寻址方式中,提供地址的寄存器只能是BX,SI,DI或BP. 与转移地址有关的寻址方式的一般用途:(1) 段内直接寻址--段内直接转移或子程序调用(2) 段内间接寻址--段内间接转移或子程序调用(3) 段间直接寻址--段间直接转移或子程序调用(4) 段间间接寻址--段间间接转移或子程序调用汇编程序和汇编语言1. 汇编程序. 汇编程序是将汇编语言源程序翻译成二进制代码程序的语言处理程序,翻译的过程称为汇编。
完整版汇编语言中常用的伪指令档汇编语言是一种低级的程序设计语言,它用于编写底层计算机程序。
在汇编语言中,伪指令是一类特殊的指令,它们在程序运行时不会被计算机执行,而是在编译或汇编时被处理器或汇编器解释和展开。
伪指令在汇编语言中起到辅助编程、优化代码和声明常量等作用。
本文将介绍完整版汇编语言中常用的伪指令档。
一、伪指令的定义和作用伪指令是汇编语言中的一类特殊指令,它们不是真正的指令,不会被计算机执行,而是在编译或汇编的过程中被汇编器或处理器解释和处理。
伪指令主要用于辅助编程、优化代码和声明常量等作用。
伪指令的格式一般与真正的指令相似,但一般不包含操作码。
在一些汇编语言中,伪指令以特殊的标记或符号来区分,比如以“.”开头的指令。
二、常用的伪指令档1. ORG指令ORG指令用于指定程序的起始地址。
在汇编程序中,使用ORG指令可以将程序的代码段或数据段放置在指定的内存地址处。
其格式一般为:ORG 地址其中,地址为16进制数或表示内存单元的符号。
2. EQU指令EQU指令用于定义符号常量或符号变量。
它将一个符号与一个数值或地址进行关联,使得在程序中使用该符号时可以被汇编器或处理器替换为对应的数值或地址。
其格式一般为:符号 EQU 数值或地址其中,符号为一个标识符,数值或地址可以是16进制数、10进制数或表示内存单元的符号。
3. DB指令DB指令用于定义字节型数据。
它可以用于声明字符、整数等字节型数据,并将这些数据存储在指定的内存地址中。
其格式一般为:标号 DB 表达式其中,表达式可以是一个字节常量、字符常量或表示内存单元的符号。
4. DW指令DW指令用于定义字型数据。
它可以用于声明无符号整数等字型数据,并将这些数据存储在指定的内存地址中。
其格式一般为:标号 DW 表达式其中,表达式可以是一个字常量或表示内存单元的符号。
5. DD指令DD指令用于定义双字型数据。
它可以用于声明无符号双字整数等双字型数据,并将这些数据存储在指定的内存地址中。
8086 8088 汇编指令手册一、常用指令二、算术运算指令三、逻辑运算指令四、串指令五、程序跳转指令------------------------------------------计算机寄存器分类简介:32位CPU所含有的寄存器有:4个数据寄存器(EAX、EBX、ECX和EDX)2个变址和指针寄存器(ESI和EDI) 2个指针寄存器(ESP和EBP)6个段寄存器(ES、CS、SS、DS、FS和GS)1个指令指针寄存器(EIP) 1个标志寄存器(EFlags)1、数据寄存器数据寄存器主要用来保存操作数和运算结果等信息,从而节省读取操作数所需占用总线和访问存储器的时间。
32位CPU有4个32位的通用寄存器EAX、EBX、ECX和EDX。
对低16位数据的存取,不会影响高16位的数据。
这些低16位寄存器分别命名为:AX、BX、CX和DX,它和先前的CPU中的寄存器相一致。
4个16位寄存器又可分割成8个独立的8位寄存器(AX:AH-AL、BX:BH-BL、CX:CH-CL、DX:DH-DL),每个寄存器都有自己的名称,可独立存取。
程序员可利用数据寄存器的这种“可分可合”的特性,灵活地处理字/字节的信息。
寄存器EAX通常称为累加器(Accumulator),用累加器进行的操作可能需要更少时间。
可用于乘、除、输入/输出等操作,使用频率很高;寄存器EBX称为基地址寄存器(Base Register)。
它可作为存储器指针来使用;寄存器ECX称为计数寄存器(Count Register)。
在循环和字符串操作时,要用它来控制循环次数;在位操作中,当移多位时,要用CL来指明移位的位数;寄存器EDX称为数据寄存器(Data Register)。
在进行乘、除运算时,它可作为默认的操作数参与运算,也可用于存放I/O的端口地址。
在16位CPU中,AX、BX、CX和DX不能作为基址和变址寄存器来存放存储单元的地址,在32位CPU中,其32位寄存器EAX、EBX、ECX和EDX不仅可传送数据、暂存数据保存算术逻辑运算结果,而且也可作为指针寄存器,所以,这些32位寄存器更具有通用性。
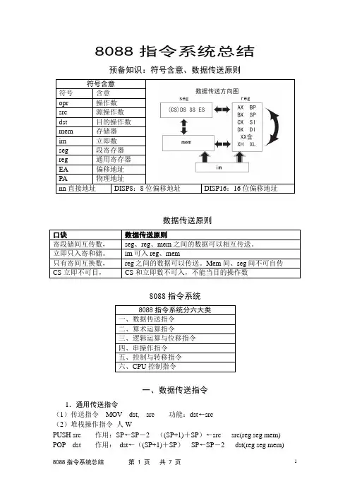
8088指令系统总结预备知识:符号含意、数据传送原则符号含意符号含意opr 操作数src 源操作数dst 目的操作数mem 存储器im 立即数seg 段寄存器reg 通用寄存器EA 偏移地址PA 物理地址nn直接地址DISP8:8位偏移地址DISP16:16位偏移地址数据传送原则口诀数据传送原则寄段储间互传数,seg、reg、mem之间的数据可以相互传送。
立即只入寄和储。
im可入reg、mem只有寄间互换数,reg之间的数据可以传送。
Mem间、seg间不可自传CS立即不可目,CS和立即数不可入,不能当目的操作数8088指令系统8088指令系统分六大类一、数据传送指令二、算术运算指令三、逻辑运算与位移指令四、串操作指令五、控制与转移指令六、CPU控制指令一、数据传送指令1.通用传送指令(1)传送指令MOV dst, src功能:dst←src(2)堆栈操作指令人WPUSH src作用:SP←SP-2 ((SP+1)+SP)←src src(reg seg mem) POP dst 作用:dst←((SP+1)+SP)SP←SP-2 dst(reg seg mem)(3)交换指令XCHG OPR1,OPR2 OPR1←→OPR22.累加器传送指令(1)输入输出指令256B短格式:直接寻址,64K长格式:直接、间接寻址,PORT为8位口地址输入指令:直接寻址IN AX,PORT IN AL,PORT间接寻址IN AX,DX IN AL,DX输出指令:直接寻址OUT AX,PORT OUT AL,PORT间接寻址OUT AX,DX OUT AL,DX(2)换码指令XLAT AL←(BX+AL)(BX)为mem地址3.地址传送指令(1)有效地址传送寄存器LEA reg16, mem作用:mem的EA→reg16(2)指针送寄存器和DS指令LDS reg16, mem32 作用:reg16←mem32的低字高字→DS(3)指针送寄存器和有ES指令LES reg16, mem32 作用:reg16←mem32的低字高字→ES4.标志寄存器传送指令(1)取标志指令:LAHF F的低字节→AH(2)置标志指令:SAHF AH→flag的低字节(3)标志入栈指令:PUSHF SP-2→SP F→(SP+1):SP(4)标志出栈指令:POPF (SP+1):SP→F SP+2→SP二、算术运算指令1.加法类指令(Add)opr-reg mem B/W(1)不带进位加法ADD dst, src dst←dst+src 影响OSZAPC(2)带进位加法ADC dst, src dst←dst+src+CF影响OSZAPC(3)加1指令INC opr opr←opr+1影响OSZP(4)组合十进制调整DAA放在ADD后(5)非组合十进制调整AAA放在ADC后原理:2个十进制数相加,可能出现非法数(A到F),需用调整指令,进行加6调整变成合法十进制数。
8086_8088汇编语言指令集8086/8088汇编语言指令集数据传送指令集MOV功能: 把源操作数送给目的操作数语法: MOV 目的操作数,源操作数格式: MOV r1,r2MOV r,mMOV m,rMOV r,dataXCHG功能: 交换两个操作数的数据语法: XCHG格式: XCHG r1,r2 XCHG m,r XCHG r,mPUSH,POP功能: 把操作数压入或取出堆栈语法: PUSH 操作数POP 操作数格式: PUSH r PUSH M PUSH data POP r POP m PUSHF,POPF,PUSHA,POPA功能: 堆栈指令群格式: PUSHF POPF PUSHA POPALEA,LDS,LES功能: 取地址至寄存器语法: LEA r,m LDS r,m LES r,mXLAT(XLATB)功能: 查表指令语法: XLAT XLAT m算数运算指令ADD,ADC功能: 加法指令语法: ADD OP1,OP2 ADC OP1,OP2格式: ADD r1,r2 ADD r,m ADD m,r ADD r,data影响标志: C,P,A,Z,S,OSUB,SBB功能:减法指令语法: SUB OP1,OP2 SBB OP1,OP2格式: SUB r1,r2 SUB r,m SUB m,r SUB r,data SUB m,data 影响标志: C,P,A,Z,S,OINC,DEC功能: 把OP的值加一或减一语法: INC OP DEC OP格式: INC r/m DEC r/m影响标志: P,A,Z,S,ONEG功能: 将OP的符号反相(取二进制补码)语法: NEG OP格式: NEG r/m影响标志: C,P,A,Z,S,OMUL,IMUL功能: 乘法指令语法: MUL OP IMUL OP格式: MUL r/m IMUL r/m影响标志: C,P,A,Z,S,O(仅IMUL会影响S标志)DIV,IDIV功能:除法指令语法: DIV OP IDIV OP格式: DIV r/m IDIV r/mCBW,CWD功能: 有符号数扩展指令语法: CBW CWDAAA,AAS,AAM,AAD功能: 非压BCD码运算调整指令语法: AAA AAS AAM AAD影响标志: A,C(AAA,AAS) S,Z,P(AAM,AAD)DAA,DAS功能: 压缩BCD码调整指令语法: DAA DAS影响标志: C,P,A,Z,S位运算指令集AND,OR,XOR,NOT,TEST功能: 执行BIT与BIT之间的逻辑运算语法: AND r/m,r/m/data OR r/m,r/m/data XOR r/m,r/m/data TEST r/m,r/m/data NOT r/m影响标志: C,O,P,Z,S(其中C与O两个标志会被设为0) NOT指令不影响任何标志位SHR,SHL,SAR,SAL功能: 移位指令语法: SHR r/m,data/CL SHL r/m,data/CL SAR r/m,data/CL SAL r/m,data/CL影响标志: C,P,Z,S,OROR,ROL,RCR,RCL功能: 循环移位指令语法: ROR r/m,data/CL ROL r/m,data/CL RCR r/m,data/CL RCL r/m,data/CL影响标志: C,P,Z,S,O程序流程控制指令集CLC,STC,CMC功能: 设定进位标志语法: CLC STC CMC标志位: CCLD,STD功能: 设定方向标志语法: CLD STD标志位: DCLI,STI功能: 设定中断标志语法: CLI STI标志位: ICMP功能: 比较OP1与OP2的值语法: CMP r/m,r/m/data标志位: C,P,A,Z,OJMP功能: 跳往指定地址执行语法: JMP 地址JXX功能: 当特定条件成立则跳往指定地址执行语法: JXX 地址注:A: ABOVE,当C=0,Z=0时成立B: BELOW,当C=1时成立C: CARRY,当弁时成立CXZ: CX寄存器的值为0(ZERO)时成立E: EQUAL,当Z=1时成立G: GREATER(大于),当Z=0且S=0时成立L: LESS(小于),当S不为零时成立N: NOT(相反条件),需和其它符号配合使用O: OVERFLOW,O=1时成立P: PARITY,P=1时成立PE: PARITY EVEN,P=1时成立PO: PARITY ODD,P=0时成立S: SIGN,S=1时成立Z: ZERO,Z=1时成立LOOP功能: 循环指令集语法: LOOP 地址LOOPE(Z)地址LOOPNE(Z) 地址标志位: 无CALL,RET功能: 子程序调用,返回指令语法: CALL 地址RET RET n标志位: 无INT,IRET功能: 中断调用及返回指令语法: INT n IRET标志位: 在执行INT时,CPU会自动将标志寄存器的值入栈,在执行IRET时则会将堆栈中的标志值弹回寄存器字符串操作指令集MOVSB,MOVSW,MOVSD功能: 字符串传送指令语法: MOVSB MOVSW MOVSD标志位: 无CMPSB,CMPSW,CMPSD功能: 字符串比较指令语法: CMPSB CMPSW CMPSD标志位: C,P,Z,S,OSCASB,SCASW功能: 字符串搜索指令语法: SCASB SCASW标志位: C,P,Z,S,OLODSB,LODSW,STOSB,STOSW功能: 字符串载入或存贮指令语法: LODSB LODSW STOSB STOSW标志位: 无REP,REPE,REPNE功能: 重复前缀指令集语法: REP 指令S REPE 指令S REPNE 指令S标志位: 依指令S而定AT&T与Intel汇编语法的区别比较1. 前缀:在Intel的语法中,寄存器和立即数都没有前缀,但是在AT&T中,寄存器前冠以"%",而立即数前冠以"$"。
8086 8088 汇编指令手册通用寄存器(1)数据寄存器数据寄存器共有4个寄存器AX、BX、CX、DX,用来保存操作数或运算结果等信息。
AX寄存器称为累加器。
使用频度最高,用于算术、逻辑运算以及与外设传送信息等。
BX寄存器称为基址寄存器。
常用于存放存储器地址。
CX寄存器称为计数器。
一般作为循环或串操作等指令中的隐含计数器。
DX寄存器称为数据寄存器。
常用来存放双字数据的高16位,或存放外设端口地址。
(2)变址和指针寄存器变址和指针寄存器包括SI、DI、SP、BP 4个16位寄存器,主要用于存放某个存储单元的偏移地址。
SI是源变址寄存器。
DI是目的变址寄存器,在字符串操作中,SI和DI都具有自动增量或减量的功能。
SP为堆栈指针寄存器,用于存放当前堆栈段中栈顶的偏移地址。
BP为基址指针寄存器,用于存放堆栈段中某一存储单元的偏移地址。
2.段寄存器8086 CPU的4个16位的段寄存器分别称为代码段寄存器CS,数据段寄存器DS,堆栈段寄存器SS,附加数据段寄存器ES。
段寄存器用来确定该段在内存中的起始地址。
代码段用来存放程序的指令序列。
CS存放代码段的段首址,指令指针寄存器IP指示代码段中指令的偏移地址。
3.指令指针8086 CPU中的指令指针IP,它总是保存下一次将要从主存中取出指令的偏移地址,偏移地址的值为该指令到所在段段首址的字节距离。
在目标程序运行时,IP的内容由微处理器硬件自动设置,程序不能直接访问IP,但一些指令却可改变IP的值,如转移指令、子程序调用指令等。
3.1 标志寄存器8086 CPU中有一个很重要的16位标志寄存器,它包含9个标志位,主要用于保存一条指令执行后,CPU所处状态信息及运算结果的特征。
条件标志(1)进位标志CF (2)零标志ZF (3)符号标志SF (4)溢出标志 OF(5)奇偶标志 PF (6)辅助进位标志AF状态控制标志(1)方向标志DF (2)中断允许标志IF (3)追踪标志TF运算结果标志位1、进位标志CF(Carry Flag)进位标志CF主要用来反映运算是否产生进位或借位。
8086/8088 指令速查表约定:RR 表示通用寄存器和专用寄存器(AX,BX,CX,DX,BP,SP,SI,DI ),SER 表示段寄存器(CS,DS,ES,SS),MEM 表示内存单元的有效地址,[MEM]表示该单元的内容, AC 表示AX 和AL ,NN 表示立即数,NN 表示立即数, *表示对标志位有影响,F 表示标志寄存器:XXXXODITSZXAXPXCMOV X,Y X ←Y RR,SER,AC ←→[MEM],RR’; RR ,[MEM] ← NNPUSH Z Z=RR,[MEM],SERPOP ZPUSHFPOPFXCHG X,Y X ←→Y RR ←→ [MEM],RR’XLAT (OPR) AL ←[BX+AL]LEA RR,[MEM] RR ←MEMLDS RR,[MEM] RR ←[MEM],DS ←[MEM+2]LES RR,[MEM] RR ←[MEM],ES ←[MEM+2]LAHF AH ←F 低字节SAHF F 低字←AHADD X,Y X ←X+Y *ADC X,Y X ←X+Y+CF *SUB X,Y X ←X-Y *SBB X,Y X ←X-Y-CF *CMP X,Y X-Y *INC Z Z ←Z+1 Z=RR ,[MEM] * 不影响CFDEC Z Z ←Z-1 * 不影响CFNEG Z Z ←0-Z 求补 *MUL Z AX ←AL*Z (8位),DXAX ←AX*Z (16位),Z 同上,无符号数乘法,影响CF 和OFIMUL Z AX ←AL*Z ;DXAX ←AX*Z ;Z 同上;带符号数乘法,影响CF 和OFDIV Z AX/Z ,AH ←余数,AL ←商(16位/8位)DXAX/Z ,DX ←余数,AX ←商(32位/16位)IDIV Z 带符号数除法,操作同上DAA 加法后对AL 进行组合BCD 码调整 *DAS 减法后对AL 进行组合BCD 码调整 *AAA 加法后对AL 进行非组合BCD 码调整,AH ←AH+调整后的进位,CF=调整后的进位 * AAS 减法后对AL 进行非组合BCD 码调整,AH ←AH-调整后的借位 *AAM 将AL 中的积调整为非组合BCD 码, AH ←商(AL/0AH ),AL ←余数(AL/0AH ) *AAD 除法前的调整,A ←AL+AH*0AH ,AH ←0 *AND X,Y X ←X ∧Y *OR X,Y X ←X ∨Y *NOT Z Z ←/ZXOR X,Y X ←X Y *TEST X,Y X ∧Y *SHL Z,1(CL) 逻辑左移 *SAL Z,1(CL) 算术左移 *SHR Z,1(CL) 逻辑右移 *SAR Z,1(CL) 算术右移 *无符号数除法ROL Z,1(CL) 循环左移 影响CF 和OFROR Z,1(CL) 循环右移 影响CF 和OFRCL Z,1(CL) 带进位循环左移 影响CF 和OFRCR Z,1(CL) 带进位循环右移 影响CF 和OFMOVSB/MOVSW [ES:DI] ←[DS:SI],DF=0,DI 和SI 递增,否则递减,可加REP,CX ←CX-1,CX=0退出 STOSB/STOSW [ES:DI] ←AC, DF=0,DI 递增, 否则递减,可加REPLODSB/LODSW AC ←[DS:SI], DF=0,SI 递增, 否则递减,不加前缀CMPSB/CMPSW [DS:SI]-[ES:DI]比较, DF=0,DI 和SI 递增,否则递减,可加REPE/REPZ,REPNE/REPNZSCASB/SCASW AC-[ES :DI]比较,DF=0,DI 递增, 否则递减,可加REPE/REPZ,REPNE/REPNZ JMP W IP ←W ,W=NN ,RR ,[MEM]JMP NN1,NN2 CS ←NN1,IP ←NN2对无符号数JA/JNBE NN 高于/不低于也不等于 则转移 JAE/JNB NN 高于或等于/不低于 则转移 JB/JNAE NN 低于/不高于也不等于 则转移 JBE/JNA NN 低于或等于/不高于 则转移 对带符号数JG/JNLE NN 大于/不小于也不等于 则转移 JGE/JNL NN 大于或等于/不小于 则转移 JL/JNGE NN 小于/不大于也不等于 则转移 JLE/JNG NN 小于或等于/不大于 则转移 单标志JC NN CF=1 则转移 JNC NN CF=0 则转移 JZ/JE NN ZF=1, 则转移 JNZ/JNE NN ZF=0, 则转移 位条件转移JS NN SF=1, 则转移 JNS NN SF=0, 则转移 JO NN OF=1, 则转移 JNO NN OF=0, 则转移 JP/JO NN PF=1, 则转移 JNP/JNO NN PF=0, 则转移 循环控制LOOP NN CX ←CX-1,CX ≠0, 则转LOOPE/LOOPZ NN CX ←CX-1,ZF=1且CX ≠0 则转LOOPNE/LOOPNZ NN CX ←CX-1,ZF=0且CX ≠0 则转JCXZ NN CX=0,则转CALL W RET IRETINT TYPE CS 压栈,IP 压栈,CS ←[TYPE*4+2],IP ←[TYPE*4+4] INT0 OF=1,则CS 压栈,IP 压栈,CS ←[12H],IP ←[10H]CBW AL 符号扩展到AH CWD AX 符号扩展到DXCLC CF ←0 STC CF ←1CLD DF ←0 STD DF ←1CLI IF ←0 STI IF ←1CMC CF ←/CF NOP 空操作HLT 停机 WAIT 等待ESC 换码 LOCK 封锁IN AC, DX OUT DX,ACIN AC, PORT OUT PORT,AC。
zyj963258 发表于2008-8-21 17:01:0051汇编语言指令集符号定义表符号含义Rn R0~R7寄存器n=0~7Direct 直接地址,内部数据区的地址RAM(00H~7FH)SFR(80H~FFH) B,ACC,PSW,IP,P3,IE,P2,SCON,P1,TCON,P0@Ri 间接地址Ri=R0或R1 8051/31RAM地址(00H~7FH) 8052/32RAM地址(00H~FFH)#data 8位常数#data16 16位常数Addr16 16位的目标地址Addr11 11位的目标地址Rel 相关地址bit 内部数据RAM(20H~2FH),特殊功能寄存器的直接地址的位指令介绍指令字节周期动作说明算数运算指令1.ADD A,Rn 1 1 将累加器与寄存器的内容相加,结果存回累加器2.ADD A,direct 2 1 将累加器与直接地址的内容相加,结果存回累加器3.ADD A,@Ri 1 1 将累加器与间接地址的内容相加,结果存回累加器4.ADD A,#data 2 1 将累加器与常数相加,结果存回累加器5.ADDC A,Rn 1 1 将累加器与寄存器的内容及进位C相加,结果存回累加器6.ADDC A,direct 2 1 将累加器与直接地址的内容及进位C相加,结果存回累加器7.ADDC A,@Ri 1 1 将累加器与间接地址的内容及进位C相加,结果存回累加器8.ADDC A,#data 2 1 将累加器与常数及进位C相加,结果存回累加器9.SUBB A,Rn 1 1 将累加器的值减去寄存器的值减借位C,结果存回累加器10.SUBB A,direct 2 1 将累加器的值减直接地址的值减借位C,结果存回累加器11.SUBB A,@Ri 1 1 将累加器的值减间接地址的值减借位C,结果存回累加器12.SUBB A,#data 2 1 将累加器的值减常数值减借位C,结果存回累加器13.INC A 1 1 将累加器的值加114.INC Rn 1 1 将寄存器的值加l15.INC direct 2 1 将直接地址的内容加116.INC @Ri 1 1 将间接地址的内容加117.INC DPTR 1 1 数据指针寄存器值加1说明:将16位的DPTR加1,当DPTR的低字节(DPL)从FFH溢出至00H时,会使高字节(DPH)加1,不影响位18.DEC A 1 1 将累加器的值减119.DEC Rn 1 1 将寄存器的值减120.DEC direct 2 1 将直接地址的内容减121.DEC @Ri 1 1 将间接地址的内容减122.MUL AB 1 4 将累加器的值与B寄存器的值相乘,乘积的低位字节存回累加器,高位字节存回B寄存器说明:将累加器A和寄存器B内的无符号整数相乘,产生16位的积,低位字节存入A,高位字节存入B寄存积大于FFH,则溢出标志位(OV)被设定为1,而进位标志位为023.DIV AB 1 4 将累加器的值除以B寄存器的值,结果的商存回累加器,余数存回B寄存器说明:无符号的除法运算,将累加器A除以B寄存器的值,商存入A,余数存入B。
数据传输指令
───────────────────────────────────────它们在存贮器和寄存器、寄存器和输入输出端口之间传送数据.
1. 通用数据传送指令.
MOV 传送字或字节.
MOVSX 先符号扩展,再传送.
MOVZX 先零扩展,再传送.
PUSH 把字压入堆栈.
POP 把字弹出堆栈.
PUSHA 把AX,CX,DX,BX,SP,BP,SI,DI依次压入堆栈.
POPA 把DI,SI,BP,SP,BX,DX,CX,AX依次弹出堆栈.
PUSHAD 把EAX,ECX,EDX,EBX,ESP,EBP,ESI,EDI依次压入堆栈.
POPAD 把EDI,ESI,EBP,ESP,EBX,EDX,ECX,EAX依次弹出堆栈.
BSWAP 交换32位寄存器里字节的顺序
XCHG 交换字或字节.( 至少有一个操作数为寄存器,段寄存器不可作为操作数) CMPXCHG 比较并交换操作数.( 第二个操作数必须为累加器AL/AX/EAX )
XADD 先交换再累加.( 结果在第一个操作数里 )
XLAT 字节查表转换.
── BX 指向一张 256 字节的表的起点, AL 为表的索引值 (0-255,即
0-FFH); 返回 AL 为查表结果. ( [BX+AL]->AL )
2. 输入输出端口传送指令.
IN I/O端口输入. ( 语法: IN 累加器, {端口号│DX} )
OUT I/O端口输出. ( 语法: OUT {端口号│DX},累加器 )
输入输出端口由立即方式指定时, 其范围是 0-255; 由寄存器 DX 指定时,
其范围是 0-65535.
3. 目的地址传送指令.
LEA 装入有效地址.
例: LEA DX,string ;把偏移地址存到DX.
LDS 传送目标指针,把指针内容装入DS.
例: LDS SI,string ;把段地址:偏移地址存到DS:SI.
LES 传送目标指针,把指针内容装入ES.
例: LES DI,string ;把段地址:偏移地址存到ES:DI.
LFS 传送目标指针,把指针内容装入FS.
例: LFS DI,string ;把段地址:偏移地址存到FS:DI.
LGS 传送目标指针,把指针内容装入GS.
例: LGS DI,string ;把段地址:偏移地址存到GS:DI.
LSS 传送目标指针,把指针内容装入SS.
例: LSS DI,string ;把段地址:偏移地址存到SS:DI.
4. 标志传送指令.
LAHF 标志寄存器传送,把标志装入AH.
SAHF 标志寄存器传送,把AH内容装入标志寄存器.
PUSHF 标志入栈.
POPF 标志出栈.
PUSHD 32位标志入栈.
POPD 32位标志出栈.
二、算术运算指令
───────────────────────────────────────ADD 加法.
ADC 带进位加法.
INC 加 1.
AAA 加法的ASCII码调整.
DAA 加法的十进制调整.
SUB 减法.
SBB 带借位减法.
DEC 减 1.
NEC 求反(以 0 减之).
CMP 比较.(两操作数作减法,仅修改标志位,不回送结果).
AAS 减法的ASCII码调整.
DAS 减法的十进制调整.
MUL 无符号乘法.
IMUL 整数乘法.
以上两条,结果回送AH和AL(字节运算),或DX和AX(字运算),
AAM 乘法的ASCII码调整.
DIV 无符号除法.
IDIV 整数除法.
以上两条,结果回送:
商回送AL,余数回送AH, (字节运算);
或商回送AX,余数回送DX, (字运算).
AAD 除法的ASCII码调整.
CBW 字节转换为字. (把AL中字节的符号扩展到AH中去)
CWD 字转换为双字. (把AX中的字的符号扩展到DX中去)
CWDE 字转换为双字. (把AX中的字符号扩展到EAX中去)
CDQ 双字扩展. (把EAX中的字的符号扩展到EDX中去)
三、逻辑运算指令
───────────────────────────────────────AND 与运算.
OR 或运算.
XOR 异或运算.
NOT 取反.
TEST 测试.(两操作数作与运算,仅修改标志位,不回送结果).
SHL 逻辑左移.
SAL 算术左移.(=SHL)
SHR 逻辑右移.
SAR 算术右移.(=SHR)
ROL 循环左移.
ROR 循环右移.
RCL 通过进位的循环左移.
RCR 通过进位的循环右移.
以上八种移位指令,其移位次数可达255次.
移位一次时, 可直接用操作码. 如 SHL AX,1.
移位>1次时, 则由寄存器CL给出移位次数.
如 MOV CL,04
SHL AX,CL
四、串指令
───────────────────────────────────────DS:SI 源串段寄存器 :源串变址.
ES:DI 目标串段寄存器:目标串变址.
CX 重复次数计数器.
AL/AX 扫描值.
D标志 0表示重复操作中SI和DI应自动增量; 1表示应自动减量.
Z标志用来控制扫描或比较操作的结束.
MOVS 串传送.
( MOVSB 传送字符. MOVSW 传送字. MOVSD 传送双字. )
CMPS 串比较.
( CMPSB 比较字符. CMPSW 比较字. )
SCAS 串扫描.
把AL或AX的内容与目标串作比较,比较结果反映在标志位.
LODS 装入串.
把源串中的元素(字或字节)逐一装入AL或AX中.
( LODSB 传送字符. LODSW 传送字. LODSD 传送双字. )
STOS 保存串.
是LODS的逆过程.
REP 当CX/ECX<>0时重复.
REPE/REPZ 当ZF=1或比较结果相等,且CX/ECX<>0时重复.
REPNE/REPNZ 当ZF=0或比较结果不相等,且CX/ECX<>0时重复.
REPC 当CF=1且CX/ECX<>0时重复.
REPNC 当CF=0且CX/ECX<>0时重复.
五、程序转移指令
───────────────────────────────────────
1>无条件转移指令 (长转移)
JMP 无条件转移指令
CALL 过程调用
RET/RETF过程返回.
2>条件转移指令 (短转移,-128到+127的距离内)
( 当且仅当(SF XOR OF)=1时,OP1 JA/JNBE 不小于或不等于时转移.
JAE/JNB 大于或等于转移.
JB/JNAE 小于转移.
JBE/JNA 小于或等于转移.
以上四条,测试无符号整数运算的结果(标志C和Z).
JG/JNLE 大于转移.
JGE/JNL 大于或等于转移.
JL/JNGE 小于转移.
JLE/JNG 小于或等于转移.
以上四条,测试带符号整数运算的结果(标志S,O和Z).
JE/JZ 等于转移.
JNE/JNZ 不等于时转移.
JC 有进位时转移.
JNC 无进位时转移.
JNO 不溢出时转移.
JNP/JPO 奇偶性为奇数时转移.
JNS 符号位为 "0" 时转移.
JO 溢出转移.
JP/JPE 奇偶性为偶数时转移.
JS 符号位为 "1" 时转移.
3>循环控制指令(短转移)
LOOP CX不为零时循环.
LOOPE/LOOPZ CX不为零且标志Z=1时循环.
LOOPNE/LOOPNZ CX不为零且标志Z=0时循环.
JCXZ CX为零时转移.
JECXZ ECX为零时转移.
4>中断指令
INT 中断指令
INTO 溢出中断
IRET 中断返回
5>处理器控制指令
HLT 处理器暂停, 直到出现中断或复位信号才继续.
WAIT 当芯片引线TEST为高电平时使CPU进入等待状态.
ESC 转换到外处理器.
LOCK 封锁总线.
NOP 空操作.
STC 置进位标志位.
CLC 清进位标志位.
CMC 进位标志取反.
STD 置方向标志位.
CLD 清方向标志位.
STI 置中断允许位.
CLI 清中断允许位.
六、伪指令
───────────────────────────────────────DW 定义字(2字节).
PROC 定义过程.
ENDP 过程结束. SEGMENT 定义段. ASSUME 建立段寄存器寻址. ENDS 段结束.
END 程序结束.。