水稳层配合比-水稳基层配合比
- 格式:doc
- 大小:15.50 KB
- 文档页数:1
水稳基层目标配合比级配波动范围
(最新版)
目录
1.水稳基层目标配合比级配波动范围的概述
2.水稳基层目标配合比级配波动范围的计算方法
3.水稳基层目标配合比级配波动范围的影响因素
4.水稳基层目标配合比级配波动范围的控制措施
正文
水稳基层目标配合比级配波动范围,是指在水泥稳定基层施工过程中,为保证基层质量,对混合料中各种组成材料的比例波动范围进行控制的指标。
这个范围的设定,是为了确保混合料在一定范围内的均匀性和稳定性,防止出现混合料性能不良,影响基层的使用寿命和性能。
计算水稳基层目标配合比级配波动范围的方法,通常是根据设计要求、材料性质和施工条件等因素,参照相关技术规范进行。
比如,我国《公路水泥混凝土路面施工技术规范》中就详细规定了各种组成材料的允许波动范围。
影响水稳基层目标配合比级配波动范围的因素有很多,主要包括原材料的性质、施工条件、设备精度等。
原材料的性质,如水泥的强度、粉煤灰的活性等,都会影响混合料的性能,因此,需要对原材料进行严格的质量控制。
施工条件,如温度、湿度等,也会影响混合料的性能,因此,需要根据施工条件进行配合比调整。
设备精度,如拌合机的精度、计量设备的精度等,也会影响混合料的性能,因此,需要定期对设备进行校准和维护。
对于水稳基层目标配合比级配波动范围的控制,主要从以下几个方面进行:一是加强原材料的质量控制,确保原材料的质量稳定;二是严格按设计要求进行配合比设计,保证混合料的性能满足设计要求;三是加强施
工过程中的质量控制,确保混合料的性能在允许范围内;四是定期对设备进行校准和维护,保证设备的精度。
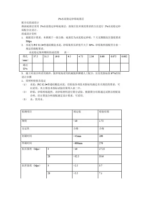
5%水泥稳定砂砾底基层
配合比组成设计
路面底基层采用5%水泥稳定砂砾底基层,按现行技术规范要求的方法进行5%水泥稳定砂砾配合比设计。
组成设计资料
1.根据设计要求,本路属于一级公路,底基层为水泥稳定砂砾,7天无侧限抗压强度要求
3Mpa
2.水泥为P.C 32.5#普通硅酸盐水泥,砂砾集料压碎值不大于30%,砂砾集料级配符合表一
规定的级配要求。
水泥稳定集料颗粒组成范围表一
设计步骤
1、原材料检验及选定
(1)水泥:P.C 32.5#普通硅酸盐水泥,经检验各项技术指标均满足有关规范的要求,可以采用。
其主要技术指标试验结果列入表二中。
(2)砂砾:砂砾料场提供,该砂砾材料进行筛分试验,根据筛分结果通过试算法组配混合料,经计算混合料级配满足设计要求,可采用。
(3)水:饮用水。
2、确定集料比例的掺量范围
水泥稳定砂砾底基层,设计要求7天无侧限抗压强度不小于3Mpa,根据设计要求,水泥剂量按5%的比例配制混合料,即水泥:砂砾为5:100
3、确定最佳含水量和最大干密度
对5%水泥的混合料做标准击实试验,确定出最大干密度和最佳含水量分别为:
(1)制作试件:对水泥稳定砂砾底基层混合料强度试件的制备,按现行技术规范规定采用150m m×150mm额圆柱体,按9个试件制配,工地压实度按97%控制,现将制备试件所需的基本参数计算如下:
(2)制备一个试件需要混合料的数量
M=VP
d K(1+W
)
=7.5×7.5×30。
水泥稳定层5%配合比
水泥稳定层是一种常见的路面基层材料,由水泥、细骨料和水混合而成。
在水泥稳定层的设计和施工过程中,配合比的确定是非常重要的一步。
通常情况下,水泥稳定层的配合比是以水泥的质量为基准来计算的。
在水泥稳定层的配合比中,5%是指水泥的质量所占的百分比。
这个配合比是根据路面设计要求和物料特性进行确定的。
水泥的质量所占的比例越高,稳定层的强度和稳定性就会越好。
而5%的水泥配合比通
常适用于一般的道路和轻型交通荷载。
在确定5%的水泥配合比时,需要考虑水泥的品种和强度等因素。
不
同品种的水泥具有不同的强度和硬化时间,因此需要根据实际情况选择合适的水泥品种。
此外,还需要考虑细骨料的粒径和含量,以及水的用量,以确保混凝土的工作性和强度满足设计要求。
对于水泥稳定层的施工,需要按照配合比进行准确的材料投料和搅拌。
在搅拌过程中,需要注意控制水泥的用量,以避免过量或不足。
过量的水泥会导致混凝土过于干燥,难以施工和养护,而不足的水泥则会降低混凝土的强度和稳定性。
此外,在水泥稳定层的施工过程中,还需要注意控制施工厚度和均匀
性。
施工厚度的控制是为了确保稳定层的强度和承载能力,而均匀性的控制则是为了避免出现厚薄不均的情况,影响道路的平整度和使用寿命。
总之,水泥稳定层的5%配合比是根据实际路面要求和材料特性确定的。
通过合理的配合比和施工控制,可以确保水泥稳定层具有良好的强度和稳定性,提高道路的使用寿命和车辆行驶的安全性。
水稳底基层目标配合比设计说明一、引言在水稳底工程中,基层是承载地表负荷的部分,其设计对于工程的稳定性和持久性具有重要的影响。
为了确保基层的正常工作,需要进行目标配合比设计,即通过合理控制水泥、砂、碎石等材料比例,来获得所需的强度和稳定性。
本文将针对水稳底基层目标配合比设计进行详细说明。
二、目标配合比设计方法目标配合比设计是指根据工程要求和材料性能,确定不同材料的比例以及添加剂的使用量,以达到所需的水稳底基层强度和稳定性。
在设计配合比时,需要考虑以下几个方面:1.工程要求:根据工程的用途和负荷要求,确定基层的抗压强度、稳定性要求等。
不同工程的要求不同,应根据具体情况确定。
2.材料性能:水泥、砂、碎石等材料具有不同的物理和化学性质,包括颗粒形状、粒度分布、均匀系数等。
通过对材料性能的了解,可以合理地配置不同材料的比例。
3.添加剂的选择和使用量:添加剂可以改善水泥基材料的性能,如提高强度、改善抗裂性能等。
在配合比设计中,应根据实际需要选择合适的添加剂,并确定其使用量。
4.施工条件:包括温度、湿度、施工压实方式等因素。
这些因素会对基层强度和稳定性产生影响,应在设计中予以考虑。
基于以上考虑,可以采用经验法、试验法和理论计算法等方法进行目标配合比设计。
其中,试验法是较为常用的方法,可以通过实验室试验来确定不同材料的理论最佳配合比。
在试验中,可以根据实际情况和工程要求调整材料比例,直至获得满足要求的配合比。
三、目标配合比设计的步骤1.确定工程要求:根据工程的用途和负荷要求,确定基层的抗压强度、稳定性要求等。
2.选择材料:根据材料的性能和工程要求,选择合适的水泥、砂和碎石等材料,并了解其物理和化学性质。
3.进行试验:根据选定的材料,在实验室中进行试验,确定不同材料的理论最佳配合比,并考虑添加剂的使用量。
4.优化配合比:根据试验结果,对配合比进行优化调整,以满足工程要求。
5.验证试验:在确定配合比后,进行验证试验,以确保所得到的配合比具有良好的性能和稳定性。
水泥稳定碎石底基层、基层配合比设计一、配合比设计依据1)、招标文件技术规定;2)、《公路工程无机结合料稳定材料试验规程》JTJ057-94;2)、《公路路面基层施工技术规范》JTJ034-2000;3)、图纸设计要求;二、使用部位重庆绕城高速公路西南段路面工程WLM2合同段底基层、基层三、配合比设计要求1)、水泥稳定碎石基层7d无侧限抗压设计强度≥3.0Mpa,强度控制范围3.0~5.0 Mpa;水泥稳定碎石底基层7d无侧限抗压设计强度≥2.0Mpa,强度控制范围 2.0~4.0 Mpa。
2)、基层水泥剂量不得大于5.0%;底基层水泥剂量不得大于4.0%。
3)、混合料级配应为骨架密实型,并符合设计图纸范围要求。
4)、基层粗集料压碎值不得大于28%,最大粒径宜用31.5mm控制;水泥各项物理指标符合P.F32.5水泥,初凝时间大于3h,终凝时间大于6h。
四、原材料规格及产地1)、水泥:P.F32.5粉煤灰硅酸盐水泥;产地:重庆腾辉新型建材有限公司2)、粗集料:碎石Ⅰ(20~30mm)碎石Ⅱ(10~20mm)碎石Ⅲ(3~10mm);产地:青木关碎石料场3)、细集料:石屑(0~3 mm);产地:青木关碎石料场4)、水:可饮用水5)、材料合成级配设计:碎石Ⅰ(20~30mm)、碎石Ⅱ(10~20mm)、碎石Ⅲ(3~10mm)、石屑(0~3 mm)分别进行筛分,借助计算机进行级配计算(见附表),得到各种材料的掺配比例:35:27:16:22,其合成级配符合设计级配要求。
五、室内试验1)、准备工作①检查试验仪器设备是否齐全,使之运转正常;②备足试验所需各种材料;③试验室工作人员:黄建胜、廖凯、伏立;2)、确定各种不同水泥剂量的最大干密度和最佳含水量根据以往经验和设计要求,先选用3.2%、3.7%、4.2%三种水泥剂量进行击实试验,其结果如下:3)、计算初步配合比分别以上表各种不同剂量的混合料最大干密度和最佳含水量计算每个无侧限试件重量(见下表),并以振动压实法制作,每种水泥剂量分别制作13个试件,每种料具体用量如下表:注:振动压实仪试模直径:152mm 高:150mm V=2722cm3基层、底基层按初步计算的比例如下:水泥剂量3.2% 最佳含水量:5.6% 最佳干密度:2.332g/cm3碎石Ⅰ:碎石Ⅱ:碎石Ⅲ:石屑=35:27:16:22。
水稳基层目标配合比级配波动范围水稳基层是道路工程中常见的一种材料,其作用主要是提供坚固的基础以支撑上层的交通荷载。
在水稳基层的设计和施工过程中,配合比的合理性和级配的稳定性是非常重要的考虑因素。
本文将从深度和广度两个角度来评估水稳基层目标配合比级配波动范围,并提供个人观点和理解。
深度评估:1. 了解水稳基层:水稳基层是由矿渣、碎石等骨料、沥青等胶结材料以及一定比例的填料、黏结材料混合而成。
它不仅能够增加路面的强度和稳定性,还可以提供良好的排水性能。
2. 目标配合比的意义:目标配合比是指在设计阶段根据路面要求和材料性能进行确定的各种原材料的比例。
合理的目标配合比能够确保水泥浆料中各组分的比例达到最佳,从而提高水稳基层的质量。
3. 级配的重要性:级配是指骨料中各个不同颗粒的分布情况,合理的级配可以提高水稳基层的抗压强度和耐久性。
级配波动范围指的是骨料中各个级配区间之间的变动大小,过大或过小的波动范围都会影响水稳基层的性能。
广度评估:1. 目标配合比的确定:在确定水稳基层的目标配合比时,需要综合考虑路面的使用要求、材料的性能和施工工艺等因素。
通过对不同骨料的力学性能和物理性能等指标进行实验和分析,可以确定最佳的配合比。
2. 级配波动范围的控制:级配波动范围的大小应根据具体工程要求进行确定。
太大的波动范围会导致骨料过于集中或过于分散,从而影响水稳基层的密实性和强度;而太小的波动范围则可能导致骨料的过筛率和孔隙率偏离设计要求,影响基层的排水性能和稳定性。
3. 施工过程中的控制措施:为了确保水稳基层的质量,施工过程中需要采取相应的控制措施。
可以通过合理的振动方式和振动频率来提高骨料的密实度,确保基层的稳定性;在配料和拌和过程中,要严格控制每个组分的比例和分散性,以保证水稳基层的质量。
个人观点和理解:水稳基层的目标配合比级配波动范围对于提高道路工程的质量和使用寿命至关重要。
合理的配合比能够确保水泥浆料中各组分的比例达到最佳,从而提高水稳基层的质量。
水稳基层配合比设计在水利工程建设中,水稳基层是指河道、渠道等水利工程的基础层,是整个工程的承重层和稳定层。
水稳基层配合比设计是为了确保基层具有足够的强度和稳定性,以满足工程的使用要求。
本文将详细介绍水稳基层的配合比设计内容。
一、水稳基层的定义和作用水稳基层是由石灰土、水泥土和碎石等材料经过充分的搅拌和压实而成的基础层,具有一定的强度和稳定性,能够承受上部结构的荷载,并保证工程的正常使用。
水稳基层的主要作用包括:1.承重作用:水稳基层是整个工程的承重层,能够抵抗上部结构的荷载,保证工程的稳定性和安全性。
2.分散荷载作用:水稳基层能够将上部结构的荷载均匀分散到基础层,减小对基础的集中荷载,避免基础沉陷和变形。
3.提高地基承载力:水稳基层的加固作用可以提高地基的承载力,增加土壤的抗剪强度,减小地基的沉降和变形。
二、水稳基层配合比设计的原则在水稳基层配合比设计中,需要遵循以下原则:1.基础材料的选择:选择合适的基础材料,包括石灰土、水泥土和碎石等,在保证强度和稳定性的前提下,尽量选用当地资源,减少运输成本。
2.材料比例的确定:根据工程要求和基础材料的特性,确定每种材料的比例,使得水稳基层具有足够的强度和稳定性。
不同材料的比例可以根据实际情况进行调整。
3.搅拌方式的选择:选择适合的搅拌方式,包括机械搅拌和人工搅拌。
机械搅拌可以提高工作效率和均匀度,但对设备要求较高;人工搅拌可以根据实际情况进行调整,但工作效率较低。
4.压实方式的确定:确定合适的压实方式,包括机械压实和人工压实。
机械压实可以提高工作效率和压实度,但对设备要求较高;人工压实可以根据实际情况进行调整,但工作效率较低。
5.施工工艺的控制:控制施工工艺,确保基层材料的充分搅拌和压实。
施工过程中需要对搅拌时间、搅拌强度、压实方式、压实度等进行监控和调整,保证基层的质量和稳定性。
三、水稳基层配合比设计的具体步骤水稳基层的配合比设计可以按照以下步骤进行:1.了解工程要求:对工程的使用要求和荷载要求进行了解,包括承载力、稳定性和强度要求等。
水稳底基层配合比设计报告一、引言水稳底基层是指铺设在地基上的一层水泥混凝土基层,用于提供均匀、坚实的基础支撑。
基层的配合比设计是非常重要的,它直接影响基层的强度、稳定性和耐久性。
本报告旨在对水稳底基层的配合比设计进行详细探讨,并提供一个合理的设计方案。
二、设计原则1.强度要求:水稳底基层需要具备足够的强度,以承受上层荷载并均匀分布到地基上。
强度要求根据实际情况进行确定,一般要求基层的抗压强度不低于15MPa。
2.稳定性要求:水稳底基层需要具备良好的稳定性,以保证基层在荷载作用下不发生变形和破坏。
稳定性要求可以通过抗剪强度来衡量,一般要求基层的抗剪强度不低于1.2MPa。
3. 耐久性要求:水稳底基层需要具备良好的耐久性,以保证在长时间使用和各种环境条件下仍能保持良好的性能。
耐久性要求可以通过水泥用量和抗渗性能来考虑,一般要求水泥用量不低于300kg/m3,抗渗等级为P6或以上。
三、配合比设计1. 原材料选择:水稳底基层的主要原材料是水泥、砂子和石子。
水泥选择标号为P.O42.5的硅酸盐水泥,砂子选择细度模数为2.6的优质中砂,石子选择直径为5-10mm的碎石。
2. 水泥用量计算:根据要求的水泥用量不低于300kg/m3进行计算。
假设使用水泥用量为350kg/m33.水灰比计算:水灰比是指水泥用量与水的质量比。
根据实际情况和经验,选择适当的水灰比,一般在0.4-0.5之间。
假设使用水灰比为0.454.砂石比计算:砂石比是指砂子与石子的质量比。
根据实际情况和经验,选择适当的砂石比,一般在1.5-2.0之间。
假设使用砂石比为1.85.配合比计算:根据上述参数进行配合比计算。
水泥用量 = 350kg/m3水灰比=0.45砂石比=1.8砂子用量=(水泥用量/(1+水灰比))*(1-1/(1+砂石比))石子用量=(水泥用量/(1+水灰比))*(1/(1+砂石比))水用量=水泥用量/(1+水灰比)6.各组分的具体用量根据计算结果进行调整,并进行试验确认。
水稳基层底基层配合比设计报告嘉绍北岸接线施工养护一标水泥稳定碎石基层、底基层配合比设计报告一、配合比设计依据1、《公路水泥稳定碎石基层振动成型法施工技术规范》 DB33/T836-20212、《公路工程集料试验规程》 JTG E42-2021 3、《公路无机结合料稳定材料试验规程》 JTGE51 -2021 4、《通用硅酸盐水泥》 GB 175-2021 二、设计要求根据室内振动成型法试验结果,确定最佳含水量W0及最大干密度ρd,根据振动成型法制备试件,经过六天标准养护条件下浸水一天后,其7天无侧限抗压强度的代表值为:水泥稳定碎石底基层强度Rd≥4.0 Mpa ,基层为5.0Mpa~6.0Mpa,并在水泥稳定碎石基层、底基层强度满足要求的情况下,减少水泥用量,重视级配提高强度,减少因水泥用量过高而引起的水泥稳定碎石基层、底基层收缩、变形产生的裂缝并确定施工延迟时间。
三、原材料检测指标要求及检测结果 1、水泥根据《公路水泥稳定碎石基层振动成型法施工技术规范》 DB33/T836-2021要求,采用嘉兴南方水泥有限公司生产的P.O42.5级缓凝水泥,其主要技术指标要求及试验室自检结果如下:水泥物理力学性能检测结果比表初凝终凝 3天抗折3天抗28天抗28天抗指标要面积时间时间安定性强度折强度折强度折强度求≥300 ≥180 ≥360 <5mm≥2.5Mpa ≥11Mpa ≥5.5Mpa ≥42.5Mpa 检测结果 397 304 373 0.5 5.8 23.3 7.846.92、集料采用德清安顺矿业有限公司生产的各档原材料,1#碎石规格19-31.5mm。
2#碎石规格4.75-19mm,3#碎石规格2.36-4.75mm,4#石屑规格0-2.36 mm,各种原材料经过试验室检测,指标符合《公路水泥稳定碎石基层振动成型法施工技术规范》 DB33/T836-2021要求,其主要技术指标要求及检测结果见下表:原材料检测结果指标及要求检测结果检测项目压碎值(%)表观相对密度针片状大于9.5mm(%)针片状4.75~9.5mm(%)<0.075颗粒含量(%) 1#碎石 / 2.64411.0 / 0.2 2#碎石 18.4 2.647 9.6 11.5 0.3 3#碎石 / 2.656 / / 1.2 4#碎石 /2.654 / / 11.7 设计要求≤25 ≥2.50 ≤15 ≤25 粗集料≤2.0,细集料≤15 3、水采用自来水。
XXXX路面XX标水泥稳定碎石基层目标配合比设计说明XXX检测有限公司XXXX路面XX标工地试验室2020年xx月xx日水泥稳定碎石基层目标配合比设计说明一、设计依据1.《XXXX路面工程施工招标文件》2.《XXXX路面施工指导意见》3.《XXXX路面xx标施工图纸》4.《公路路面基层施工技术细则》(JTG/T F20-2015)5.《公路土工试验规程》(JTJ E40—2007)6.《公路工程水泥及水泥混凝土试验规程》( JTG E30—2005)7.《公路工程无机结合料稳定材料试验规程》(JTG E51—2009)8.《公路工程集料试验规程》(JTG E42—2005)二、材料来源1、碎石:石灰岩规格:19~26.5mm、9.5~19mm、4.75~9.5mm厂家:xx矿产品销售有限公司规格:2.36~4.75mm、0~2.36mm厂家:xx矿业有限公司2、水泥:粉煤灰硅酸盐水泥 P·F32.5厂家: xx水泥制造有限公司3、水:生活用水三、设计过程1、根据招标文件、指导意见、图纸及规范的要求,对各种材料进行试验检测,各项技术指标均符合规范及设计要求(见下表)。
集料1#(19-26.5mm)各项指标集料2#(9.5-19mm)各项指标集料3#(4.75-9.5mm)各项指标集料4#(2.36-4.75mm)各项指标集料5#(0-2.36mm)各项指标P·F 32.5水泥原材料各项指标2、依据筛分结果,通过计算机计算,确定各种材料比例(见下表)矿料级配合成试验检测记录表(水洗法)级配中值(%)100 95 80.5 67.5 58 49.5 32 20 16 11 8.5 7 4.5 级配上限(%)100 100 89 75 66 55 37 25 20 15 12 10 7 级配下限(%)100 90 72 60 50 44 27 15 12 7 5 4 2级配上限、级配下限、级配中值合成级配曲线图由上图表可以看出三种合成级配数据接近且都符合规范及图纸要求。
水稳基层目标配合比级配波动范围摘要:一、引言二、水稳基层目标配合比1.原材料的选择与要求2.配合比设计原则3.配合比的具体数值三、级配波动范围1.级配设计要求2.级配波动范围的具体数值四、配合比级配波动范围的意义五、结论正文:一、引言本文主要探讨了水稳基层目标配合比级配波动范围的相关问题。
水稳基层是公路、铁路等基础设施的重要组成部分,其施工质量直接影响到工程的使用寿命和行车安全。
因此,了解水稳基层目标配合比级配波动范围对于保证工程质量具有重要意义。
二、水稳基层目标配合比1.原材料的选择与要求水稳基层的原材料主要包括水泥、石灰、砂、碎石等。
在选择原材料时,应根据工程的具体要求,选用品质优良、性能稳定的材料。
同时,各种原材料之间应具有良好的匹配性,以保证混合料的性能。
2.配合比设计原则水稳基层目标配合比的设计应遵循以下原则:确保基层具有足够的强度、抗渗性、抗冻性等性能;合理控制成本,提高经济效益;尽量减少对环境的影响,实现绿色施工。
3.配合比的具体数值根据我国相关标准和规范,水稳基层目标配合比的具体数值应根据工程的具体要求进行设计。
一般来说,水泥稳定碎石的基层配合比为:水泥:砂:碎石=1:2.5:4;石灰稳定碎石的基层配合比为:石灰:砂:碎石=1:3:5。
三、级配波动范围1.级配设计要求级配是水稳基层的重要组成部分,其设计要求主要包括:确保基层具有良好的承载能力、抗渗性、抗冻性等性能;合理控制施工过程中的级配波动范围,以保证混合料的性能。
2.级配波动范围的具体数值根据我国相关标准和规范,水稳基层级配波动范围的具体数值应根据工程的具体要求进行设计。
一般来说,级配波动范围为:最大粒径与最小粒径之比控制在2-3 倍,以保证混合料的性能。
四、配合比级配波动范围的意义水稳基层目标配合比级配波动范围对于保证工程质量具有重要意义。
合理的配合比级配波动范围可以确保混合料的性能,提高基层的承载能力、抗渗性、抗冻性等性能。
桂武高速公路第八合同段水泥稳定碎石底基层配合比设计书一、设计说明为了统一我标段路基水泥稳定碎石配合比,满足桂武高速公路的设计和施工要求,确保路基工程质量且达到经济合理,根据设计图纸和《公路路面基层施工技术规范》等技术规范,配制水泥稳定碎石配合比。
水泥稳定碎石配合比是用于我标段路基底基层工程。
二、设计及试验依据1.《公路路面基层施工技术规范》(JTJ034-2000);2.《公路工程集料试验规程》(JTG E42-2005);3.《公路工程无机结合料稳定材料试验规程》(JTG E51-2009);4.《公路土工试验规程》(JTG E40-2007);5.《水泥稳定碎石基层施工指导意见》;6.桂武高速公路设计文件。
三、设计过程1、原材料本次试验所用的水泥为P.O42.5级水泥,依据要求进行了水泥的指标试验。
试验结果见表1。
2、各种矿料筛分结果本次配合比设计所用集料为磊鑫碎石,对取样水泥稳定碎石底基层所用集料进行筛分,筛分结果见表2。
表2 集料筛分试验结果矿料名称及粒径(mm)通过下列筛孔(mm)的百分率(%)31.5 26.5 19 9.5 4.75 2.36 0.6 0.07519-31.5 100 78.5 16.2 0.0 0.0 0.0 0.0 0.29.5-19 100.0 100.0 98.6 1.3 0.6 0.0 0.0 0.04.75-9.5 100.0 100.0 100.0 94.3 1.8 0.0 0.0 0.0石粉100.0 100.0 100.0 100.0 98.2 73.2 33.2 7.0 3、级配设计根据筛分试验结果,按照《水泥稳定碎石基层施工指导意见》的要求进行级配设计,设计结果见表3。
表3 水泥稳定碎石底基层混合料级配设计结果矿料名称及粒径(mm) 比例(%)合成后各筛孔尺寸的通过百分率(%)31.5 19 9.5 4.75 2.36 0.6 0.07519-31.5 27.0 100 16.2 0.0 0.0 0.0 0.0 0.29.5-19 18.0 100.0 98.6 1.3 0.6 0.0 0.0 0.04.75-9.5 21.0 100.0 100.0 94.3 1.8 0.0 0.0 0.0石粉34.0 100.0 100.0 100.0 98.2 73.2 33.2 7.0 混合料合成级配100 77.1 54.0 33.9 24.9 11.3 2.4 设计级配下限100 68 44 27 17 8 0 设计级配上限100 86 62 42 30 15 5 中值100 77 53 34 24 12 2图1 合成级配曲线四、设计级配的振动压实试验根据上述级配设计结果,按照《公路工程无机结合料稳定材料试验规程》振动压实试验方法进行设计级配不同水泥剂量下底基层混合料的压实试验,压实试验结果见表4。
水稳6%含量的配合比
【原创版】
目录
1.水稳 6% 含量的配合比的概念
2.水稳 6% 含量的配合比的计算方法
3.水稳 6% 含量的配合比的应用
正文
水稳 6% 含量的配合比是指在水泥稳定碎石基层中,水泥含量占总重量的 6% 的一种配合比。
这种配合比在我国的道路建设中应用广泛,因为它具有成本低、施工简便、强度高、耐久性好等优点。
计算水稳 6% 含量的配合比,首先需要知道水泥、碎石、砂、水等原材料的比重。
一般来说,水泥比重约为 3.15,碎石比重约为 2.6,砂比重约为 1.5,水的比重约为 1。
然后,根据配合比公式:水泥重量=总重量*水泥含量%,碎石重量=总重量*碎石含量%,砂重量=总重量*砂含量%,水重量=总重量*水含量%,就可以计算出水稳 6% 含量的配合比。
水稳 6% 含量的配合比在道路建设中有广泛的应用。
例如,在建设水泥稳定碎石基层时,可以使用这种配合比。
这种基层具有很好的抗压强度和抗渗性能,可以提高道路的使用寿命。
同时,这种配合比也可以用于施工难度较大的道路,如高速公路、一级公路等。
总的来说,水稳 6% 含量的配合比是一种应用广泛、经济实用的道路建设材料。
第1页共1页。
嘉绍北岸接线施工养护一标水泥稳定碎石基层、底基层配合比设计报告一、配合比设计依据1、《公路水泥稳定碎石基层振动成型法施工技术规范》DB33/T836-20112、《公路工程集料试验规程》JTG E42-20053、《公路无机结合料稳定材料试验规程》 JTGE51 -20094、《通用硅酸盐水泥》 GB 175-2007二、设计要求根据室内振动成型法试验结果,确定最佳含水量W0及最大干密度ρd,根据振动成型法制备试件,经过六天标准养护条件下浸水一天后,其7天无侧限抗压强度的代表值为:水泥稳定碎石底基层强度Rd≥4.0 Mpa ,基层为5.0Mpa~6.0Mpa,并在水泥稳定碎石基层、底基层强度满足要求的情况下,减少水泥用量,重视级配提高强度,减少因水泥用量过高而引起的水泥稳定碎石基层、底基层收缩、变形产生的裂缝并确定施工延迟时间。
三、原材料检测指标要求及检测结果1、水泥根据《公路水泥稳定碎石基层振动成型法施工技术规范》DB33/T836-2011要求,采用嘉兴南方水泥有限公司生产的P.O42.5级缓凝水泥,其主要技术指标要求及试验室自检结果如下:2、集料采用德清安顺矿业有限公司生产的各档原材料,1#碎石规格19-31.5mm。
2#碎石规格4.75-19mm,3#碎石规格2.36-4.75mm,4#石屑规格0-2.36 mm,各种原材料经过试验室检测,指标符合《公路水泥稳定碎石基层振动成型法施工技术规范》 DB33/T836-2011要求,其主要技术指标要求及检测结果见下表:3、水采用自来水。
四、配合比设计1、级配设计根据《公路水泥稳定碎石基层振动成型法施工技术规范》DB33/T836-2011要求,基层、底基层级配设计要求见下表:水泥稳定碎石混合料级配范围要求混合料级配设计采用骨架密实型,根据各档原材料筛分结果,对各档原材料进行比例掺配,使合成级配曲线符合水泥稳定碎石混合料级配范围要求,曲线顺滑。
水泥稳定碎石基层配合比原始记录
委托编号:SWPHB190001 检验编号:SWPHB190001
一.路面基层使用材料
水泥:军峰牌P·S·A32.5水泥,试验结果如下
二.集料:阳新产,实验结果如下:
A.筛分试验(方孔筛通过百分率)
B.集料掺配比例:碎石:5~31.5,掺量60%;
石屑:0~5,掺量40%
C.集料集配:按照CJJ1-2008中表7.5.2水泥稳定土类的颗粒范围及技术指标要求,采用两种集料掺配,按比例掺配后集料级配如下:
D.石料其他试验指标如下:
试验室温度21℃,湿度58%;
标准养生温湿度:20℃±2℃,湿度≥95%
水泥稳定碎石基层配合比设计
试验配合比的无侧限七天保水抗炎强度结果如下:
推荐配合比:
水泥:集料剂量=4:96
最大干密度:2.31g/cm3
拌合混合料最佳含水量:6.2%
每m³用料比例= 1/14.3/9.6/1.64 (水泥∶碎石∶石屑∶水) 每m³用料用量(kg)= 87:1248:832:143 (水泥∶碎石∶石屑∶水)
注①.最大干密度采用标准重型击实法求得。
②.砂、石均为干燥状态下时用量。
路面常用配合比汇总表一、路面主体工程配合比1.水稳底基层配合比表1 水稳底基层配合比说明:①混合料压实密度=最大干密度*97%=2。
30 g/cm3;②碎石:石屑(机制砂)=68:32;③碎石(1#、2#、3#)松方干密度为1.5t/m3,石粉(4#)1.6t/m3,预算价格参照材料到场价。
2.水稳基层配合比表2 水稳基层配合比说明:①计算混合料时,混合料压实密度按照2.406*0。
98=2。
36t/m3计算,水泥剂量按照4%控制;②上、下基层之间之间,下基层与底基层之间洒水泥浆,水泥用量1.5kg/m2,按1。
0kg/m2控制;③水稳基层混合料采用四档料控制,碎石(1#-3#):石屑(机制砂)=71:29;④碎石(1#、2#、3#)松方干密度为1。
5t/m3,石粉(4#)1。
6t/m3,预算价格参照材料到场价。
3.沥青下面层配合比3.1 AC-25C目标配合比表3 AC-25C目标配合比3。
2 AC-25C生产配合比表4 AC-25C生产配合比说明:①计算混合料时,混合料压实密度按照2。
44*0.99=2.42t/m3计算,沥青油石比按照3.7%控制;②沥青下面层混合料采用五档料控制,碎石(1#—4#):机制砂=76:21,集料(1#-5#):矿粉(填隙料)=97:3③碎石(1#、2#、3#、4#)松方干密度为1.5t/m3,机制砂(5#)1.6t/m3,预算价格参照材料到场价;④计算混合料吨数及材料用量时以生产配合比为依据,因为目标配合比是冷料仓的冷料配合比,在进入热料仓前进行二次筛分,实际配料的配合比采用生产配合比,在计算材料用量时应充分考虑到溢料量。
4.沥青中面层配合比4。
1 AC—20C目标配合比表5 AC-25 目标配合比4.2 AC—20 生产配合比表6 AC—20 生产配合比说明:①计算混合料时,混合料压实密度按照2.441*0.99=2.42t/m3计算,沥青油石比按照4.2%控制;②沥青中面层混合料采用四档料控制,碎石(1#-3#):机制砂=75。
实用文档
如题,我只知道他的重量比是6:100,我现在想知道1立方的6%水泥石屑稳定层需要多少公斤水泥,多少方石子,是怎么算来的,稳定层施工应注意事项
答案
要求就是6%水稳?有几种石子?就一种?一般都是几种石子,如果有几种石子的话,就先根据几种石子筛分结果进行掺配。
然后做击实。
得出最大干密度和最佳含水率。
一般6%水稳最大干密度在2.35g/cm3.最佳含水率5.5%左右,我们就暂时以这个来算。
一方用量2350/1.055=2227.5kg(干混和料质量包括水泥和石子),
水就是2350-2227.5=122.5kg,
用2227.5/1.06=2101.4kg(干石屑质量),
水泥用量就是2227.5-2101.4=126.1kg。
干石屑是2101.4kg.
检证一下,
水泥剂量126.1/2101.4=6%(水泥剂量=水泥质量/干石质量)
含水率122.5/2227.5=5.5%(含水率=水质量/干混合料包含水泥集料质量)
接触这个少的人都有一个误区总会认为6%是水泥占总混合料的6%,其实是不包括水泥和水的,最大干密度和最佳含水率是通过击实试验得来的。
当然这是理论数字。
里面还有含水率。
水稳施工时水泥剂量要控制好。
含水量要比最佳含水量稍高点。
现场好施工。
石子级配要能均匀。
不能断级配。
压路机一定要碾压到位。
最好先做一小段试验段。
每碾压一遍测一下压实度看能达到多少。
这样以后施工好控制,如果允许的话最好机械摊铺。
松铺系数=松铺厚度/压实厚度,比较常见的在1.1~1.35范围内。
松铺系数与所用的原材料,配合比及施工工艺均有关系,一般在施工前,要做一段长度大约200~300m的试验段,目的之一就是要确定松铺系数。
.。