散货舱单报文(BLKIFC)平台文件
- 格式:doc
- 大小:231.50 KB
- 文档页数:9
Mft清洁舱单1、文件名:XXXXXXXX ME5 (进口为MI5)日期后2位+时间6位(去除字符串中冒号)+’ME5(出口清洁舱单)日期后2位+时间6位(去除字符串中冒号)+’MI5(进口清洁舱单)2、报文首行:通信模式(‘P’)+船名(15位)+航次号(12位)+‘A’+空格(11位)+企业类别(1位=‘A/B/C’)+EDI企业号(4位)+空格(1位)+‘舱单系统’+空格(3位)3、报文内容:按照H883/EDI舱单预申报库结构定义,将各字段内容转化为字符串。
第1行:由出口清洁舱单库所有字段按顺序排列组成。
1(1)SHIP_ID Character 15 运输工具号2(16)VOYAGE_NO Character 12 航次号3(28)NAME_CN Character 26 运输工具中文名称4(54)NAME_EN Character 26 运输工具英文名称5(80)T_CON_NUM Numeric 4 集装箱总数6(84)EMPTY_NUM Numeric 4 空箱数7(88)T_GROSS_WT Numeric 18 2 总重量8(106)T_PACK_NO Numeric 9 总件数9(115)BILL_NUM Numeric 4 提单总数10(119)MASTERBILL Character 1 合成舱单数11(120)D_MODE Character 1 舱单申报方式已装:A 未装:M 12(121)D DATE Character 6 申报日期13(127)I_E_DATE Character 6 进出港日期14(133)TRAF_MODE Character 1 运输方式15(134)REL_FLAG Character 1 核销方式16(135)OP_ID Character 4 录入员17(139)CUST_ID Character 6 关区代码关区代码+‘00’第2行:空行以区分表头与提单。
海上国际集装箱运输电子数据交换电子报文替代纸面单证管理规则正文:---------------------------------------------------------------------------------------------------------------------------------------------------- 海上国际集装箱运输电子数据交换电子报文替代纸面单证管理规则(1997年5月4日交水发[1997]233号)第一条为规范海上国际集装箱运输电子数据交换电子报文替代纸面单证的运作,制订本规则。
第二条本规则适用于在中华人民共和国境内的海上国际集装箱运输电子数据交换(以下简称EDI)运作系统。
第三条在海上国际集装箱运输EDI运作过程中,电子报文逐步替代传统纸面单证。
电子报文是EDI当事人按照协议和规定,对具有一定结构特征的标准信息,经数据通讯网络,在各自的计算机系统之间进行交换和处理的一种电子文件。
第四条电子报文必须符合语法标准,其报文格式及代码数据须符合《海上国际集装箱运输电子数据交换管理办法》的规定。
电子报文还须保证其所载信息的完整性和确定性。
第五条电子报文替代纸面单证时当事人可按协议使用电子签名技术。
第六条电子报文替代纸面单证时,电子报文与纸面单证具有同等效力;电子报文的保存期与纸面单证相同。
第七条以下23种电子报文替代相应的纸面单证:(一)船期表报文(IFTSAI)替代进出口船期预报、船期公告。
该报文应包含五日、半月或一个月内的进口船信息、挂港信息、联系人信息。
(二)挂靠信息报文(CALINF)替代24小时确报。
该报文应包含进口船信息、挂靠港信息、装卸量信息。
(三)船舶离港报文(VESDEP)替代离港动态。
该报文应包含船信息、离挂港时间、卸货时间、装货时间、装卸量。
(四)舱单报文(IFCSUM)替代进口舱单、出口舱单。
该报文包含一个航次的船舶信息、提单信息(包括第二个记录),货主信息、收货人信息、通知人信息以及货物信息,其中货物信息包括货物描述和含有运费信息在内的箱信息等。
1舱单数据平文件格式舱单报文内容如下面的格式,<HASH_SIGN > \n<POST_APPID >\n<IC_CODE >\n<VERSION >\n<MANIFEST_HEAD >\n<MANIFEST_LIST >\n<MANIFEST_CONTA >\n签名信息<HASH_SIGN >除了sign标签的内容外,对其他所有数据的加签邮箱号<POST_APPID >客户端的邮箱号(18位)操作员信息<IC_CODE >客户端操作员的信息(具体见平文件内容)版本号<VERSION >客户端生成的唯一的序列号,20位舱单头信息<MANIFEST_HEAD >有切仅有一条提单信息<MANIFEST_LIST >可以0-N条集装箱信息<MANIFEST_CONTA >可以0-N条导入规则总运单导入:1.首先放舱单的表头数据,接下来是舱单的所有表体数据,最后是集装箱数据。
2.表头数据数据占一行,末尾有回车换行符。
3.每份表体数据占一行,末尾有回车换行符,多个表体对应多行。
4.每份集装箱数据占一行,末尾有回车换行符,多个集装箱对应多行。
5.每份数据中对应字段的数据的顺序按照后面表中定序号依次存放。
说明:如果需要追加提单,则需要将舱单表头OP_MODE标记为“MOD”,表体和集装箱的OP_MODE还是“ADD”。
分运单导入1.首先放舱单的表头数据,接下来是舱单的所有表体数据,最后是集装箱数据。
2.表头数据数据占一行,末尾有回车换行符。
3.第二行放分运单对应的总运单4.此总运单对应的分运单从第三行开始,每行一个分运单5.在一个文件中必须把此总运单对应的分运单都全部放上。
6.分运单后面是集装箱数据(对应此文件中的所有分运单),每份集装箱数据占一行,末尾有回车换行符,多个集装箱对应多行。
附件3中国海关进出境水运、空运货物舱单报文格式制定说明一、根据《中华人民共和国海关进出境运输工具舱单管理办法》和《海关总署关于公布进出境水运和空运运输工具货运舱单等电子数据格式的公告》,参考世界海关组织数据模型(WCO Data Model)有关原则和标准,结合中国海关通关监管要求,制定进出境舱单水运、空运货物舱单报文格式。
二、报文定义要求(一)报文采用<Manifest>作为根节点, 下面定义(<Head>、vDeclaration>)或(<Head>、<Response>两组子节点中的一个。
其中(<Head〉、< Declaration〉)适用于海关进出境运输工具舱单报文,(<Head>、<Response>适用于报文回执。
(二)报文编码统一采用UTF-8 格式。
(三)报文在<Manifest>部分定义名命空间为urn-:datamodel:standard:CN:[name]:1,其中[name]部分标注报文的类型,具体请参考《中国海关进出境舱单报文类型编码表》(四)报文文件名称规则如下:CN_[name]_1p0_[sender_code]_[send_time].xml ,其中CN 代表中国海关,[sender_code代表发送方代码,[send_time]代表发送时间,精确到毫秒,采用yyyyMMddhhmmssfff格式,“pO”中的1”代表报文格式的主版本号、“ 0”代表副版本号,具体[name ]名称详见《中国海关进出境舱单报文类型编码表》。
(五)中国海关的回执中包括对报文接收和处理情况的状态信息,详见《中国海关进出境舱单报文反馈状态编码表》。
三、海关进出境舱单报文结构定义包括以下类型舱单电子数据格式的XML Schema 和报文结构定义:(一)原始舱单(包括主要数据和其他数据);(二)理货报告;(三)分拨货物、物品申请;(四)分拨货物、物品理货报告;(五)疏港分流申请;(六)疏港分流货物、物品运抵报告;(七)装箱清单;(八)预配舱单(包括主要数据和其他数据);(九)运抵报告;(十)装(乘)载舱单。
附件2中国海关进出境货物舱单电子数据变更作业无纸化申报电子报文格式制定说明一、根据《中华人民共和国海关进出境运输工具舱单管理办法》和《关于全面开展舱单及相关电子数据变更作业无纸化的公告》(海关总署公告2018年第180号),并参考世界海关组织数据模型(WCO Data Model)2.0及3.0草案的要求,制定进出境舱单水运、空运货物舱单报文格式。
二、报文定义中,除“原始舱单”和“预配舱单”主要依据世界海关组织数据模型2.0的要求,“装(乘)载舱单”、“提(运)单”、“总提(运)单”、“分提(运)单”、“运抵报告”、“理货报告”、“疏港分流”、“装箱清单”主要结合中国海关通关监管要求制定,报文中必填、选填数据元要求、填制规范及舱单等电子数据涉及的业务代码表,请参考海关总署制定的相关参考资料。
三、报文定义要求1、报文采用<Manifest>作为根节点, 下面定义(<Head>、<Declaration>)或(<Head>、<Response>)两组子节点中的一个。
其中(<Head>、< Declaration>)适用于海关进出境运输工具舱单报文,(<Head>、<Response>)适用于报文回执。
2、报文编码统一采用UTF-8格式。
所有填制项中不得出现“<”、“&”符号,如有实际需要,需填写对应的转义符“<”、“&”。
报文中不允许出现空节点,如<Consignee></Consignee>或<Consignee/>。
3、报文在<Manifest>部分定义名命空间为urn:Declaration:datamodel:standard:CN: [name]:1, 其中[name]部分标注报文的类型,具体请参考《中国海关进出境舱单报文类型编码表》,“1”代表主版本号。
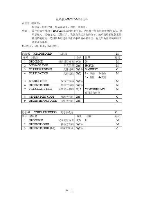
散货舱单报文(BLKIFC)平台文件
发送方, 接收方:
船公司、船舶代理→集装箱码头、理货、港监等。
功能:该平台文件对应于BLKIFC报文的舱单子集,提供某一航次运输货物的信息,说明承运人、运输方式、运输工具、设备及联运货物的细节。
舱单是船舶运载货物的证
明,是船舶办理进出口报关手续的必要单证,也是码头作好装卸船准备的业务单据。
相应单证:进口舱单、出口舱单。
注:散货件数为“1”,货毛重为必选,件杂货件数为必选,重量为可选。
注:温度中,除正(+)负(-)号及小数点外,最多只能三位数。
记录43即可记录危险品信息,也可记录冷藏信息。
记录中必选项仅在该记录中包含危险品信息时有效。
注:记录44可重复2次。
记录结构:
00 头记录M1
01 其它接收方C1
10 描述船舶有关的基本数据项目M1
11 描述船舶有关的补充信息M1
12 提单的第一个记录M9999
13 提单的地点信息M1
14 提单的可选卸货港信息C1
15 运费信息C99
16 发货人信息C1
17 收货人信息C1
18 第一通知人信息C1
19 第二通知人信息C1
20 第三通知人信息C1
41 货物信息M999
43 危险品、冷藏箱信息C1
44 唛头M9
47 货物描述M9
51 该类货物中的箱信息C999
99 尾记录M1。
海关总署公告2008年第102号--《中华人民共和国海关进出境运输工具舱单管理办法》有关事宜的公告文章属性•【制定机关】中华人民共和国海关总署•【公布日期】2008.12.31•【文号】海关总署公告2008年第102号•【施行日期】2008.12.31•【效力等级】部门规范性文件•【时效性】失效•【主题分类】水运正文海关总署公告(2008年第102号)《中华人民共和国海关进出境运输工具舱单管理办法》(海关总署令第172号)将于2009年1月1日起实施,海关总署2008年第13、31号公告同时废止。
现就有关事宜公告如下:一、调整进出境空运运输工具旅客舱单电子数据项目,取消“证件签发日期”,增加“旅客始发地、旅客目的地”,详见附件1。
二、继续临时使用SITA网地址BJSHGCA接收进出境空运运输工具旅客舱单电子数据,报文格式为世界海关组织与国际航空运输协会制定的PAXLST报文标准,详见附件2。
三、进出境承运旅客的空运运输工具传输数据项参照海关总署2008年第80、88号公告有关要求实施。
全国海关信息中心技术热线电话:010-65193355。
特此公告。
附件:1.进出境空运运输工具旅客舱单电子数据项目2.中国海关进出境空运运输工具旅客舱单电子数据报文格式二○○八年十二月三十一日附件1进出境空运运输工具旅客舱单电子数据项目预配舱单附件2中国海关进出境空运运输工具旅客舱单电子数据报文格式版本1.0.12008-12-081.遵循标准报文结构遵循世界海关组织、国际航空运输协会等相关组织机构制定的报文标准,数据元定义遵循WCO、UN、ISO的数据元定义标准。
报文制定中主要参考了以下文档:1.《WCO/IATA PASSENGER LIST MESSAGE(PAXLST) IMPLEMENTATION GUIDE》2.《Airport Handing Manual 28th Edition》3.《UNTDED 2005(ISO 7372:2005)》4.《ISO 3166-1-alpha-2》5.《UN/LOCODE CODES FOR PORTS AND OTHER LOCATIONS》2.报文格式2.1旅客舱单报文旅客舱单报文采用世界海关组织与国际航空运输协会制定的PAXLST报文标准,具体报文定义参见《WCO/IATA PASSENGER LIST MESSAGE(PAXLST)IMPLEMENTATION GUIDE》。
订舱确认报文(IFTMBC) 平台文件
(每个记录128字符定长)
对应单证名称:配舱回单(场站收据第九联〕
发送方,接收方:船舶代理→货运代理。
报文功能:本报文相当于订舱受理通知,船舶代理根据公司的运力,航线等具体情况,来确认或拒绝货运代理的订舱申请,通知受理订舱,并且提供货物运输交付等必要信息。
(如运输方式,运输工具,地点,日期等有关说明〕
注:记录 10 用在订舱确认的情况。
注: 记录 11 用在拒绝订舱的情况。
记录 10 和记录 11 在使用中,二者只选其一。
记录结构:
00 通信头标控制
10 描述订舱单号及提单号
11 拒绝订舱理由
99 通信尾标控制。
进口舱单报文说明
一.进口舱单报文文件名的组成
格式: 8 位文件名, 3 位扩展名
文件名为船舶编号, 其含义如下:
第一位为进口标志,进口舱单为 "I" .
第二位至第三位为年号, 如 2002年为 "02" .
第四位至第七位为顺序号 .
第八位为船代公司代码(见公司代码表)扩展名:DMT
二.报文的组成
记录格式一:
舱单关系记录:
集装箱关系记录:
公司代码表:
A.辽宁船务代理(省外运)
B.中国大连外轮代理公司(外代)
C.大连联合国际船舶代理有限公司(联合船代)
D.山东国际船舶代理有限公司大连分公司(海通)
E.大连海达国际船务代理公司(海达)
F.辽宁省金祥国际船务代理公司(金祥)
G.大连中海船务代理有限公司(中海)
N.辽宁省大连海洋渔业集团国际船舶代理有限公司
O.大连安达国际船舶代理公司
P.大连中远集装箱船务代理有限公司
Q.大连捷达国际船务代理公司(捷达)
R.大连长海县宏海国际船舶代理有限公司(宏海)
T.大连龙海国际船舶代理有限公司(龙海)
U.民生国际船务代理有限公司大连公司(民生)
V.天津惠赢国际船舶代理有限公司大连分公司(天津惠赢)W.上海申格国际船舶代理有限公司大连分公司。
海关总署关于发布进出境公路运输工具货运舱单电子
传输报文格式V1.1的公告
文章属性
•【制定机关】中华人民共和国海关总署
•【公布日期】2020.11.27
•【文号】海关总署公告2020年第120号
•【施行日期】2020.12.01
•【效力等级】部门规范性文件
•【时效性】现行有效
•【主题分类】运输工具监管
正文
海关总署公告
2020年第120号
关于发布进出境公路运输工具货运舱单电子传输报文格式
V1.1的公告
为切实加强公路进出境运输工具及货运舱单管理,进一步规范相关电子数据申报传输要求,根据海关总署2020年第113号公告,我署对进出境公路运输工具货运舱单电子传输报文中部分数据项进行调整,制定了中国海关进出境公路运输工具货运舱单报文格式V1.1版,具体包括:《中国海关进出境公路运输工具货运舱单报文V1.1 XML Schema》《中国海关进出境公路运输工具货运舱单报文格式V1.1制定说明》(详见附件1、2)。
以上资料可在海关总署门户网站公告栏下载。
本公告自2020年12月1日起施行。
海关总署2014年第3号、2018年第217号公告同时废止。
特此公告。
附件: 1.中国海关进出境公路运输工具货运舱单报文V1.1 XML Schema 2.中国海关进出境公路运输工具货运舱单报文格式V1.1制定说明
海关总署
2020年11月27日。
1舱单数据平文件格式舱单报文内容如下面的格式,<HASH_SIGN > \n<POST_APPID >\n<IC_CODE >\n<VERSION >\n<MANIFEST_HEAD >\n<MANIFEST_LIST >\n<MANIFEST_CONTA >\n签名信息<HASH_SIGN >除了sign标签的内容外,对其他所有数据的加签邮箱号<POST_APPID >客户端的邮箱号(18位)操作员信息<IC_CODE >客户端操作员的信息(具体见平文件内容)版本号<VERSION >客户端生成的唯一的序列号,20位舱单头信息<MANIFEST_HEAD >有切仅有一条提单信息<MANIFEST_LIST >可以0-N条集装箱信息<MANIFEST_CONTA >可以0-N条导入规则总运单导入:1.首先放舱单的表头数据,接下来是舱单的所有表体数据,最后是集装箱数据。
2.表头数据数据占一行,末尾有回车换行符。
3.每份表体数据占一行,末尾有回车换行符,多个表体对应多行。
4.每份集装箱数据占一行,末尾有回车换行符,多个集装箱对应多行。
5.每份数据中对应字段的数据的顺序按照后面表中定序号依次存放。
说明:如果需要追加提单,则需要将舱单表头OP_MODE标记为“MOD”,表体和集装箱的OP_MODE还是“ADD”。
分运单导入1.首先放舱单的表头数据,接下来是舱单的所有表体数据,最后是集装箱数据。
2.表头数据数据占一行,末尾有回车换行符。
3.第二行放分运单对应的总运单4.此总运单对应的分运单从第三行开始,每行一个分运单5.在一个文件中必须把此总运单对应的分运单都全部放上。
6.分运单后面是集装箱数据(对应此文件中的所有分运单),每份集装箱数据占一行,末尾有回车换行符,多个集装箱对应多行。
舱单(IFCSUM)平台文件
1. 单证概述
发送方→接收方:船代→集装箱码头/理货
报文功能:单证提供某一航次运输货物的信息,说明承运人、运输方式、运输工具、设备及联运货物的细节。
舱单是船舶运载集装箱货物的证明,也是码头作好装卸船准备的业务单据。
相应业务单证:进口集装箱舱单
业务备注:1.目前仅传输进口舱单,要求船舶进港前24小时传输;
2.码头以第一次收到的电子数据为准,且不接收船代的电子更改,船代如要更改电子数
据,必须以口头通知、纸面传真的形式通知码头,由码头人工控制电子数据的更改、
删除。
2. 记录说明
注:温度中,除正(+)负(-)号及小数点外,最多只能三位数字。
记录43即可记录危险品信息,也可记录冷藏信息。
若是危险品箱,则字段2、3、4、5为必填;若是冷藏箱,则字段10、11为必填。
3. 文件结构
00 头记录M1
10 描述船舶有关的基本数据项目M1
11 描述船舶有关的补充信息M1
12 提单的第一个记录M9999
13 提单的地点信息M1
14 提单的可选卸货港信息C1
15 运费信息C99
16 发货人信息C1
17 收货人信息C1
18 第一通知人信息C1
19 第二通知人信息C1
20 第三通知人信息C1
41 货物信息M 999
43 危险品、冷藏箱信息C1
44 唛头M9
47 货物描述M9
51 该类货物中的箱信息O9999
99 尾记录M1
4. 版本信息。
装载舱单0110 Head 报文头M 1 MessageID 报文编号M 1FunctionCode017 报文功能代码M 12:申报3:删除5:修改9:主要数据0:其他数据其中,原始舱单、预配舱单主要数据申报使用代码“9”,其他数据申报使用代码“0”,不使用代码“2”MessageType 001 报文类型代码M 1编码规则:MT(Manifest)+1位业务类型代码+1位运输方式代码(1:水运;2:空运;3:公路;4:铁路)+2位流水号暂时进出境集装箱报文编码规则为:MT(Manifest)+TE(T ra nsportEquipment)+2位流水号编码含义MT1101 水运原始舱单MT1201 空运原始舱单MT2101 水运预配舱单MT2201 空运预配舱单MT3101 水运出口运抵报告MT3102 水运进口分流/分拨运抵报告MT3201 空运出口运抵报告MT3202 空运进口分流/分拨运抵报告MT4101 水运出口装载舱单MT4201 空运出口装载舱单MT5101 水运进口理货报告MT5102 水运出口理货报告MT5201 空运进口理货报告MT5202 空运出口理货报告MT6101 水运进口分流申请MT6102 水运进口分拨申请MT6201 空运进口分流申请MT6202 空运进口分拨申请MT7101 水运出口装箱清单MT8101 水运进口改靠港申请MT8102 水运出口落装申请MT8103 水运出口落装改配申请MT8104 水运出口直接改配申请MT8105 水运国际转运准单MT8201 空运进口改靠港申请MT8202 空运出口落装申请MT8203 空运出口落装改配申请MT8204 空运出口直接改配申请MT8205 空运国际转运准单MT9999 指令通知SenderID 发送方代码M 1 ReceiverID 接受方代码M 1 SendTime 发送时间格式:YYYYMMDDhhmmssfff M 1 Version 报文版本M 1Declaration 报文体M 1Carrier 承运人信息M 1ID 050 Carrier identification 承运人代码 C 9BorderT ransportMeans 运输工具信息M 1M 1 JourneyID 149 Conveyance reference number 航次航班编号M 1 TypeCode183 Mode/type of means of transportcrossing the border code 运输方式代码M 1ID 167 Identification of means of transportcrossing the border code 运输工具代码M 1 Name 160 Identification of means of transportcrossing the border 运输工具名称Consignment 提运单信息M 9999运输合同信息M 1T ransportContractDocumentID 015 Transport document number 总提运单号M 1LoadingLocation 装货地信息M 1ID 070 Place of loading, coded 装货地代码M 1M 1 LoadingDate 031 Consignment loading date 货物装载运输工具时间格式为:YYYYMMDDhhmmZZZConsignmentPackaging 提运单包装信息M 1 QuantityQuantity 146 Total number of packages 托运货物件数M 1M 1 TypeCode141 Type of packages identification 包装种类代码TotalGrossMassMeasure 131 Total gross weight 货物总毛重M 1TransportSplitIndicator 011 Carrier split Consignment indicator 承运人货物分批到/发货标识T ransportEquipment 集装箱信息M 1EquipmentIdentification 集装箱(器)编号信息M 1ID 159 Equipment identification number 集装箱(器)编号CharacteristicCode 152 Equipment size and type identification 集装箱(器)尺寸和类型FullnessCode 154 Transport equipment loaded status 重箱或者空箱标识代码SealID 165 Seal number 封志号码,类型和施加封志人M 9AgencyCode230 Seal agency, coded 施加封志人ConsignmentItem 托运货物详细信息M 9999Commodity 货物简要信息M 1CargoDescription 138 Brief cargo description 货物简要描述AdditionalInformation 补充信息 C 1Content 105 Free text 备注 C 1<?xml version="1.0" encoding="utf-8"?><Manifest xmlns="urn:Declaration:datamodel:standard:CN:MT2101:1"> <Head><MessageID>SZEDI130119113252740</MessageID><FunctionCode>9</FunctionCode><MessageType>MT2101</MessageType><SenderID>5304708456927_SP04170001</SenderID><ReceiverID>EPORT</ReceiverID><SendTime>20130119113252740</SendTime><Version>1.0</Version></Head><Declaration><RepresentativePerson><Name>5304708456927</Name></RepresentativePerson><ExitCustomsOffice><ID>CNYTN</ID></ExitCustomsOffice><Carrier><ID>ALI</ID></Carrier><BorderTransportMeans><JourneyID>0002W</JourneyID><TypeCode>1</TypeCode><ID>UN9502910</ID><Name>HANJIN AFRICA</Name><ArrivalDateTime>20130114173200</ArrivalDateTime><DepartureDateTime>20130127174000</DepartureDateTime> </BorderTransportMeans><Consignment><TransportContractDocument><ID>E1301198600/E1301198600/</ID><ConditionCode>11</ConditionCode></TransportContractDocument><GrossVolumeMeasure>29</GrossVolumeMeasure><LoadingLocation><ID>CNYTN/5316</ID><LoadingDate>20130126174000</LoadingDate></LoadingLocation><UnloadingLocation><ID>USOKL</ID><ArrivalDate>20130115</ArrivalDate></UnloadingLocation><TransitDestination><ID>USOKL</ID></TransitDestination><CustomsStatusCode>002</CustomsStatusCode><FreightPayment><MethodCode>CC</MethodCode></FreightPayment><ConsignmentPackaging><QuantityQuantity>2931</QuantityQuantity><TypeCode>PK</TypeCode></ConsignmentPackaging><TotalGrossMassMeasure>5460.1</TotalGrossMassMeasure><Consignee><Name>EXPEDITORS INTERNA TIONAL OF WA</Name><Address><Line>300 TRADEPORT DRIVE A TLANTA GA 30354 U.S.A.</Line></Address></Consignee><Consignor><Name>E.I. FREIGHT FORWARDING CO.,LTD.HAN</Name><Address><Line>4A LANG HA STREET, BA DINH DISTRICT ROOM 3, 13 FLOOR, HAREC BUILDING</Line></Address></Consignor><NotifyParty><Name>SAME AS CNEE</Name><Address><Line>SAME AS CONSIGNEE</Line></Address></NotifyParty><TransportEquipment><EquipmentIdentification><ID>HJCU1978332</ID></EquipmentIdentification><CharacteristicCode>40DC</CharacteristicCode><SupplierPartyTypeCode>2</SupplierPartyTypeCode><FullnessCode>5</FullnessCode><SealID AgencyCode="CA">M/TBA</SealID></TransportEquipment><ConsignmentItem><SequenceNumeric>1</SequenceNumeric><ConsignmentItemPackaging><QuantityQuantity>2931</QuantityQuantity><TypeCode>PK</TypeCode><MarksNumbers>EI REF: HAN8009586 HBL# 622417338 SCAC CODE: EXDO</MarksNumbers></ConsignmentItemPackaging><Commodity><CargoDescription>MENS WOVEN JACKET, VEST AND PANTS</CargoDescription></Commodity><GoodsMeasure><GrossMassMeasure>5460.1</GrossMassMeasure></GoodsMeasure><EquipmentIdentification><ID>HJCU1978332</ID></EquipmentIdentification></ConsignmentItem></Consignment><AdditionalInformation><Content>Z|||N||||N|YTLHCD|1</Content></AdditionalInformation><CustomsBrokerType><ID>E1301198600</ID><BillNumber>E1301198600</BillNumber><CustomsBrokerName>YTLHCD</CustomsBrokerName><ContectPerson>YTLHCD</ContectPerson><TransitType>1</TransitType></CustomsBrokerType></Declaration></Manifest>。
附件2中国海关进出境公路运输工具货运舱单报文格式V1.1制定说明一、根据《中华人民共和国海关进出境运输工具舱单管理办法》《海关总署关于公布进出境公路运输工具货运舱单电子数据格式的公告》,并参考世界海关组织数据模型(WCO Data Model)3.0的要求,结合中国海关通关监管要求,制定进出境公路运输工具货运舱单报文格式。
二、报文定义要求(一)报文采用<Manifest>作为根节点,下面定义(<Head>、<Declaration>)或(<Head>、<Response>)两组子节点中的一个。
其中(<Head>、< Declaration>)适用于海关进出境运输工具舱单报文,(<Head>、<Response>)适用于报文回执。
(二)报文编码统一采用UTF-8格式。
(三)报文在<Manifest>部分定义命名空间为urn:Declaration:datamodel:standard:CN: [name]:1,其中[name]部分标注报文的类型,具体请参考《中国海关进出境舱单报文类型编码表》,“1”代表主版本号。
(四)报文文件名称规则如下:CN_[name]_1p0_[sender_code]_[send_time].xml,其中CN代表中国,[sender_code]代表发送方代码,[send_time]代表发送时间,精确到毫秒,采用yyyyMMddhhmmssfff格式,“1p0”中的“1”代表报文格式的主版本号、“0”代表副版本号,具体[name]名称详见《中国海关进出境舱单报文类型编码表》。
(五)中国海关的回执中包括对报文接收情况的说明。
反馈信息详见《中国海关进出境舱单报文反馈编码表》。
三、进出境公路运输工具货运舱单报文结构定义四、报文中必填、选填数据元要求、填制规范及舱单等电子数据涉及的业务代码表,请参考海关总署制定的相关参考资料。
前言采用电子数据交换(EDI)方式交换数据时,其数据的载体为报文。
联合国行政、商业和运输业电子数据交换(UN/EDIFACT)是国际间通用的EDI标准,为了利于与国际接轨,促进天津港交通运输EDI的应用,在《国际集装箱运输电子信息传输和运作系统及示范工程》中电子报文应用的基础上,经与数据交换各方协议商定,进一步修改完善了报文标准,编制了《天津港EDI平台文件—2001版本》。
该版本中的船图、进口舱单、装卸报告、溢卸/短卸/残损报告、堆存报告与《交通运输EDI信息网络(一期)工程》发布的平台文件的格式完全一致。
平台文件是根据实际应用与相应的纸面单证编制的统一的用户数据格式。
对平台文件的设计,兼顾了UN/EDIFACT报文标准和对应单证所需的数据项。
以下是对平台文件的一些说明:1、平台文件记录不定长,字段不定长。
每条记录以一个撇号( ' )作结束符(也可再加回车),记录中字段之间用冒号( : )作分隔符。
释放符( ? ):若平台文件某一字段的内容包含分隔符( : )或结束符( ' )时,应在分隔符( : )或结束符( ' )前加一个释放符( ? ),释放符不计入字符串长度。
2、在平台文件中,必备型记录用“M”表示,条件型记录用“C”表示,它们分别标注在每条记录数据结构的右上角。
条件型记录不被选用时,可整条记录省略。
3、记录中的每个字段都标出了其序号、字段名、格式、注释、标记。
序号:说明该字段在记录中的顺序号。
例如5表示记录的第5个字段。
当一个字段组需重复时,它的下属字段序号表示为m-n,m表示该字段组在记录中的顺序号,n表示该下属字段在字段组的顺序号。
字段名:说明该字段(或字段组)的英文、中文名以及重复次数,如(1-3)表示最多可重复三次。
格式:说明字段的类型和最大长度。
例:X(2) 表示字符型,最大长度为2。
9(2) 表示数值型,最多2位整数。
9(5).9 表示数值型,最多5位整数,1位小数,数值的正负号不占位。
散货舱单报文(BLKIFC)平台文件
发送方, 接收方:
船公司、船舶代理→集装箱码头、理货、港监等。
功能:该平台文件对应于BLKIFC报文的舱单子集,提供某一航次运输货物的信息,说明承运人、运输方式、运输工具、设备及联运货物的细节。
舱单是船舶运载货物的证
明,是船舶办理进出口报关手续的必要单证,也是码头作好装卸船准备的业务单据。
相应单证:进口舱单、出口舱单。
注:散货件数为“1”,货毛重为必选,件杂货件数为必选,重量为可选。
注:温度中,除正(+)负(-)号及小数点外,最多只能三位数。
记录43即可记录危险品信息,也可记录冷藏信息。
记录中必选项仅在该记录中包含危险品信息时有效。
注:记录44可重复2次。
记录结构:
00 头记录M1
01 其它接收方C1
10 描述船舶有关的基本数据项目M1
11 描述船舶有关的补充信息M1
12 提单的第一个记录M9999
13 提单的地点信息M1
14 提单的可选卸货港信息C1
15 运费信息C99
16 发货人信息C1
17 收货人信息C1
18 第一通知人信息C1
19 第二通知人信息C1
20 第三通知人信息C1
41 货物信息M999
43 危险品、冷藏箱信息C1
44 唛头M9
47 货物描述M9
51 该类货物中的箱信息C999
99 尾记录M1。