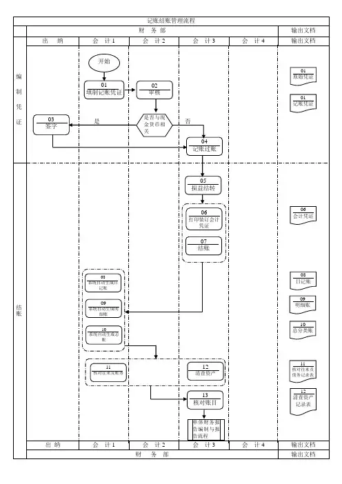
每月会计流程图
- 格式:doc
- 大小:28.00 KB
- 文档页数:5
会计核算以及财务核算是小会计每天都会接触到的工作内容,而在这个过程中需要会计人不断核实数据内容,以达到准确无误。
不少会计小白,想要提升自己的实操技能,不管是什么内容都一股脑的填进脑子里,但是只看不实际操作,很多东西还是不能真正掌握,所以,还是要先了解基本的操作程序及核算结构图,把理论理解,再来实操,才能事半功倍。
会计核算操作程序
财务核算结构图
会计基本工作流程图及每月工作流程图
虽然说上面的几张表非常非常基础,但越是基础的东西越是需要多记,多实操,每一次的学习都会给你不一样的收获,从小会计到CFO都是这样一步一步磨练出来的。
史上最全财务部工作流程图,看过都说是个宝贝!
一点号考呀呀会计在线4小时前
考呀呀会计网致力于打造最专业的会计考前模拟、全网最用心的备考软件,坚持为考生提供各类教育相关知识信息、职场相关资讯与技巧、以及生活中的休闲轶事。
财务部工作流程图,你需要了解清楚!
下拉可收图,先看看目录
1. 财务报表工作流程图
2. 预算外费用审批流程图
3. 预算外费用报销流程图
4. 预算内费用报销流程图
5. 材料盘存工作流程图
6. 银行承兑汇票办理及使用流程图
7. 税务申报工作流程图
8. 工资核算流程图
9. 固定资产账务处理流程图
10. 投标保函办理流程图
11. 履约保函办理流程图
12. 往来递收凭证工作流程图
13. 往来递送凭证工作流程图
14. 外出经营许可证办理流程图
15. 网上银行工作流程图
16. 项目部资金申报与审批流程图
17. 专业化成本费用流程图
18. 项目部转专业化成本费用流程图
19. 出纳工作流程图
20. 电网公司资金管理流程图
根据自己公司实际情况更改一下,本文仅供参考。
文章作者不详,版权归作者所有。
加小编微信:kaoyaya2013,备注暗号:我是会计人,即可领取会计从业或初级免费答题账号
更多精彩内容请关注考呀呀微信公众号:kaoyaya2012
会计学习交流QQ群:69339256
举报
将为您减少类似内容我要收藏
0个赞不感兴趣。
会计工作岗位流程图会计工作岗位流程日常会计核算工作流程:1.填写各种单据,贴票部门审核并签字,然后报销人员所在部门将单据交给财务部。
2.财务部会计接收审核,签字审核票据的合法性和真实性。
3.经理接收审核原始凭证,并审核票据的合法性和真实性。
4.原始凭证制作记账,并进行存档。
5.报销人、借款人、付款单需要经过公司领导的签字批准,部门领导审批,会计审核,总经理审批,财务经理复核,最后报销人接收,出纳付款,记账存档。
租房合同及开具流程:1.项目负责人及相关责任人书面申请,交由生产部负责人复核,交公司领导审批。
2.相关人员洽谈租房事宜(中介或房东)。
3.签订租房合同,合同必备事项包括房屋详细地址、租赁期间年月日、租金支付方式、押金金额及退还条件、甲乙双方代表签字及盖手印。
4.若为中介租赁,中介费用及中介的责任和义务,中介费必须提供,见票付款。
5.租房合同附件必备:房屋产权证复印件、房主身份证复印件、房主委托事宜委托书(附件未提供齐全的不予支付任何款项)。
6.申请人将合同、房屋产权证复印件、房主身份证复印件、房主委托事宜委托书是介公司拍照后发回公司(生产项目管理人员或财务)。
7.提交付款申请单,财务根据第六项审核是否付款,原则上款项直接支付给房主,公司员工不予代收(房租支付未收到收据前财务帐为申请人个人借款,出纳付款成功后通知申请人,申请人通知房东并提供收据)。
第八步:在收到合同原件、房屋产权证复印件、房主身份证复印件和房主委托事宜委托书以及房东收据原件后,财务将冲销申请人个人借款。
第九步:申请人有义务前往房屋所在地税务局咨询代开租赁所需的资料,并在租赁期内与财务协商开具租赁。
第十步:会计根据租赁进行记账。
3、特殊费用申请步骤:1.填写申请事由及借款单。
2.财务进行复核。
3.出纳进行付款。
4.会计进行记账。
细则:1.申请事由需单独写在申请表上,不能简单地写在借款单上。
2.财务在复核时需确认是否有前款未清的情况,公司秉承前款未清后款不借的原则。
财务工作流程一、现金收付1、收现:根据会计岗开具的收据(销售会计开具的发票)注意:检查收据开具的金额正确、大小写一致、有经手人签名——→在收据(发票)上签字并加盖财务结算章——→将收据第②联(或发票联)给交款人——→凭记账联登记现金流水账——→登记票据传递登记本——→将记账联连同票据登记本传相应岗位签收制证工资及固定资产岗(水电费、代收款项)管理费用岗——(其他应收款)销售核算岗——(货款)成本核算岗——(加工费、材料款)注:(1)原则上只有收到现金才能开具收据,在收到银行存款或下账时需开具收据的,核实收据上已写有“转账”字样,后加盖“转账”图章和财务结算章,并登记票据传递登记本后传给相应会计岗位。
(2)随工资发放时代收代扣的款项,由工资及固定资产岗开具收据,可以没有交款人签字。
2、付现(1)费用报销:审核现金付款凭证金额与原始凭证一致——→检查并督促领款人签名——→据记账凭证金额付款——→在原始凭证上加盖“现金付讫”图章——→登记现金流水账——→将记账凭证及时传主管岗复核(2)人工费、福利费发放凭人力资源部开具的支出证明单付款(包括车间工资差额、需以现金形式发放的兑现、奖金等款项)——→在支出证明单上加盖“现金付讫”图章——→登记现金流水账——→登记票据传递登记本——→将支出证明单连同票据传递登记本传工资福利岗签收制证3、现金存取及保管提取现金——→安全妥善保管现金、准确支付现金——→及时盘点现金注:(1)下午下班后,现金库存应在限额;(2)从银行提取现金以及将现金送存银行时都须通知保安人员随从,注意,确保资金安全。
4、管理现金日记账,做到日清月结,并及时与电脑账账核对余额。
二、银行存款收付(一)银收(1)收货款整理销售会计传来支票、汇票→核查和补填进账单→上午上班时交主管岗背书→送交司机进账及取回单——→整理从银行拿回的回款单据——→将第一联与回执粘贴在一起——→在微机中编制回款登记表并共享—→打营→将回款登记表连同回款单传销售会计(2)其他项目收款:收到除货款以外项目的支票、汇票——→填写进账单——→进账——→回单——→登记票据传递登记本——→相关岗位(3)贷款:收到银行贷款上账回单——→登记票据传递登记本——→传管理费用岗位(二)银付1、日常性业务款项根据付款审批单(计划费用经相关岗位审核,计划10万元以上或计划外费用经财务部长或财务总监审核)审核调节表中无该部门前期未报账款项——→开具支票(汇票、电汇)——→登记支票使用登记本——→将支票、汇票存根粘贴到付款审批单上(无存根的注明支票号及银行名称)——→加盖“转账”图章——→登记单据传递登记本——→传相关岗位制证——→材料核算岗(材料采购)——→成本核算岗(外协加工、车间质保费用)——→管理费用岗(管理部门用款)——→销售费用岗(销售部门用款)——→工资福利岗(工资兑现、福利)——→及固定资产岗(GMP部门费用、固定资产购建)注:(1)开出的支票应填写完整,禁止签发空白金额、空白收款单位的支票。
工作流程一、会计核算工作流程图(各类账表以手工账为例,财务软件自动生成)进行财务分析 编表说明编制各项明细表 登记财务报表 取得并审核原始凭证 编制、审核记账凭证 登记科目汇总表 登记明细分类账 登记现金、银行存款 登记总分类账1.取得并审核原始凭证在日常费用管理中,对报销人员或报销部门所提交上来的费用报销进行审核。
审核期间态度需客观、严谨、仔细、公正、公开。
审核内容:A. 报销凭证必须用蓝、黑墨水书写,不得用圆珠笔和铅笔书写。
填写内容须规范、摘要明了、字迹清晰,大小写金额、报销部门、日期、经手人填写无误且已经部门负责人审批,补充说明的费用事项需在备注栏注明。
报销凭证需先整理分类后填写。
B.原始凭证审核贴序需按报销凭证填写的顺序,一般按小上大下,零散票据、面积过大票据需按公司财务部规定方式粘贴。
发票类原始凭证超过规定额度时需与收据原始凭证分开填写。
原始凭证不得有涂划、修改痕迹,开具日期不得超过报销的合理周期,一般为一个月内,超过合理周期一概不给予办理报销。
特殊业务的需问明原由并有相关人员证明或提前告之财务部。
原始凭证的合法性和真实性。
审核所发生的经济业务是否符合国家、酒店有关规定的要求,有否违反财经制度的现象;原始凭证中所列的经济业务事项是否真实,有无弄虚作假情况。
如在审核原始凭证中发现有多计或少计收入、费用,擅自扩大开支范围、提高开支标准,巧立名目、虚报冒领、滥发奖金、津贴等违反财经制度和财经纪律的情况,不仅不能作为合法真实的原始凭证,而且要按规定进行处理。
关于采购报销的,还需将采购申请单作为附件附在相关原始凭证后面。
原始凭证的合理性。
审核所发生的经济业务是否符合厉行节约、反对浪费、有利于提高经济效益的原则,有否违反该原则的现象。
如经审核原始凭证后确实有使用预算结余购买不需要的物品,不能作为合理的原始凭证。
原始凭证的完整性。
审核原始凭证是否具备基本内容,有否应填未填或填写不清楚的现象。
如经审核原始凭证后确定有未填写接受凭证单位名称,无填证单位或制证人员签章,业务内容与附件不符等情况,不能作为内容完整的原始凭证。
工资核算工作流程图
福利费核算工作流程图
出纳(发票管理)工作流程
上级财务机关公司经理
财务
收入核费收、查验部领用发票购入登记
费收、查验部开具发票发票领用登记费收、查验部交回存根发票记账联销号
出纳(现金业务)岗位工作流程
财务部经理
各岗会
计稽核主管
各岗会
计
核算现金收入复核
核算现
金支付
银行现金解
交出纳员
现金领取
银行现金收
付
现金支
付
报告情况
现金结帐、盘点
报告情况
出纳(银行业务)岗位工作流程财务部经理
各岗会
计稽核主管
各岗会
计
核算银行收入复核
核算银
行支出
银行收入
支票出纳员
付款支票
银
行进帐银行收
付
支付
报告情况结帐、对帐
报告
情况
成本费用核算流程图
应收帐款核算流程图
材料、燃料核算工作流程
固定资产核算工作流程
食堂会计业务流程图
稽核工作流程
总帐主管工作业务流程
综合管理会计流程
公司财务预算工作流程。
会计账务处理流程图一、什么是会计账务处理程序?是指会计凭证,会计账簿,会计报表之间相互结合的核算形式的方式。
种类有3种:①记账凭证账务处理程序,②汇总记账凭证账务处理③科目汇总表账务处理程序。
他们的区别是:登记的分类的依据和方法不同。
二、会计账务处理程序的应用1 记账凭证账务处理程序,(最基本的账务处理程序)一般有7步:①根据原始凭证填制汇总原始凭证②根据原始凭证或汇总原始的填制收款凭证、付款凭证和转账凭证,或者也可以填制通用记账凭证。
③根据收款凭证和付款凭证逐笔登记库存现金日记账和银行存款日记账。
④根据原始凭证、汇总原始凭证和记账凭证,登记各种明细分类账,⑤根据记账凭证逐笔登记总分类账。
⑥期末,将库存现金日记账、银行存款日记账和明细分类账的余额核对相符。
⑦期末,根据总分类账和明细账明细分类账的记录编制财务报表。
步骤6要核对。
记账凭证账务处理登记总账依据是:记账凭证。
优点:是简单明了,易于理解,可以较详细反映经济业务。
缺点:是登记总账的工作量大适用范围:规模小,经济业务量较少的单位。
二、汇总记账凭证账务处理有8步:①根据原始凭证填制汇总原始凭证②根据原始凭证或汇总原始的填制收款凭证、付款凭证和转账凭证,或者也可以填制通用记账凭证。
③根据收款凭证和付款凭证逐笔登记库存现金日记账和银行存款日记账。
④根据原始凭证、汇总原始凭证和记账凭证,登记各种明细分类账。
⑤根据各种记账凭证,编制有关汇总记账凭证。
⑥有关汇总记账凭证,登记总分类账。
⑦期末,将库存现金日记账、银行存款日记账和明细分类账的余额核对相符。
⑧期末,根据总分类账和明细账明细分类账的记录编制财务报表。
汇总记账凭证登记总账的依据:是汇总记账凭证.优点:减轻了登记总账的工作量。
缺点:转账凭证较多时,制汇总转账凭证的工作量较大,按每一贷方账户编制汇总转账凭证,不利于会计核算的日常分工。
适用范围:规模较大,经济业务较多的单位。
(三)科目汇总表账务处理程序科目汇总表,账务处理程序的一般步骤有8步:①根据原始凭证填制汇总原始凭证。
批准与签署公司部门姓名签署日期流程负责人项目经理版本控制版本号更新日期说明作者流程图图例说明开始流程开始,结束流程结束其它系统在SAP 中操作的流程步骤,其它系统中操作的步骤,系统外操作的流程SAP 内业务操作判断, SAP 以外业务操作判断流程连接其它系统SAP 内文档及报表,其它系统内文档及报表, 手工文档及报表其它流程1.流程概述1.1.流程说明月结处理流程主要描述每月月末结账和出具财务报表的过程,及时反映经济业务发生的结果,保证各项会计处理及时、准确,会计报表真实可靠。
月末会计期间结束前,先打开下月新的会计期间,在新的会计期间进行下月账务处理,同时进行本月会计期间的月结工作,经检查无误后,出具财务报表。
所属流程组:财务/管理会计组1.2.适用范围组织范围:触发事件:在每个会计期间期末1.3.详细描述1.3.1.术语解释和概念说明财务期间:用于控制财务会计允许记账的会计期间,可以只打开一个会计期间,也可以同时打开多个会计期间。
财务期间可以分开控制到一般总账科目、客户相关科目、供应商相关科目、固定资产相关科目、物料相关科目。
如果使用特殊期间(即13~16期间),可以对特殊期间进行单独控制。
业务期间:用于控制所有跟物料移动相关业务操作(包括入库、出库、移动等)可以操作的期间,当规定的月末结算时点到来时,通过关闭业务当前期间,打开下一期间,可以强制性将之后的物料移动都转到下一期间。
需要注意的,业务期间关闭动作不可逆,需要谨慎操作。
汇率维护和外币评估1) 记账汇率类型在SAP系统内确认为M(平均汇率),每个月月末在系统内维护。
2) 月结时进行汇率评估,系统提供两种方式:对未清项核算的科目(未实现汇兑损益)可以按照未清项进行汇率评估,次月初自动冲回;未进行未清项核算的科目,针对已实现汇兑损益,可以按照科目余额进行月末外汇评估,下月不再冲回。
应收应付重组1) 应收应付重组目的在于对应收预收、应付预付项目在资产负债表日做调整,下个月初自动冲回。
每月会计流程图1.1.1 每月会计流程图每个财务人员都应该了解此流程,更应该了解相关的财务软件,目前稍有规模或管理水平高一点的企业均采信息化管理,你应该知道如何使用软件和如何设置,只要凭证制作正确,其余一切由计算机完成:凭证-汇总-明细账-总账-各种报表等。
首先来了解财务流程是非常有必要的。
一、大致环节:1、根据原始凭证或原始凭证汇总表填制记账凭证。
2、根据收付记账凭证登记现金日记账和银行存款日记账。
3、根据记账凭证登记明细分类账。
4、根据记账凭证汇总、编制科目汇总表_5、根据科目汇总表登记总账。
6、期末,根据总账和明细分类账编制资产负债表和利润表。
如果企业的规模小,业务量不多,可以不设置明细分类账,直接将逐笔业务登记总账。
实际会计实务要求会计人员每发生一笔业务就要登记入明细分类账中。
而总账中的数额是直接将科目汇总表的数额抄过去。
企业可以根据业务量每隔五天,十天,十五天,或是一个月编制一次科目汇总表。
如果业务相当大。
也可以一天一编的。
二、具体内容:1、每个月所要做的第一件事就是根据原始凭证登记记账凭证(做记账凭证时一定要有财务(经理)有签字权的人签字后你在做),然后月末或定期编制科目汇总表登记总账(之所以月末登记就是因为要通过科目汇总表试算平衡,保证记录记算不出错),每发生一笔业务就根据记账凭证登记明细账。
2、月末还要注意提取折旧,待摊费用的摊销等,若是新的企业开办费在第一个月全部转入费用。
计提折旧的分录是借管理费用或是制造费用贷累计折旧,这个折旧额是根据固定资产原值,净值和使用年限计算出来的。
月末还要提取税金及附加,实际是地税这一块。
就是提取税金及附加,有城建税,教育费附加等,有税务决定。
3、月末编制完科目汇总表之后,编制两个分录。
第一个分录:将损益类科目的总发生额转入本年利润,借主营业务收入(投资收益,其他业务收入等)贷本年利润。
第二个分录:借本年利润贷主营业务成本(主营业务税金及附加,其他业务成本等)。
会计核算流程图会计核算是企业重要的财务管理工作之一,通过对企业的经济交易进行记录、分类、汇总和分析,为管理者提供信息支持和决策依据。
本文将以流程图的形式详细展示会计核算的流程,并对每个环节进行简要说明。
1. 收集和准备会计凭证首先,会计人员需要收集企业的经济交易凭证,如发票、收据、银行对账单等。
凭证是会计核算的基础,记录了企业的资金流动和交易情况。
之后,会计人员需将凭证进行分类和整理,确保每一笔交易都得到正确的记录。
2. 记账记账是会计核算的核心环节之一,会计人员需将凭证中的信息分别按照借贷方向进行记录。
根据“借贷记号规则”,资产账户、费用账户和损益账户等在借方增加,负债账户、所有者权益账户和收入账户等在贷方增加。
通过记账,可以明确每笔交易对企业财务状况和业务成果的影响。
3. 登账登账是将记账的信息按照科目分类进行归档和汇总的过程。
会计人员将记账凭证中的各项信息分别填写到对应的会计科目账户中,确保账面上的数据与凭证信息一致。
登账过程中,还需要进行账务分录的平衡检查,保证借贷方金额相等。
4. 制作财务报表会计核算的结果需要通过财务报表进行展示和分析。
在制作财务报表时,会计人员将登账后的各项数据按照会计期间进行汇总,生成资产负债表、利润表和现金流量表等重要财务报表。
财务报表将反映企业的财务状况和经营成果,对内部管理和对外投资者提供重要参考。
5. 进行财务分析和决策财务报表完成后,会计人员将对报表数据进行分析和解读,并向管理者提供相关的财务指标和分析报告。
管理者可以通过财务分析了解企业的盈利能力、偿债能力和经营风险等关键指标,为企业的经营决策提供重要支持。
6. 完成审计和报税工作在会计核算的最后阶段,会计人员需要配合内部和外部审计人员进行财务信息的审计工作。
审计能够验证财务报表的准确性和合规性,保证信息的真实可信。
另外,会计人员还需要根据税法规定,为企业进行报税工作,核算纳税基础和缴纳税款。
通过以上的流程图,我们可以清晰地了解到会计核算的全过程。
公司财务部内部全套工作流程图工作流程1、 会计核算工作流程2、出纳工作流程账户间请款收款 审票据盖章 进账(需背 签收 交客户或 转账或购汇 开收据 书的要背书) 进账、登记台账生成财务报表 编表说明 进行财务分析 编制各项明细表 登记总分类账现金、银行存款日记账 登记明细分类账生成科目汇总表编制、审核记账凭证 收 款 付 款 转 账收现 收票审单付款 付票据 开支票 编 制 日 报 表登记现金、银行日记账本 核对日记账、做调节表3、税务工作流程(1)办税员报税工作流程(2)办税员领取、缴销发票工作流程(3)办税员办理一般纳税人资格年审工作流程到税务局领取年审表格准备税务局所需全部资料交税务局指定受理窗口交资料并索取回执持回执领回年审结果持年审结果到核税科加盖一般纳税人条形章4、统计工作流程(1)预算检查执行工作流程会计凭证处理完毕归类登记有关数据编制预算与执行对比报表分析及说明预算执行情况报财务经理审核及提出改进意见报财务总监审批报分总经理和总经理审批公布预算执行情况及改进措施(2)销售统计工作流程收款员交《收款日报》报统计员编制《销售日报》与业务部核对账务财务经理(或指定负责人)审核后上报(3)《营运资金日报》编制流程5、付款工作流程表(现金、支票)(1) 借(付)款(现金)工作流程表(文件呈批表) 说明借款理由经办人复印留存销售日报资金日报往来日报汇总统计并审核编制《营运资金日报》主管会计复核部门经理意见经办人填借款财务经理意见分总意见出纳付款经办人签收(1) 借(付)款(支票)工作流程图分总不在时,由其授权人审批补签注:分期付款呈批跟踪表同时报送审批 工程付款跟踪表同时报送审批 成本利润预算审批表同时报送审批 合同、报告审批表同时报送审批经办人取表填单部门经理意见 填:分期付款呈批跟踪表、附合同、报告审批等主管会计复核财务经理意见分总意见出纳付款会计记账6、报销工作流程。
报税流程:1、地税申报的税金有:营业税、城建税、教育费附加、个人所得税、印花税、房产税、土地使用税、车船使用税。
(1)每月7号前,申报个人所得税。
(2)每月15号前,申报营业税、城建税、教育费附加、地方教育费附加。
(3)印花税,年底时申报一次(全年的)。
(4)房产税、土地使用税,每年4月15号前、10月15号前申报。
但是,各地税务要求不一样,按照单位主管税务局要求的期限进行申报。
(5)车船使用税,每年4月份申报缴纳。
各地税务要求也不一样,按照单位主管税务局要求的期限进行申报。
(6)如果没有发生税金,也要按时进行零申报。
(7)纳税申报方式:网上申报和上门申报。
如果网上申报,直接登陆当地地税局,进入纳税申报系统,输入税务代码、密码后进行申报就行了。
如果是上门申报,填写纳税申报表,报送主管税务局就行了。
2、国税申报的税金主要有:增值税、所得税。
(1)每月15号前申报增值税。
(2)每季度末下月的15号前申报所得税。
(3)国税纳税申报比较复杂,需要安装网上纳税申报系统,一般国税都要对申报单位进行培训的。
抄税报税流程:一、抄税[1] 抄税就是把当月开出的发票全部记入发票IC卡,然后报税务部门读入他们的电脑以此做为你们单位计算税额的依据.一般抄了税才能报税的,而且抄过税后才能开具下个月发票的,就相当于是一个月的开出销项税结清一下。
抄税和报税是两个流程,统称为抄报税:IC卡是购发票、开发票和抄税用的。
1、购发票时,持IC卡和发票准购证去税务局办理,购买回来后,将IC卡插入读卡器中,读入到防伪税控开票软件中,用以开具发票时所用。
2、开发票时,首先将IC卡插入读卡器,然后进入开票系统中进行开具发票的操作(怎样开发票,你一定会吧?就不详细说明了),需要注意的是,电子版的发票与打印的发票用纸必须是同一发票。
3、进项发票的认证,如果你单位购货时取得了增值税发票,月末前持发票的抵扣联去税务局进行认证。
4、抄税,月末终了,根据当地税务规定的抄税时限(一般是次月的1-5日),将本月已经开具使用的发票信息抄入到IC卡中,然后打印出纸质报表并加盖公章,持IC卡和报表去税务局大厅进行抄税。
每月会计流程图
1.1.1 每月会计流程图
每个财务人员都应该了解此流程,更应该了解相关的财务软件,目前稍有规模或管理水平高一点的企业均采信息化管理,你应该知道如何使用软件和如何设置,只要凭证制作正确,其余一切由计算机完成:凭证-汇总-明细账-总账-各种报表等。
首先来了解财务流程是非常有必要的。
一、大致环节:
1、根据原始凭证或原始凭证汇总表填制记账凭证。
2、根据收付记账凭证登记现金日记账和银行存款日记账。
3、根据记账凭证登记明细分类账。
4、根据记账凭证汇总、编制科目汇总表_
5、根据科目汇总表登记总账。
6、期末,根据总账和明细分类账编制资产负债表和利润表。
如果企业的规模小,业务量不多,可以不设置明细分类账,直接将逐笔业务登记总账。
实际会计实务要求会计人员每发生一笔业务就要登记入明细分类账中。
而总账中的数额是直接将科目汇总表的数额抄过去。
企业可以根据业务量每隔五天,十天,十五天,或是一个月编制一次科目汇总表。
如果业务相当大。
也可以一天一编的。
二、具体内容:
1、每个月所要做的第一件事就是根据原始凭证登记记账凭证(做记账凭证时一定要有财务(经理)有签字权的人签字后你在做),然后月末或定期编制科目汇总表登记总账(之所以月末登记就是因为要通过科目汇总表试算平衡,保证记录记算不出错),每发生一笔业务就根据记账凭证登记明细账。
2、月末还要注意提取折旧,待摊费用的摊销等,若是新的企业开办费在第一个月全部转入费用。
计提折旧的分录是借管理费用或是制造费用贷累计折旧,这个折旧额是根据固定资产原值,净值和使用年限计算出来的。
月末还要提取税金及附加,实际是地税这一块。
就是提取税金及附加,有城建税,教育费附加等,有税务决定。
3、月末编制完科目汇总表之后,编制两个分录。
第一个分录:将损益类科目的总发生额转入本年利润,借主营业务收入(投资收益,其他业务收入等)贷本年利润。
第二个分录:借本年利润贷主营业务成本(主营业务税金及附加,其他业务成本等)。
转入后如果差额在借方则为亏损不需要交所得税,如果在贷方则说明盈利需交所得税,计算方法,所得税=贷方差额*所得税税率,然后做记账凭证,借所得税贷应交税金--应交所得税,借本年利润贷所得税(所得税虽然和利润有关,但并不是亏损一定不交纳所得税,主要是看调整后的应纳税所得额是否是正数,如果是正数就要计算所得税,同时还要注意所得税核算方法,采用应付税款法时,所得税科目和应交税金科目金额是相等的,采用纳税影响法时,存在时间性差异时所得税科目和应交税金科目金额是不相等的)。
4、最后根据总账的资产(货币资金,固定资产,应收账款,应收票据,短期投资等)负债(应付票据,应附账款等)所有者权益(实收资料,资本公积,未分配利润,盈余公积)科目的余额(是指总账科目上的最后一天上面所登记的数额)编制资产负债表,根据总账或科目汇总表的损益类科目(如管理费用,主营业务成本,投资收益,主营业务附加等)的发生额(发生额是指本月的发生额)编制利润表。
(关于主营业务收入及应交税金,应该根据每一个月在国税所抄税的数额来确定.因为税控机会打印一份表格上面会有具体的数字).
5、其余的就是装订凭证,写报表附注,分析情况表之类c
6、注意问题:
a、以上除编制记账凭证和登记明细账之外,均在月末进行。
b、月末结现金,银行账,一定要账证相符,账实相符。
每月月初根据银行对账单调银行账余额调节表,注意分析未达款项。
月初报税时注意时间,不要逾期报税。
另外,当月开出的发票当月入账。
每月分析往来的账龄和金额,包括:应收,应付,其他应收。
三、报表问题:
企业会计报表包括四个报表,除了资产负债表和利润表之外还利润分配表和现金流量表。
而利润分配表只需要在年末编制,因为只有在年末企业才会对所盈利的利润进行分配。
而现金流量表只是根据税务部门的要求而进行编制,不同地区不同省要求不同。
在四月年检时税务部门会要求对你提出要求的。
(管理,财务,营业,制造等费用月末没有余额,结帐方法采用表结法下,损益科目月末可留余额;制造费用如果有余额,是属于在产品的待分配费用,在负债表上视同存货。
钟书补充)你要看你在利润表有的东西,只要你的账上有你就结转利润,这样不容易错,利润表的本年利润要和资产表的相吻合。
细节补充:
1、增值税,企业所得税在国税报(2002年1月1日以后注册的企业才在国税办理;个人所得税和其他税在地税报
2、月末认证(进项税);月初抄税(销项税)
3、以工资为基数100%,福利费为14%,工会经费2%,职工教育费2.5%,(税法规定:建立工会组织的企业、事业单位、社会团体,按每月全部职工工资总额的2%向工会缴拨的经费,凭工会组织开具的《工会经费拨缴款专用收据》在税前扣除。
凡不能出具《工会经费拨缴款专用收据》的,其提取的职工工会经费不得在企业所得税前扣除)。
4、三险一金:住房公积金,养老保险金,医疗保险金,失业保险金
5、流通企业运输费,装卸费,合理损耗,检验费均计入营业费用,工业企业计入成本
6、单位无工会组织的,不能计提工会经费,更不必计提后再调整。
所得税只须每季提一次就可,不需每月计提.
7、现金一般从“基本存款户”中提取,一般规定结算帐户不能提取现金,如有特殊情况方可(钟书补充)。
8、差旅费的开支范围:交通费,住宿费,伙食补助费,邮电费,行李运费,杂费
9、出纳日记账保存25年
几个很有用的分录:
1、现金长款
借:现金5lsslE+:J
贷:待处理财产损溢
借:待处理财产损溢
贷:营业外收入(注:无法查明原因)
2、现金短款
借:待处理财产损溢
贷:现金
借:其他应收款——应收现金短缺款
——应收保险赔偿款
管理费用——现金短缺(注:无法查明原因)
贷:待处理财产损溢
3、提取福利费)
借:生产成本
营业费用
管理费用
贷:应付福利费
4、计提工会经费
借:管理费用——工会经费
贷:其他应付款——工会经费
5、计提职工教育经费
借:管理费用——职工教育费
贷:其他应付款——职工教育费
6、支付工资
借:应付工资
贷:现金
应交税金——应交个人所得税[
其他应付款
其他应收款(代扣款项)
7、提取城建税
借:主营业务税金及附加/其他业务支出
贷:应交税金—应交城建税
8、计提教育费附加
借:主营业务税金及附加
贷:其他应交款——教育费附加
9、印花税
借:管理费用/待摊费用
贷:银行存款/现金(每本账簿贴五元印花税)
出纳工作
一、办理银行存款和现金领取。
二、负责支票、汇票、发票、收据管理。
三、做银行账和现金账,并负责保管财务章。
四、负责报销差旅费的工作。
1、员工出差分借支和不可借支,若需要借支就必须填写借支单,然后交总经理审批签名,交由财务审核,
确认无误后,由出纳发款。
2、员工出差回来后,据实填写支付证明单,并在单后面贴上收据或发票,先交由证明人签名,然后给总经理签名,进行实报实销,再经会计审核后,由出纳给予报销。
五、员工工资的发放。
A现金收付
1、现金收付的,要当面点清金额,并注意票面的真伪。
若收到币予以没收,由责任人负责。
2、现金一经付清,应在原单据上加盖"现金付讫章"。
多付或少付金额,由责任人负责。
3、把每日收到的现金送到银行,不得"坐支"。
4、每日做好日常的现金盘存工作,做到账实相符。
做好现金结报单,防止现金盈亏。
下班后现金与等价物交还总经理处。
5、一般不办理大面额现金的支付业务,支付用转账或汇兑手续。
特殊情况需审批。
6、员工外出借款无论金额多少,都须总经理签字,批准并用借支单借款。
若无批准借款,引起纠纷,由责任人自负。
B 银行账处理
1、登记银行日记账时先分清账户,避免张冠李戴。
开汇兑手续。
2、每日结出各账户存款余额,以便总经理及财务会计了解公司资金运作情况,以调度资金。
每日下班之前填制结报单。
3、保管好各种空白支票,不得随意乱放。
4、公司账务章平时由出纳保管。
C报销审核
1、在支付证明单上经办人是否签字,证明人是否签字。
若无,应补。
2、附在支付证明单后的原始票据是否有涂改。
若有,问明原因或不予报销。
3、正规发票是否与收据混贴,若有,应分开贴(原则上除印有财政监制章的财政票据外,其余收据不得报销,也不得税前扣除,钟书补充)。
4、支付证明单上填写的项目是否超过3项。
若超过,应重填。
5、大、小金额是否相符。
若不相符,应更正重填。
6、报销内容是否属合理的报销。
若不属,应拒绝报销,有特殊原因,应经审批。