电子电气船舶机舱自动化(三份)有答案
- 格式:doc
- 大小:84.50 KB
- 文档页数:13
2022-2023年海船船员考试《电子电气员》证书考核易错、难点精编(带答案)(图片大小可自由调整)一.全考点综合测验(共45题)1.【单选题】三相船用电动机的绝缘等级B,电动机使用过程中发生了电动机温升过高的故障现象,该现象为________。
A.外壳温度超过120℃但未超过130℃。
B.外壳温度超过130℃。
C.电动机绝缘结构中最热点的温度超过120℃但未超过130℃D.电动机绝缘结构中最热点的温度超过130℃正确答案:D2.【单选题】三相异步电动机的同步转速与电源频率f、磁极对数p的关系是_______。
A.n0=60f/pB.n0=60p/fC.n0=pf /60D.n0=p/60f正确答案:A3.【单选题】单项正弦交流电的三要素之一的是________。
A.幅值、频率、初相位B.功率因数、频率、初相位C.频率、阻抗、幅值D.初相位、频率、周期正确答案:A4.【单选题】以下关于电动机Y-D降压启动的说法正确的是________。
A.启动电流大B.该方法所需设备较少、价格低C.可用于较大负载的启动D.该方法可用于正常运行时为星形联结的电动机上正确答案:B5.【单选题】关于三相异步电动机的结构,下列说法错误的是________。
A.三个定子绕组互成120°排列是为了便于形成旋转磁场。
B.三相异步电动机的转子有鼠笼式和绕线式两大类。
C.为保证强度,三相异步电动机的转轴是由成型的圆钢制成,它的作用是支撑铁芯和传递转矩D.三相异步电动机定子与转子之间的气隙是为了通风和降温,所以越大越好。
正确答案:D6.【单选题】以下________方式是软启动方式A.延边三角形启动B.转子串电阻启动C.电压双斜坡启动D.Y-D降压启动正确答案:C7.【单选题】关于变压器的功能,下列说法错误的是_______。
A.变压功能。
B.变频功能。
C.变阻抗功能。
D.变流功能。
正确答案:B8.【单选题】下列优点中________不是软启动的优点。
船舶电气与自动化11关于自动化船舶机舱中重要泵的互为备用自动切换控制电路的功能叙述错误的是。
A.在遥控方式时,不允许在集控室对各组泵进行遥控手动起动或停止B.因某种原因失电后,所有运行泵都停止运行,电网恢复供电后,各组原来运行的重要泵按事先设定好的时间顺序逐台重新自动起动C.在自动运行方式,当运行泵发生故障时,备用泵能够自动进行切换D.在遥控方式时,既可以在集控室手动起、停泵,也可在机旁手动起、停泵2在采用压力比例调节器和电动比例操作器的辅助锅炉蒸汽压力控制系统统中,如果在平衡状态下锅炉负荷减小,则在到选新平衡态时。
A.汽压比原来高 B.汽压等于给定值 C.汽压比原来低 D.不一定3在MR-Ⅱ型电动冷却水温度控制系统中,设置调节阀限位开关的目的是。
A.使执行电机能断续转动B.当调节阀转到极限位置时能切断执行电机电源C.作为执行电机热保护 D.防止增加、减少两个继电器同时通电4主机转速一艘应取额定转速,才允许船舶晶闸管轴带发电机启动。
A.≥85% B.≥45% C.≥75% D.≥30%5使用模拟式万用表进行晶闸管极间电阻测量时,下述有关叙述正确的是。
①万用表选择R×10或R×100档测控制极G和阴极K正、反向电阻;②正向电阻为几欧或几百欧;③反向电阻明显要比正向电阻小一些,就可认为正常;④如果测得正向电阻大于数千欧,就可认为正常。
A.①② B.②③ C.②④ D.③④6下述关于交流电动机解体维修的操作方法叙述正确的是。
①检查轴承内、外固有无松动,滚珠与跑道表面有无麻点和破损,手插内圈,转动外圈,听声音大小和有无杂音,即可判断轴晕有无异常;②无论轴晕有无异常,解体电动机时都必须拆下轴晕进行更换;③在转子上拆卸轴承时,最常用的方法是用专用工具(拉马)钩住轴承内圈,扳动丝杠进行拆卸,若内圈与轴之间配台很紧,拆卸时可渗些滑油,然后用专用工具(拉马)拉下来;④取出转子方示是用专用工具(拉马)钩住转子,扳动丝杠进行拆卸。
电子员培训微型计算机硬件系统中最核心的部件是______ A 主板B CPUC 内存储器D I/O设备答案B配置高速缓冲存储器(Cache)是为了解决_______A 内存与辅助存储器之间速度不匹配问题B CPU与辅助存储器之间速度不匹配问题C CPU与内存储器之间速度不匹配问题D 主机与外设之间速度不匹配问题答案 C硬盘工作时应特别注意避免________A 噪声B 震动C 潮湿D 日光答案 B一个完整的计算机软件系统包括A 主机箱、键盘、显示器和打印机B 系统软件和应用软件C 计算机主机及外部设备D 硬件系统和软件系统答案 B在Windows的“资源管理器”窗口中,若要一次选定多个不连续的文件或文件夹,正确的操作是_______A 单击“编辑”菜单的“全部选定”命令B 单击第一个文件,然后按住Shift键单击最后一个文件C 按住Ctrl键,依次单击想要选择的文件D 按住Ctrl键,单击首尾文件答案C在Windows中,“回收站”是______A 软件盘上的一块区域B 硬盘上的一块区域C内存中的一块区域D光盘中的一块区域答案 BInternet(因特网)上最基本的通信协议是______A HTTPB IEEE802.3.C TCP/IPD OSI答案C在计算机网络中,表征数据传输可靠性的指标是A 传输率B 误码率C 信息容量D 频带利用率答案 B在OSI 参考模型中能实现路由选择、拥塞控制与互连功能的层是____A 传输层B 应用层C 网络层D 物理层答案 C以太网10 BASE T 代表的含义是A 10Mb/s基带传输的粗缆以太网B 10Mb/s基带传输的双绞线以太网C 10Mb/s基带传输的细缆以太网D 10Mb/s基带传输的光纤以太网答案 B调制解调器(Modem)的功能是实现A 数字信号的编码B 数字信号的整形C 模拟信号的放大D 数字信号与模拟信号的转换答案 D网络互联设备通常分成以下四种,在不同的网络间存储并转发分组,必要是可以通过____进行网络层下协议转换A 重发器B 桥接器C 网关D 协议转换器答案 C船舶局域网的网络硬件主要包括网络服务器、工作站、_____和通信介质A 计算机B 网卡C 网络拓扑结构D 网络协议答案 C为船舶局域网络提供共享资源进行管理的计算机称为________A 网卡B 服务器C 工作站D 网桥答案 B船舶局域网的网络软件主要包括_____A 网络操作系统、网络数据库管理系统和网络应用软件B 服务器操作系统、网络数据库管理系统和网络应用软件C 工作站软件和网络应用软件D 网络传输协议和网络数据库管理系统答案 A在因特网中,IP数据报从源节点到目的节点可能需要经过多个网络和路由器。
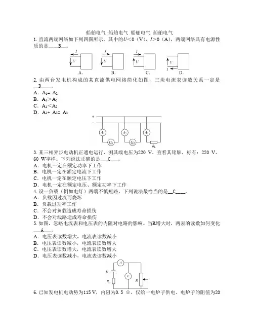
船舶电气船舶电气船舶电气船舶电气1.直流两端网络如下列四图所示。
其中的U<0(V),I>0(A),两端网络具有电源性质的是____B__。
2.由两台发电机构成的某直流供电网络简化如图,三块电流表读数关系一定是__D____。
A.A1= A2B.A1>A2C.A1<A2D.A1+ A2= A33.某三相异步电动机正通电运行,测其端电压为220 V。
查看其铭牌,标有:220 V、60 W字样。
下列说法正确的是___C___。
A.电机一定在额定功率下工作B.电机一定在额定电流下工作C.电机一定在额定电压下工作D.电机一定在额定电压、额定功率下工作4.设一负载(例如电灯)两端不慎短路,下列说法最恰当的是__C____。
A.负载因过流而烧坏B.负载过功率工作C.不会对负载造成寿命损伤D.不会对线路造成寿命损伤5.如图,忽略电流表和电压表的内阻对电路的影响。
当R增大时,两表的读数如何变化___A___。
A.电压表读数增大,电流表读数减小B.电压表读数减小,电流表读数增大C.电压表读数增大,电流表读数增大D.电压表读数减小,电流表读数减小6.已知发电机电动势为115 V,内阻为0.5 Ω,仅给一电炉子供电。
电炉子的阻值为20Ω,则电炉子的端电压为___B___。
A.115 VB.112.2 VC.100VD.117.9 V7.非电场力把单位正电荷从低电位处经电源内部移到高电位处所做的功是__B____。
A.电压B.电动势C.电位D.电场强度8.某具有内阻的直流电源与负载电阻构成的简单供电网络如图,当开关SA打开及闭合时,电压表的读数分别为12 V、10 V;若在SA闭合时,由于SA接触不良形成电路中M、N两点间不通,则此时电压表示数为___A___。
A.12 VB.10 VC.0 VD.视大小R0确定9.电冰箱工作时,实际消耗的电功率是100 W,假设它的停歇时间与工作时间之比为3,一个月(按30天计)电冰箱消耗电能是__A____。
D【1】当模拟信号需要传输较远距离时,一般采用______做标准信号。
A.交流电压信号B.交流电流信号C.直流电压信号D.直流电流信号B【2】大型船舶中央空调取暖工况需要进行加湿,其最常用的方式是__考____。
A.喷水加湿B.喷蒸汽加湿C.电热加湿D.超声波加湿D【3】某压力测量装置的量程为0~2MPa,它的最大绝对误差是0.04MPa,则该测量装置的精度为______。
A.0.2级B.0.5级C.1.0级D.2.0级D【4】K-CHIEF 500对模拟信号报警检测,不包括______。
A.仪器故障检测B.报警延时C.死区返回D.仪器故障自动修复C【5】对于主机遥控系统的增压空气限制环节,正确的认识是______。
A.随着转速的增加,增压空气限制环节的限制值也增加B.随着增压空气压力的增加,主机的供油量增加C.随着增压空气压力的增加,允许的供油量限制值增加D.随着增压空气压力的增加,允许的供油量限制值减小C【6】在Auto Chief C20型主机遥控系统中,系统参数设定功能应在__考___考_上进行。
A.指示面板单元B.电子调速器单元C.AutoChief控制面板ACPD.分布式处理单元DPUA【7】在Auto Chief C20主机遥控系统中,若诊断结果显示只是DPU模块中个别通道出现故障,应首先考虑的处理方法是______。
A.启用同一模块的空闲通道 B.更换DPU模块 C.检修损坏的通道 D.更换损坏的通道A【8】在主机遥控的安全保护系统中,不可能取消的故障自动停车保护项目是______。
A.主机滑油低压B.气缸冷却水压力低C.曲柄箱油雾浓度高D.锅炉蒸汽压力高C【9】 AUTOCHIEF-Ⅳ型主机遥控系统的硬件结构包括_____。
①车钟;②驾驶室和集控室控制单元;③数字式电子调速器;④安全保护装置;⑤主机工况监视装置;⑥曲轴箱油雾浓度监视装置 A.①②③⑤ B.②③④⑤ C.①②③④D.②③④⑥D【10】 S型分油机分离筒的排渣,是靠活动排渣底盘下部的工作水形成的压力使活动排渣底盘______来控制排渣。
电与磁习题1、软磁材料的特点是〔 A 〕。
A、磁滞回线面积较小,剩磁较小B、磁滞回线面积较大,剩磁较大C、磁滞回线面积较小,剩磁较大D、磁滞回线面积较大,剩磁较小2、关于电感的以下说法,错误的选项是〔 B 〕。
A、电感在直流稳态电路中相当于短路B、电感处于交流电路中,总是吸收功率C、电感中的电流不能跃变D、电感是储能元件3、假设电感较大的线圈从电源切断时,线圈二端将产生很高的电压,这是由于〔 C 〕的结果。
A、电感值的变化B、电感线圈电阻太小C、自感现象D、电源电压波动4、铁心线圈通以交变电流后,与线圈绝缘的铁心会发热,这是由于〔 D 〕。
A、电流的磁效应B、电流的力效应C、线圈中的电流产生热效应D、线圈中的电流产生热效应及铁损引起的热效应5、关于铁磁材料的以下说法错误的选项是〔D 〕。
A、具有磁滞特征B、具有磁饱和特征C、导磁率非常数D、具有高磁阻特征〔 C 〕6、交流电机、电器设备中所用的硅钢片铁心,属于磁材料;其剩磁及矫顽力都。
A、硬 / 小B、硬 / 大C、软 / 小D、软 / 大7、对于各种电机、电气设备,要求其线圈电流小而产生的磁通大,通常在线圈中放有铁心,这是基于铁磁材料的( C ) 特征。
A.磁饱和性 B.高导电性 C.高导磁性 D. 磁滞性8、涡流损失和磁滞损失总称为〔 B 〕。
A、涡损B、铁损C、线损D、磁损9、为减小涡流损失,通常采取的方法是〔 C 〕。
A、减小涡流回路的电阻B、减小涡流回路的电压C、增大涡流回路的电阻D、增大涡流回路的电压10、电磁感应现象是指〔 D 〕。
A.有磁场就会产生感应电势 B.载流导体在磁场中会受到电磁力的作用C.载流导体周围存在着磁场 D. 处于变化磁场中的线圈会产生感应电势11、电机和变压器的铁心通常用硅钢片叠成,其目的是 ( A )A.减小铁心的涡流损耗 B.增大铁心的涡流C.增大电器的铜损 D. 减轻电器的重量12、铁心线圈通交变电流后,会引起铁心发热,即铁损,所谓铁损是指〔 D 〕。
1船舶自动舵控制系统是()。
(353366:第01章自动控制理论基础) (A-0,B-6,C-3,D-1,错误-4)A.定值控制系统B.随动控制系统C.程序控制系统D.开环控制系统正确答案:B2在采用PI调节器的气缸冷却水温度控制系统中,设温度给定值是74℃,当主机运行稳定后,若温度表指针在74℃左右不停地摆动,则首先应()(354486:第01章自动控制理论基础) (A-4,B-3,C-2,D-1,错误-8)A.减小PBB.增大PBC.增大TiD.减小Ti正确答案:C3PID调节器,当Ti 和Td增加时,说明()。
(353620:第01章自动控制理论基础) (A-3,B-1,C-4,D-2,错误-8) A.积分作用强,微分作用弱B.积分作用弱,微分作用弱C.积分作用强,微分作用强D.积分作用弱,微分作用强正确答案:D4NAKAKITA燃油黏度调节器中,设比例波纹管、积分波纹管、微分气室及调节器输出分别为PP、Pi、Pd及P出,当燃油黏度增大,则在动态过程中()。
(353044:第01章自动控制理论基础) (A-2,B-2,C-3,D-2,错误-7)A.P出=PP=Pi=PdB.P出<Pi,PP=PdC.P出=Pd,PP>PiD.P出=Pd,Pi>PP正确答案:B5如图:(353499:第01章自动控制理论基础) (A-2,B-2,C-2,D-3,错误-7)BD正确答案:B6输入量是被调量,输出量是反馈信号的是_______ (352915:第01章自动控制理论基础) (A-2,B-4,C-1,D-2,错误-5)A . 放大环节B . 测量变送环节C . 调节器D . 执行机构正确答案:B7反馈控制系统在额定负荷下稳定运行期间, 其调节阀的开度为________ (352964:第01章自动控制理论基础)(A-4,B-0,C-5,D-0,错误-4)A . 全开B . 全关C . 全开的一半D . 不定正确答案:C8气动PI调节器设置1∶1跟踪器的目的不在于()。
【单选】在AutoChief C20型主机遥控系统中,系统参数修改功能应在______上进行。
--------------------------------------------------------------------------------A.指示面板单元B.电子调速器单元C.主机安全保护单元D.AutoChief控制面板【单选】若燃油辅锅炉火焰传感器保护玻璃板因烟灰而不透光,将会_____。
--------------------------------------------------------------------------------A.无法进行预扫风B.无法正常燃烧,点火成功后也会熄火并报警C.锅炉无法正常自动补水D.锅炉极限低水位报警并停炉单选】船舶火警探测器常采用①光敏电阻式②定温式③温升式④压电晶体式⑤感烟式⑥热磁式中的______。
--------------------------------------------------------------------------------A.②③⑤B.④⑤⑥C.③④⑤D.①②③【单选】EPC-50分油机控制系统中,对待分油进行加热的加热器不可选用______。
--------------------------------------------------------------------------------A.主机废气加热器B.电加热器C.蒸汽加热器D.热油加热器【单选】在MAN B&W MC气动操纵系统中,集控室车钟除了具有传令功能外,还具有______功能。
--------------------------------------------------------------------------------A.起动B.停车C.调速D.换向【单选】PLC系统中Modbus通信方式中常采用主从方式,主设备可单独和从设备通信,也能以广播方式和所有从设备通信。
中华人民共和国海事局适任培训大纲熟悉训练10科目:船舶电气与自动化适用对象:750kW及以上船舶二/三管轮1.电子PID调节器的作用规律是______来实现的。
A. 采用运算放大器B. 采用气动方式C. 采用软件编程D. 采用电动方式C解析:除了气动和常规电动控制系统之外,船舶机舱中也广泛采用电子PID调节器都采用进行控制。
电子PID调节器以微型计算机为控制系统的核心部件。
在计算机控制系统中,调节器的作用规律是采用软件编程来实现的,称为调节器作用规律的数字实现。
2.电位计式记录仪用来记录已转化成______的信号,最常用的电位计式记录仪基本上都是采用______零位平衡系统的伺服记录仪。
A. 电流/闭环B. 电压/闭环C. 电流/开环D. 电压/开环B解析:电位计式记录仪用来记录已转化成电压的信号。
最常用的电位计式记录仪基本上都是采用闭环零位平衡系统。
3.关于电解液配置时的注意事项,叙述不正确的是______。
A. 应戴防护眼镜、防酸手套B. 如有硫酸溅到皮肤和衣服上,应立即用10%的苏打水溶液擦洗,然后用清水冲洗C. 所用的器皿必须是耐酸及耐热的D. 配置时可以将蒸馏水倒入浓硫酸,同时不断地搅拌散热D解析:配置调整用酸性电解液的正确操作方法是:戴橡胶手套和防护眼镜,选择盛放器皿,将硫酸慢慢倒入蒸馏水中,使用比重计测量电解液的比重。
如果将蒸馏水导入到浓硫酸中,因为溶解过程中释放出大量的热量,将会使硫酸溶液沸腾飞溅出容积,容易造成事故。
4.图中PV为______值。
A. 测量B. 设定C. 上限D. 下限B此题暂无解析。
5.在反馈控制系统中,为使被控参数能较快地恢复到给定值,该系统必须是______。
A. 正反馈控制系统B. 负反馈控制系统C. 逻辑控制系统D. 时序控制系统B解析:在反馈控制系统中,为使被控参数能较快地恢复到给定值,必按偏差进行控制,按偏差进行控制的系统必定是一个负反馈控制系统。
三管轮自动化机舱实训题库船舶自动控制系统3.1冷却水温度控制系统的操作与管理(1)启动系统(2)温度设定值和调节参数的调整(3)手动—自动控制转换,并行冷却水温度的手动控制操作(4)停止系统3.2燃油黏度控制系统的操作与管理(1)启动系统(2)黏度设定值和参数调节器参数的调整(3)手动/自动控制转换,并进行黏度的手动控制操作(4)停止系统3.3辅锅炉燃烧时序控制系统的操作(1)启动系统(2)使系统投入正常的自动控制工作状态,观察自动预扫风和点火燃烧时序过程(3)将系统转换到手动操作状态,并进行手动点火,点火成功后对蒸汽压力进行手动调整(4)停止系统3.4分油机自动控制系统的操作(1)启动系统,直到进入正常分油状态(2)手动排渣操作(3)停机操作※分油机出水口和排渣口跑油的原因4.机舱监测与报警系统4.1机舱监测与报警系统的使用操作(1)监视与报警系统的使用操作(2)延伸报警装置的使用操作4.2火警探测装置的使用操作(1)火警探测装置的使用操作(2)火警探测装置的测试(3)火警探测装置的试验3.1冷却水温度控制系统的操作与管理机舱中使用的温度控制器是比较典型的NAKAKITA比例积分调节器,其主要组成可分为三部分:压力式温度传感器,感受油水温度,感受到的信号直接传给温度控制器;温度控制器,接受温度传感器得到的温度信号,并与设定温度值相比较,根据需要输出气压信号,控制油、水管路上的三通阀,使其通过冷却器的油、水量增加或减少,从而达到调节温度的目的。
控制器上有两个指针,其中黑针指示实际温度,红针指示设定温度,设定温度可由温度设定钮进行设定。
三通阀:是系统的执行机构,它正常的动作原则是,当温度低于设定温度时,油或水全部旁通,不经过冷却器;实际温度高于设定温度时,根据偏差值按比例地改变通往冷却器的管路通径,冷却过的水和未被冷却的水混合后的温度即所需要的温度。
训练步骤:⑴.熟悉系统:在系统中找出:传感器的位置、温度调节器的气源、温度设定钮、比例积分调节钮;熟悉三通调节调阀的结构、管路的连接关系。
第 1 页 共 20 页上 海 海 事 大 学船员培训中心2015 — 2016 学年第一学期模拟考试3《大管轮船舶电气与自动化》学号 姓名 总分1. 一对称三相电源给对称三相负载供电如图,三相电源线电压为380 V ,负载电阻R A =R B =R C =220 Ω,则流过各相负载电阻的电流、各相负载端电压分别为____。
A. 1 A/220 VB. 3 A/220C. 2 A/380 VD. 0.5 A/380 V2. 晶体管的输出特性曲线是指当基极电流IB 为常数时,输出电路中集电极电流IC 与集一射极电压之间UCE 的关系曲线 。
通常,信号放大电路中晶体管的输出特性曲线处于______。
A 截止区或饱和区B 放大区C 截止区或放大区D 饱和区或放大区3. 在微型计算机中,CPU 要把10H 存入1010H 存储单元中,CPU 发送信息的顺序是( )。
A. 先发地址1010H ,再把10H 送数据总线,再发读指令B. 先发地址1010H ,再把10H 送数据总线,再发写指令C. 先把10H 放到数据总线,再发地址1010H ,再发读指令D. 先把10H 放到数据总线,再发地址1010H ,再发写指令4. ME 系列机型转速传感器是采用磁脉冲式输出转速传感器,它的曲柄轴角度编码器如图所示。
当曲柄轴位置角度的检测精度是:A. 45 ºB. 1齿C. 1/2齿D. 1/4齿5.8051系列单片微型计算机内不包含______。
A EPROMB RAM第 2 页 共 20 页 C 基本接口电路 D A/D 转换器6.图示器件是:A. 变压器的一个线圈B. 电流互感器的二次侧C. 带磁心的电感D. 带屏蔽的电感7. 对于FCM 燃油粘度控制系统,如果要增加粘度设定值,则应该采取的措施是_________。
A. 只增加粘度设定的参数值即可B. 增加粘度设定的参数值的同时,增加粘度设定的参数值说对应的温度参数值C. 增加粘度设定的参数值的同时,减少粘度设定的参数值说对应的温度参数值D. 增加粘度设定的参数值的同时,改变PI 调节参数8.DGS8800e 是一个独立的8088微机系统,它可以实现多操作模式及故障的自动显示与报警,其中包括( )。
船舶电子电气工程基础知识单选题100道及答案解析1. 船舶电站中,发电机并车时的电压差通常应控制在()以内。
A. ±5%B. ±10%C. ±15%D. ±20%答案:B解析:发电机并车时的电压差通常应控制在±10%以内,以保证并车的顺利和稳定。
2. 船舶电力系统的基本参数是()。
A. 电流、电压、功率B. 电压、频率、功率因数C. 电压、频率、相数D. 电压、电流、频率答案:C解析:船舶电力系统的基本参数是电压、频率、相数。
3. 在船舶同步发电机的自动励磁调节系统中,静态电压调整率一般要求在()以内。
A. ±2.5%B. ±5%C. ±7.5%D. ±10%答案:A解析:静态电压调整率一般要求在±2.5%以内,以保证供电质量。
4. 船舶电力系统中,主配电板不包括()。
A. 发电机控制屏B. 并车屏C. 负载屏D. 应急配电板答案:D解析:应急配电板不属于主配电板。
5. 船舶电网的线制,目前应用最为广泛的是()。
A. 三相三线绝缘系统B. 三相四线绝缘系统C. 三相三线中性点接地系统D. 三相四线中性点接地系统答案:A解析:三相三线绝缘系统在船舶电网中应用最为广泛。
6. 船舶电站中,同步发电机的励磁方式主要是()。
A. 直流励磁机励磁B. 交流励磁机励磁C. 静止励磁D. 以上都是答案:D解析:船舶电站中,同步发电机的励磁方式包括直流励磁机励磁、交流励磁机励磁和静止励磁。
7. 船舶中压电力系统的电压等级通常为()。
A. 1 kV 以下B. 1 - 3 kVC. 3 - 10 kVD. 10 kV 以上答案:C解析:船舶中压电力系统的电压等级通常为3 - 10 kV。
8. 船舶电力系统短路保护的动作值通常按()来整定。
A. 发电机额定电流的1.5 - 2.5 倍B. 发电机额定电流的2 - 3 倍C. 电网额定电流的1.5 - 2.5 倍D. 电网额定电流的2 - 3 倍答案:D解析:船舶电力系统短路保护的动作值通常按电网额定电流的2 - 3 倍来整定。
电气自动化(船舶方向)最强10000题库(有答案)目录:第一章直流电路第二章电与磁第三章正弦交流电第四章半导体理论第五章船舶电机第六章电力拖动控制电路及系统第七章船舶电站第八章船舶照明系统第九章报警系统第十章船舶安全用电和安全管理第十一章船舶电气管理人员的安全职责第一章直流电路[1001]不论电路如何复杂,总可归纳为由电源、______、中间环节三部分组成。
DA.电阻B.电容C.电感D.负载[1002]0.05 mA=______A=______μA。
B A.50/5?10?5 B.5?10?5 /5 C.5?10?3/50 D.5?10?5/50[1003] 1 A=______。
A.B.C.D. C[1004] 描述单位时间内通过导体某横截面的电荷多少之物理量及其国际标准单位分别是______。
A.电量,库仑B.电流,安培C.电量,安培D.电压,伏特[1005] 电流的实际方向与产生这一电流的电子运动方向______。
BA.相同B.相反C.超前90°D.在直流电制中,相反;在交流电制中,相同[1006] 请判断下列各说法,正确答案是______。
N(1)人们习惯以正电荷的运动方向作为电流的参考方向;(2)人们习惯以负电荷的运动方向作为电流的参考方向;(3)人们习惯以正电荷的运动方向作为电流的实际方向。
A.(1)错,(2)、(3)对B.(1)、(2)错,(3)对C.(1)对,(2)、(3)错D.(1)、(2)对,(3)错[1007]电源是将_____的装置。
CA.电能转换为热能B.电能转换为磁场能C.非电能转换为电能D.能量互换[1008] 300 μV =______mV =______V。
BA.3×105/0.3 B.0.3/3×10-4 C.0.3/3×10-6 D.3/3×10-5[1009] 1 V=______。
A.B.C.D.[1010] 关于电位与参考电位的概念,下列说法正确的是______。
船舶机舱自动化船舶机舱自动化是指利用先进的自动化技术和设备来实现船舶机舱内各种操作和控制的自动化过程。
船舶机舱是船舶上的重要部份,包括发动机室、机舱控制室、船舶动力系统等。
通过船舶机舱自动化系统,可以实现对船舶机舱内各种设备、仪表、管道等的监控、控制和管理,提高船舶的安全性、可靠性和运行效率。
一、船舶机舱自动化系统的基本组成船舶机舱自动化系统主要由以下几个方面的组成部份构成:1. 传感器和执行器:用于感知船舶机舱内各种参数和状态,并将其转化为电信号或者控制信号,如温度传感器、压力传感器、流量传感器等。
2. 控制器:负责接收传感器的信号,并根据预设的控制策略进行处理和分析,生成相应的控制信号,如PLC(可编程逻辑控制器)等。
3. 执行机构:根据控制器的指令,对机舱内的设备和系统进行控制和调节,如电动阀门、电动泵等。
4. 监控系统:用于实时监测和显示船舶机舱内各种参数和状态,如温度监控、压力监控、液位监控等。
5. 数据采集与处理系统:负责采集、存储和处理船舶机舱内各种数据,如历史数据、故障数据等。
6. 通信网络:用于传输和共享船舶机舱自动化系统中的数据和信息,如以太网、无线通信等。
二、船舶机舱自动化系统的功能和优势船舶机舱自动化系统具有以下几个主要功能和优势:1. 监测和控制功能:船舶机舱自动化系统可以实时监测和控制船舶机舱内各种参数和状态,如温度、压力、液位等,确保机舱内设备和系统的正常运行。
2. 故障诊断和预警功能:船舶机舱自动化系统可以通过对机舱内各种设备和系统的数据进行分析和处理,实现故障的诊断和预警,及时采取措施避免故障的发生。
3. 节能和环保功能:船舶机舱自动化系统可以对船舶机舱内的设备和系统进行精确的控制和调节,实现能源的有效利用和减少排放,达到节能和环保的目的。
4. 远程监控和管理功能:船舶机舱自动化系统可以通过网络实现对船舶机舱内设备和系统的远程监控和管理,方便船舶管理者实时了解船舶的运行状况,及时采取措施进行调整和处理。
《船舶电气设备及系统》试题及答案(总共800题)第一章、磁路1 — 1、磁势的单位是 :A、伏特B、安培C、欧姆D、韦伯1 — 2、正常工作时,若增加铁磁材料的励磁电流,其磁导率通常。
A、减小B、不变C、增大较多D、增大不多1 — 3、永久磁铁是利用铁磁材料的特性制造的。
A、高导磁B、磁饱和C、磁滞D、剩磁1 — 4、和可以使铁磁材料的剩磁消失。
A、高温;振动B、高温;压力C、低温;振动 D、低温;压力1 - 5、材料的磁滞回线形状近似为矩形.A、软磁B、硬磁C、矩磁D、非铁磁1 — 6、带铁心的线圈在交流电路中,铁芯对线圈的性能影响为:使线圈增大.A、电路的电阻B、电路的感抗C、电路的功率D、磁路的磁阻1 - 7、铁磁材料的磁阻与磁路的长度成比,截面成比。
A、正;反B、正;正C、反;反D、反;正1 — 8、磁通在国际单位制SI中的单位为: 。
A、WbB、MX C、A/m D、H/m1 - 9、磁通密度在国际单位制SI中的单位为: .A、WbB、GS C、T D、H/m1 — 10、磁感应强度即为。
A、磁通B、磁场强度C、磁通密度D、磁导率1 - 11、铁磁材料的磁导率μ与真空的磁导率μ0关系。
A、μ<<μ0B、μ=μ0C、μ>〉μ0D、μ〈μ01 — 12、经过相同的磁化后又将磁场去除时,软磁、硬磁、矩磁材料三者的剩磁大小关系为。
A、软〉矩〉硬B、矩〉硬〉软C、硬>软〉矩D、软=硬=矩1 — 13、单相电磁铁中,在铁芯端部装一短路环的目的。
A、增加强度B、增加吸力C、消除振动D、消除剩磁1 — 14、交流电器的铁心通常采用硅钢片迭压而成,其目的是。
A、减小涡流损耗B、减小磁滞损耗C、增大剩磁 D、增大磁通量1 — 15、由于磁材料的损耗较小,交流电机、电器常用其作为铁心制作材料.A、软;磁滞B、软;涡流C、硬;磁滞D、硬;涡流1 — 16、各种交流电机、电器通常在线圈中放有铁心,这是基于铁磁材料的特性.A、磁饱和B、良导电C、高导磁D、磁滞1 - 17、铁心线圈通以交流电后,铁心会发热,这是由于引起的热效应。
D【1】当模拟信号需要传输较远距离时,一般采用______做标准信号。
A.交流电压信号B.交流电流信号C.直流电压信号D.直流电流信号B【2】大型船舶中央空调取暖工况需要进行加湿,其最常用的方式是__考____。
A.喷水加湿B.喷蒸汽加湿C.电热加湿D.超声波加湿D【3】某压力测量装置的量程为0~2MPa,它的最大绝对误差是0.04MPa,则该测量装置的精度为______。
A.0.2级B.0.5级C.1.0级D.2.0级D【4】K-CHIEF 500对模拟信号报警检测,不包括______。
A.仪器故障检测B.报警延时C.死区返回D.仪器故障自动修复C【5】对于主机遥控系统的增压空气限制环节,正确的认识是______。
A.随着转速的增加,增压空气限制环节的限制值也增加B.随着增压空气压力的增加,主机的供油量增加C.随着增压空气压力的增加,允许的供油量限制值增加D.随着增压空气压力的增加,允许的供油量限制值减小C【6】在Auto Chief C20型主机遥控系统中,系统参数设定功能应在__考___考_上进行。
A.指示面板单元B.电子调速器单元C.AutoChief控制面板ACPD.分布式处理单元DPUA【7】在Auto Chief C20主机遥控系统中,若诊断结果显示只是DPU模块中个别通道出现故障,应首先考虑的处理方法是______。
A.启用同一模块的空闲通道 B.更换DPU模块 C.检修损坏的通道 D.更换损坏的通道A【8】在主机遥控的安全保护系统中,不可能取消的故障自动停车保护项目是______。
A.主机滑油低压B.气缸冷却水压力低C.曲柄箱油雾浓度高D.锅炉蒸汽压力高C【9】 AUTOCHIEF-Ⅳ型主机遥控系统的硬件结构包括_____。
①车钟;②驾驶室和集控室控制单元;③数字式电子调速器;④安全保护装置;⑤主机工况监视装置;⑥曲轴箱油雾浓度监视装置 A.①②③⑤ B.②③④⑤ C.①②③④D.②③④⑥D【10】 S型分油机分离筒的排渣,是靠活动排渣底盘下部的工作水形成的压力使活动排渣底盘______来控制排渣。
A.上下运动B.上下滑动C.开启0.1秒D.外边缘上下变形A【11】在主机遥控系统中,负荷限制包括______。
A.最大油量限制B.最低稳定转速限制C.轮机长最大转速限制D.临界转速自动回避C【12】为确保网络型监视与报警系统的安全可靠,往往采用______。
A.两套报警监视系统,互为备用B.两套传感器,互为备用C.两套网络总线,互为备用D.一套网络型,一套微机控制B【13】下列需要采用相敏整流电路的测速装置是______。
A.直流测速发电机B.交流测速发电机C.磁脉冲测速传感器D.交流测速发电机和磁脉冲测速传感器C【14】在AUTO CHIEF-Ⅳ型主机遥控系统中,驾驶台遥控主机时,主机转速失控,其故障原因不可能是______。
A.磁脉冲测速传感器故障B.转速检测接口电路板故障C.启动电磁阀故障D.车钟指令发讯器故障D【15】当涡流式传感器与被测导体靠近时,传感器的等效电阻Z将发生变化。
回路中的阻抗Z与被测物体材料的______等参数相关。
①电阻率②电磁率q③激磁频率f④传感器与被测导体距离x⑤通导率v⑥导磁率 A.②③⑤⑥ B.②④⑤⑥ C.①②③⑤ D.①③④⑥C【16】在电子调速器中,在正常海况时通常是采用__考____。
A.比例积分微分控制作用B.比例微分控制作用C.比例积分控制作用D.比例控制作用C【17】在AUTOCHIEF-Ⅳ型主机遥控系统的集控室单元的面板上,进行模拟试验时可以查出的故障包括______。
①CPU程序错误;②数据溢出错误;③微处理器故障;④EEPROM存储器芯片损坏;⑤系统传输出错;⑥奇偶校验错误A.①③④⑤B.①②④⑤C.②③④⑥D.②③⑤⑥A【18】下列选项中,__考____不是主机换向的逻辑条件。
A.车令与转向不符B.车令与凸轮轴位置不符C.主机转速低于换向转速D.主机已停油B【19】在船舶伙食冷库制冷机装置中,在因油压差低于设定值使压缩机停车后,若要再次启动压缩机的方法是___考___。
A.先按动启动按钮,再按复位按钮 B.先按动复位按钮,再按启动按钮C.待双金属片冷却后会自动复位启动D.待双金属片冷却后,手动启动即可B 【20】对于EPC-50控制单元控制的S型分油机自动控制系统,若出计算机通信板故障,通常的处理方法是______。
A.立即停止使用 B.重新复位起动 C.检查连接或更换电路板 D.检查电源和电路A【21】与采用单台计算机作为上位机的集中监视型系统相比较,网络型监视与报警系统的突出特点是______。
A.易于实现数据共享B.具有延伸报警C.能够实现无人机舱D.易于分组显示设备参数D 【22】船舶在航行中若出现主机安全保护故障减速后,能够恢复正常控制状态的条件和方法是______。
A.按故障确认按钮,再按下集控室或驾驶台上的复位按钮(RESET),待故障现象解除后即可恢复正常控制状态B.待故障现象解除后,按故障确认按钮,再按下集控室或驾驶台上的复位按钮(RESET)C.待故障现象解除后,按下集控室或驾驶台上的复位按钮(RESET)D.按故障确认按钮,待故障现象解除后,按下集控室或驾驶台上的复位按钮(RESET)A【23】 Modbus数据传输模式ASCII方式的主要优点是______。
A.允许两个字符在没有错误发生的情况下有最多1s的时间间隔B.数据传输的高密度C.标准Modbus口使用与RS485兼容的串行接口D.采用并行方式进行数据传输D【24】在AUTOCHIEF-Ⅳ型主机遥控系统中,主机在运行时当驾驶室车钟快速从正车最大转速推到倒车最大转速位置,则遥控系统进行的逻辑控制程序为______。
A.换向→停油→强制制动→倒车起动B.强制制动→停油→换向→倒车起动C.换向→能耗制动→强制制动→倒车起动D.停油→换向→强制制动→倒车起动D【25】在PLC控制的全自动锅炉燃烧控制系统中,报警器控制线圈有电的条件包括___考___。
A.水位下降到低水位B.蒸汽压力过低C.过低负荷停炉D.水位下降到危险低水位B【26】对于电动加速速率限制环节,在主机减速过程中,减速速率由______决定。
A.车令手柄的推移速度B.电容放电速度C.电容充电速度D.车令手柄的位置C【27】船舶中央空调的制冷工况时,不适宜采用双位控制的方式是______。
A.直接蒸发式空冷器控制回风温度B.间接蒸发式空冷器控制回风温度C.间接蒸发式空冷器控制送风温度D.间接蒸发式空冷器控制典型舱室温度B【28】主机正常运行过程中,AC-4主机遥控系统集控室控制面板上模拟图中的“START SETPOINT”和“STOP.SV”指示灯_____。
A.灭/亮 B.灭/灭 C.亮/灭 D.亮/亮B【29】在锅炉燃烧器中,__考____的作用是使助燃空气与油雾充分混合,以利于稳定燃烧。
A.喷油器B.配风器C.电点火器D.风机B【30】热敏电阻有很多的良好特性,下列中不正确的是:A.热惯性好B.线性度好C.灵敏度高D.稳定性好D【31】火灾报警系统主要组成为______两大部分。
A.火灾报警喇叭和指示灯B.火灾报警喇叭和火灾探测器C.火灾报警中央装置和报警指示灯 D.火灾报警中央装置和火灾探测器A【32】在AUTOCHIEF-Ⅳ型主机遥控系统中,驾驶台车钟各档级转速的修改只能在______进行。
A.驾驶台AC-4单元操作面板上B.集控室AC-4单元操作面板上C.DGS8800e单元操作面板上D.SSU8810单元操作面板上B【33】在主机遥控系统中,主机慢转起动的主要原因是__考____。
A.滑油压力过低B.停车时间过长C.起动空气压力过低D.有应急操纵指令A【34】为保证制冷的效果,必须及时去除蒸发器表面的结霜或冰。
在船舶冷库中,目前最常见的除霜方法是______。
A.电热除霜 B.淋水除霜 C.热气除霜 D.超声波除霜B【35】船舶中央空调中,在降温工况时流经冷却器的空气通常冷却到______。
A.10℃左右B.16℃左右C.24℃左右D.27℃左右B【36】根据自动控制系统的分析方法,将EPC-50分油机控制系统分为三个部分,下列不属于主要组成部分的是______。
A.输入信号装置B.水分传感器C.EPC-50控制器D.输出信号装置A 【37】在主机遥控系统中,若出现车钟从“SLOW”位置减小到“D.S.”位置时主机无法实现减速,则可能的原因是______。
A.最低稳定转速的限制值偏大B.增压空气压力限制环节的起始油量偏大C.临界转速的下限值偏大D.主机减速速率太小C【38】燃油供油单元FCM中的燃油粘度控制系统中的EVT-20C粘度传感器有两套压电元件,对其作用描述正确的是______。
A.两套均用来检测振动信号,通过相位差计算黏度B.两套均用来检测振动信号,互为备用C.一套用来驱动钟摆旋转振动,另一套用来检测振动信号D.两套均用来驱动钟摆旋转振动C【39】有两台PID调节器R1和R2,其参数整定为PB1<PB2,Ti1<Ti2,Td1<Td2,这表示______。
A.R1的比例、积分、微分作用都比R2强B.R1的比例、积分、微分作用都比R2弱C.R1的比例、积分作用比R2弱,微分作用比R2强D.R1的比例、积分作用比R2强,微分作用比R2弱B【40】有关燃油辅锅炉控制系统PLC的检修叙述中,不正确的是______。
A.先查看CPU模块上的电源及运行指示LED,以判断其工作状态是否正常B.由于PLC是针对工控设计的,使用中无需再采取其它的接地、防电磁干扰等措施C.先检查控制信号关系,再检查输出继电器及外接控制部件D.更换模块时,须型号相同,且拨动开关、跳线和电位器等设置一致时,方可更换使用C【41】在主机遥控系统中,程序负荷是指______。
A.主机从起动成功到30%额定转速的加速过程B.主机从起动成功到70%额定转速的加速过程C.主机从70%到100%额定转速的加速过程D.主机从30%到70%额定转速的加速过程C【42】在PLC控制的全自动锅炉燃烧时序控制系统中,预扫风结束后的动作是______。
A.开大风门B.向炉内喷油和点火C.预点火D.点火A【43】制冷压缩机能量调节实际上是根据______的变化情况来调整制冷压缩机的能量,使之与外界热负荷匹配。
A.吸气压力 B.排气压力 C.工作压力 D.蒸发压力D【44】当光照强度小时,光敏电阻的阻值______,光电池产生的电流______。
A.增大、增大B.减小、减小C.减小、增大D.增大、减小A【45】在船舶空调装置中采用的电阻式湿度传感器的特点是______。