供应商供货范围清单-模板
- 格式:xls
- 大小:75.50 KB
- 文档页数:18
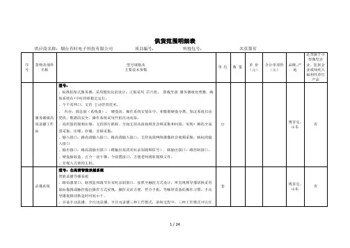
供货范围明细表供应商名称:烟台有时电子科技有限公司项目编号:所投包号:共页第页序号货物及部件名称型号规格及主要技术参数单位数量单价(元)合计单项价(元)品牌、产地是否属于小型微型企业、监狱企业或残疾人福利性单位产品服务器级高清录播工作站型号:、标准机架式服务器,采用模块化的设计;主板采用芯片组,搭载至强服务器级处理器,确保系统在*小时持续稳定运行;、个千兆网口,支持主动管理技术。
、内存;固态盘(系统盘),硬盘块。
操作系统安装在中,和数据硬盘分离,保证系统启动更快、数据的安全,操作系统采用开机自动还原。
、高质量的视频压缩,支持图片抓取,全面支持高清视频及音频采集和回放,实现* 帧的全高清采集、压缩、存储,音频采集;、输入接口:路高清输入接口、路高清输入接口,支持高清网络摄像机音视频采集,路标清输入接口、输出接口:路高清输出接口(路输出高清实时录制视频信号),路输出接口;路控制接口。
、硬盘抽取盒、五合一读卡器、个前置接口,方便老师拷取视频文件。
、非嵌入式架构主机。
台博菲克、山东否录播系统型号:全高清智能录播系统智能录播导播系统、路信源窗口,路预监和路节目实时录制窗口,按照全触控方式设计,所有视频导播切换采用鼠标拖拽或触控拖拉操作方式实现,操控灵活方便,符合手机、等触屏设备的操作习惯,手动导播视频切换延时时间小于。
、具备手动录播、全自动录播、半自动录播三种工作模式,录制过程中,三种工作模式可以任套博菲克、山东否1 / 24意切换,在全自动录播工作状态下,可以随时进行手动干预。
、具备三种学生身高选择功能,具备四种教师景别选择功能。
、有(硬切)、(软切)功能,具备一路转场特效推拉操纵杆;支持种特技切换,录像模式支持:、电影模式、电影资源模式、三分屏、四分屏模式,自动录制生成适合网络播放模式的视频文件。
、录制前填写授课信息模板,自动生成片头、片尾图片,授课信息同时自动上传到视讯平台,直播时自动关联上述的授课信息,无需另外填写。
供货清单合同范本1. 合同双方本合同由以下双方订立:供方 (以下简称为“供方”):•公司名称:[供方公司名称]•地址:[供方公司地址]•联系人:[供方联系人]•电话:[供方联系电话]•电子邮箱:[供方电子邮箱]需方 (以下简称为“需方”):•公司名称:[需方公司名称]•地址:[需方公司地址]•联系人:[需方联系人]•电话:[需方联系电话]•电子邮箱:[需方电子邮箱]2. 供货清单供方同意根据需方的要求,向需方供应以下货品(以下简称为“供货清单”):•商品1:[商品1名称],数量:[商品1数量],单价:[商品1单价]•商品2:[商品2名称],数量:[商品2数量],单价:[商品2单价]•…•商品n:[商品n名称],数量:[商品n数量],单价:[商品n单价]3. 供货条款3.1 交付日期需方要求的供货期限为合同签署之日起 [需方指定天数] 天内交付。
3.2 交付方式供方应按照需方的要求,以 [交付方式] 的方式将货物交付至需方指定的地址。
3.3 检验与验收需方有权对供方提供的货物进行检验和验收。
如需方发现货物存在任何质量问题或数量不符,需方有权要求供方进行相应的处理或补发。
4. 付款条款4.1 付款方式需方应按照以下方式向供方支付货款:•预付款:需方应在合同签署之日起 [预付款期限] 天内支付 [预付款金额] 的预付款。
•尾款:需方应在货物交付完毕后 [尾款期限] 天内支付剩余的尾款。
4.2 发票供方应在每次交付货物后,向需方提供相应的发票。
5. 合同生效与终止5.1 合同生效本合同自双方盖章之日起生效,有效期为[合同有效期] 。
5.2 合同终止本合同有效期届满后,如无特殊情况,自动终止。
如需方或供方违反合同规定,另一方有权解除合同。
6. 法律适用与争议解决本合同适用中华人民共和国的法律。
双方如发生任何争议,应通过友好协商解决;协商不成的,应提交至供方所在地的人民法院进行解决。
7. 其他条款7.1 本合同一式两份,供方和需方各持一份,具有同等效力。
供货范围明细表
供应商名称:广东龙江鸿基座椅有限公司项目编号:0627-YC16142 共 11 页第 1 页
供货范围明细表
供应商名称:广东龙江鸿基座椅有限公司项目编号:0627-YC16142
共 11 页第 2 页
供货范围明细表
供应商名称:广东龙江鸿基座椅有限公司项目编号:0627-YC16142 共 11 页第 3 页
供货范围明细表
供应商名称:广东龙江鸿基座椅有限公司项目编号:0627-YC16142 共 11 页第 4 页
供货范围明细表
供应商名称:广东龙江鸿基座椅有限公司项目编号:0627-YC16142 共 11 页第 5 页
供货范围明细表
供应商名称:广东龙江鸿基座椅有限公司项目编号:0627-YC16142 共 11 页第 6 页
供货范围明细表
供应商名称:广东龙江鸿基座椅有限公司项目编号:0627-YC16142 共 11 页第 7 页
供货范围明细表
供应商名称:广东龙江鸿基座椅有限公司项目编号:0627-YC16142 共 11 页第 8 页
供货范围明细表
供应商名称:广东龙江鸿基座椅有限公司项目编号:0627-YC16142 共 11 页第 9 页
供货范围明细表
供应商名称:广东龙江鸿基座椅有限公司项目编号:0627-YC16142 共 11 页第 10 页
供货范围明细表
供应商名称:广东龙江鸿基座椅有限公司项目编号:0627-YC16142 共 11 页第 11页
最终报价为:人民币19.28万元。
(二)★供货范围1、供货范围
2、供货清单
(三)主要技术要求
注意事项:
1、招标人提供的清单中材料所涉及品牌或型号(如有),仅供投标人参考。
投标人在投标时可以选用其它品牌,但所选用的品牌产品要在实质上相当于或不低于参照品牌技术性能的要求,并且满足招标项目要求。
2、提供相同品牌产品且通过资格审查、符合性审查的不同投标人参加同一合同项下投标的,按一家投标人计算,评审后得分最高的同品牌投标人获得中标人推荐资格;评审得分相同的,以投标报价最低的获得中标人推荐资格。
3、非单一产品采购项目,采购人应当根据采购项目技术构成、产品价格比重等合理确定核心产品,并在招标文件中载明。
多家投标人提供的核心产品品牌相同的,按第2条款规定处理。
供货范围明细表项目名称:龙口市新民学校铝合金门窗采购及安装项目
投标人授权代表签字或盖章:日期:2018年12月 10 日
投标人单位全称(盖章):
注:(1)随机备品附件、易损件、专用工具明细也填于上表(需专门标识注明)。
(2)如有其它费用请单独列明。
(3)合计总价应与报价一览表总报价一致。
(4)本表未填写或不按规定填写或填写的前后不一致,评审时不予承认。
(5)如所投货物为小型、微型企业产品,须在上表中全部体现,且须汇总全部小型、微型企业产品价格。
(6)投标人对填写生产制造商的企业类型及小型、微型企业合计总价金额负责。
如有虚假,将依法承担相应责任。
供货范围(货物清单)
主要技术要求
除主要设备外,清单中各类设备安装及配套所需的配件与辅材数量为参考数据,应以实地考察后得到的实际数据投标,招标完成后采购方不因固有工程量增加而承担任何费用,费用将以中标价结算,请投标人充分考虑风险性。
建议投标人到用户单位进行现场勘察,以明确施工场地情况并准确了解相关工程量等。
注:注意事项:
1、招标人提供的清单中材料所涉及品牌或型号(如有),仅供投标人参考。
投标人在投标时可以选用其它品牌,但所选用的品牌产品要在实质上相当于或不低于参照品牌技术性能的要求,并且使采购人满意。
2、提供相同品牌产品且通过资格审查、符合性审查的不同投标人参加同一合同项下投标的,按一家投标人计算,评审后得分最高的同品牌投标人获得中标人推荐资格;评审得分相同的,以投标报价最低的获得中标人推荐资格。
3、非单一产品采购项目,采购人应当根据采购项目技术构成、产品价格比重等合理确定核心产品,并在招标文件中载明。
多家投标人提供的核心产品品牌相同的,按第2条款规定处理。
四、供货范围明细表(第一包)供应商名称:烟台东方纵横科技股份有限公司
项目编号:烟政采[齐信]货物 2016011-5 号
授权代表签字:
日期:2016年7月8日
注:
1、随机备品附件、易损件、专用工具明细也填于上表(需专门标识注明);
2、如有其它费用请单独列明。
3、合计总价应与开标(报价)一览表总报价一致。
五、供货范围明细表(第二包)
供应商名称:烟台东方纵横科技股份有限公司
项目编号:烟政采[齐信]货物 2016011-5 号
授权代表签字:
日期:2016年7月8日
注:
1、随机备品附件、易损件、专用工具明细也填于上表(需专门标识注明);
2、如有其它费用请单独列明。
3、合计总价应与开标(报价)一览表总报价一致
2、供货范围明细表(第五包)
招标项目名称:会计系实训室、建工系软件及测量仪器、艺术系电钢琴等采购招标编号:烟政采[齐信]货物2016011-5号
供应商授权代表签字:烟台海天测绘自动化有限责任公司
日期:2016年7月6日
注:
1、随机备品附件、易损件、专用工具明细也填于上表(需专门标识注明);
2、如有其它费用请单独列明。
3、合计总价应与开标(报价)一览表总报价一致。
供货范围明细表(第六包)
供应商名称:烟台雅歌文化有限责任公司
项目编号::烟政采[齐信]货物2016011-5 号共2页第1 页
供应商授权代表签字:日期:2016年7月7日。
标书供货范围模板【正文】一、供货范围概述本标书旨在阐述供应商将为对方承担的供货范围。
供货范围是指供应商所提供的产品或服务的具体数量、规格、质量标准以及交付日期等相关要求。
本模板旨在提供一个供货范围的参考,供供应商参照填写。
二、供货产品/服务清单1. 产品A- 品名:xxx- 规格:xxx- 数量:xxx- 质量标准:xxx- 交付日期:xxx2. 产品B- 品名:xxx- 规格:xxx- 数量:xxx- 交付日期:xxx3. 产品C- 品名:xxx- 规格:xxx- 数量:xxx- 质量标准:xxx- 交付日期:xxx三、质量保证措施供应商将采取以下措施确保供货产品/服务的质量和可靠性:1. 严格按照国家相关质量标准进行生产/提供服务;2. 对所供货物进行全面检测,确保符合质量标准;3. 提供质量保证期,在此期间内对产品/服务进行维修或替换。
四、交付方式供货商将根据双方协商的交付日期和地点,采取以下交付方式:1. 快递邮寄- 快递公司:xxx- 交货地点:xxx2. 上门交付- 交货时间:xxx- 交货地点:xxx3. 其他(根据具体协商情况填写)五、付款方式供应商接受以下付款方式:1. 预付款:供应商在交货前要求收到采购方支付的款项;2. 分期付款:根据双方商定的付款比例和时间节点进行付款;3. 货到付款:采购方在收到货物后支付全部款项;4. 其他(根据具体协商情况填写)。
六、违约责任1. 供应商违约责任:若供应商未按照合同约定的时间和质量标准供货,应承担相应的违约责任,包括但不限于赔偿采购方的损失、承担违约金等;2. 采购方违约责任:若采购方未按照合同约定的时间和方式支付款项,应承担相应的违约责任,包括但不限于支付滞纳金、赔偿供应商的损失等。
七、其他条款根据具体合同约定,在此处填写其他重要条款或补充说明。
【正文结束】以上是一个标书供货范围模板的示例,供您参考。
在实际使用时,请根据具体的合同要求和双方协商结果进行相应的修改和填写,以确保合同的准确性和完整性。
供货清单模板一、供货商信息。
供货商名称:联系人:联系电话:邮箱:地址:二、货物信息。
1. 货物名称:2. 规格型号:3. 单位:4. 数量:5. 单价:6. 总价:三、交货信息。
1. 交货时间:2. 交货地点:3. 运输方式:4. 运费负担:四、付款方式。
1. 付款方式:2. 付款时间:3. 开户行:4. 账号:五、质量要求。
1. 质量标准:2. 质量检验方式:六、售后服务。
1. 售后服务内容:2. 售后服务期限:七、其他条款。
1. 其他约定事项:八、签署。
供货商(盖章):日期:采购方(盖章):日期:以上是供货清单的模板,供货清单是供货商和采购方之间的重要文件,它记录了货物的详细信息、交货条件、付款方式、质量要求等重要内容。
在填写供货清单时,需要仔细核对每一项信息,确保准确无误。
首先,供货清单中需要填写供货商的基本信息,包括供货商名称、联系人、联系电话、邮箱和地址。
这些信息对于双方的联系沟通非常重要,应当尽可能准确完整。
其次,货物信息是供货清单的核心内容,需要填写货物的名称、规格型号、单位、数量、单价和总价。
这些信息对于双方的交易非常重要,应当准确清晰地填写。
交货信息也是供货清单中不可或缺的部分,需要填写交货时间、交货地点、运输方式和运费负担等内容。
这些信息对于双方的交货安排非常重要,应当合理明确地填写。
付款方式是供货清单中另一个重要的部分,需要填写付款方式、付款时间、开户行和账号等内容。
这些信息对于双方的资金流动非常重要,应当准确规范地填写。
质量要求是供货清单中必不可少的部分,需要填写质量标准和质量检验方式等内容。
这些信息对于双方的质量控制非常重要,应当明确详细地填写。
最后,售后服务和其他条款也是供货清单中需要注意的部分,需要填写售后服务内容、售后服务期限和其他约定事项等内容。
这些信息对于双方的合作关系非常重要,应当细致周到地填写。
在签署部分,供货商和采购方需要在指定的地方盖章并填写日期,表示双方对供货清单的认可和接受。
三、供货范围明细表供应商名称:青州克拉克环境装备投资有限公司项目编号:烟龙政采[环宇]货物2016-050号共3页第1页序号货物及部件名称型号规格及主要技术参数单位数量单价(元)合计单项价(元)生产厂、品牌、产地1花木兰街与东市场街交叉路口东南角处移动式公厕型号:KLK3+1+1;我公司此环保公厕由微电脑控制系统、厕间换气系统、人体感应照明系统、多组联控红外传感系统、电子恒温防冻系统、除臭系统。
等部分组成。
公厕外形尺寸长度为6400mm,厕位宽度为2600mm,高度为3300mm,最大宽度3900mm厕所共有3个厕位(不分性别),1个管理间、1个工具间。
单厕位内径宽度1230mm,长度2000mm,高度(地面距吊顶高度不少于)2200mm。
每个厕位内设置洗手盆一个;管理间面积5.2㎡。
座1182000182000青州克拉克环境装备投资有限公司、克拉克牌、山东青州2备品备件水封功能的前冲式陶瓷蹲便器标配个1780免费赠送佛山东鹏洁具股份有限公司.东鹏、广东3远红外感应自动冲水阀门标配个11800免费赠送东陶(大连)有限公司、TOTO、大连4感应水龙头标配个11200免费赠送东陶(上海)有限公司、TOTO、上海5陶瓷洗手盆标配个1230免费赠送青州克拉克环境装备投资有限公司、克拉克牌、山东青州6挂式钛晶电热板标配个1890免费赠送7智能控制换气扇标配个1280免费赠送8洗手液机标配个1260免费赠送9陶瓷拖布池标配个1190免费赠送10易损件烘手机标配个1320免费赠送青州克拉克环境装备投资有限公司、克拉克牌、山东青州11人体感应照明开关标配个1150免费赠送12照明灯标配个1105免费赠送13化妆镜标配个190免费赠送14挂衣钩标配个110免费赠送15垃圾桶标配个135免费赠送16抽纸盒标配个125免费赠送17标志牌标配个180免费赠送18门锁标配个1220免费赠送19清扫拖把标配个165免费赠送20加热带标配项1195免费赠送21风扇罩标配个1160免费赠送22专用工具“+”螺丝刀标配个125免费赠送青州克拉克环境装备投资有限公司、克拉克牌、山东青州23“-”螺丝刀标配个125免费赠送24钳子标配个135免费赠送25呆手板标配个140免费赠送合计总价(元)182000供应商授权代表签字:日期:2016年10月30日。