件测试实验指导书
- 格式:doc
- 大小:374.50 KB
- 文档页数:5
建筑结构试验09级实验指导书说明一、试验报告必须用墨水笔工整书写,原始记录不得涂改,每个学生必须按时独立完成试验报告,(包括预习思考题及试验作业题)。
二、严格遵守实验室规则:1.做好试验课前的预习。
2不得动用与本次实验无关的仪器设备。
3试验完毕,清理整理所用仪器设备及环境卫生,填好实验使用登记本,并交给任课老师后方可离开实验室。
4如有仪器设备损坏,按学校有关规定处理。
三、实验指导书所列试验方法均以现行国标和规范为依据。
编者:陈高2012年5月目录实验一等强度梁实验 (1)一、实验目的: (1)二、实验原理 (1)三、实验步骤 (2)四、实验记录 (3)实验二纯弯梁实验 (4)一、实验目的 (4)二、实验原理 (4)三、实验步骤 (5)四、实验结果 (6)五、实验记录表格 (7)实验三同心拉杆实验 (8)一、实验目的 (8)二、实验原理 (8)三、实验步骤 (9)四、实验记录表格 (9)实验四:偏心拉杆实验 (10)一、实验目的 (10)二、实验原理 (10)三、实验步骤 (12)四、实验结果处理 (12)实验五典型桁架结构静载实验 (14)一、实验目的 (14)二、实验原理 (14)三、实验操作步骤简介 (15)四、实验记录 (16)实验六混凝土无损检测实验 (18)一、实验目的 (18)二、实验仪器 (18)三、试验方法及步骤 (18)四、实验报告 (18)五、思考题 (18)实验一 等强度梁实验一、实验目的:1、学习应用应变片组桥,检测应力的方法2、验证变截面等强度实验3、掌握用等强度梁标定灵敏度的方法4、学习静态电阻应变仪的使用方法 二、实验原理1、电阻应变测量原理电阻应变测试方法是用电阻应变片测定构件的表面应变,再根据应变—应力关系(即电阻-应变效应)确定构件表面应力状态的一种实验应力分析方法。
这种方法是以粘贴在被测构件表面上的电阻应变片作为传感元件,当构件变形时,电阻应变片的电阻值将发生相应的变化,利用电阻应变仪将此电阻值的变化测定出来,并换算成应变值或输出与此应变值成正比的电压(或电流)信号,由记录仪记录下来,就可得到所测定的应变或应力。
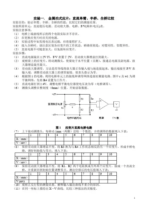
实验一. 金属泊式应片:直流单臂、半桥、全桥比较实验目的:验证单臂、半桥、全桥的性能,比较它们的测量结果。
实验所需单元:直流稳压电源、差动放大器、电桥、F/V(频率/电压)表。
实验注意事项:(1)电桥上端虚线所示的四个电阻实际并不存在。
(2)在更换应变片时应关闭电源。
(3)实验过程中如发现电压表过载,应将量程扩大。
(4)接入全桥时,请注意区别各应变片的工作状态,桥路原则是:对臂同性,邻臂异性。
(5)直流电源不可随意加大,以免损坏应变片。
实验步骤:(1)直流电源旋在±2V档。
F/V表置于2V,差动放大器增益打到最大。
(2)观察梁上的应变片,转动测微头,使梁处于水平位置(目测),接通总电源及副电源。
放大器增益旋至最大。
(3)差动放大器调零,方法是用导线将放大器正负输入端与地连接起来,输出端接至F/V表输入端,调整差动放大器上的调零旋钮,使表头指示为零。
(4)根据图1的电路,利用电桥单元上的接线和调零网络连接好测量电路。
图中r及w1为调平衡网络,先将R4设置为工作片。
(5)直流电源打到±4V,调整电桥平衡电位器使电压表为零(电桥调零)。
(6)测微头调整在整刻度(0mm)位置,开始读取数据。
图1 应变片直流电桥电路(11)在同一坐标上描绘出X—V曲线,比较三种接法的灵敏度。
思考题1.根据X—V曲线,计算三种接法的灵敏度K=∆V/∆X,说明灵敏度与哪些因素有关?2.根据X—V曲线,描述应变片的线性度好坏。
3.如果相对应变片的电阻相差很大会造成什么结果,应采取怎样的措施和方法?4.如果连接全桥时应变片的方向接反会是什么结果,为什么?霍尔式传感器霍尔元件的结构中,矩型薄片状的立方体称为基片,在它的两侧各装有一对电极。
一个电极用以加激励电压或激励电流,故称为激励电极。
另一个电极作为霍尔电势的输出,故称霍尔电极。
在实际应用中,当磁场强度H(或磁感应强度B)和激励电流I中的一个量为常量,而另一个作为输入时,则输出霍尔电势Uh(或B)或I。
实验指导书实验名称:实验二图示仪检测MOS管参数学时安排:4学时实验类别:验证性实验要求:必做 ̄ ̄ ̄ ̄ ̄ ̄ ̄ ̄ ̄ ̄ ̄ ̄ ̄ ̄ ̄ ̄ ̄ ̄ ̄ ̄ ̄ ̄ ̄ ̄ ̄ ̄ ̄ ̄ ̄ ̄ ̄ ̄ ̄ ̄一、实验目的和任务1、用图示仪检测MOS直流参数;2、学习并掌握该仪器的基本测试原理和使用方法,并巩固及加深对晶体管原理课程的理解。
二、实验原理介绍同实验五三、实验设备介绍晶体管直流参数是衡量晶体管质量优劣的重要性能指标。
在晶体管生产中和晶体管使用前,须对其直流参数进行测试。
XJ4822晶体管图示仪是一类专门用于晶体管直流参数测量的仪器。
用该仪器可在示波管屏幕上直接观察各种直流特性曲线,通过曲线在标尺刻度的位置可以直接读出各项直流参数。
用它可测试晶体管的输出特性、输入特性、转移特性和电流放大特性等;也可以测定各种极限、过负荷特性。
四、实验内容和步骤1、测试场效应管2SK30、IRF830的直流参数。
准备工作:在仪器未通电前,把“辉度”旋至中等位置,“峰值电压”范围旋至0-10伏档,“功耗限制电阻”调到1K档,“峰值电压” 调到0位,“X轴作用”置集电极电压1伏/度档,“Y轴作用”置集电极电流1毫安/度档。
接通电源预热10分钟。
调节“辉度”和“聚焦”使显示的图像清晰。
晶体管特性图示仪是为普通的NPN、PNP晶体管的特性图示分析而设计的,要用它来检测场效应管,就必须找出场效应管和普通晶体管之间的相似点和不同处。
场效应管的源极( S )、栅极( G )和漏极( D )分别相当于普通晶体管的发射极( E )、基极( B )、和集电极( C )。
普通晶体管是电流控制元件,而场效应管则是电压控制元件。
1)场效应管2SK30是N-MOS器件,它的管脚分布如图6.1所示。
图6.1 2SK30管脚分布图按照管脚的分布插好管脚后,把“Y轴作用”调到0.2mA/div,“X轴作用”调到1V/div,扫描电压极性为“+”,“功耗限制电阻”调为250Ω,“峰值电压”范围为60% ,“阶梯档级”调到0.1V/div,“阶梯极性”为“-”,“级/簇”置为10。
拉力试验作业指导书标题:拉力试验作业指导书引言概述:拉力试验是一种常用的材料力学性能测试方法,用于评估材料的抗拉强度、抗压强度等关键力学性能。
本文旨在为进行拉力试验的操作人员提供一份详细的作业指导书,匡助他们准确、规范地进行拉力试验。
一、试验前准备1.1 确认试验标准:在进行拉力试验之前,首先要确认所使用的试验标准,以确保试验过程符合相关规范。
1.2 校准设备:检查拉力试验机、传感器等设备的校准情况,确保设备能够准确、稳定地进行试验。
1.3 准备试验样品:根据试验标准要求,选择合适的试验样品,并进行必要的处理,如切割、磨光等。
二、试验操作步骤2.1 设置试验参数:根据试验标准要求,设置拉力试验机的参数,包括试验速度、试验温度等。
2.2 安装试验样品:将准备好的试验样品安装到拉力试验机上,确保样品与夹具之间的接触密切,避免浮现松动或者偏移。
2.3 开始试验:启动拉力试验机,开始进行拉力试验,监控试验过程中的拉力变化,并记录相关数据。
三、数据处理与分析3.1 数据记录:在试验过程中及时记录拉力、位移等相关数据,确保数据的准确性和完整性。
3.2 数据处理:对试验得到的数据进行处理,计算拉力-位移曲线、抗拉强度等指标,以评估样品的力学性能。
3.3 结果分析:根据试验结果进行分析,比较不同样品之间的性能差异,为进一步研究和生产提供参考。
四、注意事项4.1 安全第一:在进行拉力试验时,要注意操作安全,避免发生意外事故,如拉力机故障、样品破裂等。
4.2 保持设备清洁:定期清洁和维护拉力试验设备,确保设备的正常运行和试验结果的准确性。
4.3 遵守规范:在进行拉力试验时,要严格遵守试验标准和操作规程,确保试验结果的可靠性和可比性。
五、试验报告编写5.1 报告内容:编写拉力试验报告时,应包括试验目的、试验方法、试验结果、数据分析等内容,以清晰、简洁地呈现试验过程和结果。
5.2 结论与建议:根据试验结果,撰写结论并提出建议,为后续研究和应用提供参考。
本文部分内容来自网络整理,本司不为其真实性负责,如有异议或侵权请及时联系,本司将立即删除!== 本文为word格式,下载后可方便编辑和修改! ==性能试验作业指导书篇一:性能测试作业指导书_修订稿性能测试作业指导书编制部门:UI与测试部文件修改记录表目的为了让测试同事初步了解LoadRunner并掌握目前性能测试项目的方法和基本步骤而编写。
1. 测试准备参考性能测试流程_初稿.doc注意:a. 考虑测试数据如何提取或如何造数据,即后续脚本中参数化要用的数据;b. 要考虑到哪些表可以查看到各业务操作的结果数据,以确认功能操作的正确性;c. 若表间存在关联,该如何删除相关结果数据,以便测试数据可以重复使用;建议以上几点最好在明确需求时和开发沟通好,在功能确认时进行验证。
举例:选房系统(来自:WwW. : 性能试验作业指导书 )与开发沟通得到的测试需求,仅供参考。
2. 录制脚本(VuGen)明确需求、功能确认无误之后,方可录制脚本。
3.1. 选择协议首先打开VuGen,依次点击:程序—>HP LoadRunner—>Applications—>VuGen,接着新建脚本,选择协议,如下图:录制时要选择正确的协议,否则录制后会出现脚本是空的情况。
在选房系统中选用“Web(HTTP/HTML)”协议。
如果不知道选什么协议,可以和开发沟通。
3.2. 录制选项设置选择协议,点击“Create”按钮,在弹出框中点击“Option”按钮,进入录制选项设置页面篇二:电性能测试作业指导书更多免费资料下载请进:好好学习社区更多免费资料下载请进:好好学习社区更多免费资料下载请进:好好学习社区好好学习社区更多免费资料下载请进:更多免费资料下载请进:好好学习社区篇三:5、力学性能试验作业指导书力学性能试验作业指导书根据《锅炉安全技术监察规程》规定,锅炉受热面管子的对接接头,当材料为碳素钢时,可免作检查试件,当材料为合金钢时,在同钢号、同焊接材料、同焊接工艺、规范的情况下,从每批产品上切取,接头数的0.5%作为检查试件,但不得少于1套试样所需接头数。
《软件测试技术》上机指导书之(一)使用JUNIT4进行单元测试JUnit4概述 (2)在Eclipse中使用JUnit4进行单元测试(初级篇) (5)在Eclipse中使用JUnit4进行单元测试(中级篇) (14)在Eclipse中使用JUnit4进行单元测试(高级篇) (16)实验目的:单元测试。
实验学时:4(2学时学习,2学时检查)实验要求:掌握JUNIT的使用方法。
检查要求:按学号每5人一组,分组检查掌握情况。
(1)初始成绩:1人为优秀,2-3人良好,1-2人中等。
组内推荐。
(2)最差的那个同学演示答辩,其成绩决定组内其他同学的成绩的整体水平。
(3)组内同学的成绩跟随答辩同学的成绩上下浮动。
张金荣重庆理工大学计算机科学与工程学院2013年3月9日JUnit4概述JUnit4是JUnit框架有史以来的最大改进,其主要目标便是利用Java5的Annotation特性简化测试用例的编写.先简单解释一下什么是Annotation,这个单词一般是翻译成元数据。
元数据是什么?元数据就是描述数据的数据。
也就是说,这个东西在Java里面可以用来和public、static等关键字一样来修饰类名、方法名、变量名。
修饰的作用描述这个数据是做什么用的,差不多和public描述这个数据是公有的一样。
想具体了解可以看Core Java2。
废话不多说了,直接进入正题。
我们先看一下在JUnit 3中我们是怎样写一个单元测试的。
比如下面一个类:public class AddOperation {public int add(int x,int y){return x+y;}}我们要测试add这个方法,我们写单元测试得这么写:import junit。
framework。
TestCase;import static org。
junit.Assert。
*;public class AddOperationTest extends TestCase{public void setUp() throws Exception {}public void tearDown() throws Exception {}public void testAdd() {System.out。
《软件测试》实验指导书计算机工程系软件测试实验一、实验目的1.掌握QuickTest Professional 8.2(QTP)操作界面的组成。
2.着重掌握如何在不同的环境中使用QuickTest来作为自动化的功能测试工具。
3.掌握如何创建自动化测试用例。
二、基本知识1.具有微软Windows的使用经验2.熟悉网络和浏览器知识3.熟悉测试概念4.QTP8.2的使用概要。
三、实验设备及环境①windows操作系统②QuickTest Professional 8.2应用软件四、实验内容使用QuickTest进行测试的过程包括6个主要步骤:●准备录制打开你要对其进行测试的应用程序,并检查QuickTest中的各项设置是否适合当前的要求。
●进行录制打开QuickTest的录制功能,按测试用例中的描述,操作被测试应用程序。
●编辑测试脚本通过加入检测点、参数化测试,以及添加分支、循环等控制语句,来增强测试脚本的功能,使将来的回归测试真正能够自动化。
●调试脚本调试脚本,检查脚本是否存在错误。
●在回归测试中运行测试在对应用程序的回归测试中,通过QuickTest回放对应用程序的操作,检验软件正确性,实现测试的自动化进行。
●分析结果,报告问题查看QuickTest记录的运行结果,记录问题,报告测试结果。
关于例子程序的具体操作步骤:我们使用微软的IE做为浏览器,为了使QuickTest能够更加准确的运行,需要对IE 进行一下设置,步骤如下:1 选择IE的[ 工具| Internet选项]菜单命令,在弹出的窗口中,选择“内容”标签页。
2在“个人信息”部分,用鼠标左键单击“自动完成”按钮。
弹出如下的对话框:自动完成设置对话框3 使“Web地址”、“表单”、“表单上的用户名和密码”处于未选中的状态,然后用鼠标左键单击“清除表单”和“清除密码”按钮,设置完成。
1、录制前的准备工作首先,你已经对IE进行了设置。
其次,在你正式开始录制一个测试之前,应该关闭所有已经打开的IE窗口。
河南新能光伏有限公司编号:XN/WI027-ZG-2009第1 页共7页生效日期:2009.08.01版本号:A产品环境试验检测作业指导书1作业前的准备1.1准备好试验需要的测量量具及劳保用品。
1.2按照附表中要求进行成品抽样。
1.3根据设备使用要求校准检测设备,保证检测设备正常运行。
1.4对测试设备进行必要的预热2.作业方法和要求2.1根据附表中的检验方法和步骤对产品进行环境试验检测,并填写《分析测试报告单》,对产品做出判定。
2.2产品出现不合格时,在产品上做特别标识,记录清异常原因、异常数据等。
2.3保持实验现场保持整洁。
3作业后续工作3.1将《分析测试报告单》情况反馈到相关生产工序,跟踪车间对不合格项进行对策整改。
3.2对设备仪器进行日常检查,填写《实验室设备周点检表》。
拟制: 审核: 批准:编号:XN/WI027-ZG-2009第2 页共7页生效日期:2009.08.01版本号:A产品环境试验检测作业指导书附表(一):编号:XN/MI028-ZG-2009第3 页共7页产品性能检测作业指导书附表(二):编号:XN/MI028-ZG-2009第4 页共7页产品性能检测作业指导书附表(三):编号:XN/MI028-ZG-2009第5 页共7页产品性能检测作业指导书附表(四):编号:XN/MI028-ZG-2009第6 页共7页产品性能检测作业指导书附表(五):编号:XN/MI028-ZG-2009第7 页共7页产品性能检测作业指导书附表(六):。
第一章实验要求1.1 实验总体要求1.1.1 实验意义和目的本实验课程配合《软件测试技术》理论课同步开设,其中包括验证型、设计型和综合型实验。
本实验课程着眼于理论与应用的结合,注重培养学生软件测试的实际动手能力,增强软件工程项目的质量管理意识。
通过实验教学,使学生掌握软件测试的方法和技术,并能运用软件测试工具进行自动化测试。
本实验课程要求学生完成适当的上机实习,并写出相应的实验报告。
验证和设计题单独完成,综合题任选一题。
验证型题目使学生熟悉常用的软件测试工具。
设计型题目使学生掌握软件测试的基本理论和基本方法,培养基本的应用能力。
综合型题目在于提高学生分析问题、解决问题的能力,培养工程项目的测试能力和管理能力。
1.1.2 实验内容安排实验内容安排如表1-1 所示。
表1-1 实验内容安排表1.1.3 实验过程要求实验前要充分做好准备工作:●复习和掌握与本实验有关的知识内容;●预习、思考实验内容;●对实验内容进行分析和设计。
实验过程中,实验者必须服从指导教师和实验室工作人员的安排,遵守纪律与实验制度,爱护设备及卫生。
在指定的实验时间内,必须到实验室内做实验。
对于上机过程中出现的问题,尽量先独立思考和解决;对于难以解决的问题可以和同学交流或询问老师;对于同一个实验题目,可以考虑多种方法来实现,然后比较并选择出一种较为有效的方法来实现。
对于设计型和验证型实验,实验时一人一组,独立上机。
对于综合型实验,每四人组成一个小组,由组长来组织管理小组成员,共同完成实验内容。
1.2 实验报告要求实验后,应及时整理出实验报告,实验报告提交电子文档和纸质报告。
1.3 实验成绩评价1.3.1 实验成绩评价结构及比例实验课程的总成绩由实验考勤和实验报告成绩组成,其中实验考勤占20%,实验过程占20%,实验报告占60%。
1.3.2 考核方式实验考核主要是三个方面:1.上机实验考勤。
每次上机应主动在指导老师处签到,冒签等不诚信行为一旦被发现,取消本次实验成绩。
测试技术基础实验说明书北京航空航天大学机械学院机械制造实验室实验一光栅传感器测位移实验1).实验目的1.了解光栅传感器的基本结构、特点、工作原理。
2.掌握光栅传感器测量位移的原理及方法。
2).实验原理光栅位移传感器由光源、聚光灯、标尺光栅、指示光栅和光电元件组成。
光源发出的光线经过透镜照射在光栅上,再通过光栅照射在光电元件上,把光信号转换成电信号。
光栅测量位移的工作原理是基于莫尔条纹现象。
两块栅距w相同,黑白宽度相同的长光栅,当它们的刻线面彼此平行互相靠近,且沿刻线方向保持成一个很小的夹角θ时,由于遮光效应或光的衍射作用,在a-a线上,两块光栅的黑色刻线相交,透光缝隙相重,因此形成一条亮带。
在b-b线上,一块光栅上的黑色刻线正好将另一块光栅的透光部分挡住,形成一条暗带。
这些明暗相间的条纹就是所谓的莫尔条纹。
当光栅透过的光线越多,光电元件的输出越大,当光栅透过的光线越少,输出信号与位移间的关系可近似的用正弦函数表示。
即: V=Vo+VmSin(2πx/w)式中:V --光电元件输出的电压信号;Vo--输出信号中的平均直流分量;Vm--输出正弦信号的幅值; W --栅距。
X --两光栅间的瞬时相对位移量。
由上式可见,光电元件的输出电压的大小反映了光栅瞬时位移量的大小,从而实现了位移量向电量的转换。
在实际应用中,被测物体的移动方向是经常改变的,而莫尔条纹的明暗变化只与位移有关,而与位移方向无关,为了辨别位移的方向必须增加一个观测点,然后根据两个观测点输出信号U1、U2间的相位关系来定位移的方向。
当光栅正向运动时,U1超前U2 90度,当光栅反向运动时,U2超前U1 90度,利用这一特点,便可构成简单的辨向电路。
通常采用的是“四倍频辨向电路”。
所谓四倍频电路是一种位置细分法,就是使正弦信号在0度、90度、180度、270度都有脉冲输出,可使测量精度提高四倍。
将辨向电路输出信号(Y 1、Y2)送到加、减计数电路进行记数,再通过译码驱动电路,将位移量显示出来。
拉力试验作业指导书引言概述:拉力试验是一种常用的材料力学测试方法,用于评估材料的拉伸性能和强度。
本指导书旨在提供一份详细的拉力试验作业指导,以匡助操作人员正确进行拉力试验,确保测试结果的准确性和可靠性。
一、试验前准备1.1 确定试验目的:在进行拉力试验前,首先要明确试验的目的和要求,例如评估材料的强度、确定断裂点等。
1.2 选择合适的设备:根据试验目的和要求,选择适合的拉力试验设备,包括拉力试验机、夹具等。
1.3 样品准备:根据试验标准或者要求,制备符合尺寸和几何要求的试样,确保试样的质量和准确性。
二、试验操作步骤2.1 样品安装:将试样正确安装在拉力试验机的夹具上,确保试样与夹具之间的接触密切,避免浮现试样滑动或者偏移。
2.2 试验参数设置:根据试验目的和要求,设置合适的试验参数,包括加载速度、试验温度等。
确保试验参数的准确性和可重复性。
2.3 开始试验:启动拉力试验机,开始进行拉力试验。
在试验过程中,注意观察试样的变形情况和试验机的工作状态,确保试验的顺利进行。
三、数据采集和记录3.1 试验数据采集:在试验过程中,及时采集试验数据,包括试样的载荷和变形数据。
可以使用数据采集系统或者手动记录的方式进行数据采集。
3.2 数据记录:将试验数据记录在试验报告中,包括试验参数、试样尺寸和几何形状、载荷-变形曲线等。
确保数据的准确性和完整性。
3.3 数据分析:根据试验数据,进行数据分析和处理,包括计算材料的强度指标、绘制载荷-变形曲线等。
确保数据分析的准确性和可靠性。
四、试验注意事项4.1 安全操作:在进行拉力试验时,要注意安全操作,避免发生意外事故。
操作人员应熟悉试验设备的使用方法和安全规定,并佩戴个人防护装备。
4.2 试验环境控制:试验过程中,要控制试验环境的温度、湿度等因素,确保试验条件的一致性和可重复性。
4.3 试验设备维护:定期对拉力试验设备进行维护和保养,包括清洁和校准等,确保设备的正常工作和准确性。
《软件测试》实验指导书实验一测试计划编制4学时测试计划是描述测试目的、范围、方法和测试工作内容的重要文档。
科学、合理、有效地制订软件测试计划是成功完成测试任务的必要前提。
(一)实验目的:1.了解测试计划的内容和格式2.熟悉测试计划的编制过程3.学会针对某个特定的软件项目编写软件测试计划(二)实验环境操作系统:windows 2000 Pro + SP4 及其以上版本Office 2005及其以上版本(三)实验任务:将学生分组,每组3~5人,各组选择一个小型软件“教研管理系统”作为测试对象。
充分了解测试对象,仔细阅读、分析需求规格说明书和设计说明书,对该软件结构、功能、性能进行分析,制订测试计划。
每组提交一份测试计划文档。
(四)实验内容与步骤:1.确定分组,每组3~5人,作为模拟测试项目组,并选定项目组长。
2.项目成员参与选定待测软件产品。
3.由项目组长主持,分析、研究待测产品。
4.讨论、分析《需求规格说明书》,制订系统测试及验收测试的策略;确定功能、性能、压力负载测试等工作重点。
5.讨论、分析《概要设计说明书》,制订集成测试及确认测试的策略;确定测试方法及重点测试内容。
6.讨论、分析《详细设计说明书》,制订单元测试策略、方法及主要内容。
7.由项目组长主持,讨论测试工作具体分工及进度安排。
8.根据讨论结果与讨论记录,参照附件1 编写软件测试计划。
(五)实验要求1.测试计划是对每个软件产品,或是对各个开发阶段的产品开展测试的策略,是描述测试目的、范围、方法和软件测试的重点等的文档。
2.测试计划的目的:识别任务、分析风险、规划资源和确定进度。
测试计划在策略和方法上高度说明如何计划、组织和管理测试项目。
最终以系列文档的形式确定下来。
3.测试计划须包含的内容:1)产品基本情况:产品运行平台、应用领域、特点、功能、产品规格2)测试需求说明:所要测试的功能项、侧重点3)测试策略和记录:描述如何公正、客观地开展测试、遵循的标准4)测试资源配置:各测试阶段的任务、所需的资源5)计划表6)问题跟踪报告:问题的性质、发现者、修改者、问题发生的频率、发现问题的测试案例、测试环境、问题分类7)测试计划的评审和结果等:4.测试计划包含足够的信息使测试人员明白需要完成的工作,拟定软件测试计划需要测试项目管理人员的积极参与。
建筑材料检测实验指导书实验指导书宁波大学土木工程实验教学中心2005年10月实验一界面砂浆压剪粘结原强度检测一、实验目的1、学会界面砂浆压剪粘结原强度检测的标准方法。
2、掌握检测仪器设备。
二、实验设备、仪器等:1、压力试验机2、G型砖3、金属垫丝4、钢尺三、实验步骤1、试件制备。
2、每组试件4对。
3、在试验条件空气中养护14天。
4、利用压剪夹具将试件在试验机上进行强度测定,加载速度20~25mm/min。
四、实验结果评定1、每组试验为4对试件,求其平均值。
如果出现极值按照粗大误差剔除准则即Dixon准则取舍。
实验二饰面砖粘结强度检测一、实验目的1、学会饰面砖粘结强度检测的标准方法。
2、掌握检测仪器设备。
二、实验设备、仪器等:1、粘结强度检测仪2、游标卡尺3、手持切割机4、914快速粘结剂三、实验步骤1、在饰面砖上黏贴标准块2、在标准块上安装带有万向接头的拉力杆3、安装千斤顶,匀速摇转手柄升压,直至饰面砖剥离,记录数字显示器峰值,即粘结力值;并记录破坏状态。
四、实验结果评定1、单个饰面砖试件粘结强度应按下列公式计算:R=X/StX:粘结强度St:试样受拉面积2、平均粘结强度应按下列公式计算:Rm=(R1+R2+R3)/3Rm:平均粘结强度R1、R2、R3:单个试样粘结强度值实验三抹面胶浆柔韧性检测一、实验目的1、学会抹面胶浆柔韧性检测的标准方法。
2、掌握检测仪器设备二、实验设备、仪器等:1、水泥胶砂试模2、天平:精度为0.01g3、振实台4、水泥胶砂搅拌机5、水泥抗折试验机6、压力机三、实验步骤1、试件的制备2、试件的脱模和养护采用标准抹面胶浆砂浆成型,用聚乙烯薄膜覆盖,在实验室标准条件下养护2天后脱模,继续用聚乙烯薄膜覆盖养护5天,去掉覆盖物在实验室标准条件下养护7天。
3、抗折强度测定4、抗压强度测定五、实验结果1、压折比的计算T=Rc/RfRc:抗压强度,单位(N/mm2)Rf:抗折强度,单位(N/mm2)实验四面砖粘结砂浆线性收缩率检测一、实验目的1、学会面砖粘结砂浆线性收缩率检测的标准方法。
土木工程学院《混凝土结构设计基本原理》实验指导书及实验报告适用专业:土木工程周淼编班级:姓名:学号:河南理工大学2018 年9 月实验一钢筋混凝土梁受弯性能试验一、实验目的1.了解适筋梁的受力过程和破坏特征;2.验证钢筋混凝土受弯构件正截面强度理论和计算公式;3.掌握钢筋混凝土受弯构件的实验方法及荷载、应变、挠度、裂缝宽度等数据的测试技术和有关仪器的使用方法;4.培养学生对钢筋混凝土基本构件的初步实验分析能力。
二、基本原理当梁中纵向受力钢筋的配筋率适中时,梁正截面受弯破坏过程表现为典型的三个阶段:第一阶段——弹性阶段(I阶段):当荷载较小时,混凝土梁如同两种弹性材料组成的组合梁,梁截面的应力呈线性分布,卸载后几乎无残余变形。
当梁受拉区混凝土的最大拉应力达到混凝土的抗拉强度,且最大的混凝土拉应变超过混凝土的极限受拉应变时,在纯弯段某一薄弱截面出现首条垂直裂缝。
梁开裂标志着第一阶段的结束。
此时,梁纯弯段截面承担的弯矩M cr称为开裂弯矩。
第二阶段——带裂缝工作阶段(II阶段):梁开裂后,裂缝处混凝土退出工作,钢筋应力急增,且通过粘结力向未开裂的混凝土传递拉应力,使得梁中继续出现拉裂缝。
压区混凝土中压应力也由线性分布转化为非线性分布。
当受拉钢筋屈服时标志着第二阶段的结束。
此时梁纯弯段截面承担的弯矩M y称为屈服弯矩。
第三阶段——破坏阶段(III阶段):钢筋屈服后,在很小的荷载增量下,梁会产生很大的变形。
裂缝的高度和宽度进一步发展,中和轴不断上移,压区混凝土应力分布曲线渐趋丰满。
当受压区混凝土的最大压应变达到混凝土的极限压应变时,压区混凝土压碎,梁正截面受弯破坏。
此时,梁承担的弯矩M u称为极限弯矩。
适筋梁的破坏始于纵筋屈服,终于混凝土压碎。
整个过程要经历相当大的变形,破坏前有明显的预兆。
这种破坏称为适筋破坏,属于延性破坏。
三、试验装置6—分配梁固定铰支座;7—集中力下的垫板;8—分配梁;9—反力横梁;10—千斤顶; 图1 钢筋混凝土梁受弯试验装置图0.25P(b )弯矩图(kN ·m )图 2 梁受弯试验加载和内力简图图 1 为本课程进行梁受弯性能试验采用的加载装置,加载设备为千斤顶。
拉力试验作业指导书标题:拉力试验作业指导书引言概述:拉力试验是一种常见的材料力学性能测试方法,通过施加拉力来测试材料的拉伸性能。
本文将详细介绍拉力试验的作业指导书,帮助读者了解如何正确进行拉力试验。
一、试验前准备1.1 确定试验目的:在进行拉力试验前,首先需要明确试验的目的,是为了评估材料的拉伸性能还是进行其他性能测试。
1.2 准备试验材料:根据试验目的选择合适的材料进行试验,确保材料的质量符合要求。
1.3 检查试验设备:在进行拉力试验前,需要检查试验设备是否完好,确保设备能够正常工作。
二、试验操作步骤2.1 安装试验样品:将试验样品固定在拉力试验机上,确保样品的位置正确,避免出现偏差。
2.2 设置试验参数:根据试验要求设置拉力试验机的参数,包括拉力速度、试验温度等。
2.3 开始试验:启动拉力试验机,开始施加拉力,记录拉力和变形数据,直到试验结束。
三、数据处理与分析3.1 处理试验数据:在试验结束后,需要将试验过程中记录的拉力和变形数据进行处理,计算拉伸强度、屈服强度等指标。
3.2 分析试验结果:根据试验数据分析材料的拉伸性能,评估材料的强度和韧性。
3.3 撰写试验报告:根据试验结果撰写试验报告,包括试验目的、方法、结果和结论等内容。
四、注意事项4.1 安全第一:在进行拉力试验时,要注意安全问题,避免发生意外事故。
4.2 保持设备干净:定期清洁试验设备,保持设备的良好状态,确保试验结果的准确性。
4.3 遵守规定:在进行拉力试验时,要遵守相关的试验标准和规定,确保试验结果的可靠性。
五、实验结果应用5.1 优化材料设计:通过拉力试验的结果,可以优化材料的设计,提高材料的性能。
5.2 质量控制:拉力试验可以用于质量控制,检验材料的质量是否符合标准要求。
5.3 研究材料性能:拉力试验是研究材料力学性能的重要方法,可以为材料研究提供重要数据。
结论:拉力试验作业指导书是进行拉力试验的重要参考资料,正确的操作流程和注意事项能够保证试验结果的准确性和可靠性。
零部件检测作业指导书一、引言随着现代工业的发展,各类零部件在各个行业中起到了至关重要的作用。
为了保障产品质量和安全性,对零部件进行检测是必不可少的环节。
本作业指导书旨在为检测人员提供一份详细的指导,以确保他们能够正确、高效地进行零部件检测工作。
二、检测前的准备1. 确定检测目标:在进行零部件检测之前,需要明确检测的目标和要求。
这包括了解零部件的性能要求、规格参数以及可能存在的缺陷类型等信息。
2. 准备检测设备和工具:根据需要,准备适当的检测设备和工具,例如显微镜、探伤仪器、测量工具等。
确保这些设备和工具的正常运行,并及时进行校准。
3. 确定检测环境:检测环境对检测结果有较大影响,应该选择干净、安静、温度适宜的环境进行检测。
排除可能的干扰源,并确保检测区域清洁整洁。
三、具体操作步骤1. 外观检测:首先进行外观检测,包括表面质量、尺寸和形状等方面。
通过目测、使用显微镜或其他合适的工具检查零部件的外观,记录任何异常。
2. 物理性能检测:根据零部件的具体要求,进行物理性能检测,如硬度测试、拉伸试验、冲击试验等。
根据测试结果,判断零部件是否符合规定的性能要求。
3. 材料成分检测:部分零部件需要进行材料成分检测,特别是金属材料的检测。
选择合适的方法,如化学分析、光谱分析等,对材料进行组成分析。
4. 缺陷检测:使用合适的仪器和方法,对零部件进行缺陷检测。
常见的缺陷检测方法包括磁粉探伤、超声波检测、X射线检测等。
根据检测结果,判断零部件是否存在缺陷并记录。
5. 尺寸测量:对于需要满足精确尺寸要求的零部件,进行尺寸测量是必不可少的。
使用适当的测量工具,如卡尺、游标卡尺等,测量零部件的尺寸,并与设计图纸进行对比。
6. 包装和标识:对于通过检测的合格零部件,进行包装和标识。
按照规定的要求对零部件进行包装,如防静电包装、防潮包装等。
在包装上标注相应的信息,如批次号、生产日期等。
四、检测记录和报告在进行零部件检测过程中,及时记录检测结果和相关信息是非常重要的。
软件测试实验指导书
徐芳编
计算机应用工程系
二○一○年
实验一:错误报告编写
一、实验目的
1.熟悉缺陷报告的编写内容
2.熟悉缺陷管理的工作流程
二、实验内容:
1、测试管理系统,编写有一定质量的缺陷报告
三、实验内容与步骤:
1、安装管理系统,运行并进行测试,针对所发现的错误,编写有一定
质量的缺陷报告。
2、该缺陷报告需要提交给程序开发人员进行问题的修改,缺陷报告中
对问题的描述需要直观和清晰。
至少需要包括一下内容:
表3-1
2、本次课结束时以Word文档形式提交缺陷报告,文件命名格式为:
xx(两位序号)+姓名.doc。
实验二:测试用例设计
一、实验目的
通过实验,掌握常用黑盒测试用例设计方法,实现系统测试。
二、实验内容:
1、针对被测试软件理解软件功能需求
2、根据软件功能需求,进行等价类划分
3、根据等价类,编写软件的测试用例。
4、执行测试用例,记录错误信息
三、实验内容与步骤:
1、安装酒店行业管理信息系统
2、阅读使用说明
3、运行酒店行业管理信息系统,结合使用说明中的内容,整理三个
功能模块的测试需求:前台操作模块中的“开房”、“消费记账”、
“正常退房”,代码管理模块中的“软件设置”、系统管理模块中
“用户管理”。
4、根据系统的使用说明,分析输入数据的规则和要求。
5、考虑实际使用中不同的用户场景,进行等价类划分。
6、完成测试用例,主要考虑等价类覆盖和边界值。
7、执行测试
8、记录错误报告
测试用例设计步骤
一、第一步:软件功能理解整理:
1.1)从整体上理解商业处理过程
1.2)具体分析完成整个商业过程中存在的业务规则和要求
1.3)分析输入数据的要求
1.4)根据前面三个步骤,整理出软件的功能清单
例如:
✓系统提供客户入住办理,客户分为个人和团体;
✓一个客户可以开多间房;
✓客人分为新客户和老客户,对老客户系统能按照姓名识别其历史入住信息;
✓客户办理入住时必须填写姓名、入住类型、押金、入住日期;
……
三、第三步:编写测试用例
四、讨论与思考:
1.思考开房、退房中具体的功能要求。
2.思考房间计费用系统是如何设置的。
3.等价类的划分需要考虑哪些因素。
五、其他说明
1.本实验学时为6学时,安排如下:
∙熟悉被测系统,列出软件功能需求:2学时
∙划分等价类:2学时
∙测试用例编写、执行测试:2学时2.实验上交结果:
∙word文档:内容包含四部分:
软件功能清单;
划分的等价类
测试用例
遇到的错误
文档命名规则:两位序号+姓名,如01张三.doc。