空调风管面积计算表
- 格式:xls
- 大小:74.00 KB
- 文档页数:2
风管表面积计算公式
风管表面积是指风管外部表面的面积,它是计算风道壁面损失的关键因素。
在风道系统设计和计算中,掌握风管表面积的计算方法非常重要。
下面将介绍一下风管表面积的计算公式。
风管表面积的计算公式根据不同的风管形状而有所不同。
一般来说,风管可以分为圆形和矩形两种,下面将分别介绍它们的计算公式。
1. 圆形风管表面积计算公式
对于圆形风管,它的表面积可用以下公式进行计算:
S = πDL
其中,S为表面积,π为圆周率,D为风管直径,L为风管长度。
对于圆柱形风管,它的两端为圆形,中间为矩形,可以将其表面积分为两部分,分别计算出矩形部分和圆形部分的面积,然后相加即可。
2. 矩形风管表面积计算公式
对于矩形风管,它的表面积可用以下公式进行计算:
S = 2ab + 2bc + 2ac
其中,S为表面积,a为风管宽度,b为风管高度,c为风管长度。
需要注意的是,在实际应用中,矩形风管的表面积可能会出现许多不规则的形状,需要计算的表面积也需要分为多个部分进行计算。
此时,可以将其分解为多个基本形状(如矩形、三角形、梯形等)的组合,并计算出其各自的表面积,最后将各部分表面积相加即为总表面积。
总之,风管表面积的计算公式主要是根据其形状的不同而不同。
但无论是什么形状,都需要按照一定的计算方法进行计算,以确保风道系统的设计和计算的准确性。
在实际应用中,可以利用计算软件,或手算公式进行计算,并对结果进行比对和验证,以保障风道系统的正常运行。
#NAME?#NAME?#NAME?#NAME?#NAME?#NAME?#NAME?#NAME?#NAME?#NAME?#NAME?#NAME?#NAME?#NAME?#NAME?#NAME?#NAME?#NAME?#NAME?#NAME?#NAME?#NAME?#NAME?#NAME?#NAME?#NAME?#NAME?#NAME?#NAME?#NAME?#NAME?#NAME?#NAME?#NAME?#NAME?#NAME?#NAME?#NAME?#NAME?#NAME?#NAME?#NAME?#NAME?#NAME?#NAME?#NAME?#NAME?#NAME?#NAME?#NAME?#NAME?#NAME?#NAME?#NAME?#NAME?#NAME?#NAME?#NAME?#NAME?#NAME?#NAME?#NAME?#NAME?#NAME?#NAME?#NAME?#NAME?#NAME?#NAME?#NAME?#NAME?#NAME?#NAME?#NAME?#NAME?#NAME?#NAME?#NAME?#NAME?#NAME?#NAME?#NAME?#NAME?#NAME?#NAME?#NAME?#NAME?#NAME?#NAME?#NAME?#NAME?#NAME?#NAME?#NAME?#NAME?#NAME?#NAME?#NAME?#NAME?#NAME?#NAME?#NAME?#NAME?#NAME?#NAME?#NAME?#NAME?#NAME?#NAME?#NAME?#NAME?#NAME?#NAME?#NAME?#NAME?#NAME?#NAME?#NAME?#NAME?#NAME?#NAME?#NAME?#NAME?#NAME?#NAME?#NAME?#NAME?#NAME?#NAME?#NAME?#NAME?#NAME?#NAME?#NAME?#NAME?#NAME?#NAME?#NAME?#NAME?#NAME?#NAME?#NAME?#NAME?#NAME?#NAME?#NAME?#NAME?#NAME?#NAME?#NAME?#NAME?#NAME?#NAME?#NAME?#NAME?#NAME?#NAME?#NAME?#NAME?#NAME?#NAME?#NAME?#NAME?#NAME?#NAME?#NAME?#NAME?#NAME?#NAME?#NAME?#NAME?#NAME?#NAME?#NAME?#NAME?#NAME?#NAME?#NAME?#NAME?#NAME?#NAME?#NAME?#NAME?#NAME?#NAME?#NAME?#NAME?#NAME?#NAME?#NAME?#NAME?#NAME?#NAME?#NAME?#NAME?#NAME?#NAME?#NAME?#NAME?#NAME?#NAME?#NAME?#NAME?#NAME?#NAME?#NAME?#NAME?#NAME?#NAME?#NAME?#NAME?#NAME?#NAME?#NAME?#NAME?#NAME?#NAME?#NAME?#NAME?#NAME?#NAME?#NAME?#NAME?#NAME?#NAME?#NAME?#NAME?#NAME?#NAME?#NAME?#NAME?#NAME?#NAME?#NAME?#NAME?#NAME?#NAME?#NAME?#NAME?#NAME?#NAME?#NAME?#NAME?#NAME?#NAME?#NAME?#NAME?#NAME?#NAME?#NAME?#NAME?#NAME?#NAME?#NAME?#NAME?#NAME?#NAME?#NAME?#NAME?#NAME?#NAME?#NAME?#NAME?#NAME?#NAME?#NAME?#NAME?#NAME?#NAME?#NAME?#NAME?#NAME?#NAME?#NAME?#NAME?#NAME?#NAME?#NAME?#NAME?#NAME?#NAME?#NAME?#NAME?#NAME?#NAME?#NAME?#NAME?#NAME?#NAME?#NAME?#NAME?#NAME?#NAME?#NAME?#NAME?#NAME?#NAME?#NAME?#NAME?#NAME?#NAME? #NAME? #NAME? #NAME? #NAME? #NAME? #NAME? #NAME? #NAME? #NAME? #NAME? #NAME? #NAME? #NAME? #NAME? #NAME? #NAME? #NAME? #NAME? #NAME? #NAME?#NAME? #NAME? #NAME? #NAME? #NAME? #NAME? #NAME? #NAME? #NAME? #NAME? #NAME? #NAME? #NAME? #NAME? #NAME? #NAME? #NAME? #NAME? #NAME? #NAME? #NAME?#NAME? #NAME? #NAME? #NAME? #NAME? #NAME? #NAME? #NAME? #NAME? #NAME? #NAME? #NAME? #NAME? #NAME? #NAME? #NAME? #NAME? #NAME? #NAME? #NAME? #NAME?#NAME? #NAME? #NAME? #NAME? #NAME? #NAME? #NAME? #NAME? #NAME? #NAME? #NAME? #NAME? #NAME? #NAME? #NAME? #NAME? #NAME? #NAME? #NAME? #NAME? #NAME?。
风管系统管道风量、压力及管径计算方法
和选取表
引言
风管系统是工业和建筑领域中常用的空气分配系统。
为了确保系统的正常运行,必须正确计算风量、压力和管径。
本文档将介绍风管系统管道风量、压力的计算方法,并提供管径选取表以便工程师们方便进行设计。
风量计算方法
风量是风管系统中空气流动的量度,通常以立方米每小时
(m³/h)表示。
风量的计算可以通过以下步骤进行:
1. 确定所需空气流量:根据系统要求和需求,确定系统需要的空气流量。
2. 确定风管截面积:根据所需空气流量和风速,计算所需的风管截面积。
3. 确定风管尺寸:根据所需的风管截面积,选择合适的风管尺寸。
压力计算方法
压力是风管系统中空气流动的力度。
压力的计算可以通过以下
步骤进行:
1. 确定系统阻力:考虑系统中各种元素(如弯头、分支等)对
空气流动的影响,确定系统的总阻力。
2. 确定风机性能:根据系统阻力和所需风量,选择合适的风机,并获取其性能曲线。
3. 计算风机压力:根据风机性能曲线和所需风量,计算风机所
提供的风管系统压力。
管径选取表
以下是常用的管径选取表,供工程师们参考:
上述表格列出了风管尺寸与最大风量之间的关系,工程师们可以根据所需的风量,参考这个表格来选取合适的管径。
结论
本文档介绍了风管系统中管道风量、压力的计算方法,并提供了管径选取表供工程师们参考。
准确计算风量和压力,并选择合适的管径,是确保风管系统正常运行的重要步骤,工程师们应根据具体要求和系统特点进行设计和选择。
空调风管面积计算公式
空调风管面积计算是空调系统设计的重要依据。
根据空调能量平衡原理,合理确定风管的面积是十分重要的。
空调风管面积的计算公式主要包括:风管的端面积计算公式、风管的布置方式计算公式。
其中,风管端面积计算公式主要有两个:
第一条公式:S= 100 × Vu/Vt
其中,Vu为空调送风机出口空气流量(m3/h);Vt为风管系统允许风阻(Pa)。
第二条公式:S= 63.5 × Vu/φ
其中,Vu为空调送风机出口空气流量(m3/h);φ为风管断面的压力损失系数,一般取0.1~2。
另外,空调风管面积计算还需根据不同的风管布置方式,计算为F=
K*Vu0.667
其中,K为不同风管布置方式系数,Vu为空调风管系统风量(m3/h)。
空调风管面积的计算公式不仅能保证计算精度,而且还能有效节约人力、财力,提高空调系统效率。
同时,计算公式还可用来测量空调设备现有的面积是否够用,避免过大或者过小造成的空气流量上的浪费。
空调风管面积计算的正确性与准确性, 能直接关系到空调系统的运行效率与成本。
因此,在设计、安装、以及运行期间,必须严格按照计算公式,正确确定空调系统各部分参数,确保空调系统运行效果。
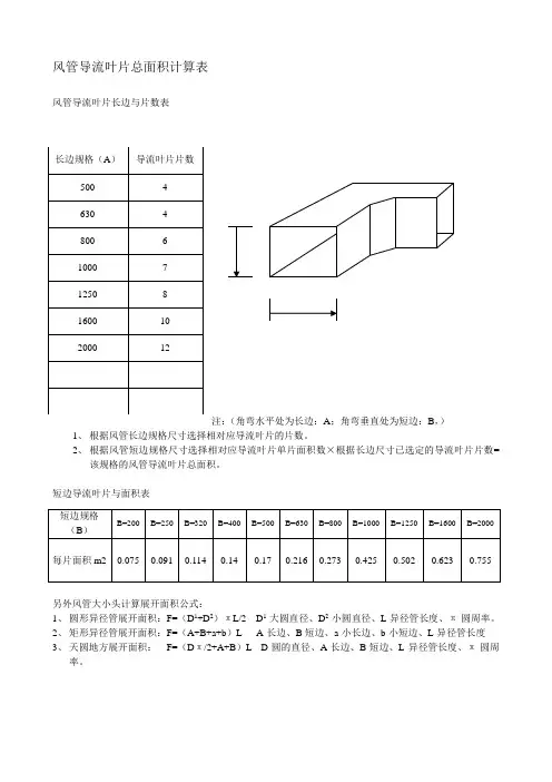
风管导流叶片面积计公式
风管导流叶片长边与片数表
注:(角弯水平处为长边:A ;角弯垂直处为短边:B ,)
短边导流叶片与面积表
1、 根据风管长边规格尺寸选择相对应导流叶片的片数。
2、 根据风管短边规格尺寸选择相对应导流叶片单片面积数×根据长边尺寸已选定的导流叶片片数=
该规格的风管导流叶片总面积。
另外风管大小头计算展开面积公式:
1、 圆形异径管展开面积:F=(D 1+D 2)πL/2 D 1-大圆直径、D 2-小圆直径、L-异径管长度、π-圆周率。
2、 矩形异径管展开面积:F=(A+B+a+b )L A-长边、B 短边、a-小长边、b-小短边、L-异径管长度
3、 天圆地方展开面积: F=(D π/2+A+B )L D-圆的直径、A-长边、B-短边、L 异径管长度、π-圆周率。
风管导流叶片总面积计算表
风管导流叶片长边与片数表
注:(角弯水平处为长边:A ;角弯垂直处为短边:B ,)
1、 根据风管长边规格尺寸选择相对应导流叶片的片数。
2、 根据风管短边规格尺寸选择相对应导流叶片单片面积数×根据长边尺寸已选定的导流叶片片数=
该规格的风管导流叶片总面积。
短边导流叶片与面积表
另外风管大小头计算展开面积公式: 1、 圆形异径管展开面积:F=(D 1+D 2)πL/2 D 1-大圆直径、D 2-小圆直径、L-异径管长度、π-圆周率。
2、 矩形异径管展开面积:F=(A+B+a+b )L A-长边、B 短边、a-小长边、b-小短边、L-异径管长度
3、 天圆地方展开面积: F=(D π/2+A+B )L D-圆的直径、A-长边、B-短边、L 异径管长度、π-圆周率。
90°风管表面积计算在空调系统和通风系统中,风管是起到导风、传递和分配空气的关键组件之一。
为了有效改善空气流动性能和减小能量损失,合理计算风管的表面积十分重要。
本文将介绍如何计算90°风管的表面积。
首先,我们需要了解90°风管的基本结构。
90°风管是指角度为90°的直角弯曲风管,通常用于变向输送空气或连接不同方向的风道。
为了计算90°风管的表面积,我们需要分别计算其内侧表面积和外侧表面积。
内侧表面积的计算方法如下:1. 首先,测量90°风管的内侧长度(L1)、宽度(W1)和高度(H1)。
2. 然后,计算90°风管内侧的长方形部分的表面积(A1):A1 = 2 * (L1 * W1)。
3. 接下来,计算90°风管内侧圆弧部分的表面积(A2):A2 = π * (H1/2) * (W1/2)。
4. 最后,将长方形部分的表面积和圆弧部分的表面积相加,得到90°风管的内侧表面积:A_inner = A1 + A2。
外侧表面积的计算方法如下:1. 首先,测量90°风管的外侧长度(L2)、宽度(W2)和高度(H2)。
2. 然后,计算90°风管外侧的长方形部分的表面积(A3):A3 = 2 * (L2 * W2)。
3. 接下来,计算90°风管外侧圆弧部分的表面积(A4):A4 = π * ((H2/2) + W2) * ((H2/2) - W2)。
4. 最后,将长方形部分的表面积和圆弧部分的表面积相加,得到90°风管的外侧表面积:A_outer = A3 + A4。
综上所述,90°风管的总表面积(A_total)即为内侧表面积(A_inner)和外侧表面积(A_outer)的和:A_total = A_inner +A_outer。
通过这种计算方法,我们可以得到90°风管的准确表面积,为后续设计和安装工作提供重要参考和依据。
通风工程量计算规则一、通风管道工程量计算规则1、风管工程量计算,不分材质均以施工图示风管中心线长度为准,按风管不同断面形状(圆、方、矩)的展开面积计算,以平方米计量。
①、圆形风管展开面积,不扣除检查孔、测定孔、送风口、吸风口等所占面积,咬口重叠所占面积,咬口重叠部分也不增加。
②风管长度计算,一律以施工图所示中心线长度为准,包括弯头、三通、变径管、天圆地方管件长度。
支管长度以支管中心线与主管中心线交接点为分界点。
风管长度不包括部件所占长度,其部件长度值见下表:序号部件名称部件长度1蝶阀1502止回阀3003密闭式对开多叶调节阀2104圆形风管防火阀D+2405矩形风管防火阀B+240注:D为风管外径,B为方风管外边高。
③、风管制作与安装定额包括:弯头、三通、变径管、天圆地方等管件及法兰、加固框和吊架、托架、支架的制作与安装。
未计价材料计算了钣材料,而法兰和支架、吊架、托架按定额规定计算其价值后,还要计算其材料数量,并按规格、品种列入材料汇总表中。
风管制作与安装定额不包括:过跨风管的落地支架制作安装。
落地支架以“千克”计量,使用第九篇《通风空调工程》定额第七章设备支架子目。
④、净化通风管道及部件制作与安装,工程量计算方法与一般通风管道相同,用相应定额。
但是零部件安装要计算净化费,按相应部件子目安装基价的35%作为净化费,其中人工费占40%。
对净化管道与建筑物缝隙之间所作的精华密封处理,按实计算费用。
⑤、塑料风管、管件制作需要热煨,其木制胎具时,按一等枋材计价摊销。
当风管工程量在30平方米以上时,摊销0.06M3/10M2;30平方米以下的按0.09 M3/10M2。
⑥、当风管、管件、部件、非标准设备发生场外运输时,在场外生产的施工组织设计方案必须经过审批,其运输费按下方法计算:运费=车次数×车核定吨位×吨千米单价×里程车次数=加工件总质量/车次核定吨位×装载系数:非标准设备及通风部件为0.7;通风管及关件为0.5。