墙板柱模板安装检验批及报验申请表
- 格式:doc
- 大小:90.00 KB
- 文档页数:2
甬统表C01-26
检验批、分项、子分部(分部)工程质量报验表
工程名称:宁波开元华城九龙湖畔C、D、E地块69-72号楼边坡治理工程编号:
本表由施工单位填报,经项目监理机构审查签认后,建设单位、监理单位、施工单位各存一份。
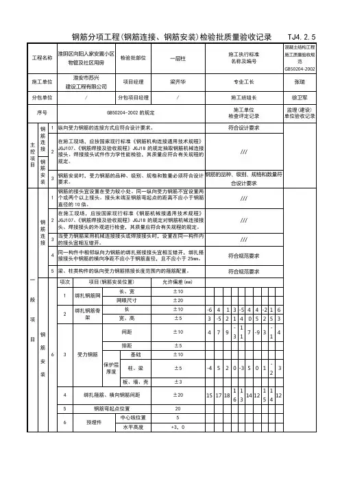
钢筋原材料检验批质量验收记录
模板安装(含预制构件)工程检验批质量验收记录
注:L为构件长度(mm)。
甬统表C01-26
检验批、分项、子分部(分部)工程质量报验表
工程名称:宁波开元华城九龙湖畔C、D、E地块69-72号楼边坡治理工程编号:
本表由施工单位填报,经项目监理机构审查签认后,建设单位、监理单位、施工单位各存一份。
混凝土施工检验批质量验收记录
甬统表C01-26
检验批、分项、子分部(分部)工程质量报验表
工程名称:宁波开元华城九龙湖畔C、D、E地块69-72号楼边坡治理工程编号:
本表由施工单位填报,经项目监理机构审查签认后,建设单位、监理单位、施工单位各存一份。
模板拆除工程检验批质量验收记录
(GB50204-2002)表4.3 编号:020101(2)
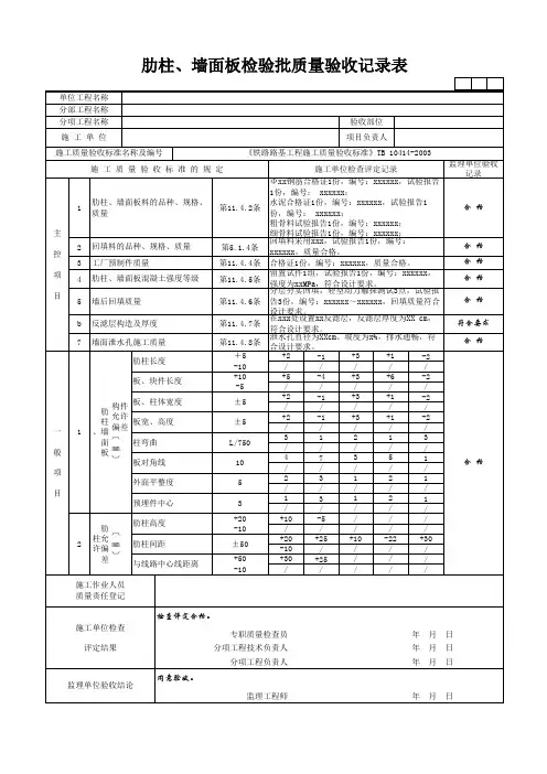
现浇结构外观质量检验批质量验收记录
现浇结构尺寸偏差检验批质量验收记录(I)。
模板安装(含预制构件)工程检验批质量验收记录
〔GB 50204-2002〕表 4.2
对跨度不小于4m的,应按设计要求起拱;当设计无具体要求时,起拱高度宜为跨度的11000~31000。
〔第条〕
〔GB50204-2002〕表 4.2 接上表
柱 L
1000且
≤15 墙板、薄桁架 L
1500且
≤15 L 1500 注:L 为构件长度(mm)。
技术复核记录
工程名称:xx工程施工单位:浙江中凯建立施工编号:
第5 页
第 6 页
技 术 复 核 记 录 工程名称:xx 工程 施工单位:浙江xx 建立 施工编号:
第7 页
钢筋隐蔽工程验收记录
〔GB50204-2002〕编号:
注:本表由施工工程专业质量检查员填写,监理工程师〔建立单位工程技术负责人〕组织工程专业质检员等进展验收
钢筋原材料检验批质量验收记录
钢筋加工检验批质量验收记录
钢筋连接检验批质量验收记录
钢筋安装检验批质量验收记录
混凝土原材料检验批质量验收记录
混凝土配合比设计检验批质量验收记录
〔〕表7.3
编号:020213〔2
混凝土施工检验批质量验收记录
〔GB50204-2002〕表 4.3 对后张法,侧模宜在
现浇构造外观质量检验批质量验收记录
现浇构造尺寸偏差检验批质量验收记录
+8,
5
第21 页。
alc墙板安装检验批表【最新版】目录1.alc 墙板概述2.alc 墙板安装的重要性3.alc 墙板安装检验批表的作用4.alc 墙板安装检验批表的内容5.alc 墙板安装检验批表的填写与使用6.alc 墙板安装检验批表的注意事项正文一、alc 墙板概述ALC 墙板,即蒸压轻质砂加气混凝土墙板,是一种以水泥、砂、石灰等为主要原料,通过蒸压养护而成的轻质墙材。
ALC 墙板因其具有质量轻、强度高、保温隔热性能好、施工方便等特点,被广泛应用于建筑墙体结构中。
二、alc 墙板安装的重要性ALC 墙板的安装质量直接影响到建筑墙体的稳定性、安全性以及建筑的使用寿命。
因此,在 ALC 墙板安装过程中,必须严格按照相关规范和标准进行操作,确保安装质量。
三、alc 墙板安装检验批表的作用ALC 墙板安装检验批表是建筑施工现场对 ALC 墙板安装质量进行检验、评价的重要工具。
通过检验批表,可以清楚地了解 ALC 墙板的安装质量,及时发现和整改质量问题,确保施工质量。
四、alc 墙板安装检验批表的内容ALC 墙板安装检验批表主要包括以下内容:1.工程概况:包括工程名称、工程地点、工程规模、设计单位等。
2.检验批基本信息:包括检验批编号、检验批名称、检验批范围、检验批数量等。
3.检验项目:包括墙板安装质量、构造节点处理质量、墙体垂直度、墙体平整度、板缝处理质量等。
4.检验标准:包括相关规范、标准和设计要求。
5.检验结果:对检验项目进行检验后填写的结果。
6.检验结论:根据检验结果,对 ALC 墙板安装质量进行评价的结论。
7.检验人员及日期:填写检验人员的姓名和检验日期。
五、alc 墙板安装检验批表的填写与使用在 ALC 墙板安装过程中,应按照检验批表的内容填写相关信息。
在填写时,应准确、完整地记录检验数据,确保检验结果的真实性。
同时,检验批表应在施工现场公示,以便各方进行监督和管理。
六、alc 墙板安装检验批表的注意事项1.检验批表的填写应由具备相关资格的人员负责,并由项目技术负责人审核签字。
全套装饰装修施工工程检验批报验申请表
申请部门:[填写申请部门名称]
工程名称:[填写工程名称]
工程位置:[填写工程位置]
施工单位:[填写施工单位名称]
项目负责人:[填写项目负责人名称]
装修工程验收要求:
- [填写验收要求1]
- [填写验收要求2]
- [填写验收要求3]
申请人员及职务:
需报验的工程内容:
报验理由:
[在此处填写报验的理由,包括需要验证的工程内容、装修进度等相关信息]
承诺:
[在此处填写申请人承诺工程质量合格,并愿意承担因工程质量问题产生的相应责任]
申请人签字:[申请人签字]
日期:[填写申请日期]
请注意,此文档仅为全套装饰装修施工工程检验批报验申请表的模板,根据实际情况进行相应修改和填写。
(工程建筑套表)全套装饰装修工程检验批报验申请表砖砌体工程报验申请表工程名称:仁怀市合马镇敬老院工程编号:致:贵州航天工程建设监理有限责任X公司(监理单位)我单位已完成了壹层砖砌体砌筑工作,现报上该工程报验申请表,请予以审查和验收。
附件:1、砖砌体(混水)工程检验批质量验收记录表1份施工单位(章):项目经理:日期:审查意见:项目监理机构:总/专业监理工程师:日期:砖砌体(混水)工程检验批质量验收记录表GB50203-200202030单位(子单位)工程名称仁怀市合马镇敬老院工程分部(子分部)工程名称砖砌体分部工程验收部分壹层施工单位贵州颐中建筑安装工程有限X公司项目经理谭维亮施工执行标准名称及编号施工质量验收规范的规定施工单位检查评定记录监理(建设)单位验收记录主控项目1 砖强度等级设计要求MU2 砂浆强度等级设计要求M3 水平灰缝砂浆饱满度≥80%4 斜槎留置第5.2.3条5 直槎拉结筋及接槎处理第5.2.4条6 轴线位移≤10mm7 垂直度(每层)≤5mm壹般项目1 组砌方法第5.3.1条2 水平灰缝厚度10mm 8~12mm3 基础顶面、楼面标高±15mm4 表面平整度(混水)8mm5 门窗洞口高度宽±5mm6 外墙上下窗口偏移20mm7 水平灰缝平直度(混水)10mm施工单位检查评定结果专业工长(施工员)施工班组长项目专业质量检查员:年月日监理(建设)单位验收结论专业监理工程师:(建设单位项目专业技术负责人):年月日砖砌体工程报验申请表工程名称:仁怀市合马镇敬老院工程编号:致:贵州航天工程建设监理有限责任X公司(监理单位)我单位已完成了二层砖砌体砌筑工作,现报上该工程报验申请表,请予以审查和验收。
附件:1、砖砌体(混水)工程检验批质量验收记录表1份施工单位(章):项目经理:日期:审查意见:项目监理机构:总/专业监理工程师:日期:砖砌体(混水)工程检验批质量验收记录表GB50203-200202030单位(子单位)工程名称仁怀市合马镇敬老院工程分部(子分部)工程名称砖砌体分部工程验收部分二层施工单位贵州颐中建筑安装工程有限X公司项目经理谭维亮施工执行标准名称及编号施工质量验收规范的规定施工单位检查评定记录监理(建设)单位验收记录主控项目1 砖强度等级设计要求MU2 砂浆强度等级设计要求M3 水平灰缝砂浆饱满度≥80%4 斜槎留置第5.2.3条5 直槎拉结筋及接槎处理第5.2.4条6 轴线位移≤10mm7 垂直度(每层)≤5mm壹般项目1 组砌方法第5.3.1条2 水平灰缝厚度10mm 8~12mm3 基础顶面、楼面标高±15mm4 表面平整度(混水)8mm5 门窗洞口高度宽±5mm6 外墙上下窗口偏移20mm7 水平灰缝平直度(混水)10mm施工单位检查评定结果专业工长(施工员)施工班组长项目专业质量检查员:年月日监理(建设)单位验收结论专业监理工程师:(建设单位项目专业技术负责人):年月日砖砌体工程报验申请表工程名称:仁怀市合马镇敬老院工程编号:致:贵州航天工程建设监理有限责任X公司(监理单位)我单位已完成了三层砖砌体砌筑工作,现报上该工程报验申请表,请予以审查和验收。
砖砌体工程报验申请表工程名称:仁怀市合马镇敬老院工程编号:砖砌体(混水)工程检验批质量验收记录表GB50203-2002砖砌体工程报验申请表工程名称:仁怀市合马镇敬老院工程编号:砖砌体(混水)工程检验批质量验收记录表GB50203-2002砖砌体工程报验申请表工程名称:仁怀市合马镇敬老院工程编号:砖砌体(混水)工程检验批质量验收记录表GB50203-2002砖砌体工程报验申请表工程名称:仁怀市合马镇敬老院工程编号:砖砌体(混水)工程检验批质量验收记录表GB50203-2002墙体抹灰工程报验申请表工程名称:仁怀市合马镇敬老院工程编号:5.14.1一般抹灰工程检验批质量验收记录表GB50210—2001墙体抹灰工程报验申请表工程名称:仁怀市合马镇敬老院工程编号:5.14.1一般抹灰工程检验批质量验收记录表GB50210—2001墙体抹灰工程报验申请表工程名称:仁怀市合马镇敬老院工程编号:5.14.1一般抹灰工程检验批质量验收记录表GB50210—2001墙体抹灰工程报验申请表工程名称:仁怀市合马镇敬老院工程编号:5.14.1一般抹灰工程检验批质量验收记录表GB50210—2001墙体粉刷工程报验申请表工程名称:仁怀市合马镇敬老院工程编号:水性涂料涂饰工程检验批质量验收记录表墙体粉刷工程报验申请表工程名称:仁怀市合马镇敬老院工程编号:水性涂料涂饰工程检验批质量验收记录表墙体粉刷工程报验申请表工程名称:仁怀市合马镇敬老院工程编号:水性涂料涂饰工程检验批质量验收记录表墙体粉刷工程报验申请表工程名称:仁怀市合马镇敬老院工程编号:水性涂料涂饰工程检验批质量验收记录表地坪基础垫层工程报验申请表工程名称:仁怀市合马镇敬老院工程编号:5.13.1基土垫层检验批质量验收记录表GB50209—2002(Ⅰ)地坪饰面砖工程报验申请表工程名称:仁怀市合马镇敬老院工程编号:饰面砖粘贴工程检验批质量验收记录表GB50210-2001地坪饰面砖工程报验申请表工程名称:仁怀市合马镇敬老院工程编号:饰面砖粘贴工程检验批质量验收记录表GB50210-2001地坪饰面砖工程报验申请表工程名称:仁怀市合马镇敬老院工程编号:饰面砖粘贴工程检验批质量验收记录表GB50210-2001照明配电箱工程报验申请表工程名称:仁怀市合马镇敬老院工程编号:5.17.1成套配电柜、控制柜(屏、台)和动力、照明配电箱(盘)安装检验批质量验收记录表 GB50303—2002(Ⅲ)照明配电箱(盘)照明配电箱工程报验申请表工程名称:仁怀市合马镇敬老院工程编号:5.17.1成套配电柜、控制柜(屏、台)和动力、照明配电箱(盘)安装检验批质量验收记录表GB50303—2002(Ⅲ)照明配电箱(盘)照明配电箱工程报验申请表工程名称:仁怀市合马镇敬老院工程编号:5.17.1成套配电柜、控制柜(屏、台)和动力、照明配电箱(盘)安装检验批质量验收记录表GB50303—2002(Ⅲ)照明配电箱(盘)电线电缆线槽敷设工程报验申请表工程名称:仁怀市合马镇敬老院工程编号:5.17.2电线导管、电缆导管和线槽敷设检验批质量验收记录表GB50303—2002(Ⅰ)室内060304□□060405□□060502□□电线电缆线槽敷设工程报验申请表工程名称:仁怀市合马镇敬老院工程编号:5.17.2电线导管、电缆导管和线槽敷设检验批质量验收记录表GB50303—2002(Ⅰ)室内060304□□060405□□060502□□电线电缆线槽敷设工程报验申请表工程名称:仁怀市合马镇敬老院工程编号:5.17.2电线导管、电缆导管和线槽敷设检验批质量验收记录表GB50303—2002(Ⅰ)室内060304□□060405□□060502□□照明灯管安装工程报验申请表工程名称:仁怀市合马镇敬老院工程编号:5.17.5普通灯具安装检验批质量验收记录表GB50303—2002060507□□照明灯管安装工程报验申请表工程名称:仁怀市合马镇敬老院工程编号:5.17.5普通灯具安装检验批质量验收记录表GB50303—2002060507□□照明灯管安装工程报验申请表工程名称:仁怀市合马镇敬老院工程编号:5.17.5普通灯具安装检验批质量验收记录表GB50303—2002060507□□。
ALC墙板安装检验批表1. 检验批表简介ALC墙板安装检验批表是用于记录和检查ALC墙板安装工程质量的表格。
通过对施工过程中的每个环节进行检查和验收,确保墙板安装符合规范要求,保证工程质量。
2. 检验批表内容ALC墙板安装检验批表内容通常包括以下几个方面:2.1 基本信息在检验批表的顶部,需要填写基本信息,包括项目名称、工程编号、施工单位、施工日期等。
这些信息有助于标识和追溯工程的具体情况。
2.2 材料验收在墙板安装前,需要对所使用的材料进行验收。
检验批表中应包括材料名称、规格、批号等信息,并对材料的质量、数量进行检查。
例如,检查墙板的平整度、尺寸是否符合要求,检查砂浆的配比是否正确等。
2.3 墙板安装工序检查在墙板安装过程中,需要对每个工序进行检查。
检验批表中应包括墙板的安装位置、墙板尺寸、墙板间隙、墙板固定方式等信息,并对每个工序的施工质量进行检查。
例如,检查墙板的垂直度、水平度是否符合要求,检查墙板的固定是否稳固等。
2.4 现场验收墙板安装完成后,需要进行现场验收。
检验批表中应包括墙板的外观质量、安装质量等信息,并对墙板的整体质量进行检查。
例如,检查墙板的表面是否平整、无明显裂缝,检查墙板的固定是否牢固等。
2.5 问题记录和整改在检验批表中,应设立问题记录和整改栏目。
如发现问题,应立即记录,并对问题进行整改。
记录问题时,应包括问题的具体描述、问题的原因、整改方案等信息。
整改完成后,需要在检验批表中标注整改情况。
3. 检验批表使用注意事项3.1 检验批表填写规范填写检验批表时,应按照规范要求进行,确保填写的信息准确、完整。
对于每个工序的检查,应详细记录具体情况,以便于后续的追溯和整改。
3.2 检验批表保存与归档检验批表应保存完整,并按照工程管理要求进行归档。
这有助于工程质量的监督和追溯。
3.3 检验批表的重要性检验批表是工程质量控制的重要文件,对于确保墙板安装质量至关重要。
监理人员和施工人员应严格按照检验批表的要求进行工作,确保每个环节的质量符合规范。