0510卫生器具满水试验记录20111121
- 格式:doc
- 大小:1.07 MB
- 文档页数:40
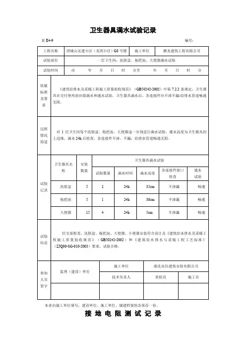
卫生器具满水试验记录
表E4-9 编号:
本表由施工单位填写,建设单位、施工单位、城建档案馆各保存一份。
接地电阻测试记录
表E5-1 编号:
本表由施工单位填写,建设单位、施工单位、城建档案馆各保存一份。
电气绝缘电阻测试记录
表E5-2编号:
本表由施工单位填写,建设单位、施工单位、城建档案馆各保存一份。
管道强度、严密性试验记录
表E4-3 编号:
本表由施工单位填写,建设单位、施工单位、城建档案馆各保存一份。
管道通水试验记录
表E4-4 编号:
本表由施工单位填写,建设单位、施工单位、城建档案馆各保存一份。
管道吹(冲)洗(脱脂)试验记录
表E4-5 编号:
本表由施工单位填写,建设单位、施工单位、城建档案馆各保存一份。
管道灌水试验记表
表E4-1 编号:
本表由施工单位填写,建设单位、施工单位、城建档案馆各保存一份。
防水工程试水检查记录
表E2-3编号:
本表由施工单位填写,建设单位、施工单位、城建档案馆各保存一份。
室内排水管道通球试验记录
表E4-6 编号:
本表由施工单位填写,建设单位、施工单位、城建档案馆各保存一份。
卫生器具满水和通水试验记录卫生器具的满水和通水试验是用来测试和评估卫生器具的密封性和承压性能的一项重要试验。
该试验通常包括连续满水和连续通水两个阶段。
下面是对卫生器具满水和通水试验的详细记录。
试验名称:卫生器具满水和通水试验试验目的:测试卫生器具的密封性和承压性能,确保其在正常使用过程中不会发生水渗漏或压力失效等问题。
试验设备:1.卫生器具(如水槽、浴缸等)x12.水源x13.水压计x14.计时器x15.视觉检查工具(如放大镜、倒置显微镜等)x16.清洁工具(如刷子、棉布等)x1试验步骤:1.准备工作:a.对卫生器具进行初步清洁,去除表面附着的灰尘或杂质;b.检查卫生器具的密封性零件(如密封圈、螺栓等)是否完好,并做必要的更换或维修;c.准备水源,确保其清洁无污染。
2.连续满水试验:a.将水源接至卫生器具的进水口,打开水源开关,以适当的流量连续满水;b.观察卫生器具的各个部位(包括内部和外部)是否有水渗漏现象;c.持续记录满水时间,并观察水位是否有明显下降;d.试验结束后,停止水源供应,并倾倒大部分的水,保留适量的水用于接下来的通水试验。
3.连续通水试验:a.将水源再次接至卫生器具的进水口,打开水源开关,以适当的流量连续通水;b.使用水压计测量通水过程中的压力,并记录压力变化情况;c.观察卫生器具的各个部位是否有水渗漏、压力失效等现象;d.持续记录通水时间,并观察水位是否有明显下降;e.试验结束后,停止水源供应,清洁卫生器具并将试验记录整理保存。
试验结果:对于连续满水试验,我们观察到卫生器具的各个部位均没有发生水渗漏现象,水位也没有明显下降。
试验持续时间为30分钟。
对于连续通水试验,我们测量到通水过程中的压力稳定在2.5巴,并且卫生器具的各个部位也没有发生水渗漏或压力失效等现象。
试验持续时间为60分钟。
结论:根据我们的观察和记录,在满水和通水试验中,卫生器具表现出良好的密封性和承压性能。
在正常使用过程中,不会出现水渗漏或压力失效等问题。
卫生洁具满水和通水实验记录
编号:工程名称分项工程名称卫生洁具项目经理
施工单位验收部位
施工执行标准名称及编号
《建筑装饰装修工程质量验收规范》GB 50210 - 2001/
《建筑给排水及采暖工程施工质量验收规范》GB50242-2002
专业工长
(施工员)
郑亚男
卫生器具数量实验结果
卫生间坐便器 2 满水无渗漏,排水顺畅。
卫生间台盆 4 满水无渗漏,排水顺畅。
卫生间地漏 6 满水无渗漏,排水顺畅。
卫生间蹲便器 6 满水无渗漏,排水顺畅。
说明:
将卫生间内卫生器具排水口处封堵好,往地面及卫生器具内注满自来水,静置1小时,液面不下降,观察周围不渗漏,去掉封堵物后用自来水冲洗,排水顺畅。
施工单位检查结果评定项目专业项目专业
质量检查员:技术负责人:
年月日
监理(建设)单位验收结论专业监理工程师:
(建设单位项目专业技术负责人)
年月日。