单跨钢梁计算程序
- 格式:xls
- 大小:205.00 KB
- 文档页数:14
钢结构简支梁计算小程序钢结构简支梁是工程建设中经常用到的结构形式。
梁的设计及计算一直是工程结构设计的重要组成部分,钢结构简支梁也不例外。
本文将钢结构简支梁的计算情况进行详细介绍。
一、构件力学模型假定钢结构简支梁是简化的构件力学模型,其假定梁为纯弯构件,即梁上施加的荷载只产生弯矩而不产生轴力和剪力。
此外,其假定梁材料为各向同性的线性弹性材料,且梁截面形状保持不变,即弯矩不会导致变形。
二、计算模型钢结构简支梁计算模型采用弯矩-曲率方程,其假定在梁的任意截面处,梁截面的曲率与弯矩大小成正比。
梁的截面形状被认为是恒定的,其变形仅由弯曲形成,且弯曲时保持平面且垂直于梁长度方向。
三、计算步骤1、确定荷载类型及荷载大小:荷载类型有分布荷载和集中荷载两种,荷载大小需参照设计规范标准。
2、选择适当的截面型号:根据所选用的荷载大小和梁所在的跨度确定截面型号,一般情况下,截面型号越大,其强度越好,且经济性更优。
3、计算梁的配筋:根据所选用的截面型号和荷载大小计算梁的配筋情况,为保证结构的安全性,梁的配筋需满足要求。
4、计算梁的弯矩:弯矩的计算需根据所选用的荷载情况和特定的截面形状计算得出。
5、计算梁的截面曲率:根据所选用的截面型号和弯矩计算梁的截面曲率。
6、根据所选用的截面型号和弯矩计算出梁的最大弯曲应力。
7、根据计算所得的最大弯曲应力和钢材的弹性模量计算出最大曲率。
8、进行截面验算:截面验算是为了确定所选用的截面是否满足所选用的荷载情况下的强度要求,减少出现结构破坏的可能性。
四、注意事项1、在进行钢结构简支梁的设计计算过程中,需要严格遵守设计规范标准,确保结构的安全性和合理性。
2、在进行荷载计算过程中,应去除其它荷载产生的弯矩。
3、在选择截面型号时,应综合考虑强度、经济性和实际可行性,进行合理选择。
4、在配筋计算过程中,应根据设计规范标准计算得出所需配筋,确保结构的强度满足要求。
5、在进行截面验算时,应确认所选用的截面型号是否满足所选用荷载产生的最大曲率和最大弯曲应力要求。
钢梁整体稳定性验算步骤1.根据《钢结构设计规范》(GB 50017-2003) 421条,判断是否可不计算梁的 整体稳定性。
2.如需要计算2.1等截面焊接工字形和轧制H 型钢简支梁y(c)加强受拉翼缘的单轴 对称焊接丄字形截面1) 根据表B1注1,求Jllt x11——H 型钢或等截面工字形简支梁受压翼缘的自由长度,对跨中无侧向支 承点的梁,h 为其跨度:对跨中有侧向支撐点的梁,h 为受压翼缘侧向支承点间 的距离(梁的支座处视为有侧身支承)。
bi ----- 截面宽度。
6)双轴对称焊接工字形截面(b)加强受压翼缘的单 轴对称焊接匸字形截面 (d)轧制H 型钢截面2)根据表Bl,求血。
3)根据公式B.l・l注,求Ii和I?,求皆如果ab>0.8,根据表B.1注6,调整IV 4)根据公式B.l・l注,计算小。
5)根据公式B.1-1,计算牡。
6)7)根据公式4.2.2,验算稳定性。
2.2轧制普通工字钢简支梁1)根据表B.2选取q)bo2)如果(pb>0.6,根据公式B.1-2,釆用吐代替血。
3)根据公式4.2.2,验算稳定性。
23轧制槽钢简支梁1)根据公式B.3,计算(pb°2)如果<pb>0.6,根据公式B.1-2,采用吐代替血。
3)根据公式4.2.2,验算稳定性。
2.4双轴对称工字形等截面(含H型钢)悬臂梁1)根据表B.1注1,求g。
11——悬臂梁的悬伸长度。
bi ------ 截面宽度。
2)根据表B.4,求际3)根据公式B.1-1,计算牡。
4)如果(Pb>0.6,根据公式B.1-2,采用吐代替<?b。
5)根据公式4.2.2,验算稳定性。
2.5受弯构件整体稳定系数的近似计算(均匀弯曲,A y<120V2357fy)2.5.1工字形截面(含H型钢)双轴对称1)根据公式B.5-1,计算<pb,当(PbX).6时,不必根据公式B.1-2,采用0b 代替<?b,当<Pb>1.0,取q)b=1.0o2)根据公式4.2.2,验算稳定性。
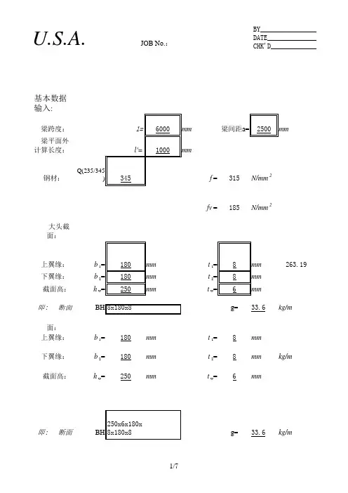
单 跨 等 截 面 简 支 钢 梁 计 算基本数据输入:梁跨度:梁间距 钢材:f =315N/mm 2fv =185N/mm 2 大头截面:上翼缘:b 1t 1263.19下翼缘:b 2t 2 截面高:h w t w 即: 断面BH 250x6x180x8x180x8g=33.6kg/m小头截面: 上翼缘:b 1=180mm t 1=8mm 下翼缘:b 2=180mm t 2=8mm kg/m截面高:h w =250mmt w =6mm 即: 断面BH 250x6x180x8x180x8g=33.6kg/m 2.截面验算:(1)弯矩及剪力的验算:钢梁换算平均自重:恒 载:g 1k =11.65KN/m活 载:q c 2 p k =17.90KN/mp =22.73KN/m弯矩:M =102.30KN ·m 剪力:V =68.20KN(2)钢梁的强度、稳定和挠度的验算:钢梁上翼缘应力:σ1=263.19N/mm2钢梁下翼缘应力:σ2=263.19N/mm2钢梁剪应力:τ=45.47N/mm2挠度:w=30.2mmw/l=1/1993.参数统计1.构件总重:201.78Kg扩大系数:2.构件实际重量:232.04Kg截面特性计算:钢梁截面:A 0=4284mm 2 重量33.6钢梁中和轴的位置:y 0=125mm钢梁对X轴截面惯性矩:I z = 4.86E+07mm 4 钢梁上翼缘的弹性抵抗矩:W 1x = 3.89E+05mm 3 钢梁下翼缘的弹性抵抗矩:W 2x = 3.89E+05mm 3199 钢梁对Y轴截面惯性矩:I y =7.78E+06mm 4i y =49.6 mmy =20.1上翼缘对Y 轴的惯性矩:I 1= 6.67E+06mm 4 下翼缘对Y 轴的惯性矩:I 2= 3.89E+06mm 4截面特性计算:钢梁截面:A 0=4284mm 2 重量33.6钢梁中和轴的位置:y 0=125mm钢梁对X轴截面惯性矩:I z = 4.86E+07mm 4 钢梁上翼缘的弹性抵抗矩:W 1x = 3.89E+05mm 3 钢梁下翼缘的弹性抵抗矩:W 2x = 3.89E+05mm 3 钢梁对Y轴截面惯性矩:I y =7.78E+06mm 4i y =49.6 mmy =20.1上翼缘对Y 轴的惯性矩:I 1= 6.67E+06mm 4 下翼缘对Y 轴的惯性矩:I 2= 3.89E+06mm40.63截面不对称影响系数:0.210.18 工字形截面简支梁的系数0.71=+=211I I I b α=-=)12(8.0b b αη=bβ==hb t l 111ξλλU.S.A.JOB No.:__________BY________________DATE______________CHK'D_____________14.40 1.00=bβ=bφ='bφU.S.A.JOB No.:__________BY________________DATE______________CHK'D_____________kg/m。
钢梁整体稳定性验算步骤1.根据《钢结构设计规范》(GB 50017-2003)条,判断是否可不计算梁的整体稳定性。
2. 如需要计算等截面焊接工字形和轧制H 型钢简支梁b 1b 1t 1t 1hxx y yb 1b 2t 2xx y yht 1y(a)双轴对称焊接工字形截面(b)加强受压翼缘的单轴对称焊接工字形截面b 1b 2t 1xy y(c)加强受拉翼缘的单轴对称焊接工字形截面t 2x hb 1b 1t 1hxx y y(d)轧制H 型钢截面t 11)根据表注1,求ξ。
l 1——H 型钢或等截面工字形简支梁受压翼缘的自由长度,对跨中无侧向支承点的梁,l1为其跨度;对跨中有侧向支撑点的梁,l1为受压翼缘侧向支承点间的距离(梁的支座处视为有侧身支承)。
b1——截面宽度。
2)根据表,求βb。
3)根据公式注,求I1和I2,求αb。
如果αb>,根据表注6,调整βb。
4)根据公式注,计算ηb。
5)根据公式,计算φb。
6)如果φb >,根据公式,采用φ’b代替φb。
7)根据公式,验算稳定性。
轧制普通工字钢简支梁1)根据表选取φb。
2)如果φb >,根据公式,采用φ’b代替φb。
3)根据公式,验算稳定性。
轧制槽钢简支梁1)根据公式,计算φb。
2)如果φb >,根据公式,采用φ’b代替φb。
3)根据公式,验算稳定性。
双轴对称工字形等截面(含H型钢)悬臂梁1)根据表注1,求ξ。
l1——悬臂梁的悬伸长度。
b1——截面宽度。
2)根据表,求βb。
3)根据公式,计算φb。
4)如果φb >,根据公式,采用φ’b代替φb。
5)根据公式,验算稳定性。
受弯构件整体稳定系数的近似计算(均匀弯曲,)工字形截面(含H型钢)双轴对称1)根据公式,计算φb ,当φb>时,不必根据公式,采用φ’b代替φb,当φb >,取φb=。
2)根据公式,验算稳定性。
工字形截面(含H型钢)单轴对称1)根据公式,计算φb ,当φb>时,不必根据公式,采用φ’b代替φb,当φb >,取φb=。
钢梁整体稳定性验算步骤1.根据《钢结构设计规范》(GB50017-2003)4.2.1条,判断是否可不计算梁的整体稳定性。
2.如需要计算2.1等截面焊接工字形和轧制H型钢简支梁1)根据表B.1注1,求ξ。
ξl1——H型钢或等截面工字形简支梁受压翼缘的自由长度,对跨中无侧向支承点的梁,l1为其跨度;对跨中有侧向支撑点的梁,l1为受压翼缘侧向支承点间的距离(梁的支座处视为有侧身支承)。
b1——截面宽度。
2)根据表B.1,求βb。
3)根据公式B.1-1注,求I1和I2,求αb。
如果αb>0.8,根据表B.1注6,调整βb。
4)根据公式B.1-1注,计算ηb。
5)根据公式B.1-1,计算φb。
6)如果φb>0.6,根据公式B.1-2,采用φ’b代替φb。
7)根据公式4.2.2,验算稳定性。
2.2轧制普通工字钢简支梁1)根据表B.2选取φb。
2)如果φb>0.6,根据公式B.1-2,采用φ’b代替φb。
3)根据公式4.2.2,验算稳定性。
2.3轧制槽钢简支梁1)根据公式B.3,计算φb。
2)如果φb>0.6,根据公式B.1-2,采用φ’b代替φb。
3)根据公式4.2.2,验算稳定性。
2.4双轴对称工字形等截面(含H型钢)悬臂梁1)根据表B.1注1,求ξ。
ξl1——悬臂梁的悬伸长度。
b1——截面宽度。
2)根据表B.4,求βb。
3)根据公式B.1-1,计算φb。
4)如果φb>0.6,根据公式B.1-2,采用φ’b代替φb。
5)根据公式4.2.2,验算稳定性。
2.5受弯构件整体稳定系数的近似计算(均匀弯曲,)2.5.1工字形截面(含H型钢)双轴对称1)根据公式B.5-1,计算φb,当φb>0.6时,不必根据公式B.1-2,采用φ’b代替φb,当φb>1.0,取φb=1.0。
2)根据公式4.2.2,验算稳定性。
2.5.2工字形截面(含H型钢)单轴对称1)根据公式B.5-2,计算φb,当φb>0.6时,不必根据公式B.1-2,采用φ’b代替φb,当φb>1.0,取φb=1.0。
钢梁整体稳定性验算步骤1. 根据《钢结构设计规范》(GB 50017-2003)4.2.1条,判断是否可不计算梁的整体稳定性。
2. 如需要计算2.1 等截面焊接工字形和轧制H 型钢简支梁xyxy(a)双轴对称焊接工字形截面(b)加强受压翼缘的单轴对称焊接工字形截面y (c)加强受拉翼缘的单轴对称焊接工字形截面y (d)轧制H 型钢截面1)根据表B.1注1,求ξ。
ξl 1——H 型钢或等截面工字形简支梁受压翼缘的自由长度,对跨中无侧向支承点的梁,l 1为其跨度;对跨中有侧向支撑点的梁,l 1为受压翼缘侧向支承点间的距离(梁的支座处视为有侧身支承)。
b 1——截面宽度。
2)根据表B.1,求βb。
3)根据公式B.1-1注,求I1和I2,求αb。
如果αb>0.8,根据表B.1注6,调整βb。
4)根据公式B.1-1注,计算ηb。
5)根据公式B.1-1,计算φb。
6)如果φb>0.6,根据公式B.1-2,采用φ’b代替φb。
7)根据公式4.2.2,验算稳定性。
2.2 轧制普通工字钢简支梁1)根据表B.2选取φb。
2)如果φb>0.6,根据公式B.1-2,采用φ’b代替φb。
3)根据公式4.2.2,验算稳定性。
2.3 轧制槽钢简支梁1)根据公式B.3,计算φb。
2)如果φb>0.6,根据公式B.1-2,采用φ’b代替φb。
3)根据公式4.2.2,验算稳定性。
2.4 双轴对称工字形等截面(含H型钢)悬臂梁1)根据表B.1注1,求ξ。
ξl1——悬臂梁的悬伸长度。
b1——截面宽度。
2)根据表B.4,求βb。
3)根据公式B.1-1,计算φb。
4)如果φb>0.6,根据公式B.1-2,采用φ’b代替φb。
5)根据公式4.2.2,验算稳定性。
2.5 受弯构件整体稳定系数的近似计算(均匀弯曲,)2.5.1 工字形截面(含H型钢)双轴对称1)根据公式B.5-1,计算φb,当φb>0.6时,不必根据公式B.1-2,采用φ’b 代替φb,当φb>1.0,取φb=1.0。
钢结构钢梁计算方法详解范本一:钢结构钢梁计算方法详解一:引言1.1 本章介绍钢结构钢梁计算方法文档的目的和篇章结构。
二:基本原理2.1 钢结构概述2.1.1 钢结构的定义和特点2.1.2 钢结构的分类2.1.3 钢结构的优点和应用范围2.2 钢梁的基本概念2.2.1 钢梁的定义和组成部分2.2.2 钢梁的分类和命名规则2.2.3 钢梁的荷载和受力情况三:计算方法3.1 钢梁计算的基本原理3.1.1 钢梁的强度计算原理3.1.2 钢梁的稳定性计算原理3.2 钢梁的截面计算方法3.2.1 标准截面的计算方法3.2.2 非标准截面的计算方法3.3 钢梁的受力计算方法3.3.1 钢梁在弯曲力作用下的计算方法3.3.2 钢梁在剪力作用下的计算方法3.3.3 钢梁在轴力作用下的计算方法3.4 钢梁的稳定性计算方法3.4.1 钢梁的侧扭稳定性计算方法3.4.2 钢梁的屈曲稳定性计算方法四:计算实例4.1 钢梁截面计算实例4.2 钢梁受力计算实例4.3 钢梁稳定性计算实例附件:1. 钢结构设计规范相关文件2. 钢梁计算所用的公式和计算表格法律名词及注释:1. 钢结构设计规范:指国家有关钢结构设计的法律法规文件,包括《钢结构设计规范》等。
2. 钢梁:指钢结构中用于承担和传递荷载的横向构件。
范本二:钢结构钢梁计算方法详解一:前言1.1 本文档旨在详细介绍钢结构钢梁计算方法,以读者理解和应用该计算方法。
二:基本概念2.1 钢结构基本概念2.1.1 钢结构的定义与分类2.1.2 钢结构的特点与应用范围2.2 钢梁基本概念2.2.1 钢梁的定义与构成2.2.2 钢梁的分类与命名规则2.2.3 钢梁的荷载与受力情况三:计算原理3.1 钢梁计算基本原理3.1.1 钢梁强度计算原理3.1.2 钢梁稳定性计算原理3.2 钢梁截面计算方法3.2.1 标准截面计算方法3.2.2 非标准截面计算方法3.3 钢梁受力计算方法3.3.1 弯曲力作用下的计算方法3.3.2 剪力作用下的计算方法3.3.3 轴力作用下的计算方法3.4 钢梁稳定性计算方法3.4.1 侧扭稳定性计算方法3.4.2 屈曲稳定性计算方法四:计算案例4.1 钢梁截面计算案例4.2 钢梁受力计算案例4.3 钢梁稳定性计算案例附件:1. 相关设计规范文档2. 计算所用公式与表格法律名词及注释:1. 钢结构设计规范:指国家有关钢结构设计的法律法规文件,例如《钢结构设计规范》等。
钢梁整体稳定性验算步骤1. 根据《钢结构设计规范》(GB 50017-2003)4.2.1条,判断是否可不计算梁的整体稳定性。
2. 如需要计算2.1 等截面焊接工字形和轧制H 型钢简支梁xyxy(a)双轴对称焊接工字形截面(b)加强受压翼缘的单轴对称焊接工字形截面y (c)加强受拉翼缘的单轴对称焊接工字形截面y (d)轧制H 型钢截面1)根据表B.1注1,求ξ。
ξl 1——H 型钢或等截面工字形简支梁受压翼缘的自由长度,对跨中无侧向支承点的梁,l 1为其跨度;对跨中有侧向支撑点的梁,l 1为受压翼缘侧向支承点间的距离(梁的支座处视为有侧身支承)。
b 1——截面宽度。
2)根据表B.1,求βb。
3)根据公式B.1-1注,求I1和I2,求αb。
如果αb>0.8,根据表B.1注6,调整βb。
4)根据公式B.1-1注,计算ηb。
5)根据公式B.1-1,计算φb。
6)如果φb>0.6,根据公式B.1-2,采用φ’b代替φb。
7)根据公式4.2.2,验算稳定性。
2.2 轧制普通工字钢简支梁1)根据表B.2选取φb。
2)如果φb>0.6,根据公式B.1-2,采用φ’b代替φb。
3)根据公式4.2.2,验算稳定性。
2.3 轧制槽钢简支梁1)根据公式B.3,计算φb。
2)如果φb>0.6,根据公式B.1-2,采用φ’b代替φb。
3)根据公式4.2.2,验算稳定性。
2.4 双轴对称工字形等截面(含H型钢)悬臂梁1)根据表B.1注1,求ξ。
ξl1——悬臂梁的悬伸长度。
b1——截面宽度。
2)根据表B.4,求βb。
3)根据公式B.1-1,计算φb。
4)如果φb>0.6,根据公式B.1-2,采用φ’b代替φb。
5)根据公式4.2.2,验算稳定性。
2.5 受弯构件整体稳定系数的近似计算(均匀弯曲,)2.5.1 工字形截面(含H型钢)双轴对称1)根据公式B.5-1,计算φb,当φb>0.6时,不必根据公式B.1-2,采用φ’b 代替φb,当φb>1.0,取φb=1.0。