《矿山安全术语》word版
- 格式:doc
- 大小:493.00 KB
- 文档页数:53
煤矿安全术语煤矿安全是指采掘、加工和运输煤炭所需遵守的一系列安全规范和措施。
在煤矿生产环节中,安全术语是保障煤矿安全的重要手段之一。
本文将重点介绍煤矿安全术语,以便提高煤矿安全管理的效率和水平。
一、煤矿安全标准(1)国家标准:指国家规定的煤矿安全标准。
其中包括六项国家安全标准:煤矿井下安全规程、煤矿井下通风规程、煤矿井下运输安全规程、煤矿井下安全生产设施规范、煤矿安全识别标志标准及煤矿安全生产检查规范。
(2)企业标准:指企业制定的煤矿安全标准。
企业标准要求高于国家标准,是确保煤矿安全的重要保障。
(3)职业病防治标准:指保障工人健康和预防职业病的一系列标准,它与煤矿安全有着密不可分的关系。
职业病防治标准制定的目的是预防和治疗职业病,从而提高工人的工作效率。
二、煤矿瓦斯管理(1)瓦斯涌出:煤矿采掘中,由于地质构造、煤层岩性、开采工艺等因素,瓦斯会从煤层中涌出到工作面和采场,造成隐患。
(2)瓦斯抽采:为了减少瓦斯涌出对采掘工作的影响,需要在煤矿中设置瓦斯抽采设施进行瓦斯的抽采。
(3)瓦斯浓度:煤矿中指空气中瓦斯的浓度。
瓦斯浓度超过一定范围时,会引起爆炸和中毒事故。
(4)瓦斯监测:为了及时掌握瓦斯浓度,需要对煤矿中的瓦斯浓度进行监测,以便采取相应的应急措施和预防措施。
三、火灾事故管理(1)火源控制:煤矿火灾事故最主要的原因是电气火灾和机械火灾,在煤矿生产中要注重火源控制。
(2)火灾报警:在煤矿中设置火灾报警装置,并进行定期检测和测试,以便在发生火灾时及时报警,进行应急处理。
(3)灭火设备:在煤矿中配置灭火设备,以便在火灾发生时进行灭火处理。
(4)火灾应急预案:为了应对突发的火灾事故,煤矿需要制定火灾应急预案,明确预案重要部门和人员的职责和应急处置措施。
四、安全生产管理(1)安全教育:为了提高煤矿工人的安全意识和自我保护能力,煤矿要开展安全教育。
(2)危险标志:煤矿中应根据危险度设置危险标志,以提醒工人注意危险。
煤矿安全用语大全煤矿安全是煤矿生产中最重要的任务之一,关系到员工的生命安全和煤矿企业的可持续发展。
为了提高煤矿安全水平,必须加强安全培训,采取科学的安全措施,并建立一套有效的安全用语体系。
下面是一份关于煤矿安全用语的参考内容,以提高员工的安全意识和减少事故发生的可能性。
一、安全宣传用语:1. 安全第一,生产第二;2. 安全生产理念贯穿工作始终;3. 煤矿安全是我们的责任;4. 立足岗位,维护安全;5. 安全责任由我,事故防范靠大家;6. 安全是保持企业良性循环的基础;7. 安全事故没有预兆,常备安全意识应时刻保持;8. 安全无小事,小事有大患;9. 安全防范,人人有责;10. 安全损失无价,文明施工节约资料。
二、安全管理用语:1. 了解岗位安全规章制度,保证作业安全;2. 细致考察作业环境,确保安全施工;3. 注意作业时间,遵守操作规程;4. 设备维护保养常态化,降低事故发生率;5. 安全事故隐患及时报告,共同维护安全;6. 不乱抛废弃物,保持作业环境整洁;7. 严禁使用无证无标准设备;8. 重视隐身危险,保持警觉;9. 组织安全培训周期,提高员工安全意识;10. 立即报告危险隐患,拒绝违规行为。
三、矿井防治用语:1. 严禁私自进入有禁区;2. 工作面增加支架,保护周边工作区域;3. 采掘工作应有足够强度的支架;4. 随机巡逻,尽早发现危险;5. 停车坡道要牢牢保持清洁;6. 各部门联动,形成有效的推进机制;7. 坡道斜度应根据工况调整;8. 严格控制瓦斯含量,减少瓦斯事故;9. 定期检修水平净化设备;10. 坚决杜绝私挖掏矿行为。
四、事故排查和应急措施用语:1. 安全检查不放过任何一个盲区;2. 定期组织演练,加强应急能力;3. 严禁携带易燃易爆物品进入煤矿;4. 员工必须熟悉逃生通道;5. 加强隐患排查,及时报告;6. 能见度低时要注意自身安全;7. 紧急疏散时保持队列有序;8. 学会正确的逃生方式;9. 靠近疏散通道进出口建设逃生标识;10. 运输工具上使用安全带。
矿山安全术语1.
1 .主题内容与适用范围
本标准规定了矿山安全的术语及定义。
本标准适用于有关部门制、修订法规标准、规程、规范、文件、教材、文献、书刊和手册,也适用于教学、科研、生产、经营、新闻出版及国际交往。
矿山安全术语3.
9 .矿井通风
矿山安全术语4.
本标准由中华人民共和国劳动部提出。
本标准由重庆大学资源及环境工程学院负责起草。
本标准主要起草人徐光明、吴泽源、张明黔、陈春贵、曹树刚、涂明志。
中华人民共和国国家标准. GB/T 15259-94.
矿山安全术语. Terms relating to mine safety.
国家技术监督局1994-10-19批准,1995-06-01实施.。
煤矿安全用语大全
煤矿安全是一项十分重要的工作,为了保障矿工的生命安全,以下是一些煤矿安全用语大全:
1. 安全是第一位的:在任何情况下,矿工们的生命安全都是最重要的,不能为了利益而忽略安全。
2. 全员安全责任制:矿区内每个员工都应该认真履行自己的职责,切实承担起安全责任。
3. 检查设备:定期检查煤矿设备的运行状况,及时发现和解决存在的问题。
4. 不私自改动设备:严禁任何人私自改动煤矿设备,如需更改应该与相关人员商议后才能实施。
5. 现场烟火禁止:在煤矿工作现场,一切火源、烟火都禁止,以防发生火灾。
6. 统一制定预案:煤矿应制定灾害应急预案,明确煤矿的灾害情况和应急措施,以应对灾害发生。
7. 带好安全帽:进入煤矿作业现场前,应佩戴好防护帽,以防发生坍塌等危险。
8. 保持通讯畅通:煤矿作业现场应保持通讯畅通,及时传递信息,以便在危机发生时能够第一时间作出决策。
9. 禁止擅自下井:矿工在未经安全人员检查和确认安全之前,严禁擅自下井,以防危险事件的发生。
10. 定期开展安全教育:每个矿工都应该定期参加安全教育,以了解煤矿安全方面的最新知识,提高安全意识。
总之,煤矿安全是一项棘手的工作,需要所有工作人员的共同努力和高度关注,只有全员积极参与,才能保障煤矿工作的安全和稳定。
煤矿安全术语汇总2. 煤矿通风系统:指煤矿中用来保持煤矿内空气清新,排除有害气体、温度和湿度的通风系统,通风系统包括风井、风筒、回风筒、通风机等设备。
3. 煤矿安全监测系统:是指用来监测煤矿内有害气体、温度、湿度等安全指标的监测系统,一旦监测到异常情况,能够及时报警并采取相应的应急措施。
4. 煤矿逃生通道:是指煤矿内专门设置的逃生通道,保障矿工在发生意外时能够迅速逃离危险区域,通道应保持畅通、安全设施完备。
5. 煤矿安全生产标准化:是指煤矿企业按照国家相关标准,严格执行各项安全生产管理制度,确保生产过程中的安全。
6. 煤矿事故紧急救援预案:是指煤矿企业制定的用于应对煤矿事故的应急救援预案,包括事故发生后的救援程序、人员组织、装备使用等细节安排。
7. 煤矿瓦斯抽采系统:是指用来抽采煤矿中产生的有害瓦斯的系统,以保障矿工的安全生产。
8. 煤矿安全设备:包括安全帽、防护面具、防毒面具、安全鞋、救生绳等安全工具和装备,确保矿工在生产过程中的安全。
9. 煤矿事故报告与调查制度:是指煤矿企业在发生事故后,要及时向有关部门和上级主管部门报告事故情况,并展开全面的事故调查,查明事故原因,并采取相应措施避免再次发生类似事故。
10. 煤矿安全教育培训:是指煤矿企业定期对矿工进行安全生产教育培训,提高矿工的安全意识和应对突发情况的能力。
煤矿安全生产一直是国家关注的重点领域,也是煤矿企业必须高度重视的问题。
为了确保煤矿安全生产,煤矿企业需要建立完善的安全管理制度,包括煤矿通风系统、安全监测系统、逃生通道、瓦斯抽采系统等一系列安全设施和措施,以确保矿工能够在安全的工作环境下进行生产。
首先,煤矿通风系统是煤矿安全生产的关键环节之一。
煤矿内的通风系统需要保证有害气体和粉尘得到及时排除,煤矿内的空气能够保持清新,并且能够调节温度和湿度,以提供矿工良好的工作环境。
通风系统主要包括风井、风筒、通风机等设备,需要定期检查和维护,确保其正常运行。
◆安全生产方针:“安全第一、预防为主、综合治理”。
◆瓦斯治理十二字方针:“先抽后采、以风定产、监测监控”。
◆探放水十六字原则:“预测预报、有疑必探、先探后掘、先治后采”。
◆瓦斯排放二十字要领:“从外向里、逐段排放、错口对接、由小到大、循序渐进”。
严禁“一风吹”排放瓦斯。
◆两个责任主体和两个负责制:政府是安全生产的监管主体,企业是安全生产的责任主体;政府行政首长负责制和企业法定代表人负责制。
这两个责任制是我国安全生产工作的基本责任制度。
◆双基两化工作:“基层建设、基础工作”和“安全质量标准化、采掘机械化”工作。
◆两型三化矿井:“安全高效型、本质安全型”和“基础管理精细化、技术装备现代化、人员培训制度化”矿井。
◆一通三防:通风、防瓦斯、防火、防尘。
◆一炮三检制:装药前、放炮前、放炮后检查瓦斯浓度。
◆三人联锁放炮制:班长、爆破工、瓦斯检查员“三人”联锁进行放炮。
放炮前,爆破工将警戒牌交给班长,由班长指定专人警戒,下达放炮命令,并将自己携带的放炮命令牌交给瓦斯检查员,瓦斯检查员经检查瓦斯、煤尘合格后,将自己携带的放炮牌交给爆破工,爆破工发出放炮口令,并吹哨进行放炮,放炮后三牌各归原主。
◆雨季三防:防署、防讯、防雷电。
◆冬季三防:防冻、防火、防中毒。
◆瓦斯爆炸三条件:瓦斯浓度在爆炸界限内,一般为5%—16%;混合气体中的氧气浓度不低于12%;有足够能量的点火源,一般为650℃—750℃。
◆煤尘爆炸三条件:煤尘本身具有爆炸性,且煤尘浮游在空气中并达到一定浓度(45g-2000g/m3);有能引起爆炸热源的存在(610℃-1050℃);氧气浓度不低于18%。
◆三大保护:供电系统(包括小型电器)的过流保护、接地保护和漏电保护。
◆三反意识:隐患查处用脑反思、施工质量用眼反查、措施落实用口反问。
◆化学品:指各种化学元素、由元素(单质)组成的化合物及其混合物,包括天然的或者人造的。
◆危险化学品:指具有易燃、易爆、有毒、有害、腐蚀及放射特性,会对人员、设施、环境造成伤害或损害的化学品,均属危险化学品。
煤矿术语大全————————————————————————————————作者:————————————————————————————————日期:ﻩ1、三大规程——煤矿安全规程;操作规程;作业规程。
2、三大权利——职工有权制止违章作业,拒绝违章指挥;当工作地点出现险情时,有权立即停止作业,撤到安全地点;当险情没有得到处理不能保证人身安全时,有权拒绝作业。
3、三不放过——事故原因不追查清楚不放过;事故责任者和群众没有受到教育不放过;没有防范措施不放过。
4、三不原则——不安全不生产;隐患不消除不生产;安全措施不落实不生产。
5、三不伤害——不伤害自己;不伤害他人;不被人伤害。
6、一通三防——通风;防治瓦斯、防灭火、防治煤尘。
7、一炮三检——装药前、放炮前、放炮后要认真检查放炮地点的瓦斯,若瓦斯浓度超过1%,则不准放炮。
8、三违现象——违章作业;违章指挥;违反劳动纪律。
9、三人连锁放炮——放炮前放炮员将警戒牌交给班组长,由班组长派人警戒,下达放炮命令,并将自己携带的放炮命令牌交给瓦斯检查员,瓦斯检查员经检查瓦斯、煤尘合格后,将自己携带的放炮牌交给放炮员;放炮员发出放炮口哨进行放炮,放炮后三牌各归原主。
10、瓦斯爆炸的三个条件——瓦斯浓度在5%~16%爆炸范围内;引爆火源温度在650~7500C;空气中的氧气浓度大于12%。
11、煤尘爆炸的三个条件——煤尘本身具有爆炸性;悬浮于空气中的煤尘具有一定浓度;点燃煤尘爆炸的热源。
12、三专两闭锁——专用变压器、专用开关、专用线路;风电闭锁、瓦斯电闭锁。
13、三大保护——供电系统(包括小型电器)的过流保护、接地保护和漏电保护。
14、井下安全供电的“三无”、“三全”、“三坚持”——三无:无鸡爪子、无羊尾巴、无明接头;三全:保护装置全、绝缘用具全、图纸资料全;三坚持:坚持使用检漏继电器,坚持使用煤电钻、照明和信号保护装置,坚持使用瓦斯电和风电闭锁。
15、三直一平——工作面煤壁、刮板输送机、每排支柱各成一条直线,这三条直线要互相平行。
煤矿安全术语矿山安全术语GB/T15259-94主题内容与合用范围本标准规定了矿山安全的术语及定义。
本标准合用于相关部门制、订正法例标准、规程、规范、文件、教材、文件、书刊和手册,也合用于教课、科研、生产、经营、新闻第一版及国际交往。
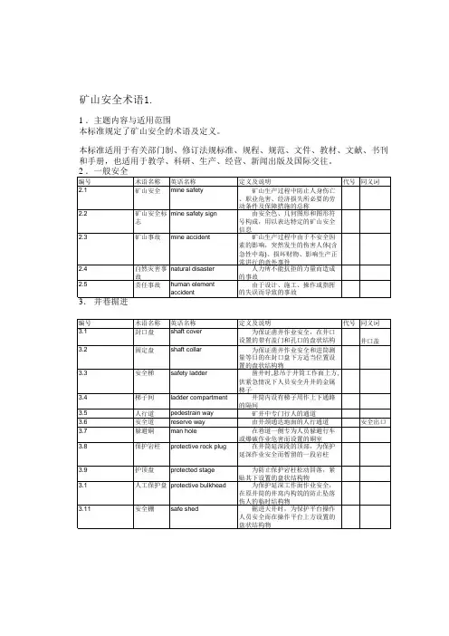
井巷掘进编号术语名称英语名称定义及说明代号同义词3.1 封口盘shaftcover 为保证凿井作业安全,在井口设置的副有盖门和井口盖孔口的盘状构造物3.2 固定盘shaftcollar 为保证凿井作业安全和井筒丈量等目的在封口盘下方适合地点设置的盘状构造物3.3 安全梯safetyladder 凿井时,悬吊于井筒工作面上方,供紧迫状况下人员安全升井的金属梯子3 .4梯子间ladder井筒内设有梯子用作上下通路的隔间compartment3 .5人行道pedestrain矿井中特意行人的通道way3 .6安全道reserveway由井颈通畅地面的人行通道安全出口3 .7闪避洞manhole在巷道一侧专为人员闪避行车或爆破作业危害而设置的硐室3 .8保护岩柱protective在井筒延深段的顶部,为保护延深作业安全而暂plug留的一段岩柱3 .9护顶盘protected为防备保护岩柱松动冒落,紧贴其下设置的盘状stage构造物3 .10人工保护protective为保护延深工作面作业安全,在原井筒的井窝内bulkhead盘组成筑的防备坠落伤人的暂时构造物3 .11安全棚safeshed掘进天井时,为保护平台操作人员安全而在操作平台上方设置的盘状构造物3 .12支架support为保护围岩或矿体稳固采纳的杆件或构造物和整体式修建物的总称3 .13支护supporting安设支架、锚杆作业的总称3 .14背板lagging铺设在支架、井圈外头将地压平均传给支架并防备碎石掉落的构件3 .15超前支护forepoling在柔软或破裂带,为了防备岩石冒落,超前于掘进工作面而进行的支护锚杆bolt锚固在矿(岩)内保护围岩稳固的杆状受力构造3 .17空帮thespace井巷壁与岩矿帮间未加充填物或充填料失或支架between也岩(矿)帮间未嵌入背板而产生的缝隙supportandrock456地下开采编号术语名称英语名称定义及说明朝号同义词4 .1矿山压力rockpressure采掘惹起的围岩内的力及作用于支护物地压;矿压上的力4 .2矿山压力显stratabehaviors在矿山压力作用下,围岩或支护物体现的地压活动现各样力学现象4 .3采空区goaf井下采矿(煤)后所荒弃的空间空区4 .4采空区办理dispositionof为办理采空区所采纳的技术举措空区办理mined-outarea4 .5工作面顶板roofcontrol工作面(采场)顶板支护和采空区办理的地压管控制总称理;工作面地层控制4 .6岩层控制stratacontrol为保证开采工作进行,人为地控制和调理岩层运动的各样技术4 .7冒顶rooffall采掘工作空间或井下其余工作地址顶板岩冒落石发生的坠落事故4 .8漏顶roofclooapse局部范围内顶板岩石呈碎块或碎屑状掉落withcavity并使顶板形成空穴的冒顶现象4 .9片帮ridspalling矿(岩)帮产生片装或块状塌落的现象况4 .10底鼓floorheave因为矿山压力或水的影响底板再现隆起的现象4 .11敲帮问顶sounding采掘工作面作业时,经过敲击围岩(或矿层)以认识其稳固性的简略检查方法4 .12大面积冒顶largearearoof采空区内大面积悬露的坚硬顶板在短时间fall内忽然垮落而造成的大型顶板事故形能的刹时开释而产生的以忽然强烈破坏为特点的动力现象4 .14关闭空区closedgoaf用人工修建物拥塞空区通往生产区的通道,使空区的冒顶、瓦斯、水、火灾祸等不影响生产区及防备人员误入的控制方法4 .15放顶cavingtheroof经过移架或回柱减小工作空间宽度使采空区悬露顶板实时垮落的作业4 .16强迫放顶forcedcaving在顶板(围岩)不可以自行垮落时,采纳爆强迫崩落破等手段使顶板(围岩)垮落的方法围岩4 .17放顶距cavinginterval相邻两次放顶的间隔距离4 .30下沉系数subsidence在充足采支条件下,开采水平煤(矿)层factor的地表最大下沉值与开采厚度之比4 .31围扩带berm设计保护煤(矿)柱时,在受护面积的外侧所增添的必定宽度的安全带4 .32缓冲沟bufferingtrench减少地表水平变形对建筑物的伤害,在建筑筑物基础四周或一侧开挖的槽沟4 .33安全开采深safemining在必定的地质和采矿条件下,地表受护物度depth不致因采矿而产生挪动和破坏的开采深度4 .34建筑物下采miningunder为保护建筑物的安全,采纳特意的技术和矿buildings全举措,开采建筑物下的矿体4 .35铁路下采矿miningunder为保护铁路的安全,采纳特意的技术和安railway全措施,开采铁路下的矿体4 .36水体下采矿miningunder为保护矿井的安全,采纳特意的技术和安water-budies全举措,开采河流、湖泊、大海、水含水层等水体下的矿体库、4 .37充填料泄露leakageof采纳充填采矿法时,充填的资料从工作面跑砂backfillmaterial砂门泄入井巷的事故4 .38人工顶板artificialroof分层开采时为阻拦上分层垮落矸石进入工人工假顶作空间而铺设的隔绝层4 .39砂门sandgrizzly截留沙浆中的充填资料并滤出废水的设备砂门子火工品6.1 煤矿许coal minepermitted(per-missible)explosive 同意用于有可燃气体和煤尘爆炸危险的矿井和工作面的炸药用炸药6.2煤矿许coalminepermitteddeto-同意用于有可燃气体和煤尘爆炸危险的矿井和工作面的雷管用雷管nator6.3 抗杂散拥有抗杂散电流性能的电雷管电流电雷管anti-stray-currentelectric detonator6.4耐高温hightemperatureresis-雷管tancedetonator拥有耐高温性能的工业电雷管6.5 炮泥stemming 拥塞炮眼(孔)使用的有可塑性的泥质充填物6.6 水炮泥waterstemming 用塑料薄膜圆筒充水的炮眼充填物6.7 毫秒爆millisecondblasting 相邻炮眼或炮眼群之间的起爆时间间隔以毫秒计的爆破方法破6.8 最大安maximumsafetycurrent 经过恒定直流电不会使电雷管爆炸的最大电流值全电流6.9 殉爆安主爆药与受爆药之间不发生殉爆的最小距离全距离safetygapdistance6 .10消焰剂flamecoolingagent用以降低炸药的爆温,并对可燃气体或煤尘的氧化反响起阻化作用的物质6 .11残眼socket爆破后残留的一段炮眼残孔6 .12拒爆misfire发爆后炸药未爆炸的现象瞎炮;盲炮6 .13熄焊incompletedetonation装药起爆不可以持续流传而中断的现象6 .14避炮掩blastshelter露天矿爆破时,为保护人身安全在飞石危险地区设置的建筑物体6 .15爆破警blastingwarning进行爆破时,为保证所有人员的安全,在放炮危险区界限上布设的岗哨、路障或戒备标记戒6.16 爆破防护棚blastingprotection 利用掩饰物改良爆破作业安全的一种防备设备避炮矿山电气编号术语英语名称定义及说明代同义词名称号7.1 爆炸性electeicalapparatusfor 按规定条件设计制造而不会惹起四周爆炸E防焊电环境用ex-plosiveatmospheres性混淆物爆炸的电气设备X气设备电气7 .2隔爆型flameproofelectrical拥有隔爆外壳的防爆电气设备d电气设备appa-ratus7 .3隔爆外flameproofenclosure能蒙受内部爆炸性气体混淆物的爆炸压力并阻挡内部的爆炸向外壳四周爆炸性混淆物流传的电气设备外壳7 .4隔爆性testfornon-查验隔爆型电气设备内部规定的爆炸性气能试验transmission(ofaninternalex plosion)体混淆物爆炸时可否点燃设备四周同一爆炸性气体混淆物的试验7 .5增安型increasedsafety在正常运转条件下不会产生电弧、火花或electrcal可能点燃爆炸混淆物的高温的设备构造e上采纳举措,提高安全程度,以防止在正常和认同的过载条件下出现这些现象的电气设备电气设备apparatus7 .6实质安intrinsicalsafecircuit在规定的试验条件下,正常工作或在规定本安电全电路的故障状态下产生的电火花和热效应均路不可以点燃规定的爆炸性混淆物的电路矿用本所有电路为实质安全电路的矿用防爆电气il 矿用本7.7 质安全设备安型电型电气intrinsicalsafeelectrical气设备设备apparatusformine7.8防爆型typeofprotection为防备点燃四周爆炸性混淆物而对电气设式备采纳各样特定举措的型式7 .9总接地generalearthedsystem用导体将所有应连结的接地装置连成一个网接地系统7 .10井下主mainearthedelectrode埋设在井底主、副水仓或集中井的金属接接地极地板7 .11局部接localearthedelectrode在集中或单个装有电气设备(包含连结动地板力铠装电缆的接线盒)的地址独自埋设的接地板7.12 接地装earthingdevice 各接地板、接地导线和接地引线的总称置7.13接地母earthbusbar与主接地板连结,供井下主变电所、主水线泵房等所用电气设备外壳进行连结的母线7.14协助接auxiliaryearthbusbar井下地区,采区变电所、机电硐室和工作地母线面配电点内的电气设备外壳与局部接地板、电缆的接地部分连结的母线7.15井下保undergroundprotective把电气设备正常不带电的外壳金属部分用护接地earthing导体与总接地网或与接地装置连结起来7 .16安全电safetyextra-lowvoltage为防备触电事故而采纳的特定电源供电的安全特压(SELV)电压系列,这个系列上限值,在任何状况低电压下,两导体间或任一导体与地之间均不得超出沟通(50~500Hz)有效值50V7 .17漏电保earthleakageprotection电网漏电电流超出设定值时,能自动切断护电路或发出信号的功能7.18静电事electrostaticaccident因静电放电或静电力作用,致使发生危险故伤害的现象、状态和性质7 .19静电灾electrostatichazard因静电放电而致使比较大的危害和伤害。
煤矿安全用语大全煤矿是一种危险的工作场所,工作人员在其中必须要时刻注意安全,避免事故的发生。
为了保障工作人员的安全,煤矿管理者需要制定科学合理的安全管理制度,并建立一套完整的煤矿安全用语体系。
下面是一份煤矿安全用语大全,希望对大家有所帮助。
1、煤矿安全原则(1) 安全生产是矿山的中心工作,是企业不可动摇的立身之本。
(2) 安全生产必须坚持预防为主、安全第一的方针。
(3) 安全生产是全体职工的责任,安全工作是企业所有职工的重要社会责任。
(4) 安全生产必须要有优先,企业所有工作都必须在安全生产的前提下开展。
2、安全提示(1) 进入现场之前应该穿上防爆鞋、工作服、安全帽等安全护具。
(2) 任何人都不允许在警示标志和安全标志范围内闲逛和嬉戏。
(3) 工作人员在现场操作前,必须仔细阅读操作指南和操作流程,并遵守严格的安全规定。
(4) 车辆进出场区域时必须先鸣喇叭,确保没有人员或物品被碾压。
(5) 突然停电、断电、设备故障、火灾等情况发生时,应立即向避难点集合、报警和紧急联系相关人员或机构。
3、安全管理(1) 煤矿应严格按照安全生产相关法律法规的要求,建立完善的安全生产管理制度。
(2) 煤矿应根据实际情况制定不同的安全管理方案,定期组织安全演习,提高职工安全意识和自救自护能力。
(3) 进入煤矿作业区域的人员必须持有效证件,并向煤矿工作人员进行登记。
(4) 煤矿应制定严格的安全检查标准和程序,对设备安全状况、作业现场以及作业人员进行定期检查和评估。
4、受伤事故处理(1) 一旦发生事故,工作人员应第一时间报告,并按照应急预案快速处置。
(2) 受伤人员在经过第一时间紧急救治后,应及时转移至医院进行全面救治。
(3) 对于事故的原因和责任,煤矿应进行彻底调查,认真总结经验和教训,并对责任人进行处理。
5、作业安全标志(1) 煤矿应在每个作业区域设置标识牌和标志,标明区域名称、安全规定等。
(2) 操作人员在作业区域时,应严格遵守相关安全标志和规定。
煤矿安全用语大全为了加强煤矿的安全管理,提高工作人员的安全意识和紧急应变能力,下面是一份煤矿安全用语大全的相关参考内容:一、预防与倡导1. 安全第一,预防为主。
2. 安全文明,共创和谐。
3. 红线不能踩,生命无价值。
4. 预见风险,规避事故。
5. 以人为本,安全发展。
6. 安全责任,人人有责。
7. 安全法规,约束一切。
8. 安全教育,关键决胜。
9. 重视灾害,防范为先。
10. 一个人的安全,关乎团队的命运。
二、行为规范与守则1. 秩序井然,违规违纪。
2. 破窗效应,问题不能留。
3. 正确佩戴安全装备。
4. 不走私自开发的隧道。
5. 结伴出行,共享安全。
6. 注意通风,防止中毒。
7. 积极反映问题,不隐瞒事故。
8. 灭火器材,手边常备。
9. 没有明确任务,不擅自进入。
10. 危急时刻,快速撤离。
三、应急与救援1. 警钟长鸣,隐患消灭。
2. 紧急避难,远离火源。
3. 路线清晰,找准方向。
4. 疏散秩序,井井有条。
5. 救援先行,抢救生命。
6. 同仁互助,团结一心。
7. 红色通道,保障通行。
8. 翻滚行走,迅速逃生。
9. 安全报警,快速响应。
10. 先检查后救援。
四、设备与工作1. 机械设备,定期检修。
2. 注意绝缘,电气安全。
3. 使用安全工具,防止伤害。
4. 定期检查氧气浓度。
5. 移动式设备,使用时稳固。
6. 测室内风速,确保通风。
7. 定期清理消防设备。
8. 随手关闭设备电源。
9. 维护道路畅通,避免堵塞。
10. 运输和卸货时,防止倾覆。
五、管理与监督1. 强制安全检查,确保合规。
2. 定期模拟演练,提高应急能力。
3. 严禁无证上岗。
4. 严格落实岗位责任制。
5. 安全培训,多送员工。
6. 建立安全档案,备案备查。
7. 违规必究,依法追责。
8. 安全隐患,立即排除。
9. 违规停工,确保安全。
10. 报产量不报安全。
六、宣传与教育1. 安全知识,要时常宣传。
2. 季度考核,安全先行。
3. 倡导安全文化,深入人心。
煤矿安全用语大全煤矿是一种特殊的工作环境,存在一些独特的安全隐患和风险。
为确保煤矿工作场所的安全,需要广泛应用煤矿安全用语,以保障矿工工作时的安全和预防事故的发生。
以下是一些常用的煤矿安全用语,供参考:1.注意安全:- 注意观察,警惕工作场所存在的各种安全隐患。
- 注意周围的矿井设备和工作环境,确保安全。
- 注意保持良好的工作姿势,避免因工作不当而造成伤害。
- 注意工作的细节和过程,确保工作的顺利进行。
2.防止跌倒和滑倒:- 保持工作区域的干燥和整洁,防止跌倒和滑倒。
- 检查工作区域的地面和走道,确保没有障碍物。
- 使用防滑鞋,确保在湿滑的表面上有良好的牵引力。
3.防止碰撞:- 在狭窄的通道和工作区域内行走时,注意避免碰撞。
- 在交叉路口和重装设备周围时,保持警惕。
- 确保在行车道上行走时与车辆保持安全距离。
4.正确使用工具和设备:- 了解并使用正确的工具和设备,避免意外伤害。
- 确保正确的装配、使用和维护煤矿设备。
- 警惕对煤矿设备的异常现象,如噪音、振动和冒烟等。
5.防止火灾和爆炸:- 确保煤矿工作区域内没有易燃物质,如油和气体。
- 遵守所有与火源相关的安全规定,包括禁止吸烟和使用明火。
- 定期检查和维护电气设备,确保其正常运行。
6.正确穿戴个人防护装备:- 确保选用合适的个人防护装备,如安全帽、护目镜和防护手套等。
- 了解并使用正确的个人防护装备,以避免事故和伤害。
- 定期检查个人防护装备的磨损和损坏,并及时更换。
7.遵守工作安全制度及规范:- 遵守煤矿的工作安全制度和规范,确保自身和他人的安全。
- 执行相关工作流程和程序,确保工作的安全和高效进行。
- 参与煤矿的安全培训和演练,提高应对突发事故的能力。
总之,煤矿安全用语的应用至关重要。
它们可以帮助提醒矿工们要时刻保持警惕、防止事故的发生。
通过遵守相关的安全规定和执行正确的工作流程,矿工们能够提高自身的安全意识和能力,最大程度地保障自己和他人的生命财产安全。
煤矿安全用语大全煤矿是一种特殊的工作环境,常常存在着各种危险和安全隐患。
因此,煤矿安全用语的使用对于预防事故和保障工人的生命安全至关重要。
下面是一些常用的煤矿安全用语参考内容,以促进煤矿安全意识的提升。
1. 安全第一,防患于未然:- Safety first, prevent accidents in advance.- 安全第一,事故前的防范。
2. 规章制度,严格执行:- Strictly follow the rules and regulations.- 严格遵守规章制度。
3. 检查设备,确保安全:- Inspect equipment to ensure safety.- 检查设备,确保安全。
4. 定期维护,消除隐患:- Regular maintenance, eliminate hidden dangers.- 定期维护,消除隐患。
5. 加强培训,提高技能:- Strengthen training, improve skills.- 加强培训,提高技能。
6. 安全警示,及时提醒:- Safety warning, timely reminder.- 安全警示,及时提醒。
7. 轻装慎行,注意脚下:- Walk cautiously, watch your step.- 轻装慎行,注意脚下。
8. 佩戴防护,提升安全:- Wear protective gear, enhance safety.- 佩戴防护,提升安全。
9. 警戒线内,严禁进入:- No entry beyond the caution line.- 警戒线内,严禁进入。
10. 确保通风,防止中毒:- Ensure ventilation, prevent poisoning.- 确保通风,防止中毒。
11. 防止火灾,保护生命:- Prevent fires, protect lives.- 防止火灾,保护生命。
12. 注意电器,避免触电:- Pay attention to electrical appliances, avoid electric shock. - 注意电器,避免触电。
煤矿安全生产术语
1、三大规程:煤矿安全规程、作业规程、操作规程《安全技术操作规程》。
2、“四不放过”原则:事故原因未查明不放过;责任人未处理不放过;整改措施未落实不放过;有关人员未受到教育不放过。
3、安全隐患“三定”:定时间、定人员、定措施。
4、隐患整改做到六落实:项目落实,措施落实,资金落实,时间落实,人员落实,责任落实。
5、冬季“四防”和雨季“三防”:防寒、防冻、防火、防煤气中毒和防洪、防雷电、防排水。
6、“三专两闭锁”:专用变压器、专用电缆、专用开关、风电、瓦斯电闭锁。
7、“一炮三检查”和“三人连锁放炮制”:装药前检查、装药后检查、放炮后检查和班长、瓦斯检查员和放炮员。
8、瓦斯检查“三对口”报表:做到“牌板”、“手册”、“班报”。
9、劳保用品职工做到“三会”:会检查护品的可靠性,会正确使用,会正确维护和保养。
10、瓦斯检查划分管理区“三定”:定岗、定人、定责。
11、包机人员必须做到“三懂”、“四会”:懂操作规程、懂设备性能,懂设备原理;会操作,会保养,会修理,会判断和处理一般故障。
12、包机执行“五严”:
严格执行交接班制度;严格执行巡回检查制度;严格执行岗位责任制;
严格执行操作规程;严格执行要害场所管理制度;
13、简历实施细则:四控、两管、一协调。
四控:投资控制、质量控制、进度控制、安全控制两管:信息管理、合同管理
一协调:协调甲方、乙方。
煤矿安全用语大全煤矿安全是一个重要的话题,对于煤矿工作人员和管理者来说,掌握一些相关的安全用语是十分必要的。
以下是一份煤矿安全用语的大全,旨在帮助大家更好地理解和应用这些用语,确保煤矿工作的安全进行。
1. 事故预防安全用语:- 提醒:注意安全、预防事故- 警示:禁止无证无上岗证人员进入- 检查:定期检查设备的完好性- 检修:定期维修设备,确保正常工作- 禁止酒后作业:严禁饮酒后操作设备- 提高警惕:随时关注周围环境2. 煤矿作业安全用语:- 安全出口:预先设计和标示的疏散通道- 安全定位:确定工作位置和岗位- 配戴防护设备:佩戴安全帽、防尘口罩等- 防火防爆:禁止明火、防止爆炸事故- 安全放炮:严格控制火药使用,防止引发事故- 严防溜矿:禁止私自下井或滑矿体3. 紧急情况下的安全用语:- 紧急撤离:出现危险立即撤离现场- 灭火器具:掌握如何使用灭火器具- 就近避险:尽量选择就近位置躲避- 援救信号:发出求救信号以获取援助- 保持镇静:保持冷静应对紧急情况4. 环境风险和职业病防护的安全用语:- 防尘措施:佩戴防尘口罩、设备局部通风- 防毒防爆:使用防毒面具、加强设备防爆- 防辐射:控制辐射源的接触和污染- 避免中毒:不接触有毒物质、做好防护5. 安全教育和培训的安全用语:- 安全研究:关注和研究安全生产相关知识- 培训合格:通过培训考核合格方可上岗- 安全意识:强化员工的安全意识和责任感- 安全宣传:定期开展安全知识宣传活动- 建立安全文化:培养企业良好的安全文化氛围6. 日常规定和安全管理的安全用语:- 严禁吸烟:煤矿区域内严禁吸烟- 限制速度:设定工作区域内的最高速度- 上岗证检查:进入矿井前需检查上岗证- 安全例行检查:对设备进行定期的安全检查- 班前会:开展每天上班前的安全会议以上是煤矿安全用语的一部分,掌握这些用语可以更好地增强煤矿工作人员对安全的关注和意识,预防事故的发生。
当然,在煤矿工作中,不仅要掌握这些用语,还需要深入了解相关的安全规定和操作要求。