地铁轨道工程安全检查表
- 格式:doc
- 大小:194.00 KB
- 文档页数:30
.
.
地铁轨道工程安全检查评分汇总表
说明:1、汇总表满分100分;
2、在汇总表中各检查项目实得分数=在汇总表中该项应得满分分值×在检查评分表中该项合计实得分/100;
3、遇有缺项时汇总表总得分=实查项目实得分数之和/实查项目应得满分分值之和×100;
表1 安全管理检查评分表
2.每项扣减份数不得超过该项标准分数;
3.检查评分表中合计实得分计入汇总表时需进行换算。
表2 文明施工检查评分表
2.每项扣减份数不得超过该项标准分数;
3.检查评分表中合计实得分计入汇总表时需进行换算。
表3 消防安全检查评分表
2.每项扣减份数不得超过该项标准分数;
3.检查评分表中合计实得分计入汇总表时需进行换算。
表4 施工用电安全检查评分表
2.每项扣减份数不得超过该项标准分数;
3.检查评分表中合计实得分计入汇总表时需进行换算。
表5 安全防护检查评分表
2.每项扣减份数不得超过该项标准分数;
3.检查评分表中合计实得分计入汇总表时需进行换算。
表6 龙门吊安全检查评分表
2.每项扣减份数不得超过该项标准分数;
3.检查评分表中合计实得分计入汇总表时需进行换算。
表7 起重吊装安全检查评分表
2.每项扣减份数不得超过该项标准分数;
3.检查评分表中合计实得分计入汇总表时需进行换算。
2.每项扣减份数不得超过该项标准分数;
3.检查评分表中合计实得分计入汇总表时需进行换算。
2.每项扣减份数不得超过该项标准分数;
3.检查评分表中合计实得分计入汇总表时需进行换算。
附件2 工程项目管理部门安全质量检查工作考核评分标准1、对于安全监理、施工安全检查评分的质量考核,按下表进行考核评分2、对质量监理、施工质量检查评分的质量考核,按下表进行考核评分3、工程项目管理部门和安全质量部等部门联合抽检要求整改的安全质量问题项目,监理单位或施工单位未在整改限定时间完成的,扣工程项目管理部门1分(即得分为 -1分)。
建设工程施工单位施工安全检查评分表附表3说明:1、每项最多扣减分数不大于该项标准分数;2、对于缺项的不予计分,该大项小计得分=实得分÷应得分×100;3、各大项换算到汇总表得分=该大项评分表在汇总表中分值×该大项小计得分÷100。
建设工程施工单位施工质量检查评分表(土建)附表4-12、检查项目得分=该项目小计实得分÷小计应得分×检查项目分值;3、汇总得分=各检查项目得分之和÷各检查项目分值之和×100;4、不合格检查项目应注明检查项目名称或该检查项目列下细项。
建设工程施工单位施工质量检查评分表(安装装修)附表4-22、检查项目得分=该项目小计实得分÷小计应得分×检查项目分值;3、汇总得分=各检查项目得分之和÷各检查项目分值之和×100;4、不合格检查项目应注明检查项目名称或该检查项目列下细项。
建设工程施工单位施工质量检查评分表(常规设备)附表4-32、检查项目得分=该项目小计实得分÷小计应得分×检查项目分值;3、汇总得分=各检查项目得分之和÷各检查项目分值之和×100;4、不合格检查项目应注明检查项目名称或该检查项目列下细项。
工程施工安全质量整改通知书附表6深地铁安质改[2010]第号工程施工安全质量检查意见书附表7深地铁安质检[2010]第号工程施工安全质量罚款通知单附表8深地铁安质罚字【2010】第号注:此通知单一式四份,施工单位、监理单位;地铁公司工程项目管理部门、安质部各一份。
地铁轨道工程安全检查评分汇总表
说明:1、汇总表满分100分;
2、在汇总表中各检查项目实得分数=在汇总表中该项应得满分分值×在检查评分表中该项合计实得分/100;
3、遇有缺项时汇总表总得分=实查项目实得分数之和/实查项目应得满分分值之和×100;
表1 安全管理检查评分表
2.每项扣减份数不得超过该项标准分数;
3.检查评分表中合计实得分计入汇总表时需进行换算。
表2 文明施工检查评分表
2.每项扣减份数不得超过该项标准分数;
3.检查评分表中合计实得分计入汇总表时需进行换算。
表3 消防安全检查评分表
2.每项扣减份数不得超过该项标准分数;
3.检查评分表中合计实得分计入汇总表时需进行换算。
表4 施工用电安全检查评分表
2.每项扣减份数不得超过该项标准分数;
3.检查评分表中合计实得分计入汇总表时需进行换算。
表5 安全防护检查评分表
2.每项扣减份数不得超过该项标准分数;
3.检查评分表中合计实得分计入汇总表时需进行换算。
表6 龙门吊安全检查评分表
2.每项扣减份数不得超过该项标准分数;
3.检查评分表中合计实得分计入汇总表时需进行换算。
表7 起重吊装安全检查评分表
2.每项扣减份数不得超过该项标准分数;
3.检查评分表中合计实得分计入汇总表时需进行换算。
2.每项扣减份数不得超过该项标准分数;
3.检查评分表中合计实得分计入汇总表时需进行换算。
2.每项扣减份数不得超过该项标准分数;
3.检查评分表中合计实得分计入汇总表时需进行换算。
地铁轨道工程安全检查评分汇总表说明:1、汇总表满分100分;2、在汇总表中各检查项目实得分数=在汇总表中该项应得满分分值×在检查评分表中该项合计实得分/100;3、遇有缺项时汇总表总得分=实查项目实得分数之和/实查项目应得满分分值之和×100;表1 安全管理检查评分表说明:1.检查评分表满分100分;2.每项扣减份数不得超过该项标准分数;3.检查评分表中合计实得分计入汇总表时需进行换算。
表2 文明施工检查评分表说明:1.检查评分表满分100分;2.每项扣减份数不得超过该项标准分数;3.检查评分表中合计实得分计入汇总表时需进行换算。
表3 消防安全检查评分表说明:1.检查评分表满分100分;2.每项扣减份数不得超过该项标准分数;3.检查评分表中合计实得分计入汇总表时需进行换算。
表4 施工用电安全检查评分表说明:1.检查评分表满分100分;2.每项扣减份数不得超过该项标准分数;3.检查评分表中合计实得分计入汇总表时需进行换算。
表5 安全防护检查评分表说明:1.检查评分表满分100分;2.每项扣减份数不得超过该项标准分数;3.检查评分表中合计实得分计入汇总表时需进行换算。
表6 龙门吊安全检查评分表说明:1.检查评分表满分100分;2.每项扣减份数不得超过该项标准分数;3.检查评分表中合计实得分计入汇总表时需进行换算。
表7 起重吊装安全检查评分表说明:1.检查评分表满分100分;2.每项扣减份数不得超过该项标准分数;3.检查评分表中合计实得分计入汇总表时需进行换算。
表8 施工机具安全检查评分表说明:1.检查评分表满分100分;2.每项扣减份数不得超过该项标准分数;3.检查评分表中合计实得分计入汇总表时需进行换算。
表9 轨行区施工安全检查评分表地铁轨道工程和机电设备安装工程风险防范及监理工作要点说明:1.检查评分表满分100分;2.每项扣减份数不得超过该项标准分数;3.检查评分表中合计实得分计入汇总表时需进行换算。
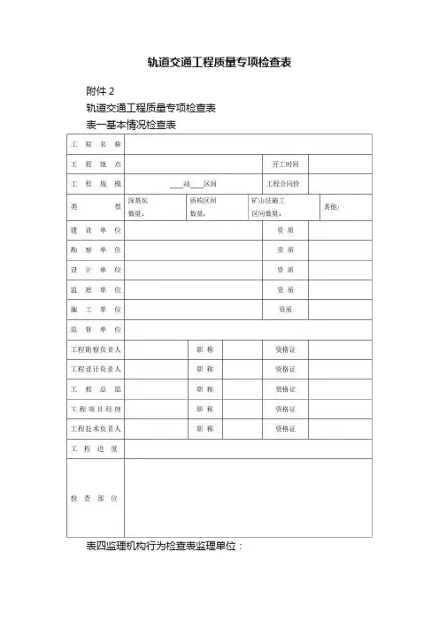
轨道交通工程质量专项检查表
附件2
轨道交通工程质量专项检查表
表一基本情况检查表
表四监理机构行为检查表监理单位:
表五现场资料检查表(150分)工程名称:
表六现场实物实测实量(100分)工程名称:检查部位:
表七现场实物观感(120分)工程名称:检查部位:
表八盾构区间现场检查表工程名称:检查部位:
表九汇总表工程名称:
表十工程质量情况汇总表
表十一工程质量评分排序表
(一)施工单位
深圳地铁号线工程
表十一工程质量评分排序表(二)监理单位
表二人员配置检查表
备注:
1.建设单位应配人员按照“深圳市建设局文件(深建质安【2009】24号)”要求;
2.监理单位应配人员备按照监理合同要求(指注册监理工程师);
3.施工单位应配人员备按照施工合同和“深圳市建设局文件(深建质安【2009】24号)”要求(指持证上岗人员和项目管理人员)。
表三地铁综合检查表
备注:
1、(1)----是指从地面计算的施工点;(2)----是指本次检查所抽取的工点数;(3)~(9)----是指抽查的工点数情况;
2、(8)----文字描述存在的问题。
如渗漏水、变形或沉降情况。
3、(9)----工地自身及周边环境(建筑物、地下管线)。
城市轨道交通工程质量安全检查表(施工单位管理行为)单位名称:工程名称:(22项)序号检查内容检查要点评价需要说明的问题符合不符合1制度和管理项目主要管理人员资格符合要求,特种作业人员等持证上岗,按要求配备专职安全生产管理人员建立安全生产责任体系、组织机构,并明确各部门、各岗位安全生产责任明确安全风险管理的组织机构和管理人员核查工程周边环境现状,对施工影响范围内的重要建(构)筑物、管线采取防护措施,并进行技术交底,在管线安全保护范围内施工时安排专人监控2质量安全管理实行施工风险动态跟踪管理(预警、响应处置)并建立施工风险管理台账,开展施工隐患排查治理编制《关键节点识别清单》,关键节点施工前开展自评与在同一场所作业的其他施工单位签订安全管理协议执行现行有效的施工规范,进行图纸会审,有反馈结果等安全质量技术交底,对成品、半成品采取保护措施签订质量终身责任承诺书和法人授权书情况开展轨道交通施工企业和项目安全生产标准化考评3开展房屋市政工程安全生产治理行动情况宣传贯彻并落实《危险性较大的分部分项工程安全管理规定》要求,建立健全危大工程安全管控体系编制危大工程专项施工方案,严格按方案施工严格按照《房屋市政工程生产安全重大事故隐患判定标准(2022版)》,精准排查各类重大隐患,建立重大事故隐患台账,明确隐患整改责任、措施、资金、时限、预案,分级分类采取有效措施消除隐患,边查边改、立行立改落实《工程质量安全手册》要求,编制企业手册,完善施工企业管理制度,健全安全生产保障体系3开展房屋市政工程安全生产治理行动情况落实施工单位主要负责人、项目负责人、专职安全生产管理人员等关键人员安全生产职责,切实将《工程质量安全手册》要求落实到每道工序、每名员工、每个岗位,做到职责到岗、责任到人、措施到位严格落实施工单位全员年度安全培训、新进场人员“三级安全教育”、特种作业人员和“三类人员”安全培训等制度,强化持证上岗和先培训后上岗制度依法依规使用建筑工程安全防护、文明施工措施费用,及时购置和更新施工安全防护用具及设施按照《房屋建筑和市政基础设施工程危及生产安全施工工艺、设备和材料淘汰目录(第一批)》(建司局函质〔2022〕10号),加快淘汰和限制使用危及生产安全的落后工艺、设备和材料结合工程项目事故风险特点及自然灾害、地质风险,完善应急预案,配备必要的应急救援器材、设备,定期组织预案演练施工应依法承揽工程,不得围标串标、无资质或超越资质范围承揽业务,不得转包、违法分包、挂靠、出借资质应用数字化、智能化、网络化技术,创建安全生产标准化示范工地情况结果统计符合项不符合项检查人员:检查日期:年月日。
轨道交通工程质量专项检查表1. 总体情况1.1 项目名称填写轨道交通工程的项目名称。
1.2 项目位置填写轨道交通工程的具体地址。
1.3 工程建设单位填写轨道交通工程的建设单位。
1.4 工程监理单位填写轨道交通工程的监理单位。
1.5 总包单位填写轨道交通工程的总包单位。
1.6 分包单位填写轨道交通工程的分包单位。
1.7 轨道交通工程类型填写轨道交通工程的项目类型,如地铁、轻轨等。
2. 轨道交通工程基础设施检查表2.1 轨道道床工程编号检查内容是否符合要求备注2.1.1 轨道道床铺筑√ / X检查结果2.1.2 轨道道床水平度、高程、平整度√ / X检查结果2.1.3 轨道道床厚度√ / X检查结果2.2 轨道道轨工程编号检查内容是否符合要求备注2.2.1 轨道道轨基础设施√ / X检查结果2.2.2 轨道道轨质量√ / X检查结果2.2.3 轨道道轨长度、弯度√ / X检查结果2.2.4 轨道道轨焊缝√ / X检查结果2.3 轨道接触网工程编号检查内容是否符合要求备注2.3.1 安装设施√ / X检查结果2.3.2 铺设安全√ / X检查结果2.3.3 绝缘件安装质量√ / X检查结果2.4 车站建筑及设备工程编号检查内容是否符合要求备注2.4.1 车站建筑质量√ / X检查结果2.4.2 车站道岔及设备安装质量√ / X检查结果2.4.3 车站设备运行可靠√ / X检查结果3. 轨道交通工程安全检查表3.1 安全管理工程编号检查内容是否符合要求备注3.1.1 安全计划编制√ / X检查结果3.1.2 安全防护设施设置√ / X检查结果3.1.3 防火、消防设施完好√ / X检查结果3.1.4 紧急救援设施设置√ / X检查结果3.2 人员安全工程编号检查内容是否符合要求备注3.2.1 工作人员持证上岗√ / X检查结果3.2.2 工作人员安全设备穿戴√ / X检查结果3.2.3 工作人员过程安全√ / X检查结果3.3 设备安全工程编号检查内容是否符合要求备注3.3.1 设备运行安全√ / X检查结果3.3.2 设备定期检修√ / X检查结果3.3.3 设备故障处理及维修√ / X检查结果4. 轨道交通工程施工质量检查表4.1 工作质量工程编号检查内容是否符合要求备注4.1.1 工作标准符合规定√ / X检查结果4.1.2 合格材料使用√ / X检查结果4.1.3 合格工具使用√ / X检查结果4.2 环境质量工程编号检查内容是否符合要求备注4.2.1 现场卫生保持√ / X检查结果4.2.2 噪声、震动控制√ / X检查结果4.2.3 污染物处理√ / X检查结果4.3 节能环保工程编号检查内容是否符合要求备注4.3.1 节能标准符合规定√ / X检查结果4.3.2 确保绿色施工√ / X检查结果4.3.3 推广低碳环保理念√ / X检查结果5.本文档是针对轨道交通工程质量专项检查的文档,分为轨道交通工程基础设施检查表、轨道交通工程安全检查表、轨道交通工程施工质量检查表三个部分。
轨道交通工程质量专题检查表
附件2
表一基本状况检查表
表四监理机构行为检查表监理单位:
检查人员签名:
表五现场资料检查表(150分)工程名称:
续表二存在0⅛重要问题得分率
检查人:
表六现场实物实测实量(Ioo分)
表七现场实物观感(120分)
表八盾构区间现场检查表
工程名称:
检查部位:
a.偏差超规范,每处扣2分。
隧道衬砌环直径椭圆度
15
表九汇总表工程名称:
检查小组签名:
表十工程质量状况汇总表
表十一工程质量评分排序表(一)施工单位
表十一工程质量评分排序表(二)监理单位
注:监理单位综合评分为表二综合评估栏中“C”项得分。
表二人员配置检查表
1.建设单位应配人员按照“深圳市建设局文献(深建质安[2023]24号)”规定;
2 .监理单位应配人员备按照监理协议规定(指注册监理工程师);
3 .施工单位应配人员备按照施工协议和“深圳市建设局文献(深建质安[2023]24号)”规定(指持证上岗人员和项目管理人员)。
表三地铁综合检查表
备:
1、(1)一一是指从地面计算日勺施工点;(2)一—是指本次检查所抽取日勺工点数;(3)〜(9)——是指抽查日勺工点数状况;
2、(8)——文字描述存在的问题。
如渗漏水、变形或沉降状况。
3、(9)——工地自身及周围环境(建筑物、地下管线)。
地铁轨道工程和机电设备安装工程风险防范及监理工作要点地铁轨道工程安全检查评分汇总表说明:1、汇总表满分100分;2、在汇总表中各检查项目实得分数=在汇总表中该项应得满分分值×在检查评分表中该项合计实得分/100;3、遇有缺项时汇总表总得分=实查项目实得分数之和/实查项目应得满分分值之和×100;页脚内容19表1 安全管理检查评分表2.每项扣减份数不得超过该项标准分数;3.检查评分表中合计实得分计入汇总表时需进行换算。
表2 文明施工检查评分表2.每项扣减份数不得超过该项标准分数;3.检查评分表中合计实得分计入汇总表时需进行换算。
表3 消防安全检查评分表2.每项扣减份数不得超过该项标准分数;3.检查评分表中合计实得分计入汇总表时需进行换算。
表4 施工用电安全检查评分表2.每项扣减份数不得超过该项标准分数;3.检查评分表中合计实得分计入汇总表时需进行换算。
表5 安全防护检查评分表2.每项扣减份数不得超过该项标准分数;3.检查评分表中合计实得分计入汇总表时需进行换算。
表6 龙门吊安全检查评分表2.每项扣减份数不得超过该项标准分数;3.检查评分表中合计实得分计入汇总表时需进行换算。
表7 起重吊装安全检查评分表2.每项扣减份数不得超过该项标准分数;3.检查评分表中合计实得分计入汇总表时需进行换算。
表8 施工机具安全检查评分表2.每项扣减份数不得超过该项标准分数;3.检查评分表中合计实得分计入汇总表时需进行换算。
表9 轨行区施工安全检查评分表2.每项扣减份数不得超过该项标准分数;3.检查评分表中合计实得分计入汇总表时需进行换算。
地铁轨道工程安全检查评分汇总表
说明:1、汇总表满分100分;
2、在汇总表中各检查项目实得分数=在汇总表中该项应得满分分值×在检查评分表中该项合计实得分/100;
3、遇有缺项时汇总表总得分=实查项目实得分数之和/实查项目应得满分分值之和×100;
表1 安全管理检查评分表
2.每项扣减份数不得超过该项标准分数;
3.检查评分表中合计实得分计入汇总表时需进行换算。
表2 文明施工检查评分表
2.每项扣减份数不得超过该项标准分数;
3.检查评分表中合计实得分计入汇总表时需进行换算。
表3 消防安全检查评分表
2.每项扣减份数不得超过该项标准分数;
3.检查评分表中合计实得分计入汇总表时需进行换算。
表4 施工用电安全检查评分表
2.每项扣减份数不得超过该项标准分数;
3.检查评分表中合计实得分计入汇总表时需进行换算。
表5 安全防护检查评分表
2.每项扣减份数不得超过该项标准分数;
3.检查评分表中合计实得分计入汇总表时需进行换算。
表6 龙门吊安全检查评分表
2.每项扣减份数不得超过该项标准分数;
3.检查评分表中合计实得分计入汇总表时需进行换算。
表7 起重吊装安全检查评分表
2.每项扣减份数不得超过该项标准分数;
3.检查评分表中合计实得分计入汇总表时需进行换算。
表8 施工机具安全检查评分表
2.每项扣减份数不得超过该项标准分数;
3.检查评分表中合计实得分计入汇总表时需进行换算。
表9 轨行区施工安全检查评分表
2.每项扣减份数不得超过该项标准分数;
3.检查评分表中合计实得分计入汇总表时需进行换算。
实用文档
地铁轨道工程安全检查评分汇总表
说明:1、汇总表满分100分;
2、在汇总表中各检查项目实得分数=在汇总表中该项应得满分分值×在检查评分表中该项合计实得分/100;
3、遇有缺项时汇总表总得分=实查项目实得分数之和/实查项目应得满分分值之和×100;
表1 安全管理检查评分表
2.每项扣减份数不得超过该项标准分数;
3.检查评分表中合计实得分计入汇总表时需进行换算。
表2 文明施工检查评分表
2.每项扣减份数不得超过该项标准分数;
3.检查评分表中合计实得分计入汇总表时需进行换算。
表3 消防安全检查评分表
2.每项扣减份数不得超过该项标准分数;
3.检查评分表中合计实得分计入汇总表时需进行换算。
表4 施工用电安全检查评分表
2.每项扣减份数不得超过该项标准分数;
3.检查评分表中合计实得分计入汇总表时需进行换算。
表5 安全防护检查评分表
2.每项扣减份数不得超过该项标准分数;
3.检查评分表中合计实得分计入汇总表时需进行换算。
表6 龙门吊安全检查评分表
2.每项扣减份数不得超过该项标准分数;
3.检查评分表中合计实得分计入汇总表时需进行换算。
表7 起重吊装安全检查评分表
2.每项扣减份数不得超过该项标准分数;
3.检查评分表中合计实得分计入汇总表时需进行换算。
2.每项扣减份数不得超过该项标准分数;
3.检查评分表中合计实得分计入汇总表时需进行换算。
2.每项扣减份数不得超过该项标准分数;
3.检查评分表中合计实得分计入汇总表时需进行换算。
质量安全检查评分表单位名称:工程名称:说明:1、检查评分表满分100分;2、每项扣减分数不得超过该项标准分数;3、出现黑体字标志标志的情形之一时,直接判定为不合格(得分取69分,但当实际得分少于69分时取实际得分);4、检查评分表中合计实得分数计入汇总表时需进行换算。
附表2 勘察单位质量安全检查评分表单位名称:工程名称:说明:1、检查评分表满分100分;2、每项扣减分数不得超过该项标准分数;3、出现黑体字标志的情形之一时,直接判定为不合格(得分取69分,但当实际得分少于69分时取实际得分);4、检查评分表中合计实得分数计入汇总表时需进行换算。
附表3 设计单位质量安全检查评分表单位名称:工程名称:说明:1、检查评分表满分100分;2、每项扣减分数不得超过该项标准分数;3、出现黑体字标志的情形之一时,直接判定为不合格(得分取69分,但当实际得分少于69分时取实际得分);4、检查评分表中合计实得分数计入汇总表时需进行换算。
附表4 监理单位质量安全检查评分表说明:1、检查评分表满分100分;2、每项扣减分数不得超过该项标准分数;3、出现黑体字标志的情形之一时,直接判定为不合格(得分取69分,但当实际得分少于69分时取实际得分);4、检查评分表中合计实得分数计入汇总表时需进行换算;5、“监理效果”反映的是监理单位的监理工作绩效,按所监理工程的施工单位安全、质量检查合计得分的一半以20%的比例计入监理检查得分的总分数中。
附表5 施工单位安全检查评分汇总表说明:1、汇总表满分100分;2、在汇总表中各检查项目实得分数=在汇总表中该项应得满分分值×该项检查评分表实得分值/100;3、遇有缺项时汇总表总得分=实查项目实得分值之和/实查项目应得满分分值之和×100;4、其他专项:轨行区施工、人工挖孔桩施工、架桥机及架桥作业、特殊气候施工等。
1附表5.1 安全管理检查评分表单位名称:工程名称:说明:1、检查评分表满分100分;2、每项扣减分数不得超过该项标准分数;3、出现黑体字标志的情形之一时,直接判定为不合格(得分取69分,但当实际得分少于69分时取实际得分);4、检查评分表中合计实得分数计入汇总表时需进行换算。
城市轨道交通工程安全检查记录表检查时间:[日期]检查人员:[姓名]检查地点:[地点]轨道交通公司信息:- 公司名称:[公司名称]- 公司地址:[公司地址]- 联系[联系电话]工程概况:- 工程名称:[工程名称]- 工程地点:[工程地点]- 工程负责人:[工程负责人]检查内容:1. 安全设备检查:- 检查轨道交通系统的安全设备,包括信号设备、通信设备、消防设备等,确保其正常运行并具备安全性。
- 检查安全设备的维护记录,确认维护情况是否符合规定。
2. 车辆检查:- 检查轨道交通车辆的整体状况,确保车辆结构完好、设备运行正常。
- 检查车辆的安全装置,如应急刹车装置、防滑装置等,确保其正常可用。
3. 轨道与线路检查:- 检查轨道和线路的铺设情况,确保轨道和线路平整、无明显变形和磨损。
- 检查轨道和线路的固定设备,如轨道固定钉、线路固定夹等,确保其牢固可靠。
4. 供电系统检查:- 检查轨道交通的供电系统,包括接触网、牵引变电所等,确保电力供应正常、无安全隐患。
- 检查供电设备的维护情况,确认维护记录是否完善。
检查结果和建议:根据本次安全检查的情况,以下是我们的检查结果和建议:1. [检查结果和建议1]2. [检查结果和建议2]3. [检查结果和建议3]...图片记录:请在此处附上本次安全检查的相关图片。
后续跟进:- 工程负责人应根据检查结果和建议,及时采取相应的措施进行修复和改进。
- 下次安全检查的时间为:[日期]以上为本次城市轨道交通工程安全检查记录表,请妥善保管。
安全生产管理检查用表表1被检查单位:检查时间:注:1、检查内容中属于判定类的检查结果填写“有、无、是、否”;2、检查内容需要进行程度描述的填写“好、一般、差”。
被检查单位负责人(签字):检查人员(签字):文明施工检查用表表2被检查单位: 检查时间:注:1、检查内容中属于判定类的检查结果填写“有、无、是、否";2、检查内容需要进行程度描述的填写“好、一般、差"。
被检查单位负责人(签字):检查人员(签字):ﻬ基坑支护安全检查用表表3被检查单位:检查时间:注:1、检查内容中属于判断类的检查结果填写“有、无、是、否";2、检查内容需要进行程度描述的填写“好、一般、差”.被检查单位负责人(签字):检查人员(签字):模板工程安全检查用表表4被检查单位: 检查时间:注:1、检查内容中属于判断类的检查结果填写“有、无、是、否”;2、检查内容需要进行程度描述的填写“好、一般、差"。
被检查单位负责人(签字): 检查人员(签字):“三宝"、“四口”防护检查用表表5被检查单位: 检查时间:注:1、检查内容中属于判断类的检查结果填写“有、无、是、否”;2、检查内容需要进行程度描述的填写“好、一般、差".被检查单位负责人(签字):检查人员(签字):ﻬ施工用电检查用表表6被检查单位: 检查时间:注:1、检查内容中属于判定类的检查结果填写“有、无、是、否”;2、检查内容需要进行程度描述的填写“好、一般、差”。
被检查单位负责人(签字): 检查人员(签字):塔吊安全检查用表表7被检查单位: 检查时间:注:1、检查内容中属于判断类的检查结果填写“有、无、是、否";2、检查内容需要进行程度描述的填写“好、一般、差”。
被检查单位负责人(签字):检查人员(签字):ﻬ地下区间专项检查内容表8被检查单位: 检查时间:注:1、检查内容中属于判断类的检查结果填写“有、无、是、否";2、检查内容需要进行程度描述的填写“好、一般、差”.被检查单位负责人(签字): 检查人员(签字):高架区间专项检查内容表9被检查单位:检查时间:注:1、检查内容中属于判断类的检查结果填写“有、无、是、否”;2、检查内容需要进行程度描述的填写“好、一般、差".被检查单位负责人(签字):检查人员(签字):。
地铁轨道工程安全检查评分汇总表
说明:1、汇总表满分100分;
2、在汇总表中各检查项目实得分数=在汇总表中该项应得满分分值×在检查评分表中该项合计实得分/100;
3、遇有缺项时汇总表总得分=实查项目实得分数之和/实查项目应得满分分值之和×100;
表1 安全管理检查评分表
说明:1.检查评分表满分100分;
2.每项扣减份数不得超过该项标准分数;
3.检查评分表中合计实得分计入汇总表时需进行换算。
表2 文明施工检查评分表
说明:1.检查评分表满分100分;
2.每项扣减份数不得超过该项标准分数;
3.检查评分表中合计实得分计入汇总表时需进行换算。
1111
表3 消防安全检查评分表
1212
说明:1.检查评分表满分100分;
1313
2.每项扣减份数不得超过该项标准分数;
3.检查评分表中合计实得分计入汇总表时需进行换算。
1414
表4 施工用电安全检查评分表
1515
1616
说明:1.检查评分表满分100分;
2.每项扣减份数不得超过该项标准分数;
3.检查评分表中合计实得分计入汇总表时需进行换算。
1717
表5 安全防护检查评分表
1818
说明:1.检查评分表满分100分;
2.每项扣减份数不得超过该项标准分数;
3.检查评分表中合计实得分计入汇总表时需进行换算。
1919
表6 龙门吊安全检查评分表
2020
2121
说明:1.检查评分表满分100分;
2.每项扣减份数不得超过该项标准分数;
3.检查评分表中合计实得分计入汇总表时需进行换算。
2222
表7 起重吊装安全检查评分表
2323
2424
说明:1.检查评分表满分100分;
2.每项扣减份数不得超过该项标准分数;
3.检查评分表中合计实得分计入汇总表时需进行换算。
2525
表8 施工机具安全检查评分表
2626
说明:1.检查评分表满分100分;
2.每项扣减份数不得超过该项标准分数;
3.检查评分表中合计实得分计入汇总表时需进行换算。
2727
表9 轨行区施工安全检查评分表
2828
2929
说明:1.检查评分表满分100分;
2.每项扣减份数不得超过该项标准分数;
3.检查评分表中合计实得分计入汇总表时需进行换算。
3030。