水库等级划分
- 格式:doc
- 大小:33.50 KB
- 文档页数:4
水库等级划分大、中、小型水库的等级是按照库容大小来划分的。
大(一)型水库库容大于10亿立方米;大(二)型水库库容大于1亿立方米而小于10亿立方米;中型水库库容大于或等于0.1亿立方米而小于1亿立方米;小(一)型水库库容大于或等于100万立方米而小于1000万立方米;小(二)型水库库容大于或等于10万立方米而小于100万立方米。
河流等级划分大、中、小型河流的等级是按照保护面积大小来划分的。
大型河流保护面积大于30万亩;中型河流保护面积在1—30万亩之间;小型河流保护面积小于1万亩。
有众多支流汇入的是上游水量稳定且较高的是中游水量有所减少或转如地势低平地区的是下游上中游分界线一般是最后一条大支流的汇入地点中下游分界线一般是地势低平地区的边缘堤防工程等级依据堤防工程的防洪标准确定,依据堤防工程设计规范(GB50286-1998),堤防工程分为5级,详见表2。
表2堤防工程的级别防洪标准〔重现期(年)〕≥100年<100,且≥50<50,且≥30<30, 且≥20<20, 且≥10堤防工程的 1 2 3 4 5堤防分类堤防按其所在位置及建筑材料进行分类。
按所在位置,堤防可分为河(江)堤、海堤、湖堤、水库堤及渠(沟)堤等五种,详见表1 。
表1 堤防分类表(按所在位置分)类别所在位置主要作用备注河(江)堤江河沿岸抵御洪水海堤海岸抵御潮汐、海浪必须坚固抗冲湖堤湖泊四周防湖水漫溢、围垦水库堤水库周围及回水末端减少水库淹没面积迎水面必须抗风浪淘刷渠(沟)堤灌溉渠道及排水沟道两侧约束水流按建筑材料,堤防可分为土堤、砂堤、石堤、混凝土堤等四种。
(1)土堤:由粘土、壤土筑成,主要建在平原地区江河沿岸、海岸、湖泊四周、排灌沟渠沿岸及水库周边。
(2)砂堤:由沙土或砂砾石筑成,主要建在山区、丘陵区江河沿岸,水库周边、海岸。
(3)石堤:由块石或条石筑成,主要建在海岸、取土困难的江河沿岸及城区河段沿岸。
(4)混凝土堤:由混凝土或钢筋混凝土筑成,主要用于城区河段沿岸。
中型水库的划分标准
中型水库的划分标准主要有以下几个方面:
一、按库容分类:根据库底面积和水库总库容大小,常将水库划分为小、中、大三类,其中中型水库指总库容在0.1亿m3
至1亿m3之间的水库;
二、按枢纽分类:根据用途和工程量,将水库划分为枢纽水库、蓄水水库和实验水库三类,其中枢纽水库指可以满足极端水文下的最低充洪能力的水库,蓄水水库主要供水改善农田渗漏和提高地表径流的补给水源,实验水库多用于科学研究和试验调控;
三、按等级划分:根据水库工程能力、船舶可通行能力及其影响区范围等进行评价,将水库划分为特I级、I级、II级、III
级和普IV-VI级五类,其中,特I级水库为具有特殊功能的重
要水库,具有国家重点投资保护的水库,其他几类水库则是按照不同功能和投资的分级;
四、按工程性质划分:根据它们在水库总体高位调节系统中的作用,将水库分为四类:梯级调节水库、放空水库、补给水库和主要调节水库;
五、按照湖泊类型划分:具有相同湖泊环境的水库可根据水库地形、水体成分及其功能,分类为枯水湖、正常湖、蓄水湖和溢洪湖等。
水利工程等级划分标准水利工程是指利用水资源进行开发、利用和保护的工程,包括水利水电工程、水资源工程、水文水资源工程、水土保持工程等。
水利工程的等级划分标准是根据工程的规模、影响范围、技术难度等因素进行评定的,不同等级的水利工程具有不同的重要性和作用。
下面将对水利工程的等级划分标准进行详细介绍。
首先,水利工程的等级划分主要包括一、二、三级工程。
一级水利工程是指对国计民生有重大影响的大型水利工程,如大型水库、引滦工程等;二级水利工程是指对地区经济社会发展有重要影响的中型水利工程,如中型水库、灌溉工程等;三级水利工程是指对局部地区有一定影响的小型水利工程,如小型水库、排灌工程等。
不同等级的水利工程在规模和影响范围上有所差异,但都对当地的水资源利用和保护起着重要作用。
其次,水利工程的等级划分还与技术难度、投资规模等因素有关。
一级水利工程通常技术难度大、投资规模巨大,需要采用先进的技术和设备进行建设和管理,对国家和地区的经济社会发展有着重要的支撑作用。
二级水利工程虽然规模和投资较一级水利工程有所降低,但仍然需要高水平的技术和管理手段来确保工程的安全和效益。
三级水利工程则更多地依靠当地的资源和技术条件,对当地的农业生产和生活水源有着直接的影响。
最后,水利工程的等级划分标准还与工程的功能和效益有关。
一级水利工程的主要功能是调节水资源、防洪抗旱、发电供水等,对国家和地区的经济社会发展有着重要的支撑作用;二级水利工程主要用于地方经济社会发展,如灌溉、供水、发电等;三级水利工程则更多地用于农田灌溉、生活供水等,对当地的农业生产和生活水源有着直接的影响。
总之,水利工程的等级划分标准是根据工程的规模、影响范围、技术难度、投资规模、功能和效益等因素进行评定的。
不同等级的水利工程在水资源利用和保护方面发挥着不同的作用,对国家和地区的经济社会发展都具有重要意义。
因此,我们应该根据实际情况,科学合理地规划和建设水利工程,以更好地发挥其作用,促进经济社会的可持续发展。
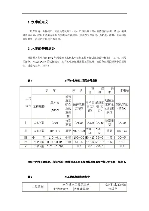
我国水库等级的划分按库容大小划分:大(一)型水库:≥10 亿 m³大(二)型水库:≥1亿m³<10亿 m³中型水库:≥1000万m³,<1亿 m³小(一)型水库:≥100万m³,< 1000万m³小(二)型水库:≥10 万m³,<100万m³1水库的定义一般在河道、山谷峡口、低洼地等处用土、砂、石或混凝土等材料修筑挡水坝,堵住山溪或河道的水流,把坝上游集水面积内的雨水拦蓄起来,以调节天然径流,为防洪、灌溉、供水和发电等服务,这样的工程称之为水库。
2水库的等级划分根据原水利电力部1978年颁发的《水利水电枢纽工程等级划分及设计标准》(山丘、丘陵区部分)(SDJ12-78)的试行规定,水利水电枢纽根据其工程规模、效益和在国民经济中的重要性,划分为五等,如表1。
表1 水利水电枢纽工程的分等指标低级别。
3病险水库病险水库一般是指工程实际洪水标准未达到规定要求的标准,或虽达到规定洪水的标准,但工程存在较严重的质量问题,影响大坝安全,不能正常运行的水库。
即水库大坝属《大坝安全鉴定办法》规定的三类坝的水库。
这类大坝由于存在安全隐患,需要进行除险加固或重建甚至报废。
大坝安全状况分为三类,分类标准如下:一类坝:实际抗御洪水标准达到《防洪标准》(GB50201-94)规定,大坝工作状态正常;工程无重大质量问题,能按设计正常运行的大坝。
二类坝:实际抗御洪水标准不低于部颁水利枢纽工程除险加固近期非常运用洪水标准,但达不到《防洪标准》(GB50201-94)规定;大坝工作状态基本正常,在一定控制运用条件下能安全运行的大坝。
三类坝:实际抗御洪水标准低于部颁水利枢纽工程除险加固近期非常运用洪水标准,或者工程存在较严重安全隐患,不能按设计正常运行的大坝。
如有侵权请联系告知删除,感谢你们的配合!。
第1篇第一章总则第一条为加强水库管理,保障水库工程安全运行,提高水库经济效益和社会效益,根据《中华人民共和国水法》、《中华人民共和国防洪法》等法律法规,制定本规定。
第二条本规定适用于中华人民共和国境内所有水库的管理。
水库管理等级分为一级、二级、三级、四级,具体划分标准如下:一级水库:大型水库,具有防洪、发电、灌溉、供水、旅游等综合利用功能;二级水库:中型水库,具有防洪、发电、灌溉、供水等功能;三级水库:小型水库,具有防洪、灌溉、供水等功能;四级水库:小型水库,具有灌溉、供水等功能。
第三条水库管理应遵循以下原则:(一)坚持统筹兼顾、安全第一的原则,确保水库工程安全运行;(二)坚持经济效益、社会效益、生态效益相统一的原则,实现水库综合效益最大化;(三)坚持科学规划、合理调度、规范运行的原则,提高水库管理水平和效率;(四)坚持依法管理、加强监督、严格责任的原则,确保水库管理工作有序进行。
第二章管理机构与职责第四条水库管理机构分为国家、省、市、县四级,具体职责如下:(一)国家层面:负责全国水库管理的政策制定、规划编制、监督检查和业务指导;(二)省、市、县层面:负责本行政区域内水库管理的组织实施、监督检查和业务指导。
第五条水库管理机构应设立以下部门:(一)办公室:负责水库管理机构的日常行政事务;(二)工程管理部:负责水库工程的维护、保养、更新改造等工作;(三)水资源管理部:负责水库水资源的管理、调度和保护工作;(四)防汛抗旱部:负责水库防汛抗旱工作的组织实施和监督检查;(五)环保与生态部:负责水库生态环境保护、水质监测和污染防治工作。
第六条水库管理机构的主要职责:(一)制定水库管理规章制度,建立健全水库管理体系;(二)组织实施水库工程维护、保养、更新改造等工作;(三)负责水库水资源的管理、调度和保护工作;(四)组织实施水库防汛抗旱工作,确保水库工程安全运行;(五)加强水库生态环境保护,提高水库水质;(六)开展水库管理工作宣传和培训,提高水库管理人员素质。
水库分类
水库是在河道、山谷、低洼地及下透水层修建挡水坝或堤堰、隔水墙,形成蓄集水的人工湖,是调蓄洪水的主要工程措施之一。
水库的主要作用是防洪、发电、灌溉、供水、蓄能等,水库在防洪中的主要作用是调蓄洪水、削减洪峰,特别是江河干流上的水库汛期拦蓄洪水,调节径流的作用很大,防洪效益很显著。
建国以来,我国对主要江河的干支流进行了不同程度的规划治理,修建了8万多座各类水库。
病险水库是我国当前已建成水库中存在安全问题带病运行的水库,主要是原设计防洪标准不够、施工质量差以及管理薄弱等原因造成。
因此,在管理养护和防洪调度方面都要给予特殊考虑。
水库按其所在位置和形成条件,通常分为山谷水库、平原水库和地下水库三种类型。
山谷水库多是用拦河坝截断河谷,拦截河川径流,抬高水位形成。
平原水库是在平原地区,利用天然湖泊、洼淀、河道,通过修筑围堤和控制闸等建筑物形成的水库。
地下水库是由地下贮水层中的孔隙和天然的溶洞或通过修建地下隔水墙拦截地下水形成的水库。
水库工程的等别划分:根据工程规模、保护范围和重要程度,按照国家标准《防洪标准》(GB50201-94),水库工程分为五个等别,等别指标见下表。
水库工程等别表
水库工程的防洪标准分设计(正常运用)和校核(非常运用)两级标准。
防洪标准的选用应按照设计规范确定。
水库划分标准首先,水库可以根据其规模大小进行划分。
一般来说,水库可以分为大型水库、中型水库和小型水库。
大型水库通常具有较大的蓄水量和灌溉、发电等功能,对周边地区有较大影响;中型水库规模适中,主要用于局部灌溉和供水;小型水库则通常用于农田灌溉和农村生活用水。
根据规模的不同,水库的管理和利用方式也会有所差异。
其次,水库还可以根据其水质特征进行划分。
根据水库水质的不同,可以将水库分为清水库、混合水库和混浊水库。
清水库指的是水质清澈,适合供水和养殖等用途;混合水库水质介于清澈和混浊之间,通常用于灌溉和发电;混浊水库水质较差,主要用于防洪和灌溉。
对于不同水质的水库,我们需要采取不同的管理措施,以保证水库的可持续利用。
此外,水库还可以根据其地理位置进行划分。
根据地理位置的不同,可以将水库分为山地水库、平原水库和丘陵水库。
山地水库通常位于山区,蓄水量大,对下游灌溉和发电有重要作用;平原水库位于平原地区,主要用于供水和农田灌溉;丘陵水库则位于丘陵地区,起到灌溉和防洪的作用。
不同地理位置的水库,其管理和利用也需要考虑当地的地形地貌特点。
最后,水库还可以根据其建设目的进行划分。
根据建设目的的不同,可以将水库分为多功能水库、单一功能水库和特定功能水库。
多功能水库具有灌溉、供水、发电等多种功能,对周边地区有多方面的影响;单一功能水库则只具有单一的功能,如仅用于发电或仅用于供水;特定功能水库则根据特定需求进行建设,如生态恢复水库、旅游观光水库等。
根据建设目的的不同,我们可以有针对性地进行水库管理和利用。
综上所述,水库的划分标准有多种多样,可以从规模大小、水质特征、地理位置和建设目的等多个方面进行划分。
合理的水库划分标准可以帮助我们更好地管理和利用水库资源,实现水资源的可持续利用和保护。
希望本文介绍的内容对水库管理工作有所帮助。
⽔利⽔电⼯程项⽬规模分级标准⽔利⽔电⼯程项⽬规模分级标准⽔库等级划分⼤、中、⼩型⽔库的等级是按照库容⼤⼩来划分的。
⼤(⼀)型⽔库库容⼤于10亿⽴⽅⽶;⼤(⼆)型⽔库库容⼤于1亿⽴⽅⽶⽽⼩于10亿⽴⽅⽶;中型⽔库库容⼤于或等于0.1亿⽴⽅⽶⽽⼩于1亿⽴⽅⽶;⼩(⼀)型⽔库库容⼤于或等于100万⽴⽅⽶⽽⼩于1000万⽴⽅⽶;⼩(⼆)型⽔库库容⼤于或等于10万⽴⽅⽶⽽⼩于100万⽴⽅⽶。
河流等级划分⼤、中、⼩型河流的等级是按照保护⾯积⼤⼩来划分的。
⼤型河流保护⾯积⼤于30万亩;中型河流保护⾯积在1—30万亩之间;⼩型河流保护⾯积⼩于1万亩。
有众多⽀流汇⼊的是上游⽔量稳定且较⾼的是中游⽔量有所减少或转如地势低平地区的是下游上中游分界线⼀般是最后⼀条⼤⽀流的汇⼊地点中下游分界线⼀般是地势低平地区的边缘堤防⼯程等级依据堤防⼯程的防洪标准确定,依据堤防⼯程设计规范(GB50286-1998),堤防⼯程分为5级,详见表2。
表2堤防⼯程的级别堤防分类堤防按其所在位置及建筑材料进⾏分类。
按所在位置,堤防可分为河(江)堤、海堤、湖堤、⽔库堤及渠(沟)堤等五种,详见表1 。
按建筑材料,堤防可分为⼟堤、砂堤、⽯堤、混凝⼟堤等四种。
(1)⼟堤:由粘⼟、壤⼟筑成,主要建在平原地区江河沿岸、海岸、湖泊四周、排灌沟渠沿岸及⽔库周边。
(2)砂堤:由沙⼟或砂砾⽯筑成,主要建在⼭区、丘陵区江河沿岸,⽔库周边、海岸。
(3)⽯堤:由块⽯或条⽯筑成,主要建在海岸、取⼟困难的江河沿岸及城区河段沿岸。
(4)混凝⼟堤:由混凝⼟或钢筋混凝⼟筑成,主要⽤于城区河段沿岸。
拦河闸等级划分拦河闸等级是按照过闸流量⼤⼩划分的。
⼤型拦河闸过闸流量⼤于1000⽴⽅⽶/秒;中型拦河闸过闸流量⼤于100⽴⽅⽶/秒⽽⼩于或等于1000⽴⽅⽶/秒;⼩型拦河闸过闸流量⼤于或等于10⽴⽅⽶/秒⽽⼩于100⽴⽅⽶/秒;流域河流等级⼀个流域内的⽔系汇⼊主流的各级⽔流。
如湘、资、沅、澧四⽔即为长江的⽀流。
水库、河流等级划分
水库等级划分
大、中、小型水库的等级是按照库容大小来划分的。
大(一)型水库库容大于10亿立方米;
大(二)型水库库容大于1亿立方米而小于10亿立方米;
中型水库库容大于或等于0.1亿立方米而小于1亿立方米;
小(一)型水库库容大于或等于100万立方米而小于1000万立方米;
小(二)型水库库容大于或等于10万立方米而小于100万立方米。
仅供学习与交流,如有侵权请联系网站删除谢谢2
河流等级划分
大、中、小型河流的等级是按照保护面积大小来划分的。
大型河流保护面积大于30万亩;
中型河流保护面积在1—30万亩之间;
小型河流保护面积小于1万亩。
有众多支流汇入的是上游水量稳定且较高的是中游;
水量有所减少或转如地势低平地区的是下游;
上中游分界线一般是最后一条大支流的汇入地点;
中下游分界线一般是地势低平地区的边缘;
仅供学习与交流,如有侵权请联系网站删除谢谢3。
1 水库的定义一般在河道、山谷峡口、低洼地等处用土、砂、石或混凝土等材料修筑挡水坝,堵住山溪或河道的水流,把坝上游集水面积内的雨水拦蓄起来,以调节天然径流,为防洪、灌溉、供水和发电等服务,这样的工程称之为水库。
2 水库的等级划分根据原水利电力部1978年颁发的《水利水电枢纽工程等级划分及设计标准》(山丘、丘陵区部分)(SDJ12-78)的试行规定,水利水电枢纽根据其工程规模、效益和在国民经济中的重要性,划分为五等,如表1。
表1 水利水电枢纽工程的分等指标枢纽中的水工建筑物,根据所属工程等别及其在工程的作用和重要性划分为五级,如表2。
表2 水工建筑物级别的划分对于坝高较大、地质条件特别复杂,或设计与施工实践经验较少的新坝型、新结构等,可提高建筑物的级别。
对于低水头或失事后损失不大的水利枢纽,其水工建筑物亦可适当降低级别。
3 病险水库病险水库一般是指工程实际洪水标准未达到规定要求的标准,或虽达到规定洪水的标准,但工程存在较严重的质量问题,影响大坝安全,不能正常运行的水库。
即水库大坝属《大坝安全鉴定办法》规定的三类坝的水库。
这类大坝由于存在安全隐患,需要进行除险加固或重建甚至报废。
大坝安全状况分为三类,分类标准如下:一类坝:实际抗御洪水标准达到《防洪标准》(GB50201-94)规定,大坝工作状态正常;工程无重大质量问题,能按设计正常运行的大坝。
二类坝:实际抗御洪水标准不低于部颁水利枢纽工程除险加固近期非常运用洪水标准,但达不到《防洪标准》(GB50201-94)规定;大坝工作状态基本正常,在一定控制运用条件下能安全运行的大坝。
三类坝:实际抗御洪水标准低于部颁水利枢纽工程除险加固近期非常运用洪水标准,或者工程存在较严重安全隐患,不能按设计正常运行的大坝。
水库等级划分大、中、小型水库的等级是按照库容大小来划分的。
大(一)型水库库容大于10亿立方米;大(二)型水库库容大于1亿立方米而小于10亿立方米;中型水库库容大于或等于0.1亿立方米而小于1亿立方米;小(一)型水库库容大于或等于100万立方米而小于1000万立方米;小(二)型水库库容大于或等于10万立方米而小于100万立方米。
河流等级划分大、中、小型河流的等级是按照保护面积大小来划分的。
大型河流保护面积大于30万亩;中型河流保护面积在1—30万亩之间;小型河流保护面积小于1万亩。
有众多支流汇入的是上游水量稳定且较高的是中游水量有所减少或转如地势低平地区的是下游上中游分界线一般是最后一条大支流的汇入地点中下游分界线一般是地势低平地区的边缘降水量降水量是衡量一个地区在某段时间内降水多少的数据。
降水量就是指从天空降落到地面上的液态和固态(经融化后)降水,没有经过蒸发、渗透和流失而在水平面上积聚的深度。
它的单位是毫米。
分类在气象上用降水量来区分降水的强度。
可分为:小雨、中雨、大雨、暴雨、大暴雨、特大暴雨,小雪、中雪、大雪和暴雪等。
小雨:雨点清晰可见, 没漂浮现象;下地不四溅;洼地积水很慢;屋上雨声微弱,屋檐只有滴水;12小时内降水量小于 5mm或24小时内降水量小于10mm的降雨过程。
中雨:雨落如线,雨滴不易分辨;落硬地四溅;洼地积水较快;屋顶有沙沙雨声;12小时内降水量 5~15mm 或24小时内降水量10~25mm的降雨过程。
大雨:雨降如倾盆,模糊成片;洼地积水极快;屋顶有哗哗雨声;12小时内降水量15~30mm或24小时内降水量25~50mm的降雨过程。
暴雨:凡24小时内降水量超过50mm的降雨过程统称为暴雨。
根据暴雨的强度可分为:暴雨、大暴雨、特大暴雨三种。
暴雨:12小时内降水量30~70mm或24小时内降水量 50~100mm的降雨过程。
大暴雨: 12小时内降水量70~140 mm或24小时内降水量100~250mm的降雨过程。
水库等别划分标准?
答:水库等别划分标准主要依据水库的库容大小进行划分。
在中国水利工程中,水库的级别划分为大(一)型、大(二)型、中型、小(一)型和小(二)型五个等级。
具体划分标准如下:
1. 大(一)型水库:库容大于10亿立方米。
2. 大(二)型水库:库容在1亿立方米到10亿立方米之间。
3. 中型水库:库容在0.1亿立方米到1亿立方米之间。
4. 小(一)型水库:库容在100万立方米到1000万立方米之间。
5. 小(二)型水库:库容在10万立方米到100万立方米之间。
这些划分标准有助于对水库进行统一管理和规划,以确保其安全和有效地运行。
请注意,水库的等级可能会根据其功能、地理位置和其他因素进行微调。
水库的等级划分大型水库:总库容在10亿方以上为大(1)型总库容在1-10亿方以内为大(2)型中型水库:总库容在1亿立方以下千万方以上。
小型水库:总库容在千万方以下,百万方以上为小(1)型。
总库容在10万方以上,百万方以下为小(2)型。
库容在10万方以下的为堰塘。
水库的特征水位正常蓄水位:水库在正常情况下,为满足兴利要求应蓄到的高程水位,又称正常高水位,兴利水位或设计蓄水位。
死水位:水库在正常运用情况下,允许消落到的最低水位。
防洪限制水位:水库在汛期允许兴利蓄水的上限水位,也是水库在汛期防洪运用时的起调水位。
有的水库由于各种客观原因,如主体工程不完善或存在质量问题尚待处理,为保证水库安全,汛期把水库蓄水限制在一定高程,低于正常蓄水位,又称水库汛期限制水位,简称汛限水位。
防洪高水位:水库遇到下游防护对象的设计标准洪水时,在坝前达到的最高水位。
只有水库承担下游防洪任务时,才需确定这一水位。
设计洪水位:水库遇到大坝的设计洪水时,在坝前达到的最高水位。
校核洪水位:水库遇到大坝的校核洪水时,在坝前达到的最高水位。
水库库容总库容:指校核洪水位以下的水库静库容容积。
防洪库容:防洪高水位至防洪限制水位之间的水库容积,用以满足水库下游防护对象的防洪要求。
调洪库容:指设计洪水位(或校核洪水位)至汛限水位之间的库容。
正常库容:指正常高水位以下的水库库容,即兴利库容加死库容。
兴利库容:指正常高水位至死水位之间的库容。
死库容:指死水位以下的库容。
关于水库防洪2010年08月17日07:50山西新闻网字号:T|T水库防洪是利用水库调蓄洪水,承担下游防洪任务的工程措施。
水库防洪一般分为两类:一是综合利用水库承担防洪任务,二是专用于防洪的水库。
水库根据下游防洪需要及统一的防洪规划,可以合理调蓄入库洪水,降低出库洪峰流量,拦蓄下游成灾水量,错开下游洪水高峰,使下游河道水位(或流量)在设计防洪水位(或河道安全泄量)以下,以保证防洪安全。
1 水库的定义
一般在河道、山谷峡口、低洼地等处用土、砂、石或混凝土等材料修筑挡水坝,堵住山溪或河道的水流,把坝上游集水面积内的雨水拦蓄起来,以调节天然径流,为防洪、灌溉、供水和发电等服务,这样的工程称之为水库。
2 水库的等级划分
根据原水利电力部1978年颁发的《水利水电枢纽工程等级划分及设计标准》(山丘、丘陵区部分)(SDJ12-78)的试行规定,水利水电枢纽根据其工程规模、效益和在国民经济中的重要性,划分为五等,如表1。
表1 水利水电枢纽工程的分等指标
枢纽中的水工建筑物,根据所属工程等别及其在工程的作用和重要性划分为五级,如表2。
表2 水工建筑物级别的划分
对于坝高较大、地质条件特别复杂,或设计与施工实践经验较少的新坝型、新结构等,可提高建筑物的级别。
对于低水头或失事后损失不大的水利枢纽,其水工建筑物亦可适当降低级别。
3 病险水库
病险水库一般是指工程实际洪水标准未达到规定要求的标准,或虽达到规定洪水的标准,但工程存在较严重的质量问题,影响大坝安全,不能正常运行的水库。
即水库大坝属《大坝安全鉴定办法》规定的三类坝的水库。
这类大坝由于存在安全隐患,需要进行除险加固或重建甚至报废。
大坝安全状况分为三类,分类标准如下:
一类坝:实际抗御洪水标准达到《防洪标准》(GB50201-94)规定,大坝工作状态正常;工程无重大质量问题,能按设计正常运行的大坝。
二类坝:实际抗御洪水标准不低于部颁水利枢纽工程除险加固近期非常运用洪水标准,但达不到《防洪标准》(GB50201-94)规定;大坝工作状态基本正常,在一定控制运用条件下能安全运行的大坝。
三类坝:实际抗御洪水标准低于部颁水利枢纽工程除险加固近期非常运用洪水标准,或者工程存在较严重安全隐患,不能按设计正常运行的大坝。
附:中国大(1)型水库
名称所属省流域库容量(单位:亿立方米)
三峡水库湖北长江393.0
龙滩水库广西珠江272.7
龙羊峡水库青海黄河247.0
新安江水库浙江钱塘江220.0
丹江口水库湖北长江209.7
大七孔水库贵州长江190.0
永丰水库辽宁鸭绿江146.7
新丰江水库广东珠江139.8
小浪底水库河南黄河126.5
丰满水库吉林松花江107.8
天生桥一级贵州-广西珠江106.8
三门峡水库河南黄河103.1
东江水库湖南长江81.1
柘林水库江西长江79.2
白山水库吉林松花江65.1
刘家峡水库甘肃黄河61.2
二滩水库四川长江57.9
密云水库北京海河43.8
官厅水库河北海河41.6 东平湖山东黄河40.0 莲花水库黑龙江松花江39.2
云峰水库吉林鸭绿江39.1 隔河岩水库湖北长江37.7 大藤峡水库广西珠江37.1 柘溪水库湖南长江35.7 桓仁水库辽宁鸭绿江34.6 岩滩水库广西珠江33.5 松涛水库海南南渡江33.4 西津水库广西珠江30.0 五强溪水库湖南长江29.9 潘家口水库河北滦河29.3 西洱河一级云南西洱河27.7
陈村水库安徽长江27.2 响洪甸水库安徽淮河26.3 水口水库福建闽江26.0 红山水库内蒙古辽河25.6 宝珠寺水库四川长江25.5 安康水库陕西长江25.8 花凉亭水库安徽长江24.0 梅山水库安徽淮河23.4 乌江渡水库贵州长江23.0 万安水库江西长江22.2 棉花滩水库福建汀江22.1 大伙房水库辽宁辽河21.9 观音阁水库辽宁辽河21.7 湖南镇水库浙江瓯江20.6 漳河水库湖北长江20.3 枫树坝水库广东珠江19.4 镜泊湖黑龙江松花江16.3 二龙山水库吉林辽河17.6 南湾水库河南淮河16.3 富水水库湖北长江16.2 葛洲坝湖北长江15.8 岗南水库河北海河15.7 于桥水库天津海河15.6 凤滩水库湖南长江15.4 王快水库河北海河13.89 峡山水库山东潍河13.77 察尔森水库内蒙古洮儿河13.65
陆浑水库河南黄河13.2 白莲河水库湖北长江12.5 南水水库广东珠江12.43
鸭河口水库河南长江12.25 黄壁庄水库河北海河12.1 大化水水库广西珠江12.1 故县水库河南黄河12.0 黄龙滩水库湖北长江11.6 澄碧河水库广西珠江11.54 鹤地水库广东九洲江11.51 高州水库广东鉴江11.5 岳城水库河北海河10.9 西大洋水库河北海河10.7 宿鸭湖水库河南淮河10.4 狮子滩水库四川长江10.2。