框架结构混凝土浇筑技术交底记录
- 格式:doc
- 大小:41.50 KB
- 文档页数:8
建筑工程技术交底记录一、背景介绍建筑工程技术交底是指在建设工程施工过程中,施工方向施工人员详细说明施工工艺、施工方法、施工要点等技术要求的一种交流方式。
通过技术交底,可以保证施工人员对项目的技术要求有清晰的了解,提高施工效率和施工质量。
二、技术交底内容1. 项目概述本项目为一座多功能商业综合体,包括办公楼、商业街和停车场等多个功能区域。
总建筑面积为50000平方米。
2. 施工工艺本项目采用框剪结构,主体结构采用钢筋混凝土框架结构,外墙采用干挂石材幕墙。
3. 施工方法(1)地基处理地基处理采用加固灌注桩的方式,地基处理深度应满足设计要求。
(2)主体结构施工主体结构采用框架结构,包括框架柱、框架梁、楼板等构件的安装。
主体结构施工时,应做好定位、支撑和拼接工作。
(3)外墙施工外墙施工采用干挂石材幕墙的方式,需按照设计要求进行基层处理、抹灰和石材铺贴等工程。
(4)室内装饰施工室内装饰分为基础装修和定制装修两个阶段,基础装修包括墙面涂料、地板铺贴等工程;定制装修包括吊顶、门窗、家具等工程。
(5)水电安装施工水电安装施工包括给排水工程和电气工程的安装。
给排水工程包括水管、排水管道、卫生器具等的安装,电气工程包括电线、开关插座等设备的安装。
4. 施工要点(1)施工顺序施工顺序应按照先地基处理、再主体结构施工、再外墙施工、再室内装饰施工、最后水电安装施工的顺序进行。
(2)施工质量施工质量要符合相关标准和规范要求,施工人员应熟悉施工规范,严格执行施工工序,确保施工质量合格。
(3)安全注意事项施工过程中,应遵守施工安全规程,保持施工现场整洁,做好防护措施,确保施工安全。
三、技术交底的重要性技术交底对建筑工程施工来说是非常重要的。
通过充分的技术交底,施工人员可以了解到工程的施工要求、工艺流程等相关信息,提高工作效率和施工质量。
同时,技术交底可以帮助施工人员理解工程的设计意图,从而更好地协作完成施工任务。
四、技术交底的流程技术交底的流程主要包括以下几个步骤:1.全体施工人员集中开会,由总监工或项目经理进行交底。
第1篇一、工程概况本工程为XX小区住宅楼,建筑面积XX平方米,共XX层,地下室1层,地上XX层。
本工程混凝土浇筑总量约为XX立方米。
为确保混凝土浇筑质量,特制定本技术交底。
二、混凝土浇筑前的准备工作1. 施工现场准备(1)确保施工现场道路畅通,场地平整,排水系统完善。
(2)对浇筑区域进行清理,确保无杂物、垃圾等。
(3)设置浇筑区域的围挡,防止无关人员进入。
2. 材料准备(1)混凝土:根据设计要求,选用合适强度等级的混凝土,并确保混凝土质量符合国家标准。
(2)水泥、砂、石子等原材料:严格按照设计要求进行采购,确保原材料质量。
(3)外加剂:选用合适的外加剂,如减水剂、防冻剂等,确保混凝土性能。
3. 设备准备(1)混凝土搅拌机:确保搅拌机性能良好,搅拌时间符合要求。
(2)运输车辆:选用符合要求的运输车辆,确保混凝土运输过程中的质量。
(3)泵送设备:根据工程规模和高度,选用合适的混凝土泵送设备。
(4)振捣设备:选用合适的振捣棒,确保混凝土密实。
4. 人员准备(1)组织施工人员进行技术交底,明确混凝土浇筑过程中的注意事项。
(2)确保施工人员具备相应的操作技能,持证上岗。
三、混凝土浇筑工艺1. 混凝土运输(1)混凝土运输过程中,确保运输车辆密封良好,防止混凝土流失。
(2)运输过程中,避免混凝土产生离析现象。
2. 混凝土泵送(1)根据混凝土浇筑高度和工程规模,选择合适的混凝土泵送设备。
(2)泵送过程中,保持泵送速度均匀,防止混凝土离析。
(3)泵送过程中,密切关注泵送压力,防止管道堵塞。
3. 混凝土浇筑(1)浇筑前,检查模板、钢筋等构造物,确保符合设计要求。
(2)浇筑过程中,按设计要求分层浇筑,每层厚度控制在25-30cm。
(3)浇筑过程中,确保混凝土均匀填充模板,防止出现空洞、蜂窝等现象。
(4)浇筑过程中,采用插入式振捣棒进行振捣,振捣时间不宜过长,以免混凝土出现离析。
(5)浇筑过程中,密切关注混凝土表面,确保混凝土表面平整。
框架结构混凝土工程技术交底一、框架结构混凝土概述框架结构混凝土是指将混凝土作为主要建筑材料,通过搭建钢筋混凝土框架,形成整体结构的一种建筑形式。
框架结构混凝土工程技术交底是指对框架结构混凝土工程施工过程中的关键技术要点、建筑物的设计、施工方案和施工工艺进行详细说明和交底。
二、构造设计1.基础设计:详细描述框架结构混凝土工程的地基基础设计要求,包括确定基础类型、承载力计算、基础布置等。
2.基础施工:介绍框架结构混凝土基础施工的步骤、方法和要求,包括地面处理、基坑开挖、埋设基础筏板等。
3.结构设计:阐述框架结构混凝土主体结构的设计要求,包括梁柱墙板的布置、钢筋混凝土梁柱的尺寸和配筋等。
4.结构施工:说明框架结构混凝土主体施工的流程和注意事项,包括模板安装、钢筋布置、混凝土浇筑等。
5.地面设计和施工:详细描述框架结构混凝土地面的设计和施工要求,包括地板尺寸、施工工艺和材料选择等。
三、材料选择与使用1.混凝土选择:介绍常用的混凝土配合比和材料比例,包括水泥、砂子、石子等。
同时,要说明混凝土的强度等级和湿度控制要求。
2.钢筋选择:阐述钢筋的种类、规格和用途,包括普通钢筋、螺纹钢筋等。
要说明钢筋的防锈处理和保护要求。
3.模板选择:详细描述框架结构混凝土模板的种类、规格和安装要求,包括模板板材、支撑体系等。
同时,要说明模板的使用寿命和拆除方法。
4.浇筑材料选择:说明框架结构混凝土浇筑所需的辅助材料,包括脱模剂、防水剂等。
四、施工工艺1.钢筋加工与施工:详细描述框架结构混凝土钢筋加工和安装的步骤和要求,包括钢筋加工机械、摆放规范等。
2.模板安装:说明框架结构混凝土模板安装的流程和方法,包括模板的拆装步骤和模板表面处理。
3.混凝土浇筑:阐述框架结构混凝土浇筑的施工工艺和注意事项,包括混凝土浇筑的顺序和施工温度控制要求等。
4.养护要求:详细描述框架结构混凝土的养护要求,包括浇筑后的保温、湿润和避免振动等。
五、安全质量控制1.安全施工要求:详细说明框架结构混凝土工程施工中的安全要求和措施,包括施工现场的秩序、材料堆放安全等。
框架结构混凝土浇筑技术交底记录日期:xxxx年xx月xx日地点:施工现场参与人员:项目经理、技术员、施工人员一、工程概况1.1 项目名称:xxxxx框架结构混凝土工程1.2 建设单位:xxxx公司1.3 施工单位:xxxx公司1.4 工程位置:xxxx区域二、施工要求2.1构件铺设:按设计图纸要求进行施工2.2固定勾结:钢筋的连接采用卡套焊接和弧形箍筋2.3混凝土配比:按设计要求配制混凝土,掺入适量的外加剂3、工序安排3.1准备工作3.1.1确认施工图纸和设计要求3.1.2准备施工机械设备和作业区域3.1.3清理施工区域,确保施工场地整洁3.1.4各方沟通协调,明确责任和任务3.2钢筋加工3.2.1按设计要求将钢筋割断和弯曲3.2.2检查钢筋的质量和数量是否符合要求3.2.3确定钢筋的放置位置,进行预埋和固定3.3混凝土搅拌3.3.1按照设计要求准备好混凝土原材料3.3.2进行水泥、砂、骨料的配比和计量3.3.3启动混凝土搅拌机,将各种原材料搅拌均匀3.3.4检查混凝土的坍落度和浆液度是否符合要求3.4模板安装与调整3.4.1根据设计图纸,安装模板和支撑体系3.4.2对模板进行调整,使其与设计要求一致3.4.3检查模板的水平度和稳定性3.5混凝土浇筑3.5.1在浇筑前,对模板进行湿润处理3.5.2将混凝土均匀地浇入模板内3.5.3应采取合适的浇筑方式,避免混凝土中的气泡和空隙3.5.4控制浇筑速度和量3.6养护与喷水3.6.1在浇筑完成后,立即进行养护3.6.2使用喷水器对混凝土进行长时间湿润3.6.3控制养护时间和水量3.6.4定期检查养护效果和混凝土的强度发展情况四、安全注意事项4.1施工现场要设立明显的安全警示标识4.2施工人员必须佩戴安全帽、安全鞋等个人防护装备4.3混凝土浇筑过程中,严禁站在混凝土上面4.4弓起个人防护网,防止工人从高处坠落4.5机械设备和工具要保持良好工作状态,确保安全操作五、问题记录5.1钢筋的加工量与实际施工需要量有较大偏差,需调整5.2混凝土浇筑过程中出现了凝结时间过长的情况,需加强养护5.3模板安装时存在一定的不稳定性,需加固处理六、总结与签字通过本次技术交底,全体施工人员对框架结构混凝土浇筑技术有了更加深入的了解,并明确了具体的施工要求和注意事项。
混凝土结构施工技术交底记录
项目名称:
深圳市某住宅小区
日期:
2021年7月1日
参与人员:
- 项目经理:李先生
- 现场监理:张先生
- 建筑队长:王先生
- 施工队员:全体施工队员
交底内容:
1. 施工队员明确各自分工,了解工期要求和计划安排,并严格按照计划施工。
2. 关于混凝土浇筑:应根据图纸要求进行整体浇筑,不得拆分为小块,保证整体性。
在混凝土浇筑前,应按照要求进行模板支撑
和预埋件的预留。
对于过长或高度较高的构建部位,应采取适当的混凝土爬坡施工方法。
浇筑后应及时检查表面平整度、压实度和垂直度等质量要求,以及混凝土是否渗漏和捣实是否均匀。
3. 关于砼龙骨、构造柱和楼板的施工:在龙骨、柱和楼板的浇筑中,应特别注意其它施工队的协调配合,保证各种施工规范不得违反图纸和图纸异议处理结果,不得擅自变动。
在上一层浇筑时,下一层龙骨应全部浇筑完毕,吊装前必须完成现场质量检查,并按操作规程严格操作。
其它注意事项
在全过程中,应注意安全生产措施和环保措施的落实,严格规范施工队人员的行为。
特别是在夜间施工时,应增加照明设备和保证施工队员的安全。
框架结构技术交底记录一、背景介绍在软件开发过程中,框架结构的合理搭建对整个项目的成功实施至关重要。
本次交底旨在对框架结构技术进行详细介绍,包括框架的定义、搭建原则、关键技术等内容。
通过交底,希望能够加强团队成员对框架结构的理解和掌握,提高项目开发效率和质量。
二、框架的定义框架是一种基础性的软件结构,提供了程序开发中常用的功能和设计模式。
它能够规范和加速开发过程,提高代码的可复用性和可维护性。
框架由一系列的类、函数和工具组成,提供了解决特定问题的方法和流程。
三、框架搭建原则1.模块化设计:将整个项目划分为若干个功能模块,每个模块负责特定的功能和任务。
2.建立清晰的接口:不同模块之间通过接口进行通信,接口的设计应该简洁、明确。
3.分层结构:将不同的功能和任务划分到不同的层次,每个层次负责特定的工作,层与层之间通过接口进行通信。
4.可插拔式设计:框架应该具有良好的可扩展性,能够根据需求进行功能添加和修改,而不需要修改已有的代码。
5.代码重用性:尽可能地利用已有的组件和工具,提高代码的复用性,减少重复编写的工作量。
四、关键技术介绍1.模块化框架:使用模块化的设计思想将项目分解成多个模块,每个模块负责特定的功能和任务,通过接口进行通信。
模块化框架提供了良好的可扩展性和可维护性,并且能够提高团队成员之间的协作效率。
2.面向对象编程:利用面向对象的思想进行框架结构的设计和实现。
通过封装、继承和多态等特性,实现不同模块之间的解耦和代码重用。
3.观察者模式:观察者模式用于实现模块之间的消息传递和通知。
当一个模块的状态发生改变时,通知其他模块进行相应的操作。
4.依赖注入:依赖注入用于解决模块之间的依赖关系。
通过将依赖的对象通过构造函数或者属性注入的方式提供给模块,避免模块之间直接依赖。
五、实践操作1.框架搭建:根据项目需求,搭建相应的框架结构,包括模块的划分和层次的设计。
每个模块都应该有明确的职责和功能,并提供清晰的接口。
混凝土工程技术交底记录1. 项目概述本次混凝土工程技术交底记录涉及项目名称为XX建造项目,位于XX地区,总建造面积约为XX平方米。
本次交底的混凝土工程包括地基基础、框架结构、楼板、墙体等部份。
2. 交底人员本次交底由以下人员参预:- 项目经理:XXX- 施工单位:XXX- 监理单位:XXX- 设计单位:XXX- 施工班组负责人:XXX3. 交底内容3.1 混凝土材料3.1.1 水泥:本项目采用XXX品牌XXX等级水泥,其性能符合国家标准XXX。
3.1.2 砂:采用本地XXX砂,经过筛分和洗涤处理,符合国家标准XXX。
3.1.3 石子:采用XXX规格的石子,经过筛分和洗涤处理,符合国家标准XXX。
3.1.4 混凝土外加剂:采用XXX品牌的水泥外加剂,其性能符合国家标准XXX。
3.1.5 混凝土掺合料:采用XXX品牌的掺合料,其性能符合国家标准XXX。
3.2 混凝土配合比根据设计要求和实际工程情况,混凝土配合比如下:- 水泥:XXX千克- 砂:XXX千克- 石子:XXX千克- 水:XXX千克- 外加剂:XXX千克- 掺合料:XXX千克3.3 施工工艺3.3.1 模板安装:根据设计要求,采用XXX材质的模板,安装前需进行检查,确保模板无损坏和变形。
3.3.2 钢筋布置:根据设计图纸,按照像关规范进行钢筋布置,钢筋连接采用XXX方式。
3.3.3 混凝土浇筑:在模板安装和钢筋布置完成后,进行混凝土浇筑。
混凝土浇筑前需进行湿润处理,并采取措施防止混凝土流失。
3.3.4 混凝土养护:混凝土浇筑完成后,进行养护措施,包括覆盖保湿膜、喷水养护等,保持混凝土的湿润状态,避免开裂和强度降低。
3.4 施工质量要求3.4.1 混凝土强度:根据设计要求,混凝土强度等级为XXX,强度试块制作和试验应符合国家标准XXX。
3.4.2 表面平整度:混凝土表面应平整,不得有明显的凹凸和麻面现象,表面平整度应符合国家标准XXX。
3.4.3 钢筋保护层厚度:根据设计要求,钢筋保护层厚度应符合国家标准XXX。
混凝土工程技术交底记录日期:YYYY年MM月DD日地点:XXXX工地参与人员:XXXX(工程技术员)、XXXX(项目经理)、XXXX(施工队长)等施工内容:1.结构施工内容:混凝土浇筑。
2.施工地点:XXXX(具体位置)。
3.施工时间:XXXX年MM月DD日至XXXX年MM月DD日。
4.浇注方式:采用泵送方式进行混凝土浇筑。
5.混凝土等级:C30。
6.浇注方式:分段浇筑。
7.浇注厚度:XXXX(具体厚度)。
8.混凝土配合比:- 用水量:XX kg/m³,按需加水。
-水泥标号:XX#水泥。
-砂石比例:1:XX(砂石比例根据具体要求进行调整)。
-掺合料:XXXX(具体掺合料种类和用量)。
施工要点:1.预埋件处理:预埋件应在混凝土浇筑前进行清理,必要时进行调整以确保与混凝土的连接性。
2. 混凝土坍落度:混凝土坍落度应控制在XX cm左右,过低或过高都会影响混凝土的强度和工艺性能。
3.浇注方式:采用泵送方式进行浇筑,注意定位砼泵的位置,确保混凝土顺畅流动,防止管堵或浇筑不均匀。
4.分段浇筑:根据实际情况,将大面积的混凝土浇筑分成若干个小段进行,以保证混凝土的质量和施工进度。
5.混凝土养护:混凝土浇筑完毕后,应及时进行养护,避免混凝土过早干燥和开裂。
养护时间一般为7天,具体根据实际情况进行调整。
施工要求:1.现场安全:施工现场要做好安全防护,保证工人人身安全,正确使用建筑机械设备,防止意外事故的发生。
2.施工现场整洁:施工现场要保持整洁,将废弃物及时清理,防止对周围环境造成污染。
3.施工质量:严格按照设计要求和施工方案进行施工,确保混凝土的强度和质量。
4.沟通协作:施工过程中,各个施工单位之间要及时沟通交流,确保施工任务的顺利进行。
风险控制措施:1.泵送设备检查:在施工前,要对泵送设备进行检查和试运行,确保设备正常工作,预防设备故障和意外事故。
2.灌注过程监测:施工过程中,要对混凝土灌注过程进行实时监测,确保浇筑质量符合要求。
框架结构砼浇筑技术交底一、施工前的准备工作1.熟悉施工图纸,了解结构的布置、尺寸及砼浇筑的要求。
2.检查施工现场是否清理干净,有无杂物、水泥渣等垃圾,确保施工区域整洁干净。
3.准备好必要的工具和设备,包括搅拌机、输送泵、拖斗、平板车等。
二、砼材料的准备与调配1.根据施工图纸和设计要求,准确计算砼的配合比例,并进行相应的材料调配。
2.选择合适的砼标号,确保其强度和耐久性满足设计要求。
3.检查砼材料的质量,包括水泥、石子、砂子等。
三、模板和支撑安装1.根据结构图纸和设计要求,准确安装和固定框架结构的模板和支撑体系。
2.检查模板和支撑的平整度、垂直度等质量要求,确保其可以承受砼的浇筑压力。
四、砼浇筑工艺及注意事项1.在浇筑前,检查模板内是否存在杂物和水浸等情况,如果有,需要进行清理和修复。
2.严格按照配合比例进行砼的搅拌,并控制好搅拌时间和速度,确保搅拌均匀。
3.砼泵输送时,注意控制泵送压力和速度,避免砼流动过快或过慢。
4.砼浇筑过程中要均匀、连续进行,防止断流或出现过短的浇筑段。
5.遇到高位浇筑时,要采取适当的防坠安全措施,防止从高处掉落砼造成伤害。
6.砼浇筑时,要采取措施防止砼表面的温度过快过高,例如覆盖湿麻袋、盖洒水等降温措施。
7.浇筑时的晃动、振动等震动设备要正确操作,确保砼的密实度和排气性能。
五、养护管理1.浇筑结束后,要及时进行养护,保持砼的湿润状态。
2.避免日晒、风吹以及雨淋等不利于养护的环境,避免砼表面龟裂、空鼓等质量问题。
综上所述,框架结构砼浇筑技术交底涉及准备工作、材料调配、模板安装、浇筑工艺和养护管理等多个方面。
只有严格按照相关技术要求和操作规程进行施工,才能确保框架结构的质量和安全性,满足设计要求。
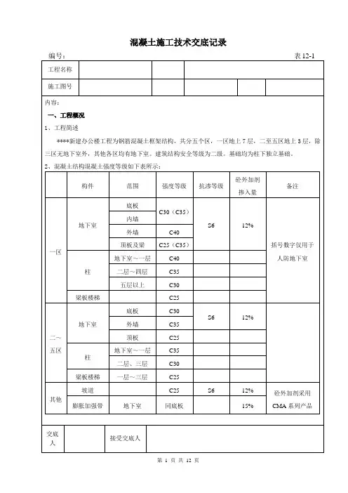
混凝土施工技术交底记录编号:表12-1工程名称河北工业科技大学科技园建筑层数地下1 层,地上14 层2施工图号2-1 / 2-10 图纸建筑面积33711.45 m 建筑高度49.85m一、工程概况1、工程简述河北工业科技大学科技园工程为钢筋混凝土框架结构,地下室一层,地上两层。
建筑结构安全等级为二级。
基础均为柱下筏板基础。
2、混凝土结构混凝土强度等级如下表所示:(2-1)~(2-10)轴部位基础~一层二~五层六~九层十层以上备注垫层C15基础C40(P6 抗渗混凝土)地下室外墙墙柱C40 C35 C30 C25梁板C30 C30 C30 C25楼梯C25 C25 C25 C25其他C25 C25 C25 C25二、施工准备1、浇筑前检查并清理模板内的残留杂物。
检查电源、线路并做好照明准备工作。
混凝土浇筑过程中,要保证水、电、照明不中断。
浇筑混凝土的架子、马道支搭完毕。
并有良好的安全措施。
计量器具、试验器、振捣棒等检验合格。
操作者具有完好的绝缘手套。
2、混凝土浇筑前组织施工人员进行班前口头交底,设专人负责,做到人人心中有数。
交底人接受交底人混凝土施工技术交底记录编号:表12-114 层工程名称河北工业科技大学科技园建筑层数地下1 层,地上2施工图号2-1 / 2-10 图纸建筑面积33711.45 m 建筑高度49.85m;重点部位的振捣要求(如:下棒位置、振捣时间、振捣棒数、提棒速度等)均已交代清楚完毕。
技术交底各方已签认3、浇灌申请得到批准,汇同监理、技术质量部门对第一车混凝土进行质量鉴定。
混凝够的土拖式泵和水平及竖向泵管安装到位、牢固可靠,布料杆安装到位,各种支架要有足资部门时检修。
物强度和刚度。
所有机具在浇筑前进行检查和试运行,配备专职技工,随保施工顺确,提前做好有关材料的进场工作,大体积混凝土施工前准备好抽水设备等物资利进行。
4、加强气象预测预报联系工作,保证混凝土连续浇筑的顺利进行,确保混凝土质量。
框架结构混凝土浇筑工程技术交底
一、砼一般要求
1、混凝土浇筑高度不得超过2m超过2m用串桶或溜槽
2、浇筑混凝土时应分段分层连续进行一次浇筑方量,初凝时间应综合考
虑
3、使用插入式振捣棒应快插慢拨均匀排列,振捣上一层时应插入下层
5-10cm
4、浇筑混凝土应连续进行,必须有间歇时间(一般不超过2h)
二、柱的混凝土浇筑
1、柱浇筑前底部应先填5-10cm厚与混凝土同配合比砂浆,分层浇筑振捣,
使用插入式振捣器每层不大于50cm
2、柱高在2m以内可直接下料,超过2m用串桶,在模板上开洞口用溜槽
分段浇筑
三、梁板混凝土浇筑
1、梁板应同时浇筑,高度大于1m的梁允许单独浇筑施工缝留在板底面
2-3cm处
2、施工缝位置,宜沿次梁方向浇筑楼板,施工缝应留置在梁跨度的中间
1/3处
交底人:接底人:。
砼浇筑安全技术交底记录一、项目概述为确保砼浇筑工程施工安全,按照相关规定,特进行安全技术交底。
本次砼浇筑工程位于XX建筑工地,主要内容包括XX。
负责本次施工的施工队伍为XX队,施工负责人为XX。
二、施工前准备1.施工队伍应明确各人员职责,具备相应的安全技术知识,并穿戴符合要求的个体防护用品。
2.砼浇筑前应对砼搅拌机、输送设备等进行检查,确保设备正常运行。
3.现场应清理杂物,并划定施工区域和警示线。
三、安全操作规范1.施工人员必须穿戴安全帽、防护鞋、防护眼镜等个体防护用品。
2.操作砼搅拌机时,必须将使用工具和身体远离搅拌叶片,以免发生事故。
3.对于使用的输送设备,应注意设备运行时的稳定性,避免设备过载、倾覆等情况。
4.施工现场应设置合理的通道和梯子,避免人员跌倒、滑倒等事故的发生。
5.当进行高空浇筑时,必须使用谨慎选择侧墙和桥墙等安全辅助措施。
6.砼浇筑中应设置防坍塌设施,避免砼液流出施工区域导致交通事故。
四、事故应急预案1.紧急情况下,负责人应及时进行现场疏散,确保人员安全。
2.如发生事故,负责人应立即报告相关部门,并采取必要的应急措施,防止事态扩大。
五、安全交底签字本次安全技术交底会议于XX年XX月XX日在XX施工现场进行,并对相关工作人员进行了详细说明。
现场人员如下:施工队伍负责人:XXX安全管理人员:XXX参与人员:XXX六、总结砼浇筑安全技术交底是确保工程施工安全的重要环节。
通过此次交底,广大施工人员对砼浇筑过程中的安全操作规范有了更加清晰的认识,能够及时发现并解决安全隐患,有效预防事故的发生,确保施工人员的人身安全,保障工程顺利进行。
希望各位施工人员能够严格按照本次交底内容进行操作,并时刻保持安全意识,共同营造安全、和谐的施工环境。
框架结构砼浇筑技术交底框架结构砼浇筑技术交底是指在建筑框架结构施工过程中,施工方对工人进行技术指导和交底,确保砼浇筑工作的质量和安全。
本文将从结构准备、砼配制、浇筑工艺、注意事项等方面进行详细阐述。
一、结构准备1. 检查模板支撑是否牢固,是否满足设计要求2. 检查模板的拼装是否牢固、平整、尺寸是否符合设计标准3. 检查模板的排线是否准确4. 准确定位、定位,测量标高高度、方位和平面尺寸等。
二、砼配制1. 选择合适的水泥、骨料、砂、外加剂等原材料进行搅拌2. 按照配比准确计量每种原材料(应特别注意水泥的容重、骨料含水率等因素)3. 需要预先进行小试配,调整配比比例,确保配合比的稳定准确。
三、浇筑工艺1. 砼浇筑前应做好除尘、洒水等工作,确保施工环境整洁卫生2. 浇筑前应按照浇筑顺序、浇筑面积、浇筑层数等次序确定好浇筑先后顺序及浇筑速度,要求浇筑速度均匀一致3. 砼浇筑时应注意砼浇筑厚度、坍落度、振捣时间、振捣强度等要求 4. 浇筑过程中,确保模板支撑牢固稳定,防止模板变形甚至倒塌。
5. 浇筑完毕,应及时对浇筑部位进行维护,保持浇筑部位湿润,防止龟裂、烘干等事故的发生。
四、注意事项1. 过程装配的钢筋应与混凝土浇注实测距离不超过5mm,避免钢筋产生扭曲变形。
2. 模板支撑、支架稳固有效,模板及对模板的支撑应精确可靠。
模板定位应准确,模板高度和平整度应符合设计要求。
3. 砼浇筑工作中人员应穿戴好安全帽、安全鞋、手套等防护用品,并采取配备人数不少于2人的方式进行分鸣器作业。
4. 砼浇筑前应清除混凝土浇注区内杂物、扬尘等因素,保持浇注区内环境整洁干净。
总之,进行框架结构砼浇筑技术交底时,要注意结构准备、砼配制、浇筑工艺、注意事项等多个方面问题,保证砼浇筑工作的质量和安全,同时也为建筑施工提供保障。