实验一存货发出的计价方法Word文档
- 格式:doc
- 大小:119.50 KB
- 文档页数:3
案例:关于存货发出的计价方法资料:红星工厂2019年6月A商品的期初结存和本期购销情况如下:6月1日期初结存150件单价60元计9000元6月8日销售70件6月15日购进100件62元计6200元6月20日销售50件6月24日销售90件6月28日购进200件68元计13600元6月30日销售60件要求:分别用先进先出法、月末一次加权平均法、移动加权平均法,分别对期末存货进行计价并进行本期耗用成本的计算。
分析与解答:1、先进先出法:该方法假定“先入库的存货先发出去”,根据这一前提,计入销售或耗用存货的成本应顺着收入存货批次的单位成本次序计算。
当然,这仅是为了计价,与物品实际入库或发出的次序并无多大关系。
本案例采用先进先出法计价,库存商品明细分类账的登记结果如下表。
2、加权平均法:又分一次加权平均法和移动加权平均法两种。
采用一次加权平均法,本月销售或耗用的存货,平时只登记数量,不登记单价和金额,月末按一次计算的加权平均单价,计算期末存货成本和本期销售或耗用成本。
存货的平均单位成本的计算公式为:本案例按一次加权平均法计算期末库存商品成本和本期销售成本,以及库存商品明细账的登记结果,见下表:从表中可看出,采用一次加权平均法时,库存商品明细账的登记方法与先进先出法基本相同,只是期末库存商品的结存单价为64元,据此计算出存货成本为11520元,本期销售成本为17280元。
采用移动加权平均法,当每次购进单价与结存单价不同时,就需要重新计算一次加权平均价,并据此计算下次购货前的存货成本和销售成本。
采用这种方法,可以随时结转销售成本。
其平均单价的计算公式为移动加权平均单价=(前结存金额+本次购入金额)/(前结存数量+本次购入数量)仍以前例,第一批购入后的平均单价为:移动加权平均单价=(4800+6200)/(80+100)=61.11(元)第二批购入后的平均单价为:移动加权平均单价=(2444+13600)/(40+200)=66.85(元)按移动加权平均法计算本期各批商品销售成本和结存成本,以及库存商品明细账的登记结果,见下表采用移动加权平均法,可以随时结转销售成本,随时提供存货明细账上的结存数量和金额,有利于对存货进行数量、金额的日常控制。
发出存货的计价方法总结1 发出存货的计价方法总结由于同一种材料、商品购进的时点不同其单价是不同的,所以在商品发出时要考虑用哪个价格确定其发出成本。
根据会计准则,存货在发出的时候可以选择使用某一种计价方法,选用之后不得随意变更。
1、先进先出法:假定先购进的货物先发出,并据此确定发出存货的成本。
使用这个方法计价时,注意区分购进和发出两个方向,也要注意同一批次购进但分多次发出的货物在发出时的衔接。
2、月末一次加权平均法:平时不计算发出存货的成本,月末根据各种价格的商品成本之和除以商品的总数量计算出平均单价,并据此确定发出存货的成本。
3、移动加权平均法:每购进一次货物计算一次单价,发出时以最近一次的平均单价计算。
在一个会计期间内,购进货物有多少次,就需要计算单价多少次。
4、个别计价法:逐一辨认并确定各批发出存货的成本。
计算最准确,工作量最大,一般适用于单价较大的货物。
存货发出的计价方法不止上述四种,由于其它计价方法在考试中没有要求,因此大家只需掌握上述四种计价方法,会用这些方法准确计算存货的发出业务。
发达国家房地产市场构成与心得4发达国家房地产市场构成与心得1香港房地产市场结构香港房地产市场是以政府提供的公共组屋为主,私营住房为辅的二元化市场结构,其中政府提供的公共组屋占总住宅物业的50%左右,公共组屋政策成功地解决了香港中低收入阶层的住房问题.从下列表2所反映额数据可以看出,香港政府致力于低收入家庭的住房保障,多年来始终使公共组屋保有量维持在房屋总数的50%左右.从2001年以来,公共组屋占住宅总数的百分比呈下降的趋势,原因之一是香港居民的私有住宅有效需求在持续提升,越来越多的居民有能力购买私人住房,住房的自有率在持续地上升;二是随着近年房价的持续升高,香港房地产市场预期较好,推动了香港地区住房私有化率的提升.香港的房地产市场以二手房市场为主,每年的落成量(获发占用许可证的楼宇数量)所占比例较少.根据香港政府统计处《2012年香港统计年刊》中反映:至2001年以来,香港私人住宅单位落成量出于持续下降的趋势,由2001年的16579套下降至2011年的9449套,下降幅度达43%.公营租住房屋从2007开始停止开发,完全依靠公共组屋的市场存量满足需求.香港房地产结构对于构建我国合理的房地产市场结构的启示一是加大政府在住房保障中的参与力度,中低收入阶层的住房问题应主要由政府来承担,建立以政府提供保障性住房为主,开发商提供商品住房为辅的双轨制的供应结构;二是应将二手房市场作为整个房地产市场发展的风向标,使二手房成为房地产市场的主导.1.2“市场为主、适度保障”的市场结构1.1美国房地产市场结构美国的房地产市场发展较为成熟,房地产业是美国经济的三大支柱之一,其产值占国民生产总值的10%~15%,固定资产占美国全部固定资产的3/4,房地产投资占国民每年美国私人投资的50%以上,房地产金融市场较为发达,住房自有水平较高.2007年美国住宅自有率达68.10%,2008年住宅自有率为67.8%,2009年住宅自有率为67.4%.在保障性住房方面,美国政府坚持以“市场为主、适度保障”的原则.目前,美国将近有690万低收入住户接受某种形式的房租补贴,占全国总人口的22.48%.其中接受政府工程补助的私人所有出租房是最大的补助项目,提供了200万套廉价性住房.租房券作为第二大项目,提供了180万套廉租房.公共住房排名第三,提供了120万套住房.剩下的190万套廉租房由低收入住房税收补贴、免税多户住房债券和HOME项目资助.美国的房地产市场以二手房为主,从近10年的美国住房市场变化看,一手房成与二手房成交比例变化不大,基本维持在1:5或1:6左右,仅仅销售量在同比上升.从历年成交比例看,一手房、二手房成交比例在1:6左右.2008年成交比例达到1:10,主要原因是因为受次贷危机的影响,一手房销售急剧下降,2008年销售仅48.5万套,相比2006年减少了51%.美国房地产市场结构对于构建我国合理的房地产市场结构的启示一是在住房保障体系中,政府不仅可以通过直接增加保障性住房供应量来解决中低收入阶层的住房问题,也可以灵活地运用财税手段增加中低收入阶层的住房和购房能力;二是加大租赁市场的房源供应,满足了低收入阶层通过租房解决住房问题的消费需求;三是以二手房市场作为房地产市场的主导,有助于房地产市场结构的调整.1.2英国房地产市场结构截止到2005年英国有6021万人口,统计表明,英国人住房自有率为70%,英国家庭平均七年会更换一次住宅,因为市政建设基本到位,新建住房较少,更换住房主要依靠二手房市场.英国每年平均住房交易量在200万套左右,一手房市场供应比较稳定,每年只能供应20万套左右,这些住房都能被市场消化,因此,一、二手住房的成交比例大概在1:10左右.从1992之后,英国每年住宅的竣工套数均在20万套左右,新房的供应量相对于二手房的供应量来说较少,英国房地产市场是以二手房市场为主导.英国实行公屋整体出售计划,原公共住房的租户拥有优先购买权,英国政府对购买公共住房的消费者给予住房补贴,提供低息贷款,该项公共住房政策大大增加了英国房屋的自有率.目前,英国居民中有70%的居民拥有自有住房产权,另外30%的居民租赁住房,其中20%的居民从当地政府租赁公有住房、10%的居民租住私人房屋.英国房地产市场结构对于构建我国合理的房地产市场结构的启示一是在保障性住房体系中,政府提供的公共住房灵活地采用由租转售的形式,有利于形成合理的住房梯度消费局面;二是发达的二手房交易和租赁市场,使二手房市场成为房地产市场的主导力量,有利于稳定房地产市场价格,降低空置率.2对于我国建立合理的房地产市场结构的启示通过对国内外发达国家和地区房地产市场结构的分析,根据我国现阶段居民的消费状况和需求层次,我国合理的房地产市场结构应该满足以下条件:2.1供应结构合理,产品结构多样化供应结构的合理性是评判房地产市场结构合理与否的重要标准,住宅房地产的供应结构反映出不同类型住宅产品之间供应量的比例关系.住宅房地产的供应应包括针对低收入人群的廉租房,针对中等收入家庭的公共住房、经济适用房、公共租赁住房以及针对中高收入家庭的商品住房.从香港及新加坡等国家和地区的房地产市场结构来看,政府在住房保障中充当了主要的角色,新加坡的政府组屋占住宅总量的80%以上,香港的公共组屋所占比例也在50%左右,因此,根据我国现阶段各收入阶层的所占比例,政府应加大保障性住房的供应比例。
发出存货的计价方法在企业的成本会计中,存货是一个重要的资产,其计价方法直接影响到企业的成本结构和利润水平。
发出存货的计价方法是指在销售商品时,如何确定存货的成本以及销售额的计算方法。
本文将介绍几种常用的发出存货的计价方法,并分析其优劣势。
一、先进先出法(FIFO法)先进先出法是指假设最早购入的存货最先发出,最近购入的存货最后发出。
这种计价方法的优点是能够更接近实际成本,并且提供了准确的库存价值。
它也能避免存货因价格波动而造成的异常波动,对于需求不稳定的产品,能够稳定成本、稳定利润。
然而,这种方法在通货膨胀期间会导致实际发出的成本低于实际购入成本。
二、后进先出法(LIFO法)后进先出法是指假设最近购入的存货最先发出,最早购入的存货最后发出。
LIFO法的优点在于在通货膨胀期间,可以使企业的成本更接近实际成本,对于成本上升的情况,能够减少利润和税收。
然而,LIFO法的缺点在于无法提供准确的库存估值,特别是在需求不稳定、价格波动大的情况下。
三、加权平均法加权平均法是根据平均期末存货和本期存货进出情况来确定平均成本,然后将该平均成本应用于发出存货的计算中。
加权平均法的优点在于能够平均化价格波动,适用于需求稳定的产品。
然而,这种方法对于需求不稳定、价格波动大的产品可能会造成成本估算不准确,利润波动较大。
四、特定成本法特定成本法是指根据存货的售价、购入成本以及具体发出存货的成本来计算销售额和利润。
这种方法对于需求不稳定、价格波动大的产品比较适用,能够提供准确的利润计算。
然而,特定成本法的缺点在于复杂度较高,需要对每个发出存货进行详细的成本记录。
在实际操作中,企业可以根据自身情况选择适合的发出存货的计价方法。
一般来说,在需求稳定、价格波动小的情况下,加权平均法和特定成本法比较适用;而在需求不稳定、价格波动大的情况下,FIFO法和LIFO法更具优势。
总之,发出存货的计价方法是企业成本会计中的重要环节,不同的计价方法将会对存货成本和利润产生不同的影响。
存货发出计价方法标准成本法存货发出计价方法是指企业对存货进行发出计价的方法,而标准成本法是一种比较常用的存货发出计价方法之一。
标准成本法是以事先确定的标准成本为基础,根据实际发出数量对存货进行计价,以反映实际发出的存货成本。
本文将从标准成本法的概念、特点、计算方法、优缺点以及在实际应用中的适用范围等方面进行详细阐述,以便读者对该计价方法有个更加全面和深入的了解。
**标准成本法的概念**标准成本是指企业事先根据一定的标准成本体系和成本控制要求,对生产成本进行合理分析和划分,制定出的在一定的生产条件下,生产一定数量产品所应具备的标准成本。
而标准成本法则是一种根据事先确定的标准成本来发出存货的计价方法。
通过将实际发出的存货按照预先设定的标准成本进行计价,以此来反映实际发出存货的成本。
**标准成本法的特点**标准成本法有其独特的特点,主要包括以下几个方面:1. 预先确定的标准成本:标准成本法的核心在于预先确定的标准成本,这些标准成本是根据企业的生产情况和成本控制要求事先设定的。
2. 灵活性较高:标准成本法不同于其他计价方法,它可以根据实际情况进行灵活调整,从而更好地适应企业的生产运作。
3. 反映实际情况:标准成本法在计价过程中可以较好地反映实际发出存货的成本情况,使企业能够更加准确地把握存货成本的变化。
4. 便于成本控制:由于预先设定的标准成本,标准成本法有利于企业进行成本控制,及时发现和解决成本偏差问题。
**标准成本法的计算方法**标准成本法的计算方法主要包括以下几个步骤:1. 确定标准成本:企业需要根据生产条件和成本控制要求确定相关的标准成本,包括直接材料成本、直接人工成本和制造费用等。
2. 计算标准成本率:根据预先设定的标准成本,计算出各项成本的标准成本率,即单位产品的标准成本。
3. 计价处理:在实际发出存货时,根据实际数量乘以相应的标准成本率,计算出存货的标准成本,作为存货的发出成本。
**标准成本法的优缺点**标准成本法作为一种存货发出计价方法,其优缺点也是显而易见的。
发存货的计价方法
存货的计价方法主要有以下几种:
1. 先进先出法(FIFO):按照存货进入企业的时间顺序,先进入的存货被先出售或先使用,后进入的存货被后出售或后使用。
这种方法假定最先进入的存货也是最先销售的,计价时采用最早的购入成本。
2. 后进先出法(LIFO):按照存货进入企业的时间顺序,后进入的存货被先出售或先使用,先进入的存货被后出售或后使用。
这种方法假定最后进入的存货也是最先销售的,计价时采用最近的购入成本。
3. 加权平均法:按照存货进入企业的时间顺序,将每次购入的存货数量和成本加权平均,计算出平均成本,然后根据出售或使用的数量将存货的成本按比例分配给产品。
这种方法适用于存货价格波动频繁的情况。
4. 特定标识法:按照实际发生的情况,对每个存货进行特定标识,当出售或使用时,根据具体的存货成本进行计价。
这种方法适用于存货售价波动大或成本易于追踪的情况,如珠宝、汽车等。
选择不同的计价方法,会对企业的利润、资产负债表和现金流量表等财务报表产生不同的影响。
因此,企业需要根据自身的经营特点、行业规定以及税务规定等
因素来选择合适的计价方法,并坚持使用一致的计价方法进行核算。
个别计价法优缺点及适用范围:优点:成本计算准确,符合实际情况。
缺点:在存货收发频繁情况下,其发出成本分辨的工作量大。
适用范围:一般不能替代使用的存货、为特定项目专门购入或制造的存货以及提供的劳务,如珠宝、名画等贵重物品。
发出存货的实际成本=Σ各批(次)存货发出数量×该批(次)存货实际进货单价先进先出法优缺点及适用范围:优点:可以随时结转存货发出成本。
缺点:比较繁琐,如果存货收发业务较多且存货单价不稳定时,工作量较大。
适用范围:物价基本稳定,存货收发业务频率不高的存货。
月末一次加权平均法优缺点及适用范围:优点:有利于简化成本计算工作。
缺点:由于平时无法从账上提供发出和结存存货的单价及金额,不利于存货成本的日常管理和控制。
适用范围:各期存货成本变动不大或者存货品种较少或收发次数较少,且前后收入存货单位成本相差较大的企业。
存货单位成本=[月初库存存货的实际成本+∑(当月各批进货的实际单位成本×当月各批进货的数量)]÷(月初库存存货数量+当月各批进货数量之和)存货单位成本=(期初库存实际成本+本期购入实际成本)÷(期初库存数量+本期购入数量)本月发出存货成本=本月发出存货数量×存货单位成本月末库存存货成本=月末库存存货数量×存货单位成本或:月末库存存货成本=月初库存存货成本+本月购入成本-本月发出成本移动加权平均法优缺点及适用范围:优点:使企业管理层及时了解存货的结存情况,计算的平均单位成本以及发出和结存的存货成本比较客观。
缺点:由于每次收货都要计算一次平均单位成本,计算工作量较大,对收发货较频繁的企业不适用。
适用范围:成本简单,收发次数较少的存货。
存货单位成本=(原有结存存货成本+本次进货的成本)÷(原有结存存货数量+本次进货数量)本次发出存货成本=本次发出存货数量×本次发货前存货的单位成本本月月末结存存货成本=月末结存存货的数量×本月月末存货单位成本或:月末结存存货成本=月初结存存货成本+本月收入存货成本-本月发出存货成本。
案例:关于存货发出的计价方法存货发出的计价方法有先进先出法、加权平均法、后进先出法等多种方法,下面通过本例说明几种主要方法的基本原理。
资料:红星工厂2002 年 6 月 A 商品的期初结存和本期购销情况如下:6月 1 日期初结存150件单价 60 元计 9000 元6月 8 日销售70件6月 15日购进100 件62 元计 6200 元6月 20日销售50件6月 24日销售90件6月 28日购进200 件68 元计 13600 元6月 30日销售60件要求:分别用先进先出法、月末一次加权平均法、移动加权平均法分别对期末存货进行计价并进行本期耗用成本的计算。
分析与解答:1、先进先出法:该方法假定“先入库的存货先发出去”,根据这一前提,计入销售或耗用存货的成本应顺着收入存货批次的单位成本次序计算。
当然,这仅是为了计价,与物品实际入库或发出的次序并无多大关系。
本案例采用先进先出法计价,库存商品明细分类账的登记结果如下表。
2002 年收入发出结存摘要月日数量单价金额数量单价金额数量单价金额61期初结存150609000 8销售706042008060480015购进1006280 10060 621100020销售5060300030 10060 6280001800 3 724 销售30 6060 62406224802028 购进200681360040 200 62 68160802480 1 330 销售40 2062 68180681224060本期销售27016560成本2、加权平均法:加权平均法,又分一次加权平均法和移动加权平均法两种。
采用一次加权平均法,本月销售或耗用的存货,平时只登记数量,不登记单价和金额,月末按一次计算的加权平均单价,计算期末存货成本和本期销售或耗用成本。
存货的平均单位成本的计算公式为:加权平均成本=(月初库存存货的总数量+本月购入存货的总数量)÷(月初库存存货的总成本+本月购入存货的总成本)本案例按一次加权平均法计算期末库存商品成本和本期销售成本,以及库存商品明细账的登记结果,见下表:2002 年收入发出结存摘要月日数量单价金额数量单价金额数量单价金额61期初结存150609000 8销售708015购进10062620018020销售5013024销售904028购进200681360024030销售6018011520本期销售2706417280成本从表中可看出,采用一次加权平均法时,库存商品明细账的登记方法与先进先出法基本相同,只是期末库存商品的结存单价为64 元,据此计算出存货成本为11520 元,本期销售成本为 17280 元。
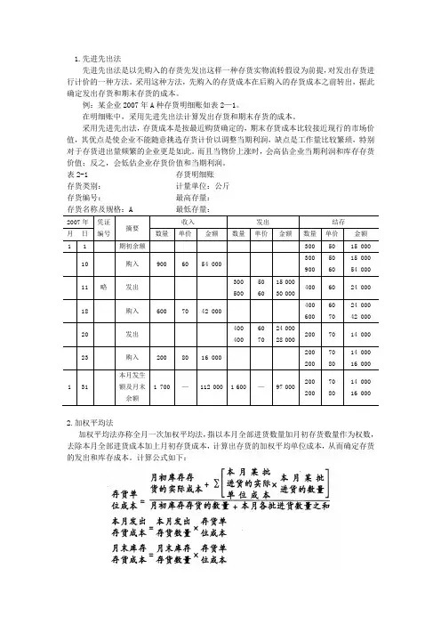
1.先进先出法先进先出法是以先购入的存货先发出这样一种存货实物流转假设为前提,对发出存货进行计价的一种方法。
采用这种方法,先购入的存货成本在后购入的存货成本之前转出,据此确定发出存货和期末存货的成本。
例:某企业2007年A种存货明细账如表2—1。
在明细账中,采用先进先出法计算发出存货和期末存货的成本。
采用先进先出法,存货成本是按最近购货确定的,期末存货成本比较接近现行的市场价值,其优点是使企业不能随意挑选存货计价以调整当期利润,缺点是工作量比较繁琐,特别对于存货进出量频繁的企业更是如此。
而且当物价上涨时,会高估企业当期利润和库存存货价值;反之,会低估企业存货价值和当期利润。
表2-1 存货明细账存货类别:计量单位:公斤存货编号:最高存量:存货名称及规格:A 最低存量:2.加权平均法加权平均法亦称全月一次加权平均法,指以本月全部进货数量加月初存货数量作为权数,去除本月全部进货成本加上月初存货成本,计算出存货的加权平均单位成本,从而确定存货的发出和库存成本。
计算公式如下:例:仍以上述例6 A 种存货明细账为例,采用加权平均法计算其存货成本如下:(元) 月末库存存货成本=400×63.5=25 400(元)采用加权平均法,只在月末一次计算加权平均单价,比较简单,而且在市场价格上涨或下跌时所计算出来的单位成本平均化,对存货成本的分摊较为折中。
但是,这种方法平时无法从账上提供发出和结存存货的单价及金额,不利于加强对存货的管理。
3.个别计价法个别计价法,又称个别认定法、具体辨认法、分批实际法。
采用这一方法是假设存货的成本流转与实物流转相一致,按照各种存货,逐一辨认各批发出存货和期末存货所属的购进批别或生产批别,分别按其购入或生产时所确定的单位成本作为计算各批发出存货和期末存货成本的方法。
采用这种方法,计算发出存货的成本和期末存货的成本比较合理、准确,但这种方法的前提是需要对发出和结存存货的批次进行具体认定,以辨别其所属的收入批次,所以实务操作的工作量繁重,困难较大。
发出存货成本计价方法存货成本计价方法是企业在进行成本核算和财务报告时必须重视的一个重要环节。
存货成本计价方法的选择直接影响到企业的成本核算结果和财务报告的真实性和准确性。
因此,企业在选择存货成本计价方法时,需要根据自身的经营特点和实际情况,选择合适的存货成本计价方法,以确保财务报告的真实性和准确性。
一、先进先出法(FIFO)。
先进先出法是指在销售或生产过程中,先购进的存货先出售或先用于生产。
这种方法的优点是可以反映最新的采购成本,能够使存货价值较为接近实际情况。
但是,先进先出法也存在着不足之处,比如会导致存货价值与实际成本相去甚远,不利于企业的成本控制和管理。
二、后进先出法(LIFO)。
后进先出法是指在销售或生产过程中,最后购进的存货先出售或先用于生产。
这种方法的优点是可以反映较为真实的存货价值,有利于企业在通货膨胀时降低税负。
但是,后进先出法也存在着不足之处,比如会导致存货价值与实际成本相去甚远,不利于企业的成本控制和管理。
三、加权平均法。
加权平均法是指按照存货的数量和金额加权平均计算存货的成本。
这种方法的优点是简单易行,能够平滑存货成本的波动,有利于反映存货成本的变动趋势。
但是,加权平均法也存在着不足之处,比如无法反映实际的采购成本,不利于企业的成本控制和管理。
四、标准成本法。
标准成本法是指按照事先确定的标准成本计价存货。
这种方法的优点是能够提前确定存货的成本,有利于企业的成本控制和管理。
但是,标准成本法也存在着不足之处,比如无法完全反映实际的成本变动,有可能导致存货成本与实际情况相去甚远。
综上所述,不同的存货成本计价方法各有优缺点,企业在选择存货成本计价方法时,需要根据自身的经营特点和实际情况,综合考虑各种因素,选择合适的存货成本计价方法。
同时,企业还需要加强成本核算和财务管理,提高成本控制的水平,确保财务报告的真实性和准确性,为企业的稳健发展提供有力的支持。
发出存货的计价方法
1、个别计价法:按照各种存货逐一辨认个批发出存货和期末存货所属的购进批别或生产批别,分别按其购入或生产时所确定的单位成本计算各批发出存货和期末存货成本的方法。
2、先进先出法:是指以先购入的存货应先发出(销售或耗用)这样一种存货实务流动假设为前提,对发出存货进行计价的一种方法。
3、月末一次加权平均法:存货单位成本=【月初库存存货成本+Ʃ(本月各批进货的实际单位成本*本月各批进货的数量)】/月初库存存货的数量+本月各批进货数量之和)
本月发出存货的成本=本月发出存货的数量*存货单位成本
本月月末库存存货成本=月末库存存货数量*存货单位成本=月初库存存货的实际成本+本月购入存货的实际成本--本月发出存货的实际成本。
4、移动加权平均法:存货单位成本=(原有库存存货的实际成本+本次进货的实际成本)/(原有库存存货数量+本次进货数量)本次发出存货的成本=本次发出存货的数量*本次发货前存货的单位成本
本月月末库存存货成本=月末库存存货数量*本月月末存货单位成本。
存货发出的计价方法有存货是企业在生产经营过程中购进、生产、存放、销售和加工的物资,是企业的主要资产之一。
在企业的日常经营中,存货的发出是一个非常重要的环节,对于存货的计价方法也有着多种选择。
本文将就存货发出的计价方法进行详细介绍,以帮助读者更好地理解和应用。
首先,我们来介绍一种常见的存货发出计价方法——先进先出法(FIFO)。
先进先出法是指在存货发出时,按照存货的先进先出顺序进行计价,即最先进入库存的存货最先被发出。
这种方法的优点是能够反映存货的最新成本,有利于保持存货的成本与市场价格接近,但也存在着不利于反映存货实际价值的缺点。
其次,我们介绍另一种常见的存货发出计价方法——后进先出法(LIFO)。
后进先出法是指在存货发出时,按照存货的后进先出顺序进行计价,即最后进入库存的存货最先被发出。
这种方法的优点是能够反映存货的实际价值,有利于降低应纳税所得额,但也存在着不利于反映存货最新成本的缺点。
除了先进先出法和后进先出法之外,还有一种存货发出计价方法叫做加权平均法。
加权平均法是指在存货发出时,按照存货的加权平均成本进行计价,即将存货的总成本除以总数量得到平均成本,然后以平均成本进行计价。
这种方法的优点是能够平均分摊存货的成本,有利于平稳反映存货的成本变动,但也存在着不利于反映存货的最新成本和实际价值的缺点。
在实际应用中,企业可以根据自身的经营特点和需求选择合适的存货发出计价方法。
一般来说,如果企业希望反映存货的最新成本,可以选择先进先出法;如果企业希望反映存货的实际价值,可以选择后进先出法;如果企业希望平均分摊存货的成本,可以选择加权平均法。
当然,不同的计价方法也会对企业的成本、利润、税收等方面产生影响,企业在选择计价方法时需要综合考虑各种因素,谨慎决策。
总的来说,存货发出的计价方法有先进先出法、后进先出法和加权平均法等多种选择,每种方法都有其优点和缺点,企业在选择计价方法时需要根据自身情况进行合理的权衡。