PMSM电机矢量控制之电流采样原理分析复习过程
- 格式:doc
- 大小:102.00 KB
- 文档页数:4
目录1 引言 (1)1.1 课题的背景与意义 (1)1.1.1 课题背景 (1)1.1.2 课题意义 (1)1.2 永磁电机发展概况 (1)2 机电能量转换和拉格朗日方程 (2)2.1 机电能量转换 (2)2.2 三相同步电机电磁转矩 (7)2.3 拉格朗日方程 (9)3 三相永磁同步电机的数学模型 (11)3.1 三相PMSM的基本数学模型 (11)3.2 三相PMSM的坐标变换 (13)3.2.1 Clark变换 (13)3.2.2 Park变换 (14)3.3 同步旋转坐标系下PMSM的数学模型 (14)4 三相永磁同步电机的矢量控制 (16)4.1 转速环PI调节器的参数整定 (16)4.2 电流环PI调节器的参数整定 (17)4.3 三相PMSM矢量控制系统的仿真 (19)4.3.1 仿真建模 (19)4.3.2 仿真结果分析 (22)总结 (23)参考文献 (23)三相永磁同步电机矢量控制建模与仿真摘要:永磁同步电机具有体积小、效率和功率因数高等优点,因此越来越多的应用在各种功率等级的场合。
永磁同步电机的控制是永磁同步电机应用的关键技术,永磁同步电机的结构特点使得采用矢量控制系统有很大的优势。
本文首先分析了永磁同步电机矢量控制的发展概况,然后从机电能量转换的角度出发,解释三相永磁同步电机的机电能量转换原理,推导拉格朗日运动方程。
此外,列写出永磁同步电机在三相静止坐标系和dq坐标系下的数学模型。
基于Simulink建立了转速电流双闭环矢量控制系统的仿真模型,通过对仿真结果分析,验证了永磁同步电机矢量控制系统性能的优越性。
关键词:永磁同步电机,矢量控制,Simulink1 引言1.1 课题的背景与意义1.1.1 课题背景交流电机的控制性能在磁场定向矢量控制技术提出后才有了质的飞跃。
磁场定向矢量控制技术采用的是励磁电流和转矩电流的解稱控制,兼顾磁场和转矩的控制,克服了交流电机自身耦合的缺点。
永磁同步电机矢量控制
由于永磁同步电机(PMSM)在诸多方面的优势,在控制领域引起了极大的兴趣。
矢量控制的基本思想[4-5]是在普通的三相交流电动机上设法模拟直流电动机转矩控制的规律。
按磁场定向坐标,将电流矢量分解成产生磁通的励磁电流分量和产生转矩的转矩电流分量,并使两分量互相垂直,彼此独立,然后分别进行调节。
这样交流电动机的转矩控制。
从原理和特性上就和直流电动机相似了。
矢量控制的目的是为了改善转矩控制性能.而最终仍然是对定子电流的控制。
由于在定子侧的各物理量,如电压、电流、电动势、磁动势都是交流量,其空间矢量在空间以同步转速旋转,调节和控制都不容易。
因此需要借助于坐标变换,使各物理量从静止坐标系转换到同步旋转坐标系,这时各空间矢量就都变成了直流量。
电流矢量分解成产生磁通的励磁电流分量i d和产生转矩的转矩电流分量i q,如图2所示,这样转矩和被控量定子电流之间的关系就一目了然。
图2.转矩和被控量定子电流之间的关系
永磁同步电机的矢量控制系统由四部分组成:1.位置、速度检测模块;2.速度环,电流环PI控制器;3.坐标变换模块;4.SVPWM模块和逆变模块。
控制过程为:速度给定信号指令与检测到的转子速度相比较,经速度控制器的调节,输出I指令信号(电流控制器得给定信号)。
同时,经过坐标变换后,定子反馈的三相电流变为i d,i q,通过电流控制器使:i d=0,i q与给定的i∗q相比较后,经过电流调节器的输出为d,q轴的电压,经Park逆变换后为α、β电压。
通过SVPWM模块输出六路PWM驱动IGBT.产生可变频率和幅值的三相正弦电流输入电机定子。
永磁同步电机矢量控制分析一、本文概述永磁同步电机(PMSM)作为一种高性能的电机类型,在现代工业、交通以及新能源等领域的应用日益广泛。
其矢量控制技术,即通过对电机电流的精确控制,实现对电机转矩和磁场的独立调节,从而实现电机的高效、稳定运行。
本文旨在全面分析永磁同步电机的矢量控制技术,包括其基本原理、控制策略、实现方法以及在实际应用中的优缺点,为相关领域的研究者和工程师提供有益的参考。
本文将对永磁同步电机的基本结构和工作原理进行简要介绍,为后续的分析奠定理论基础。
然后,将重点讨论矢量控制技术的理论基础和实现方法,包括空间矢量脉宽调制(SVPWM)技术、电流环和速度环的设计与控制策略等。
在此基础上,本文将深入分析矢量控制技术在永磁同步电机中的应用,包括其在提高电机效率、优化动态性能以及提升系统稳定性等方面的作用。
本文还将对矢量控制技术在永磁同步电机应用中的挑战和前景进行探讨。
一方面,将分析当前矢量控制技术在实际应用中面临的主要问题,如参数敏感性、控制复杂度以及成本等;另一方面,将展望未来的发展趋势,如智能化、集成化以及优化算法的应用等。
本文将对永磁同步电机矢量控制技术的未来发展提出展望,以期为该领域的进一步研究和应用提供参考。
二、永磁同步电机基本原理永磁同步电机(Permanent Magnet Synchronous Motor,PMSM)是一种高效、高功率密度的电机,广泛应用于电动汽车、风力发电、工业自动化等领域。
其基本原理主要基于电磁感应和磁场相互作用。
PMSM的核心部件是永磁体,这些永磁体通常嵌入在电机的转子中,形成固定的磁场。
当电机通电时,定子中的电流会产生一个旋转磁场。
这个旋转磁场与转子中的永磁体磁场相互作用,使得转子开始旋转。
通过精确控制定子中的电流,可以实现对转子旋转速度、方向和扭矩的精确控制。
在PMSM中,矢量控制是一种重要的控制策略。
矢量控制通过独立控制电机的磁通和扭矩分量,实现了对电机的高效、高性能控制。
电流采样及坐标变换前言永磁同步电机(PMSM)应用范围广泛,经常用于新能源汽车、机床、工业等领域。
在实际使用中,我们经常采用矢量控制算法(FOC)完成PMSM的高性能控制。
矢量控制中通常采用双闭环结构,其中外环为速度环,内环为电流环。
为了实现PMSM高性能控制,我们会采用各种复杂的算法来实现目标,这其中电流环相关算法又是重中之重。
但是需要指出,电流环性能好坏除了与采用的算法有关之外,还与最基本的电流采样问题以及坐标变换问题紧密相关。
只有当这些细节问题研究到位之后,高性能的控制算法才会更好发挥作用。
本文档主要探讨电流环的电流采样问题、故障保护以及坐标变换问题。
1 单相电流采样模型及补偿图1为实际系统中电流采样系统示意图,主要电源(含参考源)、HALL电流传感器、放大及滤波电路、AD转换器。
对于实际采样系统而言,各个器件均不是理想的,综合起来会产生明显的赋值衰减和相位滞后,这势必会降低控制性能。
图1 电流采样系统示意图HALL电流传感器:(1)增益非线性:即使采样的电流为直流时,也会在电流较大时产生增益下降,即增益非线性(饱和效应)。
进行建模时,认为增益非线性只是改变了输出HALL输出电压幅值,并不产生相位滞后。
记为G。
Non(2) 低通特性:此特性会随着电流频率的变化而产生不同程度的相位滞后和幅值衰减。
记为()LPF1G s 。
由上述可知,HALL 传感器的传递函数为()()HALL Non LPF1G s G G s =⋅。
图2为传输非线性Non G 的示意图。
由此图可见在-400A~400A 是线性区域,增益为1pu ;而电流处于-700A~-400A 以及400A~700A 范围内时增益下降到了0.98pu ;当电流处于-900A~-700A 以及700A~900A 范围内时增益下降到了0.952pu 。
为了后续分析方便,这里假设()LPF11=3e -061G s s +。
实际系统的()LPF1G s 可由测试或者查询HALL 传感器的数据手册得到。
问题一电流采样硬件上用的是霍尔传感器.图一是霍尔传感器的输入输出特性曲线。
找了图上的两点(1V,-10A)和(2V,5A),算出来斜率为1/15=0.066。
图一是霍尔传感器的输入输出特性曲线DSP中采样最大值为3.3V,对应的寄存器值为4096,所以采样后寄存器中的值对应的电压值为3.3V/4096。
程序中电流采样计算如下:DatQ15 = ((AdcMirror.ADCRESULT2 + AdcMirror.ADCRESULT3 +AdcMirror.ADCRESULT4 + AdcMirror.ADCRESULT5 + AdcMirror.ADCRESULT6 + AdcMirror.ADCRESULT7 + AdcMirror.ADCRESULT8)/7) - p->ImeasAOffset;Tmp = _IQ15mpy(p->ImeasAGain,DatQ15);p->ImeasA = _IQ15div(Tmp,_IQ15(BASE_CURRENT));“p->ImeasAOffset”是初始时化后就进行的一次采样,保存为偏移值。
“p->ImeasAGain”是在结构体ILEG2DCBUSMEAS设置的值,为_IQ15(383.3856)。
BASE_CURRENT为基准电流值,为1.5A我计算的“p->ImeasAGain”值步奏如下:设采样结果寄存器中的值为P,第一次采样得到的偏移值为Offset,实际采样的电流为I,则应该有这样的关系式(因为第一次已经减去了偏移,相当于图1的坐标变成了以原点为起点的了吧?如图2所示?):3.31()409615VP Offset I-=,照这样算出来的ImeasAGain应该为:3.3*154096V=0.012,这与程序中的_IQ15(383.3856)相差的太大了。
不知道计算错在哪里,请师兄帮忙指点下!!!图2 减去偏移后的输入输出特性曲线另外,还有一个问题,发现硬件上霍尔电流的输入输出端接反了,那应该在每一个采样算出来的电流值再乘以(-1)吧??问题二中断时间程序中的主要运算都是在PWM定时器的下溢中断进行的,看不懂程序中是如何计数器赋计数周期的值,因此一直没搞懂每隔多久进行一次下溢中断。
基于Matlab的永磁同步电机矢量控制原理摘要:在现代交流伺服系统中,矢量控制原理以及空间电压矢量脉宽调制(SVPWM)技术使得交流电机能够获得和直流电机相媲美的性能。
永磁同步电机(PMSM)是一个复杂耦合的非线性系统。
关键词:永磁同步电机;电压空间矢量脉宽调制0、引言永磁同步电机(PMSM)是采用高能永磁体为转子,具有低惯性、快响应、高功率密度、低损耗、高效率等优点,成为了高精度、微进给伺服系统的最佳执行机构之一。
永磁同步电机构成的永磁交流伺服系统已经向数字化方向发展。
因此如何建立有效的仿真模型具有十分重要的意义。
对于在Matlab中进行永磁同步电机(PMSM)建模仿真方法的研究已经受到广泛关注。
本文介绍了电压空间矢量脉宽调制原理并给出了坐标变换模块、SVPWM模块以及整个PMSM闭环矢量控制仿真模型,给出了仿真模型结构图和仿真结果。
1、永磁同步电机的数学模型永磁同步电机在d-q轴下的理想电压方程为:(1)(2)(3)(4)(5)(6)(7)式中,ud和uq分别为d、q轴定子电压;id和iq分别为d、q 轴定子电流;和分别为d、q轴定子磁链;ld和lq分别为定子绕组d、q轴电感;r为定子电阻;p为微分符号;lmd为定、转子间的d轴电感;ifd为永磁体的等效d轴励磁电流;pn为极对数;te为电磁转矩;tl为负载转矩;j为转动惯量;b为阻尼系数;为转子角速度。
2、电压空间矢量脉宽调制原理2.1电压空间矢量电机输入三相正弦电压的最终目的是在空间产生圆形旋转磁场,从而产生恒定的电磁转矩。
直接针对这个目标,把逆变器和异步电机视为一体,按照跟踪圆形旋转磁场来控制PWM 电压,这样的控制方法称为“磁链跟踪控制”,磁链的轨迹是靠电压空间矢量相加得到的,所以又称“电压空间矢量PWM控制”。
空间矢量是按电压所加绕组的空间位置来定义的。
在图1中,A、B、C分别表示在空间静止不动的电机定子三相绕组的轴线,它们在空间互差120°,三相定子相电压U A、U B、U C分别加在三相绕组上,可以定义三个电压空间矢量U A、U B、U C,它们的方向始终在各相的轴线上,而大小则随时间按正弦规律变化,时间相位互差120°。
基于电流反馈解耦的永磁同步电机矢量控制研究永磁同步电机(PMSM)是一种高效率、高功率密度的电机,广泛应用于工业、交通、家电等领域。
矢量控制是PMSM最常用的控制方法之一,它可以实现高精度的转矩控制和高效率的运行。
本文将介绍基于电流反馈解耦的PMSM矢量控制研究。
1. PMSM矢量控制原理PMSM矢量控制的基本原理是将三相交流电压分解为两个正交的磁场,即定子坐标系下的磁场和转子坐标系下的磁场。
通过控制定子坐标系下的磁场和转子坐标系下的磁场的大小和相位差,可以实现对电机的转矩和转速的控制。
2. 电流反馈解耦在PMSM矢量控制中,电流反馈解耦是一种常用的控制方法。
它可以将三相电流分解为两个正交的磁轴电流和一个零序电流。
通过控制磁轴电流的大小和相位差,可以实现对电机的转矩和转速的控制。
电流反馈解耦的基本原理是利用电机的电感和电阻特性,将三相电流分解为两个正交的磁轴电流和一个零序电流。
其中,磁轴电流分别对应于定子坐标系下的d轴电流和q轴电流,它们分别控制电机的磁场和转矩。
零序电流对应于电机的不平衡和谐波电流,它不参与电机的转矩和转速控制。
3. 基于电流反馈解耦的PMSM矢量控制基于电流反馈解耦的PMSM矢量控制包括两个主要步骤:电流反馈解耦和磁场定向控制。
在电流反馈解耦中,通过控制d轴电流和q轴电流的大小和相位差,实现对电机的转矩和转速的控制。
在磁场定向控制中,通过控制磁场的大小和相位差,实现对电机的转速和位置的控制。
电流反馈解耦的控制方法有多种,其中最常用的是基于PI控制器的控制方法。
PI控制器可以根据电机的实际状态和目标状态,自适应地调整d轴电流和q轴电流的大小和相位差,实现对电机的转矩和转速的控制。
4. 结论基于电流反馈解耦的PMSM矢量控制是一种高效、高精度的电机控制方法。
它可以实现对电机的转矩、转速和位置的精确控制,广泛应用于工业、交通、家电等领域。
在实际应用中,需要根据电机的实际情况和控制要求,选择合适的控制方法和参数,实现最优的控制效果。
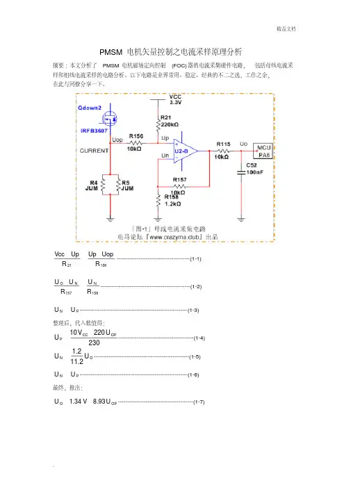
PMSM 电机矢量控制之电流采样原理分析摘要:本文分析了PMSM 电机磁场定向控制(FOC)器的电流采集硬件电路,包括母线电流采样和相线电流采样的电路分析。
以下电路是业界常用、稳定、经典的不二之选,工作之余,在此与同僚分享一下。
15621R Uop Up R Up Vcc ----------------------------------------(1-1)158N 157NO R U R U U -------------------------------------------------(1-2)P NU U -----------------------------------------------------------(1-3)整理后,代入数值得:230U 220V 10U OPCC P -----------------------------------------(1-4)O NU 11.21.2U ----------------------------------------------------(1-5) P NU U -----------------------------------------------------------(1-6)最终,推出:OP O U 8.93V 1.34U -----------------------------------------(1-7)一、当MOS 管IRFB3607处于正向导通状态时,电流在一定范围内会使二极管D13处于不导通状态(Up-Un<0.7V),但是电流超过阈值后,便会使二极管D13导通,并将电压嵌制在0.7V 。
当MOS 管IRFB3607处于反向导通状态时,其体二极管也起到电压嵌制作用,电路工作原理相似。
5692BM P 93P CC R R U U R U V ---------------------------------------------------------------------(2-1)132OPN 140NO R U U R U U ---------------------------------------------------------------------(2-2)P NU U ---------------------------------------------------------------------------------------(2-3) 令15692R R R ,代入上式(2-1),整理得:931BM93CC1PR R U R V R U ----------------------------------------------------------------------(2-4)140132OP140O132NR R U R U R U --------------------------------------------------------------------(2-5)P N U U ----------------------------------------------------------------------------------------(2-6)整理以上各式可得:OP 931132931140BM93113214013293CC9311321401321OU )R (R R )R (R R U )R (R R )R (R R V )R (R R )R (R R U ------(2-7)分析(2-7)式可知,第一项应该是基准电压,必须有CC CC9311321401321V 21V )R (R R )R (R R ,第二项和第三项的系数应该相等,即)R (R R )R (R R )R (R R )R (R R 93113293114093113214013293,以此获取下桥臂MOS 管的管压降值。
基于电流反馈解耦的永磁同步电机矢量控制研究一、引言永磁同步电机(Permanent Magnet Synchronous Motor,简称PMSM)由于其高效率、高功率密度和良好的动态性能,被广泛应用于工业和交通领域。
在PMSM控制中,矢量控制是一种常用的控制技术,其通过控制电机的电流和转子位置以实现精确的控制。
然而,PMSM控制中的交叉耦合和电流传感器的非线性等问题,限制了控制系统的性能和精度。
本文旨在通过基于电流反馈解耦的方法,对PMSM的矢量控制进行深入研究和探讨。
二、矢量控制原理1.矢量控制概述矢量控制是一种基于转子参考帧的控制方法,通过将PMSM电流和电压转换到dq坐标系下,以实现无触点的控制。
矢量控制可分为直接矢量控制和间接矢量控制两种方法。
2.直接矢量控制(Direct Vector Control)直接矢量控制是一种通过控制定子电流和转子磁链矢量,实现PMSM转矩和磁通的无触点控制方法。
直接矢量控制包含以下步骤:•dq坐标变换•转子磁链估算•转子磁链方向控制•定子电流控制3.间接矢量控制(Indirect Vector Control)间接矢量控制是一种通过控制PMSM的电压,以实现转子位置和速度的闭环控制方法。
间接矢量控制包含以下步骤:•dq坐标变换•转子位置估算•位置反馈环•转子位置和速度控制三、电流反馈解耦技术在传统的矢量控制中,由于PMSM的定子电流是交叉耦合的,即dq轴之间存在相互影响,会导致系统的性能下降。
因此,电流反馈解耦技术可以用来提高系统的响应速度和稳定性。
电流反馈解耦技术主要包括以下几个方面的内容:1.dq电流反馈解耦通过采用dq坐标系下的控制方法,可以实现定子电流之间的解耦。
2.PI控制器的设计利用PI控制器对dq电流进行控制,实现定子电流的精确控制。
3.动态参考电流生成通过动态参考电流生成技术,可以提高系统的动态响应和稳定性。
4.静态参考电流生成通过静态参考电流生成技术,可以提高系统的静态精度和稳定性。
永磁同步电机电流预测控制算法随着电力电子技术、微处理器技术和控制理论的发展,永磁同步电机(PMSM)因其高效、节能、环保等优点,在工业电机、电动汽车、航空航天等领域得到了广泛应用。
为了实现永磁同步电机的精确控制,提高系统的动态性能和稳定性,电流预测控制算法成为一个重要的研究领域。
本文将详细介绍永磁同步电机电流预测控制算法的原理、研究方法及实验结果,并进行分析和讨论。
永磁同步电机电流预测控制算法主要分为直接电流控制和间接电流控制。
直接电流控制通过直接调节电机的电流实现控制目标,具有控制精度高、响应速度快等优点,但算法复杂度较高,对硬件要求较高。
间接电流控制通过控制电机的电压和频率来实现电流控制,具有算法简单、易于实现等优点,但电流控制精度相对较低。
近年来,许多学者对永磁同步电机电流预测控制算法进行了研究。
其中,基于模型预测控制(MPC)的电流预测控制算法备受。
MPC是一种基于优化理论的控制方法,能够在约束条件下对未来一段时间内的系统进行优化控制。
在永磁同步电机电流控制中,MPC能够实现对未来一段时间内的电流进行预测和控制,提高系统的动态性能和稳定性。
然而,MPC算法的计算量大,对硬件要求较高,实时性较差。
本文提出了一种基于模型预测控制的永磁同步电机电流预测控制算法。
建立永磁同步电机的数学模型,包括电机电磁场、转子运动方程等。
然后,利用MPC算法对未来一段时间内的电流进行预测和控制。
具体实现过程如下:数据采集:通过电流传感器采集电机的实际电流,并将其反馈至控制系统。
模型建立:根据永磁同步电机的电磁场和转子运动方程,建立电机的数学模型。
电流预测:利用MPC算法对未来一段时间内的电流进行预测,考虑电流的约束条件(如最大电流、最小电流等)。
控制策略:根据电流预测结果和实际电流反馈,制定相应的控制策略,包括电压控制、频率控制等。
实时控制:通过微处理器实现对电机的实时控制,保证电流的稳定性和准确性。
为了验证本文提出的永磁同步电机电流预测控制算法的有效性,搭建了一个实验平台进行实验测试。
PMSM3_1的电流采样问题PMSM3_1的电流采样问题PMSM3_1中,需要对3相的相电流进⾏采样,⽽在实际系统中,相电流并不是直流信号,⽽是近似正弦的信号,所以在⼀个周期内,电流肯定有正也有负。
但是2812的模数12位采集器是单极性的。
怎样通过把⼀个双极性的信号⽤单极性的AD采集,并表达成相应的12位数字量,这个问题值得我们思考和讨论。
虽然德州公司的PDF技术⽂档已经介绍了相关的解决⽅法,但是应该还有⼈不⼤能够理解。
解决这个问题,⼀般要做好两个⽅⾯的⼯作:⼀,硬件;⼆,软件。
硬件上,由于⼀般采集过来的信号是双极性的,最⼤范围是-a~a,这样AD是⽆法采集-a~0的数据的,为了做到顺利采集,我们可以让电流为0的时候,输出电压是1.5伏特,⽽当电流为-a的时候输出电压是0,这样我们必须调整信号范围,⼀般是采⽤运算放⼤器和直流电源偏压的办法做到的。
可以令b=1.5+a/2,这样b的范围就是0~3伏特,符合2812的AD要求.软件上,参考德州公司的技术⽂档ileg2_dcbus_drv.pdf,对采集过来的数字进⾏异或运算,这个计算设计的很巧妙,绝对出⾃经验丰富的程序员。
为什么说他做的巧妙呢?原因就是这样的计算很简单⽽且效果也很好。
⼤家学过单⽚机的都知道,为了表⽰⼀个有符号的整型,我们⽤的是int,对于PMSM3_1⽽⾔,当定义int16的时候也就意味着这个数字的最⾼位是符号位,其他的位才是数字位。
另外负数的数字位是通过求反加1才得到的。
对于采集过来的12位数据他们的范围是0000~FFF0,但是这个数字实际上是⽆符号的,当我们进⾏了异或运算之后,我们会发现得到的结果恰好就是以负数为补码形式表⽰的有符号数字。
请看⼀下,当同8000异或之后,原来的1.5伏到3.0伏的范围变成了0000~7FF0,这个范围就是正数的范围,也恰好对应输⼊的0~a安培的电流。
另⼀⽅⾯,0~1.5伏对应的是8000~8FFF,相应的电流是-a~0安培。
PMSM 电机矢量控制之电流采样原理分析摘要:本文分析了PMSM 电机磁场定向控制(FOC)器的电流采集硬件电路,包括母线电流采样和相线电流采样的电路分析。
以下电路是业界常用、稳定、经典的不二之选,工作之余,在此与同僚分享一下。
15621R Uop Up R Up V cc -=-----------------------------------------(1-1)158N 157N O R U R U U =--------------------------------------------------(1-2)P N U U =-----------------------------------------------------------(1-3)整理后,代入数值得:230U 220V 10U OP CC P +=-----------------------------------------(1-4)O N U 11.21.2U =----------------------------------------------------(1-5)P N U U =-----------------------------------------------------------(1-6)最终,推出:OP O U 8.93V 1.34U +=-----------------------------------------(1-7)一、当MOS 管IRFB3607处于正向导通状态时,电流在一定范围内会使二极管D13处于不导通状态(Up-Un<,但是电流超过阈值后,便会使二极管D13导通,并将电压嵌制在。
当MOS 管IRFB3607处于反向导通状态时,其体二极管也起到电压嵌制作用,电路工作原理相似。
5692BM P 93P CC R R U U R U V +-=----------------------------------------------------------------------(2-1)132OP N 140N O R U U R U U -=----------------------------------------------------------------------(2-2)P N U U =---------------------------------------------------------------------------------------(2-3)令15692R R R =+,代入上式(2-1),整理得:931BM 93CC 1P R R U R V R U ++=----------------------------------------------------------------------(2-4)140132OP 140O 132N R R U R U R U ++=--------------------------------------------------------------------(2-5)P N U U =----------------------------------------------------------------------------------------(2-6)整理以上各式可得:OP 931132931140BM 93113214013293CC 9311321401321O U )R (R R )R (R R U )R (R R )R (R R V )R (R R )R (R R U ++-+++++=------(2-7)分析(2-7)式可知,第一项应该是基准电压,必须有CC CC 9311321401321V 21V )R (R R )R (R R =++,第二项和第三项的系数应该相等,即)R (R R )R (R R )R (R R )R (R R 93113293114093113214013293++=++,以此获取下桥臂MOS 管的管压降值。
PMSM 电机矢量控制之电流采样原理分析摘要:本文分析了PMSM 电机磁场定向控制(FOC)器的电流采集硬件电路,包括母线电流采样和相线电流采样的电路分析。
以下电路是业界常用、稳定、经典的不二之选,工作之余,在此与同僚分享一下。
15621R Uop Up R Up V cc -=-----------------------------------------(1-1) 158N 157N O R U R U U =--------------------------------------------------(1-2) P N U U =-----------------------------------------------------------(1-3)整理后,代入数值得:230U 220V 10U OP CC P +=-----------------------------------------(1-4) O N U 11.21.2U =----------------------------------------------------(1-5) P N U U =-----------------------------------------------------------(1-6)最终,推出:OP O U 8.93V 1.34U +=-----------------------------------------(1-7)一、当MOS 管IRFB3607处于正向导通状态时,电流在一定范围内会使二极管D13处于不导通状态(Up-Un<0.7V),但是电流超过阈值后,便会使二极管D13导通,并将电压嵌制在0.7V 。
当MOS 管IRFB3607处于反向导通状态时,其体二极管也起到电压嵌制作用,电路工作原理相似。
5692BM P 93P CC R R U U R U V +-=----------------------------------------------------------------------(2-1) 132OP N 140N O R U U R U U -=----------------------------------------------------------------------(2-2) P N U U =---------------------------------------------------------------------------------------(2-3) 令15692R R R =+,代入上式(2-1),整理得:931BM 93CC 1P R R U R V R U ++=----------------------------------------------------------------------(2-4) 140132OP 140O 132N R R U R U R U ++=--------------------------------------------------------------------(2-5) P N U U =----------------------------------------------------------------------------------------(2-6) 整理以上各式可得:OP 931132931140BM 93113214013293CC 9311321401321O U )R (R R )R (R R U )R (R R )R (R R V )R (R R )R (R R U ++-+++++=------(2-7) 分析(2-7)式可知,第一项应该是基准电压,必须有CC CC 9311321401321V 21V )R (R R )R (R R =++,第二项和第三项的系数应该相等,即)R (R R )R (R R )R (R R )R (R R 93113293114093113214013293++=++,以此获取下桥臂MOS 管的管压降值。
P M S M电机矢量控制之电流采样原理分析
PMSM 电机矢量控制之电流采样原理分析
摘要:本文分析了PMSM 电机磁场定向控制(FOC)器的电流采集硬件电路,包括母线电流采样和相线电流采样的电路分析。
以下电路是业界常用、稳定、经典的不二之选,工作之余,在此与同僚分享一下。
156
21R Uop Up R Up V cc -=-----------------------------------------(1-1) 158
N 157N O R U R U U =--------------------------------------------------(1-2) P N U U =-----------------------------------------------------------(1-3)
整理后,代入数值得:
230
U 220V 10U OP CC P +=-----------------------------------------(1-4) O N U 11.21.2U =----------------------------------------------------(1-5) P N U U =-----------------------------------------------------------(1-6)
最终,推出:
OP O U 8.93V 1.34U +=-----------------------------------------(1-7)
一、当MOS 管IRFB3607处于正向导通状态时,电流在一定范围内会使二极管D13处于不导通状态(Up-Un<0.7V),但是电流超过阈值后,便会使二极管D13导通,并将电压嵌制在0.7V 。
当MOS 管IRFB3607处于反向导通状态时,其体二极管也起到电压嵌制作用,电路工作原理相似。
56
92BM P 93P CC R R U U R U V +-=----------------------------------------------------------------------(2-1) 132
OP N 140N O R U U R U U -=----------------------------------------------------------------------(2-2) P N U U =---------------------------------------------------------------------------------------(2-3) 令15692R R R =+,代入上式(2-1),整理得:
93
1BM 93CC 1P R R U R V R U ++=----------------------------------------------------------------------(2-4) 140132OP 140O 132N R R U R U R U ++=
--------------------------------------------------------------------(2-5)
P N U U =----------------------------------------------------------------------------------------(2-6)
整理以上各式可得:
OP 931132931140BM 93113214013293CC 9311321401321O U )
R (R R )R (R R U )R (R R )R (R R V )R (R R )R (R R U ++-+++++=------(2-7)
分析(2-7)式可知,第一项应该是基准电压,必须有CC CC 9311321401321V 2
1V )R (R R )R (R R =++,第二项和第三项的系数应该相等,即)
R (R R )R (R R )R (R R )R (R R 93113293114093113214013293++=++,以此获取下桥臂MOS 管的管压降值。
但是,当把两个等式组成方程组求解参数时,发现方程组无解!说明没有一套合适的电阻参数同时满足如上两条件。
既然如此,我们改变一哈策略,只要求满足等式CC CC 9311321401321V 2
1V )R (R R )R (R R =++就可以,另一等式可以不满足。
最终化简等式(2-7)可得:
OP OP BM 931132931140CC 9311321401321O U 2
1)U U ()R (R R )R (R R V )R (R R )R (R R U +-+++++=------------------(2-8)
正如式(2-8)所示,第一项为基准电压常数CC V 2
1,第二项为下桥臂MOS 管管压降,第三项为母线康铜丝上的压降,随电流的变换而变换!
二、当MOS 管IRFB3607处于截至状态时,二极管D13将电压嵌制在0.7V ,使得输出始终为高电平。