建筑制图习题及答案要点
- 格式:doc
- 大小:3.23 MB
- 文档页数:79
建筑制图及识图测试题与参考答案一、单选题(共43题,每题1分,共43分)1.确定各基本形体大小的尺寸称为( )。
A、定位尺寸B、定形尺寸C、标志尺寸D、构造尺寸正确答案:B2.φL表示( )。
A、Ⅰ级螺纹钢筋B、冷拉Ⅰ级钢筋C、Ⅰ级锰硅人字纹钢筋D、Ⅰ级光圆钢筋正确答案:B3.比例指的是图形与实物要素( )尺寸之比。
A、重量B、体积C、线性D、面积正确答案:C4.图线中的粗线宽度为b,b又称基本线宽,则细线的宽度为( )b。
A、0.25B、0.5C、0.15D、0.75正确答案:A5.有一栋房屋在图上量得长度为50cm,用的是1:100比例,其实际长度是( ).A、50mB、500mC、5000mD、5m正确答案:A6.有一配件图其比例为1:2,从图上量得高度5mm,其实际高度是( ).A、1mmB、10mmC、50mmD、5mm正确答案:B7.下列建筑中不属于公共建筑的是()。
A、旅社B、学校C、宿舍D、医院正确答案:C8.建筑平面图是采用一假想的( )以上位置切开,将上部移去后所得的水平投影图。
A、水平剖切面沿楼地面B、水平剖切面沿窗台C、垂直剖切面沿高度D、水平剖切面沿基础顶面正确答案:B9.圆球在三个基本投影面上的投影结果为( )。
A、三个大小不相等的圆B、两个圆一个正方形C、三个大小相等的圆D、一个圆两个正方形正确答案:C10.平屋面或坡度不大于1/10的屋面,易受雷击的部位是( ).A、屋角、屋脊、檐角B、屋脊、屋角、女儿墙C、檐角、女儿墙、屋檐D、屋角、屋脊、檐角、屋檐正确答案:C11.“φ8@200”没能表达出这种钢筋的( )。
A、直径B、间距C、级别D、弯钩形状正确答案:D12.当平面垂直投影面时.在该投影面上的投影结果为( )A、反映实形B、一个点C、不确定D、一根线正确答案:D13.避雷装置的引下线采用扁钢制作时,扁钢截面不应小于( ) .A、40平方毫米B、56平方毫米C、64平方毫米D、48平方毫米正确答案:D14.三投影面体系中,H面、V面投影在X轴方向均反映形体的长度且互相对正,称之为( )。
建筑制图基础练习题及答案一、填空题1、按照建筑制图标准规定,图纸幅面是指图纸本身的大小规格。
A0图纸的图幅b×l== 841×1189 ,图框线与图幅线之间的间隔a为 25 ,c为10 。
2、图样的比例为图形与实物相对应的线性尺寸之比;图纸上的尺寸,应以尺寸数字为准,不得从图样上直接量取。
3、尺寸单位除标高及总平面是以米为单位外,其他必须以毫米为单位。
角度的尺寸线应以圆弧表示。
4、尺寸应尽量布置在投影图的轮廓之外,并位于两个投影之间。
同方向的尺寸可以组合起来,排成几道,小尺寸在内,大尺寸在外,相互间平行、等距,距离约为 7~10 mm。
5、剖视图分为全剖视图、半剖视图、局部剖视图,它的剖切方法有单一剖切面剖切、阶梯剖、旋转剖;断面图包括移出断面图、重合断面图和中断断面图。
6、剖视图的剖切符号表示剖切面的起、迄、转折位置及投射方向。
剖切符号由剖切位置线和剖视方向线组成,他们分别用长度为 6~10 毫米和 4~6 毫米的粗实线来表示。
二、简答题:1、按照《房屋建筑统一制图标准(GB/T50001-2001)》规定,尺寸包括哪些内容?各部分的绘图规定是什么?尺寸的排列与布置有什么要求?答:一个完整的尺寸包括:尺寸界线、尺寸线、尺寸起止符号和尺寸数字。
各部分的绘图规定:(1)尺寸界线用细实线画,应与被注长度垂直,其一端应离开图样轮廓线不小于2mm,另一端宜超出尺寸线2mm—3 mm;(2)尺寸线用细实线画,应与被注长度平行,其两端不宜超出尺寸界线;(3)尺寸起止符号应用中粗斜短线画,其倾斜方向应与尺寸界线成顺时针45°角,长度宜为2 mm —3mm。
对于以圆弧为尺寸界线的起止符号,宜用箭头。
(4)尺寸数字应依据其方向注写在靠近尺寸线的上方中部。
尺寸数字的长度单位,通常除高程及总平面图上以米(m)为单位外,其他都以毫米(mm)为单位。
尺寸的排列与布置要求:画在图样外围的尺寸线,与图样最外轮廓线的距离不宜小于10 mm;平行排列的尺寸线间距为7 mm~10 mm,且应保持一致;互相平行的尺寸线,应从被注轮廓线按小尺寸近、大尺寸远的顺序整齐排列。
(建筑制图)试题及答案一、选择题(每题2分,共20分)1. 在建筑制图中,表示建筑物平面布局的图是:A. 平面图B. 立面图C. 剖面图D. 详图答案:A2. 建筑制图中的尺寸线通常采用哪种线型?A. 虚线B. 点画线C. 粗实线D. 细实线答案:D3. 建筑制图中,用于表示建筑物高度的图是:A. 平面图B. 立面图C. 剖面图D. 详图答案:B4. 建筑制图中的图例是用来表示:A. 材料B. 尺寸C. 比例D. 颜色答案:A5. 在建筑制图中,表示建筑物内部结构的图是:A. 平面图B. 立面图C. 剖面图D. 详图答案:C6. 建筑制图中,用于表示建筑物内部空间分隔的图是:A. 平面图B. 立面图C. 剖面图D. 详图答案:A7. 建筑制图中,用于表示建筑物内部细节的图是:A. 平面图B. 立面图C. 剖面图D. 详图答案:D8. 在建筑制图中,表示建筑物与周围环境关系的图是:A. 总平面图B. 立面图C. 剖面图D. 详图答案:A9. 建筑制图中,用于表示建筑物内部管道布置的图是:A. 给排水图B. 电气图C. 结构图D. 详图答案:A10. 在建筑制图中,表示建筑物内部电气系统布置的图是:A. 给排水图B. 电气图C. 结构图D. 详图答案:B二、填空题(每题2分,共20分)1. 建筑制图中的______是用来表示建筑物的尺寸和位置。
答案:尺寸线2. 建筑制图中的______是用来表示建筑物的垂直高度。
答案:立面图3. 建筑制图中的______是用来表示建筑物的内部结构。
答案:剖面图4. 建筑制图中的______是用来表示建筑物的详细构造。
答案:详图5. 建筑制图中的______是用来表示建筑物与周围环境的关系。
答案:总平面图6. 建筑制图中的______是用来表示建筑物的平面布局。
答案:平面图7. 建筑制图中的______是用来表示建筑物内部的管道布置。
答案:给排水图8. 建筑制图中的______是用来表示建筑物内部的电气系统布置。
建筑制图及识图试题含答案一、单选题(共43题,每题1分,共43分)1.比例宜注写在图名的()。
A、右侧B、中间C、左侧D、下方正确答案:A2.填充不得穿越尺寸数字,不可避免时。
应该是()A、图线断开B、二者重合C、省略标注D、前述均可正确答案:A3.平行于正投影坐标轴(X轴)的直线是()。
A、侧平线B、正垂线C、侧垂线D、水平线正确答案:C4.平行于正投影坐标轴(y轴)的直线是()。
A、水平线B、侧垂线C、正垂线D、侧平线正确答案:C5.坡度大于等于1/2的屋面,易受雷击的部位是()A、屋角、屋脊、檐角、屋檐B、檐角、女儿墙、屋檐C、屋脊、屋角、女儿墙D、屋角、屋脊、檐角正确答案:D6.在施工中,L代表().A、墙B、板C、柱D、梁正确答案:D7.墙体是房屋的一个重要组成部分,按墙的平面位置不同分为().A、承重墙与非承重墙B、纵墙与横墙C、外墙和内墙D、砖墙与钢筋混凝土墙正确答案:C8.房屋建筑的各种视图主要是采用()绘制的。
A、正投影法B、斜投影法C、平行投影法D、标高投影法正确答案:A9.建筑平面图、剖面图应以()A、轴测投影法B、直接标高投影法C、投影法D、直接正投影法正确答案:D10.一般情况下,建筑工程图纸中的图标栏设置在图框内的()。
A、右下角B、左上角C、右上角D、左下角正确答案:A11.平面与圆球相交,截交线的空间形状是()。
A、圆B、椭网C、直线D、双曲线正确答案:A12.有一配件图其比例为1:2,从图上量得高度5mm,其实际高度是().A、50mmB、1mmC、10mmD、5mm正确答案:C13.房屋结构中空心板的代号为。
()A、CBB、WBC、KBD、ZB正确答案:C14.立面图不能按()方式命名。
A、轴线B、朝向C、主出入口D、色彩正确答案:D15.正投影中,位于水平面上的直线可能是()。
A、水平线B、侧平线C、正平线D、一般位置直线正确答案:A16.用于确定组合体中各基本形体之间相互位置的尺寸称为()A、定位尺寸B、总尺寸C、定型尺寸D、细部尺寸正确答案:A17.同张图纸中,图线中的粗线宽度为b,则细线的宽度为()b。
建筑制图试题及答案一、单项选择题(每题2分,共20分)1. 建筑制图中,表示建筑物的平面形状和位置关系的图是:A. 立面图B. 剖面图C. 平面图D. 详图答案:C2. 建筑制图中,用于表示建筑物内部结构细节的图是:A. 总平面图B. 立面图C. 剖面图D. 详图答案:D3. 在建筑制图中,比例尺是用来表示:A. 图纸与实际尺寸的比例关系B. 图纸与实际尺寸的绝对关系C. 图纸与实际尺寸的相对关系D. 图纸与实际尺寸的无关系答案:A4. 建筑制图中,轴线是用来表示:A. 建筑物的对称性B. 建筑物的中心线C. 建筑物的边缘线D. 建筑物的边界线答案:B5. 在建筑制图中,尺寸标注应遵循的原则是:A. 随意标注B. 清晰、准确C. 模糊、随意D. 简洁、模糊答案:B6. 建筑制图中,表示建筑物高度的图是:A. 总平面图B. 立面图C. 平面图D. 剖面图答案:B7. 建筑制图中,用于表示建筑物内部空间划分的图是:A. 总平面图B. 立面图C. 平面图D. 详图答案:C8. 在建筑制图中,材料表是用来表示:A. 建筑物的尺寸B. 建筑物的材料C. 建筑物的结构D. 建筑物的布局答案:B9. 建筑制图中,表示建筑物的垂直剖面的图是:A. 总平面图B. 立面图C. 平面图D. 剖面图答案:D10. 在建筑制图中,用于表示建筑物的外部装饰和细节的图是:A. 总平面图B. 立面图C. 平面图D. 详图答案:B二、多项选择题(每题3分,共30分)1. 建筑制图中常见的图纸类型包括:A. 总平面图B. 平面图C. 立面图D. 剖面图E. 详图答案:ABCDE2. 建筑制图中,比例尺的作用包括:A. 表示图纸与实际尺寸的比例B. 表示图纸与实际尺寸的绝对关系C. 表示图纸与实际尺寸的相对关系D. 表示图纸与实际尺寸的无关系答案:AC3. 建筑制图中,轴线的作用包括:A. 表示建筑物的对称性B. 表示建筑物的中心线C. 表示建筑物的边缘线D. 表示建筑物的边界线答案:AB4. 在建筑制图中,尺寸标注的原则包括:A. 随意标注B. 清晰、准确C. 模糊、随意D. 简洁、模糊答案:B5. 建筑制图中,表示建筑物高度的图包括:A. 总平面图B. 立面图C. 平面图D. 剖面图答案:B6. 建筑制图中,用于表示建筑物内部空间划分的图包括:A. 总平面图B. 平面图C. 立面图D. 详图答案:B7. 在建筑制图中,材料表的作用包括:A. 表示建筑物的尺寸B. 表示建筑物的材料C. 表示建筑物的结构D. 表示建筑物的布局答案:B8. 建筑制图中,表示建筑物的垂直剖面的图包括:A. 总平面图B. 立面图C. 平面图D. 剖面图答案:D9. 在建筑制图中,用于表示建筑物的外部装饰和细节的图包括:A. 总平面图B. 立面图C. 平面图D. 详图。
《建筑制图》复习题一、填空题1、工程建设制图中的主要可见轮廓线应选用粗实线2、图样上的尺寸包括尺寸界线、尺寸线、_尺寸起止符号、尺寸数字3、标高有相对标高和绝对标高,相对标高的零点是青岛附近黄海海平面4、房屋施工图由于专业分工的不同,分为建筑施工图、结构施工图和设备施工图5、指北针圆的直径宜为 24mm ,用细实线绘制。
6、在建筑平面图中,横行定位轴线应用阿拉伯数字从左至右依次编写;竖向定位轴线应用大写拉丁字母从下至上顺序编写。
7、工程制图图幅幅面主要有 5 种。
8、根据不同的剖切方式,剖面图有全剖面图、阶梯剖面图、展开剖面图、局部剖面图和分层剖面图。
9、为保护钢筋、防蚀防火,并加强钢筋与混凝土的粘结力,钢筋至构件表面应有一定厚度的混凝土,这层混凝土称为__混凝土保护层__。
10、民用建筑一般由基础、___墙和柱____、楼板层和地坪层、___楼梯__、屋顶、门窗等六大部分组成。
11、混凝土是由__水泥、沙子、石子和水按一定例配合,经搅拌、捣实、养护而成的一种人造石。
12、图纸幅面的基本尺寸规定有五种,其代号分别为A0,A1.A2,A3,A4,13、组合体的组合方式有:叠加式、切割式、混合式。
14、轴测投影图按投影方向的不同分为正轴测投影和斜轴测投影,按轴向伸缩系数不同分为等测投影、二测轴投影、三测轴投影。
15、投影面的平行面,平行于H面称为水平面,平行于V面称为正平面,平行于W面称为侧平面。
16、一般可见轮廓线用实线线型来画,不可见轮廓线用虚线来画,中心线、对称线、定位轴线用点划线来画,不需画全的断开界线用折断线来画。
二、单选题1、在建筑平面图中,位于2和3轴线之间的第一根分轴线的正确表达为( A )。
(A) (B) (C) (D)2.建筑的耐火等级可分为( B )级。
A 、3B 、4C 、5D 、63、填充不得穿越尺寸数字,不可避免时。
应该是( A )A 、图线断开B 、二者重合C 、省略标注D 、前述均可 4、7-9层的住宅属于( C )A 、低层B 、多层C 、中高层D 、高层5、建筑平面图中的中心线、对称一般应用。
建筑工程制图习题集答案一、平面图绘制1. 绘制一个简单的房间平面图,包括墙体、门窗的位置和尺寸。
- 解答:首先确定房间的长和宽,然后在图纸上绘制出墙体的轮廓。
接着,根据设计要求在适当的位置添加门窗,并标注出它们的尺寸。
2. 标注房间平面图中的尺寸。
- 解答:使用尺寸线和尺寸标注,清晰地标注出墙体的长度、门窗的宽度和高度。
二、立面图绘制1. 绘制一个建筑物的立面图,展示建筑物的正面外观。
- 解答:根据建筑物的平面图和高度信息,绘制出建筑物的立面图。
包括墙体、窗户、门、屋顶等元素,并标注出相应的高度和位置。
2. 标注立面图中的尺寸和材料。
- 解答:在立面图上使用尺寸线标注出各部分的高度、宽度等尺寸,同时注明所使用的材料类型。
三、剖面图绘制1. 绘制建筑物的剖面图,展示内部结构和层次。
- 解答:选择建筑物的某个剖面位置,绘制出剖面图。
展示墙体、楼板、屋顶等内部结构的相互关系,以及它们之间的垂直和水平关系。
2. 标注剖面图中的尺寸和层次。
- 解答:在剖面图上使用尺寸线和文字标注出各层结构的厚度和高度,确保剖面图的准确性和可读性。
四、细节图绘制1. 绘制楼梯的细节图。
- 解答:展示楼梯的平面图和剖面图,包括踏步的尺寸、坡度、扶手的样式等。
2. 绘制门窗的细节图。
- 解答:展示门窗的平面图、立面图和剖面图,包括门窗的开启方式、尺寸、材料等细节。
五、图纸的标注和说明1. 对图纸中的每个元素进行清晰的标注。
- 解答:使用标准的制图符号和文字,对图纸中的墙体、门窗、楼板等元素进行标注,确保图纸信息的完整性。
2. 提供图纸的详细说明。
- 解答:在图纸旁边或下方提供文字说明,解释图纸中的特定设计意图、施工要求或材料选择。
请注意,以上答案仅为示例,具体的习题集答案应根据实际的习题内容进行编写。
在实际应用中,每个习题的答案都应详细、准确,并且符合制图规范。
一、填空题1、首层地面的设计标高一般为±0.000;墙身水平防潮层的标高一般为-0.0602、基础按照构造形式可分为桩基础、独立基础、箱型基础、条形基础、梁板式筏形基础。
3、基础的形式一般取决于上部承重构件的形式,如墙下的基础做成条形基础;柱下的基础做成_独立__基础。
4、门窗过梁的做法常用的有砖拱过梁、钢筋混凝土过梁和钢筋砖过梁。
5、屋顶排水方式可分为有组织排水和无组织排水两类。
6、按照建筑的耐火性能,根据我国现行规范规定,建筑物的耐火等级分为四级,耐火等级标准依据建筑物主要构件的燃烧性能和耐火极限两个因素确定。
随着级数数值的增加防火性能越低。
7、墙身水平防潮层做法有防水卷材、细石砂浆和细石混凝土防潮层。
8、当设计最高地下水位高于地下室地坪时,地下室的外墙和地坪都浸泡在水中,此时地下室应做防水处理。
9、底层楼梯间平台下方设通道或出入口时,为增加净高,可将双跑梯设计为长短跑楼梯、直跑楼梯、局部降低地坪、底层长短跑并局部降低地坪_。
10、建筑的耐久年限分4种,一级建筑的耐久年限为100年以上,二级建筑的耐久年限为50-100年。
我校教学楼的耐久等级为2级。
11、墙体的承重方案分为:横墙承重、纵墙承重、墙和柱承重和纵墙混合承重。
从墙体承重方案分析得知:横墙承重整体性好,刚度大,有利于抵抗水平荷载,纵墙开窗洞口限制较少。
纵墙承重,适宜于在使用上有较大空间的建筑。
12、刚性屋面防水方案其适应变形的关键构造方法是_隔离层__、配钢筋网、设分仓缝。
13、刚性防水屋面施工方便,造价经济,其缺点是对温度_和_结构较为敏感,要采取防止产生裂缝的构造措施。
14、当墙身两侧室内地面标高有高差时,为避免墙身受潮,常在室内地面处设_水平防潮层并在靠土的垂直墙面设_垂直防潮层_。
_15、平屋面坡度的形成方式有两种,即材料找坡、结构找坡;16、每个梯段的踏步级数一般不应小于3级,亦不应大于18级;17、门窗框的安装方法有_立口___和__塞口_两种。
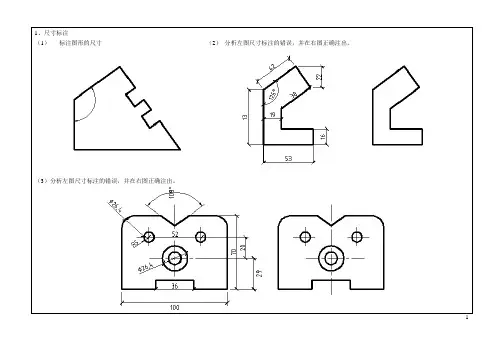
1、尺寸标注(1)标注图形的尺寸(2)分析左图尺寸标注的错误,并在右图正确注出。
(3)分析左图尺寸标注的错误,并在右图正确注出。
122-1、求各点的第三投影,并填上各点到投影面的距离。
2-4 已知E (22,30,20),F 点在E 点之左10mm ,之下10mm ,之后 10mm ;G 点在E 点的正右方12mm ,作出点E 、F 、G 的三面投影。
A 点距V 面( )、距H 面( )、距W 面( )B 点距V 面( )、距H 面( )、距W 面( )C 点距V 面( )、距H 面( )、距W 面( )D 点距V 面( )、距H 面( )、距W 面( )E 点距V 面( )、距H 面( )、距W 面( )F 点距V 面( )、距H 面( )、距W 面( ) 2-3、比较A 、B 、C 三点的相对位置。
(上、下)A 点在B 点 (左、右)(前、后)(上、下)B 点在C 点 (左、右)(前、后)(上、下)C 点在A 点 (左、右)(前、后)32-5 在立体的投影图上,标出直线的三个投影,并说明其对投影面的相对位置(参照立体图)。
(1) (2)2-6判断下列直线的位置。
AB 是_________线;BK 是_________线;AC 是_________线。
DE 是_________线;DF 是_________线; GH 是_________线。
AB是,CD是,EF是,MN是。
2-7判别AB和CD两直线的相对位置(平行、相交、交叉)。
2-8 完成平面五边形ABCDE的投影。
2-9 完成正方形ABCD的两面投影。
452-10 如图中平面A 所示,在投影图中标出各平面的三个投影, 2-11 补画各平面图形的第三面投影,并填写它们是何种位置平面。
并写出属何种位置平面。
_________面 __________面A 是_________面;B 是_________面;C 是_________面;D 是_________面。
1、尺寸标注(1)标注图形的尺寸(2)分析左图尺寸标注的错误,并在右图正确注出。
(3)分析左图尺寸标注的错误,并在右图正确注出。
1 / 792 / 792-1、求各点的第三投影,并填上各点到投影面的距离。
2-4 已知E (22,30,20),F 点在E 点之左10mm ,之下10mm ,之后 10mm ;G 点在E 点的正右方12mm ,作出点E 、F 、G 的三面投影。
A 点距V 面( )、距H 面( )、距W 面( )B 点距V 面( )、距H 面( )、距W 面( )C 点距V 面( )、距H 面( )、距W 面( )D 点距V 面( )、距H 面( )、距W 面( )E 点距V 面( )、距H 面( )、距W 面( )F 点距V 面( )、距H 面( )、距W 面( )2-3、比较A 、B 、C 三点的相对位置。
(上、下)A 点在B 点 (左、右)(前、后)(上、下)B 点在C 点 (左、右)(前、后)(上、下)C 点在A 点 (左、右)(前、后)3 / 792-5 在立体的投影图上,标出直线的三个投影,并说明其对投影面的相对位置(参照立体图)。
(1) (2)2-6判断下列直线的位置。
AB 是_________线;BK 是_________线;AC 是_________线。
DE 是_________线;DF 是_________线; GH 是_________线。
AB是,CD是,EF是,MN是。
2-7判别AB和CD两直线的相对位置(平行、相交、交叉)。
2-8 完成平面五边形ABCDE的投影。
2-9 完成正方形ABCD的两面投影。
4 / 795 / 792-10 如图中平面A 所示,在投影图中标出各平面的三个投影, 2-11 补画各平面图形的第三面投影,并填写它们是何种位置平面。
并写出属何种位置平面。
_________面 __________面A 是_________面;B 是_________面;C 是_________面;D 是_________面。
Label1《建筑制图与识图》复习题一、填空题1、详图编号为2,详图引用标准图册,所引用的标准图册编号为J103,所在图纸编号为3,则索引符号表示为。
2、剖切位置符号长度为6-10 mm,剖切投射方向符号长度为4-6 mm。
3、房屋施工图由于专业分工的不同,分为建筑施工图、结构施工图、设备施工图。
4、在建筑施工平面图中,横向定位轴线应用于建筑物开间,轴线编号用大写阿拉伯数字从左到右依次编写;纵向定位轴线应用于建筑物进深,轴线编号用大写英文字母从下至上顺序Label2编写。
5、房屋结构施工图一般包括平面图、结构施工图、基础图。
6、国标规定建筑平面图中剖到的墙柱断面轮廓用粗实线;看到的构配件用细实线;被挡住的构配件轮廓用虚线。
7、写出下列常用构件的代号名称:M 门、C窗、MC 门连窗、J基础、Z 柱、GL过梁。
8、在物体三个投影图之间存在的关系:长对正、宽相等、高齐平。
9、二级钢和三级钢符号分别为和。
10、在平面布置图上表示各构件尺寸和配筋的方式,分平面注写、列表注写、截面注写方式共三种。
一、填空题11、E号轴线之后附加的第212、指北针所绘圆的直径为24mm,指北针尾部宽度为3mm。
13、房屋施工图由于专业分工的不同,分为建筑施工图、结构施工图、设备施工图方式共三种。
14、一套建筑施工图一般包括建筑总平面图、平面图、立面图,剖面图、详图。
15、建筑平面图中外部的三道尺寸,由外向内依次是总尺寸、轴线尺寸、细部尺寸16、房屋结构施工图的图样一般包括结构平面图和构件详图两种。
17、写出下列常用结构构件的代号名称:B板、L 梁、QL 圈梁、J基础、Z 柱、GL 过梁。
、18、在结构施工图上:4根直径为22的二级钢加密区间距为100,非加密区间距为200,直径为10的一级钢。
19、钢筋混凝土构件中的钢筋按其作用分为受力筋、架立筋、分布筋、箍筋。
20、柱的平法施工图系在柱平面布置图上采用列表注写或截面注写方式表达。
建筑制图习题答案建筑制图是建筑设计和施工过程中不可或缺的一部分,它详细地展示了建筑物的尺寸、结构、材料和细节。
以下是一些建筑制图习题的答案示例:# 建筑制图习题答案一、平面图绘制要点1. 比例选择:根据建筑物的大小和复杂程度选择合适的比例尺。
2. 墙体表示:墙体用粗实线表示,墙体厚度通过线宽区分。
3. 门窗位置:门窗位置应准确标出,并用细实线表示。
4. 尺寸标注:所有尺寸应清晰标注,包括房间尺寸、门窗尺寸等。
二、立面图绘制要点1. 视点选择:根据建筑物的立面特点选择合适的视点进行绘制。
2. 高度标注:立面图上应标注建筑物的总高度和各层高度。
3. 材料区分:不同材料的墙面应通过不同的线型或填充图案区分。
4. 细节展示:如窗框、门框、雨棚等细节应详细绘制。
三、剖面图绘制要点1. 剖面位置:选择能展示建筑物内部结构和空间关系的剖面位置。
2. 结构展示:展示建筑物的梁、柱、楼板等结构元素。
3. 层次清晰:不同层次的结构和材料应通过不同的线型或填充图案区分。
4. 尺寸标注:剖面图中的尺寸应与平面图和立面图保持一致。
四、详图绘制要点1. 细节放大:对建筑物的细部,如楼梯、门窗框、屋顶结构等进行放大绘制。
2. 材料标注:详图中应明确标注所使用的材料类型。
3. 连接方式:展示构件之间的连接方式,如焊接、螺栓连接等。
4. 尺寸和角度:详图中的尺寸和角度应准确无误。
五、建筑制图常见错误及修正方法1. 比例错误:检查并修正所有比例尺的使用,确保一致性。
2. 尺寸不一致:核对平面图、立面图和剖面图中的尺寸,确保一致。
3. 遗漏细节:检查是否有遗漏的结构或建筑元素,并补充完整。
4. 标注不清:确保所有标注清晰可读,避免混淆。
请注意,以上内容仅为建筑制图习题答案的示例,实际习题答案应根据具体的习题要求和设计细节进行编写。
建筑制图复习题及答案一、填空题1. 建筑制图中,表示建筑物的平面、立面和剖面图的三个基本视图分别是______、______和______。
2. 建筑平面图中,墙体的厚度一般用______线表示。
3. 建筑剖面图中,剖切面与建筑物的交线用______线表示。
4. 在建筑制图中,比例尺是用来表示图纸上的距离与实际距离之间的______关系。
5. 建筑立面图中,外墙面的装饰材料通常用______线表示。
答案:1. 平面图、立面图、剖面图2. 粗实线3. 细实线4. 比例5. 细虚线二、选择题1. 建筑制图中,以下哪个符号表示门?A. ∥B. ⊥C. ∩D. ∪答案:D2. 建筑平面图中,以下哪个符号表示窗户?A. ∥B. ⊥C. ∩D. ∪答案:C3. 在建筑制图中,比例尺1:50表示图纸上1单位长度代表实际长度的:A. 50倍B. 50单位C. 1/50单位D. 50单位答案:B4. 建筑剖面图中,以下哪个符号表示楼梯?A. ∥B. ⊥C. ∩D. ∪答案:B5. 建筑立面图中,以下哪个符号表示屋顶?A. ∥B. ⊥C. ∩D. ∪答案:A三、简答题1. 简述建筑平面图的主要作用。
答案:建筑平面图主要用来表示建筑物的平面布局,包括房间的划分、门窗的位置、墙体的布置等,是施工和设计中的重要参考资料。
2. 建筑剖面图与立面图的主要区别是什么?答案:建筑剖面图是通过建筑物的某一剖切面来展示其内部结构和空间关系,而立面图则是展示建筑物的外部形状和外观特征。
3. 在建筑制图中,比例尺的作用是什么?答案:比例尺在建筑制图中用于表示图纸上的距离与实际距离之间的比例关系,确保图纸的准确性和可读性。
4. 建筑立面图中,如何表示不同的建筑材料?答案:在建筑立面图中,不同的建筑材料通常通过不同的线条样式来表示,如细虚线表示玻璃,细实线表示砖石等。
5. 建筑制图中,尺寸标注的作用是什么?答案:建筑制图中的尺寸标注用于提供建筑物各部分的具体尺寸信息,确保施工时的精确性和一致性。
建筑制图与识图习题1. 尺寸标注的四要素是什么?2.建筑施工图包括哪些内容?3. 什么是绝对标高、相对标高、建筑红线?4. 总平面图包括哪些内容?5.何为建筑详图?建筑详图有哪几种常用图样?6.结构施工图包括哪些内容?7.什么是基础平面图?8.楼层结构平面图的内容有哪些?9.什么是标准图?10.剖面图和断面图的主要区别是什么?11.建筑剖面图的剖切位置如何选择?12.建筑平面图是如何形成的?。
13.在钢筋混凝土结构中,钢筋和混凝土的作用分别是什么?钢筋按作用分哪几种形式?14.建筑施工图主要表达内容是什么?基本图样有哪些?15.指北针的规定画法和用途?16.梁平法施工中,平面注写“Φ10-100/200(4)”表示什么含义1. 尺寸标注的四要素是什么?尺寸界线、尺寸线、尺寸起止符号、尺寸数字2.建筑施工图包括哪些内容?设计说明,图纸目录,总平面图,平面图,立面图,剖面图,节点及大样图3. 什么是绝对标高、相对标高、建筑红线?绝对标高:是以一个国家或地区统一规定的基准面作为零点的标高,我国规定以青岛附近黄海的平均海平面作为标高的零点;所计算的标高称为绝对标高。
相对标高:以建筑物室内首层主要地面高度为零作为标高的起点,所计算的标高称为相对标高。
建筑红线:建筑物的控制边线,建筑物必须在红线内搭建,包括阳台,室外楼梯等都不得超过建筑红线。
4. 总平面图包括哪些内容? 项目总体布置、建筑红线、建筑坐标、各栋编号及层数、各栋号及道路标高、规划设计的建筑面积、建筑密度、绿化率、容积率、建筑高度等各种指标,风玫瑰标示、图例等。
5.何为建筑详图?建筑详图有哪几种常用图样?为了满足施工要求对建筑的细部构造用较大的比例详细地表达出来,这种图叫做建筑详图。
分类:1局部构造详图(如楼梯详图,墙身详图等),2构件详图(如门窗详图,阳台详图等)和3装饰构造详图(如墙裙构造详图,门窗套装饰构造详图等)三类。
6.结构施工图包括哪些内容? 1,结构设计说明2结构平面布置图3结构构件详图7.什么是基础平面图? 假想用一个水平剖切平面沿建筑低层地面下一点剖切建筑,将剖切平面上面的部分去掉,并移去回填土所得到的水平投影图,称为基础平面图。
建筑制图试题及答案一、单项选择题(每题2分,共20分)1. 在建筑制图中,表示建筑物平面形状和平面位置的图称为()。
A. 平面图B. 立面图C. 剖面图D. 详图答案:A2. 建筑制图中,用于表示建筑物内部结构和构造细节的图称为()。
A. 平面图B. 立面图C. 剖面图D. 详图答案:D3. 在建筑制图中,比例尺是用来表示图上距离与实际距离之间的()。
A. 比例关系B. 面积关系C. 体积关系D. 长度关系答案:A4. 建筑制图中,用于表示建筑物高度和宽度的图称为()。
A. 平面图B. 立面图C. 剖面图D. 详图答案:B5. 在建筑制图中,用于表示建筑物内部结构和构造的垂直剖切面图称为()。
B. 立面图C. 剖面图D. 详图答案:C6. 建筑制图中,表示建筑物内部结构和构造的水平剖切面图称为()。
A. 平面图B. 立面图C. 剖面图D. 详图答案:D7. 在建筑制图中,用于表示建筑物内部空间和结构的图称为()。
A. 平面图B. 立面图D. 详图答案:C8. 建筑制图中,用于表示建筑物外部形状和结构的图称为()。
A. 平面图B. 立面图C. 剖面图D. 详图答案:B9. 在建筑制图中,用于表示建筑物内部结构和构造的局部放大图称为()。
A. 平面图B. 立面图C. 剖面图D. 详图答案:D10. 建筑制图中,用于表示建筑物内部结构和构造的图称为()。
A. 平面图B. 立面图C. 剖面图D. 详图答案:D二、多项选择题(每题3分,共15分)1. 建筑制图中,下列哪些图可以表示建筑物的内部结构和构造()。
A. 平面图B. 立面图C. 剖面图D. 详图答案:C, D2. 建筑制图中,下列哪些图可以表示建筑物的外部形状和结构()。
A. 平面图B. 立面图C. 剖面图D. 详图答案:B, D3. 建筑制图中,下列哪些图可以表示建筑物的平面形状和平面位置()。
A. 平面图B. 立面图C. 剖面图D. 详图答案:A4. 建筑制图中,下列哪些图可以表示建筑物的高度和宽度()。
《建筑制图》课程习题集一、作图题11.求R面与六棱锥各侧面的交线求球被R面截断后的投影及断面实形3.补全圆锥被R面截断后的V投影4.补全被截切后圆锥的三面投影。
5.补全相贯体的H面投影。
6.作半球与四棱柱的相贯线,并补全贯体的V面投影和W面投影。
7.补全两相贯圆柱体的V面投影。
8.补全两相贯圆柱体的V面投影。
9.补全图中的V面投影。
二、作图题310.作正垂面Q垂直于正平线CD11. 求作水平线MN 与交叉三直线AB 、CD 、EF 相交。
b a e ba'''''12. 已知等腰三角形ABC 的顶点C 在直线EF 上,AB 为正平线,求此三角形的两面投影。
13.已知点K到三角形的距离为30,求K点到H面的投影k。
14.过点B作矩形ABCD,短边AB=25且垂直于V面,长边BC=40,α=30°,求作矩形ABCD 的V、H投影15.补出第三面视图,在投影图上注全各指表面的名称并填出平面对投影面的相对位置。
16.补出第三面视图,在投影图上注全各指表面的名称并填出平面对投影面的相对位置。
17.已知五边形平面上的V投影和部分H投影,试补全其H投影。
18.已知条件如图1。
(1)投影图上注明各指定表面(Q,R,S,M,N)的名称,如P面名称,V 面用p’标出,H面用p标出;(2)填空。
,19.已知条件如图1。
(1)在投影图上注明各指定表面(P、Q、R、M)的名称,如F面名称,V面用f’标出,H面用f标出;(2)填空。
P面平行于( )投影面Q面垂直于( )投影面R面平行于( )投影面AB是( )面和( )面的交线三、填空题20.判断线面位置关系判断下列各题中直线与平面相对位置(平行、相交垂直、相交不垂直),并填写在括号里。
21.判断下列各题中平面与平面相对位置(平行、相交垂直、相交不垂直),并填写在括号里。
22.判断下列各题中平面与平面、直线与平面的相对位置(平行、相交垂直、相交不垂直),并填写在括号里。
《建筑制图》课程习题集一、作图题11.求R面与六棱锥各侧面的交线求球被R面截断后的投影及断面实形3.补全圆锥被R面截断后的V投影4.补全被截切后圆锥的三面投影。
5.补全相贯体的H面投影。
6.作半球与四棱柱的相贯线,并补全贯体的V面投影和W面投影。
7.补全两相贯圆柱体的V面投影。
8.补全两相贯圆柱体的V面投影。
9.补全图中的V面投影。
二、作图题310.作正垂面Q垂直于正平线CD11. 求作水平线MN 与交叉三直线AB 、CD 、EF 相交。
b a e ba'''''12. 已知等腰三角形ABC 的顶点C 在直线EF 上,AB 为正平线,求此三角形的两面投影。
13.已知点K到三角形的距离为30,求K点到H面的投影k。
14.过点B作矩形ABCD,短边AB=25且垂直于V面,长边BC=40,α=30°,求作矩形ABCD 的V、H投影15.补出第三面视图,在投影图上注全各指表面的名称并填出平面对投影面的相对位置。
16.补出第三面视图,在投影图上注全各指表面的名称并填出平面对投影面的相对位置。
17.已知五边形平面上的V投影和部分H投影,试补全其H投影。
18.已知条件如图1。
(1)投影图上注明各指定表面(Q,R,S,M,N)的名称,如P面名称,V 面用p’标出,H面用p标出;(2)填空。
,19.已知条件如图1。
(1)在投影图上注明各指定表面(P、Q、R、M)的名称,如F面名称,V面用f’标出,H面用f标出;(2)填空。
P面平行于( )投影面Q面垂直于( )投影面R面平行于( )投影面AB是( )面和( )面的交线三、填空题20.判断线面位置关系判断下列各题中直线与平面相对位置(平行、相交垂直、相交不垂直),并填写在括号里。
21.判断下列各题中平面与平面相对位置(平行、相交垂直、相交不垂直),并填写在括号里。
22.判断下列各题中平面与平面、直线与平面的相对位置(平行、相交垂直、相交不垂直),并填写在括号里。
1、尺寸标注
(1)标注图形的尺寸(2)分析左图尺寸标注的错误,并在右图正确注出。
(3)分析左图尺寸标注的错误,并在右图正确注出。
1
2
2-1、求各点的第三投影,并填上各点到投影面的距离。
2-4 已知E (22,30,20),F 点在E 点之左10mm ,之下10mm ,之后 10mm ;G 点在E 点的正右方12mm ,作出点E 、F 、G 的三面投影。
A 点距V 面( )、距H 面( )、距W 面( )
B 点距V 面( )、距H 面( )、距W 面( )
C 点距V 面( )、距H 面( )、距W 面( )
D 点距V 面( )、距H 面( )、距W 面( )
E 点距V 面( )、距H 面( )、距W 面( )
F 点距V 面( )、距H 面( )、距W 面( ) 2-3、比较A 、B 、C 三点的相对位置。
(上、下)
A 点在
B 点 (左、右)
(前、后)
(上、下)
B 点在
C 点 (左、右)
(前、后)
(上、下)
C 点在A 点 (左、右)
(前、后)
3
2-5 在立体的投影图上,标出直线的三个投影,并说明其对投影面的相对位置(参照立体图)。
(1) (2)
2-6判断下列直线的位置。
AB 是_________线;
BK 是_________线;
AC 是_________
线。
DE 是_________线;
DF 是_________线; GH 是_________线。
AB是,CD是,EF是,MN是。
2-7判别AB和CD两直线的相对位置(平行、相交、交叉)。
2-8 完成平面五边形ABCDE的投影。
2-9 完成正方形ABCD的两面投影。
4
5
2-10 如图中平面A 所示,在投影图中标出各平面的三个投影, 2-11 补画各平面图形的第三面投影,并填写它们是何种位置平面。
并写出属何种位置平面。
_________面 __________面
A 是_________面;
B 是_________面;
C 是_________面;
D 是_________面。
2-12 判别图中所指的表面是曲面或平面,如果为平面,指出它属于哪一类平面。
(1) (2) (3)
(4) (5) (6)
A 面是 。
B 面是 。
C 面是 。
A 面是 。
B 面是 。
C 面是 。
A 面是 。
B 面是 。
C 面是 。
A 面是 。
B 面是 。
C 面是 。
A 面是 。
B 面是 。
C 面是 。
A 面是 。
B 面是 。
C 面是 。
2-13 补画平面的第三投影。
2-14 已知矩形PQRS上的一个五边形ABCDE的V面投影,作出它的H面的投影。
2-15 AN和AM分别是△ABC上的正平线和水平线,试完成△ABC的水平投影。
2-16求直线与平面的交点K,并判断(1)(2)(3)的可见性。
(1)(2)
7
(1)(2)(3)
(4)(5)(6)
8
(1)(2)(3)
(4)(5)(6)
9
3-3、正六棱柱被正垂面P截断,补全截断体的H面投影,作出
3-18、完成平面体被平面截切后的水平投影并作出侧面投影。
截断体的W面投影及断面的真形。
3-4、已知带缺口四棱锥的V、W面投影,求它们的H面投影。
3-5、求歇山屋面的水平投影。
10
3-6.求房屋的表面交线。
并完成其V面投影和H面投影。
3-7.作屋面交线的H面投影,并补全这个房屋模型的H面投影。
3-8、求作烟囱与圆拱屋面的交线。
3-9、求作两圆柱筒的表面交线
11
(1) (2) (3) (4)
(1) (2)
3 4
5 6
14
68
15
4-2根据组合体的两投影画出第三投影。
1 2、
3、
16
4-3根据组合体的两投影画出第三投影,并徒手画出其轴测图。
1、2、
17
5-1. 已知房屋的正立面图和左侧立面图,补画右侧立面图、背立面图、屋顶平面图。
正立面图1:100 左侧立面图1:100
18
5-2 补全剖面图中所缺的线。
1 5-5-1、作1-1剖面图。
5-3 补绘W投影,并将V、W投影改作合适的剖面。
材料混凝土。
5-4、作组合体的1-1剖视。
19
5-5、作建筑形体的2-2、3-3剖面。
5-6、作建筑形体的2-2、3-3剖面。
5-7.将正立面图改为1—1剖面。
画在图形的右边。
材料钢筋混凝土。
20
5-8、根据给出的视图,作出2-2剖面图。
21
5-9、画出1-1断面图、2-2剖面图。
5-10.作檩条的1-1、2-2断面图。
(材料:木材)。
5-11.已知空腹鱼腹式吊车梁的正立面图和1-1、2-2断面图,请画出3-3、4-4、5-5、6-6的断面图。
22
23
5、尺寸标注
(1)标注图形的尺寸(2)分析左图尺寸标注的错误,并在右图正确注出。
(3)分析左图尺寸标注的错误,并在右图正确注出。
24
25
A点距V面(5 )、距H面(6)、距W面(8 )
B点距V面( 4 )、距H面( 3 )、距W面( 2 )C点距V面( 2 )、距H面( 2 )、距W面(2)D点距V面(0)、距H面( 3 )、距W面( 6 )E点距V面( 2 )、距H面(0 )、距W面( 3 )F点距V面(6 )、距H面(5 )、距W面(0 )2-3、比较A、B、C三点的相对位置。
(下)mm
B点在A点(左)mm
(前)mm
(上)mm
B点在C点(左)mm
(后)mm
(下)mm
C点在A点(右)mm
(前)mm
26
27
2-4 已知E(22,30,20),F点在E点之左10mm,
之下10mm,之后10mm;G点在E点的正右方12mm,
作出点E 、F 、G的三面投影。
28
29
30
15
第二章点、直线、平面的投影————直线的投影班级学号姓名
31
2-23判别AB和CD两直线的相对位置(平行、相交、交叉)。
32
22
33
第二章点、直线、平面的投影———两直线的相对位置班级学号姓名
34
36
26
2-44 判别图中所指的表面是曲面或平面,如果为平面,指出它属于哪一类平面。
(1)
(2)
(3)
A 面是 正垂面 。
B 面是水平面 。
C 面是 侧平面 。
A 面是 水平面 。
B 面是 圆柱面 。
C 面是 正平面 。
A 面是侧平面 。
B 面是 正平面 。
C 面是 水平面 。
37
(4)
(5)
(6)
27
第二章 点、直线、平面的投影——平面的投影 班级 学号 姓名
A 面是 圆柱面 。
B 面是 水平面 。
C 面是 铅垂面 。
A 面是 正平面 。
B 面是 侧垂面 。
C 面是 水平面 。
A 面是 侧垂面 。
B 面是 水平面 。
C 面是 水平面 。
38
39
第三章基本形体——补绘基本形体的第三投影班级学号姓名
41
45
第三章基本形体——补绘基本形体的第三投影班级学号姓名
42
43
46
第三章平面体的截交线班级学号姓名
44
45
49
第三章平面体的截交线班级学号姓名
46
47
48
49
50。