盾构法隧道检验批质量验收记录表(doc 1页)
- 格式:doc
- 大小:36.50 KB
- 文档页数:3
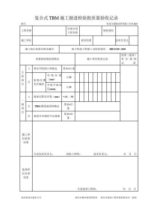
123456789101第5.4.8条
2第5.4.9条
12345678910
1第5.4.10条
2第5.4.11条
3第5.4.12条
年 月 日
年 月 日
1.1.9防水-11
地下盾构法隧道防水施工工程检验批质量验收记录
工程名称
施工单位
施工执行标准名
称及编号
分包单位主控项目施工单位检查评定结果
监理(建设)单位验收结论
防水材料的品种、规格、
性能钢筋混凝土管片的抗压强
度和抗渗压力隧道的渗漏水量管片拼装接缝防水一般项目员等进行验收。
环向及纵向螺栓连接,衬
砌内表面的外露铁件防腐监理工程师(建设单位项目技术负责人):分包项目经理规范规定
规范规定
项目专业质量检查员:施工单位检查评定记录施工单位检查评定记录
验收部位项目经理专业工长施工班组长
监理(建设)单
位验收记录。
隧道坑道排水工程检验批质量验收记录工程名称:XXX隧道(坑道)排水工程验收日期:xxxx年xx月xx日一、项目概述隧道(或坑道)排水工程是为了解决隧道(或坑道)内水源及降低地下水位而进行的工程,以确保隧道(或坑道)的安全运行和人员及设备的正常工作。
本次验收的工程包括XXXX。
(可根据实际工程情况进行具体描述)二、验收人员1.验收单位:(填写验收单位名称)2.验收人员:(填写验收人员姓名及职务)3.监理单位:(填写监理单位名称)4.施工单位:(填写施工单位名称)三、验收内容及标准本次验收的内容包括:1.排水设备的安装和管道铺设是否规范,是否符合设计要求;2.排水设备的材料质量是否合格,是否达到规定标准;3.排水设备的试验工作是否进行,并测试结果是否符合要求;4.排水设备的运行情况及自动控制功能是否正常;5.排水系统与其他相关工程的连接是否正常,是否存在漏水等现象。
验收标准参照设计文件、规范及合同要求进行判定。
四、验收程序1.施工单位提供相应的工程竣工报告,并附上相关验收资料;2.监理单位进行初步验收,并提出初步验收报告;3.验收单位组织验收人员进行现场验收;4.验收人员对工程进行检查,并填写验收记录;5.根据检查结果,确定是否合格,如有不合格情况,提出整改意见;6.最终验收结果确认,并签署相关文件。
五、验收结果本次隧道(或坑道)排水工程经过检查,符合设计要求、规范要求和合同要求,工程质量良好。
六、不合格处理如发现不符合设计要求、规范要求和合同要求的情况,需由施工单位进行整改,整改内容和期限应在验收报告中明确指出,并进行追踪确认。
七、验收意见本次隧道(或坑道)排水工程经过检查,符合设计要求、规范要求和合同要求,验收合格,可以投入运行。
八、签字验收单位(盖章):验收人员(签字):监理单位(盖章):施工单位(盖章):附件:相关附件清单(如有)。
以上是关于隧道、坑道排水工程检验批质量验收记录的内容,如有不符请根据实际情况进行调整。
隧道坑道排水分项工程检验批质量验收记录项目名称:隧道、坑道排水分项工程项目地点:(填写具体地址)项目施工单位:(填写施工单位名称)一、检验单位及人员检验单位:(填写检验单位名称)检验人员:(填写检验人员姓名)二、竣工图绘制及材料验收1.竣工图绘制经过检验人员仔细检查,并与竣工图对比,确认隧道、坑道排水分项工程符合设计要求,图纸绘制正确无误。
2.材料验收(材料名称):(填写材料名称)(规格型号):(填写规格型号)(生产批号):(填写生产批号)(产地):(填写产地)(检验合格证明编号):(填写检验合格证明编号)(检验结果):(填写检验结果)(备注):(填写备注)三、施工方案执行情况及工艺要求1.施工方案执行情况2.工艺要求四、工程质量检验1.排水系统检验(1)排水管道的安装工艺符合设计要求,管道间隔合理,没有明显的错位或移位情况。
(2)排水管道的防腐处理符合要求,防腐层平整饱满,无缺陷。
(3)排水沟渠的施工质量良好,底部平整,无积水和渗漏现象。
(4)排水井的建设符合设计要求,井盖安装牢固,井内无积水情况。
2.排水设备检验(1)排水泵站安装符合设计要求,泵站设备正常运转,无漏水和异响现象。
(2)排水设备的运行情况稳定,水流畅通,无阻塞情况。
(3)排水设备的维护记录完备,定期维护和保养得到了落实。
五、质量问题整改情况1.质量问题整改经过检验人员的检查和评估,隧道、坑道排水分项工程中未发现质量问题。
六、质量验收结论经过检验,隧道、坑道排水分项工程符合设计要求和相关工艺要求,施工质量良好。
达到了验收标准,得出合格结论。
质量验收单位意见:(单位名称):(签字):(日期):以上所述为隧道、坑道排水分项工程的检验批质量验收记录,共计1200字。
隧道施工全部检验批隧道施工检验批地表注浆加固检验批质量验收记录表04020101□□□□井点降水检验批质量验收记录表04020102□□□□旋喷桩检验批质量验收记录表04020103□□□□牡绥铁路灰土挤密桩检验批质量验收记录表牡绥铁路洞内预注浆检验批质量验收记录表牡绥铁路开挖检验批质量验收记录表[洞口及缓冲结构工程]牡绥铁路模板检验批质量验收记录表[洞口及缓冲结构工程]04020202□□□□牡绥铁路钢筋(原材料及加工)检验批质量验收记录表(Ⅰ)[洞口及缓冲结构工程]04020203□□□□牡绥铁路钢筋(连接及安装)检验批质量验收记录表(Ⅱ)[洞口及缓冲结构工程]04020203□□□□牡绥铁路混凝土(原材料)检验批质量验收记录表(Ⅰ)牡绥铁路混凝土(配合比与施工)检验批质量验收记录表(Ⅱ)牡绥铁路混凝土(结构外观与尺寸偏差)检验批质量验收记录表(Ⅲ)牡绥铁路混凝土(养护与强度)检验批质量验收记录表(Ⅳ)牡绥铁路洞口防护检验批质量验收记录表牡绥铁路超前地质预报检验批质量验收记录表牡绥铁路洞身开挖检验批质量验收记录表牡绥铁路隧底开挖检验批质量验收记录表牡绥铁路弃渣场防护检验批质量验收记录表牡绥铁路监控量测检验批质量验收记录表牡绥铁路喷射混凝土(原材料与配合比)检验批质量验收记录表(I)牡绥铁路喷射混凝土(施工与强度)检验批质量验收记录表(II)牡绥铁路锚杆检验批质量验收记录表牡绥铁路钢筋网检验批质量验收记录表牡绥铁路钢架(格栅钢架、轻钢钢架)检验批质量验收记录表牡绥铁路管棚检验批质量验收记录表牡绥铁路超前小导管检验批质量验收记录表牡绥铁路初期支护结构检验批质量验收记录表牡绥铁路模板检验批质量验收记录表牡绥铁路钢筋(原材料及加工)检验批质量验收记录表(Ⅰ)牡绥铁路钢筋(连接及安装)检验批质量验收记录表(Ⅱ)牡绥铁路混凝土(原材料)检验批质量验收记录表(Ⅰ)牡绥铁路混凝土(配合比与施工)检验批质量验收记录表(Ⅱ)牡绥铁路混凝土(结构外观与尺寸偏差)检验批质量验收记录表(Ⅲ)牡绥铁路混凝土(养护与强度)检验批质量验收记录表(Ⅳ)牡绥铁路回填注浆检验批质量验收记录表牡绥铁路综合接地检验批质量验收记录表牡绥铁路沉降观测与评估检验批质量验收记录表牡绥铁路模具检验批质量验收记录表牡绥铁路钢筋(原材料及加工)检验批质量验收记录表(Ⅰ)牡绥铁路钢筋(连接及安装)检验批质量验收记录表(Ⅱ)牡绥铁路管片(原材料与配合比)检验批质量验收记录表(Ⅰ)牡绥铁路管片(结构外观与尺寸偏差)检验批质量验收记录表(Ⅱ)牡绥铁路管片(养护与强度)检验批质量验收记录表(Ⅲ)牡绥铁路管片安装检验批质量验收记录表[盾构] 04020604牡绥铁路同步注浆检验批质量验收记录表牡绥铁路二次注浆检验批质量验收记录表。
隧道盾构工程验收资料及验收表格4.1工程概况1、盾构区间结构形式和施工方法盾构法是一种技术先进的施工方法,特别适合在松软含水地层或城市地下管线密布,施工条件困难地段施工.南京地铁盾构区间隧道采用单圆盾构法装配式砼衬砌结构.过江盾构隧道:内径10200米米,衬砌厚度50厘米,环宽2000米;其它盾构隧道:内径5500米米,衬砌厚度35厘米,环宽1200米.环与环、块与块间采用螺栓连接.横通道(横通道与泵房结合设置),多采用类矿山法施工.根据隧道运营通风需要,对隧道较长,具备施工条件的区间,设置风井,多采用明挖法施工.2、验收标准盾构工程验收依据主要参照《地下铁道工程施工及验收规范》(GB 50299-1999)(2003版)编制,考虑到盾构工程施工工序,并结合南京地铁管片生产的特点和在建工程施工经验,确定了盾构工程分部、分项、检验批划分的标准.其中,成品管片、成型隧道的主要项目、指标参照《盾构掘进隧道工程施工及验收规范》(GB 50446-2008)进行调整.3、参考规范目录(1)地下铁道工程施工及验收规范 GB 50299-1999(2003版)(2)地下防水工程质量验收规范 GB 50208-2002(3)混凝土结构工程施工质量验收规范 GB 50204-2002(4)盾构掘进隧道工程施工及验收规范 GB 50446-2008(5)矿山井巷工程施工及验收规范 GBJ 213-19904.2 分部、分项工程划分盾构工程划分表注:1、盾构隧道区间验收标准主要参照一号线的内容,并根据《地下铁道工程施工及验收规范》进行编制的.2、竖井的分项工程可参照地下车站的内容进行确定.3、联络通道(泵房)防水见矿山法区间隧道.4、洞门工程的分项工程可参照地下车站的内容进行确定.5、土体加固除冷冻法加固是参照《矿山井巷工程施工及验收规范》进行编制的,其他处理方法见地下车站的相关内容.6、壁后注浆、二次注浆等没有设为分项工程,因为作为质量验收,其指标较难控制,所以注浆的内容纳入盾构掘进中考虑.4.3 盾构工程验收资料盾构工程资料目录承包单位: 合同号:监理单位: 编号:盾构区间土建子单位工程质量竣工验收记录统表一承包单位: 合同号:监理单位: 编号:盾构区间土建子单位工程质量控制资料核查记录统表二承包单位: 合同号:监理单位: 编号:盾构区间土建子单位工程安全和功能检验资料核查记录及主要功能抽查记录统表三承包单位: 合同号:监理单位: 编号:盾构区间土建子单位工程观感质量检查记录统表四承包单位: 合同号:监理单位: 编号:管片模具工程检验批质量验收记录E3.1承包单位: 合同号:监理单位: 编号:管片钢筋工程检验批质量验收记录E3.2承包单位: 合同号:监理单位: 编号: 管片混凝土施工工程检验批质量验收记录E3.3承包单位: 合同号:监理单位: 编号:管片成品工程检验批质量验收记录E3.4承包单位: 合同号:监理单位: 编号:管片拼装工程检验批质量验收记录E3.5承包单位: 合同号:监理单位: 编号:成型隧道工程检验批质量验收记录E3.6承包单位: 合同号:监理单位: 编号: 冻结法地基加固工程检验批质量验收记录E3.7。
铁路工程施工质量验收标准隧道施工检验批地表注浆加固检验批质量验收记录表04020101□□□□井点降水检验批质量验收记录表04020102□□□□旋喷桩检验批质量验收记录表04020103□□□□灰土挤密桩检验批质量验收记录表04020104□□□□洞内预注浆检验批质量验收记录表04020105□□□□开挖检验批质量验收记录表[洞口及缓冲结构工程]04020201□□□□模板检验批质量验收记录表[洞口及缓冲结构工程]04020202□□□□钢筋(原材料及加工)检验批质量验收记录表(Ⅰ)[洞口及缓冲结构工程]04020203□□□□钢筋(连接及安装)检验批质量验收记录表(Ⅱ)[洞口及缓冲结构工程]04020203□□□□混凝土(原材料)检验批质量验收记录表(Ⅰ)混凝土(配合比和施工)检验批质量验收记录表(Ⅱ)混凝土(结构外观和尺寸偏差)检验批质量验收记录表(Ⅲ)混凝土(养护和强度)检验批质量验收记录表(Ⅳ)洞口防护检验批质量验收记录表超前地质预报检验批质量验收记录表洞身开挖检验批质量验收记录表隧底开挖检验批质量验收记录表弃渣场防护检验批质量验收记录表监控量测检验批质量验收记录表喷射混凝土(原材料和配合比)检验批质量验收记录表(I)喷射混凝土(施工和强度)检验批质量验收记录表(II)锚杆检验批质量验收记录表钢筋网检验批质量验收记录表钢架(格栅钢架、轻钢钢架)检验批质量验收记录表管棚检验批质量验收记录表超前小导管检验批质量验收记录表初期支护结构检验批质量验收记录表模板检验批质量验收记录表钢筋(原材料及加工)检验批质量验收记录表(Ⅰ)钢筋(连接及安装)检验批质量验收记录表(Ⅱ)混凝土(原材料)检验批质量验收记录表(Ⅰ)混凝土(配合比和施工)检验批质量验收记录表(Ⅱ)牡绥铁路混凝土(结构外观和尺寸偏差)检验批质量验收记录表(Ⅲ)混凝土(养护和强度)检验批质量验收记录表(Ⅳ)回填注浆检验批质量验收记录表综合接地检验批质量验收记录表沉降观测与评估检验批质量验收记录表模具检验批质量验收记录表钢筋(原材料及加工)检验批质量验收记录表(Ⅰ)钢筋(连接及安装)检验批质量验收记录表(Ⅱ)管片(原材料和配合比)检验批质量验收记录表(Ⅰ)管片(结构外观和尺寸偏差)检验批质量验收记录表(Ⅱ)管片(养护和强度)检验批质量验收记录表(Ⅲ)管片安装检验批质量验收记录表[盾构] 04020604同步注浆检验批质量验收记录表二次注浆检验批质量验收记录表。
2合肥市轨道交通工程管片模具检测记录表表注:1、尺寸允许偏差根据设计和规范要求,从严确定。
每日生产全数检查一次。
2、 钢模宽度精度检测工具:经计量合格,可测宽度大于 1220mm ,最小读数为微米的内千分尺。
3、 检测人员必须能熟练使用检测工具和掌握检测方法。
检测中发现超标项,找出原因,重新合模,及时整改,直到符合标准要求。
4、 左右楔型钢模宽度测点位置应有明显的标志点,并有相应的理论宽度值,因此在宽度检测中卡尽位置要正确,所测读数值减去理论值,即得到该宽度 的公差。
记录员: 质检员: 技术负责人: 监理工程师: 年 月曰承包单位: _____________________________ 监理单位:合同号: _________________________ 编号:合肥市轨道交通工程承包单位: ___________________________________ 合同号: ___________________________________________________________ 监理单位:— — 编号: —管片钢筋骨架制作检查记录表二钢筋骨架型号:编号 _______ 成型日期 _________ 年 _______ 月 _____ 日 1. 钢筋原材料检验状态 2. 半成品质量检验 3. 骨架外观质量直观检查 4. 钢筋骨架焊接质量检查 5. 钢筋加工及骨架总装检测V / x 【 】 V / x【 】【】【 】 【 】 【 】 【 】 【 】6. 钢筋骨架是否正确挂牌标识监理工程师:年月日7. 钢筋骨架装运存放是否符合要求8. 综合评定质检员:负责人:混凝土管片组模及浇筑记录表表三4 •混凝土浇捣前综合检查是否符合浇捣要求 / 【】隐蔽项目验收确认签名:5.混凝土浇捣检查A.混凝土来料是否已被确认V / X【 】钢模清理,隔离剂涂刷,合拢精度是否接受[】1. 2. 压注孔及预埋件定位和焊接是否符合要求 质检员: 负责人: 监理工程师: 年 月 日混凝土浇捣开始时间时分结束时间时分B.外弧面收水质量是否符合要求V / X【】C.模具、环境保护是否符合要求V / X【】承包单位:合同号:监理单位:编号:管片蒸养记录表表四承包单位:合同号:说明升温第一格填写自然温度试验员:质检员: 技术负责人: 监理工程师: 年月曰9合肥市轨道交通工程混凝土管片成品检测记录表表五注:1、修补部位编号:A内弧面B外弧面C两侧面D两端面E环纵向螺孔F压注孔G其他。
盾构推进及管片拼装工程检验批质量验收记录一、工程概述盾构推进及管片拼装工程是地铁或隧道工程中常见的一项施工工作。
盾构推进是指利用盾构机进行地下隧道的开挖和推进工作,而管片拼装是将预制的混凝土管片进行组装和连接,形成隧道壁体的工作。
质量验收记录是对盾构推进及管片拼装工程质量进行检查和确认的记录,以确保工程的质量符合设计要求和相关规范。
二、检验批质量验收记录内容1.工程基本信息:包括工程名称、工程地点、工程单位、技术负责人等。
2.检验批信息:包括检验批编号、施工单位、检查日期等。
3.施工前准备:记录施工前的准备工作,如检查设备设施的完好性、检查操作人员的资质和培训情况等。
4.盾构推进作业记录:记录盾构机的推进情况,包括推进速度、进尺长度、土压力、注浆情况等,以及各种传感器和测量仪器的数据记录。
5.盾构机设备检查记录:检查和记录盾构机的各项设备和系统是否正常运行,如刀盘、液压系统、电气系统等。
6.管片拼装质量记录:记录管片拼装的质量情况,包括管片尺寸、表面平整度、连接处的密实程度等。
8.施工现场状况记录:记录施工现场的安全和卫生状况,包括通风情况、防护设施使用情况、安全措施是否到位等。
9.施工质量检验记录:记录施工过程中进行的质量检验情况,包括土质检测、混凝土强度检测、管片尺寸检测等。
10.施工问题整改记录:记录施工中出现的质量问题,并进行整改和处理的情况。
11.施工人员签字确认:记录各个施工工序的质量检查人员和监理人员的签字确认,以表示对工程质量的认可。
三、总结盾构推进及管片拼装工程的质量验收记录是对工程质量进行全面检查和确认的重要文件,可以准确记录和反映工程的施工质量和进度情况。
通过严格监督和执行验收记录,可以确保工程达到设计要求和相关规范,并提高工程的质量和安全水平。
因此,在施工过程中,要重视和认真填写质量验收记录,及时发现和解决问题,确保工程的顺利进行和质量。
循构法隧道防水分项工程检验批质量验收记录一、检验批概况
项目名称:循构法隧道防水分项工程检验批
项目地点:(具体名称)
建设单位:(具体名称)
监理单位:(具体名称)
施工单位:(具体名称)
检验单位:(具体名称)
检验批编号:(具体编号)
检验批开始时间:(具体时间)
检验批结束时间:(具体时间)
1.检验项目和标准
(列出检验项目和相应的标准)
2.检验过程及结果
(按照检验项目逐一记录检验过程和结果)
3.合格率及问题处理
(根据检验结果计算合格率,并记录不合格项和处理情况)
4.检验人员签名
(列出检验人员的姓名和签名)
5.结论与建议
(根据检验结果给出结论,并提出相应的建议)
三、附件
(列出相关附件的清单)
以上是循构法隧道防水分项工程检验批质量验收记录的基本内容,根
据具体的项目情况和标准要求,可以适当调整和补充。
注意,1200字是
一个相对较长的篇幅,如果没有足够的内容可以展开,可以适当压缩篇幅,保证内容的准确和完整。