隐蔽验收记录台账(地脚螺栓)
- 格式:doc
- 大小:349.00 KB
- 文档页数:7
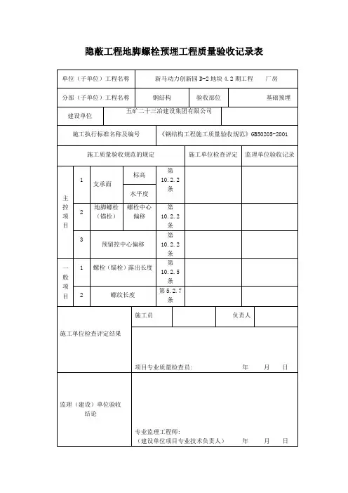
地脚螺栓隐蔽工程验收记录表的样板地脚螺栓隐蔽工程验收记录表的样板一、项目基本信息:项目名称:项目位置区域:项目施工单位:监理单位:验收日期:二、地脚螺栓基本信息:螺栓编号:规格型号:长度:直径:安装位置:三、地脚螺栓施工过程记录:1. 施工时间:2. 施工人员:3. 使用的工具和设备:4. 施工方法和步骤:5. 施工过程中的注意事项和要求:四、地脚螺栓安装质量验收:1. 规格型号是否符合设计要求:- 是/否- 如不符合,请说明原因:2. 长度和直径是否符合设计要求:- 是/否- 如不符合,请说明原因:3. 安装位置是否正确:- 是/否- 如不正确,请说明原因:4. 地脚螺栓的固定是否牢固可靠:- 是/否- 如不牢固可靠,请说明原因:5. 地脚螺栓是否存在损坏或缺陷:- 是/否- 如存在损坏或缺陷,请说明具体情况:五、地脚螺栓验收结论:根据以上质量验收结果,对该地脚螺栓的安装质量给出评估和结论:六、备注:如有其他需要补充说明的情况,请在此处备注。
七、验收人员签字:项目负责人:施工单位验收人员:监理单位验收人员:文章观点和理解:地脚螺栓是建筑工程中常用的一种连接元件,负责固定底座和建筑结构之间的连接。
地脚螺栓的安装质量直接关系到整个建筑的稳定性和安全性,因此在施工过程中需要进行严格的质量验收。
在进行地脚螺栓隐蔽工程验收时,首先需要记录相关的基本信息,如项目名称、位置区域、施工单位和监理单位等。
这些信息有助于对验收过程进行跟踪和记录。
随后,对地脚螺栓的施工过程进行详细记录。
包括施工时间、人员、使用的工具和设备,以及施工方法和步骤等。
这些记录有助于对施工过程的监督和整个工程的回顾。
接下来,进行地脚螺栓安装质量的验收。
主要包括规格型号是否符合设计要求、长度和直径是否符合设计要求、安装位置是否正确、固定是否牢固可靠,以及是否存在损坏或缺陷等方面的检查。
通过这些验收,可以确保地脚螺栓的安装质量达到预期的要求。
隐蔽工程验收记录台帐序号隐蔽验收部位隐检项目验收时间备注01 C5013塔吊地脚螺栓2011.10.0902 基础基础垫层2011.12.2703 基础筏板防水保护层2012.03.0704 人防层挡土墙止水螺杆、遇水膨胀止水条2012.04.0605 人防层型钢柱、梁2012.04.12钢筋隐蔽工程验收记录台帐序号隐蔽验收部位隐检项目验收时间备注01 人防层①—⑦+1.6/G-Q梁、板钢筋2012.04.06人防层①—⑦+1.6/G-Q墙、柱钢筋2012.04.0602 人防层⑦+1.6—/G-Q梁、板钢筋2012.04.12人防层⑦+1.6—/G-Q墙、柱钢筋2012.04.1203 设备层①—⑦+1.6/G-Q梁、板钢筋2012.04.14设备层①—⑦+1.6/G-Q墙、柱钢筋2012.04.1404 设备层⑦+1.6—/G-Q梁、板钢筋2012.04.18设备层⑦+1.6—/G-Q墙、柱钢筋2012.04.18钢筋隐蔽工程验收记录台帐序号隐蔽验收部位隐检项目验收时间备注01 一层①—⑦+3.2/G-Q梁、板钢筋2012.04.26一层①—⑦+3.2/G-Q墙、柱钢筋2012.04.2602 一层⑦+3.2—/G-Q梁、板钢筋2012.05.01一层⑦+3.2—/G-Q墙、柱钢筋2012.05.0103 二层①—⑦+3.2/G-Q梁、板钢筋2012.05.10二层①—⑦+3.2/G-Q墙、柱钢筋2012.05.1004 二层⑦+3.2—/G-Q梁、板钢筋2012.05.14二层⑦+3.2—/G-Q墙、柱钢筋2012.05.1405 三层①—⑦+3.2/G-Q梁、板钢筋2012.05.19三层①—⑦+3.2/G-Q墙、柱钢筋2012.05.1906 三层⑦+3.2—/G-Q梁、板钢筋2012.05.22三层⑦+3.2—/G-Q墙、柱钢筋2012.05.2207 四层①—⑦+3.2/G-Q梁、板钢筋2012.05.27四层①—⑦+3.2/G-Q墙、柱钢筋2012.05.27四层⑦+3.2—/G-Q墙、柱钢筋2012.05.2909 五层①—⑦+3.2/G-Q梁、板钢筋2012.06.03五层①—⑦+3.2/G-Q墙、柱钢筋2012.06.0310 五层⑦+3.2—/G-Q梁、板钢筋2012.06.05五层⑦+3.2—/G-Q墙、柱钢筋2012.06.0511 六层①—⑦+3.2/G-Q梁、板钢筋2012.06.10六层①—⑦+3.2/G-Q墙、柱钢筋2012.06.1012 六层⑦+3.2—/G-Q梁、板钢筋2012.06.11六层⑦+3.2—/G-Q墙、柱钢筋2012.06.1113 七层①—⑦+3.2/G-Q梁、板钢筋2012.06.17七层①—⑦+3.2/G-Q墙、柱钢筋2012.06.1714 七层⑦+3.2—/G-Q梁、板钢筋2012.06.18七层⑦+3.2—/G-Q墙、柱钢筋2012.06.18钢筋隐蔽工程验收记录台帐序号隐蔽验收部位隐检项目验收时间备注15 八层①—⑦+3.2/G-Q梁、板钢筋2012.06.28八层①—⑦+3.2/G-Q墙、柱钢筋2012.06.2816 八层⑦+3.2—/G-Q梁、板钢筋2012.06.30八层⑦+3.2—/G-Q墙、柱钢筋2012.06.3017 九层①—⑦+3.2/G-Q梁、板钢筋2012.07.05九层①—⑦+3.2/G-Q墙、柱钢筋2012.07.0518 九层⑦+3.2—/G-Q梁、板钢筋2012.07.07九层⑦+3.2—/G-Q墙、柱钢筋2012.07.0719 十层①—⑦+3.2/G-Q梁、板钢筋2012.07.12十层①—⑦+3.2/G-Q墙、柱钢筋2012.07.12十层⑦+3.2—/G-Q墙、柱钢筋2012.07.1421 十一层①—⑦+3.2/G-Q梁、板钢筋2012.07.19十一层①—⑦+3.2/G-Q墙、柱钢筋2012.07.1922 十一层⑦+3.2—/G-Q梁、板钢筋2012.07.20十一层⑦+3.2—/G-Q墙、柱钢筋2012.07.2023 十二层①—⑦+3.2/G-Q梁、板钢筋2012.07.26十二层①—⑦+3.2/G-Q墙、柱钢筋2012.07.2624 十二层⑦+3.2—/G-Q梁、板钢筋2012.07.27十二层⑦+3.2—/G-Q墙、柱钢筋2012.07.2725 十三层①—⑦+3.2/G-Q梁、板钢筋2012.08.01十三层①—⑦+3.2/G-Q墙、柱钢筋2012.08.0126 十三层⑦+3.2—/G-Q梁、板钢筋2012.08.04十三层⑦+3.2—/G-Q墙、柱钢筋2012.08.0427 十四层①—⑦+3.2/G-Q梁、板钢筋2012.08.08十四层①—⑦+3.2/G-Q墙、柱钢筋2012.08.0828 十四层⑦+3.2—/G-Q梁、板钢筋2012.08.10十四层⑦+3.2—/G-Q墙、柱钢筋2012.08.10钢筋隐蔽工程验收记录台帐序号隐蔽验收部位隐检项目验收时间备注29 十五层①—⑦+3.2/G-Q梁、板钢筋2012.08.15十五层①—⑦+3.2/G-Q墙、柱钢筋2012.08.1530 十五层⑦+3.2—/G-Q梁、板钢筋2012.08.16十五层⑦+3.2—/G-Q墙、柱钢筋2012.08.1631 十六层①—⑦+3.2/G-Q梁、板钢筋2012.08.26十六层①—⑦+3.2/G-Q墙、柱钢筋2012.08.26十六层⑦+3.2—/G-Q墙、柱钢筋2012.08.2833 十七层①—⑦+3.2/G-Q梁、板钢筋2012.09.03十七层①—⑦+3.2/G-Q墙、柱钢筋2012.09.0334 十七层⑦+3.2—/G-Q梁、板钢筋2012.09.03十七层⑦+3.2—/G-Q墙、柱钢筋2012.09.0335 十八层①—⑦+3.2/G-Q梁、板钢筋2012.09.08十八层①—⑦+3.2/G-Q墙、柱钢筋2012.09.0836 十八层⑦+3.2—/G-Q梁、板钢筋2012.09.10十八层⑦+3.2—/G-Q墙、柱钢筋2012.09.1037 十九层①—⑦+3.2/G-Q梁、板钢筋2012.09.14十九层①—⑦+3.2/G-Q墙、柱钢筋2012.09.1438 十九层⑦+3.2—/G-Q梁、板钢筋2012.09.15十九层⑦+3.2—/G-Q墙、柱钢筋2012.09.15钢筋隐蔽工程验收记录台帐序号隐蔽验收部位隐检项目验收时间备注。
建筑结构隐蔽工程验收记录
②记录时应首先说明是否按设计图号施工,如有设计变更应立即在用竣工图纸上用红色文字注明变更情况或绘制变更补充图;凡有、无设计变更,监理(建设)单位的旁站监督人均应在备用竣工图号上签字认可后,才能办理该部位隐蔽验收手续。
③隐蔽验收时,必须严格按国家施工质量验收规范的主控项目,一般项目的内容要求全数检查,凡有不合格处必须当即整改达到合格后才能办理隐蔽验收手续。
④检查评定结论必须语言规范,并针对主控项目、一般项目,特别是结构构造措施的内容要求,填写真实可靠的结果或结论。
湘质监统编 监2002-20。
隐蔽工程验收记录(埋件、埋管、螺栓)工程名称:华能如东300MW海上风电场工程220kV陆上升压站及如东现场生产管理中心土建及安装编号:NXDJ-A20-TJ-02-001工程名称:华能如东300MW海上风电场工程220kV陆上升压站及如东现场生产管理中心土建及安装致:华能如东300MW海上风电场工程编号:NXDJ-A20-DQ-02-001项目监理部我单位已完成了220kv陆上升压站配电楼地板电气工程工作,现报上该工程隐蔽报验单,请予以审查和验收。
附件:(需附隐蔽部位简图)承包单位(章):项目经理:年月日项目监理单位审核意见:监理工程师:(埋件、埋管、螺栓)工程名称:华能如东300MW海上风电场工程220kV陆上升压站及如东现场生产管理中心土建及安装编号:NXDJ-A20-DQ-02-002工程名称:华能如东300MW海上风电场工程220kV陆上升压站及如东现场生产管理中心土建及安装致:华能如东300MW海上风电场工程编号:NXDJ-A20-DQ-02-002项目监理部我单位已完成了220kv陆上升压站配电楼(3.85m层)电气工程工作,现报上该工程隐蔽报验单, 请予以审查和验收。
附件:(需附隐蔽部位简图)承包单位(章)项目经理:项目监理单位审核意见:监理工程师:(埋件、埋管、螺栓)工程名称:华能如东300MW海上风电场工程220kV陆上升压站及如东现场生产管理中心土建及安装编号:NXDJ-A20-DQ-02-003隐蔽工程报验单工程名称:华能如东300MW海上风电场工程220kV陆上升压站及如东现场生产管理中心土建及安装编号:NXDJ-A20-DQ-02-003致:华能如东300MW海上风电场工程项目监理部我单位已完成了220kv陆上升压站配电楼(3.85m层以上)电气工程工作,现报上该工程隐蔽报验单,请予以审查和验收。
附件:(需附隐蔽部位简图)承包单位(章):项目经理:年月日项目监理单位审核意见:监理工程师:。
地脚螺栓隐蔽工程验收记录表范本地脚螺栓是建筑工程中常用的一种连接结构,用于固定建筑基础和柱子之间的连接。
作为一个常见的工程验收表范本,地脚螺栓隐蔽工程验收记录表是用于记录地脚螺栓隐蔽工程的验收情况,检查工程质量是否符合要求以及是否存在潜在安全隐患的记录表。
一、工程基本信息1. 工程名称:2. 工程地点:3. 工程编号:4. 验收单位:5. 验收人员:二、验收内容1. 验收要求:在这一部分,通常会列举地脚螺栓隐蔽工程验收的具体要求,例如地脚螺栓的数量、位置、尺寸、材质等。
2. 验收方法:地脚螺栓隐蔽工程验收可以通过目视检查、测量、试验等方式来进行。
三、验收记录1. 地脚螺栓的位置:在这一部分,需详细记录每个地脚螺栓的具体位置,可以结合工程图纸进行标注。
2. 地脚螺栓的数量:记录地脚螺栓的数量是否符合设计要求,同时还需要记录实际安装的数量。
3. 地脚螺栓的尺寸:记录地脚螺栓的直径、长度等尺寸参数是否符合设计要求。
4. 地脚螺栓的材质:记录地脚螺栓的材质是否符合设计要求,通常地脚螺栓需要具备一定的抗拉、抗剪等性能。
5. 安装质量:记录每个地脚螺栓的安装质量,例如螺栓的紧固情况、固定件的安装情况等。
6. 验收结论:在这一部分,需根据实际验收结果进行判定,判断地脚螺栓的隐蔽工程是否合格,如果存在问题,需记录问题的具体描述。
四、备注在这一部分,可以记录一些特殊情况或者需要额外说明的内容,如遇到的问题和解决方案等。
地脚螺栓隐蔽工程验收记录表范本是一种用于记录地脚螺栓隐蔽工程验收情况的标准表格,通过这个表格我们可以清晰地了解地脚螺栓隐蔽工程的具体情况,包括数量、尺寸、材质、安装质量等等。
在记录中我们还可以对已发现的问题进行备注和提出解决方案,以便针对性地进行后续的改进和处理。
这样的验收记录表范本对于保障工程质量和安全至关重要,能够有效地减少潜在的安全隐患,并为后续工程的进一步优化提供有力的数据支持。
对于地脚螺栓隐蔽工程验收,我认为在实际操作中需要特别注意以下几点:1. 验收人员应严格按照验收要求进行工作,确保每一个环节都符合设计要求。
钢结构地脚螺栓隐蔽工程验收记录范本钢结构地脚螺栓是重要的连接元件,用于连接钢结构柱、梁和基础。
地脚螺栓的质量关系到整个钢结构的安全稳定性。
为了确保钢结构地脚螺栓的质量,进行隐蔽工程验收是至关重要的环节。
下面是钢结构地脚螺栓隐蔽工程验收记录范本。
验收日期:XXXX年XX月XX日项目名称:XXX施工单位:XXX监理单位:XXX验收单位:XXX一、验收内容:1. 地脚螺栓的种类和规格是否符合设计要求?2. 地脚螺栓的数量和位置是否与设计图纸一致?3. 地脚螺栓的预埋质量是否符合要求?4. 地脚螺栓的安装是否符合相关规范和要求?5. 地脚螺栓的紧固力是否满足设计要求?6. 地脚螺栓的防护措施是否完善?二、验收结果:经过对以上内容的检查和测试,钢结构地脚螺栓隐蔽工程验收结果如下:1. 地脚螺栓的种类和规格符合设计要求,与设计图纸一致。
2. 地脚螺栓的数量和位置符合设计图纸。
3. 地脚螺栓的预埋质量符合要求,无明显缺陷。
4. 地脚螺栓的安装符合相关规范和要求,无明显安装问题。
5. 地脚螺栓的紧固力满足设计要求,无松动现象。
6. 地脚螺栓的防护措施完善,防止腐蚀和损坏的措施得到落实。
三、存在的问题及处理意见:通过验收过程中的检查,发现以下问题:1. 有少量地脚螺栓的紧固力未达到设计要求。
处理意见:立即调整并进一步紧固地脚螺栓,确保紧固力满足要求。
2. 部分地脚螺栓的防护措施不完善。
处理意见:对缺乏防护措施的地脚螺栓,进行及时处理,添加适当的防腐层或涂层,防止腐蚀和损坏。
四、验收结论:根据对钢结构地脚螺栓隐蔽工程的检查和测试,结合存在的问题及处理意见,综合评估如下:1. 地脚螺栓的基本质量符合要求,安装质量良好。
2. 部分地脚螺栓的紧固力和防护措施需要进一步调整和完善。
3. 钢结构地脚螺栓隐蔽工程的整体质量较好。
五、观点和理解:对于钢结构地脚螺栓的隐蔽工程验收,需要严格按照设计要求进行检查和测试。
确保地脚螺栓的质量是提高钢结构整体安全性的关键步骤。
地脚螺栓现场验收记录表摘要:一、地脚螺栓现场验收记录表的概述二、地脚螺栓现场验收记录表的具体内容1.工程名称及部位2.施工单位及人员3.验收时间及天气4.地脚螺栓的规格、型号及数量5.地脚螺栓的安装位置及坐标6.地脚螺栓的垂直度及偏差7.地脚螺栓的紧固程度及偏差8.验收结果及验收人员签名三、地脚螺栓现场验收记录表的作用及意义正文:地脚螺栓现场验收记录表是记录地脚螺栓在现场验收过程中的相关数据和结果的表格,对于保证工程质量和施工安全具有重要意义。
一、地脚螺栓现场验收记录表的概述地脚螺栓现场验收记录表一般包括工程名称及部位、施工单位及人员、验收时间及天气、地脚螺栓的规格、型号及数量、地脚螺栓的安装位置及坐标、地脚螺栓的垂直度及偏差、地脚螺栓的紧固程度及偏差、验收结果及验收人员签名等内容。
二、地脚螺栓现场验收记录表的具体内容1.工程名称及部位:记录工程的具体名称和所在部位,方便查找和识别。
2.施工单位及人员:记录施工单位和具体施工人员的信息,以备后续追溯责任。
3.验收时间及天气:记录验收的具体时间和当天的天气情况,以备后续查看和分析。
4.地脚螺栓的规格、型号及数量:记录地脚螺栓的规格、型号和数量,以备后续使用和补充。
5.地脚螺栓的安装位置及坐标:记录地脚螺栓的具体安装位置和坐标,以备后续查找和调整。
6.地脚螺栓的垂直度及偏差:记录地脚螺栓的垂直度和偏差,以备后续检查和修正。
7.地脚螺栓的紧固程度及偏差:记录地脚螺栓的紧固程度和偏差,以备后续检查和调整。
8.验收结果及验收人员签名:记录验收的结果和验收人员的签名,以备后续确认和追溯。
三、地脚螺栓现场验收记录表的作用及意义地脚螺栓现场验收记录表是保证地脚螺栓施工质量和安全的重要文件,对于施工现场的监理和管理具有重要作用。
通过地脚螺栓现场验收记录表,可以及时发现问题和隐患,采取有效措施进行整改和处理,确保工程质量和施工安全。
地脚螺栓隐蔽工程验收记录表范本项目信息•项目名称:地脚螺栓隐蔽工程•施工单位:XXX建筑工程有限公司•监理单位:XXX监理有限公司•验收日期:20XX年XX月XX日背景介绍地脚螺栓是建筑结构中的重要组成部分,用于固定建筑物的基础和地面之间的连接。
地脚螺栓隐蔽工程验收记录表旨在记录施工单位对地脚螺栓安装质量进行验收的过程和结果,确保施工质量符合相关标准和规范要求。
验收内容1.施工图纸核对:核对施工图纸与实际施工情况是否一致。
2.材料验收:检查地脚螺栓材料的质量、规格和数量是否符合要求。
3.施工过程检查:检查地脚螺栓的安装位置、埋设深度、固定方式等是否符合设计要求。
4.现场测量和记录:对已安装的地脚螺栓进行测量,并记录测量结果。
5.质量检验:对地脚螺栓进行质量检验,包括强度、抗震性能等方面的测试。
6.验收结果评定:根据以上检查和测量结果,评定地脚螺栓隐蔽工程的质量是否合格。
验收记录1. 施工图纸核对•核对结果:施工图纸与实际施工情况一致。
•备注:无。
2. 材料验收•地脚螺栓材料:–规格:M20–材质:碳钢–数量:100根•材料验收结果:地脚螺栓材料质量、规格和数量符合要求。
•备注:无。
3. 施工过程检查•安装位置核对:–核对结果:地脚螺栓安装位置符合设计要求。
–备注:无。
•埋设深度核对:–核对结果:地脚螺栓埋设深度符合设计要求。
–备注:无。
•固定方式核对:–核对结果:地脚螺栓固定方式符合设计要求。
–备注:无。
4. 现场测量和记录•测量结果:–地脚螺栓1:埋设深度为50cm,长度为60cm。
–地脚螺栓2:埋设深度为55cm,长度为65cm。
–…•备注:测量结果与设计要求一致。
5. 质量检验•强度测试:–测试方法:采用拉力试验仪进行地脚螺栓的拉力测试。
–测试结果:地脚螺栓的强度符合设计要求。
•抗震性能测试:–测试方法:采用振动台进行地脚螺栓的抗震性能测试。
–测试结果:地脚螺栓的抗震性能符合设计要求。
6. 验收结果评定•验收结论:经过以上检查和测试,地脚螺栓隐蔽工程质量合格。
隐蔽工程验收记录
质控(建)表4.1.5.3 共页第页
隐蔽工程验收记录
质控(建)表4.1.5.3 共页第页
隐蔽工程验收记录
质控(建)表4.1.5.3 共页第页
隐蔽工程验收记录
质控(建)表4.1.5.3 共页第页
隐 蔽 工 程 验 收 记 录
质控(建)表4.1.5.3
共 页 第 页
隐蔽工程验收记录
质控(建)表4.1.5.3 共页第页
隐蔽工程验收记录
质控(建)表4.1.5.3 共页第页
隐蔽工程验收记录
质控(建)表4.1.5.3 共页第页
隐蔽工程验收记录
质控(建)表4.1.5.3 共页第页
隐蔽工程验收记录
隐蔽工程验收记录
隐蔽工程验收记录
隐蔽工程验收记录
隐蔽工程验收记录。