LED数码管的识别与检测方法-使用常识
- 格式:docx
- 大小:580.97 KB
- 文档页数:15
数码管工作原理及检测方法-回复标题:数码管工作原理及检测方法详解【引言】数码管,又称七段显示器,是一种常见的电子显示器件,广泛应用于各类数字仪表、家电、时钟等设备中,用于直观地显示数字或特定字符。
本文将深入剖析数码管的工作原理,并详细介绍其检测与故障排查的方法。
【一、数码管工作原理】1. 结构解析数码管通常由七个(或八个,包含小数点)发光二极管组成,呈“8”字型排列,每一段对应一个发光二极管,通过独立控制各段的亮灭状态,可以组合显示出0-9的阿拉伯数字以及部分字母和符号。
2. 工作原理在电路设计中,数码管的每个发光二极管都有一个对应的阳极或阴极引脚,阳极为公共端,阴极为段选端。
当给某一段的阴极施加低电平,同时公共阳极施加适当的电压(一般为5V),则该段发光二极管导通并发光。
通过不同的段选信号组合,即可点亮相应图形,形成所需显示的数字或字符。
3. 动态扫描与静态显示数码管的显示方式主要有两种:静态显示和动态扫描。
静态显示是每一个数码管都由独立的驱动电路驱动,任何时候都能稳定显示;而动态扫描则是多个数码管共用一组驱动电路,通过快速轮流点亮各个数码管实现显示效果,这种方式在节省硬件资源的同时,需要保证扫描速度足够快以避免人眼察觉到闪烁。
【二、数码管的检测方法】1. 外观检查首先进行初步的视觉检查,查看数码管是否有明显的物理损伤,如破裂、变形、发黑等情况,确认其外观完整性。
2. 电阻测量使用万用表的电阻档位,测量数码管各段间的电阻值,正常情况下,未接通电源时,发光二极管应呈现高阻态;若发现有短路或开路现象,则可能存在内部损坏。
3. 功能测试连接简单的驱动电路,按照数码管的数据手册提供的段码图,逐个输入对应的段码,观察数码管是否能正确显示相应的数字或字符。
对于动态扫描的数码管,可以通过增加延时,确保每个数码管有足够的显示时间以便观察。
4. 电流检测在实际工作状态下,通过钳形电流表检测数码管的工作电流,判断其是否在正常范围内。
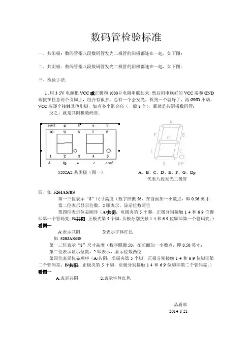
数码管检验标准
一、共阳极:数码管指八段数码管发光二极管的阳极都连在一起,如下图:
二、共阴极:数码管指八段数码管发光二极管的阴极都连在一起,如下图:
三、检验手法:
1、用3-5V电源把VCC或正极和1000Ω电阻串联起来,然后用串联好的VCC端和GND 端接在任意两个引脚上,组合有很多,总有一个会发光,找到一个就好了,再GND不动,VCC端逐个接触其他引脚,如有多个组合亮(一般8个),那就是共阴极数码管;
反之,就是共阳极数码管;
5202AS共阴极(图一)A、B、C、D、E、F、G、Dp
代表八段发光二极管
四、如5261AS/BS
第一三位表示“8”尺寸高度(数字照搬56,在前面加一小数点,即0.56英寸;
第二位表示显示位数,2即表示,显示位数两位
第四位表示位显顺序(A/共阴:负极夹第5个脚,正极分别接触1-4和6-9位脚即第一个管码亮;B/共阳:正极夹第5个脚,负极分别接触1-4和6-9位脚即第一个管码亮;)看图一
A:表示共阴S:表示字体红色
如5202AS/BS
第一三位表示“8”尺寸高度(数字照搬50,在前面加一小数点,即0.50英寸;
第二位表示显示位数,2即表示,显示位数两位
第四位表示位显顺序(A/共阴:负极夹第5个脚,正极分别接触1-4和6-9位脚即第二个管码亮;B/共阳:正极夹第5个脚,负极分别接触1-4和6-9位脚即第二个管码亮;)看图一
A:表示共阴S:表示字体红色
品质部
2014-8-21。
LED数码管的识别与检测方法使用常识LED数码管也称半导体数码管,它是将若干发光二极管按一定图形排列并封装在一起的最常用的数码显示器件之一。
LED数码管具有发光显示清晰、响应速度快、耗电省、体积小、寿命长、耐冲击、易与各种驱动电路连接等优点,在各种数显仪器仪表、数字控制设备中得到广泛应用。
LED数码管种类很多,品种五花八门,这里仅向初学者介绍最常用的小型“8”字形LED数码管的识别与使用方法。
如何识别LED数码管1.结构及特点目前,常用的小型LED数码管多为“8”字形数码管,它内部由8个发光二极管组成,其中7个发光二极管(a~g)作为7段笔画组成“8”字结构(故也称7 段LED数码管),剩下的1个发光二极管(h或dp)组成小数点,如图1(a)所示。
各发光二极管按照共阴极或共阳极的方法连接,即把所有发光二极管的负极(阴极)或正极(阳极)连接在一起,作为公共引脚;而每个发光二极管对应的正极或者负极分别作为独立引脚(称“笔段电极”),其引脚名称分别与图 1(a)中的发光二极管相对应,即a、b、c、d、e、f、g脚及h脚(小数点),如图1(b)所示。
若按规定使某些笔段上的发光二极管发光,就能够显示出图1(c)所示的“0~9”10个数字和“A~F”6个字母,还能够显示小数点,可用于2进制、10进制以及16进制数字的显示,使用非常广泛。
(a)结构图(b)电路图(c)显示符常用小型LED数码管是以印制电路板为基板焊固发光二极管,并装入带有显示窗口的塑料外壳,最后在底部引脚面用环氧树脂封装而成。
由于LED数码管的笔段是由发光二极管组成的,所以其特性与发光二极管相同。
LED数码管的主要特点:能在低电压、小电流条件下驱动发光,并能与CMOS、TTL电路兼容;它不仅发光响应时间极短(<0.1μs)、高频特性好、单色性好、亮度高,而且体积小、重量轻、抗冲击性能好、使用寿命长(一般在10万小时以上,最高可达 100万小时)、成本低。
批准柯力公司LED数码管检验标准文件编号审核2修改状态审核1编制制(修)订日期检验项目检验要求检验工具检验等级抽样方式判定包装1、外包装上应有产品规格型号、生产日期、装箱数量;2、每个LED采用上下层泡沫塑料包装;3、同一个包装内LED必须在一个亮度档内,具体亮度见封样;4、包装箱内有产品出厂检验报告或产品合格证。
目视 AGB/T2828-2003一般Ⅱ级AQL=1.5外观1、表面无划伤、无破损、异色;2、笔画上色点与黑点面积大小要求如下:2.3inch以下数码管要求:①小于或等于0.2mm2不能超过5个;②大于0.2mm2小于或等于0.5mm2不能超过2个;③超过0.5mm2为不合格。
2.3inch与3inch数码管要求:①小于或等于0.3mm2不能超过5个;②大于0.3mm2小于或等于0.7mm2不能超过2个;③超过0.7mm2为不合格。
5inch数码管要求:①小于或等于0.5mm2不能超过5个;②大于0.5mm2小于或等于1.0mm2不能超过2个;③超过1.0mm2为不合格。
2、引脚无断脚、氧化、脏污、毛刺;3、LED胶体颜色一致,底部封装平整,数码管字符与要求相符,笔划粗细均匀;4、数码管表面必须贴保护膜,且保护膜平整无翘起。
目视 AGB/T2828-2003一般Ⅱ级AQL=1.5尺寸外形尺寸符合要求。
游标卡尺 A GB/T2828-2003一般Ⅱ级AQL=1.5耐振动试验2.3inch以上的LED,需要焊接到线路板上,整机装配完成后,随机抽一台大屏幕,在温度为15℃~35℃环境中,放置于振动台上,在频率为20~30Hz(调节频率使LED在振动台上处于随台面同时运动的状态)、振幅为3mm垂直(或水平)条件下振动30分钟,试验完成后进行性能测试。
振动台 A①每季度抽检一次②新供应商样品首次确认时。
N=6Ac=0 Re=1性能1、LED每笔发光亮度一致;2、LED显示完整,无缺划、多划;显示不漏光;3、LED发光颜色符合使用要求;4、给被测数码管任意一笔画施加20mA恒流,电参数要求见附表。
新手电子入门技能,数码管判断,赶紧一起来涨知识!哈罗!大家好,创客e工坊今天跟大家一起来学习数码管,数码管是一种半导体发光器件,其基本单元是发光二极管。
数码管广泛用于仪表,时钟,车站,家电等场合。
其一般可分为一位的、两位的、四位的。
数码管按段数可分为七段数码管和八段数码管,八段数码管比七段数码管多一个发光二极管单元,也就是多一个小数点(DP)这个小数点可以更精确的表示数码管想要显示的内容;差别就在于你去买1.8克拉的钻戒跟18克拉的钻戒,这虽然说一个点差别,但是背后却是千差万别了。
led数码管的结构是由多个发光二极管封装在一起组成'8'字型的器件,引线已在内部连接完成,只需引出它们的各个笔划,公共电极。
按发光二极管连接方式可分为共阳极数码管和共阴极数码管。
共阳数码管是指将所有发光二极管的阳极接到一起,在应用时应将共阳数码管的公共极COM接到+5V,当某一字段发光二极管的阴极为低电平时,相应字段就点亮,当某一字段的阴极为高电平时,相应字段就不亮。
共阴数码管是指将所有发光二极管的阴极接到一起,在应用时应共阴数码管的公共极COM接到GND上,当某一字段发光二极管的阳极为高电平时,相应字段就点亮,当某一字段的阳极为低电平时,相应字段就不亮。
先来看一下1位数码管的原型图。
它是用7个LED条排列成一个8字,外加1个LED作为小数点。
从外面看一个数码管上有10个引脚,上下各5个。
我们用数字万用表打到二极管档,将黑红两只表笔分别插到COM口和欧姆口,红表笔输出的是正极。
我们用红表头放在数码管的第一个引脚,再用另一只表笔依次跟其他引脚接触,灯都不亮,再把红表头放在数码管的第二个引脚,再用另一只表笔依次跟其他引脚接触当有一个表笔移动时,依次类推,直到灯都能亮,那么红表笔所接触的就是公共端COM,此时该公共端的表笔是红表笔则说明这是共阳数码管,要是黑表笔则是共阴数码管。
不知大家在刚才的演示中是否注意到,在表笔停在上方第三跟引脚,另一表笔也在下方的第三引脚时,万用表嘀了一声,这是因为这两个引脚是相通的,都是公共端。
LED数码管的识别与检测方法使用常识1LED数码管也称半导体数码管,它是将若干发光二极管按一定图形排列并封装在一起的最常见的数码显示器件之一。
LED数码管具有发光显示清晰、响应速度快、耗电省、体积小、寿命长、耐冲击、易与各种驱动电路连接等优点,在各种数显仪器仪表、数字控制设备中得到广泛应用。
LED数码管种类很多,品种五花八门,这里仅向初学者介绍最常见的小型“8”字形LED数码管的识别与使用方法。
如何识别LED数码管1.结构及特点当前,常见的小型LED数码管多为“8”字形数码管,它内部由8个发光二极管组成,其中7个发光二极管(a~g)作为7段笔画组成“8”字结构(故也称7 段LED数码管),剩下的1个发光二极管(h或dp)组成小数点,如图1(a)所示。
各发光二极管按照共阴极或共阳极的方法连接,即把所有发光二极管的负极(阴极)或正极(阳极)连接在一起,作为公共引脚;而每个发光二极管对应的正极或者负极分别作为独立引脚(称“笔段电极”),其引脚名称分别与图 1(a)中的发光二极管相对应,即a、b、c、d、e、f、g脚及h脚(小数点),如图1(b)所示。
若按规定使某些笔段上的发光二极管发光,就能够显示出图1(c)所示的“0~9”10个数字和“A~F”6个字母,还能够显示小数点,可用于2进制、10进制以及16进制数字的显示,使用非常广泛。
(a)结构图(b)电路图(c)显示符常见小型LED数码管是以印制电路板为基板焊固发光二极管,并装入带有显示窗口的塑料外壳,最后在底部引脚面用环氧树脂封装而成。
由于LED数码管的笔段是由发光二极管组成的,因此其特性与发光二极管相同。
LED数码管的主要特点:能在低电压、小电流条件下驱动发光,并能与CMOS、TTL电路兼容;它不但发光响应时间极短(<0.1μs)、高频特性好、单色性好、亮度高,而且体积小、重量轻、抗冲击性能好、使用寿命长(一般在10万小时以上,最高可达 100万小时)、成本低。
LED数码管的结构与性能检测1.1 LED数码管的结构LED数码管是由发光二极管构成的,亦称半导体数码管。
将条状发光二极管按照共阴极(负极)或共阳极(正极)的方法连接,组成“8”字,再把发光二极管另一电极作笔段电极,就构成了LED数码管。
若按规定使某些笔段上的发光二极管发光,就能显示从0~9的…系列数字。
同荧光数码管(VFD)、辉光数码管(NRT)相比,它具有:体积小、功耗低、弹性好的气弹簧、耐震动、寿命长、亮度高、单色性好、发光响应的时间短,能与TTL、CMOS电路兼容等的数显器件。
常见LED数码管的外形及内部结构如图1所示。
图1(b)属于共阳极结构,图1(c)采用共阴极结构。
、一分别表示公共阳极和公共阴极。
a~g是7个笔段电极,DP为小数点。
另有一种字高为7.6mm的超小型LED数码管,管脚从左右两排引出,小数点则是独立的。
1.2 LED数码管的性能检测LED数码管外观要求颜色均匀、无局部变色及无气泡等,在业余条件下可用干电池进一步检测。
以共阴极数码管为例介绍检测方法。
将3 V干电池负极引出线固定接触在LED数码管的公共阴极上,电池正极引出线依次移动接触笔画的正极端。
这一根引出线接触到某一笔画的正极端时,那~笔画就应显示出来。
用这种简单的方法就可检测出数码管是否有断笔(某笔画不能显示),连笔(某些笔画连在一起),并且可相对比较出不同的笔画发光的强弱性能。
若检测共阳极数码管,只需将电池正负极引出线对调一下,方法同上。
LED数码管每笔画工作电流I在5~10 mA之间,若电流过大会损坏数码管,因此必须加限流电阻,其阻值可按下式汁算其中Uo为加在LED两端电压,U为LED数码管每笔画压降(约2 v)。
利用数字万用表的hFE插口能够方便地检查LED数码管的发光情况。
选择NPN档时,C孔带正电,E孔带负电。
例如检测LTS547R型共刚极LED数码管时,从E孔插入一根单股细导线,导线引出端接一极(第③脚与第⑧脚在内部连通,可任选一个作为-);再从c孔引出一根导线依次接触各笔段。
万用表使用--检测LED数码管一、LED数码管的结构+…LED数码管也称半导体数码管,是目前数字电路中最常用的显示器件。
它是以发光二极管作笔段并按共阴极方式或共阳极方式连接后封装而成的。
图5-41所示是两种LED数码管的外形与内部结构,+、一分别表示公共阳极和公共阴极,a〜g是7个笔段电极,DP为小数点。
LED数码管型号较多,规格尺寸也各异,显示颜色有红、绿、橙等。
表5-7列出了几种国产LED数码管的型号、主要参数和国外对应产品型号,可供选用时参考。
⑷ ftfiLEDfcflnD⑹超小型LED图5叫两神LED数码符的外形母内部结构常冗也严LEI>舉也启听壬軽參堆葢I K I孙M戍产出聖'=V U J豐聲审|MJ時」」康中M m l; 1 R弹仇R^riRT*1:: ---- 一 ------------------------I {■> “I 莊*|1tr./ o.J nrf Affk&f—询殆劭1沁□ 1花-1*屮|如离11-S-Sl-t:i甘蛊1 削IM/ri*1汀却A*"11 b" o % «ij幅阿1卅汗藹冼—LTSM7R I:1^ <1 呃T耳卩1』悴(J-LJUMOifc11^241?t 11 0 <ft '1tvKi/JLTSM6K&5*<*[忡(14 Q '|气用严阳泊血i rS4 3OllACi n«34jI Itr o 4 '1ILM4 Z崔(LFMWiAF B$3«1個X.1鬓呼黑用的¥阳0 1JJ 1 A IP344i f'.i ® J as寸MRjJti Lr^l^Ol AP1位2」R 1卅用/册MH> IJV IVa (t i科寸Gl *PO* 3 Cl < 1 11 由丄丿tH\ V c « «r. J A-HP? 1 3 在HLJSJMMII —二、LED数码管的检测方法1.用二极管档检测%—将数字万用表置于二极管档时,其开路电压为+ 2.8V。
数码管检验标准
一、共阳极:数码管指八段数码管发光二极管的阳极都连在一起,如下图:
二、共阴极:数码管指八段数码管发光二极管的阴极都连在一起,如下图:
三、检验手法:
1、用3-5V电源把VCC或正极和1000Ω电阻串联起来,然后用串联好的VCC端和GND 端接在任意两个引脚上,组合有很多,总有一个会发光,找到一个就好了,再GND不动,VCC端逐个接触其他引脚,如有多个组合亮(一般8个),那就是共阴极数码管;
反之,就是共阳极数码管;
5202AS共阴极(图一)A、B、C、D、E、F、G、Dp
代表八段发光二极管
四、如5261AS/BS
第一三位表示“8”尺寸高度(数字照搬56,在前面加一小数点,即0.56英寸;
第二位表示显示位数,2即表示,显示位数两位
第四位表示位显顺序(A/共阴:负极夹第5个脚,正极分别接触1-4和6-9位脚即第一个管码亮;B/共阳:正极夹第5个脚,负极分别接触1-4和6-9位脚即第一个管码亮;)看图一
A:表示共阴S:表示字体红色
如5202AS/BS
第一三位表示“8”尺寸高度(数字照搬50,在前面加一小数点,即0.50英寸;
第二位表示显示位数,2即表示,显示位数两位
第四位表示位显顺序(A/共阴:负极夹第5个脚,正极分别接触1-4和6-9位脚即第二个管码亮;B/共阳:正极夹第5个脚,负极分别接触1-4和6-9位脚即第二个管码亮;)看图一
A:表示共阴S:表示字体红色
品质部
2014-8-21。
数码管怎么测量_如何使用万用表判断数码管的好坏一、什么是数码管数码管是一种半导体发光器件,其基本单元是发光二极管。
数码管按段数可分为七段数码管和八段数码管,八段数码管比七段数码管多一个发光二极管单元,也就是多一个小数点(DP)这个小数点可以更精确的表示数码管想要显示的内容;按能显示多少个(8)可分为1位、2位、3位、4位、5位、6位、7位等数码管。
二、数码管分类按发光二极管单元连接方式可分为共阳极数码管和共阴极数码管。
共阳数码管是指将所有发光二极管的阳极接到一起形成公共阳极(COM)的数码管,共阳数码管在应用时应将公共极COM接到+5V,当某一字段发光二极管的阴极为低电平时,相应字段就点亮,当某一字段的阴极为高电平时,相应字段就不亮。
共阴数码管是指将所有发光二极管的阴极接到一起形成公共阴极(COM)的数码管,共阴数码管在应用时应将公共极COM接到地线GND上,当某一字段发光二极管的阳极为高电平时,相应字段就点亮,当某一字段的阳极为低电平时,相应字段就不亮。
三、数码管结构数码管由8个发光二极管(以下简称字段)构成,通过不同的组合可用来显示数字0~9、字符A ~ F、H、L、P、R、U、Y、符号-及小数点。
数码管的外形结构如下图所示。
数码管又分为共阴极和共阳极两种结构。
四、数码管工作原理共阳极数码管的8个发光二极管的阳极(二极管正端)连接在一起。
通常,公共阳极接高电平(一般接电源),其它管脚接段驱动电路输出端。
当某段驱动电路的输出端为低电平时,则该端所连接的字段导通并点亮。
根据发光字段的不同组合可显示出各种数字或字符。
此时,要求段驱动电路能吸收额定的段导通电流,还需根据外接电源及额定段导通电流来确定相应的限流电阻。
共阴极数码管的8个发光二极管的阴极(二极管负端)连接在一起。
通常,公共阴极接低电平(一般接地),其它管脚接段驱动电路输出端。
当某段驱动电路的输出端为高电平时,则该端所连接的字段导通并点亮,根据发光字段的不同组合可显示出各种数字或字符。
数码管测试方法原理说明数码管是一种常见的数字显示设备,广泛应用于各种电子设备和仪器仪表中。
数码管测试方法主要用于检测数码管的正常工作状态。
本文将从数码管的基本工作原理、数码管测试的目的、测试方法和测试仪器等方面进行详细介绍。
一、数码管的基本工作原理数码管是一种由发光二极管(LED)组成的显示器件。
根据发光二极管的结构和工作原理,可以将数码管分为共阳极和共阴极两种类型。
1. 共阳极数码管共阳极数码管的每个数字都是由多个LED组成。
在工作时,数码管的阳极连接到正极,而各个LED的阴极分别连接到数字的控制端。
2. 共阴极数码管共阴极数码管的每个数字也是由多个LED组成。
在工作时,数码管的阴极连接到地线,而各个LED的阳极分别连接到数字的控制端。
二、数码管测试的目的数码管测试的主要目的是检测数码管的正常工作状态,包括亮度是否均匀、显示效果是否清晰、数字是否显示正确等。
通过测试,可以保证数码管在实际应用中的正常工作。
三、数码管测试方法数码管测试可以采用手动检测和自动检测两种方法。
1. 手动检测方法手动检测方法是指通过人工观察数码管的显示状态进行测试。
具体步骤如下:(1)设置测试模式:将测试仪器转入数码管测试模式。
(2)观察数码管的亮度:检查数码管的亮度是否均匀。
判断数码管的亮度可以通过比较各个LED的亮度来进行。
(3)观察数码管的显示效果:通过数码管上显示的数字或字符来判断显示效果是否清晰。
可以逐个显示数字或字符,并观察其显示效果。
(4)观察数码管的显示准确性:通过显示的数字来判断数码管的显示准确性。
可以设置不同的数字进行测试,并观察其显示结果。
2. 自动检测方法自动检测方法是指使用专用的测试仪器对数码管进行测试。
这种方法通常使用专用的测试仪器,可以自动完成测试过程,并输出结果。
(1)测试准备:将数码管与测试仪器相连接,并设置测试的参数和模式。
(2)参数设置:根据数码管的类型和要求,设置测试仪器的参数。
包括亮度、刷新速度、显示模式等。
LED数码管知识简介 LED数码管是设备的简易显示常用电子元器件,下面将介绍它的性能特点,简单检测方法及应用注意事项等内容。
1.性能特点 LED数码管的主要特点如下: (1能在低电压、小电流条件下驱动发光,能与CMOS、ITL 电路兼容。
(2发光响应时间极短(<0.1μs,高频特性好,单色性好,亮度高。
(3体积小,重量轻,抗冲击性能好。
(4寿命长,使用寿命在10万小时以上,甚至可达100万小时。
成本低。
因此它被广泛用作数字仪器仪表、数控装置、计算机的数显器件。
2.性能简易检测 LED数码管外观要求颜色均匀、无局部变色及无气泡等,在业余条件下可用干电池作进一步检查。
将3伏干电池负极引出线固定接触在LED数码管的公共负极端上,电池正极引出线依次移动接触笔画的正极端。
这一根引出线接触到某一笔画的正极端时,那一笔画就应显示出来。
用这种简单的方法就可检查出数码管是否有断笔(某笔画不能显示,连笔(某些笔画连在一起,并且可相对比较出不同笔划发光的强弱性若能检查共阳极数码管,只需将电池正负极引出线对调一下,方法同上。
LED数码管每笔画工作电流ILED约在5—10mA之间,若电流过大会损坏数码管,因此必须加限流电阻,其阻值可按下式计算: R值=(U—ULED/ILED 其中U为加在LED两端电压,ULED为LED数码管每笔画压降(约2伏。
利用数字万用表的hFE插口能够方便地检查LED数码管的发光情况。
选择NPN挡时,C孔带正电,月孔带负电。
例如检查LTS547R型共阴极LED数码管时,从E孔插入一根单股细导线,导线引出端接9极(第③脚与第⑧脚在内部连通,可任选一个作为?;再从C孔引出一根导线依次接触各笔段电极,可分别显示所对应的笔段。
3.使用注意事项 (1检查时若发光暗淡,说明器件已老化,发光效率太低。
如果显示的笔段残缺不全,说明数码管已局部损坏。
(2对于型号不明、又无管脚排列图的LED数码管,用数字万用表的h距挡可完成下述测试工作:①判定数码管的结构形式(共阴或共阳;②识别管脚;③检查全亮笔段。
数码管工作原理及检测方法数码管的工作原理是通过单片机的I/O端口进行驱动数码管的各个段码,点亮不同的段码从而形成字符显示出我们要的数字。
数码管实际上是由七个发光管组成8字形构成的,加上小数点就是8个。
这些段分别由字母a,b,c,d,e,f,g,dp来表示。
当数码管特定的段加上电压后,这些特定的段就会发亮,以形成我们眼睛看到的字样了。
数码管的检测方法如下:1. 静态显示与动态显示:静态显示的特点是每个数码管的段选必须接一个八位数据线来保持显示的字形码。
当送入一次字形码后,显示字形可一直保持,直到送入新字形码位置。
而动态显示的特点则是将所有位数码管并联在一起,由位选线控制是哪一位数码管有效。
选亮数码管采用动态扫描显示。
所谓动态扫描显示即轮流向各位数码管送出字形码和相应的位选,利用发光管的余辉和人眼视觉暂留作用,使人的感觉好像各位数码管同时都在显示。
2. 共阳极与共阴极数码管:共阳极数码管的8个发光二极管的阳极(二极管正端)连接在一起。
通常,公共阳极接高电平(一般接电源),其它管脚接段驱动电路输出端。
当某段驱动电路的输出端为低电平时,则该端所连接的字段导通并点亮。
根据发光字段的不同组合可显示出各种数字或字符。
此时,要求段驱动电路能吸收额定的段导通电流,还需根据外接电源及额定段导通电流来确定相应的限流电阻。
共阴极数码管的8个发光二极管的阴极(二极管负端)连接在一起。
通常,公共阴极接低电平(一般接地),其它管脚接段驱动电路输出端。
当某段驱动电路的输出端为高电平时,则该端所连接的字段导通并点亮,根据发光字段的不同组合可显示出各种数字或字符。
此时,要求段驱动电路能提供额定的段导通电流,还需根据外接电源及额定段导通电流来确定相应的限流电阻。
此外,需要注意安全使用电子设备时的相关规范,确保不损坏设备和保证人员安全。
任何识别发光二极管与检测方法在我们制作电子产品的时候,使用最频率比较高的元件之一有发光二极管,发光二极管简称为LED,由含镓(Ga)、砷(As)、磷(P)、氮(N)等的化合物制成。
它是半导体二极管的一种,可以把电能转化成光能。
一、发光二极管的识别发光二极管的符号如下:发光二极管的内部结构如下:发光二极管引脚有正负之分,一般长的为正,短的为负。
也可以从内部看到,接触面小的为正,接触面大的为负。
外边有切口的为负,另一边就为正。
发光二极管外形如下图所示。
发光二极管外形二、发光二极管的应用发光二极管内部是具有发光特性的PN结。
当给这个PN加正向偏置电压时,PN结导通,依靠少数载流子的注入以及随后的复合而辐射发光,如下图:当给这个PN加反向偏置电压时,PN结截止,发光二极管不能发光,如下图:在电路及仪器中作为指示灯,或者组成文字或数字显示。
砷化镓二极管发红光,磷化镓二极管发绿光,碳化硅二极管发黄光,氮化镓二极管发蓝光。
因化学性质又分有机发光二极管OLED和无机发光二极管LED。
三、发光二极管的检测用万用表检测。
利用具有×10kΩ挡的指针式万用表可以大致判断发光二极管的好坏。
正常时,二极管正向电阻阻值为几十至200kΩ,反向电阻的值为∝。
如果正向电阻值为0或为∞,反向电阻值很小或为0,则易损坏。
这种检测方法,不能实质地看到发光管的发光情况,因为×10kΩ挡不能向LED提供较大正向电流。
如果用数字万用表检测发光二极管,挡位拨在二极管档,正向测得显示电压0.7V左右,反向为无穷大。
四、其他形状的发光二极管。
LED数码管也称半导体数码管,它是将若干发光二极管按一定图形排列并封装在一起的最常用的数码显示器件之一。
LED数码管具有发光显示清晰、响应速度快、耗电省、体积小、寿命长、耐冲击、易与各种驱动电路连接等优点,在各种数显仪器仪表、数字控制设备中得到广泛应用。
LED数码管种类很多,品种五花八门,这里仅向初学者介绍最常用的小型“8”字形LED数码管的识别与使用方法。
如何识别LED数码管1.结构及特点目前,常用的小型LED数码管多为“8”字形数码管,它内部由8个发光二极管组成,其中7个发光二极管(a~g)作为7段笔画组成“8”字结构(故也称7 段LED数码管),剩下的1个发光二极管(h或dp)组成小数点,如图1(a)所示。
各发光二极管按照共阴极或共阳极的方法连接,即把所有发光二极管的负极(阴极)或正极(阳极)连接在一起,作为公共引脚;而每个发光二极管对应的正极或者负极分别作为独立引脚(称“笔段电极”),其引脚名称分别与图 1(a)中的发光二极管相对应,即a、b、c、d、e、f、g脚及h脚(小数点),如图1(b)所示。
若按规定使某些笔段上的发光二极管发光,就能够显示出图1(c)所示的“0~9”10个数字和“A~F”6个字母,还能够显示小数点,可用于2进制、10进制以及16进制数字的显示,使用非常广泛。
(a)结构图(b)电路图(c)显示符常用小型LED数码管是以印制电路板为基板焊固发光二极管,并装入带有显示窗口的塑料外壳,最后在底部引脚面用环氧树脂封装而成。
由于LED数码管的笔段是由发光二极管组成的,所以其特性与发光二极管相同。
LED数码管的主要特点:能在低电压、小电流条件下驱动发光,并能与CMOS、TTL电路兼容;它不仅发光响应时间极短(<0.1μs)、高频特性好、单色性好、亮度高,而且体积小、重量轻、抗冲击性能好、使用寿命长(一般在10万小时以上,最高可达 100万小时)、成本低。
2.外形和种类常用小型LED数码管的封装形式几乎全部采用了双列直插结构,并按照需要将1至多个“8”字形字符封装在一起,以组成显示位数不同的数码管。
如果按照显示位数(即全部数字字符个数)划分,有1位、2位、3位、4位、5位、6位……数码管,如图2所示。
如果按照内部发光二极管连接方式不同划分,有共阴极数码管和共阳极数码管两种;按字符颜色不同划分,有红色、绿色、黄色、橙色、蓝色、白色等数码管;按显示亮度不同划分,有普通亮度数码管和高亮度数码管;按显示字形不同,可分为数字管和符号管。
图2 LED数码管实物外形图图3 LED数码管的尺寸衡量图4LED数码管引脚排序规则3.主要参数表征LED数码管各项性能指标的参数主要有光学参数和电参数两大类,它们均取决于内部发光二极管。
除此之外,还有“字高”这一衡量LED数码管显示字符大小的重要参数。
“字高”具体所指为显示字符的高度,如图3所示。
国外型号的LED数码管常用英寸作为“字高”的单位,国产管则用毫米作单位。
常见小型 LED数码管的字高有0.32英寸(8.12mm)、0.36英寸(9.14mm)、0.39英寸(9.90mm)、0.4英寸(10.16mm)、0.5英寸(12.70mm)、0.56英寸(14.20mm)、0.8英寸(20.32mm)、1英寸(25.40mm)等。
4.型号与引脚的识别由于LED数码管的型号命名各厂家不统一,可谓各行其事,无规律可循。
要想知道某一型号产品的结构特点和有关参数等,一般只能查看厂家说明书或相关的参数手册。
对于型号不清楚的LED数码管,就只能通过万用表等的测量,弄清内部电路结构和相关参数。
表1列出了部分国产BS×××系列LED数码管的主要参数,供参考。
小型LED数码管的引脚排序规则如图4所示。
即:正对着产品的显示面,将引脚面朝向杂志,从左上角(左、右双排列引脚)或左下角(上、下双排列引脚)开始,按逆时针(即图中箭头)方向计数,依次为1、2、3、4脚……如果翻转过来从背面看(比如在印制电路板的焊接面上看),即引脚面正对着自己、显示面朝向杂志,则应按顺时针方向计数。
可见,这跟普通集成电路是一致的。
常用LED数码管的引脚排列均为双列10脚、12脚、14脚、16脚、18脚等,表2给出了笔者整理出的常用LED数码管的引脚排列图和内部电路图,希望能够给读者的应用提供简便快捷的帮助。
识别引脚排列时大致上有这样的规律:对于单个数码管来说,最常见的引脚为上、下双排列,通常它的第3脚和第8脚是连通的,为公共脚;如果引脚为左、右双排列,则它的第1脚和第6脚是连通的,为公共脚。
但也有例外,必须具体型号具体对待。
另外,多数LED数码管的“小数点”在内部是与公共脚接通的,但有些产品的“小数点”引脚却是独立引出来的。
对于2位及以上的数码管,一般多是将内部各“8”字形字符的a~h这8根数据线对应连接在一起,而各字符的公共脚单独引出(称“动态数码管”),既减少了引脚数量,又为使用提供了方便。
例如,4位动态数码管有4个公共端,加上a~h引脚,一共才只有12个引脚。
如果制成各“8”字形字符独立的“静态数码管”,则引脚可达到40脚。
常用LED数码管的引脚排列图和内部电路图(1)CPS05011AR(1位共阴/红色 0.5英寸)、SM420501K(红色 0.5英寸)、SM620501(蓝色0.5英寸)、SM820501(绿色0.5英寸)(2)SM420361(1位共阴/红色0.36英寸)、 SM440391(红色0.39英寸)(3)SM420322(1位共阴/红色0.32英寸)、SM220322(绿色0.32英寸)(4)SM410561K(1位共阳/红色0.56英寸)、SM610501(蓝色0.5英寸)、SM810501(绿色0.5英寸)(5)SM410561K(1位共阳/红色0.56英寸)、SM610501(蓝色0.5英寸)、SM810501(绿色0.5英寸)(6)SM410361(1位共阳/红色0.36英寸)、HDSR-7801(红色 0.3英寸)、HDSP-7301(红色 0.3英寸)(7)SM410322(1位共阳/红色0.32英寸)、SM210322(绿色0.32英寸)(8)SN420502(2位共阴/红色静态 0.5英寸)、SN220801(绿色0.8英寸)、 KW2-561CGA(绿色 0.56英寸)(9)SN410502(2位共阳/红色静态 0.5英寸)、SN210801(绿色0.8英寸)(10)SN460561(2位共阴/红色动态 0.56英寸)、SN260561(绿色0.56英寸)(11)SN450561(2位共阳/红色动态0.56英寸)、SN250561(绿色0.56英寸)LED数码管简易测试方法一个质量保证的LED数码管,其外观应该是做工精细、发光颜色均匀、无局部变色及无漏光等。
对于不清楚性能好坏、产品型号及管脚排列的数码管,可采用下面介绍的简便方法进行检测。
图5 LED数码管的检测(a)干电池检测法(b)万用表检测法1.干电池检测法。
如图5(a)所示,取两节普通1.5V干电池串联(3V)起来,并串联一个100Ω、1/8W的限流电阻器,以防止过电流烧坏被测LED数码管。
将3V干电池的负极引线(两根引线均可接上小号鳄鱼夹)接在被测数码管的公共阴极上,正极引线依次移动接触各笔段电极(a~h脚)。
当正极引线接触到某一笔段电极时,对应笔段就发光显示。
用这种方法可以快速测出数码管是否有断笔(某一笔段不能显示)或连笔(某些笔段连在一起),并且可相对比较出不同的笔段发光强弱是否一致。
若检测共阳极数码管,只需将电池的正、负极引线对调一下,方法同上。
如果将图5(a)中被测数码管的各笔段电极(a~h脚)全部短接起来,再接通测试用干电池,则可使被测数码管实现全笔段发光。
对于质量保证的数码管,其发光颜色应该均匀,并且无笔段残缺及局部变色等。
如果不清楚被测数码管的结构类型(是共阳极还是共阴极)和引脚排序,可从被测数码管的左边第1脚开始,逆时针方向依次逐脚测试各引脚,使各笔段分别发光,即可测绘出该数码管的引脚排列和内部接线。
测试时注意,只要某一笔段发光,就说明被测的两个引脚中有一个是公共脚,假定某一脚是公共脚不动,变动另一测试脚,如果另一个笔段发光,说明假定正确。
这样根据公共脚所接电源的极性,可判断出被测数码管是共阳极还是共阴极。
显然,公共脚如果接电池正极,则被测数码管为共阳极;公共脚如果接电池负极,则被测数码管应为共阴极。
接下来测试剩余各引脚,即可很快确定出所对应的笔段来。
2.万用表检测法。
这里以MF50型指针式万用表为例,说明具体检测方法:首先,按照图5(b)所示,将指针式万用表拨至“R×10k”电阻挡。
由于LED数码管内部的发光二极管正向导通电压一般≥1.8V,所以万用表的电阻档应置于内部电池电压是15V(或9V)的“R×10k”挡,而不应置于内部电池电压是1.5V的“R×100”或“R×1k”挡,否则无法正常测量发光二极管的正、反向电阻。
然后,进行检测。
在测图5(b)所示的共阴极数码管时,万用表红表笔(注意:红表笔接表内电池负极、黑表笔接表内电池正极)应接数码管的“-”公共端,黑表笔则分别去接各笔段电极(a~h脚);对于共阳极的数码管,黑表笔应接数码管的“+”公共端,红表笔则分别去接a~h脚。
正常情况下,万用表的指针应该偏转(一般示数在100kΩ以内),说明对应笔段的发光二极管导通,同时对应笔段会发光。
若测到某个管脚时,万用表指针不偏转,所对应的笔段也不发光,则说明被测笔段的发光二极管已经开路损坏。
与干电池检测法一样,采用万用表检测法也可对不清楚结构类型和引脚排序的数码管进行快速检测。
以上所述为1位LED数码管的检测方法,至于多位LED数码管的检测,方法大同小异,不再赘述。
国产BS×××系列LED数码管的代换型号LED数码管使用常识1.LED数码管一般要通过专门的译码驱动电路,才能正常显示字符。
由于LED数码管的品种和类型繁多,所以在实际使用时应注意根据电路的不同选择不同类型的管子。
例如,共阴极的LED数码管,只能接入输出为高电平的译码驱动电路;共阳极的LED数码管,只能接入输出为低电平的译码驱动电路。
动态扫描显示电路的输出端,只能接多位动态LED数码管。
2.各厂家或同一厂家生产的不同型号的LED数码管,即使封装尺寸完全相同,其性能和引脚排列有可能大相径庭。
反过来,功能和引脚排列相同的LED数码管,外形尺寸往往有大有小。
所以选用或代换LED数码管时,只能以它的型号为根据。
表3给出了国产BS×××系列LED数码管与国内外其他同类产品的直接代换型号,可供参考。