ATX开关电源结构图
- 格式:docx
- 大小:2.31 MB
- 文档页数:22
一、概述ATX开关电源的主要功能是向计算器系统提供所需的直流电源。
一般计算器电源所采用的都是双管半桥式无工频变压器的脉宽调制变换型稳压电源。
它将市电整流成直流后,通过变换型振荡器变成频率较高的矩形或近似正弦波电压,再经过高频整流滤波变成低压直流电压的目的。
其外观图和内部结构实物图见图1和图2所示。
ATX开关电源的功率一般为250W~300W,通过高频滤波电路共输出六组直流电压:+5V(25A)、—5V (0.5A)、+12V(10A)、—12V(1A)、+3.3V(14A)、+5VSB(0.8A)。
为防止负载过流或过压损坏电源,在交流市电输入端设有保险丝,在直流输出端设有过载保护电路。
二、工作原理ATX开关电源,电路按其组成功能分为:输入整流滤波电路、高压反峰吸收电路、辅助电源电路、脉宽调制控制电路、PS信号和PG信号产生电路、主电源电路及多路直流稳压输出电路、自动稳压稳流与保护控制电路。
参照实物绘出整机电路图,如图3所示。
1、输入整流滤波电路只要有交流电AC220V输入,ATX开关电源无论是否开启,其辅助电源就会一直工作,直接为开关电源控制电路提供工作电压。
如图4所示,交流电AC220V经过保险管FUSE、电源互感滤波器L0,经BD1—BD4整流、C5和C6滤波,输出300V左右直流脉动电压。
C1为尖峰吸收电容,防止交流电突变瞬间对电路造成不良影响。
TH1为负温度系数热敏电阻,起过流保护和防雷击的作用。
L0、R1和C2组成Π型滤波器,滤除市电电网中的高频干扰。
C3和C4为高频辐射吸收电容,防止交流电窜入后级直流电路造成高频辐射干扰。
R2和R3为隔离平衡电阻,在电路中对C5和C6起平均分配电压作用,且在关机后,与地形成回路,快速泄放C5、C6上储存的电荷,从而避免电击。
2、高压尖峰吸收电路如图5所示,D18、R004和C01组成高压尖峰吸收电路。
当开关管Q03截止后,T3将产生一个很大的反极性尖峰电压,其峰值幅度超过Q03的C极电压很多倍,此尖峰电压的功率经D18储存于C01中,然后在电阻R004上消耗掉,从而降低了Q03的C极尖峰电压,使Q03免遭损坏。
前言:千万不要看不起躲在机箱内部角落里那块方方正正乌漆麻黑不起眼的电源哦,劣质的电源可能会引起许许多多莫名其妙的问题,譬如无故重启,黑屏,死机,蓝屏,甚至烧毁主板CPU(7年前夏天有个远房亲戚就是电源引起的烧毁主板CPU,当然他的电脑不是我配的。
)。
现在时代不同了,玩家们不仅要求电源有各种过载过流过压短路防雷击等等功能,而且还要求:外在的电源配色,LED灯,线材长度(能否背线),是否模组,线材数量和接口是否丰富(组SLI,RAID),是否扁线,线材软硬度(甚至要做定制线),风扇噪音,是否啸叫等等。
而内在方面还要求电源的转换效率,线材输出端电压稳定性,电压偏离和跌落值,满载纹波,动态响应重建时间,交叉负载等等。
时代进步了,我们一定要与时俱进,千万表止步不前哦。
直接进入正题吧,了解电源的工作原理,解析电源内部的做工用料和结构方案。
如有不足之处,请各位大虾指正。
本文分五个部分叙述。
第一部分:电源的工作原理:当220伏市电交流电进入电源后,依次通过:输入端EMI滤波,使电压波形稳定。
整流电路:使交流电变为直流电。
主动PFC:校正电压,功率因素。
开关管+驱动变压器:根据电源输出端PWM芯片信息,调整初级电压,以达到调整输出功率。
变压器:调整得到需要的电压。
输出端整流滤波:进一步滤去杂讯,从而得到稳定的CPU,显卡,硬盘,主板等部件工作所需的直流电。
第二部分:电源内部做工用料:上图两个蓝色的是Y电容,连接火线和地线之间,以及零线和地线之间。
负责滤除共模干扰。
上图黄色的,块头比Y电容大的多的是X电容,X电容并接在火线和零线之间,负责滤除差模干扰。
上图两个绕组线圈,是共模电感,用来抑制市电的共模干扰,同时也抑制电源本身的共模干扰对外泄漏。
上图黄色的也是X电容,用来抑制线路之间的差模干扰。
被热缩套包裹的元件我们称之为MOV,金属氧化物压敏电阻,目的是抑制市电尖峰,比如市电电压不稳,雷电交加的时候这个小东东就派上用场。
达硕ATX-300WB P4型开关电源工作原理根据其实物测绘出开关电源原理图(如图所示)。
其电源电路分析如下:1.电源输入电路AC220V市电经热敏电阻THR1、交流保险管及由电容CY1、CY2组成的共模滤波电路后,再经Bl- B4整流,在Cl、C2串联滤波电容上建立起300V左右的直流电压,作为半桥功率变换电路及辅助电源电路的工作电压。
2.辅助电源电路(1)开关振荡电路的工作过程由整流滤波电路输出的300V直流电压分两路输出给开关振荡电路:一路经T3初级nl 绕组加至开关管Q3的漏极;另一路经启动电阻R8、R9、Rll加至Q3的栅极,使Q3开始导通。
Q3导通后,其漏极电流在T3的nl绕组上产生上正下负的感应电动势,由于绕组间的电磁耦合,使n2绕组也产生上正下负的感应电动势,经C8、Rll、R12反馈到Q3的栅极,使之迅速进入饱和状态。
在Q3饱和期间,正反馈绕组上的感应电动势对C8继续充电,Q3栅极电位不断下降.Q3退出饱和而进入放大状态,漏极电流开始减小,nl、n2绕组感应电动势反相,其中n2绕组上端的负脉冲电压也反馈到Q3的栅极,使Q3的栅极电压进一步下降,最终使Q3迅速退出放大状态进入截止状态。
Q3截止后,C8通过T3的n2绕组、电源地、R16、R13、R12、Rll放电。
同时直流高压通过启动电阻R8、R9给C8充电,Q3栅极电压回升,当栅极电压上升到一定值时。
Q3又重新导通。
,以匕过程周而复始,从而形成自激振荡过程。
考虑到场效应管的G、S极输入阻抗很高,输入电流小,电路中设立电阻R13为反馈回路提供通道,保证反馈电容C8有一定充放电流。
(2)稳压控制电路开关电源的稳压控制电路由脉宽调整管Q4、光耦U2、精密取样集成电路U4及取样电阻R23、R24等组成,对D8、C14整流滤波所产生的非受控+5v直流电压上进行取样,经U4比较后,从K端输出误差电压,去控制光电耦合器U2中发光二极管发光强度,使之随+ 5v的变化而变化,并作用于光敏管以改变其导通程度,进而控制开关管导通时间,从而获得稳定的直流电压输出。
12.1 计算机开关电源基本结构及原理一、计算机开关电源的基本结构1.ATX电源与AT电源的区别目前计算机开关电源有AT和ATX两种类型。
ATX电源与AT电源的区别为:1)待机状态不同ATX电源增加了辅助电源电路,只要220V市电输入,无论是否开机,始终输出一组+5V SB待机电压,供PC机主板电源监控单元、网络通信接口、系统时钟芯片等使用,为ATX电源启动作准备。
2)电源启动方式不同AT电源采用交流电源开关直接控制电源的通断,ATX电源则采用点动式电源启闭按钮,实质是用PS-ON直流控制信号启动/关闭电源。
具有键盘开/关机、定时开/关机、Modem唤醒远程开/关机、软件关机等控制功能。
3)输出电压不同AT电源共有四路输出(±5V、±12V),另向主板提供一个PG电源准备就绪的信号。
ATX电源PW-0K信号与PG信号功能相同,还增加了+3.3V、+5 V SB供电输出和PS-ON电源启闭控制信号,其中+3.3V向CPU、PCI总线供电。
各档电压的输出电流值大约如下:+5V +12V -5V -12V +3.3V +5V SB21A 6A 0.3A 0.8A 14A 0.8A4)主板综合供电插头接口不同AT电源的6芯P8和P9电源插头,在ATX结构中被20芯双列直排插头所替代,具有可靠的防插反装置。
对于Pentium 4机型的ATX电源,除大4芯(D形)和小4芯电源接口插头外,还增加4芯12V CPU专用电源插头及6芯+3.3V、+5V电源增强型插头。
2.计算机开关电源的基本结构目前,计算机电源大多采用他激双管半桥定频调宽式开关电源。
电源中还输出一个特殊的“POWER GOOD”信号。
电源开启后PG信号为低电平,送给系统时钟电路,由该信号产生一个复位信号(RESET)用于系统复位。
经100~500ms的延时后,PG信号由低电平变成高电平,系统复位结束,主机启动并开始正常运行。
PG信号作用就是当电源输出的直流电压均稳定后,才使系统初始化复位,以保证计算机系统状态的稳定与可靠。
ATX开关电源的原理框图:上图工作原理简述:220V交流电经过第一、二级EMI滤波后变成较纯净的50Hz交流电,经全桥整流和滤波后输出300V的直流电压。
300V直流电压同时加到主开关管、主开关变压器、待机电源开关管、待机电源开关变压器。
由于此时主开关管没有开关信号,处于截止状态,因此主电源开关变压器上没有电压输出,上图中的-12V至+3.3V,5组电压均没电压输出。
电+脑*维+修-知.识_网(w_ww*dnw_xzs*co_m)但我们同时注意到,300V直流电加到待机电源开关管和待机电源开关变压器后,由于待机电源开关管被设计成自激式振荡方式,待机电源开关管立即开始工作,在待机电源开关变压器的次级上输出二组交流电压,经整流滤波后,输出+5VSB和+22V电压,+22V电压是专门为主控IC供电的。
+5VSB加到主板上作为待机电压。
当用户按动机箱的Power启动按键后,(绿)色线处于低电平,主控IC内部的振荡电路立即启动,产生脉冲信号,经推动管放大后,脉冲信号经推动变压器加到主开关管的基极,使主开关管工作在高频开关状态。
主开关变压器输出各组电压,经整流和滤波后得到各组直流电压,输出到主板。
但此时主板上的CPU仍未启动,必须等+5V的电压从零上升到95%后,IC检测到+5V上升到4.75V时,IC发出P.G信号,使CPU启动,电脑正常工作。
当用户关机时,绿色线处于高电平,IC内部立即停止振荡,主开关管因没有脉冲信号而停止工作。
-12至+3.3的各组电压降至为零。
电源处于待机状态。
输出电压的稳定则是依赖对脉冲宽度的改变来实现,这就叫做脉宽调制PWM。
由高压直流到低压多路直流的这一过程也可称DC-DC变换,是开关电源的核心技术。
采用开关变换的显著优点是大大提高了电能的转换效率,典型的PC电源效率为70—75%,而相应的线性稳压电源的效率仅有50%左右。
保护电路的工作原理:在正常使用过程中,当IC检测到负载处于:短路、过流、过压、欠压、过载等状态时,IC内部发出信号,使内部的振荡停止,主开关管因没有脉冲信而停止工作。
前言:千万不要看不起躲在机箱内部角落里那块方方正正乌漆麻黑不起眼的电源哦,劣质的电源可能会引起许许多多莫名其妙的问题,譬如无故重启,黑屏,死机,蓝屏,甚至烧毁主板CPU(7年前夏天有个远房亲戚就是电源引起的烧毁主板CPU,当然他的电脑不是我配的。
)。
现在时代不同了,玩家们不仅要求电源有各种过载过流过压短路防雷击等等功能,而且还要求:外在的电源配色,LED 灯,线材长度(能否背线),是否模组,线材数量和接口是否丰富(组SLI,RAID),是否扁线,线材软硬度(甚至要做定制线),风扇噪音,是否啸叫等等。
而内在方面还要求电源的转换效率,线材输出端电压稳定性,电压偏离和跌落值,满载纹波,动态响应重建时间,交叉负载等等。
时代进步了,我们一定要与时俱进,千万表止步不前哦。
直接进入正题吧,了解电源的工作原理,解析电源内部的做工用料和结构方案。
如有不足之处,请各位大虾指正。
本文分五个部分叙述。
第一部分:电源的工作原理:当220伏市电交流电进入电源后,依次通过:输入端EMI滤波,使电压波形稳定。
第 1 页整流电路:使交流电变为直流电。
主动PFC:校正电压,功率因素。
开关管+驱动变压器:根据电源输出端PWM芯片信息,调整初级电压,以达到调整输出功率。
变压器:调整得到需要的电压。
输出端整流滤波:进一步滤去杂讯,从而得到稳定的CPU,显卡,硬盘,主板等部件工作所需的直流电。
第二部分:电源内部做工用料:第 2 页上图两个蓝色的是Y电容,连接火线和地线之间,以及零线和地线之间。
负责滤除共模干扰。
第 3 页上图黄色的,块头比Y电容大的多的是X电容,X电容并接在火线和零线之间,负责滤除差模干扰。
第 4 页上图两个绕组线圈,是共模电感,用来抑制市电的共模干扰,同时也抑制电源本身的共模干扰对外泄漏。
第 5 页上图黄色的也是X电容,用来抑制线路之间的差模干扰。
被热缩套包裹的元件我们称之为MOV,金属氧化物压敏电阻,目的是抑制市电尖峰,比如市电电压不稳,雷电交加的时候这个小东东就派上用场。
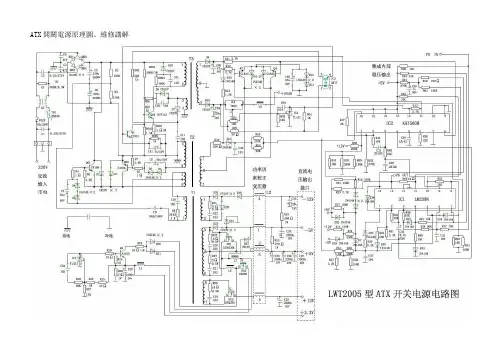
ATX開關電源原理圖、維修講解一、概述ATX開關電源的主要功能是向計算機系統提供所需的直流電源。
一般計算機電源所采用的都是雙管半橋式無工頻變壓器的脈寬調制變換型穩壓電源。
它將市電整流成直流后,通過變換型振蕩器變成頻率較高的矩形或近似正弦波電壓,再經過高頻整流濾波變成低壓直流電壓的目的。
其外觀圖和內部結構實物圖見圖1和圖2所示。
ATX開關電源的功率一般為250W~300W,通過高頻濾波電路共輸出六組直流電壓:+5V(25A)、—5V(0.5A)、+12V(10A)、—12V(1A)、+3.3V (14A)、+5VSB(0.8A)。
為防止負載過流或過壓損壞電源,在交流市電輸入端設有保險絲,在直流輸出端設有過載保護電路。
二、工作原理ATX開關電源,電路按其組成功能分為:輸入整流濾波電路、高壓反峰吸收電路、輔助電源電路、脈寬調制控制電路、PS信號和PG信號產生電路、主電源電路及多路直流穩壓輸出電路、自動穩壓穩流與保護控制電路。
參照實物繪出整機電路圖,如圖3所示。
1、輸入整流濾波電路只要有交流電AC220V輸入,ATX開關電源無論是否開啟,其輔助電源就會一直工作,直接為開關電源控制電路提供工作電壓。
如圖4所示,交流電AC220V經過保險管FUSE、電源互感濾波器L0,經BD1—BD4整流、C5和C6濾波,輸出300V左右直流脈動電壓。
C1為尖峰吸收電容,防止交流電突變瞬間對電路造成不良影響。
TH1為負溫度系數熱敏電阻,起過流保護和防雷擊的作用。
L0、R1和C2組成Π型濾波器,濾除市電電網中的高頻干擾。
C3和C4為高頻輻射吸收電容,防止交流電竄入后級直流電路造成高頻輻射干擾。
R2和R3為隔離平衡電阻,在電路中對C5和C6起平均分配電壓作用,且在關機后,與地形成回路,快速泄放C5、C6上儲存的電荷,從而避免電擊。
2、高壓尖峰吸收電路如圖5所示,D18、R004和C01組成高壓尖峰吸收電路。
當開關管Q03截止后,T3將產生一個很大的反極性尖峰電壓,其峰值幅度超過Q03的C極電壓很多倍,此尖峰電壓的功率經D18儲存于C01中,然后在電阻R004上消耗掉,從而降低了Q03的C極尖峰電壓,使Q03免遭損壞。
1ATX 电源针脚定义及工作原理ATX 电源原理与结构图解无主板启动电源——ATX 电源接口各线的定义(注意:电源端,主板端口需镜像)左下角:1#,左上角:11#;右上角:20#AT 电源只要能把电源打开就行了,可现在的ATX 电源都是电位控制开关而非机械开关,这就需要从电源的那一排查线孔中找出可以激活电源的那个针(Pin )。
ATX 电源排针(Pin )的标准定义为 无主板启动电源——ATX 电源接口各线的定义(20针和24针的都有)AT 电源只要能把电源打开就行了,可现在的ATX 电源都是电位控制开关而非机械开关,这就需要从电源的那一排查线孔中找出可以激活电源的那个针(Pin )。
ATX 电源排针(Pin )的标准定义为:14号针(Pin 14 PS-ON )就是控制电源开启关闭的。
单个针没有回路怎么控制开关,其实所有的地线(GND )都可以与其他任意针组成回路,所谓“低电位”开启,“高电位”关闭,就是当Pin 14针与GND 针短接后,Pin 14针本身的电位就低了,电源也就开启了,反之亦然。
现在很清楚了——要想无主板开启ATX电源,只需要将Pin 14针(绿色线,图中也标绿了)与任意一个GND针(黑色线,图中标灰了)短接就可以。
红Red=+5V 绿Green=PS_ON橙Orange=+3.3V 紫Purple=+5VSB黄Yellow=+12V 灰Gray=PWR_OK兰Blue=-12V 白White=—5V黑Black=COM=GND=接地20针电源各个针脚定义:自从1998年1月公布了ATX2.01电源标准后,以后生产的电源都兼容这个标准,只不过各路电压的输出电流在不断增加。
我们使用的ATX开关电源,输出的电压有+12V、-12V、+5V、-5V、+3.3V等几种不同的电压。
在正常情况下,上述几种电压的输出变化范围允许误差一般在5%之内,如下表所示,不能有太大范围的波动,否则容易出现死机的数据丢失的情况。
ATX电源结构简介ATX电源电路结构较复杂,各部分电路不但在功能上相互配合、相互渗透,且各电路参数设置非常严格,稍有不当则电路不能正常工作。
下面以市面上使用较多的银河、世纪之星ATX电源为例,讲述ATX电源的工作原理、使用与维修。
其主电路整机原理图见图13-10,从图中可以看出,整个电路可以分成两大部分:一部分为从电源输入到开关变压器T3之前的电路(包括辅助电源的原边电路),该部分电路和交流220V电压直接相连,触及会受到电击,称为高压侧电路;另一部分为开关变压器T3以后的电路,不和交流220V直接相连,称为低压侧电路。
二者通过C2、C3高压瓷片电容构成回路,以消除静电干扰。
其原理方框图见图13-1,从图中可以看出整机电路由交流输入回路与整流滤波电路、推挽开关电路、辅助开关电源、PWM脉宽调制及推动电路、PS-ON控制电路、自动稳压与保护控制电路、多路直流稳压输出电路和PW-OK信号形成电路组成。
弄清各部分电路的工作原理及相互关系对我们维修判断故障是很有用处的,下面简单介绍一下各组成部分的工作原理。
图13-1 主机电源方框原理图1、交流输入、整流、滤波与开关电源电路交流输入回路包括输入保护电路和抗干扰电路等。
输入保护电路指交流输入回路中的过流、过压保护及限流电路;抗干扰电路有两方面的作用:一是指电脑电源对通过电网进入的干扰信号的抑制能力:二是指开关电源的振荡高次谐波进入电网对其它设备及显示器的干扰和对电脑本身的干扰。
通常要求电脑对通过电网进入的干扰信号抑制能力要强,通过电网对其它电脑等设备的干扰要小。
推挽开关电路由Q1、Q2、C7及T3,组成推挽电路。
推挽开关电路是ATX开关电源的主要部分,它把直流电压变换成高频交流电压,并且起着将输出部分与输入电网隔离的作用。
推挽开关管是该部分电路的核心元件,受脉宽调制电路输送的信号作激励驱动信号,当脉宽调制电路因保护电路动作或因本身故障不工作时,推挽开关管因基级无驱动脉冲故不工作,电路处于关闭状态,这种工作方式称作他激工作方式。
atx电源电路图讲解(五款atx电源电路图)atx电源电路图一:ATX电源电路结构较复杂,如图中所,整个电路可以分成两大部分:一部分为开关变压器T3以后的电路,不和交流220V直接相连,称为低压侧电路;另一部分为从电源输入到开关变压器T3之前的电路(包括辅助电源的原边电路),该部分电路和交流220V电压直接相连,触及会受到电击,称为高压侧电路。
二者通过C2、C3、高压瓷片电容构成回路,以消除静电干扰。
其原理方框图见下图,从图中可以看出整机电路由交流输入回路、整流滤波电路、推挽开关电路、辅助开关电源、PWM脉宽调制电路、PS-ON控制电路、保护电路、输出电路和PW-OK信号形成电路组成。
atx电源电路图二:整流滤波后产生的+300V直流电压还通过R72向以Q15、T3及相关元件组成直流辅助电源供电电路。
R76和R78用来向Q15提供起振所需的初始偏流,R74和C44为正反馈通路。
该辅助电源输出两路直流电源:一路经Q16稳压后送出+5VSB电源,作为电脑中主板“电源监控”部件的供电电源;另一路经BD6、C29整流滤波后向由IC1及Q3、Q4等组成的脉宽调制及推动组件供电。
正常情况下,只要接通220伏市电,该辅助电源就能启动工作,产生上述两路直流电压。
其单元电路原理如下图atx电源电路图三:IC1(TL494)等组成PWM电路。
PWM(Pules Width Modulation)即脉宽调制电路,其功能是检测输出直流电压,与基准电压比较,进行放大,控制振荡器的脉冲宽度,从而控制推挽开关电路以保持输出电压的稳定,主要由IC1 TL494及周围元件组成。
其单元电路原理如下图TL 494的简单工作原理是:当IC1的VCC端{12}脚得电后,内部基准电源即从其输出端{14}脚向外提供+5V参考基准电压(Vref)。
首先,该参考电压分两路为IC1组件的各控制端建立起它们各自的参考基准电平:一路经由R38、R37组成的分压器为内部采样放大器的反相输入端{2}脚建立+2.5V的基准电平,另一路经由电阻R90、R40组成的分压器为“死区”电平控制输入端{4}脚建立约+0.15V的低电平;其次,Vref还向PS-ON软开/关机电路及自动保护电路供电。
ATX微机开关电源、电路图一、ATX开关电源,电路按其组成功能分为:输入整流滤波电路、高压反峰吸收电路、辅助电源电路、脉宽调制控制电路、PS信号和PG信号产生电路、主电源电路及多路直流稳压输出电路、自动稳压稳流与保护控制电路1、输入整流滤波电路只要有交流电AC220V输入,ATX开关电源无论是否开启,其辅助电源就会一直工作,直接为开关电源控制电路提供工作电压。
交流电AC220V经过保险管FUSE、电源互感滤波器L0,经BD1—BD4整流、C5和C6滤波,输出300V左右直流脉动电压。
C1为尖峰吸收电容,防止交流电突变瞬间对电路造成不良影响。
TH1为负温度系数热敏电阻,起过流保护和防雷击的作用。
L0、R1和C2组成Π型滤波器,滤除市电电网中的高频干扰。
C3和C4为高频辐射吸收电容,防止交流电窜入后级直流电路造成高频辐射干扰。
R2和R3为隔离平衡电阻,在电路中对C5和C6起平均分配电压作用,且在关机后,与地形成回路,快速泄放C5、C6上储存的电荷,从而避免电击。
2、高压尖峰吸收电路D18、R004和C01组成高压尖峰吸收电路。
当开关管Q03截止后,T3将产生一个很大的反极性尖峰电压,其峰值幅度超过Q03的C极电压很多倍,此尖峰电压的功率经D18储存于C01中,然后在电阻R004上消耗掉,从而降低了Q03的C极尖峰电压,使Q03免遭损坏。
3、辅助电源电路整流器输出的+300V左右直流脉动电压,一路经T3开关变压器的初级①~②绕组送往辅助电源开关管Q03的c极,另一路经启动电阻R002给Q03的b极提供正向偏置电压和启动电流,使Q03开始导通。
Ic流经T3初级①~②绕组,使T3③~④反馈绕组产生感应电动势(上正下负),通过正反馈支路C02、D8、R06送往Q03的b极,使Q03迅速饱和导通,Q03上的Ic电流增至最大,即电流变化率为零,此时D7导通,通过电阻R05送出一个比较电压至IC3(光电耦合器Q817)的③脚,同时T3次级绕组产生的感应电动势经D50、C04整流滤波后,一路经R01限流后送至IC3的①脚,另一路经R02送至IC4(精密稳压电路TL431),由于Q03饱和导通时次级绕组产生的感应电动势比较平滑、稳定,经IC4的K端输出至IC3的②脚电压变化率几乎为零,使IC3内发光二极管流过的电流几乎为零,此时光敏三极管截止,从而导致Q1截止。
ATX开关电源的原理框图:上图工作原理简述:220V交流电经过第一、二级EMI滤波后变成较纯净的50Hz交流电,经全桥整流和滤波后输出300V的直流电压。
300V直流电压同时加到主开关管、主开关变压器、待机电源开关管、待机电源开关变压器。
由于此时主开关管没有开关信号,处于截止状态,因此主电源开关变压器上没有电压输出,上图中的-12V至+3.3V,5组电压均没电压输出。
电+脑*维+修-知.识_网(w_ww*dnw_xzs*co_m)但我们同时注意到,300V直流电加到待机电源开关管和待机电源开关变压器后,由于待机电源开关管被设计成自激式振荡方式,待机电源开关管立即开始工作,在待机电源开关变压器的次级上输出二组交流电压,经整流滤波后,输出+5VSB和+22V电压,+22V电压是专门为主控IC供电的。
+5VSB加到主板上作为待机电压。
当用户按动机箱的Power启动按键后,(绿)色线处于低电平,主控IC内部的振荡电路立即启动,产生脉冲信号,经推动管放大后,脉冲信号经推动变压器加到主开关管的基极,使主开关管工作在高频开关状态。
主开关变压器输出各组电压,经整流和滤波后得到各组直流电压,输出到主板。
但此时主板上的CPU仍未启动,必须等+5V的电压从零上升到95%后,IC检测到+5V上升到4.75V时,IC发出P.G信号,使CPU启动,电脑正常工作。
当用户关机时,绿色线处于高电平,IC内部立即停止振荡,主开关管因没有脉冲信号而停止工作。
-12至+3.3的各组电压降至为零。
电源处于待机状态。
输出电压的稳定则是依赖对脉冲宽度的改变来实现,这就叫做脉宽调制PWM。
由高压直流到低压多路直流的这一过程也可称DC-DC变换,是开关电源的核心技术。
采用开关变换的显著优点是大大提高了电能的转换效率,典型的PC电源效率为70—75%,而相应的线性稳压电源的效率仅有50%左右。
保护电路的工作原理:在正常使用过程中,当IC检测到负载处于:短路、过流、过压、欠压、过载等状态时,IC内部发出信号,使内部的振荡停止,主开关管因没有脉冲信而停止工作。
从而达到保护电源的目的。
电+脑*维+修-知.识_网(w_ww*dnw_xzs*co_m)由上述原理可知,即使我们关了电脑后,如果不切断交流输入端,待机电源是一直工作的,电源仍有5到10瓦的功耗。
内部电路结构电源的内部电路分为抗干扰电路、整流滤波电路、开关电路、保护电路、输出电路等。
抗干扰电路电源的抗干扰电路位于电源输入插座后,由线圈和电容组成一个滤波电路(如图1 ),它可以滤除电源线上的高频杂波和同相干扰信号,构成了电源抗电磁干扰的第一道防线。
由于这部分电路不影响电源的正常工作,很多便宜的电源会把它省略。
随着3 C 认证制度的实施,在这部分开始增加P F C (功率因数校正)电路,凡是3 C 认证的电脑电源,必须增加P F C 电路。
PFC 电路可以减少对电网的谐波污染和干扰。
PFC 电路有两种:有源PFC 和无源P F C 。
无源P F C 一般采用电感补偿方法使交流输入的基波电流与电压之间相位差减小来提高功率因数,有源P F C 由电感电容及电子元器件组成,能够获得更高的功率因数,但成本也相对较高。
有源P F C 电路具有低损耗和高可靠性等优点,可获得高度稳定的输出电压,因此,有源P F C 的电源不需要采用很大容量的滤波电容。
PFC电路是面已经提到PFC,PFC电路称为功率因素校正电路,功率因素越高,电能利用率就越大,目前PFC电路有两种方式:无源PFC(对称作被动式PFC)和有源PFC(主动式PFC)。
电+脑*维+修-知.识_网(w_ww*dnw_xzs*co_m)无源PFC无源PFC:通过一个笨重的工频电感来补尝交流输入的基波电流与电压的相位差,强逼电流与电压相位一致。
无源PFC效率较低,一般只有65%—70%,且所用工频电感又大又笨重,但由于其成本低,许多ATX电源都采用这种方式(参见上图)。
有源PFC有源PFC:有源PFC由电子元器件组成,体积小重量轻,通过专通的IC去调整电流波形的相位,效率大大提高,达95%以上。
采用有源PFC的电源通常输入端只有一只高压滤波电容,同时由于有源PFC本身可作辅助电源,因而可省去待机电源,而且采用有源PFC的电源输出电压纹波极小。
但由于有源PFC成本较高,所以通常只有在高级应用场合才能见到。
如下图所示:实物图如下图所示:EMI滤波电路EMI滤波器主要作用是滤除外界电网的高频脉冲对电源的干扰,同时也起到减少开关电源本身对外界的电磁干扰。
实际上它是利电感和电容的特性,使频率为50Hz左右的交流电可以顺利通过滤波器,但高于50Hz 以上的高频干扰杂波被滤波器滤除,所以它又有另外一种名称,将EMI滤波器称为低通滤波器(彩电上的称法),其意义为,低频可以通过,而高频则被滤除。
下面是EMI滤波电路的线路图:上图中的C1和L1组成第一级EMI滤波,C2、C3、C4与L2组成第二级滤波。
实物图如下图所示:一级EMI滤波电路二级EMI滤波电路两道EMI滤波电路都做在PCB板上的[下图]在优质电源中,都有两道EMI滤波电路,其中一路在电源插座处,另外一路在电源的PCB板上(也有把两道EMI滤波电路都做在PCB板上的情况),这两道EMI电路,可以很好地滤除电网中的高频杂波和同相干扰电流,同时把电源中产生的电磁辐射削减到最低限度,使泄漏到电源外的电磁辐射量不至于对人体或其它设备造成不良影响。
劣质电源通常会省去第一级EMI滤波电路,甚至连第二级EMI滤波电路也省掉。
省掉了第一道EMI(如下图)整流滤波电路整流滤波电路由一个全桥和两个高压电解电容组成。
全桥内部就是四个二极管,它负责把交流电转换成直流电。
整流后的直流电波动很大,为了得到稳定的电压,需要用滤波电容滤波,滤波以后,电压就比较稳定了,整流全桥的耐压一般在6 0 0 V 以上,它根据输出功率的大小选择最大电流,全桥后面的两个高大的筒状元件就是高压电解电容,其作用是虑除电流中的杂波,输出平稳的直流电,滤波电容的容量大小和滤波效果有很大关系。
容量大的高压电解电容一般在470 μ F 以上,如笔者的电源采用了680 μ F 容量的高压电容(如图2 )。
电+脑*维+修-知.识_网(w_ww*dnw_xzs*co_m)桥式整流和滤波将输入端的交流电转变为脉冲直流电,目前有两种型式,一种是用四个二极管组成桥式整流电路;另一种是将四个二极管封装在一起。
两种接法效果都一样,二极管的正向导通电流不小于1A,反向击穿电压不小于700V。
高压部分的滤波主要由电容组成,一般有二个电容:200W电源,电容≥330uF;250W电源,电容≥470uF;300W电源,电容≥680uF。
如图所示:上图,L1和C3组成无源PFC电路,C1、C2为滤波电容。
实物图如下图:高压滤波电容低压滤波电容劣质电源使用小容量的滤波电容,以降低成本,如200W只用220uF,300W只用470uF,甚至使用旧电容来降低成本。
PFC电感量不足或省掉PFC。
电+脑*维+修-知.识_网(w_ww*dnw_xzs*co_m)开关电路开关电路是电源的核心部分。
主要由开关管、P W M控制芯片、开关变压器和高频整流二极管组成。
由开关管和P W M 控制芯片构成振荡电路,产生高频脉冲,经开关变压器得到多组输出,各组输出经高频整流二极管整流得到不同的电压(如图3 )。
开关电路的输出端和输入端有反馈电路,因而电路可根据输出端反馈的信号自动调整振荡频率,从而影响输出电压。
当输出电压偏高时,振荡频率会因反馈信号而降低,从而使输出电压也降低,反之亦然。
通常电压功率大的话,开关变压器的体积也会大一些。
P W M 控制芯片用于驱动开关管输出的工作电压,该控制芯片的型号往往是TL494 或相同功能的KA7500B(如图4 ),辅助的电路还包括基准电压电路、取样电路、比较电流和保护电路。
由于开关电源的开关管只工作在“开”和“关”两种状态,关的时候几乎不消耗功率,而开的时候由于自身压降很小,所以自身的损耗也很小,这就是开关电源发热量低、效率高的原因。
高频开关变压器同样是整个电路中的核心部件(如图5 )。
电+脑*维+修-知.识_网(w_ww*dnw_xzs*co_m)经过高频开关变压器降压后的电流同样要使用二极管和电容进行整流和滤波,只是整流时的工作频率很高,必须使用具有快速恢复功能的肖特基整流二极管,普通的整流二极管难当此任,而整流部分使用的电容不但容量要大,还要有较低的交流电阻才行,否则就无法滤除电流中的高频交流电成分。
此外还能见到一两个体积硕大的带磁心的电感线圈,与滤波电容一起滤除高频的交流电成分,保证输出纯净的直流电(如图6)。
一款优质的电源的电感线圈不仅尺寸大,而且绕线也很规范。
而劣质电源的线圈非常小而且绕线不规则,附近的滤波电容也非常小。
开关三极管和开关变压器是开关电源的核心部件,通过自激式或它激式(需要一个独立的脉冲信号振荡器,ATX电源的主开关管采用这种方式)使开关三极管工作在饱和、截止(即开、关)状态,从而在开关变压器的副绕组上感应出高频电压,再经过整流、滤波和稳压后输出各路直流电压。
所以开关三极管和开关变压器的质量直接影响电源的质量和使用寿命,尤其是开关三极管,工作在高反压状态下,没有足够的保护电路,很容易击穿烧毁。
下图散热片下面就是开关三极管:保护电路一些电源具有四重保护电路,即过流、过压、过载和短路保护。
1、输入端过压保护电源的高压滤波电路边上,有两个蓝色的压敏电阻,其耐压值为270V,当市电电压超过270V时,压敏电阻就会被击穿,从而保护电源其它电路以及电脑配件的安全。
相关图片如下:2、输入端过流保护第二道EMI滤波电容旁边,会有一根保险丝,当瞬间电流非常大时,保险丝就会熔断,从而保护电源和电脑。
相关图片如下:3、输出端过流保护过电流会损伤电源和配件。
在下图中,有两根细导线连接了控制电路部分和驱动变压器,当控制电路监测到输出端有过大的电流时,通过导线反馈到驱动变压器,驱动变压器就会相应动作,关断电源的输出。
电+脑*维+修-知.识_网(w_ww*dnw_xzs*co_m)图片如下:4、输出端过压保护输出端输出过高的电压,会对电脑配件造成致命的损害,因此防止输出过压是非常重要的功能,在磐石355的输出端的控制电路中,分布着一些稳压管,当比较器检测到的输出电压与基准电压偏差较大时,稳压管就会对电压进行调整。
电+脑*维+修-知.识_网(w_ww*dnw_xzs*co_m)图片如下:5、输出端过载保护电源是能量的转换设备,而不是像电池是存储能量的设备,因此其输出不受额定功率的限制,比如额定150W 的电源,可以提供200W甚至更高的功率,但此时输出电压将出现很大的波动,跌出正常的5%的范围,并且产生的热量甚至可以烧毁电源,因此不设过载保护的电源是危险的。