厂房防火分区面积
- 格式:docx
- 大小:8.64 KB
- 文档页数:1
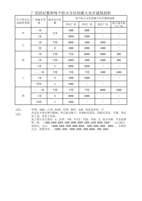
厂房的层数和每个防火分区的最大允许建筑面积表(教材P49)
表2-5-1 厂房的层数和每个防火分区的最大允许建筑面积
(1)一定要画好、记住表的名字、表头内容及分隔界线。
(2)“最多允许层数”栏按照表格分隔,自上而下为:“单、不6、不不2、不31、不31”。
“不”代表层数不限
(3))甲、乙、丙、丁、戊类单/多层相应最大允许建筑面积:“43/32、54/43、不83/642、不41/不20、不51.5/不30”。
各个数字乘以1000㎡为每个防火分
区最大允许建筑面积;“不”代表面积不限;“0”代表每个防火分区最大允许建筑面积为0,说明该耐火等级不允许有多层建筑,即该耐火等级“最多允许层数”为1(单层)。
(4)乙、丙类高层厂房每个防火分区最大允许建筑面积为该类该耐火等级多层的一半(50%)。
耐火等级一、二级丁、戊类厂房最大允许建筑面积为“46”。
其他类别/耐火等级不允许建设高层厂房。
(理解后按照加粗字简化记忆)(5)耐火等级一、二级的丙类地下厂房防火分区建筑面积最大为500㎡;耐火等级一、二级丁、戊类地下厂房防火分区建筑面积最大为1000㎡。
(理解后按照加粗字简化记忆)
希望大家按照上述方法理解记忆,并手动绘制表格进行填写记忆,以后经常回忆巩固。
厂房防火分区计算公式
厂房防火分区是指将厂房内的区域按照防火性能和场所用途进行划分,以避免火灾蔓延和扩大。
针对厂房不同的功能和使用要求,防火分区的计
算公式略有不同。
下面将以一座工业厂房为例,分别介绍不同区域的防火
分区计算公式。
1.办公区域:
A=Q/S
其中,A为办公区域的防火分区面积,Q为办公区域的设计单位面积
温度热流,S为办公区域的分区热流系数。
2.生产车间:
A=Q/N
其中,A为生产车间的防火分区面积,Q为生产车间的设计单位面积
温度热流,N为生产车间的区域基质混凝土厚度。
3.存储区域:
A=Q/V
其中,A为存储区域的防火分区面积,Q为存储区域的设计单位面积
温度热流,V为存储区域的最佳区域密度。
需要注意的是,以上公式仅为防火分区面积的初步计算公式,具体计
算过程还需要结合实际情况和相关规范进行详细设计和分析。
另外,在进行防火分区计算时,还需要考虑防火间距、防火墙、防火门、防火卷帘门等措施的设置,以确保厂房的整体防火安全性。
厂房防火分区的制定和计算公式是十分重要的,它能够有效地预防和控制火灾的发生和蔓延,保障人员生命安全和财产安全。
厂家在制定和计算防火分区时,必须遵守相关的法律法规和标准规范,同时结合实际情况进行科学合理的设计。
同时,定期进行防火演练和检查,提高员工的防火意识,以提高整个厂房的防火安全等级。
厂房建筑消防要求一、厂房建筑的平面布置1.厂房内设置自动灭火系统时,每个防火分区的最大允许建筑面积可按规范的规定增加1.0倍。
当丁、戊类的地上厂房内设置自动灭火系统时,每个防火分区的最大允许建筑面积不限。
厂房内局部设置自动灭火系统时,其防火分区的增加面积可按该局部面积的1.0倍计算。
仓库内设置自动灭火系统时,除冷库的防火分区外,每座仓库的最大允许占地面积和每个防火分区的最大允许建筑面积可按本规范的规定增加1.0倍。
2.甲、乙类生产场所(仓库)不应设置在地下或半地下。
3.员工宿舍严禁设置在厂房内。
办公室、休息室等不应设置在甲、乙类厂房内,确需贴邻本厂房时,其耐火等级不应低于二级,并应采用耐火极限不低于3.00h的防爆墙与厂房分隔。
且应设置独立的安全出口。
办公室、休息室设置在丙类厂房内时,应采用耐火极限不低于2.50h的防火隔墙和1.00h的楼板与其他部位分隔,并应至少设置1个独立的安全出口。
如隔墙上需开设相互连通的门时,应采用乙级防火门。
4.厂房内设置中间仓库时,应符合下列规定:(1)甲、乙类中间仓库应靠外墙布置,其储量不宜超过1昼夜的需要量;(2)甲、乙、丙类中间仓库应采用防火墙和耐火极限不低于1.50h 的不燃性楼板与其他部位分隔;(3)丁、戊类中间仓库应采用耐火极限不低于2.00h的防火隔墙和1.00h的楼板与其他部位分隔;(4)仓库的耐火等级和面积应符合规范的规定。
5.厂房内的丙类液体中间储罐应设置在单独房间内,其容量不应大于5m3。
设置中间储罐的房间,应采用耐火极限不低于3.00h的防火隔墙和1.50h的楼板与其他部位分隔,房间门应采用甲级防火门。
6.变、配电站不应设置在甲、乙类厂房内或贴邻,且不应设置在爆炸性气体、粉尘环境的危险区域内。
供甲、乙类厂房专用的10kV 及以下的变、配电站,当采用无门、窗、洞口的防火墙分隔时,可一面贴邻,并应符合现行国家标准《爆炸危险环境电力装置设计规范》GB 50058等标准的规定。
2023年丙类仓库防火分区最大允许面积表随着经济的发展和社会的进步,仓储物流行业扮演着越来越重要的角色。
如何确保仓库安全,防止火灾事故的发生,成为了当前仓储管理中一个备受关注的问题。
作为仓库防火管理的重要组成部分,对不同类型的仓库设置不同的防火分区是必不可少的环节。
在2023年,我国对丙类仓库防火分区最大允许面积作出了新的规定,下面就是2023年丙类仓库防火分区最大允许面积表的详细内容。
一、A类可燃物品的丙类仓库防火分区最大允许面积1. 等级1:最大允许面积为1000平方米2. 等级2:最大允许面积为800平方米3. 等级3:最大允许面积为600平方米4. 等级4:最大允许面积为400平方米5. 等级5:最大允许面积为200平方米二、B类可燃液体的丙类仓库防火分区最大允许面积1. 等级1:最大允许面积为800平方米2. 等级2:最大允许面积为600平方米3. 等级3:最大允许面积为400平方米5. 等级5:最大允许面积为200平方米三、C类易燃固体的丙类仓库防火分区最大允许面积1. 等级1:最大允许面积为600平方米2. 等级2:最大允许面积为500平方米3. 等级3:最大允许面积为400平方米4. 等级4:最大允许面积为300平方米5. 等级5:最大允许面积为200平方米四、D类易燃气体的丙类仓库防火分区最大允许面积1. 等级1:最大允许面积为2000平方米2. 等级2:最大允许面积为1800平方米3. 等级3:最大允许面积为1600平方米4. 等级4:最大允许面积为1400平方米5. 等级5:最大允许面积为1200平方米五、E类易燃液体的丙类仓库防火分区最大允许面积1. 等级1:最大允许面积为3000平方米2. 等级2:最大允许面积为2800平方米4. 等级4:最大允许面积为2400平方米5. 等级5:最大允许面积为2200平方米由以上表格可以看出,不同类型的丙类仓库防火分区对于不同等级的可燃物品有着具体的规定。
一、厂房防火分区划分标准
二、仓库的防火分区划分标准
三、民用建筑的防火分区划分标准
四、商店的营业厅、展厅的防火分区的标准要求
五、总建筑面积大于20000㎡的地下或半地下营业厅
总建筑面积大于20000㎡的地下或半地下营业厅,应采用无门窗洞口的防火墙、耐火极限不低于2h 的楼板分隔成若干个小于20000㎡的区域,相邻区域需要连通时,应采用下沉式广场等室外敞开空间、防火隔间、避难走道、防烟楼梯(此时是甲级门,正常是乙级门)等形式进行连通。
1、下沉式广场
2、防火隔间
3、避难走道
五、防火分隔
1】功能区域防火分隔
(1)人员密集场所
(2)住宅
(3)商业网点
2】设备用房与其他部分的防火分隔
3】中庭与其他部分的防火分隔
建筑内的中庭,其防火分区是按照建筑的上下层叠加计算。
若叠加计算后的防火分区的面积大于规定时,应采取符合下列规定的防火分隔:
其他要求:
4】玻璃幕墙和外墙
5】管道井防火分隔
6】变形缝防火分隔
(1)变形缝的填充材料和变形缝的构造基层应采用不燃性材料.
(2)电线、电缆和甲乙丙类液体管道可以穿越变形缝,但应采用不燃材料的套管,并用防火封堵材料进行封堵。
六、防火分隔的构件要求
1、防火墙
(1)设置要求
(2)要求突出屋面的两种情况(屋顶0.5)
(3)要求突出外墙的情况(外墙0。
4)
(4)不突出外墙的情况
(5)设置在转角处的要求
(6)其他要求
2、防火卷帘的设置要求
3、防火门
4、防火窗
5、防火分隔水幕
6、防火阀
7、排烟防火阀
七、防烟分区
结束。
高层厂房防火分区面积划分标准一、引言高层厂房防火分区面积划分标准是指根据建筑物的结构、用途和消防安全要求,将建筑物内部按一定要求划分成若干独立的防火区域,以防止火灾扩散,减小火灾对人员和财产造成的危害。
高层厂房防火分区面积划分标准的合理与否直接关乎到建筑物的消防安全,因此具有重要的意义。
从简到繁,由浅入深地来探讨高层厂房防火分区面积划分标准,需要从以下几个方面来进行全面评估。
二、防火分区的基本原理防火分区是指在建筑物内部设置防火墙或采取其他措施,将建筑物划分成若干独立的区域,以控制火灾蔓延的范围。
基本上,高层厂房防火分区的设立是建立在以下两个基本原理上:一是确定各个防火分区的面积大小,以确保一旦发生火灾,火灾能够被控制在较小的范围内;二是保障相邻防火分区之间的防火墙或其他防火构件的防火性能,在最大程度上减小火灾对其他分区的影响。
三、高层厂房防火分区面积划分标准的主要依据在我国,关于高层厂房防火分区面积划分标准的依据主要包括《建筑设计防火规范》、《建筑防火检查与评定规范》等相关标准和规范。
这些规范将建筑物的用途、结构形式、材料特性等因素纳入考虑,并提出了一系列的面积划分标准。
四、高层厂房防火分区面积划分标准的具体要求根据相关规范的要求,高层厂房防火分区的面积划分标准主要受到以下几个方面的影响:建筑物的高度、楼层面积、建筑结构、采光与自然通风等因素。
一般来说,高层厂房的防火分区面积应按照相关规范的要求进行划分,并在设计和施工过程中严格执行。
五、个人观点和理解在我看来,高层厂房防火分区面积划分标准的制定是非常重要的,它直接关系到建筑物内部的火灾控制和人员疏散,对于保障建筑物内部人员的生命财产安全具有重要意义。
在设计和施工过程中,需要严格按照相关标准和规范进行操作,确保高层厂房的防火分区面积划分标准得以科学合理地制定和实施。
总结及回顾高层厂房防火分区面积划分标准的合理制定对于建筑物的消防安全具有重要的意义。
厂房和仓库的层数、面积和平面布置1、除规范另有规定外,厂房的层数和每个防火分区的最大允许建筑面积应符合表3.3.1的规定。
表3.3.1 厂房的层数和每个防火分区的最大允许建筑面积注:1 防火分区之间应采用防火墙分隔。
除甲类厂房外的一、二级耐火等级厂房,当其防火分区的建筑面积大于本表规定,且设置防火墙确有困难时,可采用防火卷帘或防火分隔水幕分隔。
采用防火卷帘时,应符合本规范第6.5.3条的规定;采用防火分隔水幕时,应符合现行国家标准《自动喷水灭火系统设计规范》GB 50084的规定。
2 除麻纺厂房外,一级耐火等级的多层纺织厂房和二级耐火等级的单、多层纺织厂房,其每个防火分区的最大允许建筑面积可按本表的规定增加0.5倍,但厂房内的原棉开包、清花车间与厂房内其他部位之间均应采用耐火极限不低于2. 50h的防火隔墙分隔,需要开设门、窗、洞口时,应设置甲级防火门、窗。
3 一、二级耐火等级的单、多层造纸生产联合厂房,其每个防火分区的最大允许建筑面积可按本表的规定增加1.5倍。
一、二级耐火等级的湿式造纸联合厂房,当纸机烘缸罩内设置自动灭火系统,完成工段设置有效灭火设施保护时,其每个防火分区的最大允许建筑面积可按工艺要求确定。
4 一、二级耐火等级的谷物筒仓工作塔,当每层工作人数不超过2人时,其层数不限。
5 一、二级耐火等级卷烟生产联合厂房内的原料、备料及成组配方、制丝、储丝和卷接包、辅料周转、成品暂存、二氧化碳膨胀烟丝等生产用房应划分独立的防火分隔单元,当工艺条件许可时,应采用防火墙进行分隔。
其中制丝、储丝和卷接包车间可划分为一个防火分区,且每个防火分区的最大允许建筑面积可按工艺要求确定,但制丝、储丝及卷接包车间之间应采用耐火极限不低于2.00h的防火隔墙和1.00h的楼板进行分隔。
厂房内各水平和竖向防火分隔之间的开口应采取防止火灾蔓延的措施。
6 厂房内的操作平台、检修平台,当使用人数少于10人时,平台的面积可不计入所在防火分区的建筑面积内。