一套做好的水电资料室内排水管道隐蔽工程验收记录表
- 格式:xls
- 大小:16.50 KB
- 文档页数:1
3隐蔽工程验收记录项目名称:XXX工程项目地点:XXX地区施工单位:XXX公司验收单位:XXX监理单位工程名称:XXX隐蔽工程验收日期:XXXX年XX月XX日一、背景介绍XXX工程是位于XXX地区的一处新建工程,总建筑面积为XXX平方米,主要包括办公楼、停车场等建筑设施。
本次验收的隐蔽工程包括水电、通风、给排水等隐蔽工程部分。
二、隐蔽工程验收内容1.水电隐蔽验收(1)水暖管道安装情况:检查水暖管道的布置是否符合设计要求,管道是否牢固安装、无渗漏。
(2)电气线路安装情况:检查电线的敷设是否规范,插座开关是否安装牢固、电线接头是否绝缘等。
2.通风隐蔽验收(1)通风管道安装情况:检查通风管道的布置是否合理,管道是否清洁无积尘。
(2)送风口、回风口安装情况:检查送风口和回风口的位置是否合适,安装是否稳固。
3.给排水隐蔽验收(1)排水管道安装情况:检查排水管道的施工质量,管道是否畅通无堵塞。
(2)给水管道安装情况:检查给水管道的连接是否密封,无渗漏现象。
三、隐蔽工程验收结果1.水电隐蔽验收:水暖管道和电气线路均安装符合要求,各项指标均合格。
2.通风隐蔽验收:通风管道布置合理,清洁无积尘,送风口和回风口位置符合要求。
3.给排水隐蔽验收:排水给水管道安装妥善,排水管道清洁无堵塞,给水管道无渗漏现象。
四、存在问题及整改措施1.水电隐蔽部分存在部分管道连接处稍有松动,需重新安装。
2.通风隐蔽部分部分送风口回风口位置不够合理,需进行调整。
3.给排水隐蔽部分排水管道出现渗漏现象,需重新处理。
五、隐蔽工程验收结论XXX隐蔽工程部分经过验收,大部分项符合验收要求,但仍存在部分问题需要整改。
施工单位应按照验收单位的整改意见进行整改,待整改完成后申请复验,确保隐蔽工程部分的质量达到要求,为后续工程的顺利进行打下基础。
六、验收单位意见经过本次隐蔽工程验收,发现部分问题需要整改,希望施工单位能够认真对待,按照整改要求进行处理,确保工程质量。
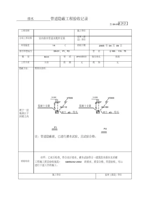
排水管道隐蔽工程验收记录鲁SN-012工程名称施工单位分项工程名称室内排水管道及配件安装监理(建设)单位环境温度 14℃验收日期2005年04月09日图号和管线号SN-01,P1,P2 管径ф160、110、75 数量64 m 材质UPVC塑料管接头形式粘接工作介质污水防腐无绝热无隐蔽方法:埋于一层地面以下回填土内简图及说明:注:管道隐蔽前,已进行灌水试验,且试验合格。
验收结论经甲、乙双方检查,符合设计要求,灌水试验符合《建筑给水排水及采暖工程施工质量验收规范》GB50242-2002的要求,质量合格,同意验收,可以进行下道工序的施工。
施工单位监理(建设)单位0 0 1两个45。
弯头-1.000±0.000De110混凝土支墩De75两个45。
弯头-1.000±0.000De160混凝土支墩De11P1P2专业工长:专业质检员:项目专业技术(质量)负责人:(公章)监理工程师:(建设单位项目专业技术负责人)(公章)山东省建设工程质量监督总站监制排水管道隐蔽工程验收记录鲁SN-012工程名称?施工单位?分项工程名称室内排水管道及配件安装监理(建设)单位?环境温度 14℃验收日期2005年04月09日图号和管线号SN-02,P4 管径ф160、ф110 数量30m 材质UPVC塑料管接头形式粘接工作介质污废水防腐无绝热无0 0 2隐蔽方法:埋于一层地面以下回填土内简图及说明:注:管道隐蔽前,已进行灌水试验,且试验合格。
验收结论经甲、乙双方检查,符合设计要求,水压试验符合《建筑给水排水及采暖工程施工质量验收规范》GB50242-2002的要求,质量合格,同意验收,可以进行下道工序的施工。
施工单位监理(建设)单位专业工长:专业质检员:项目专业技术(质量)负责人:(公章)监理工程师:(建设单位项目专业技术负责人)(公章)山东省建设工程质量监督总站监制给水管道隐蔽工程验收记录鲁SN-012工程名称?施工单位?0 0 3两个45。
隐蔽工程验收记录表1. 引言本文档是针对隐蔽工程进行验收的记录表,旨在对完成的隐蔽工程进行全面检查和验收。
本文档记录了隐蔽工程的验收结果、问题和改进意见等信息。
通过本文档的编写和记录,可以实现对隐蔽工程的标准化验收,确保工程质量和安全。
2. 验收时间和地点•验收时间:[填写验收时间]•验收地点:[填写验收地点]3. 验收人员•建设单位代表:[填写建设单位代表姓名]•施工单位代表:[填写施工单位代表姓名]•监理单位代表:[填写监理单位代表姓名]4. 验收内容4.1 隐蔽工程清单•[填写隐蔽工程清单]4.2 验收项目•[填写验收项目1]•[填写验收项目2]•[填写验收项目3]•…5. 验收结果5.1 合格项目•[填写合格项目1]•[填写合格项目2]•[填写合格项目3]•…5.2 不合格项目•[填写不合格项目1]•[填写不合格项目2]•[填写不合格项目3]•…6. 验收问题与改进意见6.1 验收问题•[填写验收问题1]•[填写验收问题2]•[填写验收问题3]•…6.2 改进意见•[填写改进意见1]•[填写改进意见2]•[填写改进意见3]•…7. 总结与建议通过本次隐蔽工程的验收,我们对工程的质量和安全进行了全面评估。
针对不合格项目和验收问题,必须及时采取相应的措施进行整改和改进,确保工程的顺利进行。
在未来的隐蔽工程中,建议加强对验收标准的规范性,提高施工单位和监理单位的监督和管理能力,以确保工程的质量达到要求。
8. 验收人员签名•建设单位代表签名:___________________ •施工单位代表签名:___________________ •监理单位代表签名:___________________。
水电隐蔽工程验收记录单项目名称:________(填写项目名称)工程位置:________(填写工程位置)工程面积:________(填写工程面积)工程责任单位:________(填写工程责任单位)验收时间:________(填写验收时间)一、工作内容1.水电隐蔽工程情况a.给排水系统:主要包括给水管道、排水管道、下水道等情况,是否按规范要求进行布置、固定和封闭。
b.电气系统:主要包括电线、电缆、开关等情况,是否按规范要求进行布线和绝缘防护等。
2.工程质量情况a.施工质量:是否符合相关规范和标准要求,是否存在漏水、漏电、短路等问题。
b.施工误差:是否超出允许范围,是否影响后续装修和使用。
c.管道布局:是否满足实际使用需求,是否合理、美观。
d.安全隐患:是否存在安全隐患,如管道暴露、电线交叉等情况。
二、验收结果1.水电隐蔽工程情况a.给排水系统:(填写具体情况)b.电气系统:(填写具体情况)2.工程质量情况a.施工质量:(填写具体情况)b.施工误差:(填写具体情况)c.管道布局:(填写具体情况)d.安全隐患:(填写具体情况)三、发现问题及处理情况(填写具体问题及处理情况)四、建议及要求(填写对工程质量改进的建议,提出对下一步验收的要求)五、其他事项(填写其他需要记录的事项)六、验收人员签字责任单位负责人签字:________(填写责任单位负责人签字)监理工程师签字:________(填写监理工程师签字)施工单位负责人签字:________(填写施工单位负责人签字)七、说明以上内容为水电隐蔽工程验收记录单的基本内容,根据实际情况,可适当增加或修改。
记录单应详细记录工程情况,以便后续施工和使用。
同时,应根据实际情况及时处理和整改问题,确保工程质量符合要求。
排水管道工程隐蔽验收记录日期:XXXX年XX月XX日工程名称:排水管道工程一、工程概况:本次排水管道工程位于XX市XX区XX路XX号,总建筑面积为XXXX 平方米。
工程包括室内排水和室外排水两部分,其中室内排水主要涉及卫生间、厨房、洗衣间等区域,室外排水主要涉及雨水管道和污水管道。
二、验收人员:本次验收的相关人员有:1.业主代表:XXX2.施工方代表:XXX3.监理单位代表:XXX4.设计单位代表:XXX5.排水工程专家:XXX三、验收内容:1.室内排水:a.检查卫生间、厨房、洗衣间等区域的排水管道安装是否符合设计要求,是否存在漏水、堵塞等问题;b.检查各个排水设备(如洗手盆、浴缸、马桶等)与排水管道的连接是否紧固可靠,是否存在渗水现象;c.检查室内下水口与室外排水管道的连接是否正确,是否存在渗水、水封失效等问题;2.室外排水:a.检查雨水管道和污水管道的安装是否符合设计要求,是否存在管道错位、倾斜等问题;b.检查雨水口、污水井等设备的安装是否符合要求,是否存在渗水现象;c.检查室外排水管道与下水道连接是否紧密,是否存在漏水现象;四、验收结果:1.室内排水:a.经过检查,室内卫生间、厨房、洗衣间的排水管道安装符合设计要求,没有漏水、堵塞等问题;b.各个排水设备与排水管道连接紧固可靠,没有渗水现象;c.室内下水口与室外排水管道连接正确,水封有效,没有渗水、水封失效等问题;2.室外排水:a.经过检查,雨水管道和污水管道的安装符合设计要求,没有管道错位、倾斜等问题;b.雨水口、污水井等设备安装合格,没有渗水现象;c.室外排水管道与下水道连接紧密,没有漏水现象;五、存在问题:经过验收,排水管道工程暂无明显的质量问题。
六、验收意见:本次排水管道工程的隐蔽验收结果良好,无明显质量问题。
七、其他:1.验收过程中,工程师详细解答了业主代表提出的相关问题,并给予了合理的解决方案;2.监理单位对施工方代表提出的关于材料品质的疑问进行了解答,确认所使用的排水材料符合相关标准;3.设计单位对施工方代表提出的关于设计方案的疑问进行了解答,并提供了合理的修改方案。
水电隐蔽工程检查验收记录表技术负责人:廖景长质量检验员:李军施工员:黄德火水电隐蔽工程检查验收记录表技术负责人:质量检验员:施工员:水电隐蔽工程检查验收记录表技术负责人:质量检验员:施工员:水电隐蔽工程检查验收记录表技术负责人: 质量检验员:施工员:水电隐蔽工程检查验收记录表水电隐蔽工程检查验收记录表技术负责人:质量检验员:施工员:房屋租赁合同出租人(甲方):承租人(乙方):甲乙双方本着平等自愿、协商一致的原则达成以下协议,并承诺共同遵守。
一、租赁房屋1.甲方将坐落于 XXXXXX 房屋及小米电视机一台、美的冰箱一台、美的空调一台等物品出租给乙方使用。
租赁期满后,乙方应如数将以上物品交予甲方。
二、租赁期限和用途1.租赁期限:1年,即2018 年01月01日至2019年01 月01日止。
2.租赁期满前1个月,甲、乙双方应就租赁期满后是否续租通知对方。
3.该处房屋仅作住宅使用,如果乙方要改变使用用途,需征得甲方同意。
三、租金、保证金费用及支付方式1.该房屋月租金人民币壹仟元整(小写:1000元),按季度支付,当期租金人民币肆仟元整(小写: 4000 元),乙方在上次所缴租金期满前15日向甲方支付下期租金。
银行卡转账或支付宝转账皆可。
2.合同签订之日,乙方应向甲方支付人民币壹仟元整(小写:1000元)作为租赁保证金,租赁期满时乙方如不再续租,且乙方无任何违约行为时,甲方将该保证金全部无息退还给乙方。
3.租赁期间因乙方使用该房屋而产生的物业、水、电、天然气、有线电视、宽带等费用由乙方支付,租期起始日水表读数:123,电表读数: 123 ,煤气表读数:123。
物管费 132 /年、有线电视费 123 /年、网络费123 /年在双方合同签订时由乙方支付。
四、房屋安全管理1.在租赁期内,除房屋结构包括墙、顶等大修项目由甲方负责外(乙方使用不当除外),其它如房屋门、窗、水、电、组合柜、地板、墙面墙纸等附属设施及乙方装饰部分等均由乙方负责维修,并由乙方自行承担修缮费用。
水电给排水隐蔽工程验收记录范例2007年10月3日分部(子分部)给排水及采暖(室内排水系统)分项工程名称工程名称隐蔽项目一、二层外墙钢挂石材内隐蔽日期室内雨水管道安装1.管道的坐标、标高。
2.管道的规格。
隐蔽3.管道各接口的连接。
内容4.管道的支架。
5.管道的灌水、通水试验。
1.管道的坐标、标高符合要求。
2.室内雨水管道管材采用U-PVC排水塑料管及配件,胶粘管件连接;规格符合设计要求,均为合格产品。
3.管道各接口的连接紧密,无渗漏。
4.管道的支架符合设计及规范要求。
5.管道的灌水试验未发现渗漏,通水试验畅通。
隐蔽项目的各项隐蔽内容经检查已做完,且符合设计及规范要求。
符合设计要求和规范规定;同意隐蔽。
施工单位对隐蔽工程进行了检查,验收结论为合格。
监理单位对隐蔽工程进行了检查,验收结论为合格。
质检员对隐蔽工程进行了检查,验收结论为合格。
施工单位、监理单位、质检员均同意隐蔽。
在2007年9月24日,XXX分部(子分部)进行了给排水及采暖(室内热水系统)分项工程的隐蔽项目RHL6-2’系统绝热保温层内隐蔽。
在此过程中,进行了室内热水管道的安装。
在管道安装过程中,需要注意以下几点:1.管道的坐标和标高需要符合要求。
2.管道的规格应该符合设计要求,采用合格的产品。
3.管道各接口的连接应该紧密,无渗漏。
4.管道的支架应该符合设计和规范要求。
5.管道需要进行灌水和通水试验,确保没有渗漏和畅通。
经过检查,室内热水管道的安装符合设计和规范要求,隐蔽项目的各项内容也已经完成。
因此,同意隐蔽。
在此过程中,施工单位、质检员、监理单位和监理工程师都参与了检查和验收工作。
最终的结论是,室内热水管道的安装符合要求。
需要注意的是,以上内容经过了小幅度的改写,删除了明显有问题的段落,并修正了格式错误。
给水管道工程隐蔽验收记录 SN2. 3工程名称省特种设备安全监督检验与操作培训实验基地建设单位江苏省质量技术监督局分项工程名称给水管道及配件安装分项工程系统名称/编号给水系统/SSX-22设计或规范要求:冷水管道采用薄壁不锈钢管。
管径小于DN100时环压式连接,管径大于DN100时沟槽连接。
给水立管穿楼板处需设套管。
管道安装后进行水压试验,给水管道在运行前进行冲洗、消毒。
规范要求:给水管道必须采用与管材相适应的管件,管道的支、吊架应安装平整牢固,其间距符合规范GB50242中第3.3.8条的规定。
隐蔽内容及部位:隐蔽部位:三层吊顶内薄壁不锈钢管给水管道安装。
内容:1、给水管道JL-0-1,采用环压式连接,DN50-20米,DN40-25米,DN32-18米,DN25-6米。
2、水平给水管道泄水坡度:2‰-5‰。
3、按设计要求进行强度及严密性水压试验和冲洗、消毒。
4、管道的支、吊架安装平整牢固,其间距符合规范GB50242中第3.3.8条的规定。
检查结果:经检查,管道的材质、规格、连接方式,安装位置,坡向坡度,阀门安装,支、吊架的设置,管道的水压试验等均符合设计及规范要求。
检查人:验收意见:经检查,符合设计要求,质量合格,同意隐蔽,可以进行下道工序施工。
验收人:符合设计及规范要求专业施工负责人:施工单位项目经理:年月日专业监理工程师:(建设单位项目负责人)年月日给水管道工程隐蔽验收记录 SN2. 3工程名称省特种设备安全监督检验与操作培训实验基地建设单位江苏省质量技术监督局分项工程名称给水管道及配件安装分项工程系统名称/编号给水系统/SSX-50设计或规范要求:冷水管道采用薄壁不锈钢管。
管径小于DN100时环压式连接,管径大于DN100时沟槽连接。
给水立管穿楼板处需设套管。
管道安装后进行水压试验,给水管道在运行前进行冲洗、消毒。
规范要求:给水管道必须采用与管材相适应的管件,管道的支、吊架应安装平整牢固,其间距符合规范GB50242中第3.3.8条的规定。
隐蔽工程验收单(水电)
XXX已完成以下隐蔽工程(水电)验收单:
1.水管电线材料符合公司要求,品牌经过检查合格。
2.水管线管铺设达到横平竖直的标准,确保安全。
3.所有电线采用∮16-∮20PVC阻热管套管铺设,并用弯头直接﹑接线盒等连接,保证电线的安全性。
4.电线与电话线、闭路线不得安装在同一管道,以防短路等安全问题。
5.开关插座位置达到设计要求,普通插座采用2.5平方电线,卫生间、厨房、空调插座采用4平方电线,照明采用1.5平方电线,采用四个回路,其中厨房、卫生间为单独回路,确保电器的正常使用。
6.水路压力测试≥0.6帕且接头无漏水渗水现象,确保水路的正常使用。
7.给水预留接口位置正确,管口用堵头封闭;冷热水管位置正确,左热右冷,上热下冷;水管用关卡固定牢固,确保水管的正常使用。
8.排水管道布置合理,防止堵塞等问题。
经过检查,XXX的隐蔽工程(水电)验收单已通过验收。
客户、工长和监理均已签字确认。
填表日期为年月日。