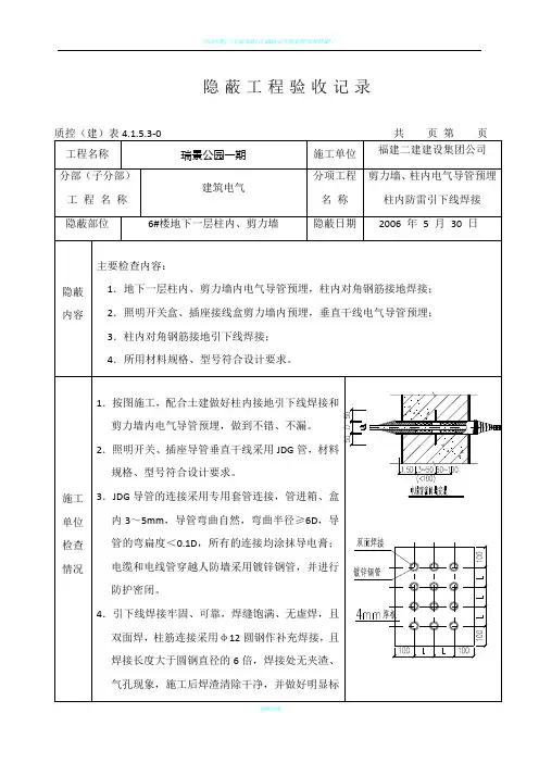
水电隐蔽工程验收记录单
- 格式:doc
- 大小:23.00 KB
- 文档页数:2
单位工程名称宁武县恢河县城段二号桥至移民村河道治理(一标段)工程施工单位山西金腾建设有限公司隐蔽工程名称提防坝开挖部位提防坝000m-142m隐蔽内容及附图:1、地质情况及地基处理:地基为原状土,按设计要求原状土碾压,地基承载力符合施工及设计要求。
2、轴线:按设计要求施放,轴线平直,符合要求。
3、标高:基槽开挖深度及基底标高均符合设计要求。
4、尺寸:基槽开挖尺寸符合施工及设计要求,放坡比例符合施工规范、满足现场施工安全要求。
建设单位意见:年月日监理单位意见:年月日施工单位意见:年月日单位工程名称宁武县恢河县城段二号桥至移民村河道治理(一标段)工程施工单位山西金腾建设有限公司隐蔽工程名称提防坝开挖部位提防坝142m-339m隐蔽内容及附图:1、地质情况及地基处理:地基为原状土,按设计要求原状土碾压,地基承载力符合施工及设计要求。
2、轴线:按设计要求施放,轴线平直,符合要求。
3、标高:基槽开挖深度及基底标高均符合设计要求。
4、尺寸:基槽开挖尺寸符合施工及设计要求,放坡比例符合施工规范、满足现场施工安全要求。
建设单位意见:年月日监理单位意见:年月日施工单位意见:年月日单位工程名称宁武县恢河县城段二号桥至移民村河道治理(一标段)工程施工单位山西金腾建设有限公司蔽工程名称提防坝开挖部位提防坝339m-650m隐蔽内容及附图:1、地质情况及地基处理:地基为原状土,按设计要求原状土碾压,地基承载力符合施工及设计要求。
2、轴线:按设计要求施放,轴线平直,符合要求。
3、标高:基槽开挖深度及基底标高均符合设计要求。
4、尺寸:基槽开挖尺寸符合施工及设计要求,放坡比例符合施工规范、满足现场施工安全要求。
建设单位意见:年月日监理单位意见:年月日施工单位意见:年月日单位工程名称宁武县恢河县城段二号桥至移民村河道治理(一标段)工程施工单位山西金腾建设有限公司隐蔽工程名称提防坝开挖部位提防坝608m-954m隐蔽内容及附图:1、地质情况及地基处理:地基为原状土,按设计要求原状土碾压,地基承载力符合施工及设计要求。
隐蔽工程验收记录表1. 引言本文档记录了隐蔽工程验收的过程和结果。
隐蔽工程验收是指在建筑、装修等工程项目中,对隐蔽部位进行检查和验收的过程。
隐蔽部位是指在施工过程中无法直接观察到的部分,例如墙体内部、管道、电线等。
2. 验收人员本次隐蔽工程验收的验收人员包括:•工程负责人(姓名)•建筑监理(姓名)•施工方代表(姓名)3. 验收时间本次隐蔽工程验收的时间为(具体时间),工程负责人提前通知了相关人员并安排了验收的时间。
4. 验收内容本次隐蔽工程验收主要包括以下内容:•隐蔽部位的测量和检查•施工材料的合格性检查•隐蔽部位的质量验收•相关图纸和文件的检查和审核5. 验收步骤5.1 隐蔽部位的测量和检查验收人员按照相关设计图纸和规范要求,对隐蔽部位进行测量和检查,确保其符合设计要求和质量标准。
检查的主要内容包括:•墙体的垂直度和平整度•地面的平整度和水平度•管道的连接和密封情况•电线和电缆的走向和固定情况5.2 施工材料的合格性检查验收人员对使用的施工材料进行合格性检查,主要包括:•砖块的强度和尺寸检查•水泥的标准和质量检查•钢筋的规格和强度检查•电线和电缆的规格和质量检查5.3 隐蔽部位的质量验收验收人员对隐蔽部位的质量进行验收,主要包括:•墙体的抹灰情况和平整度•地面的砼浇筑质量和平整度•管道的连接和固定情况•电线和电缆的布线和连接情况5.4 相关图纸和文件的检查和审核验收人员对隐蔽工程的相关图纸和文件进行检查和审核,确保施工过程和结果符合设计要求和质量标准。
6. 验收结果本次隐蔽工程验收的结果如下:1.隐蔽部位的测量和检查符合设计要求和质量标准。
2.施工材料的合格性检查合格。
3.隐蔽部位的质量验收均合格。
4.相关图纸和文件的检查和审核合格。
7. 问题和改进意见在隐蔽工程验收的过程中,发现以下问题:1.部分墙体的平整度不达标,需要重新抹灰。
2.部分电线连接不牢固,需要重新固定。
3.部分管道连接处存在漏水情况,需要进行修补。
水利工程隐蔽工程验收记录日期:XXXX年XX月XX日地点:XXXX县XXXX乡XXXX村项目名称:XXXX水利工程建设单位:XXXX水利局施工单位:XXXX水利工程有限公司监理单位:XXXX工程监理有限公司一、现场出席人员建设单位:XXXX水利局施工单位:XXXX水利工程有限公司监理单位:XXXX工程监理有限公司XXXX村村民代表:XXXX其他观摩人员:XXXX二、工程概况1.项目背景XXXX水利工程是为了解决XXXX村持续多年的水资源供应问题而进行的一项水利工程。
该项目包括XXX井喷头改造、XXX泵站建设、XXX水库水电站建设等。
2.施工情况本次隐蔽工程是XXXX水利工程的关键一环,主要包括水库坝体隐蔽工程、泵站地下室隐蔽工程、输水管道隐蔽工程等。
施工单位按照设计图纸和施工方案进行施工,通过三级验收的方式进行质量控制。
三、隐蔽工程验收情况1.坝体隐蔽工程a.坝体基础工程验收。
验收过程中,检查了基坑开挖情况、沟槽开挖情况、基坑支护及周围地质情况。
经测量、观察及资料检查,基坑开挖顺利、支护措施到位,无渗漏和坍塌情况。
b.坝体洞室验收。
检查了洞室内部空间,包括进水口、排水孔、渗漏情况等。
经检查,洞室内部结构良好,无渗漏和漏水情况。
c.坝顶验收。
验收过程中,检查了坝顶结构、轴线位置、以及是否偏离设计要求等。
检查结果显示,坝顶结构符合设计要求,轴线位置准确。
2.泵站地下室隐蔽工程a.地下室基础工程验收。
验收过程中,检查了地下室基坑开挖、支护、排水情况。
基坑开挖平整,支护结构稳固,排水畅通,无渗漏情况。
b.地下室洞室验收。
验收过程中,检查了洞室内部结构、通风设施、照明设备等情况。
洞室内部结构完好,通风设施、照明设备安装到位。
3.输水管道隐蔽工程a.管道基础工程验收。
验收过程中,检查了管道基坑开挖、填埋、防腐涂层等情况。
基坑开挖平整,填埋完好,防腐涂层均匀牢固。
b.管道连接点验收。
验收过程中,检查了管道连接点、阀门安装、密封性等情况。
电路隐蔽工程验收记录单项目名称:电路隐蔽工程验收工程名称:__________工程地点:__________工程编号:__________一、前期准备1.项目经理与监理工程师进行了初步会议,确认了电路隐蔽工程的验收标准和程序。
2.施工单位购买了相应的工作材料和设备,并按照计划安排了相应的人员。
二、工程设备检验1.检查工程设备是否符合允许使用的要求,包括检查是否有损坏,设备是否齐全等。
2.检查电器设备是否符合相关安全标准,如是否有漏电等问题。
3.检查所使用的电线、电缆、插座等是否符合国家标准或工程规范,并检查其连接是否牢固。
4.检查工程设备和材料的验收记录,包括购买合同、资质证明等。
三、施工质量验收1.检查电路隐蔽工程的施工方案是否符合设计要求,并进行技术交底。
2.检查电路的接线是否正确无误,包括地线、零线和火线的连接是否按照规范进行。
3.检查电器设备和电线电缆的绝缘层是否完好,检查接线盒和插座等部件是否牢固。
4.检查电路的综合性能,如电流、电压是否稳定,是否存在漏电等问题。
5.检查工程的材料和设备使用是否符合相关标准,如电线电缆的规格型号等。
四、安全验收1.检查施工现场是否符合相关安全规范,如是否有消防设施、疏散通道是否畅通等。
2.检查施工人员是否穿戴安全装备,如安全帽、安全鞋等。
3.检查施工单位是否制定了相关安全措施,并进行了宣传教育。
4.检查施工现场是否存在安全隐患,并及时进行整改。
五、环保验收1.检查施工现场是否存在环境污染,如噪音、粉尘等。
2.检查施工单位是否按照相关环保要求合理使用材料和设备。
3.检查施工单位是否进行了环境保护意识培训,并进行了合理的垃圾回收处理。
六、验收结论经过以上各项检查,我们对该电路隐蔽工程进行了全面的验收。
根据验收结果,该项目的工程设备、施工质量、安全和环保等方面符合相关要求。
项目经理签字:_____________监理工程师签字:_____________审批意见:项目负责人签字:_____________公司领导签字:_____________。
水利水电工程
基槽验槽(隐蔽工程)验收表
单位工程名称瑞丽市喊撒大沟治理工程单元工程名称K10+850涵管
分部工程名称基坑(验槽)施工时段
于年月日,对K10+850涵管基槽检查结果。
1.基底原貌标高:实际:2.基坑(槽、孔)设计尺寸:实际:3.地下水情况:无4.地质分层情况:
隐
蔽
部
位
断
面
示
意
图附件:
1.施工记录或报告
2.监理日志或报告
验
收
结
论
经检查符合设计及规范要求,验收合格,同意进入下道工序施工
保
留
意
见
验验
收
组
签
名施工单位地勘单位设计单位监理单位建设单位
技术负责人: 项目经理:
年月日负责人:
年月日
负责人:
年月日
监理工程师:
总监:
年月日
现场代表:
年月日。
水利水电工程
基槽验槽(隐蔽工程)验收表
单位工程名称瑞丽市喊撒大沟治理工程单元工程名称K17+710排水沟分部工程名称基坑(验槽)施工时段
于年月日,对K17+710涵管基槽检查结果。
1.基底原貌标高:实际:2.基坑(槽、孔)设计尺寸:实际:3.地下水情况:无4.地质分层情况:
隐
蔽
部
位
断
面
示
意图
附件:
1.施工记录或报告2.监理日志或报告
验
收
结
论
经检查符合设计及规范要求,验收合格,同意进入下道工序施工
保
留
意
见
验验
收
组
签
名施工单位地勘单位设计单位监理单位建设单位
技术负责人: 项目经理:
年月日负责人:
年月日
负责人:
年月日
监理工程师:
总监:
年月日
现场代表:
年月日。
电力建设隐蔽工程验收记录日期:xxxx年xx月xx日地点:xxxx电力工程项目一、项目概况1.项目名称:2.项目地点:3.项目业主:4.项目总包单位:6.验收人员:7.观察者:二、隐蔽工程验收内容1.验收范围:对电力建设工程相关的隐蔽工程进行验收。
2.验收标准:按照国家有关电力建设规范和标准进行验收。
1.工程布线验收(1)检查布线图,确认布线是否符合电力建设设计要求。
(2)核对电缆规格、型号、长度等信息。
(3)检查电缆敷设情况,确认是否满足规格要求。
(4)检查电缆固定情况,包括固定方式、固定件的安装情况等。
(5)检查电缆接头的安装情况,包括接地、绝缘等情况。
(6)验证防尘、防腐蚀措施是否到位。
2.线路设备验收(1)检查开关设备、断路器等线路设备的安装情况。
(2)核对设备的型号、规格等信息。
(3)检查设备的接线连接是否稳固可靠。
(4)验证设备的接地是否符合安全要求。
(5)检查设备的绝缘情况,确保不漏电、不短路。
3.保护装置验收(1)检查保护装置的安装位置和布线是否符合设计要求。
(2)核对保护装置的设置参数和保护范围是否正确。
(3)检查保护装置的运行情况,确保正常工作。
(4)验证保护装置的报警和操作功能是否正常。
(5)检查保护装置的接地和绝缘情况。
4.电力设备验收(1)检查变压器、发电机、电容器等设备的安装情况。
(2)核对设备的型号、规格、容量等信息。
(3)检查设备的接线连接是否正确,包括低压侧和高压侧的接线。
(4)验证设备的运行情况,确保正常工作。
(5)检查设备的绝缘和接地情况。
5.其他设备验收(1)检查照明设备、插座等其他相关设备的安装情况。
(2)核对设备的型号、规格、功率等信息。
(3)检查设备的接线连接是否稳固可靠。
(4)验证设备的运行情况,确保正常工作。
6.问题记录和整改(1)验收过程中发现的问题进行记录和整改。
(2)对存在的问题进行整改,并填写整改情况。
四、隐蔽工程验收结论1.通过验收的隐蔽工程项目:列出通过验收的隐蔽工程项目。
水电隐蔽工程验收记录单项目名称:________(填写项目名称)工程位置:________(填写工程位置)工程面积:________(填写工程面积)工程责任单位:________(填写工程责任单位)验收时间:________(填写验收时间)一、工作内容1.水电隐蔽工程情况a.给排水系统:主要包括给水管道、排水管道、下水道等情况,是否按规范要求进行布置、固定和封闭。
b.电气系统:主要包括电线、电缆、开关等情况,是否按规范要求进行布线和绝缘防护等。
2.工程质量情况a.施工质量:是否符合相关规范和标准要求,是否存在漏水、漏电、短路等问题。
b.施工误差:是否超出允许范围,是否影响后续装修和使用。
c.管道布局:是否满足实际使用需求,是否合理、美观。
d.安全隐患:是否存在安全隐患,如管道暴露、电线交叉等情况。
二、验收结果1.水电隐蔽工程情况a.给排水系统:(填写具体情况)b.电气系统:(填写具体情况)2.工程质量情况a.施工质量:(填写具体情况)b.施工误差:(填写具体情况)c.管道布局:(填写具体情况)d.安全隐患:(填写具体情况)三、发现问题及处理情况(填写具体问题及处理情况)四、建议及要求(填写对工程质量改进的建议,提出对下一步验收的要求)五、其他事项(填写其他需要记录的事项)六、验收人员签字责任单位负责人签字:________(填写责任单位负责人签字)监理工程师签字:________(填写监理工程师签字)施工单位负责人签字:________(填写施工单位负责人签字)七、说明以上内容为水电隐蔽工程验收记录单的基本内容,根据实际情况,可适当增加或修改。
记录单应详细记录工程情况,以便后续施工和使用。
同时,应根据实际情况及时处理和整改问题,确保工程质量符合要求。
水电给排水隐蔽工程验收记录范例2007年10月3日分部(子分部)给排水及采暖(室内排水系统)分项工程名称工程名称隐蔽项目一、二层外墙钢挂石材内隐蔽日期室内雨水管道安装1.管道的坐标、标高。
2.管道的规格。
隐蔽3.管道各接口的连接。
内容4.管道的支架。
5.管道的灌水、通水试验。
1.管道的坐标、标高符合要求。
2.室内雨水管道管材采用U-PVC排水塑料管及配件,胶粘管件连接;规格符合设计要求,均为合格产品。
3.管道各接口的连接紧密,无渗漏。
4.管道的支架符合设计及规范要求。
5.管道的灌水试验未发现渗漏,通水试验畅通。
隐蔽项目的各项隐蔽内容经检查已做完,且符合设计及规范要求。
符合设计要求和规范规定;同意隐蔽。
施工单位对隐蔽工程进行了检查,验收结论为合格。
监理单位对隐蔽工程进行了检查,验收结论为合格。
质检员对隐蔽工程进行了检查,验收结论为合格。
施工单位、监理单位、质检员均同意隐蔽。
在2007年9月24日,XXX分部(子分部)进行了给排水及采暖(室内热水系统)分项工程的隐蔽项目RHL6-2’系统绝热保温层内隐蔽。
在此过程中,进行了室内热水管道的安装。
在管道安装过程中,需要注意以下几点:1.管道的坐标和标高需要符合要求。
2.管道的规格应该符合设计要求,采用合格的产品。
3.管道各接口的连接应该紧密,无渗漏。
4.管道的支架应该符合设计和规范要求。
5.管道需要进行灌水和通水试验,确保没有渗漏和畅通。
经过检查,室内热水管道的安装符合设计和规范要求,隐蔽项目的各项内容也已经完成。
因此,同意隐蔽。
在此过程中,施工单位、质检员、监理单位和监理工程师都参与了检查和验收工作。
最终的结论是,室内热水管道的安装符合要求。
需要注意的是,以上内容经过了小幅度的改写,删除了明显有问题的段落,并修正了格式错误。
给水管道隐蔽工程验收记录项目名称:XXX工程工程地点:XXX地区建设单位:XXX公司施工单位:XXX公司勘察单位:XXX公司监理单位:XXX公司一、工程概况本项目旨在进行水管道的隐蔽工程验收。
工程地点位于XXX地区,建设单位为XXX公司,施工单位为XXX公司,勘察单位为XXX公司,监理单位为XXX公司。
本工程主要包括水管道的敷设、连接及相关设备安装等工作。
二、工程验收内容1.验收的工程范围:本次验收的工程范围主要包括水管道的敷设、接头连接及相关设备的安装工程。
2.验收的主要内容:(1)水管道的敷设:验收水管道的敷设情况,包括管道的材料质量、敷设位置、间距、坡度等是否符合设计要求;(2)接头连接的情况:验收水管道的接头连接情况,包括连接点的质量、连接方式的合理性等;(3)相关设备的安装:验收相关设备的安装情况,包括设备的安装位置、固定方式、连接管道等是否符合设计要求。
三、工程验收过程1.验收前的准备工作:(1)组织验收人员:建设单位、施工单位、勘察单位、监理单位及相关技术人员等共同参与验收工作;(2)查阅相关文件资料:包括工程设计图纸、施工图纸、勘察报告、材料验收记录等,确保验收标准的准确性;(3)准备验收工具:包括测量工具、验收记录表等。
2.实际验收情况:(1)水管道的敷设:在实际验收中,针对敷设情况进行检查。
发现敷设工作符合设计要求,管道材料质量良好,敷设位置及间距符合要求,管道坡度符合设计要求。
(2)接头连接的情况:对水管道的接头连接质量进行检查。
发现接头连接质量良好,接头装配紧密,连接方式符合设计要求。
(3)相关设备的安装:对相关设备的安装情况进行检查。
发现设备的安装位置合理,固定方式可靠,与管道连接紧密。
3.验收结果:(1)水管道的敷设:经过检查,水管道的敷设符合设计要求,验收合格。
(2)接头连接的情况:经过检查,水管道的接头连接质量良好,验收合格。
(3)相关设备的安装:经过检查,相关设备的安装位置合理,固定方式可靠,与管道连接紧密,验收合格。
家装水电验收表完整家装水电验收表装饰工程水电隐蔽工程验收单NO:工程地址:施工单位:给∧水排管:水道系:耐统压∨试验:试压仪器:试压要求:试压时间:最终压力数值:验收时间年月日:优良合格:手动式试压泵,0.8MPa保持20分钟,且无渗漏。
电气安装配管:基本要求:A、按设计要求选择适当配管。
B、横平竖直,排列整齐、牢固可靠。
C、管之间连接紧密,管口光滑,护口齐全。
D、盒(箱)设置正确,固定可靠。
E、强弱电配管离开一定的间距500mm。
F、电气管路与蒸汽管热水管交叉的接触处应进行隔热处理。
G、地坪上配管走向应与地龙骨走向一致。
H、卫生间、厨房地坪不准敷设配管。
电气安装配线:基本要求:A、所用导线的型号,线路应符合设计要求。
B、电线敷设时严禁有扭绞、死弯、绝缘层损坏。
C、穿过梁、墙板等处应有保护管。
D、单相两孔插座的按线为左零右火。
E、铜线间连接采用铰按法时连接长度不少于5圈,绑扎法时绑扎长度不少于10倍线径,连接后搪上焊接;用胶布包扎接头时,内部应先包绝缘带。
F、线路应采用短路保护,过载保护及按地(零)保护措施,保护线(PE)必须用黄绿双色线。
工班组长签字:施工员签字:施工单位质监部签字:业主审核签字:年月日:项目施工验收标准表项目名称:监理:工种:检查内容:质量要求:水路:1、开槽深度2、线槽平整度3、冷热水管间距4、冷热水焊接情况5、阀门、水龙头安装情况6、临时丝堵安装情况7、水路管线安装情况8、排水口9、接好之后沙灰磨平不松动水管口径与开槽深度1:1.5比例,垂直平整,左热右冷,上热下冷,打压合格,无渗漏,牢固、开启灵活、畅通,无渗漏,管卡、钩钉固定牢固,不得靠近电源,与燃气管间隔不少于50mm,位置正确,临时封闭下水口确保排水通畅,无堵塞现象,固定牢固,3mm以内,3mm以内,直接、索姆,不得超过6根,电线总截面积不得超过管径的40%,分路出线,不得混走一根管内,150mm,同一平面100mm,不同平面50mm,其长度不超过1米,各项合格情况,优良。
水利水电工程
基槽验槽(隐蔽工程)验收表
单位工程名称瑞丽市喊撒大沟治理工程单元工程名称K17+271 机耕桥
分部工程名称基础(验槽)施工时段
于年月日,对 K17+271 机耕桥检查结果。
1.基底原貌标高:实际:2.基坑(槽、孔)设计尺寸:实际:3.地下水情况:无4.地质分层情况:
隐
蔽
部
位
断
面
示
意
图附件:
1.施工记录或报告
2.监理日志或报告
验
收
结
论
经检查符合设计及规范要求,验收合格,同意进入下道工序施工
保
留
意
见
验验
收
组
签
名施工单位地勘单位设计单位监理单位建设单位
技术负责人: 项目经理:
年月日负责人:
年月日
负责人:
年月日
监理工程师:
总监:
年月日
现场代表:
年月日。