RS-485之信号反射与终端电阻
- 格式:pdf
- 大小:516.96 KB
- 文档页数:5
终端电阻的含义
高频信号传输时,信号波长相对于传输线较短,信号在传输终端会形成反射波,干扰原信号,所以在传输末端要加终端电阻,使信号到达传输末端后不反射。
对于低频信号则不用,在长线信号传输时,一般避免信号的反射和回波,也需要在接受终端接入终端电阻匹配。
终端匹配电阻取决于电缆的阻抗特性,与电缆长度无关。
RS485/RS422一般采用双绞线连接(屏蔽或非屏蔽),终端电阻一般介于100-140欧姆,典型值为120欧姆,在实际配置中,在电缆的缆的两个终端节点上,起始端和最远端各接入一个终端电阻,儿处于中间的各节点,不能接入终端电阻,否则将导致通讯失误。
终端电阻的作用:一般说法:终端电阻是为了消除在电缆中的信号反射,在通信中有两种情况导致信号反射,阻抗不连续和阻抗不匹配,1.阻抗不连续,信号在传输线末端突然遇到电缆阻值很小,甚至没有,信号在这个地方就会引起反射,这种信号反射原理,与光从一种介质进入另一种介质原理相似,消除这种反射,就必须在电缆末端跨接一个与电缆的特性阻抗同样大小到的终端电阻,使电缆阻抗连续,由于信号在电缆上的传输是双向的,引起信号反射的另一原因是数据收发器与传输电缆之间的阻抗不匹配,这种原因引起的反射主要表现在通讯线路在恐闲方式时,整个网络数据混乱,要减弱反射信号对通讯线路的影响,通常采用噪声抑制和加偏置电阻的方法。
RS485通讯原理,采用两根双绞线,一根A+或信号正极,一根A-或信号负极,采用差分信号,正信号在+2--+6V之间,负信号在-2---6V之间。
RS422通讯原理,采用四根线。
发射+,发射-,接收+,接收-.
RS232通讯原理,三根线,发射2-3,接受3-2. 5-5GND,发射和GND比较电压,接受和GND 比较电压,记录电压即可。
RS485组网通讯RS485简介智能仪表是随着80 年代初单片机技术的成熟而发展起来的,现在世界仪表市场基本被智能仪表所垄断。
究其原因就是企业信息化的需要,企业在仪表选型时其中的一个必要条件就是要具有联网通信接口。
最初是数据模拟信号输出简单过程量,后来仪表接口是RS232接口,这种接口可以实现点对点的通信方式,但这种方式不能实现联网功能。
随后出现的RS485解决了这个问题。
下面我们就简单介绍一下RS485。
RS485接口RS485 采用差分信号负逻辑,+2V~+6V表示“0”,- 6V~- 2V表示“1”。
RS485有两线制和四线制两种接线,四线制只能实现点对点的通信方式,现很少采用,现在多采用的是两线制接线方式,这种接线方式为总线式拓朴结构在同一总线上最多可以挂接32个结点。
在RS485通信网络中一般采用的是主从通信方式,即一个主机带多个从机。
很多情况下,连接RS-485通信链路时只是简单地用一对双绞线将各个接口的“A”、“B”端连接起来。
而忽略了信号地的连接,这种连接方法在许多场合是能正常工作的,但却埋下了很大的隐患,这有二个原因:(1)共模干扰问题:RS-485接口采用差分方式传输信号方式,并不需要相对于某个参照点来检测信号,系统只需检测两线之间的电位差就可以了。
但人们往往忽视了收发器有一定的共模电压范围, RS-485收发器共模电压范围为-7~+12V,只有满足上述条件,整个网络才能正常工作。
当网络线路中共模电压超出此范围时就会影响通信的稳定可靠,甚至损坏接口。
(2)EMI问题:发送驱动器输出信号中的共模部分需要一个返回通路,如没有一个低阻的返回通道(信号地),就会以辐射的形式返回源端,整个总线就会像一个巨大的天线向外辐射电磁波。
由于PC机默认的只带有RS232接口,有两种方法可以得到PC上位机的RS485电路:(1)通过RS232/RS485转换电路将PC机串口RS232信号转换成RS485信号,对于情况比较复杂的工业环境最好是选用防浪涌带隔离珊的产品。
dp通讯采用的是rs485通讯,rs485采用差分信号负逻辑,+2V~+6V表示“0”,- 6V~- 2V 表示“1”。
从图中可见,当开关拨至“ON”时,A1和B1两端和终端电阻相连,所以在DP网络的终端只能接A1和B1,否则不能连接终端电阻。
当开关拨至“OFF”时,终端电阻和数据线断开,A1和A2,B1和B2相连,串起网络上的设备。
平时使用只用到了DB9(针)插头的3和8两个引脚,判断DP网络硬件连接是否正常首先要保证数据线连接牢固,而检测的最好方法就是测量3,8引脚之间的电阻。
如果接线牢固,那么当开关拨至“ON”时3,8之间的电阻为220欧姆,当开关拨至“OFF”时电阻为无穷大。
我们可以在一个DB9(孔)接头的3,8引脚焊接两根电线,电线的另一端各焊接一个可以插入万用表的表笔头。
使用时将两个表笔头插入万用表,使用欧姆档,将制作的DB9(孔)插头插到DP网络的一个终端接头上,所有电阻开关均拨至“OFF”,然后从这个终端开始,依次将开关拨至“ON”,观察万用表读数,如果为220欧姆,则该节点正常,然后将开关拨至“OFF”,测量下一节点。
如果那个节点电阻不正常则该节点接线有误。
很多时候DP网络不通都是接线造成的,做好DP电缆后使用以上的方法测试一遍再连接DP 设备可以保证硬件连接正确,提高调试效率。
在通讯中,增加终端电阻的作用是什么?(1)一般说法:终端电阻是为了消除在通信电缆中的信号反射。
在通信过程中,有两种原因因导致信号反射:阻抗不连续和阻抗不匹配。
阻抗不连续,信号在传输线末端突然遇到电缆阻抗很小甚至没有,信号在这个地方就会引起反射。
这种信号反射的原理,与光从一种媒质进入另一种媒质要引起反射是相似的。
消除这种反射的方法,就必须在电缆的末端跨接一个与电缆的特性阻抗同样大小的终端电阻,使电缆的阻抗连续。
由于信号在电缆上的传输是双向的,因此,在通讯电缆的另一端可跨接一个同样大小的终端电阻。
引起信号反射的另个原因是数据收发器与传输电缆之间的阻抗不匹配。
在通讯中,增加终端电阻的作用是什么?(1)一般说法:终端电阻是为了消除在通信电缆中的信号反射。
在通信过程中,有两种原因因导致信号反射:阻抗不连续和阻抗不匹配。
阻抗不连续,信号在传输线末端突然遇到电缆阻抗很小甚至没有,信号在这个地方就会引起反射。
这种信号反射的原理,与光从一种媒质进入另一种媒质要引起反射是相似的。
消除这种反射的方法,就必须在电缆的末端跨接一个与电缆的特性阻抗同样大小的终端电阻,使电缆的阻抗连续。
由于信号在电缆上的传输是双向的,因此,在通讯电缆的另一端可跨接一个同样大小的终端电阻。
引起信号反射的另个原因是数据收发器与传输电缆之间的阻抗不匹配。
这种原因引起的反射,主要表现在通讯线路处在空闲方式时,整个网络数据混乱。
要减弱反射信号对通讯线路的影响,通常采用噪声抑制和加偏置电阻的方法。
在实际应用中,对于比较小的反射信号,为简单方便,经常采用加偏置电阻的方法。
(2)永宏PLC手册:信号传输电路由于各种传输线都有其特性阻抗(以Twisted Pair 而言约为120Ω)。
当信号在传输线中传输至终端时,如果它的终端阻抗和特性阻抗不同时,将会造成反射,而使信号波形失真(凹陷或凸出)。
该失真的现象在传输线短时并不明显,但随着传输线的加长会更加严重,致使无法正确传输,这时就必须加装终端电阻(Terminator)。
FBs-PLC 内部已安装有120Ω终端电阻,要施加终端电阻时请打开PLC 通讯盖板,将指拨开关调到〝ON〞的位置上(出厂时指拨是置于〝OFF〞位置),但注意终端电阻只能在Bus 的最左和最右的两侧PLC上施加,两侧间的所有PLC 指拨需置于〝OFF〞位置,否则会造成RS-485 推动能力不足。
一个485网络,可能最多会有32个设备接上去,线长最大为1千米。
这个终端负载电阻线路的两端用阻抗匹配电阻,是所有的电阻都是XXX欧,还是这么多并起来的等效电阻值是120欧(是芯片的资料上给出的终端负载电阻).终端电阻和偏置电阻一个正规的RS-485网络(比如MPI,DP)应使用终端电阻和偏置电阻。
rs485电路ab的上下拉电阻RS485电路是一种常用的通信接口标准,主要应用于长距离串行数据传输。
在RS485电路中,上下拉电阻(Pull-Up和Pull-Down Resistor)起到了至关重要的作用。
本文将详细介绍RS485电路中上下拉电阻的原理、作用、选择及相关注意事项。
一、上下拉电阻的作用1.定义信号电平:上下拉电阻用于定义信号电平,即将信号引脚拉高或拉低到特定的电压水平。
在RS485电路中,上下拉电阻通常用于定义引脚在空闲状态时的电平。
2.提供稳定参考电平:上下拉电阻通过连接到正电压或负电压源,为信号引脚提供一个稳定的参考电平,使电路能够正常工作。
3.抑制电源噪声和干扰:上下拉电阻能够起到滤波的作用,将电源噪声和干扰从信号引脚上滤除,提高信号传输的可靠性。
4.对抗线路驱动能力限制:上下拉电阻能够增加信号引脚的驱动能力,降低由于线路阻抗不匹配而引起的信号衰减和失真。
特别是在长距离传输时,上下拉电阻对保持信号的完整性和减小反射有非常重要的作用。
二、上下拉电阻的原理上下拉电阻实际上是将信号接到一个电压源上,使信号引脚在空闲状态时有一个稳定的电平。
当信号源未驱动信号引脚时,上下拉电阻提供的电压将使引脚保持在一个确定的状态。
1.上拉电阻(Pull-Up Resistor):上拉电阻将信号引脚连接到正电压源上,使引脚在空闲状态下保持高电平。
上拉电阻的值通常为1kΩ到10kΩ。
2.下拉电阻(Pull-Down Resistor):下拉电阻将信号引脚连接到负电压源上,使引脚在空闲状态下保持低电平。
下拉电阻的值通常也为1kΩ到10kΩ。
三、上下拉电阻的选择在选择上下拉电阻时,需要考虑以下几个因素:1.电阻值:上下拉电阻的值一般选择1kΩ到10kΩ,根据具体应用的要求进行选取。
一般而言,较大的电阻值能够减小功耗,而较小的电阻值能够提高驱动能力。
2.电源电压:选择上下拉电阻的值时,需要考虑电源电压以及最大输入电流。
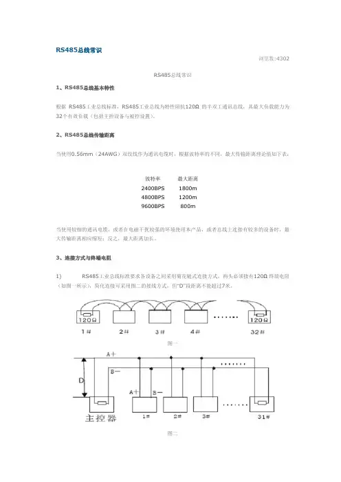
RS485总线常识浏览数:4302RS485总线常识1、RS485总线基本特性根据RS485工业总线标准,RS485工业总线为特性阻抗120Ω的半双工通讯总线,其最大负载能力为32个有效负载(包括主控设备与被控设置)。
2、RS485总线传输距离当使用0.56mm(24AWG)双绞线作为通讯电缆时,根据波特率的不同,最大传输距离理论值如下表:波特率最大距离2400BPS 1800m4800BPS 1200m9600BPS 800m当使用较细的通讯电缆,或者在电磁干扰较强的环境使用本产品,或者总线上连接有较多的设备时,最大传输距离相应缩短;反之,最大距离加长。
3、连接方式与终端电阻1) RS485工业总线标准要求各设备之间采用菊花链式连接方式,两头必须接有120Ω终端电阻(如图一所示),简化连接可采用图二的接线方式,但“D”段距离不能超过7米。
图一图二2) 球机终端120Ω匹配电阻的连接方式球机终端120Ω匹配电阻可通过在球机底盘上的拨码开关拨码来连接,如图三所示。
球机出厂时,120Ω匹配电阻默认为未接入,可通过把拨码开关的第10位拨到ON,把120Ω匹配电阻接入线路。
反之,如果不接入120Ω匹配电阻,则把第10位拨到OFF即可。
图三4、实际应用中的问题实际施工使用中用户常采用星形连接方式,此时终端电阻必须连接在线路距离最远的两个设备上(如图四,1#与15#设备),但是由于该连接方式不符合RS485工业标准的使用要求,因此在各设备线路距离较远时,容易产生信号反射、抗干扰能力下降等问题,导致控制信号的可靠性下降。
此时,出现的现象为球机完全不受控,或自行运转无法停止等。
图四对于这种情况,建议采用增加一个RS485分配器。
该产品可以有效地将星形连接转换为符合RS485工业标准所规定的连接方式,从而避免产生问题,提高通信可靠性,如图五所示。
图五5、RS485总线常见故障解决故障现象可能原因解决方法球机能自检但不能控制1、主机、球机地址、波特率不相符;1、更改主机或球机地址、波特率,使之一致2、RS485总线+、-极性接反;2、调换RS485+、-接线极性;3、接线松脱;3、紧固接线;4、RS485线中间断;4、更换RS485线。
终端电阻在通信中的作用终端电阻是为了消除在通信电缆中的信号反射。
在通信过程中,有两种原因因导致信号反射:阻抗不连续和阻抗不匹配。
阻抗不连续,信号在传输线末端突然遇到电缆阻抗很小甚至没有,信号在这个地方就会引起反射。
这种信号反射的原理,与光从一种媒质进入另一种媒质要引起反射是相似的。
消除这种反射的方法,就必须在电缆的末端跨接一个与电缆的特性阻抗同样大小的终端电阻,使电缆的阻抗连续。
由于信号在电缆上的传输是双向的,因此,在通讯电缆的另一端可跨接一个同样大小的终端电阻。
引起信号反射的另个原因是数据收发器与传输电缆之间的阻抗不匹配。
这种原因引起的反射,主要表现在通讯线路处在空闲方式时,整个网络数据混乱。
要减弱反射信号对通讯线路的影响,通常采用噪声抑制和加偏置电阻的方法。
在实际应用中,对于比较小的反射信号,为简单方便,经常采用加偏置电阻的方法。
一般终端匹配采用终端电阻方法,RS-485应在总线电缆的开始和末端都并接终端电阻。
终接电阻在RS-485网络中取120Ω。
相当于电缆特性阻抗的电阻,因为大多数双绞线电缆特性阻抗大约在100~120Ω。
这种匹配方法简单有效,但有一个缺点,匹配电阻要消耗较大功率,对于功耗限制比较严格的系统不太适合。
另外一种比较省电的匹配方式是RC匹配。
利用一只电容C隔断直流成分可以节省大部分功率。
但电容C的取值是个难点,需要在功耗和匹配质量间进行折衷。
还有一种采用二极管的匹配方法,这种方案虽未实现真正的“匹配”,但它利用二极管的钳位作用能迅速削弱反射信号,达到改善信号质量的目的,节能效果显著。
肖特基二极管“匹配”:当受到功耗限制时,肖特基二极管提供了另外一种终端连接方法。
与前面介绍的方法不同的是,它并不打算与电缆线匹配,而是简单地把反射信号引起的过压或欠压信号进行钳位。
其结果是,总线或接收器输入端电压信号被限制在VCC+VFD(二极管正向导通电压)或GND-VFD范围内。
由于肖特基二极管仅在电压过冲时起作用,因此它们消耗很少一点能量。
[资源分享] 为什么RS485总线要接终端电阻终端电阻是为了消除在通信电缆中的信号反射。
在通信过程中,有两种信号因导致信号反射:阻抗不连续和阻抗不匹配。
阻抗不连续,信号在传输线末端突然遇到电缆阻抗很小甚至没有,信号在这个地方就会引起反射。
这种信号反射的原理,与光从一种媒质进入另一种媒质要引起反射是相似的。
消除这种反射的方法,就必须在电缆的末端跨接一个与电缆的特性阻抗同样大小的终端电阻,使电缆的阻抗连续。
由于信号在电缆上的传输是双向的,因此,在通讯电缆的另一端可跨接一个同样大小的终端电阻。
引起信号反射的另个原因是数据收发器与传输电缆之间的阻抗不匹配。
这种原因引起的反射,主要表现在通讯线路处在空闲方式时,整个网络数据混乱。
要减弱反射信号对通讯线路的影响,通常采用噪声抑制和加偏置电阻的方法。
在实际应用中,对于比较小的反射信号,为简单方便,经常采用加偏置电阻的方法。
补充说明:1.RS-485需要2个终接电阻,接在传输总线的两端,其阻值要求等于传输电缆的特性阻抗。
在短距离传输时可不需终接电阻,即一般在300米以下不需终接电阻。
2. 为了抑制干扰,RS485总线常在最后一台设备之后接入一个120欧的电阻(即为上面所述)。
3.RS-485与RS-422的共模输出电压是不同的。
RS-485共模输出电压在-7V 至+12V之间, RS-422在-7V 至+7V之间,RS-485接收器最小输入阻抗为12KΩ;RS-422是4kΩ;RS-485满足所有RS-422的规范,所以RS-485的驱动器可以用在RS-422网络中应用。
RS485为什么长距离通信时要加一个终端电阻?485的通信方式就是一个正极D+和一个负极D -,两线间的电压为0和1的信号,为什么长距离的时候要加一个终端电阻?在后面并个电阻的作用是什么?个人感觉并不并联这个电阻从电气原理上好像没有太多的意义?这个电阻为什么能识别是整个网络节点中的最后一个设备?最佳答案恩,作为网络传输路径,其中一个重要的指标就是信号反射。
dp通讯采用的是rs485通讯, rs485采用差分信号负逻辑,+2V~+6V表示“0”,- 6V~- 2V 表示“1”。
从图中可见,当开关拨至“ON”时,A1和B1两端和终端电阻相连,所以在DP网络的终端只能接A1和B1,否则不能连接终端电阻。
当开关拨至“OFF”时,终端电阻和数据线断开,A1和A2,B1和B2相连,串起网络上的设备。
平时使用只用到了DB9(针)插头的3和8两个引脚,判断DP网络硬件连接是否正常首先要保证数据线连接牢固,而检测的最好方法就是测量3,8引脚之间的电阻。
如果接线牢固,那么当开关拨至“ON”时3,8之间的电阻为220欧姆,当开关拨至“OFF”时电阻为无穷大。
我们可以在一个DB9(孔)接头的3,8引脚焊接两根电线,电线的另一端各焊接一个可以插入万用表的表笔头。
使用时将两个表笔头插入万用表,使用欧姆档,将制作的DB9(孔)插头插到DP网络的一个终端接头上,所有电阻开关均拨至“OFF”,然后从这个终端开始,依次将开关拨至“ON”,观察万用表读数,如果为220欧姆,则该节点正常,然后将开关拨至“OFF”,测量下一节点。
如果那个节点电阻不正常则该节点接线有误。
很多时候DP网络不通都是接线造成的,做好DP电缆后使用以上的方法测试一遍再连接DP设备可以保证硬件连接正确,提高调试效率。
在通讯中,增加终端电阻的作用是什么?(1)一般说法:终端电阻是为了消除在通信电缆中的信号反射。
在通信过程中,有两种原因因导致信号反射:阻抗不连续和阻抗不匹配。
阻抗不连续,信号在传输线末端突然遇到电缆阻抗很小甚至没有,信号在这个地方就会引起反射。
这种信号反射的原理,与光从一种媒质进入另一种媒质要引起反射是相似的。
消除这种反射的方法,就必须在电缆的末端跨接一个与电缆的特性阻抗同样大小的终端电阻,使电缆的阻抗连续。
由于信号在电缆上的传输是双向的,因此,在通讯电缆的另一端可跨接一个同样大小的终端电阻。
引起信号反射的另个原因是数据收发器与传输电缆之间的阻抗不匹配。
RS-485之信号反射与终端电阻RS-485总线具有结构简单、成本低等优点,但各位工程师在组建RS-485总线网络时,为提升整个网络通信的可靠性,想必会经常会遇到一个问题:需不需要加终端电阻呢?本文将为你解答。
1、终端电阻的作用对于RS-485总线,终端电阻主要是为了匹配通信线的特性阻抗,防止信号反射,提高信号质量。
在组建RS-485总线网络时,通常使用特性阻抗为120Ω的屏蔽双绞线,由于RS-485收发器输入阻抗一般较高(例如RSM485ECHT输入阻抗为96kΩ,最多可连接256个节点),在信号传输到总线末端时会由于受到的瞬时阻抗发生突变(以RSM485ECHT为例,阻抗由120Ω变为96kΩ),导致信号发生反射,影响信号的质量。
RSM485ECHT在1200m,500kbps通信速率的情况下不加终端电阻和加终端电阻的波形如图1和图2所示,终端电阻明显改善了信号的质量。
图1 RSM485ECHT 1200m 500kbps不加终端电阻图2 RSM485ECHT 1200m 500kbps 加终端电阻2、终端电阻带来的问题终端电阻虽然可以提高信号质量,但还具有以下几个问题:1)降低了驱动信号的幅值RS-485总线上的负载越大,RS-485收发器输出差分电压幅值越低,RSM485ECHT在5m,500kbps的情况下不加终端电阻和加终端电阻的波形如图3和图4所示,可以看出驱动信号在增加终端电阻后降低了2V左右。
图3 RSM485ECHT 5m 500kbps 不加终端图4 RSM485ECHT 5m 500kbps 加终端2)增大了通信线上的压降增加终端电阻使通信线缆上的电流增大,产生了较大的压差,降低了接收端的信号幅值。
RSM485ECHT在1200m,115.2kbps首端和末端的信号波形如图5和图6所示(0.75mm2通信线),末端信号与首端信号相比下降了0.7V左右。
图5 RSM485ECHT 1200m 115.2kbps 加终端电阻首端波形图6 RSM485ECHT 1200m 115.2kbps 加终端电阻末端波形3)增大了收发器的功耗增加终端电阻对于接收状态时的工作电流影响不大,但会大大增加驱动状态时的工作电流。
485信号抗⼲扰问题485信号抗⼲扰问题在各种现场中,485总线应⽤的⾮常的⼴泛,但是485总线⽐较容易出现故障,现在将485总线容易出现故障的情况并且可以排除这些故障的⽅法罗列如下:1.由于485信号使⽤的是⼀对⾮平衡差分信号,意味485⽹络中的每⼀个设备都必须通过⼀个信号回路连接到地,以减少数据线上的噪⾳,所以数据线最好由双绞线组成,并且在外⾯加上屏蔽层作为地线,将485⽹络中485设备连接起来,并且在⼀个点可靠接地。
2.在⼯业现场当中,现场情况⾮常复杂,各个节点之间存在很⾼的共模电压,485接⼝使⽤的是差分传输⽅式,有抗共模⼲扰能⼒,但是当共模电压⼤于+12V或者⼩于-9V时,超过485接收器的极限接收电压。
接收器就⽆法⼯作,甚⾄可能会烧毁芯⽚和⼀起设备。
可以在485总线中使⽤485光隔离中继器,将485信号及电源完全隔离,从⽽消除共模电压的影响。
3.485总线随着传输距离的延长,会产⽣回波反射信号,如果485总线的传输距离如果超过100⽶,建议施⼯时在485通讯的开始端和结束端120欧姆的终端电阻。
4.485总线中485节点要尽量减少与主⼲之间的距离,⼀般建议485总线采⽤⼿牵⼿的总线拓扑结构。
星型结构会产⽣反射信号,影响485通信质量。
如果在施⼯过程中必须要求485节点离485总线主⼲的距离超过⼀定距离,使⽤485中继器可以作出⼀个485总线的分叉。
如果施⼯过程中要求使⽤星型拓扑结构,可以使⽤485集线器可以解决这个问题。
5.影响485总线的负载能⼒的因素:通讯距离,线材的品质,波特率,转换器供电能⼒,485设备的防雷保护,485芯⽚的选择。
如果485总线上的485设备⽐较多的话,建议使⽤带有电源的485转换器,⽆源型的485转换器由于时从串⼝窃电,供电能⼒不是很⾜,负载能⼒不够。
选⽤好的线材,如有可能使⽤尽可能低的波特率,选择⾼负载能⼒的485芯⽚,都可以提⾼485总线的负载能⼒。
485设备的防雷保护中的防雷管会吸收电压,导致485总线负载能⼒降低,去掉防雷保护可以提⾼485总线负载能⼒。
485模块是否都要加偏置电阻在设计485接口的时候,看到网上有很多说法加tvs,终端电阻,偏置电阻,串20欧姆小电阻其中终端电阻肯定是只加到两头的只是偏置电阻为什么每个模块都加阿?那片翻译的文章不是说在有没有终端电阻的时候,偏置电阻的选取差别相当大阿。
为什么都加了?难道是认为肯定都回加终端电阻?应该取多大?2楼:>>参与讨论作者:chaochao12 于2006-6-20 0:25:00 发布:--------------------------------------------------------------------------------还有偏置电阻都要往小取可是过小的话会不会引起功耗过大?3楼:>>参与讨论作者:独占一江秋于2006-6-20 9:02:00 发布:--------------------------------------------------------------------------------re必须加,一般阻值120欧。
因为485通讯设备不共地,两台设备通讯线之间电位差可能很大,会烧毁芯片,加电阻作负载形成回路。
4楼:>>参与讨论作者:chunyang 于2006-6-20 9:08:00 发布:--------------------------------------------------------------------------------偏置电阻仅加一处即可当然也可每个节点都加,但参数不同,其终值要等效于485电平规范所需的偏置值,不能太大或太小,太大不起作用,太小会大大增加不必要的功耗并影响通讯距离和信号的沿特性。
匹配电阻加在总线的端点,故亦称终端电阻,只要线路较长必须加,否则信号反射严重,会干扰通讯。
5楼:>>参与讨论作者:chaochao12 于2006-6-20 22:18:00 发布:--------------------------------------------------------------------------------实际做法那实际应用中有很多电路图都是用了10K或4.7K的偏置电阻,是不是作的不合适?因为实际中没准要用多少个模块,有时还不用终端匹配,差的就更多了?作者:chaochao12 于2006-6-20 22:20:00 发布:--------------------------------------------------------------------------------问一江秋在组485网的时候,最好是共地吧?而且120欧姆也是防止信号反射用的啊7楼:>>参与讨论作者:独占一江秋于2006-6-20 23:57:00 发布:--------------------------------------------------------------------------------回chaochao12共地就不叫485啦8楼:>>参与讨论作者:chaochao12 于2006-6-21 0:03:00 发布:--------------------------------------------------------------------------------不对在485规范中当然是不共地的可在实际应用中很多时候都是做成共地的,就是为了防止电位差网上的资料也都是这样写的9楼:>>参与讨论作者:computer00 于2006-6-21 0:11:00 发布:--------------------------------------------------------------------------------规范中也是推荐要地线的^_^10楼:>>参与讨论作者:chunyang 于2006-6-21 10:11:00 发布:--------------------------------------------------------------------------------去我的Blog中看看吧你问的问题都可以找到答案11楼:>>参与讨论作者:独占一江秋于2006-6-21 11:12:00 发布:--------------------------------------------------------------------------------re你资金充足,愿意加当然更好,不过记住地线一定要够粗哦,上公里的通讯距离等电位不那么容易做的作者:chaochao12 于2006-6-21 19:28:00 发布:--------------------------------------------------------------------------------各位老大就是全看完了,才敢问的啊我感觉在节点少,距离短的时候可以不加终端电阻我做的项目中就是这么做的,一点问题也没有只有节点多和距离远的时候才加关于偏置电阻,我一般都没加过,就算要加,我感觉也要根据实际情况算出来再加,而不是直接在模块上加一个固定的电阻不知对否13楼:>>参与讨论作者:独占一江秋于2006-6-21 20:35:00 发布:--------------------------------------------------------------------------------re老弟,做产品不是这样的思路,你要考虑兼容性。
RS-485RS-485总线,在要求通信距离为几十米到上千米时,广泛采用RS-485 串行总线标准。
RS-485采用平衡发送和差分接收,因此具有抑制共模干扰的能力。
加上总线收发器具有高灵敏度,能检测低至200mV的电压,故传输信号能在千米以外得到恢复。
根据RS485工业总线标准,RS485工业总线为特性阻抗120Ω的半双工通讯总线,任何时候只能有一点处于发送状态,因此,发送电路须由使能信号加以控制。
RS-485用于多点互连时非常方便,可以省掉许多信号线,其最大负载能力为32个有效负载(包括主控设备与被控设置)。
1.RS485接口RS485采用差分信号负逻辑,+2V~+6V表示“0”,- 6V~- 2V表示“1”。
RS485有两线制和四线制两种接线,四线制只能实现点对点的通信方式,现很少采用,现在多采用的是两线制接线方式,这种接线方式为总线式拓朴结构在同一总线上最多可以挂接32个结点。
在RS485通信网络中一般采用的是主从通信方式,即一个主机带多个从机。
很多情况下,连接RS-485通信链路时只是简单地用一对双绞线将各个接口的“A”、“B”端连接起来。
而忽略了信号地的连接,这种连接方法在许多场合是能正常工作的,但却埋下了很大的隐患,这有二个原因:(1)共模干扰问题: RS-485接口采用差分方式传输信号方式,并不需要相对于某个参照点来检测信号,系统只需检测两线之间的电位差就可以了。
但人们往往忽视了收发器有一定的共模电压范围,RS-485收发器共模电压范围为-7~+12V,只有满足上述条件,整个网络才能正常工作。
当网络线路中共模电压超出此范围时就会影响通信的稳定可靠,甚至损坏接口。
(2)EMI问题:发送驱动器输出信号中的共模部分需要一个返回通路,如没有一个低阻的返回通道(信号地),就会以辐射的形式返回源端,整个总线就会像一个巨大的天线向外辐射电磁波。
2.RS485电缆在低速、短距离、无干扰的场合可以采用普通的双绞线,反之,在高速、长线传输时,则必须采用阻抗匹配(一般为120Ω)的RS485专用电缆(STP-120Ω(for RS485 & CAN) one pair 18 AWG),而在干扰恶劣的环境下还应采用铠装型双绞屏蔽电缆(ASTP-120Ω(for RS485 & CAN) one pair 18 AWG)。
RS485总线终端电阻1.一般情况下不需要增加终端电阻,只有在485通信距离超过300米的情况下,要在485通讯的开始端和结束端增加终端电阻。
2.终端电阻是为了消除在通信电缆中的信号反射在通信过程中,有两种信号因导致信号反射:阻抗不连续和阻抗不匹配。
阻抗不连续,信号在传输线末端突然遇到电缆阻抗很小甚至没有,信号在这个地方就会引起反射。
这种信号反射的原理,与光从一种媒质进入另一种媒质要引起反射是相似的。
消除这种反射的方法,就必须在电缆的末端跨接一个与电缆的特性阻抗同样大小的终端电阻,使电缆的阻抗连续。
由于信号在电缆上的传输是双向的,因此,在通讯电缆的另一端可跨接一个同样大小的终端电阻。
引起信号反射的另一原因是数据收发器与传输电缆之间的阻抗不匹配。
这种原因引起的反射,主要表现在通讯线路处在空闲方式时,整个网络数据混乱。
要减弱反射信号对通讯线路的影响,通常采用噪声抑制和加偏置电阻的方法。
在实际应用中,对于比较小的反射信号,为简单方便,经常采用加偏置电阻的方法。
3. 补充说明:1)RS-485需要2个终接电阻,接在传输总线的两端,其阻值要求等于传输电缆的特性阻抗。
在短距离传输时不需终接电阻,即一般在100米以下不需终接电阻。
2)为了抑制干扰,RS485总线常在最后一台设备之后接入一个120欧的电阻(即为上面所述)。
3)RS-485与RS-422的共模输出电压是不同的。
RS-485共模输出电压在-7V至+12V之间,RS-422在-7V至+7V之间,RS-485接收器最小输入阻抗为12KΩ;RS-422是4kΩ;RS-485满足所有RS-422的规范,所以RS-485的驱动器可以用在RS-422网络中应用。
4.终端匹配电阻的正确接法是在每个485总线的首尾两端上各接一个120欧姆的终端电阻。
485偏置电阻和终端电阻的作用引言:在电路设计和分析中,偏置电阻和终端电阻是两个重要的概念。
它们在电路中发挥着不同的作用,对电路的性能和稳定性有着重要影响。
本文将从理论和实际角度探讨485偏置电阻和终端电阻的作用。
一、485偏置电阻的作用:485偏置电阻是指在RS-485通信中,将两个信号线A和B的中点连接到地,形成一个参考电平的电阻。
其作用是使信号线处于一个稳定的电平,防止信号线上出现漂移和噪声干扰。
具体而言,485偏置电阻主要起到以下几个作用:1.1 提供参考电平:485通信中,信号线A和B需要相对于地建立一个参考电平。
通过连接偏置电阻,可以将信号线的中点电位固定在一个稳定的参考电平上,确保信号的正确传输和解析。
1.2 抑制共模噪声:在485通信中,信号线A和B受到来自外界的电磁干扰和噪声。
偏置电阻可以将这些噪声引到地,起到了抑制共模噪声的作用,提高了信号的抗干扰能力和可靠性。
1.3 平衡传输线路:485通信中,信号线A和B一般采用平衡传输线路,即A和B之间的阻抗和传输特性相同。
偏置电阻的加入可以保持信号线的平衡性,减小传输线上的失配和反射,提高了信号的传输质量。
二、终端电阻的作用:终端电阻是指在RS-485通信中,信号线的末端加上一个电阻。
它的作用是保证信号的完整性和稳定性。
具体而言,终端电阻主要起到以下几个作用:2.1 消除信号反射:在485通信中,信号线的末端如果没有终端电阻,信号会发生反射,导致信号波形变形和传输失真。
终端电阻的加入可以消除这种反射,保证信号的完整性和稳定性。
2.2 匹配传输线特性阻抗:终端电阻的阻值应与传输线的特性阻抗相匹配,通常为120欧姆。
这样可以保持信号的传输质量,减小信号的反射和干扰。
2.3 降低功耗:在485通信中,终端电阻的加入可以使信号线上的功率消耗降低,减少能量的损耗和浪费。
三、485偏置电阻和终端电阻的实际应用:485偏置电阻和终端电阻在实际应用中非常重要。
RS485通讯常见故障解决方法以及布线安装注意事项!RS485通信是一种常用于工业自动化控制系统中的数据通信方式,它具有抗干扰能力强、支持多节点连接等特点。
然而,在实际应用中,也可能会遇到一些通信故障,下面将介绍一些常见的RS485通信故障、解决方法以及布线安装的注意事项。
一、RS485通信常见故障:1.通信不能建立连接:RS485通信不能建立连接的原因可能有多种,包括线路断开、通信波特率设置错误、硬件故障等。
解决方法是首先检查通信线路是否正常连接,然后检查通信波特率是否设置正确,最后检查硬件设备是否有损坏。
2.数据传输错误:数据传输错误可能会导致信息错误或者通信中断。
造成数据传输错误的原因可能有噪声干扰、功率干扰、线路质量差等。
解决方法是增加隔离器、增加筛选电容、提高线路质量等。
3.通信距离过短:RS485通信在一条总线上可以连接多个节点,但是总线的物理长度也有一定的要求,如果总线长度过短,则可能无法通信。
解决方法是增加总线的长度,可以使用中继器进行信号放大,或者使用RS485转换器将信号转化为其他形式传输。
4.数据通信速度过低:数据通信速度过低可能会导致不稳定的通信,造成通信中断。
造成通信速度过低的原因可能包括通信线路长、串口通信波特率设置不当等。
解决方法是缩短通信线路长度,或者修改串口通信波特率设置。
二、RS485通信解决方法:1.加强线路保护:RS485通信中,线路的保护是非常重要的,可以采用绞线方式布线,并使用屏蔽绞线。
在线路两端可以使用终端电阻进行防护,以减少终端反射和信号干扰。
2.适当设置通信波特率:RS485通信的波特率设置应考虑到通信环境、数据传输量以及通信时间等因素,以提高通信的效率和稳定性。
3.使用合适的抗干扰措施:RS485通信可能会受到外部噪声和干扰的影响,可以使用屏蔽绞线、隔离器等设备来避免干扰。
4.增加总线长度:如果总线长度不足导致通信中断,可以使用中继器或者信号放大器来增加总线长度。
RS-485之信号反射与终端电阻
RS-485总线具有结构简单、成本低等优点,但各位工程师在组建RS-485总线网络时,为提升整个网络通信的可靠性,想必会经常会遇到一个问题:需不需要加终端电阻呢?本文将为你解答。
1、终端电阻的作用
对于RS-485总线,终端电阻主要是为了匹配通信线的特性阻抗,防止信号反射,提高信号质量。
在组建RS-485总线网络时,通常使用特性阻抗为120Ω的屏蔽双绞线,由于RS-485收发器输入阻抗一般较高(例如RSM485ECHT输入阻抗为96kΩ,最多可连接256个节点),在信号传输到总线末端时会由于受到的瞬时阻抗发生突变(以RSM485ECHT为例,阻抗由120Ω变为96kΩ),导致信号发生反射,影响信号的质量。
RSM485ECHT在1200m,500kbps 通信速率的情况下不加终端电阻和加终端电阻的波形如图1和图2所示,终端电阻明显改善了信号的质量。
图1 RSM485ECHT 1200m 500kbps不加终端电阻
图2 RSM485ECHT 1200m 500kbps 加终端电阻
2、终端电阻带来的问题
终端电阻虽然可以提高信号质量,但还具有以下几个问题:
1)降低了驱动信号的幅值
RS-485总线上的负载越大,RS-485收发器输出差分电压幅值越低,RSM485ECHT在5m,500kbps的情况下不加终端电阻和加终端电阻的波形如图3和图4所示,可以看出驱动
信号在增加终端电阻后降低了2V左右。
图3 RSM485ECHT 5m 500kbps 不加终端
图4 RSM485ECHT 5m 500kbps 加终端
2)增大了通信线上的压降
增加终端电阻使通信线缆上的电流增大,产生了较大的压差,降低了接收端的信号幅值。
RSM485ECHT在1200m,115.2kbps首端和末端的信号波形如图5和图6所示(0.75mm2通信线),末端信号与首端信号相比下降了0.7V左右。
图5 RSM485ECHT 1200m 115.2kbps 加终端电阻首端波形
图6 RSM485ECHT 1200m 115.2kbps 加终端电阻 末端波形
3)增大了收发器的功耗
增加终端电阻对于接收状态时的工作电流影响不大,但会大大增加驱动状态时的工作电流。
以RSM485ECHT 为例,RSM485ECHT 处于接收状态时工作电流为20mA 左右,在驱动状态不加终端电阻时工作电流为27mA 左右,在驱动状态加终端电阻时工作电流为83mA 左右,可以看出终端电阻大大增加了RS-485收发器的功耗,对于有功耗要求的应用场合,应谨慎使用终端电阻。
4)降低总线空闲时的差分电压
如图7所示为两个RSM485ECHT 通信示意图。
图7 RSM485ECHT 通信等效示意图
当两个模块都处于接收状态时,可以根据基尔霍夫电流定律对节点A 和节点B 列出下列公式:
IN IN A T T B A PUD PUD A R R V R R V V R R V VO ||||||+-=-
IN IN B PUD PUD B T T B A R R V R R V R R V V ||||||+=-
其中:RPUD 为RSM485ECHT 内置上下拉电阻,120k Ω;RIN 为RSM485ECHT 输入阻抗,96k Ω;根据上述公式可以计算AB 之间的差分电压为:
mV k k k R R R R R R R R VO V V IN IN PUD PUD T T PU PU B A 5.24816016021605||1||1||21||=++⨯=++⨯=- 由于RSM485ECHT 的门限电平为-200mV ~-40mV ,所以在上述情况下,模块仍然输出高电平,保证总线空闲时不会误接收数据。
但对于门限电平为-200mV ~+200mV 的RS-485收发器,输出电平为不确定状态,此时有可能误接收数据。
3、如何解决增加终端电阻后空闲状态的问题?
对于空闲状态的问题有两个解决方法:
1)使用类似RSM485ECHT 的模块(门限电平为-200mV ~-40mV ),当RS-485总线的差分电压大于-40mV 时RS-485收发器的输出即为高电平。
2)使用RSM485PCHT 或RSM485PHT 等带有输出隔离电源的模块,可以通过在外部增加较小的上下拉电阻将RS-485总线的空闲状态时的电压拉到+200mV 以上(一般要留有100mV 或200mV 以上的裕量),保证空闲时RS-485总线差分电压不处于门限电平范围内,但上下拉电阻值不能太小,一般总线上拉(或下拉)并联值要大于375Ω。
4、什么时候需要加终端电阻?
1)通信速度低或者通信距离近的情况下建议不加终端电阻
通信速度低或者通信距离近的情况下,信号反射对通信信号的影响不大,而且不加终端电阻可以大大降低功耗,并且通过加较大上下拉电阻值即可保证RS-485总线空闲时具有较高的差分电压幅值,提高了通信的可靠性。
2)通信距离较长且通信速度较快,对信号质量要求较高的情况
此时可以增加终端电阻,防止阻抗突变引起的信号反射问题,提高信号质量,但应确保在总线空闲时总线的差分电压不处于门限电平范围内。
3)对功耗有要求且通信距离较长的情况
反射信号在总线上来回反弹,反射信号会逐渐消耗掉。
对于串口通信,MCU 一般在一个位的中间时间对信号进行采样,由于低通信速度的情况下,每一个位的时间较长,所以在到达采样点时反射信号已被消耗掉,对通信已无影响。
RSM485ECHT 在1200m 9600bps 不加终端电阻首端和末端的波形如图8和图9所示,可以看出反射信号在到达每一个位中间前就已经被消耗掉了。
所以对RS-485的收发器的功耗有较高要求且通信距离较长的应用,应适当降低通信的速度。
图8 RSM485ECHT 1200m 9600bps 不加终端 首端波形
图9 RSM485ECHT 1200m 9600bps 不加终端末端波形。