测量小灯泡的电阻实验专题
- 格式:doc
- 大小:823.00 KB
- 文档页数:6
中考物理复习考点知识与题型专题训练特殊法测电阻1.小明在“测小灯泡正常发光时的电阻”的实验中,实验室有以下器材:电源(电压恒为4.5V)、标有2.5V的小灯泡、电流表、电压表、滑动变阻器“20Ω1A”、开关各一个,定值电阻三个(10Ω、20Ω、30Ω)导线若干。
(1)如图甲所示是小明同学连接的电路,请你在只改变一根导线连接的情况下,使电路成为能正确完成测量任务的电路(用“×”标出改动之处,画出改接导线);_______ (2)电路连接好后,闭合开关,移动滑动变阻器的滑片进行多次实验,并将其中三次数据记录在表格中,根据数据求出小灯泡正常发光时的电阻为_______Ω;(3下后,按图乙电路在R的位置依次换成已有的定值电阻10Ω、20Ω、30Ω先后接入电路,为保证每次都能将接入的定值电阻两端电压调为2.5V,应在电路中再串联一个阻值范围为______Ω至______Ω的电阻R;(4)小明同学想利用如图丙实验电路图测量R x的阻值。
图中R为电阻箱,请在以下空白处填上适当内容①将开关接a,调节电阻箱和滑动变阻器滑片P至适当位置,记下电流表示数I和电阻箱阻值R A;②将开关改接b,_______,记下电阻箱阻值R B;③则R x=_______(要求仅利用电阻箱读数表达R x的阻值)。
2.小阳想利用一块电压表和阻值已知的电阻R0测量待测电阻R x的阻值。
他设计了如图所示的电路图。
小阳的主要实验步骤如下:(1)按照电路图用电压恒定的电源和满足实验要求的器材连接实验电路,记录定值电阻的阻值R0。
(2)闭合开关S、S1,断开开关S2,记录电压表的示数U1。
(3)______,记录电压表的示数U2。
(4)用U1、U2和R0表示出R x,R x=______,计算出待测电阻的阻值。
3.用如图甲所示的电路可以测量一个未知电阻的阻值,该电路中Rx为待测电阻,R 为电阻箱(符号为),S为单刀双掷开关,R0是阻值为50Ω的定值电阻。
专题17 伏安法测电阻➢ 核心考点: 【实验目的】 测未知电阻的阻值 【设计并进行实验】1.实验器材:电源、导线、开关、定值电阻、小灯泡、电流表、电压表、滑动变阻器;2.实验原理:IU R =3.实验步骤:(1)断开开关,调节电流表、电压表的指针到零刻度;按电路图连接实物;调节滑动变阻器到阻值最大端。
(2)闭合开关,调节滑动变阻器的滑片至适当位置,分别读出电流表的示数I 、电压表的示数U ,并记录在表格中。
(3)根据公式IUR =计算出R 的值,并记录在表格中。
(4)通过移动滑动变阻器滑片,改变定值电阻两端的电压和通过电阻的电流,分别记录对应的值。
实验次数123456电流I/A 00.150.190.280.40.6电压U/V 00.81 1.423电阻R/Ω5.35.3 5550.7550.25【拓展实验】(5)将定值电阻换成小灯泡进行实验,电路图和实物图如下所示:【分析数据】①将测得的定值电阻阻值进行求平均值:554321RRRRRRx++++=Ω=5555555Ω+Ω+Ω+Ω+Ω=②不能将小灯泡的电阻测量值进行求平均值,因为小灯泡电阻受温度的影响,是变化的。
定值电阻和小灯泡的UI-图如下:【实验结论】电阻是导体本身的特性,和导体的电流与电压无关;灯泡的电阻不是固定的,随温度的升高而增大。
【交流与讨论】(1)滑动变阻器的作用:保护电路、改变定值电阻(小灯泡)两端的电压和通过的电流。
(2)滑动变阻器规格的选取:电源点电压U小灯泡额定电压U L小灯泡正常发光时电阻R LLLLUUURR-=滑所选滑动变阻器最小阻值:LLL RUUUR-=滑所选滑动变阻器:滑滑RUUURLL-≥L (3)要使小灯泡正常发光,应移动滑片,使电压表示数为小灯泡额定电压。
(4)电压表示数小于(或大于)小灯泡额定电压时,滑片移动方向的判断:应使滑动变阻器接入电路中的电阻变小(或变大)。
(5)实验时多次测量的目的:①定值电阻:获得多组数据求平均值,减小误差;②小灯泡:获得多组数据,探究灯丝的电阻与温度之间的变化关系;(6)电路故障分析。
测量小灯泡的电阻专题训练题1.(2011浙江湖州,16)某同学将一节旧电池、5欧的定值电阻、开关和电压表连接成图甲所示电路,发现开关断开和闭合时,电压表的示数有明显的不同。
他很好奇,在老师的帮助下他得知:干电池内部本身存在电阻,其情况相当于一节干电池与一电阻串联(如图乙虚线框内所示)。
当开关闭合后,干电池内部的电阻分到了一部分电压,从而提供给定值电阻的电压减小。
为了求证,他又进行了如下实验:①测出图甲所示电路中开关断开时电压表示数为1.4伏,闭合开关后电压表的示数为1伏;②将定值电阻由5欧更换为12欧,测出电路中开关断开时电压表示数为1.4伏,闭合开关后电压表的示数为1.2伏。
(1)该同学将定值电阻由5欧更换为12欧的想法是:当电路中定值电阻变大,电路中的电流变小,干电池内部电阻分到的电压变小。
实验①和②中测得的数据是否支持他的想法?____(选填“支持”或“不支持”)(2)根据实验②测出的数据,计算出该干电池的内部电阻为___欧。
答案:(1)支持(2)22.(2011浙江绍兴,33)小敏用如图甲所示的电路图,研究通过导体的电流与导体电阻的关系,电源电压值为6V,改变电阻R的阻值。
调节滑动变阻器滑片,保持R两端的电压不变,记下相应的4次实验的电流和电阻值,描绘在乙图中,(1)在实验过程中,移动变阻器滑片时,眼睛注视(选填序号)A.变阻器滑片B.电压表示数C.电流表示数(2)在丙图中,用笔线代替导线,将电压表正确连入电路;(3)实验中,他所选择的变阻器是选填序号)A.10Ω 0.5AB.20Ω 1AC.50Ω 2A(4)乙图中阴影部分面积表示的科学量是;(5)实验过程中,如果出现了电流表示数为0,电压表示数接近6V,电路发生的故障可能是。
答案:(1)B (2)如图2所示:(3)C (4)电压(5)电阻R处有断路3.(2011年安徽省 19)在伏安法测量电阻R阻值的实验中: (1)为了完成实验,请将右图连成一个完整的实验电路图,并使滑动变阻器连入电路的阻值最大。
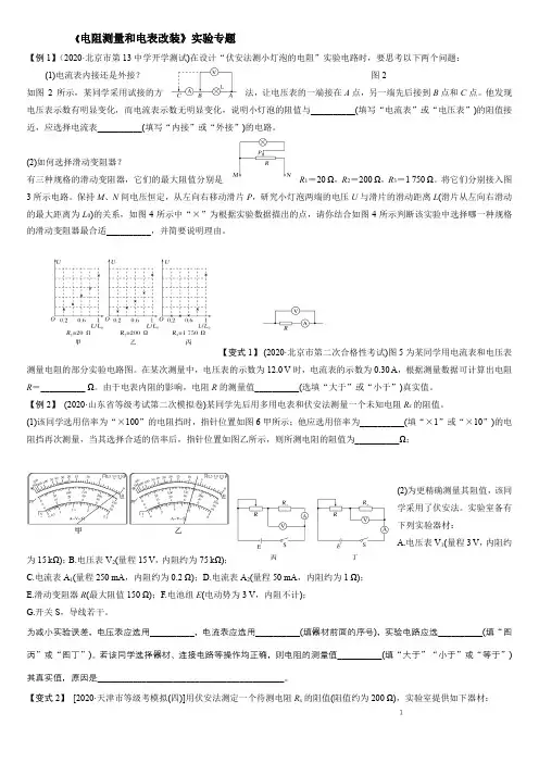
《电阻测量和电表改装》实验专题【例1】(2020·北京市第13中学开学测试)在设计“伏安法测小灯泡的电阻”实验电路时,要思考以下两个问题:(1)电流表内接还是外接?图2如图2所示,某同学采用试接的方法,让电压表的一端接在A点,另一端先后接到B点和C点。
他发现电压表示数有明显变化,而电流表示数无明显变化,说明小灯泡的阻值与__________(填写“电流表”或“电压表”)的阻值接近,应选择电流表__________(填写“内接”或“外接”)的电路。
(2)如何选择滑动变阻器?有三种规格的滑动变阻器,它们的最大阻值分别是R1=20 Ω,R2=200 Ω,R3=1 750 Ω。
将它们分别接入图3所示电路。
保持M、N间电压恒定,从左向右移动滑片P,研究小灯泡两端的电压U与滑片的滑动距离L(滑片从左向右滑动的最大距离为L0)的关系,如图4所示中“×”为根据实验数据描出的点,请你结合如图4所示判断该实验中选择哪一种规格的滑动变阻器最合适__________,并简要说明理由。
【变式1】(2020·北京市第二次合格性考试)图5为某同学用电流表和电压表测量电阻的部分实验电路图。
在某次测量中,电压表的示数为12.0 V时,电流表的示数为0.30 A,根据测量数据可计算出电阻R=__________ Ω。
由于电表内阻的影响,电阻R的测量值__________(选填“大于”或“小于”)真实值。
【例2】(2020·山东省等级考试第二次模拟卷)某同学先后用多用电表和伏安法测量一个未知电阻R x的阻值。
(1)该同学选用倍率为“×100”的电阻挡时,指针位置如图6甲所示;他应选用倍率为__________(填“×1”或“×10”)的电阻挡再次测量,当其选择合适的倍率后,指针位置如图乙所示,则所测电阻的阻值为__________Ω;(2)为更精确测量其阻值,该同学采用了伏安法。
2019年中考物理真题分类汇编——测量小灯泡的电功率实验专题1.(2019枣庄,30)在“测量小灯泡的电功率”实验中,提供的器材有:6V的电源一个,2.5V的小灯泡(电阻约为10Ω)一个,电流表(0~0.6A,0~3A)和电压表(0~3V,0~15V)各一个,“50Ω2A”的滑动变阻器A和“10Ω1A”的滑动变阻器B各一个,开关一个,导线若干。
(1)通过估算,你应选用的滑动变阻器是(选填“A”或“B”)。
(2)闭合开关前,经检查发现某同学连接的电路有一根导线连接错误,请你在图甲中错误的连线上画“×”,并只移动一根导线,用笔画线代替导线将电路连接正确。
(3)连线好电路后,闭合开关,发现小灯泡不亮,电流表有示数,电压表无示数,则故障原因可能是小灯泡(选填“短路”或“断路”)。
(4)故障移除后,移动变阻器的滑片,当电压表的示数为2.5V时,电流表的示数如图乙所示,则小灯泡的额定功率是W,小灯泡正常工作时的电阻是Ω,(小数点后保留1位小数)(5)根据测出的数据,作出了小灯泡的电流I与电压U的关系图线,发现该图线不是一条直线,如图丙所示,其原因是温度升高,灯丝电阻(选填“增大”或“减小”)。
2.(2019泰安,23)要测量一个额定电压为4.5V小灯泡的功率,小灯泡正常工作时的电阻约为10Ω。
现有器材:电源(电压恒为8V),电流表,电压表,开关、导线若干,另有两种规格的滑动变阻器可供选择:R1(5Ω,1A)、R2(20Ω,1A)。
请完成下列问题:(1)滑动变阻器应选用____。
(2)选出合适的滑动变阻器后,某同学将实验器材连成如图甲所示的实验电路,闭合开关前,应将滑动变阻器的滑片P移至端(选填“a”或“b”)。
闭合开关后,逐渐向另一端移动滑片P,观察到的现象是________。
(多选)A.小灯泡变亮,电压表示数变大B.小灯泡变亮,电流表示数变大C.小灯泡不发光,电流表示数接近0D.小灯泡不发光,电压表示数接近8V(3)造成上述现象的原因是其中有一条导线连接错误,请将该条错误导线打上“×””号;并用笔画线代替导线把它改到正确的位置上。
专题02电阻的测量1.(2020·陕西中考真题)如图1是小明测量未知电阻R 1阻值的实物图。
(1)闭合开关前,滑动变阻器的滑片应滑到最______(选填左或右)端;(2)某次实验中,移动滑片使电压表示数为2.0V ,此时电流表的指针位置如图2所示,则电流表的示数为______A ,本次测得R 1的阻值为______Ω;(3)现有另一个未知电阻R 2(阻值约为400Ω),若仅将图1中的R 1替换为R 2,其它器材和电路连接不变,则不能测出R 2的阻值,其原因是实验中______表无法读数。
【答案】右0.1612.5电流【详解】(1)[1]闭合开关前,滑动变阻器的滑片应滑到最大阻值处,故滑片应该滑到最右端。
(2)[2]图1中,电流表选择的是小量程,故图2中的示数是0.16A 。
[3]R 1的阻值为1112V =12.5Ω0.16AU R I == (3)[4]现有另一个未知电阻R 2(阻值约为400Ω),若仅将图1中的R 1替换为R 2,则电路中的最大电流223V =0.0075A 400ΩU I R == 因为此时的电流小于电流表的分度值0.02A ,所以电流表无法读数,也无法测出R 2的阻值。
2.(2020·黑龙江绥化市·中考真题)小飞要测量标有“2.5V ”字样小灯泡的电阻,选取电压是6V 的电源。
(1)用笔划线代替导线,将图甲的实物图连接完整(______)。
(要求滑动变阻器的滑片向右滑动时,小灯泡变亮,导线不允许交叉)(2)此实验的原理是______。
闭合开关前,滑动变阻器的滑片应移到最______瑞。
(填“左”或“右”)(3)图乙中,小灯泡的I -U 图像不是一条直线,原因是小灯泡的电阻随______的变化而变化,小灯泡的额定功率是______W 。
(4)小飞又取来阻值是600Ω的定值电阻R 0、一个开关和阻值约5Ω的未知电阻R 1,用如图所示的电路来测量R 1的阻值,小飞的实验方案如下:a.闭合S 1,断开S 2,读出电压表的示数是U 1b.闭合S 1和S 2,读出电压表的示数是U 2则电阻R 1=______(用U 1、U 2和R 0表示),小飞的实验方案______(填“能”或“不能”)准确测得电阻R 1的阻值,理由是______。
北京市2023年中考物理专题复习电阻的测量(教师版)2023年中考物理专题复习电阻的测量参考答案1.有一个小灯泡标有4.5V字样,要测定它正常发光时的电阻(约2﹣4Ω)(1)用笔画线把图甲中的器材连接成实验电路图______.(2)在闭合开关前,滑动变阻器的滑片应置于________ (填“左端”或“右端”).(3)灯泡正常发光时,电流表示数如图乙所示,则此时灯泡的电阻为________ Ω【答案】(1)如图所示;(2)左端;(3)3.2.某班级同学在“测量小灯泡正常发光时的电阻”实验中,小灯泡的额定电压为2.4V,实验器材有:开关、电压表、电流表、滑动变阻器、小灯泡各一个,干电池三节,导线若干。
(1)请用笔画线代替导线,将图甲中路连接完整。
(2)确定好电流表量程后,闭合开关,当滑动变阻器滑片滑到某一位置时,电压表的示数为2V,为了测量小灯泡正常发光时的电阻,应将滑动变阻器滑片向(“a”或“b”)端滑动。
(3)小灯泡正常发光时,电流表示数(如图乙)为A,小灯泡正常发光时的电阻为Ω。
(4)另一小组同学连接完电路,闭合开关后,发现灯不亮,电流表、电压表示数均很小,移动滑动变阻器滑片,两表示数保持不变,则他们连接实验器材存在的问题是。
【答案】(1)见上图;(2)b;(3)0.3;8;(4)同时将变阻器的下面两个接线柱连入了电路。
3.同学利用电压表和电流表测量电阻R的阻值(约9Ω左右),电源选用两节干电1池.(1)按图甲电路,将图乙中电流表正确连入电路(2)该同学检查电路连接正确,合上开关,可是无论怎样移动滑片,电压表示数总为3v不变,你认为发生故障的原因可能是_________________或___________________.(3)清除故障后,小明将滑片P向左滑动时,电压表示数将________(填“增大”、“减小”、“不变”),当P滑到某一位置时,两表读数如图丙所示,由此可知R=____Ω.你认为这个结果可靠吗?理由是___________________________________ .【答案】(1)如图.(2)R1处断路 R2处短路(3)增大 10 不可靠,没有多次测量求平均值4.某同学测量额定电压为2.5V的小灯泡L在不同电压下的电阻。
《测量小灯泡的电阻》习题练习导引1.测量小灯泡的电阻的实验原理是,需要直接测量的物理量是和。
2.如图7.3-1是测量小灯泡电阻的电路图,在图中的圆圈内填上电表的符号,并标明电表的“+”“-”接线柱。
图7.3-1 图7.3-23.一只标有“3.8 V”字样的小灯泡,灯丝电阻约为15 Ω,小明想测出它发光时的电阻,选用了以下器材:电流表、电压表、开关、变阻器各一个,导线和新干电池若干。
图7.3-2是小明连接的电路,其中有两处错误,请指出错误:(1) (2) 。
轻松入门4.在测量小灯泡电阻的实验中,为了使测得的结果更加精确,常常将小灯泡串联一个滑动变阻器,在闭合开关前,应将滑片移到阻值最处。
在实验过程中,通过移动滑动变阻器的滑片的位置,读取多组对应的电压和电流值,算出多个电阻值,最后求出它们的值,就是小灯泡的阻值。
5.用电压表和电流表测电阻的实验中,有下列必要的步骤,它们合理的排列顺序是。
A.闭合开关 B.将测量出的几组数值填入表格中C.计算被测电阻的阻值D.读出电表指针所指的数值 E.断开开关F.将滑动变阻器的阻值调到最大处G.按电路图连接电路H.调节滑动变阻器,使电压表指针指在小灯泡额定电压值处,然后逐渐降低快乐晋阶6.小明用电流表、电压表测量一只灯泡的阻值,电路连接如图7.3-5所示。
图7.3-5 图7.3-6(1)观察电路连接装置图可知,甲表是表,乙表是表;(2)小明连接的电路和电表的接线柱选择均正确,闭合开关后,电压表和电流表的读数都很小,其原因是。
(3)解决了电路存在的问题后,闭合开关,电流表和电压表的示数如图7.3-6所示,此时通过灯泡的电流是 A,灯泡的阻值为Ω;(4)若用此电路测定电阻的阻值时,存在的缺陷是。
拓展探究9.在物理实验中常用到等效替代法,例如用一个7Ω的电阻替换某支路中2Ω和5Ω串联的电阻,在其他条件不变的情况下,这种替换能使该支路中电流不变。
这说明一个7Ω的电阻与阻值为2Ω和5Ω串联的电阻对电流的阻碍作用是等效的。
小灯泡电功率中考实验专题及答案小灯泡电功率中考实验专题一.实验探究题1.在测量小灯泡的电功率时,小明组正确连接如图甲所示的电路;闭合开关后,发现无论怎样调节滑动变阻器,两电表指针始终处于如图乙所示位置,排除故障后,闭合开关,从变阻器接入电路阻值最大时开始记录数据,得到小灯泡U﹣I 图象如图丙所示。
请你解答:1)请用笔画线代替导线将小明组的电路连接完整,要求向右移动滑片时灯泡变亮;(2)小明组发生的故障可能是:接线柱间(选填图甲中的数字编号)出现了(选填“短路”或“断路”);3)此实验的原理是,XXX组所测小灯泡的额定功率是W。
2.XXX同学用如图甲所示的实验电路来测定“小灯泡的额定电功率”,所用电源电压为4.5V。
第1页(共8页)小灯泡额定电压为 2.5V,电阻约为10Ω,滑动变阻器规格为“20Ω0.5A”。
(1)请你用笔画线代替导线,将图甲中的实物电路连接完整。
2)XXX检查电路无误后,闭合开关。
发现灯胆不亮,电流表几乎无示数,电压表有示数,接近电源电压,移动滑片。
实验征象没有产生变化,则招致这种征象大概的原因是。
3)排除故障后,XXX移动滑片P到某一点时,电压表示数(XXX所示)为V,若他想丈量小灯胆的额定功率,应将图甲中滑片P向端(选填“A”或“B”)移动,使电压表的示数为2.5V。
4)XXX移动滑片P,记下多组对应的电压表和电流表的示数,并绘制成如图丙所示的I﹣U图象,根据图象信息,可计算出小灯泡的额定功率是W。
5)在不改变甲图连接方式情况下,XXX又用定值电阻替换小灯泡,来探究流过导体的电流与电阻的关系。
实验中,XXX控制电阻两端的电压为2V不变,为了多次完成实验,定值电阻阻值必须在范围内。
3.XXX同学为了探究小灯泡亮度与实际功率的关系,设计了如图甲所示的实验电路,小灯第2页(共8页)泡标有“2.5V”的字样。
1)图甲是XXX连接的实验电路,同组的XXX同学发现图中有一根导线连接错误,请你在这根导线上打“×”,并在图中矫正。
人教版九年级物理18.3测量小灯泡的电功率实验专题练习有答案姓名:__________ 班级:__________一、实验探究题(共10题)1.用标有“2.5V”小灯泡,进行“研究小灯泡的电功率”实验(允许加在小灯泡两端的最大电压为1.2U额)(1)进行实验:①如图1是未连接好的电路,请你用笔画线代替导线,正确连接图中实物电路________。
②如图2,当小灯泡两端电压为2.5V时,电流表示数是________A,灯泡额定功率是________W.(2)通过实验得到:灯泡实际功率越大,灯越亮。
试从能量转化角度解释“灯泡实际功率越大,灯越亮”的原因.(3)以小灯泡为例,用数据说明选用电流表0.6A而不用3A量程的理由.2.如图所示,在“测量小灯泡的电功率”的实验中,电源电压为 4.5V,小灯泡的额定电压为2.5V。
(1)请你用笔画线代替导线,将甲图中的实物图连接完整(要求滑动变阻器的滑片 P 向 B 端移动时小灯泡变暗)。
(2)某小组连接好电路后,检查连线正确,但闭合开关后发现小灯泡发出明亮的光且很快熄灭。
出现这一故障的原因可能是________。
排除故障后,闭合开关,移动滑动变阻器的滑片 P 到某处,电压表的示数如乙图所示。
若要测量小灯泡的额定功率,应将图中的滑片 P 向________(选填“A”或“B”)端移动,直到电压表的示数为 2.5V,此时电流表的示数如丙图所示,则小灯泡的额定功率为________W。
(3)测出小灯泡的额定功率后,某同学又把小灯泡两端电压调为额定电压的一半,发现测得的功率并不等于其额定功率的四分之一,其原因是________。
(4)若将小灯泡换成定值电阻,且电路连接完好,还可以完成的实验是________(填标号)。
A.探究电流与电压的关系B.探究电流与电阻的关系3.某同学利用图甲所示的电路测量小灯泡的电功率。
实验中电源电压保持不变,小灯泡的额定电压是2.5V。
(1)该同学接错了一根导线,请你在这根导线上打“×”,并补画出正确的那根导线。
串联电路的实验专题责编:冯保国【学习目标】1.学会设计实验电路;2.理解伏安法测电阻的原理;3.能判断简单的电路故障。
【要点梳理】要点一、测量小灯泡的电阻1.实验原理:R=U/I2.实验器材:电源、开关、电流表、电压表、滑动变阻器、待测灯泡(2.5V)、导线若干。
3.实验电路图:4.实验步骤:①.根据电路图连接实物电路,②.将滑动变阻器的滑片P调到阻值最大处,检查电路,试触无误后,闭合开关,③.调节滑动变阻器的滑片P,使阻值变小,观察电压表示数,使示数为小灯泡的标定电压值(2.5V)再读出电流表示数,观察灯泡亮度,记录表格,④.调节滑动变阻器滑片P,使阻值变大,使用电压表示数为某一值(1V),观察电流表示数,灯泡的亮度,并记录入表格,⑤.调节滑动变阻器滑片P,使阻值继续变大,使电压表示数为某一值(0.5V),观察电流表,灯泡的亮度记录入表格,⑥.计算电阻值,填入表中,次数电压U/V 电流I/A 灯泡亮度电阻R/Ω1 2.52 13 0.55.数据分析总结规律:通过实验记录,对数据分析,发现灯泡的电阻不是定值,而且变化较大,是什么原因使灯泡的电阻发生变化的呢?是导体两端电压变化了,是通过灯泡电流变化还是亮度变化引起电阻的变化?分析:导体两端电压,通过导体电流与电阻大小无关,并不影响导体电阻的大小。
影响电阻大小的因素有:导体的材料、长度、横截面积以及温度。
本实验中导体的材料、长度、横截面积均没有变化,所以影响导体电阻大小的因素只能是温度。
灯丝的温度对电阻大小有影响:灯泡越亮,温度越高,电阻越大。
要点诠释:1.连接电路时,开关要处于断开状态,2.闭合开关前,滑动变阻器的阻值应调到最大,3.电压表、电流表的正负接线柱接法要正确,量程选择要合适,4.小灯泡的电压应从额定电压开始,逐次降低。
5.故障分析:在电源、电压表、电流表、开关、导线完好的情况下故障现象可能原因电压表有示数电流表有示数滑动变阻器阻值太大电压表有示数电流表无示数灯泡灯丝断了电压表无示数电流表有示数灯泡短路电压表断路灯泡发光电流表无示数电压表有示数电流表短路电流表有示数电压表无示数电压表断路要点二、伏安法测电阻1.实验原理:R=U/I2.实验器材:电源、开关、电流表、电压表、滑动变阻器、待测定电阻和导线若干。
2021年寒假中考冲刺实验题专题复习(14)——测量电阻实验(含答案)1 2021 寒假中考冲刺实验题专题复习( 14 )——测量电阻实验 1.在“测量小灯泡的电阻”实验中,有如下器材:电压表、电流表、开关、电压为 6V 的电源、“3.8V 0.4A”的小灯泡、标有“20Ω 1.5A”的滑动变阻器,导线假设干。
(1)请用笔画线代替导线,按照图甲所示的电路图,将图乙的实物电路连接完整(要求连线不得穿插;电流表的量程选择要恰当;滑动变阻器的滑片向左移动,小灯泡变暗)。
(2)甲组同学连接好最后一根导线,灯泡立即发出明亮耀眼的光并很快熄灭。
检查后,发现连线正确,请你找出实验中两个操作不当之处:①;②。
(3)乙组同学闭合开关后,发现小灯泡不亮,但电流表有示数。
接下来应进行的操作() A.更换小灯泡 B.检查电路是否断路 C.移动滑动变阻器滑片,观察小灯泡是否发光 2.某同学利用题图的电路来测量一电阻 R x :(1)请用笔画线代替导线,将图中实物电路连接完整(电压表选0-3V 量程). (2)闭合开关后,当滑动电阻器的滑片向左移动到某一位置时,电压表的示数为 1.2V,电流表的示数如下列图,那么I=A,Rx=Ω。
(3)该同学又设计了如下列图的测量电路,同样可以测量电阻,其中是定值电阻,请在空格内把实验步骤补充完整:①,用电压表测出电源的电压为 U;②,用电压表测出待测电阻Rx 两端的电压为 U 1 ;③请用测量值 U 和 U 1 ,量 R 0 来表示 R x =。
3.小明同学想利用最少的元件测量电阻 R X 的阻值,于是他选择了电压为 6V 的电源、电压表、“10Ω 2A”的滑动变阻器、开关各一个、导线假设干。
(1)实验设计完成后(电路图未画出),小明按标准步骤进行操作。
闭合开关,电压表示数为 2.8V;移动滑片至中点位置时,电压表示数为 1.8V。
那么电压表测量的是两端的电压,根据以上两组数据,小明同学测定的 R X 的阻值为Ω(计算电阻时精确到0.1Ω)(2)实验结束后,小明又设计了如图电路测量额定电流为 I 额的小灯泡 L 的额定功率。
九年级物理专项练习-测电阻专题1:伏安法测电阻分类训练1:测量定值电阻1.小华用“伏安法”测电阻:(1)请用笔画线代替导线,将下图中甲所示的实物电路连接完整。
(2)在连接电路时,开关应断开,滑动变阻器滑片P应位于 B (填“A”或“B”)端。
(3)闭合开关,滑动变阻器的滑片P移动到某一位置,电压表的示数为1.5 V,电流表的示数如图乙所示,其示数为 0.3 A,则R的阻值是 5 Ω。
(4)实验中需要多次测量求平均值的目的是减小误差。
(第1题图)(第2题图)2.利用如图甲所示的电路测量未知电阻Rx的阻值,阻值大约为5Ω。
(1)请你根据电路图用笔画线代替导线,将图乙的实验电路连接完整。
(2)闭合开关前,应将滑动变阻器的滑片置于 B (填“A”或“B”)端。
(3)闭合开关,发现电压表和电流表均无示数。
小芳利用另一只完好的电压表进行检测,把电压表分别接在a、b之间和b、c之间,电压表均有示数;接在a、c之间,电压表无示数。
如果电路连接完好,只有一个元件有故障,该故障是滑动变阻器断路。
(4)排除故障后,调节滑动变阻器,记录多组数据。
画出了待测电阻Rx的I-U图象,如图丙所示。
由图象可得Rx= 4 Ω。
分类训练2:测量小灯泡电阻3.某学习小组的同学为测量小灯泡在不同电压下的电阻,设计了实验电路并进行了部分连接,如图甲所示。
(1)请用笔画线将图甲中的实物电路补充完整。
(2)为了保护电路,闭合开关S前,应将滑片P移到滑动变阻器的最右(填“左”或“右”)端。
(3)闭合开关S,该小灯泡正常发光,调节滑动变阻器,让电压逐次降低,测量的数据如下表。
数据序号 1 2 3 4 5 6 7发光情况明亮较亮不亮较暗微光熄灭熄灭电压U/V 2.5 2.1 1.7 1.3 0.9 0.5 0.1电流I/A 0.28 0.24 0.21 0.19 0.16 0.05电阻R/Ω8.9 7.1 6.2 4.7 3.1 2.0当电压表的示数为2.1V时,电流表的示数如图乙所示为 0.26 A,此时小灯泡的电阻为 8.1 Ω。
中考物理《电阻的测量》专题训练(附带答案)1.某兴趣小组用如图甲所示的电路测量滑动变阻器R1的最大电阻,电源电压保持不变。
该小组通过实验测得6组电压表示数U和电流表示数I的数据并在I-U图像中描点,如图乙所示。
(1)闭合开关S前,应将滑动变阻器______(填“R1”或“R2”)的滑片调至最右端;(2)请根据描点数据,在图乙中做出滑动变阻器R1的最大电阻的I-U图像;()(3)根据做出的图像,求得R1的最大阻值为______Ω;(4)滑动变阻器R2的最大阻值至少为______ Ω;(填“20”“25”或“30”)(5)实验中发现,当滑动变阻器R2接入电路的电阻为零时,电压表的示数小于电源电压。
该小组通过讨论,对产生此现象的原因,提出了多种猜想。
他们提出的下列猜想中,最不合理的一项是______(填序号)。
A.电流表本身有电阻 B.导线本身有电阻C.电压表本身的电阻不够大 D.电压表使用前未调零2.小亮用如图甲所示的电路测量定值电阻R x的阻值。
(1)连接电路时开关应________,滑动变阻器的滑片应移动到________端(选填“左”或“右”);(2)闭合开关,移动滑片,使电压表示数为2.4V,电流表示数如图乙所示,其读数为________A,待测电阻的阻值约为________Ω;(3)实验中,改变几次滑动变阻器滑片的位置,并记录相应数据,目的是________;(4)完成实验后,小亮按照老师的要求,设计在缺少电压表时测量待测电阻R x阻值的方案。
他选用了一个已知阻值的定值电阻R0和一块电流表等器材,用如图丙所示电路进行测量。
步骤如下:①闭合开关,记录电流表的示数为I1;②断开开关,将电流表改接到图中________(填写元件名称)的右侧。
闭合开关,记录电流表的示数为I2;③用I1、I2和R0写出R x表达式:R x=________。
3.在“测量小灯泡电阻”的实验中,已知小灯泡的额定电压为2. 5V,正常工作时阻值大约为8Ω。
欧姆定律专题:多种方法测电阻(一)伏安法测电阻伏安法测电阻是初中物理中一个重要的实验,本实验可以利用电压表和电流表分别测出未知电阻Rx的电压、电流,再用欧姆定律的变形公式求出Rx的阻值。
由于电压表也叫伏特表,电流表也叫安培表,所以这种用电压表、电流表测电阻的方法叫“伏安法”。
1.原理:由欧姆定律推出2.电路图:(见图1)3.器材:小灯泡(2.5V)、电流表、电压表、开关、电池阻(3V)、定值电阻(10Ω)、滑动变阻器、导线。
4.注意点:ⅰ连接电路时,开关应断开,滑动变阻器应调到最大阻值处。
ⅱ滑动变阻器的作用:(1)保护电路;(2)改变小灯泡两端的电压和通过的电流。
ⅲ本实验中多次测量的目的是:测出小灯泡在不同情况(亮度)下的电阻。
5.实验步骤:(1)根据电路图把实验器材摆好。
(2)按电路图连接电路。
(在连接电路中应注意的事项:①在连接电路时,开关应断开。
②注意电压表和电流表量程的选择,“+”、“-”接线柱。
③滑动变阻器采用“一上一下”接法,闭合开关前,滑片应位于阻值最大处。
)(3)检查无误后,闭合开关,移动滑动变阻器的滑片(注意事项:移动要慢),分别使灯泡暗红(灯泡两端电压1V)、微弱发光(灯泡两端电压1.5V)、正常发光(灯泡两端电压2.5V),测出对应的电压值和电流值,填入下面的表格中。
同时,在实验过程中,用手感受灯泡在不同亮度下的温度。
随着灯泡亮度的增加,灯泡的温度升高。
(4)算出灯丝在不同亮度时的电阻。
6.分析与论证:展示的几组实验表格,对实验数据进行分析发现:灯泡的电阻不是定值,是变化的。
是什么原因使灯丝的电阻发生变化的呢?是电压与电流吗?难点突破:(我们对比一个实验如图2:用电压表、电流表测定值电阻的阻值R)发现:R是定值,不随电压、电流的变化而变化。
通过论证,表明灯丝的电阻发生改变的原因不在于电压与电流,那是什么原因造成的呢?我们在前面学过,影响电阻大小的因素有哪些?(材料、长度、横截面积和温度。
实验专题复习:伏安法测电阻和测小灯泡的电功率一、比较实验的相同与不同点 1、实验目的2、实验原理3、实验器材4、实验电路图5、电路连接6、电压表的量程的依据7、测量工具与测量的物理量8、多次实验方法9、多次实验的目的10、记录数据的表格与数据处理11、实验结果12、滑动变阻器的作用二、典型例题【例1】完成下列电路的连接。
(1) 图15中小灯上标有“2.5V ”字样,完成电路的连接。
(2) 图16中要求闭合开关时,滑动变阻器的接入电阻最大.【例2】在伏安法测电阻的电路中,如下图1所示,电源两端电压不变,⑴按图1所示的电路连接时,电键S 应该________,滑片P 应在滑动变阻器最______端。
⑵若电源电压为6节新干电池,滑动变阻器标有“×× 2安”字样。
实验步骤正确,闭合电键S ,电流表、电压表示数如图2所示,则电压表示数为_______伏,电流表示数为_______安,可得出Rx 的阻值为_________欧。
还可求得滑动变阻器的最大阻值为_______欧。
总结:1、关注 初始状态2、所用公式: 【例3】在“测定小灯泡的电功率”实验中,实验室提供的电源电压最大不超过7.5伏,电源电压保持不变,滑动变阻器上标有“20Ω 2A ”字样,小灯上标有“0.3A ”字样。
(1)在图11所示电路的○里填上适当的电表符号,使其成为正确的电路图。
(2)正确连接电路,闭合电键S 后,通过小灯泡的电流小于额定电流,为使小灯泡能够正常发光,正确的操作是将________________________,直到电流表示数为________安为止。
(3)小灯泡正常发光时,变阻器的滑片恰好在中点上(即它接入电路的电阻为10欧),电压表的示数如图12所示,小灯泡额定功率为__________瓦,所用的电源电压为________伏。
总结:1、关注 初始状态、正常工作状态2、所用公式:图2P AVRxR ’图1Sba 图4SLRP 图3图15SL0.6 3A3 15V0.6 3AS3 15V图16二模易错题精选一、选择题1.在实验事实的基础上,通过科学想象和推理得出的物理规律是 ( )A .欧姆定律B .牛顿第一定律C .阿基米德原理D .光的反射定律 2.下列三件光学仪器中,能使光的传播方向发生改变的 ( )①平面镜 ②凸透镜 ③凹透镜A 只有①。
测量小灯泡的电阻实验专题1、用图11所示电路测量小灯的电阻。
1)、图11中只有一根导线连接错误,在连接错误的导线上打“×”,然后用笔画线代替导线画出正确连接方法。
2)、按图11中改正后的实物电路连接情况,在虚线框内画出相应的电路图。
3)、电路改正后,闭合开关,发现无论怎样调节变阻器,电流表的指针始终在小范围内转动,幅度没有超出一大格的一半。
虽然这样也能读出电流值计算小灯的电阻,但为了提高精确度,应对电路连接做如下改进。
4)电路改进后,某一时刻,电压表、电流表示数如上图所示,此时小灯的电阻为Ω。
5)、本实验原理是。
6)、小明同学闭合开关后,发现小灯泡不亮,但电流表有示数,接下来应进行的操作是a.“检查电路是否断路”、b.“更换小灯泡”、c.“移动滑动变阻器测算观察小灯泡是否发光”7)、滑动变阻器在该实验中,除了有保护电路作用以外,还有什么作用? _____________________________________________________________________________。
8)、晓明同学连接完电路后,闭合开关,发现电压表向右偏转,而电流表指针向零刻度的左边偏转,造成这一现象的原因是。
9)、电路改正后,小刚闭合开关,发现电流表无示数,电压表的示数为电源电压值,取下电阻,两表的示数仍然不变,出现故障的原因可能是。
10)、小霞组电路连接完好,当闭合开关后,无论怎样移动滑动变阻器,电流表均无示数,而电压表有示数且等于电源电压,则电路中出现的故障为_______________。
11)、晓明同学连接成了如图所示的电路,闭合开关,发现灯泡较暗,为了让小灯泡正常发光,应将滑动变阻器的滑片向端(选填“左”或“右”)移动。
2、如某次测量电阻实验中,老师只提供了下列器材:电压恒定的电源一个(电压未知)、电流表一只、定值电阻R0一个(电阻已知)、单刀开关两只、导线若干。
测待测电阻R X的值,请用给定的器材(可不用完)按下列要求完成实验:①、在右图的虚线框内画出你设计的电路图 ②、扼要写出实验的主要步骤(指出物理量的 名称并用相应的符号表示)a .b . ③、R X 的数学表达式为:R X = (用所测量的物理量及相应的符号表示)。
3、某同学在“测量小灯泡电阻”的实验中,设计了如图14甲所示的电路图。
小灯泡上标有“2.5V 0.3A ”字样,电源电压为3V 。
请完成下列回答。
根据电路图,在图14乙中用笔画线代替导线连接实物图。
4、小明想利用一块电流表和阻值已知的电阻R 0测量未知电阻R X 的阻值。
小明选择了满足这个实验要求的实验器材,并连接了 部分实验电路,如图17所示。
(1)为了测出电阻R X 的阻值,请你只添加两根导线.......完成图17所示的实验电路的连接。
(2)只闭合开关S 1,电流表的示数用I 1表示;开关S 1、S 2都闭合时,电流表的示数用I 2表示。
请你用I 1、I 2和R 0表示R X 。
R X = 。
5、小亮在做“测量小灯泡的电阻”实验中,所用小灯泡上标有“2.5V"字样。
(1)、图16是小亮未连接好的电路,请你用笔画线代替导线,将实物图补充完整:图17(2)、电路连好后,小亮分别测出了小灯泡的几组电压和电流值.记录在表格中。
①、小灯泡正常工作时的电阻为Ω。
②、小亮从数据中发现,灯泡的电阻是变化的,你认为影响葵变化的主要因素是。
(3)、完成上述实验后,小亮看到滑动动变阻器的铭牌模糊不清,于是想测量变阻器的最大阴值R x。
他从实验室找来一个阻值已知为R0的定值电阻替换了灯泡.同时撤去了发生故障的电流表,并利用余下器材(电压未知的电源、量程合适的电压表、滑动变阻器、开关各—个。
导线),在不改动电压表位置及其连线............的情况下,很快测出了R x的大小。
①、请把你设计的电路电路图在虚线框内。
②、扼要写出实验的主要步骤(指出物理量的名称并用相应的符号表示)(i) ; (ii) ;③、R x= (用已知量和测量量表示)。
6、在测量定值电阻R;阻值的实验中.(1)请你将图甲中的实物电路用笔划线代替导线连接完整.第28题图(2)、实验时,若只有R x断路,开关闭合后,电路中可能出现的一种现象是:.(3)、在实验过程中,发现电压表不能使用,小明将滑动变阻器调到最大值作为定值电阻R。
使用(R。
值已知),设计了如图乙所示的电路测量R x阻值.测量时,只闭合S1电流表示数为I l,只闭合S2电流表示数为I2,则电阻R x两端的电压为,电阻R x= .(用I l、I2和R。
表示)(4)、因图乙未能测量多组数据,于是小明向老师借丁一只定值电阻R。
(R。
值已知),设计了如图丙所示的实验电路,重复(3)中的测量步骤和计算方法,并多次测量求出了电阻R x 的阻值.小明得出的R x阻值是(正确/错误)的,理由是。
7、小明同学利用电压表和电流表测量小灯泡的电阻值(已知小灯泡的额定电压为 2.5V),实验电路图如图左所示。
(1)、按左图所示的电路图,将右图中的电压表正确连入电路(用笔画线代替导线)(2)、开关闭合前,滑片P应移到(填"a"或“b”)端;实验中,当滑片P移到某一位置时,电流表A和电压表V示数如图所示,则此时小灯泡的阻值为Ω。
(3)、小明在实验时,小灯泡突然熄灭,检查发现A的示数为零,V的示数接近电源电压,请你帮小明分析电路的故障可能是:。
(4)、若小明同学想用已连好的电路测量小灯泡的额定电功率,请你帮他把主要的实验步骤补充完整:①移动滑动变阻器的滑片P,使电压表的示数为V时,读出电流表的示数;②用原理计算出小灯泡的额定电功率。
8、某实验小组做“伏安法测量电阻”的实验,所用的器材有:电压为3V的电源,待测电阻R x ,以及符合实验要求的滑动变阻器、电流表、电压表、导线和开关。
图(甲)是没有连接完整的实物电路。
(1)、请你用笔画线代替导线将实物电路连接完整。
(2)、连好电路闭合开关前,应将滑动变阻器滑片P置于_________端(选填“最左”或“最右”)。
(3)、实验中,闭合开关,移动滑片.电流表、电压表均无示数。
为了检查电路故障,他们借助一根检测导线进行检测,当该导线两端分别接不同点时.对应的现象如下表所示。
由此可以判断电路发生的故障是________________________。
(4)、排除故障后进行实验,当电压表示数为2.4V时电流表的示数如图(乙)所示,这时电流为_____A,他们利用此组数据即得出该待测电阻R x的阻值,结束了实验。
你认为他们这种做法有何不妥?答___________________。
图23 9、关于测量定值电阻阻值得实验 【方案一】运用电压表(无电流表),一个阻值为R 0的固定电阻,测量定值电阻阻值。
器材:一只电压表,一个阻值为R 0的固定电阻、电源、开关和导线若干。
实验步骤:步骤一、请你在图17虚线框中画出实验时所需的电路图,并连接电路步骤二、将电压表 在Rx 两端,闭合开关,读出电压表的示数Ux步骤三、将电压表 在R 0两端,闭合开关,读出电压表的示数U 0 步骤四、根据你设计的电路的特点和实验所测得的物理量,写出Rx 的表达式 (用符号表示)【方案二】运用一只电压表(无电流表)一个已知最大阻值的滑动变阻器,测量定值电阻阻值。
器材:一只电压表、一个已知最大阻值的滑动变阻器,电源、开关和导线若干。
实验要求:请你在图18虚线框中画出实验所需的电路图。
评估交流:(1)从实验操作角度看,以上两个方案中,方案 更好。
(2)好在 (只要求写出一条)。
10、实验室备有下列器材:A .待测定值电阻Rx :阻值在7~9 Ω之间B .滑动变阻器:最大阻值500 ΩC. 滑动变阻器:最大阻值10 Ω D .定值电阻R 0:阻值10 ΩE .电流表A :测量范围0~0.6 A ,0~3AF .电源E :电源电压U 恒为4 VG .单刀双掷开关(双向开关)S 及导线若干为了较精确地测出待测电阻Rx 的电阻,小聪、①在他们设计的电路中,电流表的量程应选 A ,滑动变阻器应选 (填器材前面的序号字母)。
②小亮设计的实验操作主要步骤是:Ⅰ.将开关掷向a ,移动滑动变阻器的滑片至某一位置,使A 表的指针指到表盘上某一适当位置;读出电路稳定后A 表的示数(记为I 1)Ⅱ.将开关掷向b ,移动滑动变阻器的滑片至另一位置,使A 表的指针指到表盘上另一适当位置;读出电路稳定后A 表的示数(记为I 2)小聪和小英认为小亮设计的步骤Ⅱ中有不妥当之处,请你帮小亮写出正确的步骤Ⅱ: 。
③按正确的操作,他们顺利的测出了Rx的电阻。
请你写出用测得的物理量I 1、I 2和已知物理量U 、R 0表示的Rx 的表达式:Rx = 。
11、在做“伏安法测量定值电阻”的实验中,小明同学设计了如图9甲所示的电路,请你完成下列问题.(1)该实验的原理是 .(2)连接电路时,应将开关 ;闭合开关前,滑动变阻器的滑片应滑到最 端(填“左”或“右”).(3)连接完电路后,闭合开关,无论怎样移动滑片,电流表指针均无偏转,电压表的指针有明显的偏转,这可能是由于 断路造成的. (4)调节滑动变阻器,把测量的几组数据描成如图9乙所示的图象,则该电阻的阻值R=__Ω.1.小宇做“测定小灯泡的电阻”实验(小灯泡标有“2.5V"字样),在实验过程中得到了如下表所示的一组电压和电流的数据:(2)在连接电路时,开关应处于 状态,这是为了 ;闭合开关前,滑动变阻器的滑片应调至 ,这是为了 ; (3)正确连好电路后,闭合开关S ,发现灯L 不发光,故障的原因不可能是( ); A .电流表处有开路 B .电压表与灯泡相连接的导线接触不良 C .导线接触不良 D .小灯泡L 的灯丝断了(4)灯泡正常发光时,电流表的示数如图7-15所示,请将读数填入表格中的空格处.此时小灯泡的电阻为 ;(小数点后保留一位数字)(5)分析比较表格中的数据可以看出,在灯丝中的电流逐渐增大的过程中,灯丝的电阻 ,进一步分析表明: 。
图7-14图7-15。