设计包装岗位绩效考核指标
- 格式:docx
- 大小:18.98 KB
- 文档页数:7
包装行业绩效考核方案绩效考核是企业管理的重要环节之一,能够促进员工的发展和企业的改进。
对于包装行业而言,绩效考核更是不可或缺的一部分,可以确保生产效率提升、产品质量稳定和客户满意度的提高。
本文将提出一种适用于包装行业的绩效考核方案,以期帮助企业建立起科学、公平的考核机制。
一、背景和目的包装行业作为生产线上的关键环节,直接关系到产品的质量和交付时间。
因此,对包装工人的绩效进行科学、全面的评估,对于企业来说具有重要意义。
本次绩效考核方案的目的在于:1. 提高包装行业的生产效率和产品质量;2. 增加员工的工作动力和培养员工的专业技能;3. 促进团队间的合作和知识共享。
二、考核指标在制定绩效考核指标时,需要综合考虑企业的具体情况和发展目标。
针对包装行业,我们可以参考以下指标来评估员工的绩效表现:1. 操作技能:对员工的工作技能进行评估,包括操作设备的熟练程度、生产线上的工作速度等;2. 质量控制:评估员工对产品质量的控制能力,包括产品外观、尺寸、强度等检验;3. 工作效率:衡量员工的工作效率,包括完成包装任务的时间和效果;4. 安全意识:评估员工对工作安全的认识和遵守情况;5. 团队合作:评估员工在团队合作中的表现,包括与其他工种合作的能力和沟通能力。
三、绩效考核流程为了确保绩效考核的公平性和科学性,我们建议采取以下流程:1. 设定目标:根据企业的发展目标和员工的具体工作职责,制定明确的工作目标;2. 收集数据:通过实地观察、员工自评和与其他员工的讨论,收集绩效数据;3. 评估绩效:根据收集的数据,进行绩效评估,对员工的工作表现进行评分;4. 反馈与奖励:将绩效评估结果反馈给员工,与员工进行沟通,鼓励优秀表现并提供适当的奖励;5. 发展规划:根据绩效评估结果,制定员工的职业发展规划,为其提供培训和晋升机会。
四、绩效考核结果的应用绩效考核结果应用于个体和团队的发展规划、薪资调整和激励措施等方面。
具体应用包括但不限于以下几点:1. 奖惩机制:根据员工的绩效评估结果,给予适当的奖励或处罚,以激励员工的积极表现和改进不足之处;2. 薪资调整:根据员工的绩效评估结果,进行薪资调整,激励员工的绩效提升;3. 培训机会:根据员工的绩效评估结果,为其提供适当的培训机会,提高其工作技能和职业发展能力;4. 晋升机会:根据员工的绩效评估结果,为其提供晋升机会,鼓励其在岗位上的持续成长。
包装绩效考核篇一:包装部员工绩效考核细则包装部员工绩效考核细则一、绩效考核的目的:1.不断提高企业的管理水平,产品质量,降低生产经营成本和事故发生率,提供企业保持可持续发展的动力。
2.加深企业员工了解自己的工作职责和工作目标,3.不断提高企业员工的工作能力和个人素质,提高员工在工作中的主动性和积极性。
4.建立以部门为单位的团结协作,工作严谨高效的团队。
5.通过考核结果的合理运用,营造一个激励员工奋发向上的工作氛围。
二、具体考核明细:1、对待上司的安排工作或批评不予理睬,依旧我行我素。
拒绝执行上司安排工作的,扣10分2、在工作过程中与上司钻空子、讲条件、找借口甚至讨价还价的。
3、因对上司的工作安排不满,故意挑拨是非、故意制造矛盾、胡言乱语、弄虚作假、煽动闹事的,引发双方打架、斗殴甚至报复的,情节严重交由公司处理。
4、未经上司批准进入生产部卫生控制区域的,5、上班期间内未按规定穿着工作服、佩戴厂牌的,6、上班期间随意串岗,打闹、喧哗、追逐、嬉戏,玩手机,从轻载传送带窗口进出进入的,7、上班期间不集中精神工作、打瞌睡的,扣3分;躲藏隐蔽区域睡觉的,扣8分8、上班期间擅自将各自的交通工具摆放在通道中的,9、故意破坏公司财物和随意浪费公司资源的,扣5分。
具体包括:(1)托盘车乱掉乱放、乱拉乱碰的,造成严重损坏的,(2)机械设备违规操作,造成损坏的,(3)故意破坏生产、生活、娱乐、消防设施的,(4)成产配套材料不按规定摆放随手当作垃圾处理的,(5)不关水龙头、电器电源造成浪费的10、不按规定摆放或处置生产设备、工具、配套、成品、半成品的,11、生产工厂区域内穿着拖鞋,进入预进间未按要求穿着工作鞋或摆放整齐的,穿着工作鞋走出预进间的,12、预进间的储物柜未按规定摆放物品的,13、预进间作业人员未按规定穿戴工作服、工作鞋、工作帽、口罩的,14、包装间作业人员未按规定搞好流水作业台面干净或樽、盒等成品的防尘工作的15、洗瓶房作业人员未按规定放置物品、垃圾的,扣2分;未按要求清洗包装材料、物品的,扣5分。
成品仓包装作业员kpi绩效考核成品仓包装作业员的KPI绩效考核是非常重要的,它可以帮助企业评估员工的工作表现,激励员工提高工作效率和质量。
KPI(关键绩效指标)是用来衡量员工在工作中所取得的成绩和表现的指标,它可以从多个角度来评估员工的工作表现。
首先,成品仓包装作业员的KPI可以包括包装速度和准确性。
包装速度是指员工完成包装任务所花费的时间,而准确性则是指员工在包装过程中是否按照标准操作规程进行操作,确保包装质量和产品完整性。
这些指标可以帮助企业评估员工的工作效率和包装质量。
其次,KPI还可以包括包装过程中的损耗率和错误率。
损耗率是指在包装过程中因为操作不当或者其他原因导致的物料浪费,而错误率则是指包装过程中出现的错误数量。
这些指标可以帮助企业评估员工的操作技能和注意力,以及包装过程中的质量控制能力。
另外,成品仓包装作业员的KPI还可以包括安全和卫生指标。
包装作业涉及到一些机械设备和工具的操作,员工需要严格遵守安全操作规程,确保自身和他人的安全。
此外,包装作业也需要保持工作环境的清洁和整洁,以确保产品的卫生和质量。
这些指标可以帮助企业评估员工的安全意识和卫生管理能力。
最后,KPI还可以包括员工的团队合作和沟通能力。
包装作业通常需要多个作业员协同工作,良好的团队合作和沟通能力可以提高包装作业的效率和质量。
这些指标可以帮助企业评估员工的团队合作精神和沟通技巧。
综上所述,成品仓包装作业员的KPI绩效考核应该从包装速度、准确性、损耗率、错误率、安全和卫生指标以及团队合作和沟通能力等多个方面进行评估,以全面了解员工的工作表现,并为员工提供改进和发展的方向。
包装人员绩效考核方案目录:1、包装人员绩效考核方案2、市场人员绩效考核方案3、采购人员绩效考核方案采购人员绩效考核方案一、目的为贯彻企业绩效考核管理制度,全面评价采购人员的工作绩效,保证企业经营目标的实现,同时也为员工的薪资调整、教育培训、晋升等提供准确、客观的依据,特制定采购人员绩效考核实施方案。
二、遵循原则(一)明确化、公开化原则考评标准、考评程序和考评责任都应当有明确的规定,而且在考评中应当遵守这些规定。
同时,考评标准、程序和对考评责任者的规定在企业内部应当对全体员工公开。
(二)客观考评的原则明确规定的考评标准,针对客观考评资料进行评价,避免掺入主观性和感情色彩。
做到“用事实说话”,考评一定要建立在客观事实的基础上。
其次要做到把被考评者与既定标准作比较,而不是在人与人之间进行比较。
(三)差别的原则考核的等级之间应当有鲜明的差别界限,针对不同的考评评语在工资、晋升、使用等方面应体现明显差别,使考评带有刺激性,激励员工的上进心。
(四)反馈原则考评结果(评语)一定要反馈给被考评者本人。
在反馈考评结果的同时,应当向被考评者就评语进行说明解释,肯定成绩和进步,说明不足之处,提供今后努力方向的参考意见等。
三、适用范围适用于本企业采购部人员,以下人员除外。
①考核期开始后进入本企业的员工。
②因私、因病、因伤而连续缺勤三十日以上者。
③因公伤而连续缺勤七十五日以上者。
④虽然在考核期任职,但考核实施日已经退职者。
四、绩效考核小组成员综合部负责组织绩效考核的全面工作,其主要成员包括综合部长、审计部长、财务部长、经营部长。
五、采购绩效考核实施(一)采购人员绩效考核指标采购人员绩效考核以适时、适质、适量、适价、适地的方式进行,并用量化指标作为考核的尺度。
主要利用采购时间、采购品质、采购数量、采购价格、采购效率五个方面的指标对采购人员进行绩效考核。
量化指标如下表所示。
采购人员绩效考核指标(二)绩效考核周期采购部经理对于短期内工作产出较清晰的记录和印象以及对工作的产出及时进行评价和反馈,有利于及时地改进工作,以月度为周期进行考核;对于周边绩效指标,以季度或年度进行考核。
设计包装人员绩效考核方案设计包装人员绩效考核方案在现代生产环境中,人员绩效考核是管理团队必须考虑的一项重要内容。
设计包装人员是企业产品生产中不可或缺的岗位之一。
因此,在被赋予相关任务时,设计包装人员应该被充分了解和利用,以实现公司的目标。
下面是设计包装人员绩效考核方案的几个关键指标:1.制作时间和效率——这是指每个设计包装人员与同事相比,所花费的设计和包装时间。
更快、更高效的人员将获得更高的分数,并根据其表现提供更好的激励。
2.设计口碑和技能水平——评估设计包装人员的水平可以从口碑和技能水平两个方面入手。
如果一个设计包装人员的设计口碑很好,他所制作的包装与众不同、美观大方,那么他将获得额外的好评,并在绩效评估时得到优加分。
此外,技能水平也很重要。
评估技能水平将受到该员工的培训和能力开发计划的影响。
如果设计包装人员持续表现出色,那么将考虑或者选择展开更深度的培训以提高其技能水平。
3.产品质量——产品质量是企业生产的关键目标之一,也是设计包装人员的重要职责。
通过评估每个员工的包装制作,可以确定质量标准是否得到满足。
如果产品没有达到质量标准,那么负责设计包装的员工将承担责任。
4.合作和团队精神——每个团队都需要良好的协作和团队精神才能取得成功。
设计包装人员必须与与之合作的人员建立良好的关系来确保工作的高效完成。
如果在团队工作中表现优秀的设计包装人员将获得额外奖励和表彰。
通过这样的绩效考核方案,设计包装人员可以更充分地发挥自己的优势,使公司在生产环节中更具竞争力。
总之,当公司能够确定适当的绩效考核方案,以鼓励设计包装人员不断提高自身能力,那么公司就能够实现更快的发展,并且在市场上得到更多的认可。
企业公司包装部关键绩效考核指标企业公司的包装部门在整体业绩考核中扮演着重要的角色。
包装部门的绩效直接关系到产品包装的质量和效果,影响着产品的销售和消费者的购买决策。
因此,为了确保包装部门的有效运作和达成公司的目标,需要建立一套科学合理的关键绩效考核指标。
1.生产效率:生产效率是衡量包装部门绩效的重要指标之一、它可以通过衡量每个员工的生产任务完成情况和产能利用率来评估。
包装部门的生产效率可以通过关注包装的速度、准确性和工作时间来衡量。
2.生产成本:包装部门的生产成本是关键的绩效指标之一、通过监控原材料的使用和控制包装材料的浪费,可以有效降低生产成本。
此外,还需要评估包装设备的效率和维护成本,以确保最佳的资源利用。
3.包装质量:产品的包装质量直接影响消费者对产品的认可度和购买意愿。
包装部门应该定期对包装质量进行检查和评估,确保每个产品的包装都符合公司的标准和要求。
包装的质量可以通过检查包装的完整性、外观和符合性来评估。
4.产品安全:产品安全是一个重要的关键绩效指标,特别是对于食品、药品和化妆品等需要高标准的产品。
包装部门负责确保产品在包装和运输过程中的安全性。
因此,评估包装部门的绩效时,需要考虑产品在包装过程中的密封性、材料选择和防止外界环境对产品的影响等因素。
5.售后服务:售后服务是衡量包装部门绩效的一个重要指标。
包装部门应保证及时处理并妥善解决与包装有关的客户投诉和问题,以提高客户满意度和忠诚度。
售后服务包括及时回应客户的需求、提供有效的解决方案和故障排除等。
6.创新能力:包装部门应具备创新能力,根据市场需求和消费者趋势,不断改进和创新包装设计和材料。
评估包装部门的创新能力可以查看其推出的新产品和改进的包装设计是否能提升产品价值和市场竞争力。
7.团队合作:包装部门需要与其他部门密切合作,如研发、生产和营销部门等。
评估包装部门的团队合作能力可以通过与其他部门的沟通效果、合作项目的完成情况和员工的团队精神等来衡量。
包装厂工程绩效考核方案一、考核目的。
咱整这个考核方案呢,就是想让包装厂的工程相关工作干得更漂亮,让大家都能清楚知道自己干得咋样,多劳多得,也能让咱这厂子里的工程管理越来越顺溜。
二、考核对象。
包装厂工程部门的全体小伙伴,不管你是搞工程设计的、施工的,还是负责工程设备维护的,都在考核范围内。
三、考核周期。
1. 月度考核。
2. 年度考核。
一年到头了,综合这一年每个月的情况,来个大考核,这可关系到大家的年终奖等大福利呢。
四、考核指标。
# (一)工程质量(35分)1. 产品包装合格率(20分)要是合格率在95% 98%之间呢,那就只能拿11 15分,这就是还不错,但还有进步空间。
如果合格率低于95%,那可就只能得1 10分了,这就说明在包装工程质量上得好好找找问题了。
2. 包装工程符合标准程度(15分)完全按照咱厂子里定的包装工程标准来干活,没有一点差错的,12 15分就到手了。
这就像按照菜谱做菜,一点没走样,那肯定是好菜。
要是有一些小的偏差,但不影响大局的,8 11分。
就像做菜盐放多了一丢丢,不太完美,但还能吃。
如果偏差比较大,不符合标准的地方不少,那只能拿1 7分了,这就像菜做糊了,得重新研究研究做法了。
# (二)工程效率(30分)1. 工程任务按时完成率(20分)每个月或者每个项目给定的工程任务都能按时完成,那20分妥妥的。
这就像火车准点到站一样,准时是基本要求。
如果有偶尔一两个任务拖了点时间,但不超过总任务的10%,那能拿12 19分。
就像火车偶尔晚点个几分钟,虽然不太好,但还能接受。
要是经常完不成任务,或者拖延的任务超过总任务的10%,那就只能得1 11分了,这就像火车老是晚点,肯定是有问题的。
2. 工程流程优化改进(10分)如果能主动提出一些工程流程优化的好点子,并且经过实践确实能提高效率的,8 10分。
这就像给一辆跑得慢的汽车换了个新发动机,一下子就快起来了。
要是能跟着别人的优化方案好好执行,也能拿到4 7分。
设计包装岗位绩效考核指标设计部关键绩效考核指标
10. 2 包装部关键绩效考核指标
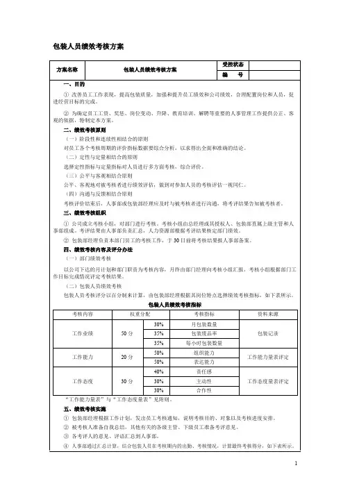
1包装人员绩效考核方案
“工作能力量表”与“工作态度量表”见附则。
五、绩效考核实施
①包装部经理根据工作计划,发岀员工考核通知,说明考核目的、对象以及考核进度安排。
②被考核人准备自我总结,其他有关的各级主管、下级员工准备考评意见。
③各考评人的意见、评语汇总到人事部。
④人事部通过汇总计算,结合包装人员在考核期内的岀勤、考核情况,计算最终考核得分,如下表所示
包装人员采用百分制考核方法。
包装部经理根据公司规定的比例来划分制定包装人员等级,等级说明
①月度考核为“特别优秀”与“优秀”分别奖励500元与200元。
②年度综合考核为“优秀”且无“不合格”记录者,晋一级。
③职位在五等以下员工,连续五年年度综合考核为“优秀”者,晋级一等。
(二)员工惩罚
①连续三个月考核“不合格”者,解除劳动合同。
②年度综合考核为“不合格”者,予以降级、降薪或解除劳动合同。
③季内被评定为E等的员工,不享受公司的提薪待遇。
七、附则
此方案自XXXX年XX月XX日起执行。
编制人员审核人员批准人员编制日期审核日期批准日期。