工业锅炉水处理技术-10
- 格式:doc
- 大小:1.43 MB
- 文档页数:7
锅炉水质处理一、锅炉水质对锅炉的影响:锅炉水质的好坏,对锅炉的安全经济运行关系十分密切。
锅炉水质不好,会使受热面上结生水垢,影响传热效果,浪费燃料。
严重的还会造成锅筒鼓包,管子堵塞而引起事故。
炉水中含有的各种杂质,(包括气体等),还会引起金属的腐蚀,缩短了锅炉的使用寿命;过多的杂质,还将影响蒸汽的质量,使蒸汽带水而发生汽水共腾。
水质过硬不良,如果不经任何处理,就作为锅炉用水,一旦进入锅炉将会给锅炉运行带来危害。
危害一:结垢水在锅炉内受热蒸发,不但为水中的杂质提供了化学反应条件,还会使锅水不断浓缩。
当这些杂质在锅水中达到饱和时,便有固体物质析出。
所析出的固体物质,如果悬浮在锅水中,就称为水渣;如果沉积在受热面上,则称为水垢。
水垢的导热系数比钢铁的导热系数小数十倍到数百倍。
因此锅炉结有水垢时,使受热面的传热性能变差,燃料燃烧所放出的热量不能迅速地传递到锅水中,大量的热量被烟气带走,造成排烟温度升高,排烟热损失增加,锅炉的热效率降低。
浪费燃料,损坏受热面,降低锅炉出力,结垢会降低锅炉使用寿命。
危害二:腐蚀锅炉的水冷壁、对流管束及锅筒等构件都会因水质不良而引起腐蚀。
结果,使这些金属构件变薄和凹陷,甚至穿孔。
更为严重的腐蚀会使金属内部结构遭到破坏。
被腐蚀的金属,强度显著降低。
因此,严重影响锅炉安全运行,缩短锅炉使用年限,造成经济上的损失。
金属腐蚀产物被锅水携带到锅炉受热面上后,容易与其他杂质结成水垢。
含有高价铁的水垢,容易引起与水垢接触的金属铁腐蚀。
而铁的腐蚀产物又容易重新结成水垢。
这是一种恶性循环,它会迅速导致锅炉构件的损坏。
危害三:汽水共腾当锅水中含有较多的氯化钠、磷酸钠、油脂和硅化物时,或者锅水中的有机物与碱作用发生皂化时,在锅水沸腾蒸发过程中,液面就会产生泡沫。
泡沫薄膜破裂后分离出很多的水滴,这些含盐量很高的水滴不断被蒸汽带走,而发生汽水共腾现象。
锅炉产生汽水共腾会造成:蒸汽受到严重污染;过热器管和蒸汽流通管道产生积盐严重时能将管道堵塞;使过热蒸汽温度下降;液面计内充有汽泡,造成液面分辨不清;产生水锤作用,容易造成蒸汽系统连接处损坏;容易引起蒸汽阀门,回水弯头部位和过热器内的腐蚀。
影响出水质量。
④氯离子(Cl-)氯离子也称为氯根,几乎存在于所有的天然水中,但其含量却相差很大。
氯离子是产生咸味的主要因素,越咸的水中,Cl-含量越高,如海水和咸湖水中Cl-含量就极高,而淡水中Cl-含量则较低。
大多数氯化物不但溶解度很大,而且很稳定,所以在工业锅炉水质分析中常以测定Cl-的含量来反映锅水的浓缩倍率,并指导锅炉的排污。
虽然少量的氯化物对锅炉没什么危害,但由于Cl-是一种活化离子,在一定的条件下会破坏金属表面的保护膜,加速腐蚀的进行,尤其对于不锈钢制品,易受到Cl-的侵蚀而发生点蚀,因此锅水中的Cl-含量不宜过高。
⑤硫酸根离子(SO42-)天然水中大多含有SO42-。
除了沿海地区,一般天然淡水中SO42-含量要大于Cl-。
SO42-与Ca2+生成的CaSO4,在常温下为微溶,在高温下却成为难溶物,即它的溶解度是随着温度的升高而迅速下降的。
所以,当锅炉给水中含有硬度,而锅水碱度又不足时,容易在热负荷较高的受热面上结生坚硬的硫酸盐水垢。
由于硫酸盐水垢难溶于酸,生成后特别难清除,因此应尽量避免结生硫酸盐水垢。
在低压锅炉水处理中,主要通过除去硬度和保持锅水一定的碱度来防止硫酸盐水垢。
而在中、高压锅炉水处理中,一般通过除盐处理除去水中包括硫酸根的所有离子。
⑥硅酸(H4SiO4)水中硅酸的含量通常以SiO2表示,故又称为可溶性二氧化硅。
硅是地球上含量极为丰富的元素,因此天然水中普遍含有硅,不过其含量的变化幅度较大,一般地下水硅含量比地表水要高。
硅化合物与硫酸钙类似,其溶解度也是随着温度的升高而下降,在高温受热面上易生成导热系数非常小,而且非常坚硬的硅酸盐水垢。
对于蒸汽供汽轮机的中、高压锅炉来说,如果给水中硅含量过高,不但易在锅炉中结生硅酸盐水垢,而且还容易在蒸汽中携带硅酸盐,并会在过热器及汽轮机叶片等热力系统中形成非常难以清除的沉积物,影响热力设备的正常运行。
低压锅炉对硅酸盐水垢的防止与防止硫酸盐水垢一样,主要通过控制给水硬度和锅水碱度来达到。
下载文档后,选择整篇文档,将字体颜色改为黑色或红色,部分答案就会显示!!切记!!一、单选题【本题型共43道题】1.按照《锅炉水(介)质处理监督管理规则》TSG G5001-2010的规定,鼓励和支持国家锅炉水处理行业协会加强行业自律,按照强制的原则,对锅炉水处理设备.药剂.树脂.有机热载体等产品进行注册,对锅炉化学清洗单位的能力进行评定。
A.正确B.错误C.不确定正确答案:[B]2.GB24747-2009《有机热载体安全技术条件》规定,验证检验合格的在用有机热载体至少应()取样检验一次。
A.3个月B.6个月C.每半年D.每年正确答案:[D]3.给水除氧是防止锅炉金属腐蚀,保证锅炉热力系统安全运行的重要措施之一。
目前除氧处理常用的主要有()。
A.热力除氧B.真空除氧C.化学除氧D.以上都是正确答案:[D]4.导致水垢各种危害的根源是()。
A.水垢难以清除B.水垢影响蒸汽品质C.防垢成本过高D.水垢导热性很差正确答案:[]5.GB24747-2009《有机热载体安全技术条件》规定,L-QC和L-QD类有机热载体应在()循环系统中使用。
A.开式B.闭式C.以上均可正确答案:[]6.根据亨利定律,任何气体在水中的溶解度与此气体在水面上的分压力成正比。
当水的温度提高时,水面上的水蒸汽分压就会(),而其它气体的分压则(),这些气体在水中的溶解度也就随之()。
a. 增大b.下降c.不变d.不确定A.a b bB.a b cC.b c dD.c b d正确答案:[]7.GB24747-2009《有机热载体安全技术条件》规定,L-QC类有机热载体的运动黏度质量指标,()为安全警告。
A.<40mm2/s。
B.40~50mm2/sC.40~60mm2/sD.>50mm2/s。
E.>60mm2/s正确答案:8.已劣化的有机热载体都可以通过回收处理,达到允许使用质量指标后返回原系统使用。
()A.正确B.错误C.不一定正确答案:[]9.碳酸盐水垢通常在()部位形成。
锅炉水处理是一种原水预处理方式,主要是为了去除水中会导致结垢、腐蚀的钙、镁离子以及水中的其他杂质。
锅炉水处理五大方法
一.采取合理的水处理方法
使用合格的阻垢剂和电子防垢仪器,钢壳式锅炉的蒸发量比较小,且蒸汽压力也较小,可以在锅炉外应用一些化学方法进行处理,而蒸发量大且蒸汽压力大的锅炉,除此之外还要使用除氧设备。
在水处理过程,需应用先进的技术,例如为去除钙、镁离子可以采用钠离子交换处理法以防止结垢现象的发生。
二.增强水处理设备质量
水处理设备的质量不可忽视,若发生树脂铁中毒现象,可以更换锅炉制作材料,或对树脂进行恢复处理。
也可以应用树脂交换剂在锅炉外进行化学处理方法,从而提高设备质量。
三.有效控制水的硬度
为防止结垢现象的发生,需要降低锅炉给水硬度,使其PH值在10-12之间。
当硬度过高时,需添加碱性物质。
四.增强监督力度
有必要增强监督管理部门的水处理意识,更要加强工作人员的职业技能,认识到锅炉水处理问题的重要性。
五.保证处理过程的环保性
在处理过程中难免会应用一些化学原料,这会对环境造成污染,所以需要研究一些新的原料或安装有效的过滤装置,甚至安装污水处理系统,从而实现水的循环利用,降低污染。
目前,在工业中经常被应用的是工业锅炉软化水设备,它的软化处理效果非常的显著。
莱特莱德锅炉水工业锅炉水处理主要内容是水的软化,即除去水中的钙þ硬度盐,防止锅¯结垢,设备为软水处理器,也习惯地成为水处理器。
为了防止锅¯之前将其进行软化处理,把水中能引起锅¯结垢,腐蚀的盐类及其他杂质先行出去,使给水符合国家规定的水质标准。
一、常用的锅炉水处理技术有锅炉加药与锅外离子交换法两种。
锅炉加药法是向锅¯投加适量的化学防垢剂,使之与锅水中钙、þ离子等致垢物质发生化学的、物理的或物理化学作用,生成难溶物质的沉淀,形成松散的水垢,通过锅¯排污除去,以达到防止或者减轻过内结垢的目的。
给水除氧是防止锅炉金属腐蚀,保证锅炉热力系统安全运行的重要措施之一。
目前除氧处理常用的主要有热力除氧、真空除氧、化学除氧及其他新型开发的除氧方法等,其中最常用的锅炉处理技术是热力除氧。
二、锅炉水处理是通过向锅¯内投入一定数量的软水剂,使锅炉给水中的结垢物质转变成泥垢,然后通过排污将泥垢从锅¯排出,从而达到减缓或防止水垢结生的目的。
这种水处理主要是在锅¯内部进行的,故称为锅¯内水处理。
锅炉水处理有以下特点:1、锅炉水处理不需要复杂的设备,故投资小、成本低,操作方便。
2、锅炉加药处理法是最基本的水处理方法,又是锅外化学水处理的继续和补充。
经过锅外水处理以后还可能有残余硬度,为了防止锅¯结垢与腐蚀,仍加一定的水处理药剂。
3、锅炉水处理还不能完全防止锅¯结生水垢,特别是生成的泥垢,在排污不及时很容易结生二次水垢。
4、锅炉加药处理法对环境û有污染,它不像离子交换等水处理法,处理掉天然水多少杂质,再生后还排出多少杂质,而且还排出大量剩余的再生剂和再生后产物。
而锅¯加药处理方法是将水中的主要杂质变成不溶性的泥垢,对自然不会造成污染。
5、锅炉加锅炉水处理药剂纯理法使用的配方需与给水水质匹配,给水硬度过高时,将形成大量水渣,加快传热面结垢速度。
技能认证G3锅炉水处理考试(习题卷10)说明:答案和解析在试卷最后第1部分:单项选择题,共54题,每题只有一个正确答案,多选或少选均不得分。
1.[单选题]能时水的电离平衡向电离方向移动,而且溶液为酸性的是()。
A)将水加热到90℃B)滴入稀H2SO4C)加入CuCl22.[单选题]燃烧所具有的三个条件是( )。
A)燃料、空气、锅炉B)可燃物质、催化剂、氧气;C)可燃的物质、氧气、足够高的温度3.[单选题]下列水渣中,具有粘性易转化成二次水垢的是( )A)碳酸钙;B)氢氧化镁;C)磷酸镁4.[单选题]采用锅外水处理的热水锅炉,按 GB/T1576-2018《工业锅炉水质》补给水硬度应为()mmol/LA)≤6.0B)≤4.0C)≤0.65.[单选题]锅炉烟囱冒黑烟,与下列哪种现象有关( )。
A)水位(油位)偏低B)风量太小C)风量太大6.[单选题]水的温度越高,水中的含氧量()。
A)越大B)越小C)不变7.[单选题]污水回收系统检查内容:( )。
A)阀门、流程,电机、运行B)压力、流量表计量,阀门开关C)计量参数、流程压力D)阀门、流程,电机、机泵运行,压力、流量表计量8.[单选题]钳形电流表每次用完后,应将量程开关置于( )位置。
9.[单选题]为加强锅炉水处理工作,防止和减少由于结垢或腐蚀而造成的事故,保证锅炉安全经济运行,根据可《锅炉压力容器安全监察暂行条例》和国务院赋予国家质量技术监督局的职责,制订( )。
A)《锅炉水处理监督管理规定》B)《锅炉水处理监督管理规则》C)《锅炉水处理监督管理办法》D)《锅炉水处理监督管理制度》10.[单选题]额定工作压力3.8~5.8MPA.的汽包锅炉,给水铁含量应( )A)≤50μg/ LB)≤40μg/ LC)≤30μg/ LD)≤20μg/ L11.[单选题]锅水氯离子为 321mg/L,给水氯离子为 21mg/L,锅炉的排污率为( )。
A)5%B)6%C)7%.D)10%12.[单选题]锅内水质调节处理是通过( )等手段,使锅水个项指标符合国家标准的要求,防止或减缓腐蚀、结垢,并杜绝汽水共腾现象。
给水工程1. (概念硬度是水质的一个重要指标。
生活用水与生产用水均对硬度指标有一定的要求,特别是锅炉用水中若含有硬度盐类,会在锅炉受热面上生成水垢, 从而降低锅炉热效率、增大燃料消耗, 甚至因金属壁面局部过热而烧损部件、引起爆炸。
因此,对于低压锅炉,一般要进行水的软化处理;对于中、高压锅炉,则要求进行水的软化与脱盐处理。
硬度盐类包括 Ca 2+、 Mg 2+、 Fe 2+、 Mn 2+、 Fe 3+、Al 3+等易形成难溶盐类的金属阳离子。
一般天然水中其他离子含量很少, 将钙、镁离子的总含量称为水的总硬度。
硬度又可分为碳酸盐硬度和非碳酸盐硬度,前者在煮沸时易沉淀析出,称为暂时硬度 ;后者在煮沸时不沉淀析出,称为永久硬度。
2. (经典题目。
看起来像大题 P395-396石灰软化》》为除去水中钙、镁离子,反而加入 Ca (OH 2,似乎存在着矛盾。
而其中道理可从下列反应中看出:(请记住反应式 , 自己看书记式子 1 Ca(OH2—— Ca2++2OH-2 2HCO 3-+2OH-—— 2CO 32-+2H2O 3 Ca 2++CO32-—— CaCO 3沉淀》》》》》》 Ca(OH2+2HCO3-——CaCO 3沉淀 +CO32-+2H2O (此 4式,可记住最后一条足以证明根据上述反应,每投加 1molCa(OH2,可去除水中 1molCa 2+。
此式说明熟石灰能去除碳酸盐硬度 ;熟石灰虽亦能跟水中非碳酸盐的镁硬度起反应生成氢氧化镁,但同时又产生了等物质量的非碳酸盐的钙硬度 :MgSO 4+Ca(OH2—— Mg (OH 2沉淀 +CaSO4MgCl2+Ca(OH2—— Mg(OH2沉淀 +CaCl2(这两条式子,考试时写出一个足以证明。
综上所述, 石灰软化主要是去除水中的碳酸盐硬度以及降低水的碱度。
但过量投加石灰,反而会增加水的硬度。
石灰软化往往与混凝同时进行,有利于混凝沉淀。
3. 离子交换树脂是由空间网状结构骨架 (即母体与附属在骨架上的许多活性基团所构成的不溶性高分子化合物。
只要测出Cl-的含量就可直接指导锅炉的排污。
3.电导率(DD)衡量水中含盐量的大小,最方便和快捷的方法是测定水中的电导率。
电导率为电阻率的倒数,是表示水的导电能力的一项指标,可用电导仪测定,单位为西[门子]/厘米(S/cm)或微西[门子]/厘米(μS/cm)。
因为水中溶解的盐类大都是强电介质,它们在水中几乎都电离成了能够导电的离子,离子浓度越高,电导率越大,所以水的电导率可反映出含盐量的多少。
电导率的大小除了与水中离子量有关外,还和离子的种类有关。
因为不同的离子其导电能力不同,其中H+的导电能力最大,OH-次之,其它离子的导电能力与其离子半径及所带电荷数等因素有关。
例如,有三个含盐量相等的溶液,它们分别呈酸性、碱性和中性,则酸性溶液的电导率最大,碱性溶液的次之,中性溶液的电导率则要小得多。
如果用碱将酸性溶液中和至中性,则溶液的含盐量增加而电导率反而会降低,因此单凭电导率不能计算水中含盐量。
但当水中各种离子的相对含量一定时,则电导率随着离子总浓度的增加而增大。
所以,在水中杂质离子的组成比相对稳定的情况下,可根据试验求得这种水的电导率与含盐量的关系,将测得的电导率换算成含盐量。
另外,电导率的测定不但方便、快捷,有利于自动化控制,而且测定范围广,尤其可适用于微量离子的测定。
因此,电站锅炉水汽质量分析中常以电导率来衡量水、汽的纯净程度。
(三)硬度(YD)硬度是表示水中高价金属离子的总浓度。
在天然水中,形成硬度的物质主要是钙、镁离子,其它高价金属离子很少,所以通常硬度就是指水中钙、镁离子(Ca2+、Mg2+)的含量,它是衡量锅炉给水水质好坏的一项重要技术指标。
总硬度包括钙盐和镁盐两大部分。
钙盐即钙硬度,包括:碳酸氢钙、碳酸钙、硫酸钙、氯化钙等;镁盐也即镁硬度,包括:碳酸氢镁、碳酸镁、硫酸镁、氯化镁等。
硬度还可按所组成的阴离子种类分为碳酸盐硬度和非碳酸盐硬度两大类。
1.碳酸盐硬度(YDT)是指水中钙、镁的碳酸氢盐和碳酸盐的含量。
工业锅炉水处理工考试题库及答案单选题1.锅炉正常运行时,排污率不应小于()。
A、0.1%;B、0.2%C、0.3%;D、1%。
参考答案:C2.在下列酸洗介质中,易引起奥氏体钢应力腐蚀的是()。
A、HB、FeC、FeD、Ca参考答案:C3.使用酸度计测量PH值,当被测水样PH值大于(),将出现“钠差”现象。
A、4;B、7;C、10.5;D、14。
参考答案:C4.0017型树脂是()。
A、强酸阳离子交换树脂;B、弱酸阳离子交换树脂;C、强碱阴离子交换树脂;D、弱碱阴离子交换树脂。
参考答案:A5.全交换容量表示一定量的离子交换树脂()。
A、交联度和活性基团的总量;B、能交换Ca2+、Mg2+的量;C、活性基团的总量;D、在工作状态下能交换离子的量参考答案:C6.工业锅炉可通过测量给水和炉水中的()来计算排污率。
A、碱度B、PHC、Cl-参考答案:C7.根据锅炉水(介)质处理监督管理规则,额定蒸发量大于或者等于1t/h但小于4t/h的蒸汽锅炉,额定热功率大于或者等于0.7MW但小于4、2MW的热水锅炉,每()h至少进行1次分析。
A、A4B、B8C、C12参考答案:B8.型号SHL表示()。
A、双锅筒横置式往复炉排锅炉;B、双锅筒横置式往链条排锅炉;C、单锅筒横置式链条炉排锅炉;D、双锅筒纵置式链条炉排锅炉参考答案:B9.一台交换器内径为0.5m,每小时产软水2m3,问此时该交换器的运行流速为()m/h?A、10B、20C、30D、15参考答案:C10.当给水中含有溶解氧时,锅炉省煤器易发生氧腐蚀,其腐蚀程度往往()。
A、高温段比低温段严重B、低温段比高温段严重C、同样严重D、不严重参考答案:B11.锅内形成的水渣是通过()来排除的。
A、底部排污B、表面排污参考答案:A12.在用特种设备的日常维护保养、定期检查,至少每()进行一次。
A、1个月;B、15天;C、一个星期;D、三个月参考答案:A13.自动钠离子交换器的盐罐内,通常应保持有()浓度的盐水。
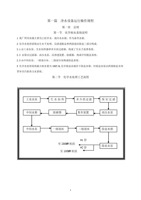
第一篇净水设备运行操作规程第一章总则第一节化学制水系统说明1 我厂所用水源主要为王府井水,凌河水水源,作为备用水源。
2 化学水处理系统由生水予处理、反渗透脱盐和两级混床除盐三部分构成。
2.1由工业水泵、生水加热器和多介质过滤器,构成了生水予处理系统。
2.2 由保安过滤器、高压水泵、反渗透装置、除碳器,构成中间脱盐系统。
2.3由中间水泵、一级混合床、二级混合床构成除盐系统。
3 化学水处理系统最大制水量为400T/H,化学除盐水储存于除盐水箱,经除盐水泵由两条除盐水母管补至汽机热力水系统。
第二节化学水处理工艺流程第三节监督项目及水质指标化学水处理水质监督项目及标准:第二章预处理设备运行操作规程第一节预处理加药系统概述1 絮凝剂加药系统1.1 概述:絮凝剂计量泵选用进口的GC-2K548DE2型计量泵,共两台,加药点为机械过滤器入口。
1.2 加絮凝剂的目的:为了除去原水中含有的胶体杂质,向水中加入絮凝剂。
脱稳后的胶体能够聚结成较大的颗粒,在过滤器中去除。
1.3 絮凝剂加药量:首先应把絮凝剂配成10%(W/V)浓度的药液,将进水阀打开,然后关闭进水阀,再向溶药箱中加入一定量的絮凝剂药品,打开进水阀,加水到指定水位,按照向水中加入4ppm的有效絮凝剂计算,絮凝剂的加入量为21.36L/h。
调节泵的冲程为18%。
频率:0-50HZ←→0-800M3/h。
2 NaClO加药系统2.1 概述:NaClO计量泵选用美国进口的C776-26S型计量泵,,共二台,加药点为机械过滤器入口处。
2.2 加NaClO目的:一方面氧化降解原水中的有机物,同时将原水的还原性物质(如Fe2+、Mn2+ 、HS-等)氧化后在过滤器中去除。
另一方面消除原水中细菌、藻类等生物。
同时过量的余氯可以抑制预处理系统内生物的滋生,以免造成对反渗透膜的细菌污染。
2.3 NaClO加入量:首先应将NaClO配成浓度为10%(W/V)的溶液,按照向水中加入3mg/L的有效NaClO 计算,NaClO的溶液加入量为16.02L/h.调节泵频率为67%(手动),0-100%←→0-800 M3/h(自动)。
锅炉水处理安全技术规程第一章总则第一条为了确保锅炉系统的安全运行,延长锅炉的使用寿命,提高锅炉的热效率,保护环境,防止事故发生,制定本规程。
第二条本规程适用于所有工业锅炉和热水锅炉的水处理。
第三条锅炉水处理包括给水处理、汽水分离和除垢、盐水处理、锅炉水质分析和调整等内容。
第四条锅炉水处理应按照国家有关法律法规的规定执行。
第二章给水处理第五条给水处理应保证给水质量符合技术要求,应具备以下要求:1. 给水应无明显的悬浮物和颜色、异味。
2. 给水中硬度、氧化物含量应符合锅炉设计和工作要求。
3. 给水应通过磁过滤器和过滤器进行过滤。
第六条给水处理的具体步骤:1. 给水进入净化池,通过草滤、活性炭过滤、沉淀等净化过程去除悬浮物和颗粒物。
2. 给水进入离子交换器,去除大部分硬度成分和溶解性杂质。
3. 给水使用活性炭吸附装置去除余留的溶解性有机物和氧化腐蚀产物。
第三章汽水分离和除垢第七条锅炉应设置汽水分离器,并按照规定进行清洗和维护。
第八条锅炉除垢应根据锅炉水质分析结果进行,具体步骤如下:1. 锅炉停机后,排掉水,清洗水平管和竖井。
2. 使用去垢剂进行锅炉内壳的清洗,清洗时间根据锅炉除垢要求确定。
3. 清洗结束后,用清水冲洗,排掉冲洗水。
第四章盐水处理第九条盐水处理应采用适当的盐水控制和排放方式,确保锅炉水中的盐分保持在技术要求范围内。
第十条盐水处理的具体步骤如下:1. 锅炉内的盐水浓度应通过定量给排水的方法进行控制。
2. 当锅炉内盐垢浓度超过规定范围时,应及时进行排泥和排盐处理。
第五章锅炉水质分析和调整第十一条锅炉水应定期进行水质分析,确保水质符合技术要求。
第十二条锅炉水质分析的项目包括:PH值、硬度、氧化物、碱度、水温等。
第十三条根据水质分析结果,进行调整和处理,使水质符合技术要求。
第六章安全管理第十四条锅炉水处理应建立完善的安全管理制度和相关的操作规程,并进行培训和监督。
第十五条锅炉水处理过程中应加强对药剂的存放和使用的管理,确保药剂安全。
电厂锅炉补给水处理技术引言电厂锅炉的补给水处理技术是电力工业中重要而复杂的环节之一。
补给水处理的目的是防止锅炉中的水质导致腐蚀、垢积和热效率降低等问题。
本文将介绍电厂锅炉补给水处理的基本原理、常用技术和注意事项。
锅炉补给水质量评估为确保电厂锅炉的安全和可靠运行,需要准确评估补给水的质量。
对补给水进行全面的化学分析是评估补给水质量的基础,常见的指标包括水硬度、PH值、溶解氧、碱度、总磷和总氮等。
锅炉补给水处理技术1.软化处理软化处理是补给水处理的一种常用方法。
通过使用离子交换树脂或添加化学软化剂,可以去除补给水中的钙镁离子,减少水硬度,防止垢积和腐蚀。
2.膜分离技术膜分离技术包括反渗透和纳滤等,可以去除补给水中的溶解固体、有机物和微生物等杂质。
这种方法适用于需要高纯水的特殊情况,例如超临界锅炉。
3.除氧技术除氧是防止锅炉内腐蚀的重要步骤。
通过采用化学除氧或机械除氧等方法,可以去除补给水中的溶解氧,减少锅炉内的氧腐蚀。
4.碱化调节碱化调节是调节补给水中碱度的方法,可以保持锅炉内的酸碱平衡,防止腐蚀和垢积。
锅炉补给水处理的注意事项1.合理选择处理技术根据电厂锅炉的特点和补给水的质量,选择合适的处理技术。
不同的处理技术适用于不同的水质和需求。
2.定期检测和维护定期对补给水的水质进行检测,确保处理效果和系统的运行状态。
同时,及时维护和更换处理设备,保证其正常运行。
3.节约和循环利用在补给水处理过程中,注重水资源的节约和循环利用。
采用合适的循环系统和回收装置,减少水的消耗和排放。
结论电厂锅炉补给水处理技术是确保锅炉安全和有效运行的关键环节。
通过合理选择处理技术、定期检测和维护以及节约和循环利用水资源,可以有效防止锅炉腐蚀、垢积和热效率降低等问题的发生。
因此,电厂应高度重视补给水处理的工作,确保锅炉的长期稳定运行。
以上是对电厂锅炉补给水处理技术的简要介绍,希望能为相关人员提供一些基础的理解和指导。
更多深入的技术细节和实践经验需要在实际应用中不断总结和探索。
物与电导率旳比值关系(简称固导比),通过测定电导率来间接测定和控制溶解固形物旳措施。
理论和试验表明,水样旳pH对电导率测定值影响较大,当锅水中旳OH-浓度较高时,会使溶解固形物测定成果偏高,因此测定电导率时,应预先将水中旳OH-中和至中性。
固氯比法是运用锅水中溶解固形物与氯离子旳比值关系(简称固氯比),通过测定锅水氯离子含量来间接测定和控制锅水溶解固形物。
采用固氯比法时,需注意软水器再生后应正洗彻底并防止出水中氯离子偏高,导致固氯比不稳定。
无论是固导比还是固氯比,都要在水质相对稳定旳状况下,才靠近于常数。
当水质变化较大,或者加药处理旳药剂种类和用量波动较大时,都会使固导比和固氯比值发生较大旳变化,并影响到溶解固形物测定旳对旳性。
因此溶解固形物与电导率或氯离子旳比值关系应定期复测,并根据试验成果进行修对旳定。
(9)磷酸根旳测定配有分光光度计旳锅炉使用单位,可以按GB/T6913《锅炉用水和冷却水分析措施磷酸盐旳测定》规定旳措施测定锅水磷酸盐。
未配置分光光度计旳工业锅炉使用单位,可以按本原则附录F中旳目视法测定磷酸盐。
该措施合用于锅水中溶解性正磷酸盐旳测定,磷酸根测定范围2~50mg/L。
(10)氯离子旳测定氯离子旳测定措施应根据水中干扰物质旳含量来选择。
一般水样可选择GB/T 15453《工业循环冷却水和锅炉用水中氯离子旳测定》;当水样中干扰物质含量较高时,可选择本原则附录G《氯化物旳测定(硫氰酸铵滴定法)》规定旳措施进行测定。
GB/T15453旳测定措施,即:以硝酸银为原则溶液、以铬酸钾为指示剂测定氯离子,当水样中存在碳酸根(CO32-)、亚硫酸根(SO32-)、磷酸根(PO43-)、聚羧酸盐和有机膦等物质时,易产生干扰,使测定成果偏高,尤其是锅内加有聚羧酸盐和有机膦等防垢剂时,氯离子旳测定误差甚至会高达20%。
因此采用锅内加药处理时,宜选用本原则附录G“硫氰酸铵滴定法”测定锅水氯离子,以提高测定旳精确性。
工业锅炉水处理防止锅炉受热面腐蚀受热面是指接触炉膛高温火焰或烟气的金属表面,它的一侧表面被高温火焰和烟气加热,另一侧接触高温水或水蒸气。
当炉水的pH值小于9时,高温水和水蒸气会与受热面金属反应,导致腐蚀,缩短锅炉使用寿命,严重时会造成锅炉爆炸事故。
处理措施:通过对锅炉用水添加碱性物质处理,使得锅水的pH值保持在10-12之间(电站锅炉炉水pH在9-11之间),可以防止受热面腐蚀的发生。
常用的碱性物质有磷酸三钠、等。
但是对于碱度比较高的地下水等作为锅炉用水的,应采取适当的降低碱度的工艺技术,如化学中和或者反渗透除盐等,控制使其pH符合锅炉用水标准要求。
防止锅炉受热面结垢与高温受热面接触的水大部分会迅速蒸发变为水蒸气,导致水中的盐类物质浓缩,尤其当锅炉给水中含有钙、镁(即硬度)盐时,因为在水里溶解度很小,会因浓缩在受热面析出,即水垢。
水垢的导热性能很差,只有钢铁的几百分之一至几十分之一。
当受热面结有水垢后,因为传热不良,金属不能被锅水很好地冷却,壁温会持续升高,以致发生变形、管道胀粗,严重时发生爆管事故。
处理措施:通过采用软化、除盐等工艺手段,除去锅炉给水、补给水中容易导致结垢的物质,可以大大降低结垢的风险。
同时,对锅炉用水添加碱性物质处理,使得锅水的pH值保持在10-12之间(电站锅炉炉水pH在9-11之间),可以使易结垢物质形成水渣,而不是水垢,通过排污排出锅炉,达到防止结垢的目的。
此外,添加具有络合作用的盐类,可以与硬度物质发生络合反应,生成可溶于水的络合物,防止受热面结垢和腐蚀的发生。
常用的碱性物质有磷酸三钠、等,常用的络合物有EDTA二钠盐、腐殖酸钠等。
对于额定压力较高的工业锅炉和中、高压电站锅炉,如果锅炉用水中碳酸盐含量高,则会导致蒸汽中含有二氧化碳,二氧化碳会导致蒸汽管道酸性腐蚀。
该腐蚀为均匀腐蚀,危害性相对不大,但是会缩短管道、阀门等的使用寿命。
处理措施:通过对锅炉用水添加挥发性的碱性物质处理,使得蒸汽的pH值保持在弱碱性,可以防止蒸汽管道酸性腐蚀。
只要测出Cl-的含量就可直接指导锅炉的排污。
3.电导率(DD)衡量水中含盐量的大小,最方便和快捷的方法是测定水中的电导率。
电导率为电阻率的倒数,是表示水的导电能力的一项指标,可用电导仪测定,单位为西[门子]/厘米(S/cm)或微西[门子]/厘米(μS/cm)。
因为水中溶解的盐类大都是强电介质,它们在水中几乎都电离成了能够导电的离子,离子浓度越高,电导率越大,所以水的电导率可反映出含盐量的多少。
电导率的大小除了与水中离子量有关外,还和离子的种类有关。
因为不同的离子其导电能力不同,其中H+的导电能力最大,OH-次之,其它离子的导电能力与其离子半径及所带电荷数等因素有关。
例如,有三个含盐量相等的溶液,它们分别呈酸性、碱性和中性,则酸性溶液的电导率最大,碱性溶液的次之,中性溶液的电导率则要小得多。
如果用碱将酸性溶液中和至中性,则溶液的含盐量增加而电导率反而会降低,因此单凭电导率不能计算水中含盐量。
但当水中各种离子的相对含量一定时,则电导率随着离子总浓度的增加而增大。
所以,在水中杂质离子的组成比相对稳定的情况下,可根据试验求得这种水的电导率与含盐量的关系,将测得的电导率换算成含盐量。
另外,电导率的测定不但方便、快捷,有利于自动化控制,而且测定范围广,尤其可适用于微量离子的测定。
因此,电站锅炉水汽质量分析中常以电导率来衡量水、汽的纯净程度。
(三)硬度(YD)硬度是表示水中高价金属离子的总浓度。
在天然水中,形成硬度的物质主要是钙、镁离子,其它高价金属离子很少,所以通常硬度就是指水中钙、镁离子(Ca2+、Mg2+)的含量,它是衡量锅炉给水水质好坏的一项重要技术指标。
总硬度包括钙盐和镁盐两大部分。
钙盐即钙硬度,包括:碳酸氢钙、碳酸钙、硫酸钙、氯化钙等;镁盐也即镁硬度,包括:碳酸氢镁、碳酸镁、硫酸镁、氯化镁等。
硬度还可按所组成的阴离子种类分为碳酸盐硬度和非碳酸盐硬度两大类。
1.碳酸盐硬度(YDT)是指水中钙、镁的碳酸氢盐和碳酸盐的含量。
天然水中碳酸根(CO32-)很少,故天然水的碳酸盐硬度主要是指钙、镁的碳酸氢盐含量。
由于碳酸盐硬度在高温水中会发生下列分解反应而析出沉淀,所以碳酸盐硬度也称为暂时硬度。
2.非碳酸盐硬度(YDF)是指水中钙、镁的硫酸盐、氯化物、硝酸盐等含量。
由于这类硬度即使是在水沸腾时也不会因分解析出沉淀,所以对应地被称为永久硬度。
另外,当天然水中钙镁总含量大于碳酸氢根(HCO3-)时,水的硬度由碳酸盐硬度和非碳酸盐硬度组成;当天然水中钙镁总含量小于HCO3-时,水中将只含碳酸盐硬度,不含非碳酸盐硬度,而HCO3-与钙镁总量的差值(即过剩碱度)被称为负硬度,这种水则称为负硬水或碱性水。
硬度的常用计量单位有三种表示方法,分述如下:(1)用毫摩尔/升(mmol/L)表示这是法定计量单位中的基本单位,是最常用的表示物质的量浓度的计量单位。
在水质标准中硬度和碱度都是以此来表示其浓度的大小,并规定以一价离子为基本单元,即硬度的基本单元为:C(1/2Ca2+、l/2Mg2+),这样便与过去习惯用的毫克当量/升(mgq/L)所表示的在数值上相一致。
(2)用“德国度”()表示这是专门用来表示硬度大小的一种计量单位,其定义是:当水样中硬度离子的浓度相当于10毫克/升CaO时,称为1德国度(1)。
(3)用毫克/升CaCO3(ppm)表示有不少水质分析资料用此单位来表示硬度的含量,其定义是:当水样中硬度的离子浓度相当于1毫克/升CaCO3时,为lppm硬度。
由于1/2CaCO3的摩尔质量为50g/mol,所以1mlnol/L硬度就相当于50mg/LCaCO3或50ppmCaCO3。
上述三种单位的换算关系可表示为:例2-1 某水样分析结果为:Ca2+=64.0rog/L;Mg2+:26.7mg/L,试用各种方法表示其总硬度的含量。
(四)碱度(Ⅲ)碱度是表示水中能接受氢离子(H+)的一类物质的量。
在锅炉用水中,碱度主要由OH-、CO32-、HCO3-及其它少量的弱酸盐类组成。
碱度的计量单位为:毫摩尔/升(mmol/L),其基本单元为:C(OH-、1/2CO32-、HCO3-)。
’天然水中的碱度基本上都是碳酸氢盐,有时还有少量的腐植酸质弱酸盐。
由于给水中的HCO3-进人锅炉后经受热会发生分解反应:而碳酸根在锅炉的高温及压力下还会进一步水解成氢氧根:此外,当HCO3-和OH-共存时,相互间会立刻发生以下的化学反应:因此,锅炉正常运行时,锅水中几乎不存在HCO3-,锅水碱度主要以OH-和CO32-形式存在。
根据水中碱度的组成,通常可将碱度分为:氢氧根碱度、碳酸根碱度和碳酸氢根碱度,三者之和称为全碱度。
另外,根据酸碱中和滴定法测定碱度时所加的指示剂不同,又可将碱度分为酚酞碱度和甲基橙碱度。
即用酚酞作指示剂时,所测出的碱度(终点变色时pH值为8.3)称为酚酞碱度(JD酚);用甲基橙作指示剂时,所测出的碱度(终点变色时pH值约为4.3)称为甲基橙碱度,由于用甲基橙作指示剂时,所有的碱度都与酸发生了反应,所以甲基橙碱度也就是全碱度(其中包含了酚酞碱度)。
(五)相对碱度相对碱度是为了防止锅炉产生碱脆(参看第五章第二节)而规定的一项技术指标。
工业锅炉水质标准中规定相对碱度小于0.2,只是一个经验数据,并无严格的理论或实验依据。
由于碱脆易发生在铆接和胀接结构的锅炉上,对于焊接结构的锅炉尚未发现有碱脆的现象,故新修订的水质标准规定,全焊接结构的锅炉可不控制相对碱度。
相对碱度表示锅水中游离NaOH含量与溶解固形物的比值,即:(六)酸度(SD)酸度是表示水中能接受氢氧根离子(OH-)的一类物质的量。
组成酸度的物质主要有各种酸类及强酸弱碱盐。
一般天然水中的酸度组成主要是碳酸(H2CO3),但在除盐系统中,经氢离子交换处理后,阳床出水酸度却以HCI、H2SO4等强酸为主,碳酸则转变成二氧化碳经脱碳器除去。
交换器进水的含盐量越高,阳床出水的酸度就越大。
酸度并不等于水中的氢离子浓度。
水中氢离子浓度常用pH值表示,是指已呈离子状态的H+数量;而酸度则包括原已电离的与尚未电离的两部分氢离子含量,即水中凡能与强碱进行中和反应的物质含量都为酸度。
(七)化学耗氧量(COD)化学耗氧量(COD)是表示水中有机物及还原性物质含量的一项指标。
COD的测定就是利用有机物具有可氧化的共性,在一定的条件下,用一定的强氧化剂与水样中各种有机物及亚硝酸盐、亚铁盐、硫化物等作用,然后将所消耗的该氧化剂的量,计算折合成氧的质量浓度,即称为化学耗氧量,简写代号为COD,单位以mg/LO2来表示。
一般来说,COD越高,水中有机物的污染就越严重。
但COD的大小与测定方法也有较大关系,不同的测定方法对有机物的氧化程度不一样,测定结果也会有所不同。
因此,用COD 表示有机物含量时,应注明测定的方法。
例如,GBl2145《火力发电机组及蒸汽动力设备水汽质量》标准中,对进人离子交换器的水就规定为:化学耗氧量<2mg/L(用KMnO430min水浴煮沸法)。
有时测定水中总有机物含量时,也可用重铬酸钾法。
用重铬酸钾法测得的COD数值一般比用高锰酸钾法测得的值要大些。
二、水质指标间的相互关系及其计算在水质指标中,有些指标或离子组成间存在一定的制约关系,了解这些关系将有助于水质分析及其计算。
(一)硬度与碱度的关系在天然水中,通常硬度物质以Ca2+、Mg2+存在,碱度以HCO3-存在,在常温下它们都是以自由状态各自存在的,但当水体在蒸发浓缩时,这些离子将根据溶解度的大小而先后组合成化合物。
通常有以下三种情况:(1)硬度大于碱度:在这种非碱性水中,Ca2+、Mg2+将首先与HCO3-形成碳酸盐硬度(YD F),然后剩余的硬度离子与SO42-、Cl-等其它阴离子形成非碳酸盐硬度(YD F);(2)硬度等于碱度:在这种水中,所有的Ca2+、Mg2+将全部与HCO3-形成碳酸盐硬度,这时既没有非碳酸盐硬度,也没有剩余碱度;(3)硬度小于碱度:在这种碱性水中,硬度将全部形成碳酸盐硬度,剩余的碱度则与Na+、K+形成钠钾碱度(JD Na),也称为负硬度,这时将没有非碳酸盐硬度。
由上可知,HCO3-既是碱度又构成了碳酸盐硬度,由此可总结出硬度与碱度的关系表3-1所示。
表3-1 硬度与碱度的关系表(均以一价离子mmol/L表示)水质分析结果YD T YD F JD NaYD≥JD YD<JD JDYDYD-JDⅢ—YD例3-2 某河水与井水的水质分析结果为:河水总硬度=2.6mmok/L,碱度=1.2mmol/L;井水总硬度=3.8mmoL/L,碱度=4.1nanoL/L。
问此河水与井水中碳酸盐硬度、非碳酸盐硬度和负硬度分别为多少?(二)碱度与HCO3-、OH-、CO32-间的关系如上所述,通常在天然水中,碱度基本上都以HCO3-的形式存在,而在锅水中碱度基本上由OH-、CO32-组成。
HCO3-在锅水中受热分解为CO32-,CO32-又会进一步发生水解,产生OH-和CO2,反应式如下:实验证明,CO32-的水解率随着锅炉的工作压力升高而增大。
在不同的工作压力下,水解而产生的OH-浓度占锅水总碱度的质量分数见表3-2。
表3-2 不同压力下CO32-水解产生的OH-占锅水总碱度的质量分数锅炉压力(MPa)0.2 0.4 0.6 0.8 1.0 1.25 1.5 2.0 2.5 5.0 [OK-]占总碱度的质量分数(%) 2 10 20 30 40 50 60 70 80 100值得一提的是,表3-2是根据CO32-水解反应达到平衡时得出的,较符合封闭系统(如热水锅炉)。
对于蒸汽锅炉,由于CO32-水解后产生的CO2会随着蒸汽逸出锅炉,从而使得平衡朝水解反应的方向进行,有时甚至会使水解很彻底。
因此,在实际工作中,往往会发现即使是工作压力较低的锅炉,锅水中OH-碱度在总碱度中所占的比例有时也远大于表中所例的数值。
由于CO32-水解后产生的CO2对汽机和蒸汽管道等热力系统的金属具有腐蚀作用,因此中压以上的锅炉不能用碳酸钠作为锅内水处理药剂,而且补给水处理时需通过除盐脱碳除去碳酸盐。
对于低压蒸汽锅炉,尤其是回用蒸汽冷凝水作给水的锅炉,也尽量不要用过量的碳酸钠作阻垢药剂。
碱度测定通常采用中和滴定法。
使用不同的指示剂,测得的碱度值不同。
通常测定时先以酚酞作指示剂,用标准酸溶液滴定至终点时pH值约为8.3,此时发生了如下的化学反应:即水样中OH-全部被中和,而CO32-只中和成为HCO3-(也就是说,CO32-相当于只中和了1/2),这时测得的碱度为JD酚,即:用酚酞作指示剂测完酚酞碱度后,再加入甲基橙指示剂,继续用标准酸溶液滴定至终点,这时pH值为4.3~4.5,此时溶液中由第一步滴定时CO32-中和而成的HCO3-和溶液中原有的HCO3-都得到中和:根据继续消耗的酸量测得的碱度可称为M碱度(JD M):注意:JD M虽然是以甲基橙为指示剂滴定至终点时的碱度,但JD M不包含酚酞碱度,所以JD M并不代表甲基橙碱度。