【CN209905707U】一种动力转角料线、经济型料线及短程养殖舍输送用料线【专利】
- 格式:pdf
- 大小:568.03 KB
- 文档页数:9
(19)中华人民共和国国家知识产权局(12)实用新型专利(10)授权公告号 (45)授权公告日 (21)申请号 201920548098.2(22)申请日 2019.04.22(73)专利权人 宁津县正丰养殖设备有限公司地址 253400 山东省德州市宁津县钢材市场七排二号(72)发明人 张洋 桑亮 张飞 (51)Int.Cl.B65G 17/48(2006.01)(54)实用新型名称一种养殖料线用防抱死结构设计转角器(57)摘要本实用新型公开了一种养殖料线用防抱死结构设计转角器,包括壳体与转动设置于壳体内的仿形轮,所述的壳体包括可拆卸连接的上壳与下壳,所述壳体内设置有圆筒形直角通道,所述直角通道的拐角处为圆角,所述的仿形轮的中心位置设置有第一通孔,所述第一通孔内设置有转轴,所述的转轴的中间位置与仿形轮之间设置有轴承,所述轴承的上下两端均设置油封。
本实用新型可有效地避免了粉尘对轴承造成的损坏,增加了转角器的使用寿命。
权利要求书1页 说明书3页 附图2页CN 209796553 U 2019.12.17C N 209796553U权 利 要 求 书1/1页CN 209796553 U1.一种养殖料线用防抱死结构设计转角器,包括壳体与转动设置于壳体内的仿形轮(3),所述的壳体包括可拆卸连接的上壳(1)与下壳(2),所述壳体内设置有圆筒形直角通道(4),所述直角通道(4)的拐角处为圆角,其特征在于,所述的仿形轮(3)的中心位置设置有第一通孔,所述第一通孔内设置有转轴(5),所述的转轴(5)的中间位置与仿形轮(3)之间设置有轴承(51),所述轴承(51)的上下两端均设置油封(52)。
2.如权利要求1所述的一种养殖料线用防抱死结构设计转角器,其特征在于,所述转轴(5)的两端均延伸至壳体外,壳体上设置有第二通孔(6),且壳体外的转轴(5)外周为设有螺纹,壳体外的转轴(5)两端均螺纹连接有螺母(53),所述转轴(5)上设置有两个凸台(54),两个凸台(54)分别位于上壳(1)与下壳(2)的内侧。
专利名称:一种养殖料线用的电动进料器专利类型:实用新型专利
发明人:桑亮,张洋,张飞
申请号:CN202021452639.0
申请日:20200721
公开号:CN212798747U
公开日:
20210326
专利内容由知识产权出版社提供
摘要:本实用新型公开了一种养殖料线用的电动进料器,包括箱体,所述的箱体的上端敞口,还包括送料室,所述的送料室设置于箱体的右侧,所述的箱体内转动设置有沿左右方向设置的绞龙,所述的绞龙与电机连接,所述的绞龙的右端贯穿箱体的右侧壁进入送料室内,所述的送料室上设置有贯穿送料室的通孔,所述的通孔设置于绞龙的下方,既解决了链条进料时易卡死的问题,又减小了链条的负载。
申请人:宁津县正丰养殖设备有限公司
地址:253400 山东省德州市宁津县钢材市场七排二号
国籍:CN
更多信息请下载全文后查看。
(19)中华人民共和国国家知识产权局(12)实用新型专利(10)授权公告号 (45)授权公告日 (21)申请号 201920646329.3(22)申请日 2019.05.07(73)专利权人 禹城鼎牧农牧机械有限公司地址 251200 山东省德州市禹城市十里望回族镇南营村西北侧(72)发明人 王增春 杨勇 李宪武 骆志豹 宰维强 苏波 (74)专利代理机构 济南千慧专利事务所(普通合伙企业) 37232代理人 姜月磊(51)Int.Cl.B65G 47/74(2006.01)B65G 65/32(2006.01)B65G 43/08(2006.01)(54)实用新型名称一种饲料供给线用转接料斗(57)摘要本申请提供了一种饲料供给线用转接料斗,包括相连通的第一腔室和第二腔室,所述第一腔室通过所述第二腔室与出料管线相连通,所述第一腔室中包括供料管线,在所述供料管线的侧部设置有与所述第二腔室配合设置的下料口,所述供料管线上设置有旋转套管,所述旋转套管上设置有与所述下料口配合设置的出料口,所述出料口的横截面积大于所述下料口的横截面积。
本申请中的出料口的横截面积大于所述下料口的横截面积,一方面为了饲料下料均匀,另一方面是为了大量下料的时候,有效避免了饲料积存在出料口处,影响装置的下料工作。
权利要求书1页 说明书6页 附图2页CN 209905857 U 2020.01.07C N 209905857U权 利 要 求 书1/1页CN 209905857 U1.一种饲料供给线用转接料斗,其特征在于,包括相连通的第一腔室和第二腔室,所述第一腔室通过所述第二腔室与出料管线相连通,所述第一腔室中包括供料管线,在所述供料管线的侧部设置有与所述第二腔室配合设置的下料口,所述供料管线上设置有旋转套管,所述旋转套管上设置有与所述下料口配合设置的出料口,所述出料口的横截面积大于所述下料口的横截面积。
2.根据权利要求1所述的一种饲料供给线用转接料斗,其特征在于,所述旋转套管上设置有旋转控制部,所述旋转控制部中包括传动装置,所述传动装置包括套设于所述旋转套管外围的第一齿轮,所述传动装置还包括与所述第一齿轮配合设置的第二齿轮,所述第二齿轮与电机轴相连。
(19)中华人民共和国国家知识产权局(12)实用新型专利(10)授权公告号 (45)授权公告日 (21)申请号 201920583972.6(22)申请日 2019.04.25(73)专利权人 惠州同兴自动化工业设备有限公司地址 516000 广东省惠州市惠阳区镇隆镇皇后村石屋(72)发明人 刘跃 (51)Int.Cl.B65G 13/11(2006.01)B65G 13/07(2006.01)(54)实用新型名称一种旋转输送线装置(57)摘要本实用新型公开一种旋转输送线装置,包括底座主体和输送辊架。
应用物输送箱体物料时,箱体物料经限位挡板的限位调整从限位支架一侧进入后,转盘开始转动,限位支架上的传动辊组对箱体物料的侧壁起到夹持支撑及辅助传动的作用,在主动辊的转动下,箱体物料在输送辊架上被平稳的传输至限位支架的另一侧,同时转盘停止转动,待箱体物料完全通过输送辊架,转盘复位转动至初始位置暂停,使下一个箱体物料进入输送辊架,以此往复输送转动;通过本实用新型,可实现箱体物料在转向输送时的平稳移动,从而保证物料在输送时的流畅度与效率。
权利要求书1页 说明书3页 附图2页CN 209834707 U 2019.12.24C N 209834707U权 利 要 求 书1/1页CN 209834707 U1.一种旋转输送线装置,其特征在于:包括底座主体(1)和输送辊架(2),所述底座主体(1)的顶部设置有内侧中部具有轨道(301)的圆环体(3),所述圆环体(3)内嵌入有转盘(4),所述转盘(4)嵌入设置在圆环体(3)的轨道(301)内,所述转盘(4)的底面中部设置有连接为一体的支撑柱(5),所述支撑柱(5)的底端形成有连接为一体的驱动齿轮(501),所述底座主体(1)内在转盘(4)的下方设置有第一驱动电机(6),所述驱动齿轮(501)与第一驱动电机(6)的驱动轴向啮合并第一驱动电机(6)驱动,所述转盘(4)通过支撑柱(5)、驱动齿轮(501)在第一驱动电机(6)的运作下转动;所述输送辊架(2)由呈矩形框体形状的机架(201)、设置在机架(201)两长边顶部的限位支架(202)以及若干个等距对称排布在机架(201)内部并可绕自身轴心线转动的主动辊(203)构成,所述机架(201)的底面中部固定连接在转盘(4)上,所述主动辊(203)的两端形成有从动齿轮(204),所有主动辊(203)的从动齿轮(204)外侧端均环套连接有同一个驱动链条(205),所述机架(201)内的一侧在主动辊(203)下方设置有第二驱动电机(7),所述驱动链条(205)的一端与的第二驱动电机(7)的驱动轴相连接并由第二驱动电机(7)驱动,所述限位支架(202)的内侧上、下端设置有呈直线型排布、可绕自身轴心线转动且轴心线方向为竖直向下的传动辊组(8)。
(19)中华人民共和国国家知识产权局(12)实用新型专利(10)授权公告号 (45)授权公告日 (21)申请号 201920371432.1(22)申请日 2019.03.22(73)专利权人 杨俊鹏地址 435000 湖北省黄石市西塞山区河口镇二港村猫矶港116号(72)发明人 杨俊鹏 (51)Int.Cl.G01C 15/00(2006.01)(54)实用新型名称一种自动斜线投线装置(57)摘要本实用新型公开了一种自动斜线投线装置,包括投线仪1和伸缩支架2,投线仪1内设有角度传感器,伸缩支架2与投线仪1螺纹连接,所述投线仪1内设有蓝牙模块,所述伸缩支架2上转动固定有半齿轮21,所述半齿轮21一端设有螺杆,投线仪1通过半齿轮21与伸缩支架2螺纹连接,所述伸缩支架2上固定有电机3,所述电机3后端设有电磁抱闸装置31,所述电机3的转动轴上固定有驱动齿轮22,所述驱动齿轮22与半齿轮21啮合,所述伸缩支架2上固定有控制面板4,所述控制面板4内设有蓝牙模块,所述伸缩支架2上固定有电源5,所述电源5和电机3均与控制面板4电性连接。
权利要求书1页 说明书2页 附图3页CN 209673099 U 2019.11.22C N 209673099U权 利 要 求 书1/1页CN 209673099 U1.一种自动斜线投线装置,包括投线仪(1)和伸缩支架(2),投线仪(1)内设有角度传感器,伸缩支架(2)与投线仪(1)螺纹连接,其特征在于,所述投线仪(1)内设有蓝牙模块,所述伸缩支架(2)上转动固定有半齿轮(21),所述半齿轮(21)一端设有螺杆,投线仪(1)通过半齿轮(21)与伸缩支架(2)螺纹连接, 所述伸缩支架(2)上固定有电机(3),所述电机(3)后端设有电磁抱闸装置(31),所述电机(3)的转动轴上固定有驱动齿轮(22),所述驱动齿轮(22)与半齿轮(21)啮合,所述伸缩支架(2)上固定有控制面板(4),所述控制面板(4)内设有蓝牙模块,所述伸缩支架(2)上固定有电源(5),所述电源(5)和电机(3)均与控制面板(4)电性连接。
(19)中华人民共和国国家知识产权局(12)实用新型专利(10)授权公告号 (45)授权公告日 (21)申请号 201920374770.0(22)申请日 2019.03.23(73)专利权人 青海省畜牧兽医科学院地址 810016 青海省西宁市城北区生物园区纬二路1号专利权人 青海大学(72)发明人 吴森 (74)专利代理机构 北京科亿知识产权代理事务所(普通合伙) 11350代理人 汤东凤(51)Int.Cl.A01K 5/01(2006.01)A01K 7/02(2006.01)(54)实用新型名称一种牧区移动补饲用料槽(57)摘要本实用新型公布了一种牧区移动补饲用料槽,包括料槽主体和地插,所述料槽主体的下表面安装有拖片,所述拖片下表面的两侧皆焊接有支撑脚,所述支撑脚的底端固定安装有万向牛眼轮,所述支撑脚的内侧活动连接有辅助撑架,所述万向牛眼轮的内侧横向焊接有固定架,所述地插贯穿辅助撑架,所述拖片上表面的两侧皆开设有安装槽,所述安装槽的内壁粘贴有橡胶块,所述料槽主体下表面的两侧皆固定安装有固定块。
本实用新型提升了装置的稳定性,加强了与牧区地面的固定,方便对料槽进行运输,加强实用性,方便羊群饮水,使用更加方便。
权利要求书1页 说明书3页 附图2页CN 209897939 U 2020.01.07C N 209897939U权 利 要 求 书1/1页CN 209897939 U1.一种牧区移动补饲用料槽,包括料槽主体(1)和地插(9),其特征在于:所述料槽主体(1)的下表面安装有拖片(2),所述拖片(2)下表面的两侧皆焊接有支撑脚(5),所述支撑脚(5)的底端固定安装有万向牛眼轮(6),所述支撑脚(5)的内侧活动连接有辅助撑架(7),所述万向牛眼轮(6)的内侧横向焊接有固定架(8),所述地插(9)贯穿辅助撑架(7),所述拖片(2)上表面的两侧皆开设有安装槽(10),所述安装槽(10)的内壁粘贴有橡胶块(11),所述料槽主体(1)下表面的两侧皆固定安装有固定块(12),所述固定块(12)嵌入安装槽(10)内腔,所述料槽主体(1)的右侧固定安装有连接片(13),所述连接片(13)的顶端焊接有饮水器(16)。
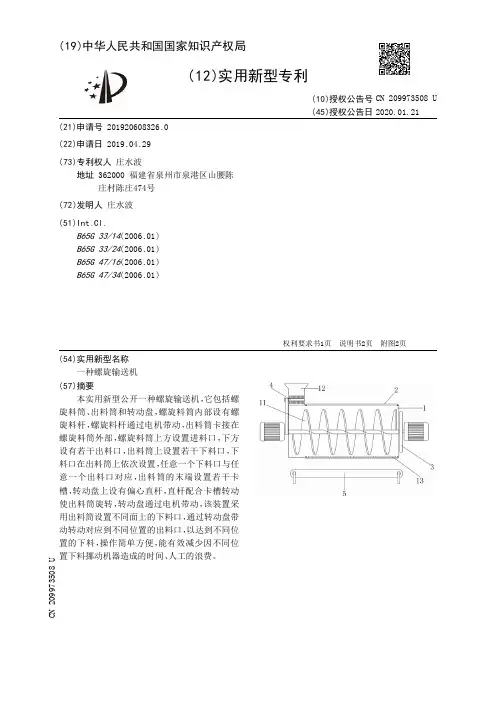
(19)中华人民共和国国家知识产权局(12)实用新型专利(10)授权公告号 (45)授权公告日 (21)申请号 201920608326.0(22)申请日 2019.04.29(73)专利权人 庄水波地址 362000 福建省泉州市泉港区山腰陈庄村陈庄474号(72)发明人 庄水波 (51)Int.Cl.B65G 33/14(2006.01)B65G 33/24(2006.01)B65G 47/16(2006.01)B65G 47/34(2006.01)(54)实用新型名称一种螺旋输送机(57)摘要本实用新型公开一种螺旋输送机,它包括螺旋料筒、出料筒和转动盘,螺旋料筒内部设有螺旋料杆,螺旋料杆通过电机带动,出料筒卡接在螺旋料筒外部,螺旋料筒上方设置进料口,下方设有若干出料口,出料筒上设置若干下料口,下料口在出料筒上依次设置,任意一个下料口与任意一个出料口对应,出料筒的末端设置若干卡槽,转动盘上设有偏心直杆,直杆配合卡槽转动使出料筒旋转,转动盘通过电机带动,该装置采用出料筒设置不同面上的下料口,通过转动盘带动转动对应到不同位置的出料口,以达到不同位置的下料,操作简单方便,能有效减少因不同位置下料挪动机器造成的时间、人工的浪费。
权利要求书1页 说明书2页 附图2页CN 209973508 U 2020.01.21C N 209973508U权 利 要 求 书1/1页CN 209973508 U1.一种螺旋输送机,它包括螺旋料筒(1)、出料筒(2)和转动盘(3),其特征在于:所述的螺旋料筒(1)内部设有螺旋料杆(11),螺旋料杆(11)通过电机带动,所述的出料筒(2)卡接在螺旋料筒(1)外部,所述的螺旋料筒(1)上方设置进料口(12),下方设有若干出料口(13),所述出料筒(2)上设置若干下料口(21),下料口(21)在出料筒(2)上依次设置,任意一个下料口(21)与任意一个出料口(13)对应,所述的出料筒(2)的末端设置若干卡槽(22),转动盘(3)上设有偏心直杆(31),所述的直杆(31)配合卡槽(22)转动使出料筒(2)旋转,转动盘(3)通过电机带动。
(19)中华人民共和国国家知识产权局(12)实用新型专利(10)授权公告号 (45)授权公告日 (21)申请号 201920548099.7(22)申请日 2019.04.22(73)专利权人 宁津县正丰养殖设备有限公司地址 253400 山东省德州市宁津县钢材市场七排二号(72)发明人 张洋 桑亮 张飞 (51)Int.Cl.B65D 88/66(2006.01)(54)实用新型名称一种养殖料线震动式进料器(57)摘要本实用新型公开了一种养殖料线震动式进料器,包括箱体,所述的箱体上端敞口,所述箱体的下端设置有贯通的安装管,所述安装管在箱体内的部分上端敞口,所述箱体内的左右两侧板固定设置有两个内侧向下倾斜的第一倾斜板,两个所述第一倾斜板的下端分别与安装管敞口的左右两侧壁固定连接,所述的箱体内铰接设置有筛板,所述筛板的一侧铰接于箱体上,另一端通过弹簧与第一倾斜板连接,且筛板的下端转动设置有滚轮,所述的滚轮的下端设置于安装管的内部。
本实用新型有效地解决了养殖料在进料时堵塞的问题,且结构简单、成本低。
权利要求书1页 说明书4页 附图5页CN 209922056 U 2020.01.10C N 209922056U权 利 要 求 书1/1页CN 209922056 U1.一种养殖料线震动式进料器,其特征在于,包括箱体(1),所述的箱体(1)上端敞口,所述箱体(1)的下端设置有贯通的安装管(2),所述安装管(2)在箱体(1)内的部分上端敞口,所述箱体(1)内的左右两侧板固定设置有两个内侧向下倾斜的第一倾斜板(11),两个所述第一倾斜板(11)的下端分别与安装管(2)敞口的左右两侧壁固定连接,所述的箱体(1)内铰接设置有筛板(3),所述筛板(3)的一侧铰接于箱体(1)上,另一端通过弹簧(4)与第一倾斜板(11)连接,且筛板(3)的下端转动设置有滚轮(5),所述的滚轮(5)的下端设置于安装管(2)的内部。
2.如权利要求1所述的一种养殖料线震动式进料器,其特征在于,所述的筛板(3)的后侧铰接于连接板(31)的下侧,所述的连接板(31)的上侧铰接于箱体(1)的后侧板上。
专利名称:养殖场料线转接装置
专利类型:实用新型专利
发明人:廖荣,刘友涛,余明,朱光明,李德刚,罗钟,马顺利,李杨申请号:CN202020290193.X
申请日:20200310
公开号:CN211895198U
公开日:
20201110
专利内容由知识产权出版社提供
摘要:本实用新型提供了一种养殖场料线转接装置,涉及养殖设备领域。
由于目前的绞龙弹簧难以远距离输送,较为大型的养殖场为人工运料,不但效率低,且人工成本高。
本实用新型包括设于筛盘进料斗上部的绞龙下料斗,所述绞龙下料斗上设有第一绞龙弹簧安装检修盖和第二绞龙弹簧安装检修盖,绞龙下料斗侧面设有绞龙料管以及驱动绞龙料管内的绞龙弹簧转动的驱动电机,所述筛盘进料斗底部设有至少一个筛盘料管,筛盘进料斗侧面还设有检修观察门及阻旋式料位感应器,通过将绞龙弹簧与筛盘料管转接,可降低绞龙弹簧的负荷,防止绞龙弹簧断裂,可使料线的输送距离增长,使料线可适用于大型的养殖场,降低人工养殖成本,提高养殖效率。
申请人:四川泥腿农业科技有限公司
地址:642150 四川省内江市隆昌市三道桥工业园区
国籍:CN
代理机构:成都欣圣知识产权代理有限公司
代理人:王海文
更多信息请下载全文后查看。
专利名称:一种物料转角输送装置专利类型:实用新型专利
发明人:陈兆东,俞景圣
申请号:CN201220057614.X 申请日:20120222
公开号:CN202492177U
公开日:
20121017
专利内容由知识产权出版社提供
摘要:本实用新型公开了一种物料转角输送装置,包括有数段轨道、数个转台和数个物料车,每两段不相平行的轨道的各自一端通过转台连接,每段轨道下方设有固定在水平地面上的支架阵列;每个转台包括转盘、转轴和底座,转盘通过转轴与底座转动连接,转盘上也安装有轨道且轨道的一端设有限位块;每个物料车下方安装有与轨道相配合的行走轮,每个物料车可在轨道上行走且通过转台行走至另一段轨道。
本实用新型结构简单,安装使用方便,相比传统的输送装置占用的操作空间较小,有效地满足了在特殊、复杂环境下的物料输送要求,实现了在狭小空间的物料输送操作。
申请人:安徽野岭饮料食品有限公司
地址:237271 安徽省六安市霍山县佛子岭镇
国籍:CN
代理机构:安徽合肥华信知识产权代理有限公司
代理人:方琦
更多信息请下载全文后查看。
专利名称:一种饲喂料线系统用的转角器专利类型:实用新型专利
发明人:廖红兵
申请号:CN201620834203.5
申请日:20160803
公开号:CN205953047U
公开日:
20170215
专利内容由知识产权出版社提供
摘要:本实用新型公开了一种饲喂料线系统用的转角器,包括上盖、下盖、高压气管道、进气口、右压盖、左压盖、转轮轴和转向轮,所述上盖与下盖互相配合连接在一起,所述上盖与下盖均分为转轮和管道,所述转向轮设置在上盖的转轮部分与下盖的转轮部分之间,所述右压盖和左压盖分别设置在上盖与下盖的管道部分两端,所述转轮轴一端贯穿上盖连接在转向轮上,所述转轮轴另一端连接动力装置,所述高压气管道设置在转角器转轮部分上,所述高压气管道上设置有进气口。
本实用新型的一种饲喂料线系统用的转角器的结构简单、方便实用,塞盘链条经过弯头时阻力小。
申请人:江西增鑫牧业科技股份有限公司
地址:338000 江西省新余市高新区赛维大道133号
国籍:CN
代理机构:北京中济纬天专利代理有限公司
代理人:张文宣
更多信息请下载全文后查看。
(19)中华人民共和国国家知识产权局(12)实用新型专利(10)授权公告号 (45)授权公告日 (21)申请号 201920396408.3(22)申请日 2019.03.27(73)专利权人 成都天英环保科技有限公司地址 611130 四川省成都市温江区成都海峡两岸科技产业开发园金马镇新春社区11组309号(72)发明人 吴文贤 陈向斌 (51)Int.Cl.B65G 33/14(2006.01)B65G 69/18(2006.01)B07B 1/04(2006.01)(54)实用新型名称一种装饰线条生产用的螺旋式上料机(57)摘要本实用新型公开了一种装饰线条生产用的螺旋式上料机,包括底座,底座上设置有送料筒,送料筒上设置有第一漏斗,第一漏斗上设置有过渡筒,过渡筒上设置有第二漏斗,过渡筒上设置有过滤孔,过渡筒的内壁上设置有滤网。
该装饰线条生产用的螺旋式上料机,通过过渡筒内倾斜的滤网,能够在投入粉状原料时,对大颗粒杂质进行过滤,同时通过收纳箱对大颗粒杂质或结块的粉状原料进行收集再利用,通过防尘罩上的雾化喷头,能够在下料时,对粉状原料产生的粉尘进行抑尘工作,减少粉尘对工作人员的身体影响。
权利要求书1页 说明书3页 附图2页CN 209834810 U 2019.12.24C N 209834810U权 利 要 求 书1/1页CN 209834810 U1.一种装饰线条生产用的螺旋式上料机,包括底座(1),其特征在于:所述底座(1)上设置有送料筒(11),所述送料筒(11)上设置有第一漏斗(12),所述第一漏斗(12)上设置有过渡筒(13),所述过渡筒(13)上设置有第二漏斗(14),所述过渡筒(13)上设置有过滤孔(15),所述过渡筒(13)的内壁上设置有滤网(16)。
2.根据权利要求1所述的一种装饰线条生产用的螺旋式上料机,其特征在于:所述滤网(16)的倾斜角度为30度,且由不锈钢材料制成。
3.根据权利要求1所述的一种装饰线条生产用的螺旋式上料机,其特征在于:所述第一漏斗(12)的一侧接触连接有收纳箱(2),收纳箱(2)上固定连接有把手(21),把手(21)上固定连接有对位筒(22),第一漏斗(12)上固定连接有对位杆(23),对位筒(22)滑动套设对位杆(23)。
(19)中华人民共和国国家知识产权局
(12)实用新型专利
(10)授权公告号 (45)授权公告日 (21)申请号 201920646347.1
(22)申请日 2019.05.07
(73)专利权人 禹城鼎牧农牧机械有限公司
地址 251200 山东省德州市禹城市十里望
回族镇南营村西北侧
(72)发明人 王增春 杨勇 李宪武 骆志豹
宰维强 苏波
(74)专利代理机构 济南千慧专利事务所(普通
合伙企业) 37232
代理人 姜月磊
(51)Int.Cl.
B65G 23/24(2006.01)
B65G 23/44(2006.01)
B65G 19/14(2006.01)
(54)实用新型名称一种动力转角料线、经济型料线及短程养殖舍输送用料线(57)摘要本实用新型涉及喂料设备技术领域,具体涉及一种动力转角料线,该动力转角料线包括闭合设置的输料管,在输料管内设有塞片链条;在输料管的转角处设有转角器,在任一转角器上设有动力驱动机构,动力驱动机构驱动绕过转角器的塞片链条沿输料管输送;在靠近输料管进口处的输料管的管路上设有用于涨紧链条的链条涨紧装置。
该动力转角料线将动力驱动装置与转角器的转向轮连接,为饲料在动力转角料线中的输送提供动力源,设置此动力源可有效降低自动喂料系统的成本;在转向轮上设置防滑齿,使得塞片链条的每节链环都能准确的与转向轮咬合,可有效防止脱链;在输料管上设置了链条涨紧箱,具有涨紧链条的作用,可使料线平稳运行,同时还
能避免断链及卡链。
权利要求书1页 说明书4页 附图3页CN 209905707 U 2020.01.07
C N 209905707
U
权 利 要 求 书1/1页CN 209905707 U
1.一种动力转角料线,其特征在于,包括闭合设置的输料管,在输料管内设有塞片链条;在所述输料管的转角处设有转角器,在任一转角器上设有动力驱动机构,所述动力驱动机构驱动绕过转角器的塞片链条沿输料管输送;在靠近输料管进口处的输料管的管路上设有用于涨紧链条的链条涨紧装置。
2.根据权利要求1所述的动力转角料线,其特征在于,所述链条涨紧装置包括箱体,在箱体内一侧设有导向杆,在导向杆上套设一移动座,在移动座与箱体侧壁之间连接弹簧,所述移动座在弹簧作用下沿导向杆滑动;在移动座外侧设有一涨紧轮;在箱体内另一侧的侧壁上设有一转动轮;在箱体两相对侧壁上分别设有一箱体进口和一箱体出口,所述箱体经箱体进口、箱体出口与输料管相连通,所述塞片链条进入箱体并依次绕过转动轮、涨紧轮设置。
3.根据权利要求1所述的动力转角料线,其特征在于,在所述转角器的转向轮上设有防滑齿。
4.根据权利要求1所述的动力转角料线,其特征在于,所述动力驱动机构包括一电机,所述转角器经电机驱动带动塞片链条在输料管内输送。
5.一种经济型料线,其特征在于,包括如权利要求1-4中任一项所述的动力转角料线,所述动力转角料线的输料管进口经一转接料斗与外部主料线相连。
6.一种短程养殖舍输送用料线,其特征在于,包括如权利要求1-4中任一项所述的动力转角料线,所述动力转角料线的输料管出口经落料机构向养殖舍的食槽落料。
2。