建筑中水系统管道及设备安装汇总
- 格式:doc
- 大小:44.96 KB
- 文档页数:15
建筑中水系统管道及设备安装汇总第一篇:建筑中水系统管道及设备安装汇总管工安全技术交底1、用车辆运输管材、管件,要绑扎牢固,人力搬运,起落要一致,通过沟、坑、井,要搭好马道,不得负重跨越。
用滚杠运输,人防止压脚,并不准用手直接调整滚杠。
管子滚动前方,不得有人。
2、用锯床、锯弓、切管器、砂轮切管机切割管子,要垫平卡牢,用力不得过猛,临近切断时,用手或支架托住。
砂轮切管机砂轮片应完好,操作时,应站侧面。
3、套丝工作要支平夹牢,工作平台要平稳,两人以上操作,动作应协调,防止柄把打人。
4、条管子串动和对口,动作要协调,手不得放在管口和法兰接合处。
5、翻动工作时,防止滑动及倾倒伤人。
6、手提式砂轮机应有防护罩,操作时,站在砂轮片径向侧面,并戴绝缘手套工站在绝缘板上。
7、沟内施工,遇有土方松动、裂缝、渗水等,应及时加设固定支撑。
禁止用固定壁支撑代替上、下扶梯和吊装支架。
第396条人工往沟槽内下管,怕用索具、地桩必须牢固,沟槽内不得有人。
8、用风枪、电锤或錾子打透眼时,板下、墙后不得有人靠近。
9、管道吊装时,倒链应完好可靠,吊件下方禁止站人,管子就位卡牢后,方可松倒链。
10、管道试压,应使用指校验合格的压力表。
操作时,要分级缓慢升压,停泵稳压后方可进行检查。
非操作人员不得在盲板、法兰、焊口、丝处停留。
11、高压、超高压管道试压,应遵守单项安全操作规程。
管道安装材料要求主材镀锌钢管、铸铁排水管、塑料管、复合管等及其配件。
(1)镀锌钢管、管件内外壁镀锌饱满光洁、壁厚均匀无锈蚀、砂眼、气泡、裂纹,丝扣不得出现偏扣、乱扣、丝扣不全等现象,符合设计要求,具有出厂合格证、材质检测证明。
(2)塑料管、管件标明规格、公称压力、生产厂名或商标等标识,包装上应标有批号、数量、生产日期和检验代号。
内外壁应光洁平整,无气泡、裂纹、脱皮、分解变色线和明显的痕纹、槽沟、凹陷、杂质等,色泽一致;管材、管件宜用同一厂家产品,符合设计要求,具有产品合格证及有关部门的检测报告。
室内给水、中水、热水系统安装室内给水、中水、热水系统管道常用管材为铜管、不锈钢管、钢塑复合管、PPR管。
铜管一般采用钎焊连接;不锈钢管采用卡压、环压或焊接连接;钢塑复合管采用丝扣连接或卡箍连接;PPR管采用热熔连接。
本章适用于工作压力不大于1.0 MPa的室内给水和消火栓系统管道安装工程、热水温度不超过75℃的室内热水供应管道安装工程的质量检验与验收。
1.1工艺流程预留、预埋→管道测绘放线→管道支架制作安装→干管安装→立管安装→支管安装→管道试压→管道防腐和保温→管道冲洗。
1.2材料、设备管理1.2.1基本规定给水管道必须采用与管材相适应的管件。
生活给水系统所涉及的材料必须达到饮用水卫生标准。
(GB50242-2002 第4.1.2)建筑给水、排水、及采暖工程所使用的主要材料、成品、半成品、配件、器具和设备必须具有中文质量合格证明文件,规格、型号及性能检测报告应符合国家技术标准或设计要求。
进场时应做检查验收,并经监理工程师核查确认。
建筑给水塑料管道系统所采用的管材、管件和各种辅助材料等,应由管材生产企业配套供应。
管材、管件:包装应完好,表面无划痕及外力冲击破损;规格尺寸、壁厚及允许偏差应符合产品标准和设计要求;除应符合其产品标准的规定外,尚应符合下列规定:1)镀锌钢管壁厚均匀,管口无毛刺,无锈蚀,弯折现象;整件包装完好。
详见GB/T3091。
表1.2.1-1 外径和壁厚的允许偏差表(mm)2)钢塑复合管:外表面应光滑,不允许有伤痕或裂纹等,衬塑钢管形状应是直管,两端截面与管轴线成垂直;衬塑钢管内表面不允许。
气泡、裂纹、脱皮,无明显痕纹、凹陷、色泽不均及分解变色线。
详见GB/T28897。
表1.2.1-2 衬塑钢管塑层厚度和允许偏差表(mm)3)薄壁不锈钢管:两端封口完好,外壳光亮、无划痕和碰撞凹陷等缺陷。
建筑给水薄壁不锈钢管管道所用的管材和管件,应具有国家认可的产品检测机构的产品检测报告和产品出厂质量保证书。
1 建筑中水系统管道及辅助设备安装1.1工艺流程建筑中水系统安装包括中水原管道系统安装、水处理设备安装及中水供水系统安装。
其安装工艺流程如下。
1.2操作工艺1.2.1中水原水管道系统中水原水管道系统安装应遵守下列要求。
1.中水原水管道系统宜采用分流集水系统,以便于选择污染较轻的原水。
简化处理流程和设备,降低处理经费。
2.便器与洗浴设备应分设或分侧布置,以便于单独设置支管、立管,有利于分流集水。
3.污废水支管不宜交叉,以免横支管标高降低过多,影响室外管线及污水处理设备的标高。
4.室内外原水管道及附属构筑物均应防渗漏,井盖应做“中”字标志。
5.中水原水系统应设分流、溢流设施和跨越管,其标高及坡度应能满足排放要求。
1.2.2中水供水管道中水供水系统是给水供水系统的一个特殊部分,所以其供水方式与给水系统相同。
主要依靠最后处理设备的余压供水系统、水泵加压供水系统和气压罐供水系统等。
1.中水供水系统必须单独设置。
中水供水管道严禁与生活饮用水给水管道连接,并应采取下列措施。
1.1.中水管道及设备、受水器等外壁应涂浅绿色标志。
1.2.中水池(箱)、阀门、水表及给水栓均应有“中水”标志。
2.中水管道不宜暗装于墙体和楼板内。
如必须暗装于墙槽内时,必须在管道上有明显且不会脱落的标志。
3.中水管道与生活饮用水管道、排水管道平行埋设时,其水平净距离不得小于0.5m,交叉埋设时,中水管道应位于生活饮用水管道下面,排水管道的上面,其净距离不应小于0.15m。
4.中水给水管道不得装设取水水嘴。
便器冲洗宜采用密闭型设备和器具。
绿化、浇洒、汽车冲洗宜采用壁式或地下式的给水栓。
5.中水高位水箱应与生活高位水箱分设在不同的房间内,如条件不允许只能设在同一房间时,与生活高位水箱的净距离应大于2m。
止回阀安装位置和方向应正确,阀门启闭应灵活。
6.中水供水系统的溢流管、泄水管均应采取间接排水方式排出,溢流管应设隔网。
7.中水供水管道应考虑排空的可能性,以便维修。
建设项目、单项工程、单位工程、分部工程、分项工程定义1、建设项目指在一个总体范围内,由一个或几个单项工程组成,经济上实行独立核算,行政上实行统一管理,并具有法人资格的建设单位。
例:一所学校、一个工厂等。
2、单项工程是指在一个建设项目中,具有独立的设计文件,能够独立组织施工,竣工后可以独立发挥生产能力或效益的工程。
例:一所学校的教学楼、实验楼、图书馆等。
3、单位工程指竣工后不可以独立发挥生产能力或效益,但具有独立设计,能够独立组织施工的工程。
例:土建、电器照明、给水排水等。
4、分部工程按照工程部位、设备种类和型号、使用材料的不同划分。
例:基础工程、砖石工程、混凝土及钢筋混凝土工程、装修工程、屋面工程等。
5、分项工程按照不同的施工方法、不同的材料、不同的规格划分.例:砖石工程可分为砖砌体、毛石砌体两类,其中砖砌体可按部位不同分为内墙、外墙、女儿墙。
分项工程是计算工、料及资金消耗的最基本的构造要素。
单项工程单项工程(single construction)是建设项目的组成部分,具有独立的设计文件,竣工后能单独发挥设计所规定的生产能力或效益。
单项工程是指具有单独设计文件的,建成后可以独立发挥生产能力或效益的一组配套齐全的工程项目。
单项工程从施工的角度看是一个独立的系统,在工程项目总体施工部署和管理目标的指导下,形成自身的项目管理方案和目标,依照其投资和质量要求,如期建成并交付使用。
如良种繁育基地建设项目中的实验室、种子加工车间、晒场,良种种植田间工程等;畜牧养殖项目中的饲料加工车间、畜禽养殖场、屠宰加工车间等.单项工程是指具有独立的设计文件,竣工后可以独立发挥生产能力或效益的工程。
也有称作为工程项目.如工厂中的生产车间、办公楼、住宅;学校中的教学楼、食堂、宿舍等,它是基建项目的组成部分。
单位工程是指具有单独设计和独立施工条件,但不能独立发挥生产能力或效益的工程,它是单项工程的组成部分.如生产车间这个单项工程是由厂房建筑工程和机械设备安装工程等单位工程所组成.建筑工程还可以细分为一般土建工程、水暖卫工程、电器照明工程和工业管道工程等单位工程.两者的区别主要是看它竣工后能否独立地发挥整体效益或生产能力。
给水中水系统安装(一)给水、中水管材:综合办公楼及支撑用房:地下室及泵房内给水及中水管道采用钢塑复合管材,沟槽式机械连接。
给水及中水立管及支管采用给水CPVC管材,粘接连接。
通信枢纽楼:泵房内给水及中水管道采用钢塑复合管材,沟槽式机械连接。
给水及中水干管及立管采用钢塑复合管材,沟槽式机械连接。
给水支管采用给水CPVC管材,粘接连接。
中水支管采用浅绿色PP-R中水管材,热熔连接。
连廊一、二及附属用房:给水及中水立管及支管采用给水CPVC管材,粘接连接。
标识:中水管道间隔1m外刷50mm宽浅绿色色环,并膜印“中水,非饮用”字样,给水加压管道间隔1m刷50mm宽蓝色色环,作蓝色标识,并标明二次供水。
管线铺设严禁预留水嘴及丝堵。
严格区分给水、排水、中水处涂层的颜色以便于区分。
(二)、给水管道施工方法:A、给水钢塑复合管施工工艺:1、采用钢塑复合管管材,应符合下列要求:(1) 涂塑镀锌焊接钢管(焊接钢管)应符合现行行业标准《给水涂塑复合钢管》CJ/T 120的有关要求。
(2) 衬塑镀锌焊接钢管(焊接钢管)应符合现行行业标准《给水衬塑复合钢管》的要求。
衬塑无缝钢管应符合现行行业标准《给水衬塑复合钢管》的有关要求。
2、给水系统采用的钢塑复合管管件应符合下列要求:(1) 衬塑可锻铸铁管管件应符合现行行业标准《给水衬塑可锻铸铁管件》的要求。
(2) 衬塑钢件应符合现行行业标准《给水衬塑复合钢管》的有关要求。
(3) 涂塑钢管件、涂塑球墨铸铁管件、涂塑铸钢管件应符合现行行业标准《给水涂塑复合钢管》CJ/T 120的有关要求。
3、管道安装前应具备下列条件:(1) 施工图纸及其他技术文件齐全,并已进行技术交底。
(2) 对进场管材、管件、阀门等进行验收,并核对产品合格证、质量证明书、规格型号、品种和数量,经监理工程师核查确认后方可使用。
(3) 施工现场及施工用水,供电满足要求。
(4) 施工机具已固定或定位。
(5) 施工人员已经过技术培训,熟悉钢塑复合管的性能,掌握基本操作技能。
建筑中水系统管道及设备安装汇总由于现代建筑中水系统是一个完整的系统,它需要各种管道和设备来实现它的功能。
这些管道和设备可以包括给水管道、下水道、通风管道、净水设备和净化设备等,本文将就建筑中的水系统管道以及设备安装进行汇总和。
给水管道给水管道是建筑物中用来输送自来水的管道,通常由PVC管材和不锈钢管材制成。
在建筑物施工中,给水管道应该在地下室或者一楼安装,以便于管道的维修和更换。
建筑中给水管道应该满足以下要求:•管材应该是安全、卫生,且能防止水污染的;•管材应该经过严格测试,确保管道的质量;•管道应该进行水密性测试,以确保管道不漏水;•给水管道应该定期检查,以确保其正常工作。
下水道下水道是建筑物中用来排放废水或者雨水的管道。
建筑物中下水道由水位较高的设备的排水管所组成,通常是在建筑物底部的排水沟里安装。
建筑物中的下水道应该满足以下要求:•下水道应该有良好的排放能力,以确保建筑物不会发生漏水现象;•下水道应该使用规范的管材和管道绝缘材料,以确保下水管道不会被内部物质腐蚀;•定期检查下水管道的排放量,以确保系统正常,并及时处理阻塞问题。
通风管道通风管道是建筑物中用来排放空气和维持空气质量的管道。
在建筑物内,通风管道通常是在建筑物顶部的通风口附近安装。
建筑物中的通风管道应该满足以下要求:•通风管道应该有一定的排气能力,以确保建筑物简介有良好的空气质量;•通风管道材料应该符合建筑物内外的环境要求,如防火、耐用等;•定期清洗通风管道的内部和外部,清除灰尘和杂物,以确保通风管道的畅通。
净水设备净水设备是建筑物中用来过滤自来水的设备,以确保自来水达到饮用水质量的设备。
建筑物中的净水设备应该满足以下要求:•净水设备应该能够过滤掉自来水中的污染物,保证净水质量;•由于净水设备经常与水接触,所以应该使用耐用性好的材料,例如不锈钢等;•定期清洗净水设备的过滤芯,以确保净水设备的性能。
净化设备净化设备是建筑物中用来净化空气和水的设备,以保持建筑物内部的空气和水的质量。
建筑中水系统管道及辅助设备安装
技术交底内容:
51.2.1 一般项目
1 中水给水管道管材及配件应采用耐腐蚀的给水管管材及附件。
检验方法:观察检查。
2 中水管道与生活饮用水管道、排水管道平行埋设时,其水平净距离不得小于0.5m;交叉埋设时,中水管道应位于生活饮用水管道下面,排水管道的上面,其净距离不应小于0.15m。
检验方法:观察和尺量检查。
51.3 游泳池水系统安装
技术交底内容:
51.3.1 主控项目
51.3.1.1 游泳池的给水口、回水口、泄水口应采用耐腐蚀的铜、不锈钢、塑料等材料制造。
溢流槽、格栅应为耐腐蚀材料制造,并为组装型。
安装时其外表面应与池壁或池底面相平。
检验方法:观察检查。
51.3.1.2 游泳池的毛发聚集器应采用铜或不锈钢等耐腐蚀材料制造,过滤筒(网)的孔径应不大于3mm,其面积应为连接管截面积的1.5~2倍。
检验方法:观察和尺量计算方法。
51.3.1.3 游泳池地面,应采取有效措施防止冲洗排水流入池内。
检验方法:观察检查。
51.3.2 一般项目
51.3.2.1 游泳池循环水系统加药(混凝剂)的药品溶解池、溶液池及定量投加设备应采用耐腐蚀材料制作。
输送溶液的管道应采用塑料管、胶管或铜管。
检验方法:观察检查。
51.3.2.2 游泳池的浸脚、浸腰消毒池的给水管、投药管、溢流管、循环管和泄空管应采用耐腐蚀材料制成。
检验方法:观察检查。
给水排水及采暖工程流程图1室内给水系统安装流程图1.给水管道及配件安装施工工艺流程图给水管道及配件安装施工工艺流程图2.室内消火栓系统安装施工工艺流程3.给水设备安装施工工艺流程图 (1)动设备安装工艺流程图(2)静设备安装工艺流程图2室内排水系统安装施工工艺流程图1.排水管道及配件安装施工工艺流程图2.雨水管道及配件安装施工工艺流程图3室内热水供应系统安装施工工艺流程图管道及配件安装施工工艺流程图4卫生器具安装施工工艺流程图1.卫生器具安装施工工艺流程图2.卫生器具给水配件安装施工工艺流程图3.卫生器具排水管道安装施工工艺流程图5室内采暖系统安装施工工艺流程图1.管道及配件安装施工工艺流程图2.辅助设备及散热器安装施工工艺流程图3.金属辐射板安装施工工艺流程图4.低温热水地板辐射采暖系统安装施工工艺流程图5.系统水压试验及调试施工工艺流程图6室外给水管线安装施工工艺流程图1.给水管道安装施工工艺流程图2.消防水泵接合器及室外消火栓安装施工工艺流程图3.管沟及井室施工工艺流程图7室外排水管网安装施工工艺流程1.排水管道安装施工工艺流程图2.排水管沟及井池施工工艺流程图8室外供热管网安装施工工艺流程图1.管道及配件安装施工工艺流程图2.系统水压试验及调试施工工艺流程图9建筑中水系统及游泳池水系统安装施工工艺流程图1.建筑中水系统管道及辅助设备安装施工工艺流程图建筑中水系统管道及辅助设备安装施工工艺流程图2.游泳池水系统安装施工工艺流程图游泳池水系统安装施工工艺流程图10供热锅炉及辅助设备安装施工工艺流程图1.锅炉安装施工工艺流程图锅炉安装施工工艺流程图2.辅助设备及管道安装施工工艺流程图(1)动设备安装工艺流程施工工艺流程图(2)静设备安装工艺流程施工工艺流程图3.安全附件安装施工工艺流程图4.烘炉、煮炉和试运行施工工艺流程图。
建筑中水系统及雨水利用系统管道及配件安装检验批质量验收记录一、工程概况项目名称:xxxx建筑工程项目地点:xxxx施工单位:xxxx监理单位:xxxx施工日期:xxxx年xx月xx日-xxxx年xx月xx日二、检验依据1.《建筑给水排水设计规范》2.《建筑给水排水工程施工及验收规范》3.《建筑生活污水及雨水利用工程技术规范》4.《建筑雨水利用工程施工及验收规范》5.相关图纸、设计文件及合同约定三、检验基本原则1.符合设计要求2.合规施工3.材料符合要求4.安装质量符合标准5.提供合格的验收记录和文件四、检验内容及方法1.管道材料及配件的合格证明文件是否齐全2.管道材料及配件的型号、规格、质量是否符合设计要求3.管道安装位置是否符合设计要求4.管道安装是否符合相关标准5.管道连接是否紧固密实6.阀门、管件及附件的安装质量是否符合要求7.管道支架安装是否牢固稳定8.管道清洗、保温等工序是否符合规范要求9.雨水利用设备的安装是否符合要求10.雨水管道的布置是否合理11.雨水收集设备的功能是否良好12.其他相关检验内容五、检验结果及处理意见1.管道材料及配件的合格证明文件齐全,型号、规格、质量均符合设计要求。
2.管道安装位置符合设计要求,安装质量符合标准,连接紧固密实。
3.阀门、管件及附件的安装质量符合要求,管道支架安装牢固稳定。
4.管道清洗、保温等工序符合规范要求。
5.雨水利用设备安装符合要求,雨水管道布置合理,雨水收集设备功能良好。
六、存在问题及整改措施1.标出存在的问题及整改措施2.确保问题整改到位七、质量验收结论依据以上检验结果及整改措施,经过施工单位整改后,建筑中水系统及雨水利用系统管道及配件安装质量符合要求,达到设计及验收标准。
八、备注1.若有其他需要备注的内容,需在此处明确说明。
2.附上相关的图片、纸质资料等。
以上为建筑中水系统及雨水利用系统管道及配件安装检验批质量验收记录,检验记录应详尽、真实,是验收工作中的重要证据之一、相关项目应按照验收结果及整改措施进行后续工作,确保施工质量符合要求和标准。
建设项目、单项工程、单位工程、分部工程、分项工程定义1、建设项目指在一个总体范围内,由一个或几个单项工程组成,经济上实行独立核算,行政上实行统一管理,并具有法人资格的建设单位。
例:一所学校、一个工厂等。
2、单项工程是指在一个建设项目中,具有独立的设计文件,能够独立组织施工,竣工后可以独立发挥生产能力或效益的工程。
例:一所学校的教学楼、实验楼、图书馆等。
3、单位工程指竣工后不可以独立发挥生产能力或效益,但具有独立设计,能够独立组织施工的工程。
例:土建、电器照明、给水排水等。
4、分部工程按照工程部位、设备种类和型号、使用材料的不同划分。
例:基础工程、砖石工程、混凝土及钢筋混凝土工程、装修工程、屋面工程等。
5、分项工程按照不同的施工方法、不同的材料、不同的规格划分。
例:砖石工程可分为砖砌体、毛石砌体两类,其中砖砌体可按部位不同分为内墙、外墙、女儿墙。
分项工程是计算工、料及资金消耗的最基本的构造要素。
单项工程单项工程(singleconstruction)是建设项目的组成部分,具有独立的设计文件,竣工后能单独发挥设计所规定的生产能力或效益。
单项工程是指具有单独设计文件的,建成后可以独立发挥生产能力或效益的一组配套齐全的工程项目。
单项工程从施工的角度看是一个独立的系统,在工程项目总体施工部署和管理目标的指导下,形成自身的项目管理方案和目标,依照其投资和质量要求,如期建成并交付使用。
如良种繁育基地建设项目中的实验室、种子加工车间、晒场,良种种植田间工程等;畜牧养殖项目中的饲料加工车间、畜禽养殖场、屠宰加工车间等。
单项工程是指具有独立的设计文件,竣工后可以独立发挥生产能力或效益的工程。
也有称作为工程项目。
如工厂中的生产车间、办公楼、住宅;学校中的教学楼、食堂、宿舍等,它是基建项目的组成部分。
单位工程是指具有单独设计和独立施工条件,但不能独立发挥生产能力或效益的工程,它是单项工程的组成部分。
如生产车间这个单项工程是由厂房建筑工程和机械设备安装工程等单位工程所组成。
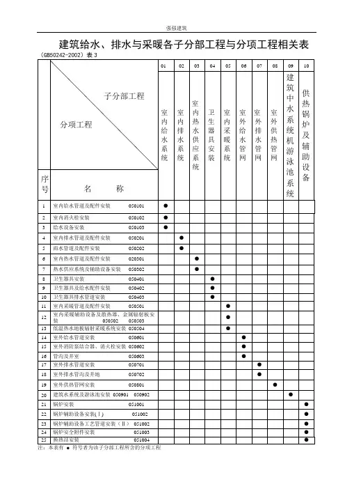
建筑工程分部、子分部、分项工程划分(附录一)分项工程⑴给水管道及配件安装,⑶卫生器具排水管道安装(3个分项合用一张表)⑴管道及配件安装,⑵辅助设备及散热器、金属辐射板⑸室内采暖系统安装,⑶低温热水地板辐射采暖系统安装,⑷系统水压试验及调试⑴给水管道安装,⑵消防水泵接合器及室外消火栓安装,⑹室外给水管网⑶管沟及井室⑴锅炉安装,⑵锅炉辅助设备及管道安装,⑶锅炉安全附件安装,⑷烘炉、煮炉和试运行,⑸换热⑴风管与配件制作,⑵部件、消声设备制作,⑶风管系统安装,⑷设备安装,⑸管道及设备的防腐与绝热,⑹通风机安装,⑺系统调试⑴风管与配件制作,⑵部件制作,⑶风管系统安装,⑷设备安装,⑸防腐与绝热,⑹通风机安装,⑺系统调试⑴风管与配件制作,⑵部件制作,⑶风管系统安装,⑷设备安装,⑸防腐与绝热,⑹通风机安装,⑺系统调试⑴风管与配件制作,⑵部件、消声设备制作,⑶风管系统安装,⑷设备安装,⑸防腐与绝热,⑹通风机安装,⑺系统调试⑴风管与配件制作,⑵部件制作(消声设备制作安装),⑸净化空调系统⑶风管系统安装,⑷设备安装,⑸管道及设备的防腐与绝热,⑹通风机安装,⑺系统调试⑴空调制冷系统安装,⑵管道及设备的防腐与绝热,⑶⑴空调水系统安装,⑵管道及设备的防腐与绝热,⑶系⑺空调水系统统调试建筑工程分部、子分部、分项工程划分分部工程⑴架空线路及杆上电气设备安装,⑵变压器、箱式变电所安装,⑶电线、电缆导管和线槽敷设,⑷电线、电缆穿管和线槽敷设,⑸电缆头制作、接线和线路绝缘测试,⑹接地装置安装⑴变压器、箱式变电所安装,⑵高压、低压成套柜(屏、台)安装,⑶裸母线、封闭母线、插接式母线安装,⑷电缆沟内和电缆竖井内电缆敷设,⑸电缆头制作、接线和线路绝缘测试,⑹电缆头制作、接线和线路绝缘测试⑴裸母线、封闭母线、插接式母线安装,⑵桥架安装和桥架内电缆敷设,⑶电缆沟内和电缆竖井内电缆敷设,⑷电线、电缆导管和线槽敷设,⑸电线、电缆穿管和线槽敷设,⑹电缆头制作、接线和线路绝缘测试⑴高压、低压成套柜(屏、台)安装,动力、照明配电箱(盘)安装,⑵低压电动机、电加热器及电动执行机构检查、接线,⑶低压电气动力设备试验和试运行,⑷桥架安装和桥架内电缆敷设,⑸电线、电缆导管和线槽敷设,⑹电线、电缆穿管和线槽敷设,⑺电缆头制作、接线和线路绝缘测试,⑻插座、开关、风扇安装,⑼接地装置安装⑴高压、低压成套柜(屏、台)安装,动力、照明配电箱(盘)安装,⑵电线、电缆导管和线槽敷设,⑶电线、电缆穿管和线槽敷设,⑷槽板配线,⑸钢索配线,⑸电气照明安装⑹电缆头制作、接线和线路绝缘测试,⑺普通灯具安装,⑻专用灯具安装,⑼建筑物彩灯、霓虹灯、建筑物景观照明灯具、航空障碍标志灯和庭院灯安装,⑽插座、开关、风扇安装,⑾建筑照明通电试运行,⑿接地装置安装⑴低压成套柜(屏、台)安装,动力、照明配电箱(盘)安装,⑵柴油发电机组安装,⑶不间断电源安装,⑹备用和不间断电⑷裸母线、封闭母线、插接式母线安装,⑸电线、电缆源安装导管和线槽敷设,⑹电线、电缆穿管和线槽敷设,⑺电缆头制作、接线和线路绝缘测试,⑻接地装置安装⑴接地装置安装,⑵避雷引下线和变配电室接地干线敷⑺防雷及接地安装设,⑶建筑物等电位连接,⑷接闪器安装排桩,降水、排水、地下连续墙、锚杆、土钉墙、水泥土桩、沉井与沉箱,钢及混凝土支撑灰土地基、砂和砂石地基、碎砖三合土地基,土工合成材料地基,粉煤灰地基,重锤夯实地基,强夯地基,振冲地基,砂桩地基,预压地基,高压喷射注浆地基,土和灰土挤密桩地基,注浆地基,水泥粉煤灰碎石桩地基,夯实水泥土桩地基锚杆静压桩及静力压桩,预应力离心管桩,钢筋桩基混凝土预制桩,钢桩,混凝土灌注桩(成孔、钢筋笼、清孔、水下混凝土灌注)防水混凝土,水泥砂浆防水层,卷材防水层,涂料防水层,金属板防水层,塑料板防水层,细部地下防水构造,喷锚支护,复合式衬砌,地下连续墙,盾构法隧道;渗排水、盲沟排水,隧道、坑道排水;预注浆、后注浆,衬砌裂缝注浆模板、钢筋、混凝土,后浇带混凝土,混凝土结混凝土基础构缝处理砖砌体,混凝土砌块砌体,配筋砌体,石砌体劲钢(管)混劲钢(管)焊接、劲钢(管)与钢筋的连接,混凝土钢结构焊接钢结构、栓接钢结构,钢结构制作,钢结构安装,钢结构涂装建筑工程分部(子分部)工程、分项工程划分续表模板,钢筋,混凝土,预应力、现浇结构,装配式结构劲钢(管)混劲钢(管)焊接,螺栓连接、劲钢(管)与钢筋的连接,劲钢(管)制作、安装,混凝土砖砌体,混凝土小型空心砌块,石砌体,填充墙砌体,配筋砖砌体钢结构焊接,紧固件连接,钢零部件加工,单层钢结构安装,多层及多层钢结构安装,钢结构涂装、钢结构组装,钢结构预拼装,钢网架结构安装,压型金属板钢结构木结构方木和原木结构、胶合木结构、轻型木结构,木构件防护网架和索膜结构网架制作、网架安装、索膜安装、网架防火、防腐涂料整体面层:基层、水泥混凝土面层、水泥砂浆面层、水磨石面层、防油渗面层、水泥钢(铁)屑面层、不发火(防爆的)面层;板块面层:基层、砖面层(陶瓷锦砖、缸砖、陶瓷地砖和水泥花砖面层)、大理石面层和花岗岩面层,预制板块面建筑装3饰装修地面层(预制水泥混凝土、水磨石板块面层)、料石面层(条石、块石面层)、塑料板面层、活动地板面层、地毯面层;木竹面层:基层、实木地板面层(条材、块材面层)、实木复合地板面层(条材、块材面层)、中密度(强化)复合地板面层(条材面层)、竹地板面层抹灰一般抹灰,装饰抹灰,清水砌体勾缝建筑工程分部(子分部)工程、分项工程划分续表木门窗制作与安装、金属门窗安装、塑料门窗安装、特种门安装、门窗玻璃安装暗龙骨吊顶、明龙骨吊顶板材隔墙、骨架隔墙、活动隔墙、玻璃隔墙饰面板安装、饰面砖安装玻璃幕墙、金属幕墙、石材幕墙水性涂料涂饰、溶剂型涂料涂饰、美术涂饰裱糊、软包橱柜制作与安装,窗帘盒、窗台板和暖气罩制作细部与安装,门窗套制作与安装,护栏和扶手制作与安装,花饰制作与安装保温层,找平层,卷材防水层,细部构造保温层,找平层,涂膜防水层,细部构造刚性防水屋细石混凝土防水层,密封材料嵌缝,细部构造面平瓦屋面,油毡瓦屋面,金属板屋面,细部构造架空屋面,蓄水屋面,种植屋面隔热屋面室内给水系给水管道及配件安装、室内消火栓系统安装、给5水、排水室内排水系及采暖统排水管道及配件安装、雨水管道及配件安装室内热水供管道及配件安装、辅助设备安装、防腐、绝热卫生器具安 卫生器具安装、卫生器具给水配件安装、卫生器管道及配件安装、辅助设备及散热器安装、金属 辐射板安装、低温热水地板辐射采暖系统安装、 系统水压试验及调试、防腐、绝热室内采暖系 统 建筑工程分部(子分部)工程、分项工程划分续表 分部工程室外给水管 给水管道安装、消防水泵接合器及室外消火栓安 室外供热管 管道及配件安装、系统水压试验及调试、防腐、网 绝热及采暖 建筑中水系统管道及辅助设备安装、游泳池水系统安装锅炉安装、辅助设备及管道安装、安全附件安装、烘炉、煮炉和试运行、换热站安装、防腐、绝热架空线路及杆上电气设备安装,变压器、箱式变电所安装,成套配电柜、控制柜(屏、台)和动力、照明配电箱(盘)及控制柜安装,电线、电缆导管和线槽敷设,电线、电缆穿管和线槽敷设,电缆头制作、导线连接和线路电气试验,建筑物外部装饰灯具、航空障碍标志灯和庭院路灯安装,建筑照明通电试运行地,接地装置安装变压器、箱式变电所安装,成套配电柜、控制柜(屏、台)和动力、照明配电箱(盘)安装,裸建筑电 气变配电 母线、封闭母线、插接式母线安装,电缆沟内和电缆竖井内电缆敷设,电缆头制作、导线连接和线路电气试验,接地装置安装,避雷引下线和变配电室接地干线敷设裸母线、封闭母线、插接式母线安装,桥架安装供电干 和桥架内电缆敷设,电缆沟内和电缆竖井内电缆敷设,电线、电缆穿管和线槽敷线,电缆头制作、导线连接和线路电气试验建筑工程分部(子分部)工程、分项工程划分续表 程分部工程 成套配电柜、控制柜(屏、台)和动力、照明配电箱(盘)及安装,低压电动机、电加热器及电动执行机构检查、接线,低压电气动力设备检测、电气动力 试验和空载试运行,桥架安装和桥架内电缆敷设,电线、电缆导管和线槽敷设,电线、电缆穿管和槽敷线,电缆头制作、导线连接和线路电气试验,插座、开关、风扇安装成套配电柜、控制柜(屏、台)和动力、照明配电箱(盘)安装,电线、电缆导管和线槽敷设,电线、电缆头制作、导线连接和线路电气试验, 建筑电气普通灯具安装,专用灯具安装,插座、开关、风 扇安装,建筑照明通电试运行成套配电柜、控制柜(屏、台)和动力、照明配电箱(盘)安装,柴油发电机组安装,不间断电备用和不间 源的其他功能单元安装,裸母线、封闭母线、插 断电源安装 接式母线安装,电线、电缆导管和线槽敷线,电缆头制作、导线连接和线路电气试验,接地装置安装防雷接地安 接地装置安装,避雷引下线和变配电室接地干线敷设,建筑物等电位连接,接闪器安装通信系统、卫星及有线电视系统、公共广播系统办公自动化 计算机网络系统、信息平台及办公自动化应用软 智能建筑 空调与通风系统、变配电系统、照明系统、给排建筑设备监 水系统、热源和热交换系统、冷冻和冷却系统、 控系统 电梯和自动扶梯系统、中央管理工作站与操作分站、子系统通信接口建筑工程分部(子分部)工程、分项工程划分 续表程火灾和可燃气体探测系统、火灾报警控制系统、消防联动系统电视监控系统、入侵报警系统、巡更系统、出入口控制(门禁)系统、停车管理系统缆线敷设和终接、机柜、机架、配线架的安 综合布线系装、信息插座和光缆芯线终端的安装集成系统网络、实时数据库、信息安全、功能接口空间环境、室内空间环境、视觉照明环境、电磁环境火灾自动报警及消防联动系统、安全防范系统(含电视监控系统、入侵报警系统、巡更系统、门禁系统、楼宇对讲系统、住户对讲呼救系统、停车管理系统)、物业管理系统(多表现场计量及远程传输系统、建筑设备监控系统、公共广播系统、小区网络及信息服务系统、物业办公自动化系统)、智能家庭信息平台风管与配件制作;部件制作;风管系统安装;空送排风系统气处理设备安装;消声设备制作与安装,风管与设备防腐;风机安装;系统调试风管与配件制作;部件制作;风管系统安装;防防排烟系统排烟风口、常闭正压风口与设备安装;风管与设备防腐;风机安装;系统调试风管与配件制作;部件制作;风管系统安装;除除尘系统尘器与排污设备安装;风管与设备防腐;风机安装;系统调试风管与配件制作;部件制作;风管系统安装;空气处理设备安装;消声设备制作与安装;风管与空调风系统设备防腐;风机安装;风管与设备绝热;系统调试建筑工程分部(子分部)工程、分项工程划分续表程风管与配件制作;部件制作;风管系统安装;空净化空调系气处理设备安装;消声设备制作与安装;风管与设备防腐;风机安装;风管与设备绝热;高效过滤器安装;系统调试制冷机组安装;制冷剂管道及配件安装;制冷附属设备安装;管道及设备的防腐与绝热;系统调试管道冷热(媒)水系统安装;冷却水系统安装;冷凝水系统安装;阀门及部件安装;冷却塔安装;水泵及附属设备安装;管道与设备的防腐与绝热;系统调试电力驱动的设备进场验收,土建交接检验,驱动主机,导轨,9电梯曳引式或强门系统,轿厢,对重(平衡重),安全部件,悬制式电梯安挂装置,随行电缆,补偿装置,电气装置,整机设备进场验收,土建交接检验,液压系统,导轨,门系统,轿厢,平衡重,安全部件,悬挂装置,随行电缆,电气装置,整机安装验收自动扶梯、自动人行道安设备进场验收,土建交接检验,整机安装验收装工程。
管工安全技术交底1、用车辆运输管材、管件,要绑扎牢固,人力搬运,起落要一致,通过沟、坑、井,要搭好马道,不得负重跨越。
用滚杠运输,人防止压脚,并不准用手直接调整滚杠。
管子滚动前方,不得有人。
2、用锯床、锯弓、切管器、砂轮切管机切割管子,要垫平卡牢,用力不得过猛,临近切断时,用手或支架托住。
砂轮切管机砂轮片应完好,操作时,应站侧面。
3、套丝工作要支平夹牢,工作平台要平稳,两人以上操作,动作应协调,防止柄把打人。
4、条管子串动和对口,动作要协调,手不得放在管口和法兰接合处。
5、翻动工作时,防止滑动及倾倒伤人。
6、手提式砂轮机应有防护罩,操作时,站在砂轮片径向侧面,并戴绝缘手套工站在绝缘板上。
7、沟内施工,遇有土方松动、裂缝、渗水等,应及时加设固定支撑。
禁止用固定壁支撑代替上、下扶梯和吊装支架。
第396条人工往沟槽内下管,怕用索具、地桩必须牢固,沟槽内不得有人。
8、用风枪、电锤或錾子打透眼时,板下、墙后不得有人靠近。
、管道吊装时,倒链应完好可靠,吊件下方禁止站人,管9.子就位卡牢后,方可松倒链。
10、管道试压,应使用指校验合格的压力表。
操作时,要分级缓慢升压,停泵稳压后方可进行检查。
非操作人员不得在盲板、法兰、焊口、丝处停留。
11、高压、超高压管道试压,应遵守单项安全操作规程。
管道安装材料要求主材镀锌钢管、铸铁排水管、塑料管、复合管等及其配件。
(1)镀锌钢管、管件内外壁镀锌饱满光洁、壁厚均匀无锈蚀、砂眼、气泡、裂纹,丝扣不得出现偏扣、乱扣、丝扣不全等现象,符合设计要求,具有出厂合格证、材质检测证明。
(2)塑料管、管件标明规格、公称压力、生产厂名或商标等标识,包装上应标有批号、数量、生产日期和检验代号。
内外壁应光洁平整,无气泡、裂纹、脱皮、分解变色线和明显的痕纹、槽沟、凹陷、杂质等,色泽一致;管材、管件宜用同一厂家产品,符合设计要求,具有产品合格证及有关部门的检测报告。
(3)复合管等及其配件内外应光洁平整,无色差、分解变色线、气泡、砂眼、裂纹、脱皮、痕纹及碰撞凹陷;管材、管件宜用同一厂家产品,符合设计要求,应有出厂合格证及材质检测报告。
.辅料(1)各种管卡、粘结剂(宜用与管材同一厂家产品)、油麻、螺栓、螺母、垫圈等应有产品合格证。
(2)焊条应有产品合格证并与母材相匹配。
(3)水泥强度等级不低于32.5级,应有产品合格证和出厂检验报告,进场后应取样复试合格。
作业条件1.埋设管道的管沟或基底回填土应平整、夯实,无突出的坚硬物。
2.暗装管道(包括设备层、竖井、吊顶内的管道)根据设计图纸核对各种管道的管径、标高、位置的排列。
预留孔洞、预埋件已配合完成;土建模板已拆除,操作场地清理干净,安装高度超过3.5m已搭好脚手架。
3.室内标高线、隔墙中心线(边线)均已测放,墙地面初装完成,能连续施工。
4.冬期施工,环境温度一般不低于5℃;当环境温度低于5℃应采取防寒、防冻措施。
施工场所应保持空气流通,不得密闭。
5.各种施工材料的品种和数量能保证施工。
施工工艺工艺流程12 操作工艺1.施工准备(1)校核洞口:根据设计图纸及技术交底,检查、核对预留孔洞尺寸是否正确,将管道坐标、标高、位置划线定位。
找出管道穿楼板、墙体的中心位置,用錾子开扩或修整孔洞;立管洞口修整时,应在管中心位置从上至下吊线后,逐层顺序修整,发现上、下层墙体厚度变化,应及时调整管道离墙距离。
(2)绘制施工草图:根据设计图纸及技术交底,分析管材和管件、节点、复杂部位详细连接形式和方法,按照施工图纸和实地情况测量各管段和留口具体尺寸,绘制管线节点详图、管件附件组合图和管道施工草图,并注明实际尺寸。
(3)预制加工:根据施工草图,进行断管、清口、套丝(针对钢管),然后将管道、管件进行预组装、调直;把管件较多部位进行预制组装,码放整齐备用。
2.支架安装(1)按不同的管材、管径和要求,设置相应的卡架和位置,埋设应牢固平整。
(2)固定支架、吊架应有足够的刚度、强度,不得产生弯曲变形等缺陷。
的规定。
19-39钢管水平安装的支架、吊架应符合表(3)(4)排水铸铁管支架、吊架安装1)排水干管在设备层安装,首先根据设计图纸要求,将每根排水干管管道中心线弹到顶板上,然后安装托、吊架,吊架根部一般采用槽钢的形式。
2)排水管道支架、吊架间距:横管不大于2m;立管不大于3m。
楼层高度小于等于4m,立管可安装1个固定件。
3)高层排水立管与干管连接处应加设托架,并在首层安装立管卡子,高层建筑立管托架可隔层设置落地托架。
4)支架、吊架应考虑受力,一般加设在三通、弯头或放在承口后,然后按照设计及施工规范要求的间距加设支架、吊架。
(5)排水塑料管道支架、吊架间距应符合表19-40的规定。
(6)中水塑料管道支架、吊架间距应符合表19-41的规定。
(7)中水复合管道支架、吊架间距应符合表19-42的规定。
(8)三通、弯头、阀门等管件和管道弯曲部位,应适当增设管码或支架,与配水点连接处应采取加固措施。
(9)塑料管、复合管采用金属管卡或金属支架、吊架时,不得损伤管壁,金属表面与管道之间应采用柔软材料进行隔离。
(10)管道支架、吊架安装,应拉小线确定管道的直线位置线,然后按照规范规定的间距定好管道支架的间距,安装加工好的支架、吊架。
3.管道安装(1)中水管道与生活饮用水管道、排水管道平行埋设时,其水平净距不得小于500mm;交叉埋设时,中水管道应位于生活饮用水管道下面,排水管道的上面,其净距均不小于0.15m。
(2)明装管道距墙应均匀一致,公称外径32mm以下的管道外皮距离建筑装饰墙面20mm~25mm,公称外径32mm以上的管道外皮距离建筑装饰墙面25mm~50mm。
要保证输送热水的管道在输送管道上下平行安装时,(3)冷水的管道上方,垂直平行安装时,输送热水的管道在输送冷水的管道的左边。
(4)室内明装管道,宜在土建粉饰完毕后进行。
4.管道水压、灌水试验(1)不同材质的管材使用在同一系统或管路上,水压试验时,以试验压力值要求较小的管材的试验压力为系统或管路的试验压力。
(2)暗敷在垫层内的管道在隐蔽之前必须做好水压试验和隐蔽检查;打垫层时,将管道接上压力表,应有不小于0.4MPa的水压直至垫层施工完毕,观察管道压力是否下降,检验垫层施工过程中管道是否被破坏。
5.保温(1)管道保温1)有防结露、防冻保温要求的管道,应在隐检验收合格以后,做管道的防结露、防冻保温。
2)防结露、防冻保温层厚度要符合设计图纸要求,要使用阻燃材料,保温层表面平整、美观。
6设备安装1、水调节池(水箱)的施工:调节池(水箱)底部应设有集水坑和排泄管,池底应有不小于2%坡度,坡向集水坑。
顶部应设置直通地面的排气管,池壁应设置爬梯和溢水管。
中、)水箱(中水调节池小型工程调节池可兼用做提升泵的集水井。
.以生活饮用水为补水时,应该采取防止饮用水被污染的措施,补水管道出水口与中水调节池(水箱)内最高水位之间有不小于2.5倍补水管道管径的空气隔断高度,严禁采用淹没式浮球阀补水,仅仅要求当调节池(水箱)中水位达到缺水报警水位时补水。
(5)竖流式沉淀池中心管流速不得大于30anln/s,中心管下部应设喇叭口和反射板,板底面距泥面不得小于0. 3m,排泥斗坡度应大于45°。
(6)斜板(管)沉淀池的斜板(管)间距(孔径)应大于80nm,,板(管)斜长宜取1000mm,斜角宜为60°。
斜板(管)上部清水深不宜小于0.5m,下部缓冲层不宜小于O.8m。
7设备配管(1)中水贮存池以生活饮用水为补水时,补水管道出水口与贮存水池内最高水位之间有不小于2.5倍补水管道管径的空气隔断高度;中水贮存池(箱)设置的溢流管、泄水管,均应采用间接排水方式,排出口溢流管口应设隔网。
(2)设备与设备之间的连接管道应自然过渡,管道与设备之间不得存在拉压现象,管道与管道、管道与设备之间的连接紧密、美观、可靠、便于拆卸与检修,各种坡度准确、泄水方便。
(3)设备配管应独立设置承重支架,不允许设备承担配管重量。
.(4)有振动的设备配管时,应设置软连接。
8、运行、调试所有的设备安装完毕后,应进行系统调试和试运行工作;除水量能够满足楼内使用外,还要求中水处理深度符合设计和国家卫生标准要求,调试合格后做好质量记录。
(1)调试1)中水系统水量调试可以通过以下方法进行:①水量平衡调试:中水用水量较大时,可以通过扩大原水收集范围和收集量来调节水量,原水水量较大时,可以通过扩大中水使用范围,如浇洒道路、绿化、冷却水补水等来平衡水量。
②原水调节池调节用贮水量的调试:原水的贮水量不得少于设计的规定值。
当设计未规定时,在调试中连续运行时可以取原水日处理水量的35%~50%;间歇运行时,原水调节池的贮水量应为处理设备一个运行周期的处理量。
③中水调节池调节用贮水量的调试:中水调节池调节用贮水量不得少于设计的规定值。
当设计未规定时,在调试中连续运行时可以取日中水用水量的25%~35%;间歇运行时,贮水量应为中水设备一个运行周期的用水量。
④除以上几种调节方式外,在实际中还可用分流、溢流、超越等方式进行水量调节。
中水系统处理设备调试:中水处理设备在安装完毕以2)后必须进行单机试运行,要求机械设备运转无异常,水处理设备无渗漏、堵塞现象,进出水稳定。
3)统调试完毕后,即可进行试运行工作;系统试运行应符合设计要求,中水处理深度应符合设计和国家卫生标准要求,调试合格做好质量记录,即为试运行完毕。
12.季节性施工(1)气温低于5℃时,管道粘结应使用抗冻型粘结剂。
(2)冬期管道不宜进行水压试验和灌水试验,如果必须进行,应将管道内的存水吹扫干净。
质量标准主控项目1.中水高位水箱应与生活高位水箱分设在不同的房间内,如果条件不允许,只能设在同一房间时,与生活高位水箱之间的净距应大于2m。
2.中水管道上不得装设取水龙头。
便器冲洗宜采用密闭型设备和器具。
绿化、浇洒、汽车冲洗宜采用壁式或地下式的给水栓。
3.中水管道严禁与生活饮用水给水管道连接。
中水管道应采取下列防止误接、误用、误饮的措施:管道外壁应涂浅绿色标志,水池(箱)、阀门、水表、给水栓及取水口均应有明显的中水标志。
公共场所及绿化的中水取水口应设置带锁装置。
.4.中水贮存池以生活饮用水为补水时,应该采取防止饮用水被污染的措施,补水管道出水口与贮存水池内最高水位之间有不小于2.5倍补水管道管径的空气隔断高度。
严禁采用淹没式浮球阀补水。
5.除卫生间外中水管道不宜暗装于墙体和楼板内。
如必须暗装于墙槽内时,必须在管道上有明显不会脱落的标志,标明此管道内是不能饮用的中水。
6.暗装在墙体或垫层内的管道应该有不小于30mm的保护层厚度。
7.水泵混凝土基础强度、坐标、标高、尺寸和螺栓孔位置必须符合设计规定。
8.水泵试运行的轴承温升符合设备说明书的规定。