工程计量报审表
- 格式:xls
- 大小:16.50 KB
- 文档页数:20
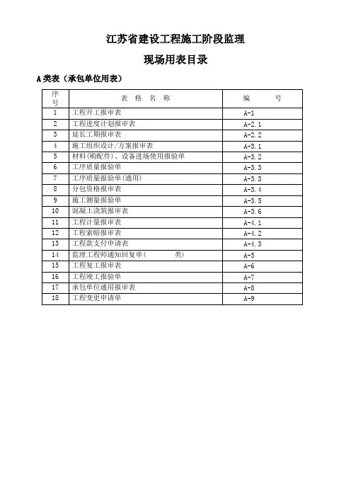
江苏省建设工程施工阶段监理
现场用表目录
A类表(承包单位用表)
A1.1工程开工报审表
A2.1工程进度计划报审表
延长工期报审表
施工组织设计/方案报审表
材料(构配件)、设备进场使用报验单
A3.2___ - 01
工序质量报验单
工序质量报验单(通用)
A3.4
分包单位资格报审表
A3.5
施工测量报验单工程名称:京沪高速铁路无锡东站站区配套基础设施项目
混凝土浇筑报审表
工程计量报审表
工程费用索赔报审表
工程款支付申请表
监理工程师通知回复单(类)
承包单位通用报审表
工程变更单
A8承包单位通用报审表。
工程开工报审表工程名称:稻香楼宾馆水上餐厅编号:本表由承包单位填报,一式四份,送监理机构审核后,建设、承包单位二份(其中报城建档案馆一份。
监理单位一份。
复工报审表工程名称:荣成花园楼工程编号:本表由承包单位填报,一式四份,送监理机构审核后,建设、承包单位各一份,监理单位一份。
施工组织设计(方案)报审表工程名称:主入口区域环境改造变电所迁移工程编号: 001本表由承包单位填报,一式三份,送监理机构审核后,建设、监理及承包单位各一份。
主要施工机械设备报审表工程名称:稻香楼宾馆水上餐厅编号:本表由承包单位填报,一式三份,送监理机构审核后,建设、监理及承包单位各一份。
施工进度计划(调整计划)报审表工程名称:主入口区域环境改造家属区污水管网工程编号:本表由承包单位填写,一式三份,送监理机构审核后,建设、监理及承包单位各一份。
分包单位资格报审表工程名称:编号:本表由承包单位填报,一式三份,送监理机构审核后,建设、监理及承包单位各一份。
试验室资格报审表工程名称:编号:本表由承包单位填报,一式三份,送监理机构审核后,建设、监理及承包单位各一份。
施工测量放线报验单工程名称:主入口区域环境改造家属区污水管网工程编号:本表由承包单位填报,一式四份,送监理机构审核后,建设、承包单位各一份,监理单位一份。
人员工程报验申请表工程名称:主入口区域环境改造变电所迁移工程编号: 001A5-1工程计量报审表工程名称:编号:本表由承包单位填报,一式四份,送监理、审计机构审核后,建设、监理、审计及承包单位各一份。
A5-2工程款支付申请表工程名称:荣城花园南苑D标段49# 编号: GX-49#-2007-7-26本表由承包单位填报,一式四份,送监理、审计机构审核后,建设、监理、审计及承包单位各一份。
监理工程师通知回复单工程名称:荣城花园南苑桩基工程编号:HF-001本表由承包单位填报,一式三份,送监理机构审核后,建设、监理及承包单位各一份。
A-3分包单位资格报审表说明5.1 分包单位:按分包施工合同所列“分包单位”全称填写。
5.2 分包单位资质材料:指按建设部第87号令颁布的《建筑业企业资质管理规定》,经建设行政主管部门进行资质审查核发的,具有相应专业承包企业资质等级和建筑业劳务分包企业资质的《建筑业企业资质证书》正、副本和《企业法人营业执照》。
5.3 分包单位业绩材料:填写分包单位近三年来所承建的分包工程名称,质量等级证书(证明)附后。
5.4 分包工程名称(部位):按分包合同书中发包单位提供或图注名称填写。
5.5 工程数量:指分包工程项目的数量。
5.6 拟分包工程合同款:指分包工程合同中实际签订的金额。
5.7 分包工程占全部工程:指分包工程的工程量占全部工程工程量的百分比。
5.8 专业监理工程师审查意见:专业监理工程师应对承包单位所报材料逐一进行审核,主要审查内容:对取得施工总承包企业资质等级证书的分包单位,审查其核准的营业范围与拟承担的分包工程是否相符;对取得专业承包企业资质证书的分包单位,审查其核准的等级和范围(60类)与拟承担分包工程是否相符;对取得建筑业劳务分包企业资质的,审查其核准的资质(13类)与拟承担的分包工程是否相符。
在此基础上,项目监理机构和建设单位认为必要时,会同承包单位对分包单位进行调查,主要核实承包单位的申报材料与实际情况是否属实。
在审查分包单位资格时,专业监理工程师应严格注意承包单位的发包性质,确认发包工程是否属于转包、肢解分包、层层分包等行为。
对于工程的违法分包及转包等行为一律禁止。
专业监理工程师在审查承包单位报送分包单位有关资料,调查核实的(必要时)基础上,提出审查意见、调查报告(必要时)附报审表后,根据审查情况,如认定该分包单位具备分包条件,则批复“该分包单位具备分包条件,拟同意分包。
请总监理工程师审核”,如认为不具备分包条件应简要指出不符合条件之处,并签署“拟不同意分包,请总监理工程师审查”的意见。
主要测量计量器具/试验设备检验报审表
表号:DJB-A4-12
目监理部存份。
填写、使用说明
1 施工承包单位在进行工程开工或相关工程开展前,应将主要测量、计量器
具、试验设备的清单及其定检合格证明文件报项目监理部查验。
2 项目监理部审查要点:
a) 测量、计量器具、试验设备的种类、数量是否满足工程施工需要;
b) 仪器、设备的定检合格证明文件是否有效,仪器、设备是否在定检周期
内。
提示填写要点:
1 项目监理部应审查报审的原件,留存复印件。
承包单位对其留存的复印件要加盖项目部红章进行确认,并注明原件存放处;
2 项目监理部审查意见可填写:经查验,报审的测量、计量器具、试验设备的检验证明文件合格、有效,同意在本工程的施工中使用。