电力建筑工程验收表格--单位工程开工报告
- 格式:docx
- 大小:6.17 KB
- 文档页数:1
第1篇一、工程概况1. 工程名称:XX电力工程安装项目2. 工程地点:XX市XX区XX街道3. 工程业主:XX电力有限公司4. 工程建设单位:XX电力建设有限公司5. 工程承包单位:XX电力安装有限公司6. 工程规模:本项目包括变配电所、输电线路、电力设备安装等工程,总装机容量XX万千瓦。
7. 工程合同工期:自2023年X月X日至2024年X月X日,共计XX个月。
二、工程背景及意义1. 工程背景随着我国经济的快速发展,电力需求日益增长。
为满足日益增长的电力需求,优化电力布局,提高电力供应可靠性,XX电力有限公司决定在XX市XX区XX街道建设一座新的电力工程。
2. 工程意义(1)提高电力供应能力,满足区域经济发展需求;(2)优化电力布局,降低输电损耗;(3)提高电力设备运行效率,降低运行成本;(4)保障电力系统安全稳定运行,提高供电可靠性。
三、工程组织机构及人员配备1. 工程组织机构(1)项目经理部:负责整个工程的组织实施、协调管理、质量控制、进度控制、安全控制等工作;(2)技术质量部:负责工程的技术质量管理工作;(3)安全环保部:负责工程的安全环保管理工作;(4)物资设备部:负责工程物资设备的管理、采购、供应等工作;(5)财务部:负责工程的财务管理工作。
2. 人员配备(1)项目经理:负责整个工程的组织实施、协调管理、质量控制、进度控制、安全控制等工作;(2)技术质量负责人:负责工程的技术质量管理工作;(3)安全环保负责人:负责工程的安全环保管理工作;(4)物资设备负责人:负责工程物资设备的管理、采购、供应等工作;(5)财务负责人:负责工程的财务管理工作。
四、工程实施计划1. 工程进度计划(1)2023年X月X日至2023年X月X日:完成前期准备工作,包括工程招投标、合同签订、设计、施工图纸审查等;(2)2023年X月X日至2023年X月X日:进行施工准备工作,包括施工场地平整、临时设施建设、施工人员培训等;(3)2023年X月X日至2024年X月X日:进行主体工程施工,包括变配电所、输电线路、电力设备安装等;(4)2024年X月X日至2024年X月X日:进行工程验收、试运行、移交等工作。
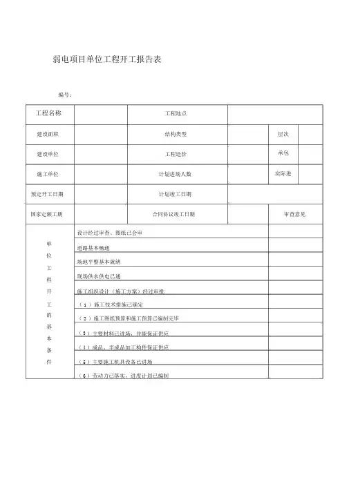
弱电项目单位工程开工报告表
编号:
工程名称工程地点
建设面积结构类型建设单位工程造价施工单位计划进场人数预定开工日期计划竣工日期国家定额工期合同协议竣工日期
设计经过审查、图纸已会审
单
道路基本畅通
位
场地平整基本就绪
工
程
现场供水供电已通
开施工组织设计(施工方案)经过审批
工( 1 )施工技术措施已确定
的
( 2 )施工图纸预算和施工预算已编制完毕基
( 3
本
)主要材料已进场,并能保证供应
条
( 4 )成品、半成品加工构件保证供应
件( 5 )主要施工机具设备已进场
( 6 )劳动力已落实,进度计划已编制
层次
承包
实际进
审查意见
施工单位:监理单位:建设单位:
(签章)(签章)
年月日年月日(签章)
年月日。
开工报告工程名称施工地点施工单位施工资质开工日期工程内容:年月日施工负责人电话申请编号估计竣工日期年月日施工单位意见:负责人签章:年月日客户意见:受理人负责人签章:受理日期年月日年月日开工确认单会签号:年月日用电地址用电客户名称施工单位申请号用电类别登记容量修改登记容量变台号开工日期注意事项:登记种别kW(kVA)kW(kVA)年月日原容量批准容量修改批准容量变台名完工日期用户号kW(kVA)kW(kVA)kW(kVA)年月日a. 本证只作为办理用电安装手续凭证。
b. 施工单位无权转让,一旦发现转让,撤回本证并追究责任,后果自负。
c. 施工单位持本证和供电公司审核批准的施工图,按照要求施工。
d. 工程安装完成后,持本证、竣工报告到供电公司办理竣工手续。
申请备注:供电方案:联系人联系电话供电单位(公章) 登记受电工程中间检查登记表申请编号客户名称客户联系人施工单位施工单位联系人申请类型用电地址联系电话施工资质联系电话当前工程完成内容:开始时间年月日估计完成时间年月日份数设备生产合格证书设备出厂试验报告(型式试验报告)生产厂家资质材料事项说明用电单位盖章:供电单位盖章:登记人:年月日登记日期:年月日相关资料名称受电工程中间检查结果通知单申请编号申请类别客户名称用电地址客户联系人联系电话施工单位施工资质设计单位联系人联系电话检查部门检查人员开始时间年月日完成时间年月日中间检查内容及意见:检查内容:1 )工程施工是否符合设计要求;2 )工程施工工艺、建设用材、设备选型是否符合规范、技术文件是否齐全;3 )安全措施是否符合规范及现行的安全技术规程规定;4 )路线架设情况或者电缆敷设情况;5 )电缆通道开挖情况;6 )封闭母线及计量箱(柜)安装情况;7 )高、低压盘(柜)装设情况;8 )变压器、开关、计量箱安装情况;9 )接地装置埋设情况;10 )设备到货验收及安装前的特性校验资料准备情况;11 )施工人员电工证,施工队伍是否外包等情况。
电力建设配电工程开工报告资料电力工程建设配电工程开工报告报告编号:XXXX-XXXX-01项目名称:XXX电力工程建设配电工程建设单位:XXX电力有限公司承建单位:XXX建设集团有限公司开工日期:20XX年X月X日一、项目背景随着社会经济的快速发展,人们对电力的需求量也越来越大。
为了保障日常生产和生活的需求,建设一条稳定可靠的配电线路是十分必要的。
为此,我们公司决定在本地区新建一条配电线路,以满足市场对电力的需求。
二、项目概况1. 项目地点本项目将新建一条27千伏线路,起点位于XXX变电站,止于XXX供电站。
线路全长约XX千米,途经XX个村委会和XX个居民区,将覆盖XX个社区共计XX户居民,总投资额为XXX万元。
2. 项目建设内容本项目主要建设内容包括:新建一条27千伏高压配电线路及相关电力设施,包括架线杆、线路绝缘子及接地装置等。
3. 施工人员根据本项目施工计划,我们将派出XX名技术工人和XX名劳务人员完成施工任务。
施工人员将具备相关的技术资质和操作证明,并配备必要的安全装备,保证施工过程中的安全。
4. 施工周期根据项目计划,本项目的建设周期为XX个月,预计在20XX年X月X日竣工,交付使用。
三、安全措施保障工地及周边村民的生命财产安全是项目建设过程的首要任务。
为此,我们将采取一系列安全措施,确保施工过程安全有序。
具体措施如下:1. 施工人员需全部配备必要的安全装备,包括安全帽、安全鞋等。
2. 施工现场设置警示标志,禁止非施工人员进入施工区域,严禁无关人员进入危险区域。
3. 严格控制施工现场各项施工指示及危险性场所,注意水电绝缘。
4. 施工过程中设立观察点、巡查点,对整个施工过程进行监督和控制,及时发现并消除施工过程中的安全隐患。
5. 施工人员应保持工地环境整洁,不得将垃圾、废料等随意乱扔。
四、环保措施在建设过程中,我们将秉持环保理念,履行社会责任,采取一系列环保措施,做到环保减排。
具体措施如下:1. 施工现场设置生活垃圾汇集站,对产生的垃圾进行分类处理和分别清运。
电力工程开工报告样表开工报告尊敬的各位领导、各位同事:大家好!我是XXX电力工程项目的项目经理XXX。
经过前期的准备工作,XXX电力工程项目已经进入正式开工阶段。
在此,我向大家汇报一下项目的开工情况,并对今后的工作做出一些安排和要求。
一、开工情况经过前期的各项筹备工作,本项目已获得了相关审批手续,并于X年X月X日正式开工。
自开工以来,项目组各成员积极投入工作,按照项目计划和施工方案进行组织和安排,目前已顺利完成了以下工作:1.工地搭建:按照相关规定,我们已经完成了工地的临时办公楼、材料堆放区及施工车辆停放区的搭建工作,并进行了合理的布局和划分。
2.现场勘测与设计:我们组织了专业的技术人员进行了现场勘测,并根据勘测结果进行了详细的设计,为后续施工提供了依据。
3.材料采购与运输:针对项目需要的各种材料和设备,我们已与供应商沟通并完成了采购工作,并以合理的运输方式将材料送至工地,确保了施工所需。
4.施工组织筹划:我们根据工程特点和施工要求,编制了详细的施工方案,并对施工队伍的组织、施工工艺流程进行了优化和调整,以提高施工效率和质量。
二、今后工作安排和要求尽管我们已经取得了一定的进展和成就,但是面对工程项目的复杂性和困难性,我们还面临很多任务和挑战。
因此,我向各位提出以下工作安排和要求:1.加强管理:各部门和各成员需要密切配合,加强协作与沟通,做好各项管理工作,确保施工按照计划进行,并及时解决可能出现的问题和难题。
2.安全第一:严格按照相关安全规范和要求进行施工,做好安全防护工作,加强现场管理,确保工人和设备的安全,防止事故的发生。
3.技术标准:按照工程规范和技术要求,进行施工,并做好质量控制工作,确保工程的质量达到设计要求并符合相关标准。
4.节约用地与资源:本项目所在地资源有限,我们需要合理利用土地和资源,加强节约环保意识,进行绿色施工,充分利用现有条件,降低施工成本。
5.项目进度控制:我们将制定详细的施工计划和进度安排,并对施工进展进行跟踪和监控,确保项目能按时完成。
建筑电气工程施工验收表格汇总目录1、建筑电气分部工程概况表 (2)2、建筑电气工程施工现场质量管理记录 (3)3、建筑电气工程施工现场质量管理记录 (4)4、建筑电气工程质量控制资料核查记录 (5)5、建筑电气工程安全和功能检验资料核查及主要功能抽查记录 (6)6、建筑电器工程观感质量检查记录 (7)7、建筑电气工程材料、设备、成品、半成品出厂合格证 (8)8、材料、设备、成品、半成品进场验收记录 (10)9、材料、设备、成品、半成品进场验收记录 (11)10、电导管安装隐蔽验收记录 (12)11、电导管内穿线隐蔽验收记录 (13)12、接地工程隐蔽验收记录 (14)13、接地系统布置简图 (15)14、电缆敷设施工隐蔽验收记录 (16)15、线路(设备)绝缘电阻测试记录 (17)16、防雷接地电阻测试记录 (18)17、接地(PE)或接零(PEN)导通状态 (19)18、建筑照明通电试运行记录 (20)19、等电位联结施工隐蔽验收记录 (21)20、成套配电柜、控制柜(屏、台)和动力、照明配电箱(盘) (22)21、电线导管、电缆导管和线槽敷设分项工程 (25)22、电缆头制作、接线和线路绝缘测试分项工程检验批质量验收记录 (27)23、建筑物照明通电试运行分项检验批质量验收记录 (28)24、接地装置安装分项工程检验批质量验收记录 (29)25、避雷引下线和变配电室接地干线敷设 (30)26、电缆桥架安装和桥架内电缆敷设 (31)27、电线、电缆穿管和线槽敷线 (32)28、开关、插座、风扇安装分项工程检验批质量验收记录 (33)29、普通灯具安装分项工程检验批质量验收记录 (35)30、建筑物等电位联结分项工程检验批质量验收记录 (37)31、接闪器分项工程检验批质量验收记录 (38)32、子分部工程工程质量验收记录 (39)33、分项工程质量验收记录 (40)1、建筑电气分部工程概况表 DQ1.12、建筑电气工程施工现场质量管理记录DQ1.23、建筑电气工程施工现场质量管理记录DQ1.34、建筑电气工程质量控制资料核查记录DQ1.45、建筑电气工程安全和功能检验资料核查及主要功能抽查记录DQ1.56、建筑电器工程观感质量检查记录DQ1.67、建筑电气工程材料、设备、成品、半成品出厂合格证及进场检(试)验报告汇总表(检测报告)DQ2.1项目专业质检员:年月日材料、设备(合格证)质保证明8、材料、设备、成品、半成品进场验收记录DQ2.29、材料、设备、成品、半成品进场验收记录 DQ2.210、电导管安装隐蔽验收记录DQ2.311、电导管内穿线隐蔽验收记录DQ2.412、接地工程隐蔽验收记录DQ2.513、接地系统布置简图DQ2.614、电缆敷设施工隐蔽验收记录DQ2.715、线路(设备)绝缘电阻测试记录DQ2.916、防雷接地电阻测试记录DQ2.1017、接地(PE)或接零(PEN)导通状态及插座接线正确性测试记录DQ2.1118、建筑照明通电试运行记录DQ2.1319、等电位联结施工隐蔽验收记录DQ2.1520、成套配电柜、控制柜(屏、台)和动力、照明配电箱(盘)安装分项工程检验批质量验收记录DQ3.1.6DQ3.1.6续表1DQ3.1.6续表221、电线导管、电缆导管和线槽敷设分项工程检验批质量验收记录DQ3.1.8DQ3.1.8续表22、电缆头制作、接线和线路绝缘测试分项工程检验批质量验收记录23、建筑物照明通电试运行分项检验批质量验收记录DQ3.1.1424、接地装置安装分项工程检验批质量验收记录DQ3.1.1625、避雷引下线和变配电室接地干线敷设分项工程检验批质量验收记录表DQ3.2.1426、电缆桥架安装和桥架内电缆敷设分项工程检验批质量验收记录DQ3.3.427、电线、电缆穿管和线槽敷线分项工程检验批质量验收记录DQ3.4.1228、开关、插座、风扇安装分项工程检验批质量验收记录DQ3.4.16DQ3.4.16续表29、普通灯具安装分项工程检验批质量验收记录DQ3.5.14DQ3.4.16续表30、建筑物等电位联结分项工程检验批质量验收记录DQ3.7.631、接闪器分项工程检验批质量验收记录DQ3.7.632、子分部工程工程质量验收记录DQ统表133、分项工程质量验收记录DQ统表2。
电力工程验收记录表完整
项目概要
本文档是电力工程验收记录表,记录了电力工程的验收情况和详细信息。
项目信息
- 项目名称: [填写项目名称]
- 项目地址: [填写项目地址]
- 建设单位: [填写建设单位]
- 施工单位: [填写施工单位]
- 联系人: [填写联系人信息]
- 验收日期: [填写验收日期]
验收内容
1. 工程概况
记录电力工程的基本情况,包括建设规模、用途、设计要求等。
2. 施工情况
记录施工单位的施工过程,包括工期、施工方法、设备使用等。
3. 设备验收
记录电力工程所使用的设备的验收情况,包括设备名称、型号、产地、数量等。
4. 工程质量
记录工程的质量情况,包括工程验收合格的部分和待整改的部分。
5. 安全和环保
记录工程的安全和环保情况,包括安全措施、环保设施的使用
情况等。
6. 验收结论
根据对以上内容的评估,得出电力工程的验收结论,包括验收合格或不合格,并列出整改要求。
参与人员
- 建设单位代表: [填写建设单位代表姓名]
- 施工单位代表: [填写施工单位代表姓名]
- 监理单位代表: [填写监理单位代表姓名]
- 验收人员: [填写验收人员姓名]
签字确认
建设单位代表: ________________
施工单位代表: ________________
监理单位代表: ________________
验收人员: ________________。
电力工程开工报告范本一、工程概述(一)工程名称具体电力工程名称(二)工程地点详细工程地点(三)工程规模及主要建设内容本电力工程的规模包括具体规模描述,如变电站容量、线路长度等。
主要建设内容涵盖详细列举建设的主要设施,如变压器安装、电缆敷设等。
(四)工程投资及资金来源工程总投资为具体金额万元,资金来源为说明资金的具体来源,如政府拨款、企业自筹等。
二、工程建设相关单位(一)建设单位建设单位名称(二)设计单位设计单位名称(三)施工单位施工单位名称(四)监理单位监理单位名称三、工程开工准备情况(一)施工组织设计及施工方案编制情况施工单位已根据工程特点和要求,编制了详细的施工组织设计和施工方案,并经过了严格的审核和审批程序。
施工组织设计和施工方案包括了施工部署、施工进度计划、施工质量保证措施、施工安全保证措施等内容,能够有效地指导工程施工。
(二)施工人员及施工设备准备情况施工单位已组织了经验丰富、技术熟练的施工人员队伍,并进行了必要的技术培训和安全教育。
施工设备已按照施工组织设计的要求进行了调配和准备,包括起重机、电焊机、电缆敷设机等主要施工设备,均已进行了调试和检测,确保性能良好,能够满足工程施工的需要。
(三)施工材料准备情况施工所需的主要材料,如钢材、电缆、变压器等,已按照设计要求进行了采购,并经过了质量检验和验收。
材料的储存和管理符合相关规定,能够保证施工过程中的材料供应。
(四)施工现场准备情况施工现场已进行了平整和清理,施工道路、临时水电等设施已基本完成。
施工围挡和警示标识已设置完毕,能够保证施工现场的安全和文明施工。
四、工程设计情况(一)设计方案设计单位已提供了完整的设计方案,包括初步设计和施工图设计。
设计方案符合国家和行业的相关标准和规范,满足工程的功能和性能要求。
(二)设计文件审查情况设计文件已经过了相关部门和专家的审查,并根据审查意见进行了修改和完善。
设计文件的审查意见已得到落实,确保设计质量符合要求。
电力工程开工报告电力工程开工报告「篇一」xxx开发办:兹我单位承担的工程(第标段)项目,施工机械及其它设备已进场,项目部已组建,施工管理人员和工人已到位,具备了开工条件,现申请开工,请贵方审批为盼。
XX工程有限责任公司日期:电力工程开工报告「篇二」土地综合整治工程监理部:签于我方施工组织机构已组建完成,施工及管理人员已经全部进场,施工设备已经调集到位,施工组织设计及各项施工措施已经完成,依据合同通用、专用条款及各项规程的要求,已具备开工条件,现申请本工程开工,请贵方审查。
申请人:日期:电力工程开工报告「篇三」尊敬的各位领导、各位来宾:大家上午好!新春伊始,万象更新。
今天,我们怀着无比喜悦的心情欢聚在这里,隆重地举行安徽凤丹药业有限公司二期工程开工典礼。
借此机会,我施工单位安徽鲁班建设投资集团有限公司向在座的各位领导和来宾致以新年的祝福和诚挚的问候!安徽凤丹药业有限公司二期工程总建筑面积约2.3万m,总造价约3000万元,是我县政府重点招商引资项目,能参与该工程的建设,我公司倍感荣幸。
安徽鲁班建设投资集团有限公司是经国家批准的施工总承包一级资质企业,多年来,我们秉持“忠诚、创新、协作、高效”的企业精神,凭着“用诚信赢得市场,用质量巩固市场,用安全保证市场,用勤奋开拓市场”的经营理念,建设了一批精品工程,树立了鲁班的良好品牌,取得了显著的经济效益和社会效益。
我相信,在今后的施工中,我们将继续发扬优良传统,调集优势力量,组建精干、高效的项目管理班子,以精益求精的态度、追求完美的精神,规范管理,精心施工,认真履行合同约定,按质保期完成凤丹药业有限公司二期工程的各项建设任务,向业主交一份满意的答卷,为南陵县的发展贡献我们鲁班人的一份力量!最后,祝各位领导、各位来宾身体健康、合家欢乐、万事如意!谢谢大家!xxx20xx年xx月xx日电力工程开工报告「篇四」陕西天虹工程建设监理部:我公司于20xx年7月18日已进驻工地,组建了本工程施工项目部,现项目部组成人员、施工设备均已到位,办公设施等已配备齐全,施工场地已按施工组织设计布置完毕;我工程技术人员对施工区原始控制点进行了复测,符合设计及施工规范要求,并布设控制点。
国网重庆大足区供电有限责任公司2014年生产工程竣工资料建设单位:国网重庆大足区供电有限责任公司施工单位:重庆市大足区精诚电力发展总公司生产工程资料目录表安全技术交底记录表施工交底记录施工方案(四措一案)报审表国网重庆大足区供电有限责任公司大足公司10kV城北线绝缘化改造四措一案年月日施工单位方案批准:审核:编制:重庆市大足区精诚电力发展总公司年月日编制说明大足公司10kV城北线绝缘化改造,为大足供电公司上报重庆市电力公司批准实施的配电线路检修项目;该项目经大足供电公司运维检修部现场交底,本公司多次到现场查戡确定施工方案而编制本施工计划。
一、工作时间及主要内容工作时间年月日- 年月日工作内容该工程对回龙变电站-大足供电公司施放光纤14713米;城西变电站-大足供电公司施放光纤3811米。
二、组织措施项目管理小组人员名单1.工程负责人(项目经理):刘勇联系电话:2.施工负责人:冉建联系电话:程生明联系电话:3.技术负责人:魏登模联系电话:4.专职安全员:黄清中联系电话:5.质检负责人:曹万学联系电话:6.材料领料员:陈世富联系电话:7.材料管理员:李海联系电话:8、一个施工班(供计电工15人),另加临工数人。
职责及分工:1、工程负责人,负责工程管理层工作。
2、施工负责人,负责工程施工现场具体安排、管理、培训。
3、技术负责人,负责工程施工现场安装标准、规范、新工艺及技术方面指导工作。
4、专职安全员,负责工程施工安全培训、违章管理、安全工机具管理、检查及效验。
5、质检负责人,负责工程施工材料检测、。
6、停电工作终结后,停电线路工作负责人应及时报告工作许可人,可采用当面报告或用电话报告(并经复诵无误)等方式。
7、工作期间工作负责人(监护人)不得擅自离开施工现场,如果因工作需要离开现场的,必须指定有资格的负责人(监护人)代替,并认真履行工作负责人变更手续。
8、施工班组不得擅自变动按工作票内容办理的安全措施,特殊情况需要变更安全措施时,必须征得工作票签发人的同意,并采取补充安全措施、加强监护。
建筑电气工程施工验收汇总表(doc 150页)建筑电气单位工程概况表DQ1.1工程名称建设单位分部(子分部)工程1、 2、 3、 4、变配电站设备名称型号规格单位数量安装地点变压器变配柜低配柜低压动力照明动力箱柜动力电缆照明插座箱防雷接地系统接闪器其他专业施工负责人:专业监理工程师:年月日年月日验收意见分包单位技术质量负责人:项目经理:年月日施工单位技术质量负责人:项目经理:年月日设计单位项目负责人:年月日监理(建设)单位电气监理工程师:总监理工程师:(建设单位项目专业负责人)年月日建筑电气工程质量控制资料核查记录DQ1.4工程名称施工单位序号资料名称份数检查意见检查人1 图纸会审、设计变更、洽商记录2 材料、配件出厂合格证及进场检(试)验报告3 隐蔽工程验收记录4 设备调试记录5 接地、绝缘电阻测试记录6 空载和负载试运行记录7 电气设备交接试验记录8 工序交接合格等安装施工记录9 分项、分部工程质量验收记录检查结论:施工单位项目经理年月日验收意见:总监理工程师:(建设单位项目负责人)年月日建筑电气工程安全和功能检验资料核查及主要功能抽查记录DQ1.5工程名称施工单位序号安全和工程检查项目份数核查意见抽查结果核(抽)查人1 照明全负荷试验记录2 大型灯具牢固性试验记录3 避雷接地电阻测试记录4 线路、插座、开关接地及其他部分检查记录5 正式通电后可抽测1 各类电源自动切换或断电装置2 馈电线路的绝缘电阻3接地(PE)或接零(PEN)的导通状态4 开关插座的接线正确性5 漏电保护装置饿动作电流和时间6 接地装置的接地电阻7 由照明设计确定的照度等抽查和检验意见:施工技术负责人:施工单位项目经理:年月日验收结论:总监理工程师:(建设单位项目负责人)年月日建筑电气工程观感质量检查记录DQ1.6 工程名称施工单位序号项目抽查情况质量评价好一般差1 配电箱、盘板、接线盒2 设备器具、开关、插座3 线路敷设4 防雷、接地567观感质量综合评价施工单位项目经理:年月日总监理工程师:(建设单位项目负责人)年月日建筑电气工程材料、设备、成品、半成品出厂合格证及进场检(试)验报告汇总表(检测报告)DQ2.1 工程名称施工单位序号材料设备名称规格型号单位数量生产厂家使用部位(系统)备注技术负责人:质量检查员:年月日电导管安装隐蔽验收记录DQ2.3 工程名称建设单位分项工程施工单位工程部位施工图编号系统/回路编号材质规格单位数量接地(接零)状况连接方式固定和防腐验收结果:专业监理工程师:(建设单位项目负责人):年月日检查意见:施工技术负责人:质检员:年月日电导管内穿线隐蔽验收记录DQ2.4 工程名称建设单位分项工程施工单位系统施工图编号工程部位导线型号及规格隐蔽数量隐蔽内容隐蔽检查状况:验收意见:电气监理工程师:(建设单位项目负责人):年月日检查结果:施工技术负责人:质检员:年月日重复接地(防雷接地)工程隐蔽验收记录DQ2.5工程名称建设单位施工单位施工方式监理单位施工图号类别利用基础的接地装置人工接地装置部位名称桩基地(圈)梁立柱接地体接地母线引上线材质规格单位数量焊接倍数埋设深度排列形式验收意见:专业监理工程师:(建设单位项目负责人):年月日检查结果:专业施工技术负责人:质检员:年月日防雷接地系统布置简图DQ2.6工程名称施工单位简图及说明:验收意见专业监理工程师:年月日质检员:技术负责人:年月日附防雷接地简图配线敷设施工隐蔽验收记录DQ2.7建设单位环境单位工程施工图号分项工程施工部位系统/回路编号型号及规格敷设方式隐蔽数量备注检查项目检查情况敷设外观检查敷设方式简图及隐蔽说明:验收意见:专业监理工程师:(建设单位项目负责人):年月日检查结果:专业施工技术负责人:质检员:年月日电气设备交接试验记录DQ2.8 工程名称建设单位分项工程名称系统部位设备名称施工单位交接试验项目的试验范围、内容、要求和环境,以及设备的交接试验要求:试验情况:试验人:移交人年月日接受人年月日验收意见:专业监理工程师:(建设单位项目负责人):年月日试验结果:施工技术负责人:质检员:年月日线路(设备)绝缘电阻测试记录DQ2.9工程名称建设单位分项名称施工单位额定工作电压仪表型号试验电压等级单元(层次)回路或设阻值备编号相别A-B.C.O.地B-A.C.O.地C-A.B.O.地O-地单元(层次)回路或设阻值备编号相别A-B.C.O.地B-A.C.O.地C-A.B.O.地O-地检查结果:专业技术负责人:质检员:测验人:年月日验收意见:专业监理工程师(建设单位项目负责人)年月日接地电阻测试记录DQ2.10 工程名称建设单位敷设类别施工单位仪表型号测试环境温度接地类别设计值实测值季节系数检测结果(Ω)备注测试布置简图:(注明测试点位置方向)检查结果:专业技术负责人:质检员:测验人:年月日验收意见:专业监理工程师(建设单位项目负责人):年月日各种性质土壤的季节系数土壤性质深度(m)Ψ1Ψ2Ψ3粘土0.5-0.80.8-33221.51. 52. 1.4陶土0-2 2.4 1.4 1.2砂砾盖于陶土0-2 1.8 1.2 1.1 园地0-2 - 1.3 1.2 黄砂0-2 2.4 1.6 1.2杂以黄砂的砂0-2 2.4 1.6 1.2 砾混炭0-2 1.4 1.1 1.0 石灰石0-2 2.5 1.5 1.2 ——测量前数天下过较长时间的雨,土壤很潮湿时用之;注:Ψ1——测量时土壤较潮湿,具有中等含水量时用之;Ψ2——测量时土壤干燥或测量前降雨不大时用之。
XXXX煤电有限责任公司一期(2×200MW)工程土建专业单位工程竣工档案资料统一表式(最终版)XXXX煤电有限责任公司工程部二○○七年十一月十九日目录单位工程开工报告YG-010□-□- T1-001·编号:单位工程开工条件考核表注:初审意见可填:完善、具备、完成、已进行或其它具体意见。
施工现场质量管理检查记录YG-0100-17-T1—004·编号:OX-017-001 图纸会审/设计交底纪要YG-0100-17-T1—005·编号:施工图纸会检记录YG-0100-17-T—006·编号:单位工程概述YG-0100-CQQ2-T1 -007·单位工程概述YG-010□-□-T1 -007·续YG-010□-□-T1-008·施工技术交底记录YG-010□-□-T1-009·YG-0100-17-T1-010·YG-010□-□-T1-011·变更设计联系单本表由提出单位填报,一式5份,自存1份,设计院、监理部、业主、总承包商各存1份。
设计变更汇总表单位工程竣工报告YG-010□-□-T1—014·施工许可证号:工程施工测量记录T2-001·YG-010□-□-YG-010□-□-T2-002·沉降观测记录YG-010□-□-T2 -003·单位(子单位)工程名称:XXXX煤电有限责任公司(2×200MW机组)工程专业整理知识分享测量技术负责人:审核人:观察人:监理:总承包商:专业整理知识分享沉降观测示意图YG-010□-□-T2-004·测量专业负责人:专业质量检查员:总包单位:监理:混凝土搅拌记录YG-0100-17-T2-005·YG-0100-17-T2-006·YG-0100-17-T2-007·注: m—用以确定试验及批混凝土强度标准的数据的总批数;f cu—混凝土立方体试件抗压强度.混凝土浇灌通知单YG-0100-17-T2-008·001混凝土工程浇筑施工记录YG-0100-17-T2-009·YG-0100-C8-T2-010·编号:XP-125-01YG-0100-C8- T 2-011·编号:XP-125-01YG-0100-C8-T2-012·编号:XP-125-01YG-010□-□-T2-013·YG-010□-□-T2-014·YG-010□-□-T2-015·YG-010□-□-T2-016·YG-010□-□-T2-017·设备开箱签证书YG-010□-□- T2-018·设备及管道附件试验记录YG-010□-□-T2-019·YG-0100-17-T2-020·003YG-0100-17-T2-020·002YG-0100-17-T2-020·004YG-0100-17-T2-020·001。
一、概述电力建设工程施工验收表是电力建设工程施工过程中,对施工质量、安全、进度等进行全面检查和评估的重要文件。
该表按照《电力建设工程施工质量验收及评价规程》及相关标准编制,旨在确保电力建设工程施工质量达到规定的要求,为电力建设工程的顺利交付和使用提供保障。
二、编制依据1. 《电力建设工程施工质量验收及评价规程》2. 《电力建设工程施工及验收规范》3. 国家及行业标准4. 电力建设工程合同及相关协议三、表格内容1. 工程概况(1)工程名称(2)工程地点(3)建设单位(4)施工单位(5)监理单位(6)设计单位2. 施工验收项目(1)地基基础工程(2)主体结构工程(3)装饰装修工程(4)设备安装工程(5)电气工程(6)给排水及消防工程(7)通风空调工程(8)智能化工程(9)环保工程3. 验收标准及要求(1)地基基础工程:按照《建筑地基基础工程施工质量验收规范》进行验收(2)主体结构工程:按照《建筑主体结构工程施工质量验收规范》进行验收(3)装饰装修工程:按照《建筑装饰装修工程施工质量验收规范》进行验收(4)设备安装工程:按照《建筑设备安装工程施工质量验收规范》进行验收(5)电气工程:按照《电气工程施工质量验收规范》进行验收(6)给排水及消防工程:按照《建筑给排水及消防工程施工质量验收规范》进行验收(7)通风空调工程:按照《通风空调工程施工质量验收规范》进行验收(8)智能化工程:按照《建筑智能化工程施工质量验收规范》进行验收(9)环保工程:按照《环境保护工程施工质量验收规范》进行验收4. 验收结果(1)合格:各项验收项目均符合验收标准及要求(2)不合格:存在一项或多项验收项目不符合验收标准及要求,需进行整改5. 验收时间(1)地基基础工程:基础施工完成,具备验收条件(2)主体结构工程:主体结构施工完成,具备验收条件(3)装饰装修工程:装饰装修施工完成,具备验收条件(4)设备安装工程:设备安装完成,具备验收条件(5)电气工程:电气施工完成,具备验收条件(6)给排水及消防工程:给排水及消防施工完成,具备验收条件(7)通风空调工程:通风空调施工完成,具备验收条件(8)智能化工程:智能化施工完成,具备验收条件(9)环保工程:环保施工完成,具备验收条件6. 验收单位及人员(1)验收单位:建设单位、施工单位、监理单位(2)验收人员:具有相应资质的工程技术人员四、填写说明1. 施工验收表应由施工单位、监理单位、建设单位共同填写,验收人员签字确认。
电力工程开工报告样表
要求准确,不能出现任何虚假信息,否则将予以扣分
XXX有限公司电力工程开工报告
报告书份
总公司一份
项目部一份
项目名称:XXX有限公司电力工程
项目地址:XXX
项目开工日期:2023年7月1日
业主单位:XXX有限公司
施工单位:XXX
1、电力工程情况
项目内容:XXX有限公司电力工程主要包括建设XXX、XXX及其他辅助设施,主要技术指标及投资量如下:
(1)XXX;
(2)XXX;
(3)投资量:XXXX万元。
2、施工预案
施工预案是根据工程实施过程的需要,针对本项目的具体特点,编制
的施工组织计划,以求尽快完成本项目目标并取得良好的经济效益。
本项
目主要施工预案如下:
(1)施工组织管理:以项目经理负责组织安排施工工作,为施工工
作提供指导和组织。
(2)施工时间:施工时间预计为2023年7月1日至2023年6月30日,施工计划定于本项目开工后三个月内完成。
(3)施工环境:施工环境保持清洁,尽量减少噪声,污染程度达标
要求。
(4)安全:施工过程中必须严格遵守安全技术标准,完善安全设施,做好风险预警,确保工程安全施工。
(5)施工进度:建立好各个分部署的施工进度安排表。